ГОСТ Р 71642-2024 РЕЗОНАТОРЫ КВАРЦЕВЫЕ. МЕТОДЫ ИЗМЕРЕНИЯ ДИНАМИЧЕСКИХ ПАРАМЕТРОВ КОНТРОЛЬНЫХ ОБРАЗЦОВ
Утв. и введен в действие Приказом Федерального агентства по техническому регулированию и метрологии от 1 октября 2024 г. N 1335-ст
Национальный стандарт РФ ГОСТ Р 71642-2024
"РЕЗОНАТОРЫ КВАРЦЕВЫЕ. МЕТОДЫ ИЗМЕРЕНИЯ ДИНАМИЧЕСКИХ ПАРАМЕТРОВ КОНТРОЛЬНЫХ ОБРАЗЦОВ"
Quartz resonators. Methods for measuring dynamic parameters control samples
ОКС 31.140
Дата введения - 1 марта 2025 года
Введен впервые
Предисловие
1 РАЗРАБОТАН Акционерным обществом "Российский научно-исследовательский институт "Электронстандарт" (АО "РНИИ "Электронстандарт")
2 ВНЕСЕН Техническим комитетом по стандартизации ТК 303 "Электронная компонентная база, материалы и оборудование"
3 УТВЕРЖДЕН И ВВЕДЕН В ДЕЙСТВИЕ Приказом Федерального агентства по техническому регулированию и метрологии от 1 октября 2024 г. N 1335-ст
4 ВВЕДЕН ВПЕРВЫЕ
Правила применения настоящего стандарта установлены в статье 26 Федерального закона от 29 июня 2015 г. N 162-ФЗ "О стандартизации в Российской Федерации". Информация об изменениях к настоящему стандарту публикуется в ежегодном (по состоянию на 1 января текущего года) информационном указателе "Национальные стандарты", а официальный текст изменений и поправок - в ежемесячном информационном указателе "Национальные стандарты". В случае пересмотра (замены) или отмены настоящего стандарта соответствующее уведомление будет опубликовано в ближайшем выпуске ежемесячного информационного указателя "Национальные стандарты". Соответствующая информация, уведомление и тексты размещаются также в информационной системе общего пользования - на официальном сайте Федерального агентства по техническому регулированию и метрологии в сети Интернет (www.rst.gov.ru)
1 Область применения
Настоящий стандарт распространяется на кварцевые резонаторы (далее - резонаторы) с частотой от 1 до 30 МГц, аттестуемые с целью использования их для оперативного контроля, комплектной поверки, сличения, метрологической аттестации средств измерений динамических параметров резонаторов и устанавливает метод измерения динамической индуктивности и два метода измерения динамического сопротивления.
Метод измерения динамической индуктивности является обязательным для резонаторов со следующими характеристиками:
|
- частотой колебаний первого порядка, МГц ............................. |
от 1 до 30; |
|
- динамической индуктивностью, Гн .......................................... |
от 1·10-3 до 5; |
|
- стандартизированным коэффициентом затухания не более ... |
0,1 |
, (1)
где f - частота колебаний, Гц;
C0 - статическая емкость, Ф;
R1 - динамическое сопротивление, Ом;
Q - добротность.
Метод 1 измерения динамического сопротивления является обязательным для резонаторов со следующими характеристиками:
|
- частотой колебаний, МГц .......................................................... |
от 1 до 30; |
|
- динамическим сопротивлением, Ом ......................................... |
не менее 1; |
|
- стандартизированным коэффициентом затухания не более 0,1 при мощности, рассеиваемой на резонаторе не более .............. |
0,1 мВт. |
Метод 2 измерения динамического сопротивления является обязательным для резонаторов со следующими характеристиками:
|
- частотой колебаний, МГц .......................................................... |
от 1 до 30; |
|
- динамическим сопротивлением, Ом ........................................ |
от 2 до 500; |
|
- статической емкостью, Ф, не более .......................................... |
10·10-12; |
|
- при мощности, рассеиваемой на резонаторе ........................... |
от 0,1 до 1,0 мВт. |
Стандарт следует применять совместно с ГОСТ Р 71286.
Стандарт следует применять для выбора параметров при разработке технических заданий (ТЗ) на научно-исследовательские и опытно-конструкторские работы, программ испытаний (ПИ), опытных образцов, стандартов вида "Методы измерений", "Номенклатура показателей" системы показателей качества и технического уровня и составления карт рабочих режимов кенотронов.
Настоящий стандарт предназначен для применения предприятиями, организациями и другими субъектами научной и хозяйственной деятельности независимо от форм собственности и подчинения, а также федеральными органами исполнительной власти Российской Федерации, участвующими в разработке, производстве, эксплуатации резонаторов в соответствии с действующим законодательством.
2 Нормативные ссылки
В настоящем стандарте использована нормативная ссылка на следующий стандарт:
ГОСТ Р 71286 Приборы пьезоэлектрические и фильтры электромеханические. Общие требования при измерении параметров.
Примечание - При пользовании настоящим стандартом целесообразно проверить действие ссылочных стандартов в информационной системе общего пользования - на официальном сайте Федерального агентства по техническому регулированию и метрологии в сети Интернет или по ежегодному информационному указателю "Национальные стандарты", который опубликован по состоянию на 1 января текущего года, и по выпускам ежемесячного информационного указателя "Национальные стандарты" за текущий год. Если заменен ссылочный стандарт, на который дана недатированная ссылка, то рекомендуется использовать действующую версию этого стандарта с учетом всех внесенных в данную версию изменений. Если заменен ссылочный стандарт, на который дана датированная ссылка, то рекомендуется использовать версию этого стандарта с указанным выше годом утверждения (принятия). Если после утверждения настоящего стандарта в ссылочный стандарт, на который дана датированная ссылка, внесено изменение, затрагивающее положение, на которое дана ссылка, то это положение рекомендуется применять без учета данного изменения. Если ссылочный стандарт отменен без замены, то положение, в котором дана ссылка на него, рекомендуется применять в части, не затрагивающей эту ссылку.
3 Термины и определения
В настоящем стандарте применены термины по ГОСТ 18669, а также следующий термин с соответствующим определением:
3.1 стандартизованный коэффициент затухания δ: Произведение круговой частоты, статической емкости и динамического сопротивления.
δ = ωC0R1, (2)
где ω - круговая (угловая) частота, рад/с, вычисляемая по формуле
ω = 2πf. (3)
4 Метод измерения динамической индуктивности
4.1 Принцип и условия измерения
4.1.1 Измерение динамической индуктивности проводят косвенным методом по результатам определения относительного резонансного промежутка резонатора и статической емкости пьезоэлемента.
4.1.2 Условия измерения - по ГОСТ Р 71286.
4.2 Аппаратура
4.2.1 Определение относительного резонансного промежутка резонатора следует проводить на установке, электрическая структурная схема которой приведена на рисунке 1; определение статической емкости пьезоэлемента необходимо производить с измерителем емкости.
Примечание - При измерении резонаторов с динамической индуктивностью от 1·10-3 до 5·10-3 Гн резонатор следует подключать к измерителю импеданса с помощью входного устройства, приведенного в приложении А (см. рисунок 1).

G - генератор синусоидальных сигналов; E1 - аттенюатор; PV - вольтметр; X - тройник; BQ - резонатор кварцевый; E2 - измеритель импеданса; XS1, XS2 - гнезда; K1, K2, K3 - кабели высокочастотные
Рисунок 1
4.2.2 Аппаратура и приспособления должны соответствовать требованиям, приведенным в таблице 1. Перечень средств измерений и вспомогательных устройств, которые могут быть использованы при измерениях, приведен в приложении Б.
Таблица 1
|
Аппаратура |
Наименование показателя |
Значение показателя |
|
Генератор синусоидальных сигналов |
Диапазон частот, МГц |
1,0·30,5 |
|
Нестабильность частоты |
1·10-8 | |
|
Выходное напряжение на нагрузке 50 Ом, В, не менее |
15 | |
|
Ослабление спектральных составляющих сигнала, дБ, не менее |
40 | |
|
Нестабильность уровня выходного напряжения, дБ, не более |
0,2 | |
|
Аттенюатор |
Диапазон частот, МГц |
1,0 - 30,5 |
|
Затухание, дБ |
0 - 40 | |
|
Ступени затухания, дБ |
10; 1 | |
|
Вольтметр |
Диапазон частот, МГц |
1,0 - 30,5 |
|
Предел измерения, В |
0,01 - 1,00 | |
|
Погрешность измерения, %, не более |
± 6 | |
|
Измеритель импеданса |
Диапазон частот, МГц |
1,0 - 30,5 |
|
Пределы измерения: | ||
|
- импеданса, Ом |
1 - 5·105 | |
|
- фазового угла, град |
0 - 90 | |
|
Погрешность измерения импеданса, %, не более |
± 5 | |
|
Погрешность измерения фазового угла, град, не более |
± 5 | |
|
Остаточные параметры входного устройства для подключения резонатора: | ||
|
- возможность работы от внешнего генератора синусоидальных сигналов: | ||
|
- индуктивность, Гн, не более |
5·10-9 | |
|
- сопротивление, Ом, не более |
0,2 - 0,5 | |
|
Тройник |
Волновое сопротивление, Ом |
75 |
|
Измеритель емкости |
Пределы измерения емкости, пФ |
0,2 - 12,0 |
|
Погрешность измерения, %, не более |
± 0,5 | |
|
Кабель высокочастотный |
Волновое сопротивление, Ом |
50 |
|
Длина, м |
0,5 - 1,0 | |
|
Примечание - Допускается применение средств измерений динамических параметров резонаторов, имеющих погрешность менее указанной в настоящем стандарте, аттестованных по методике, согласованной с базовой метрологической службой или федеральным органом исполнительной власти (Росстандарт). | ||
4.3 Подготовка и проведение измерений
4.3.1 Помещают резонатор в теплоизолирующий корпус (см. приложение А).
4.3.2 Подготавливают аппаратуру к работе в соответствии с эксплуатационной документацией.
4.3.3 Подключают резонатор к входному устройству измерителя импеданса.
4.3.4 Устанавливают частоту генератора синусоидальных сигналов (далее - генератор), равную номинальной частоте резонатора fном.
4.3.5 Изменяя частоту генератора в пределах ± 10% относительно номинальной частоты, устанавливают нулевое показание измерителя, фиксируют значение генератора f1.
Примечание - При установке нулевых показаний индикатора фазы показания индикатора импеданса должна находиться в зоне минимальных показаний.
4.3.6 Увеличивая частоту генератора до значения 1+0,003 f1, Гц, устанавливают нулевое значение измерителя фазы, фиксируют значение частоты генератора f2.
Примечание - При установке нулевых показаний индикатора фазы показания индикатора импеданса должны находиться в зоне максимальных показаний.
4.3.7 Определяют статическую емкость пьезоэлемента.
4.3.7.1 Подключают резонатор к измерителю емкости и измеряют статическую емкость C0.
4.3.7.2 Отключают резонатор и подключают к измерителю емкости держатель резонатора той же конструкции и измеряют емкость держателя Cд.
4.3.7.3 Определяют статическую емкость пьезоэлемента C'0, пФ, по формуле
C'0 = C0 - Cд. (4)
4.3.8 Повторяют 4.3.5 - 4.3.7 пять раз.
4.4 Обработка результатов
4.4.1 Определяют среднее арифметическое значение относительного резонансного промежутка резонатора
и статической емкости пьезоэлемента.
4.4.2 Определяют значение динамической индуктивности L1, Гн, по формуле
, (5)
где C̅'0 - статическая емкость пьезоэлемента, пФ.
4.5 Показатели точности измерений
4.5.1 Относительная погрешность измерения динамической индуктивности находится в пределах
, (6)
где Δφ - погрешность измерения фазового угла, град, с вероятностью 0,95.
5 Методы измерения динамического сопротивления
5.1 Метод 1
5.1.1 Принцип и условия измерения
5.1.1.1 Измерение динамического сопротивления резонаторов основано на определении модуля полного сопротивления двухполюсника на частоте, соответствующей нулевому значению фазового угла между током, проходимым через двухполюсник и напряжением на нем.
5.1.1.2 Условия измерения - по 4.1.2.
5.1.2 Аппаратура
Аппаратура - по 4.2.
5.1.3 Подготовка и проведение измерений
Выполняют 4.3.1 - 4.3.5 и фиксируют показание измерителя модуля полного сопротивления |Z|
5.1.4 Обработка результатов
Определяют динамическое сопротивление R1, Ом, по формуле
R1 = |Z|·(1 – δ2). (7)
5.1.5 Показатели точности измерений
Абсолютная погрешность измерения динамического сопротивления резонаторов должна находиться в пределах
, (8)
где Zк - конечное значение шкалы измерителя модуля полного сопротивления, Ом;
R1 - измеренное значение динамического сопротивления, Ом, с вероятностью 0,95.
5.2 Метод 2
5.2.1 Принцип и условия измерения
5.2.1.1 Измерение динамического сопротивления резонаторов основано на определении отношения напряжения на плече мостовой схемы, в которую установлен резонатор, к напряжению на диагонали мостовой схемы на частоте, близкой к частоте последовательно резонанса.
5.2.1.2 Условия измерения - по 4.1.2.
5.2.2 Аппаратура
5.2.2.1 Измерение динамического сопротивления резонаторов следует проводить на установке, электрическая структурная схема которой приведена на рисунке 2.

PF - частотомер электронно-счетный; G – генератор синусоидальных сигналов; E1 - аттенюатор; E2 - блок параметров; X1, X2, X3 - тройники; BQ - резонатор; E3 - фазометр; R1, R2, R3 - сопротивления нагрузочные; K1, K2, K3 - кабели высокочастотные; XT1, XT2, XT3 - соединения разъемные блока параметров; XS1, XS2 - гнезда
Рисунок 2
5.2.2.2 Аппаратура и приспособления должны соответствовать требованиям, приведенным в таблице 2. Перечень средств измерений и вспомогательных устройств, которые могут быть использованы при измерениях, приведен в приложении В.
Таблица 2
|
Аппаратура |
Наименование показателя |
Значение показателя |
|
Частотомер электронно-счетный |
Диапазон частот, МГц |
1,0 - 30,5 |
|
Чувствительность, мВ, не хуже |
60 | |
|
Погрешность измерения частоты, %, где δ0 - основная относительная погрешность частоты внутреннего кварцевого генератора; fСЧ - время счета, с; fизм - измеренная частота, Гц |
| |
|
Генератор синусоидальных сигналов |
Диапазон частот, МГц |
1,0 - 30,5 |
|
Нестабильность частоты за три минуты |
3·10-6 | |
|
Величина выходного напряжения (регулируется плавно) на нагрузке 75 Ом, В |
0 - 5 | |
|
Погрешность установки выходного напряжения, %, не более |
± 5 | |
|
Аттенюатор |
Диапазон частот, МГц |
1,0 - 30,5 |
|
Затухание, дБ |
0 - 40 | |
|
Ступени затухания, дБ |
1; 10 | |
|
Погрешность, % |
± 0,2; ± 0,5 | |
|
Блок параметров |
Диапазон частот, МГц |
1,0 - 30,5 |
|
Пределы компенсации статической емкости, пФ, не более |
12 | |
|
Остаточные параметры: | ||
|
активная составляющая, Ом, не более |
0,4 | |
|
реактивная составляющая, Гн, не более |
20·10-9 | |
|
Фазометр |
Диапазон частот, МГц |
1,0 - 30,5 |
|
Погрешность измерения фазового угла: | ||
|
- при неравных уровнях по каналам, град |
± 5 | |
|
- при равных уровнях по каналам, град |
± 2,5 | |
|
Входные уровни: | ||
|
- по опорному каналу, мВ |
1 - 300 | |
|
- по измерительному каналу, мВ |
0,3 - 300,0 | |
|
Погрешность измерения входных уровней напряжения, %, не более |
± 10 | |
|
Тройник |
Волновое сопротивление, Ом |
50 |
|
Резистор |
Сопротивление, Ом |
75; 100 |
|
Допустимое отклонение, % |
± 5; ± 0,25 | |
|
Кабель высокочастотный |
Волновое сопротивление, Ом |
75 |
|
Длина, м |
0,5 - 1,0 | |
|
Примечание - Допускается применение средств измерений динамических параметров резонаторов, имеющих погрешность менее указанной в настоящем стандарте, аттестованных по методике, согласованной с базовой метрологической службой или федеральным органом исполнительной власти (Росстандарт). | ||
5.2.3 Подготовка к измерениям
5.2.3.1 Подготавливают аппаратуру к работе в соответствии с эксплуатационной документацией.
5.2.3.2 Устанавливают частоту генератора ниже номинальной частоты fном на 1%, а выходное напряжение U1 равное 3 В.
5.2.3.3 Устанавливают развязывающие ступени аттенюатора в положение 10 дБ, а установочные - в положение 0 дБ.
5.2.3.4 Подключают опорный канал фазометра к входу ВЧ2, а измерительный - к выходу ВЧ1 блока параметров.
5.2.3.5 Устанавливают переключатель "КАНАЛ" фазометра в положение В и изменением емкости переменного конденсатора блока параметров добиваются минимума показаний измерителя фазометра.
5.2.3.6 Подключают опорный канал фазометра к входу ВЧ1, а измерительный - к входу ВЧ2 блока параметров.
5.2.3.7 Устанавливают в гнезде колодки блока параметров для подключения резонаторов резистор С2-10-0,25-100 Ом ± 0,25% ОЖО.467.072 ТУ.
5.2.3.8 Фиксируют напряжение в измерительном канале фазометра U2 и выходное напряжение генератора U1.
5.2.3.9 Устанавливают ручками "СДВИГ ШКАЛЫ" и "0" нулевое показание фазометра.
5.2.3.10 Подключают измерительный канал фазометра к входу ВЧ1 блока параметров и изменением выходного напряжения генератора добиваются показаний измерителя напряжений фазометра равных U2.
5.2.3.11 Фиксируют значение выходного напряжения генератора U3.
5.2.3.12 Определяют коэффициент пропорциональности lgK, зависящий от конструкции блока параметров по формуле
. (9)
5.2.4 Проведение измерений и обработка результатов
5.2.4.1 Подключают к выходу генератора опорный канал фазометра, а измерительный канал к выходу ВЧ1 блока параметров.
5.2.4.2 Устанавливают в гнезда колодки блока параметров кварцевый резонатор и изменением емкости переменного конденсатора блока параметров добиваются минимума показаний измерителя напряжения фазометра.
5.2.4.3 Подключают измерительный канал фазометра к входу ВЧ2 блока параметров и изменяя частоту генератора, устанавливают нулевое показание измерителя фазы.
5.2.4.4 Фиксируют показание измерителя напряжения фазометра U4.
5.2.4.5 Подключают измерительный канал фазометра к входу ВЧГ и изменением величины затухания установочных ступеней аттенюатора добиваются показаний измерителя напряжений фазометра равным U4.
5.2.4.6 Фиксируют полученное значение затухания А.
Примечание - При необходимости, установка напряжения может осуществляться изменением входного напряжения генератора. Тогда к полученному значению затухания аттенюатора необходимо добавить с учетом знака затухания δA, которое определяют по формуле
, (10)
где U5 - выходное напряжение генератора до регулировки, мВ, равное U3;
U6 - выходное напряжение генератора, соответствующее показанию измерителя напряжений фазометра равному U4, мВ.
5.2.4.7 Определяют динамическое сопротивление R1, Ом, по формуле
. (11)
Примечание - Если при измерении динамического сопротивления напряжение на входе ВЧ2 меньше, чем на входе ВЧ1, то значение
берется со знаком "-", в противном случае со знаком "+".
5.2.4.8 При измерении динамического сопротивления кварцевого резонатора в режиме заданной мощности рассеивания P изменением выходного напряжения генератора устанавливают на входе ВЧ2 блока параметров напряжение U, соответствующее мощности, указанной в научно-технической документации на резонаторы и определяемое по формуле
. (12)
Примечание - При измерении резонаторов с динамическим сопротивлением в пределах от 2 до 5 Ом в режиме заданной мощности, одну развязывающую ступень аттенюатора устанавливают в нулевое положение.
5.2.5 Показатели точности измерений
Абсолютная погрешность измерения динамического сопротивления находится в пределах ± (0,1R1 + 0,12) Ом с вероятностью 0,99.
Приложение А
(рекомендуемое)
Входное устройство для подключения резонатора к измерителю импеданса

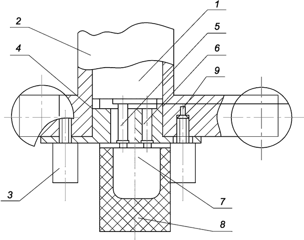
1 - зонд; 2 - зажим зонда; 3 - винты зажимов; 4 – гнездо (рисунок А.2); 5 - гнездо (рисунок А.3 а); 6 – гнездо (рисунок А.3 б); 7 - резонатор; 8 - теплоизолирующий корпус (рисунки А.4 - А.6); 9 - держатель
Рисунок А.1

Примечания
1 Материал ЛС69-1 ГОСТ 15527.
2 Покрытие - Хим. НБ.
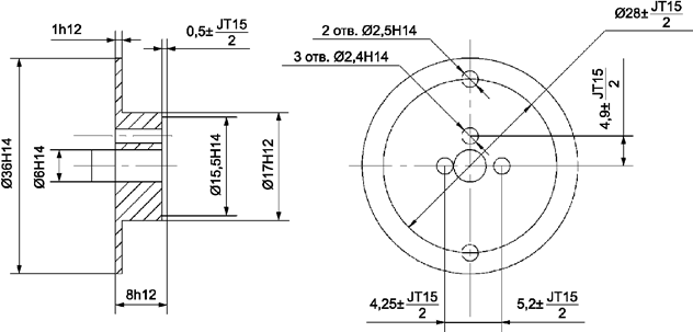
Рисунок А.2 - Гнездо

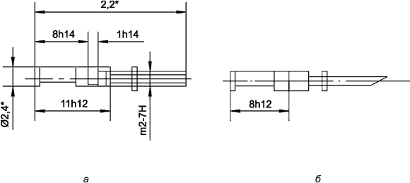
--------------------------------
* Размеры для справок.
Примечание - Заготовка: гнездо 2РМ146ПН4Г181ГЕО.364.126 ТУ.
Рисунок А.3 - Гнездо

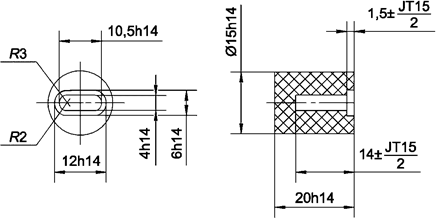
Примечания
1 Для резонаторов исполнения МА, МБ и КА.
2 Материал - пенопласт марки ПУ 101.ТУ6-05-1768-76.
Рисунок А.4 - Теплоизолирующий корпус

Примечания
1 Для резонаторов исполнения 4А и 4Б.
2 Материал - пенопласт марки ПУ101 ТУ6-5-1768.
Рисунок А.5 - Теплоизолирующий корпус

Примечания
1 Для резонаторов исполнения 4А и 4Б.
2 Материал - пенопласт марки ПУ101 ТУ6-5-1768.
Рисунок А.6 - Теплоизолирующий корпус
Приложение Б
(справочное)
Перечень средств измерений и вспомогательных устройств, которые могут быть использованы при измерении динамической индуктивности
Таблица Б.1
|
Наименование |
Тип |
Обозначение ТУ или основного конструкторского документа |
|
Синтезатор частоты |
Ч6-31 |
ЕЭ.404.019 ТУ |
|
Аттенюатор |
А0-5 |
ЫХМЗ.418.002 ТУ |
|
Милливольтметр |
В3-25 |
ЯЫ2.710.044 ТУ |
|
Измеритель импеданса |
ВМ-508 | |
|
Измеритель емкости |
Е8-4 |
Е32.724.006 ТУ |
|
Тройник |
СР-75-1939 |
ВРО.364.013 ТУ |
|
Кабель |
ЫХМ4.850.027 | |
|
Примечание - Допускается замена на аналогичные средства измерения и вспомогательные устройства с техническими характеристиками, соответствующими требованиям точности. | ||
Приложение В
(справочное)
Перечень средств измерений и вспомогательных устройств, которые могут быть использованы при измерении динамического сопротивления
Таблица В.1
|
Наименование |
Тип |
Обозначение ТУ или основного конструкторского документа |
|
Частотомер электронно-счетный |
Ч3-34А |
И22.721.032 ТУ |
|
Генератор перестраиваемый стабильный |
ГПО-34 |
ЫХМЗ.541.086 ТУ |
|
Аттенюатор |
А0-5 |
ЫХМЗ.418.002 ТУ |
|
Блок параметров |
БП-35 |
ЫХМЗ.566.010 |
|
Фазометр |
ФК2-12 |
ЕЭ2.721.123 ТУ |
|
Тройник |
СР-50-95Ф |
ВРО.364.013 ТУ |
|
Резистор |
ОМЛТ-0,25-75 Ом ± 5% |
ОЖО.467.107 ТУ |
|
Резистор |
02-10-0,25-100 Ом ± 5% |
ОЖО.467.072 ТУ |
|
Кабель |
ЫХМ4.850.001-4 | |
|
Примечание - Допускается замена на аналогичные средства измерения и вспомогательные устройства с техническими характеристиками, соответствующими требованиям точности. | ||



