ГОСТ Р 71373-2024 ИЗДЕЛИЯ АВИАЦИОННОЙ ТЕХНИКИ. ПРЕДЕЛЬНЫЕ ОТКЛОНЕНИЯ РАЗМЕРОВ, ДОПУСКИ ФОРМЫ И РАСПОЛОЖЕНИЯ ПОВЕРХНОСТЕЙ, НЕ УКАЗАННЫЕ НА ЧЕРТЕЖЕ
Утв. и введен в действие Приказом Федерального агентства по техническому регулированию и метрологии от 16 октября 2024 г. N 1462-ст
Национальный стандарт РФ ГОСТ Р 71373-2024
"ИЗДЕЛИЯ АВИАЦИОННОЙ ТЕХНИКИ. ПРЕДЕЛЬНЫЕ ОТКЛОНЕНИЯ РАЗМЕРОВ, ДОПУСКИ ФОРМЫ И РАСПОЛОЖЕНИЯ ПОВЕРХНОСТЕЙ, НЕ УКАЗАННЫЕ НА ЧЕРТЕЖЕ"
Aircraft items. Limit deviations of dimensions, tolerances of form and position for surfaces without tolerance indications on the drawing
ОКС 17.040.10
Дата введения - 1 января 2025 года
Введен впервые
Предисловие
1 РАЗРАБОТАН Федеральным государственным унитарным предприятием "Всероссийский научно-исследовательский институт "Центр" (ФГУП "ВНИИ "Центр")
2 ВНЕСЕН Техническим комитетом по стандартизации ТК 323 "Авиационная техника"
3 УТВЕРЖДЕН И ВВЕДЕН В ДЕЙСТВИЕ Приказом Федерального агентства по техническому регулированию и метрологии от 16 октября 2024 г. N 1462-ст
4 ВВЕДЕН ВПЕРВЫЕ
Правила применения настоящего стандарта установлены в статье 26 Федерального закона от 29 июня 2015 г. N 162-ФЗ "О стандартизации в Российской Федерации". Информация об изменениях к настоящему стандарту публикуется в ежегодном (по состоянию на 1 января текущего года) информационном указателе "Национальные стандарты", а официальный текст изменений и поправок - в ежемесячном информационном указателе "Национальные стандарты". В случае пересмотра (замены) или отмены настоящего стандарта соответствующее уведомление будет опубликовано в ближайшем выпуске ежемесячного информационного указателя "Национальные стандарты". Соответствующая информация, уведомление и тексты размещаются также в информационной системе общего пользования - на официальном сайте Федерального агентства по техническому регулированию и метрологии по стандартизации в сети Интернет (www.rst.gov.ru)
Введение
Стандарт разработан на основе отраслевого стандарта ОСТ 1 00022-80 "Предельные отклонения размеров от 0,1 до 10000 мм и допуски формы и расположения поверхностей, не указанные на чертеже".
1 Область применения
Настоящий стандарт устанавливает предельные отклонения линейных и угловых размеров, радиусов закругления, а также допуски формы и расположения гладких поверхностей элементов деталей изделий авиационной техники, получаемые различными способами обработки из любых материалов, предельные отклонения и допуски на которые не указаны на чертежах у размеров или в технических требованиях непосредственно числовыми величинами или условными обозначениями полей допусков.
Настоящий стандарт не устанавливает предельные отклонения на размеры и допуски формы и расположения поверхностей деталей и полуфабрикатов, для которых предельные отклонения и допуски установлены нормативными документами на эти детали и полуфабрикаты.
2 Предельные отклонения размеров элементов отверстий и валов
2.1 Предельные отклонения для размеров элементов, указанных на рисунке 1, должны соответствовать приведенным в таблице 1.

а) - ж) Размеры элементов отверстий

и) - с) Размеры элементов валов
Рисунок 1
Таблица 1
В миллиметрах
|
Интервал размеров b, b1, d, d1, d2, d3, l, l1 |
Предельное отклонение размеров | |||
|
диаметров |
остальных | |||
|
отверстий d |
валов d2 |
отверстий b, d1, l |
валов b1, d3, l1 | |
|
От 0,1 до 0,3 включ. |
+0,06 0 |
0 -0,06 |
+0,10 0 |
0 -0,06 |
|
Св. 0,3 до 1,0 * |
+0,10 0 |
0 -0,10 |
+0,14 0 |
0 -0,14 |
|
От 1,0 до 3,0 включ. |
+0,14 0 |
0 -0,14 |
+0,25 0 |
0 -0,25 |
|
Св. 3,0 до 6,0 включ. |
+0,18 0 |
0 -0,18 |
+0,30 0 |
0 -0,30 |
|
Св. 6,0 до 10,0 включ. |
+0,22 0 |
0 -0,22 |
+0,36 0 |
0 -0,36 |
|
Св. 10,0 до 18,0 включ. |
+0,27 0 |
0 -0,27 |
+0,43 0 |
0 -0,43 |
|
Св. 18,0 до 30,0 включ. |
+0,33 0 |
0 -0,33 |
+0,52 0 |
0 -0,52 |
|
Св. 30,0 до 50,0 включ. |
+0,39 0 |
0 -0,39 |
+0,62 0 |
0 -0,62 |
|
Св. 50,0 до 80,0 включ. |
+0,46 0 |
0 -0,46 |
+0,74 0 |
0 -0,74 |
|
Св. 80,0 до 120,0 включ. |
+0,54 0 |
0 -0,54 |
+0,87 0 |
0 -0,87 |
|
Св. 120,0 до 180,0 включ. |
+0,63 0 |
0 -0,63 |
+1,00 0 |
0 -1,00 |
|
От 180 до 250 включ. |
+0,72 0 |
0 -0,72 |
+1,15 0 |
0 -1,15 |
|
Св. 250 до 315 включ. |
+0,81 0 |
0 -0,81 |
+1,30 0 |
0 -1,30 |
|
Св. 315 до 400 включ. |
+0,89 0 |
0 -0,89 |
+1,40 0 |
0 -1,40 |
|
Св. 400 до 500 включ. |
+0,97 0 |
0 -0,97 |
+1,55 0 |
0 -1,55 |
|
Св. 500 до 630 включ. |
+1,10 0 |
0 -1,10 |
+1,75 0 |
0 -1,75 |
|
Св. 630 до 800 включ. |
+1,25 0 |
0 -1,25 |
+2,00 0 |
0 -2,00 |
|
Св. 800 до 1000 включ. |
+2,30 0 |
0 -2,30 | ||
|
Св. 1000 до 1250 включ. |
+2,60 0 |
0 -2,60 | ||
|
Св. 1250 до 1600 включ. |
+3,10 0 |
0 -3,10 | ||
|
Св. 1600 до 2000 включ. |
+1,50 0 |
0 -1,50 |
+3,70 0 |
0 -3,70 |
|
Св. 2000 до 2500 включ. |
+1,75 0 |
0 -1,75 |
+4,40 0 |
0 -4,40 |
|
Св. 2500 до 3150 включ. |
+2,10 0 |
0 -2,10 |
+5,40 0 |
0 -5,40 |
|
Св. 3150 до 4000 включ. |
+2,60 0 |
0 -2,60 |
+6,60 0 |
0 -6,60 |
|
Св. 4000 до 5000 включ. |
+3,20 0 |
0 -3,20 |
+8,00 0 |
0 -8,00 |
|
Св. 5000 до 6300 включ. |
+4,00 0 |
0 -4,00 |
+9,80 0 |
0 -9,80 |
|
Св. 6300 до 8000 включ. |
+4,90 0 |
0 -4,90 |
+12,00 0 |
0 -12,00 |
|
Св. 8000 до 10 000 включ. |
+6,00 0 |
0 -6,00 |
+15,00 0 |
0 -15,00 |
|
* Размер "1,0" в указанный интервал не входит. | ||||
2.2 На диаметр отверстия, изготовленного сверлом, допускается минусовое отклонение, равное половине предельного отклонения по H12.
3 Предельные отклонения размеров элементов, не относящихся к отверстиям и валам
3.1 Предельные отклонения для размеров элементов, указанных на рисунке 2, должны соответствовать приведенным в таблице 2.

Рисунок 2
Таблица 2
В миллиметрах
|
Интервал размеров A, h, l2, r0 |
Предельное отклонение размеров A, h, l2, r0 |
|
От 0,1 до 0,3 включ. |
± 0,05 |
|
Св. 0,3 до 0,5 включ. |
± 0,07 |
|
Св. 0,5 до 3,0 включ. |
± 0,15 |
|
Св. 3,0 до 30,0 включ. |
± 0,20 |
|
Св. 30,0 до 120,0 включ. |
± 0,30 |
|
Св. 120,0 до 315,0 включ. |
± 0,50 |
|
Св. 315 до 1000 включ. |
± 0,80 |
|
Св. 1000 до 2000 включ. |
± 1,20 |
|
Св. 2000 до 3150 включ. |
± 2,00 |
|
Св. 3150 до 5000 включ. |
± 3,00 |
|
Св. 5000 до 8000 включ. |
± 5,00 |
|
Св. 8000 до 10 000 включ. |
± 8,00 |
3.2 Предельные отклонения для размеров элементов длины резьбы с полным профилем и элементов длины резьбы со сбегом или недорезом, а также глубины сверления под углом α ≤ 90°, указанных на рисунке 3, должны соответствовать приведенным в таблицах 2 и 3.

Рисунок 3
Таблица 3
В миллиметрах
|
Интервал размеров l3, l4 |
Предельное отклонение размеров | |
|
l3 |
l4 | |
|
От 0,1 до 0,3 включ. |
- |
+0,10 -0,05 |
|
Св. 0,3 до 0,5 включ. |
- |
+0,20 -0,10 |
|
Св. 0,5 до 6,0 включ. |
+0,50 -0,25 | |
|
Св. 6,0 до 315,0 включ. |
+1,00 -0,50 | |
4 Предельные отклонения радиусов закруглений с незакоординированными центрами и фасок несопрягаемых поверхностей
4.1 Предельные отклонения для размеров элементов, указанных на рисунке 4, должны соответствовать приведенным в таблице 4.

Рисунок 4
Таблица 4
В миллиметрах
|
Интервал размеров c, r |
Предельное отклонение размеров c, r |
|
0,1 |
± 0,07 |
|
Св. 0,1 до 0,3 * |
± 0,10 |
|
От 0,3 до 0,5 включ. |
± 0,20 |
|
Св. 0,5 до 3,0 включ. |
± 0,30 |
|
Св. 3,0 до 6,0 включ. |
± 0,50 |
|
Св. 6,0 до 30,0 включ. |
± 1,00 |
|
Св. 30,0 до 120,0 включ. |
± 2,00 |
|
Св. 120,0 до 1000,0 включ. |
± 4,00 |
|
* Размер "0,3" в указанный интервал не входит. Примечание - Внутренний радиус от 0,1 до 1 мм обеспечивается инструментом. | |
4.2 Предельные отклонения на угол фаски ± 2°.
4.3 Притупление наружных углов, ребер, кромок, размеры которых не указаны на чертеже, следует выполнять фаской от 0,1 до 0,4 мм, соответственно внутренних углов (галтели) - фаской от 0,2 до 0,8 мм.
Допускается форма притупления радиусом.
Форма поверхностей притупления не регламентируется.
5 Предельные отклонения углов
Предельные отклонения углов в зависимости от длины меньшей стороны угла или образующей конуса должны соответствовать указанным в таблице 5.
Таблица 5
|
Интервал длины меньшей стороны угла или образующей конуса, мм |
Предельное отклонение угла | |||
|
α <90° или α> 90° |
90° | |||
|
в угловых единицах |
в мм на 100 мм длины |
в угловых единицах |
в мм на 100 мм длины | |
|
До 10 включ. |
± 2° |
± 3,60 |
± 1°30' |
± 2,50 |
|
Св. 10 до 40 включ. |
± 1° |
± 1,80 |
± 45' |
± 1,30 |
|
Св. 40 до 160 включ. |
± 40' |
± 1,20 |
± 20' |
± 0,60 |
|
Св. 160 до 630 включ. |
± 20' |
± 0,60 |
± 10' |
± 0,30 |
|
Св. 630 до 2500 включ. |
± 10' |
± 0,30 |
± 5' |
± 0,15 |
6 Предельные отклонения элементов деталей, изготовленных из труб
6.1 Предельные отклонения размеров элементов гиба труб, указанных на рисунке 5, должны соответствовать приведенным в таблицах 6 и 7.

Рисунок 5
Таблица 6
В миллиметрах
|
Интервал размеров R |
Предельное отклонение размера радиуса R при наружном диаметре трубы D | |||
|
до 10 включ. |
Св. 10 до 18 включ. |
Св. 18 до 30 включ. |
Св. 30 | |
|
До 30 включ. |
± 1 |
± 2 |
- |
- |
|
Св. 30 до 80 включ. |
± 2 |
± 3 |
± 4 |
- |
|
Св. 80 до 150 включ. |
± 3 |
± 4 |
± 5 |
± 6 |
|
Св. 150 до 250 включ. |
± 4 |
± 5 |
± 6 |
± 8 |
|
Св. 250 |
± 5 |
± 6 |
± 8 |
± 10 |
Таблица 7
В миллиметрах
|
Наружный диаметр труб D |
Отклонение от круглости диаметра трубы D |
|
От 1,5 до 3,0 включ. |
0,3 |
|
Св. 3,0 до 6,0 включ. |
0,5 |
|
Св. 6,0 до 10,0 включ. |
1,0 |
|
Св. 10,0 до 18,0 включ. |
1,5 |
|
Св. 18,0 до 30,0 включ. |
3,0 |
|
Св. 30,0 |
4,0 |
6.2 Утонение согнутой трубы не должно превышать 25% минимальной толщины стенки, устанавливаемой стандартом на трубы.
7 Предельные отклонения элементов холодноштампованных деталей, изготовленных из листа
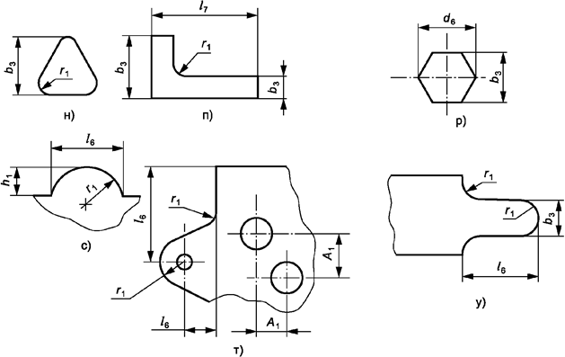
7.1 Предельные отклонения для размеров элементов, указанных на рисунке 6, получаемых вырубкой, пробивкой и т.д., должны соответствовать приведенным в таблице 8.


Рисунок 6
Таблица 8
В миллиметрах
|
Интервал размеров A1, b2, b3, d5, d6, h1, l5, l6, l7, r1, r2 |
Предельное отклонение размеров | |||
|
b2, d5, l5 |
b3, d6, l7 |
A1, h1, l6, r1 |
r2 | |
|
От 0,1 до 0,3 включ. |
+0,10 0 |
0 -0,06 |
± 0,05 |
- |
|
Св. 0,3 до 0,5 включ. |
+0,14 0 |
0 -0,14 |
± 0,07 |
± 0,3 |
|
Св. 0,5 до 1,0 * |
± 0,15 | |||
|
От 1,0 до 3,0 включ. |
+0,25 0 |
0 -0,25 |
± 0,5 | |
|
Св. 3,0 до 6,0 включ. |
+0,30 0 |
0 -0,30 |
± 0,20 |
± 1,0 |
|
Св. 6,0 до 10,0 включ. |
+0,36 0 |
0 -0,36 |
± 1,5 | |
|
Св. 10,0 до 18,0 включ. |
+0,43 0 |
0 -0,43 |
± 2,0 | |
|
Св. 18,0 до 30,0 включ. |
+0,52 0 |
0 -0,52 |
± 2,5 | |
|
Св. 30,0 до 50,0 включ. |
+0,62 0 |
0 -0,62 |
± 0,30 |
± 3,0 |
|
Св. 50,0 до 80,0 включ. |
+0,74 0 |
0 -0,74 | ||
|
Св. 80,0 до 120,0 включ. |
+0,87 0 |
0 -0,87 | ||
|
Св. 120,0 до 180,0 включ. |
+1,00 0 |
0 -1,00 |
± 0,50 |
± 4,0 |
|
Св. 180,0 до 250,0 включ. |
+1,15 0 |
0 -1,15 | ||
|
Св. 250,0 до 315,0 включ. |
+1,30 0 |
0 -1,30 | ||
|
Св. 315 до 400 включ. |
+1,40 0 |
0 -1,40 |
± 0,80 |
± 4,0 |
|
Св. 400 до 500 включ. |
+1,55 0 |
0 -1,55 | ||
|
Св. 500 до 630 включ. |
+1,75 0 |
0 -1,75 | ||
|
Св. 630 до 800 включ. |
+2,00 0 |
0 -2,00 | ||
|
Св. 800 до 1000 включ. |
+2,30 0 |
0 -2,30 | ||
|
Св. 1000 до 1250 включ. |
+2,60 0 |
0 -2,60 |
± 1,20 | |
|
Св. 1250 до 1600 включ. |
+3,10 0 |
0 -3,10 | ||
|
Св. 1600 до 2000 включ. |
+3,70 0 |
0 -3,70 | ||
|
Св. 2000 до 2500 включ. |
+4,40 0 |
0 -4,40 |
± 2,00 | |
|
Св. 2500 до 3150 включ. |
+5,40 0 |
0 -5,40 | ||
|
Св. 3150 до 4000 включ. |
+6,60 0 |
0 -6,60 |
± 3,0 |
± 4,0 |
|
Св. 4000 до 5000 включ. |
+8,00 0 |
0 -8,00 | ||
|
Св. 5000 до 6300 включ. |
+9,80 0 |
0 -9,80 |
± 5,0 | |
|
Св. 6300 до 8000 включ. |
+12,00 0 |
0 -12,00 | ||
|
Св. 8000 до 10 000 включ. |
+15,00 0 |
0 -15,00 |
± 8,0 | |
|
* Размер "1,0" в указанный интервал не входит. | ||||
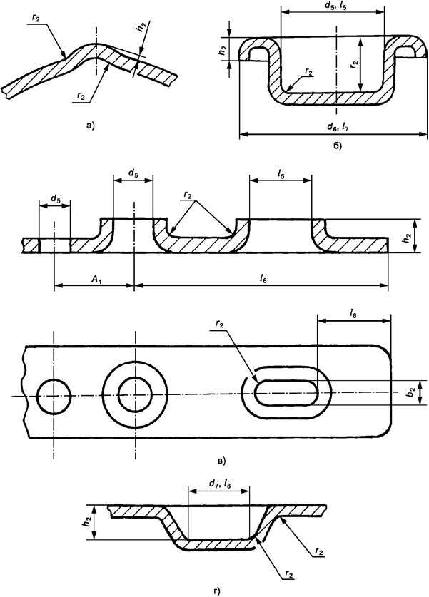
7.2 Предельные отклонения для размеров элементов, указанных на рисунке 7, получаемых вытяжкой, выдавкой (высота зига, рифта, диаметр отбортовки, высота отбортовки и т.д.), должны соответствовать приведенным в таблицах 8 - 10.

Рисунок 7
Таблица 9
В миллиметрах
|
Интервал размеров d7, l8 |
Предельное отклонение размеров d7, l8 |
|
От 0,5 до 3,0 включ. |
± 0,15 |
|
Св. 3,0 до 6,0 включ. |
± 0,20 |
|
Св. 6,0 до 30,0 включ. |
± 0,50 |
|
Св. 30,0 до 120,0 включ. |
± 0,80 |
|
Св. 120,0 до 315,0 включ. |
± 1,20 |
|
Св. 315 до 1000 включ. |
± 2,0 |
|
Св. 1000 до 2000 включ. |
± 3,0 |
|
Св. 2000 до 3150 включ. |
± 5,0 |
|
Св. 3150 до 5000 включ. |
± 8,0 |
|
Св. 5000 до 8000 включ. |
± 12,0 |
|
Св. 8000 до 10 000 включ. |
± 20,0 |
Таблица 10
В миллиметрах
|
Интервал размеров l9, h2 |
Предельное отклонение размеров l9, h2 |
|
До 5 включ. |
+1,0 -0,5 |
|
Св. 5 до 10 включ. |
+1,5 -1,0 |
|
Св. 10 до 20 включ. |
+2,0 -1,0 |
|
Св. 20 |
+3,0 -1,0 |
7.3 Предельные отклонения для размеров элементов, указанных на рисунке 8, получаемых гибкой, должны соответствовать приведенным в таблицах 8 и 10.

Рисунок 8
7.4 Изменение толщины материала при вытяжке, а также гибе с вытяжкой допускается в пределах 20% при утонении от его минимальной и при утолщении от его максимальной толщины, устанавливаемой стандартом на материал.
7.5 Допускаются косые срезы и следы намина вдоль срезанной кромки у элементов, получаемых вырубкой, пробивкой и т.д. Величина косого среза наружного контура входит в размеры d6, b3, l7, r1, а внутреннего контура не входит в размеры d5, b2, l5, r1 (см. рисунки 6 и 9).

Рисунок 9
8 Предельные отклонения элементов сварных (паяных) деталей (сборочных единиц)
Предельные отклонения размеров сварных (паяных) элементов, указанных на рисунке 10, должны соответствовать приведенным в таблице 11 (высота шва в размер диаметра не входит).

Рисунок 10
Таблица 11
В миллиметрах
|
Интервал размеров d8, l10 |
Предельное отклонение размеров d8, l10 |
|
Св. 0,5 до 3 включ. |
± 0,15 |
|
Св. 3 до 6 включ. |
± 0,20 |
|
Св. 6 до 30 включ. |
± 0,50 |
|
Св. 30 до 120 включ. |
± 0,80 |
|
Св. 120 до 315 включ. |
± 1,20 |
|
Св. 315 до 1000 включ. |
± 2,00 |
|
Св. 1000 до 2000 включ. |
± 3,00 |
|
Св. 2000 до 3150 включ. |
± 5,00 |
|
Св. 3150 до 5000 включ. |
± 8,00 |
|
Св. 5000 до 8000 включ. |
± 12,00 |
|
Св. 8000 до 10 000 включ. |
± 20,00 |
9 Допуски формы и расположения поверхностей
9.1 Допуски расположения поверхностей и осей (отклонение от параллельности, отклонение от перпендикулярности, торцовое биение, радиальное биение, отклонение от соосности, отклонение от симметричности) должны соответствовать указанным в таблицах 12 и 13.
Таблица 12
|
Вид отклонения расположения поверхности |
Пример расположения поверхностей |
Взаимное расположение поверхностей |
Определяющий допуск размера |
Определяющий размер |
|
Отклонение от параллельности |
|
Поверхности Б относительно поверхности А |
Ограничивается полем допуска размера, указанного на чертеже, а при его отсутствии - полем допуска, выбираемым по таблице 1 для остальных отверстий и валов |
h3 |
|
Поверхности В относительно поверхности А |
H | |||
|
|
Поверхности Б относительно поверхности В |
Ограничивается полем допуска размера, указанного на чертеже, а при его отсутствии - полем допуска, выбираемым по таблице 2, соответствующим интервалу размера l2 |
h3 | |
|
Оси отверстия Г относительно оси отверстия Д |
l11 | |||
|
Оси отверстия Е относительно поверхности А |
l12 | |||
|
Отклонение от перпендикулярности |
|
Поверхности А относительно основания |
Ограничивается полем допуска размера, указанного на чертеже, а при его отсутствии - в таблице 13 |
H1 |
|
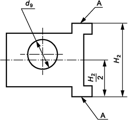
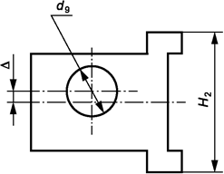
Отклонение от симметричности |
|
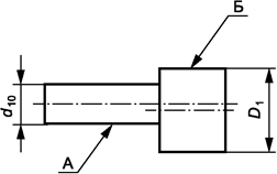
Поверхности А относительно оси отверстия d9 |
Ограничивается значением: - для сопоставляемых размеров H2 и d9, D1 и d10 с допусками 11 квалитета и точнее, равным 1/2 суммы полей допусков на размеры. При этом, если 1/2 суммы полей допусков менее 0,06 мм, то допуск принимают равным 0,06 мм; - для сопоставляемых размеров H2 и d9, D1 и d10 с допусками (или одним из них) 12-го квалитета и грубее, равным 1/4 суммы полей допусков 12 квалитета на размеры |
H2 и d9 |
|
Отклонение от соосности |
|
Оси поверхности А относительно оси поверхности Б |
D1 и d10 | |
|
Биение |
|
Торцовое биение поверхности Б относительно оси поверхности А |
Ограничивается полем допуска размера, указанного на чертеже, а при его отсутствии - в таблице 13 |
D2 |
|
|
Радиальное биение поверхности А относительно оси поверхности Б |
Ограничивается значением, равным удвоенному отклонению от соосности | ||
|
Примечания 1 Допуски формы и расположения поверхностей определяют на всей длине рассматриваемой поверхности. Если допуски формы и расположения поверхностей определены не на всей длине рассматриваемой поверхности, то такие допуски оговаривают в чертеже. 2 Торцовое биение определяют на наибольшем диаметре торцовой поверхности. | ||||
Таблица 13
В миллиметрах
|
Интервал размеров |
Допуск перпендикулярности и торцового биения |
|
До 10 включ. |
0,16 |
|
Св. 10 до 16 включ. |
0,20 |
|
Св. 16 до 25 включ. |
0,25 |
|
Св. 25 до 40 включ. |
0,30 |
|
Св. 40 до 63 включ. |
0,40 |
|
Св. 63 до 250 включ. |
0,50 |
|
Св. 250 до 400 включ. |
0,60 |
|
Св. 400 до 630 включ. |
0,80 |
|
Св. 630 до 1000 включ. |
1,00 |
|
Св. 1000 до 1600 включ. |
1,20 |
|
Св. 1600 до 2500 включ. |
1,60 |
|
Св. 2500 до 4000 включ. |
2,00 |
|
Св. 4000 до 6300 включ. |
2,50 |
|
Св. 6300 до 10 000 включ. |
3,00 |
Остальные не указанные в настоящем стандарте допуски формы и расположения поверхностей, приведенные в ГОСТ Р 53442-2015 1 (раздел 18), должны ограничиваться допуском, установленным для определяющего размера.
--------------------------------
1 ГОСТ Р 53442-2015 (ИСО 1101:2012) "Основные нормы взаимозаменяемости. Характеристики изделий геометрические. Установление геометрических допусков. Допуски формы, ориентации, месторасположения и биения".
9.2 Примеры определения допуска расположения поверхностей приведены в приложении А.
10 Форма записи ссылки на стандарт
10.1 Использование указанных в стандарте предельных отклонений определяется разработчиком документации ссылкой в чертеже или технических требованиях.
10.2 Пример записи в технической документации при ссылке на настоящий стандарт:
"Неуказанные предельные отклонения размеров - по ГОСТ Р 71373-2024".
10.3 При необходимости проведения контроля как размеров, так и допусков формы и расположения поверхностей, в технической документации записывают:
"Неуказанные предельные отклонения размеров, допуски формы и расположения поверхностей - по ГОСТ Р 71373-2024".
Приложение А
(справочное)
Примеры определения допуска расположения поверхностей
А.1 В А.2 - А.4 приведены примеры определения допуска расположения поверхностей в случаях, когда допуски оговорены ссылкой на настоящий стандарт.
А.2 Отклонение от параллельности
А.2.1 Исходные данные приведены в таблице А.1.
Таблица А.1
В миллиметрах
|
Вариант |
Пример расположения поверхностей |
h3 |
H |
|
1 |
|
20h6 |
40f7 |
|
2 |
20 |
40 |
А.2.2 Отклонение от параллельности поверхности Б относительно поверхности А и поверхности В относительно поверхности А ограничивается допуском и соответственно равно:
- для варианта 1:
|
на размер 20h6 |
Δ1 = 0,013 мм; |
|
на размер 40f7 |
Δ2 = 0,025 мм; |
- для варианта 2:
|
на размер 20 мм |
Δ1 = 0,520 мм; |
|
на размер 40 мм |
Δ2 = 0,620 мм. |
Допуски определяют по предельным отклонениям таблицы 1 для размеров остальных отверстий и валов.
А.2.3 Отклонение от параллельности поверхности Б относительно поверхности В не определяют, так как на чертеже не указан размер между ними.
А.3 Отклонение от симметричности
А.3.1 Исходные данные приведены в таблице А.2.
Таблица А.2
В миллиметрах
|
Вариант |
Пример расположения поверхностей |
d9 |
H2 |
|
1 |
|
10H7 |
60f7 |
|
2 |
10H9 |
60d11 | |
|
3 |
10H7 |
60h12 | |
|
4 |
10H14 |
60h14 |
А.3.2 Для варианта 1 сопоставляемые размеры имеют допуски точнее 11-го квалитета. Отклонение от симметричности равно половине суммы допусков на размеры d9 и H2:
|
- на диаметр 10H7 |
Δ1 = 0,015 мм; |
|
- на размер 60f7 |
Δ2 = 0,030 мм. |
Отклонение от симметричности
мм,
но в соответствии с требованием таблицы 12 принимают увеличенный допуск, т.е. Δ = 0,06 мм.
А.3.3 Для варианта 2 сопоставляемые размеры имеют допуски 11-го квалитета и точнее. Отклонение от симметричности равно половине суммы допусков на размеры d9 и H2:
|
- на диаметр 10H9 |
Δ1 = 0,036 мм; |
|
- на размер 60d11 |
Δ2 = 0,190 мм. |
Отклонение от симметричности
мм.
А.3.4 Для варианта 3 один из сопоставляемых размеров имеет допуск 12-го квалитета или грубее 12-го квалитета. В этом случае отклонение от симметричности принимается равным 1/4 суммы допусков 12-го квалитета на размеры d9 и H2:
|
- на диаметр 10H7 |
Δ1 = 0,015 мм, |
|
однако для расчета принимаем 10H12 |
Δ1 = 0,15 мм; |
|
- на размер 60h12 |
Δ2 = 0,30 мм. |
Отклонение от симметричности
мм.
А.3.5 Для варианта 4 сопоставляемые размеры имеют допуски грубее 12-го квалитета. Расчет тот же, что и для варианта 3.
А.4 Отклонение от соосности и радиальное биение
А.4.1 Исходные данные приведены в таблице А.3.
Таблица А.3
В миллиметрах
|
Вариант |
Пример расположения поверхностей |
d10 |
D1 |
|
1 |
|
10h6 |
60f7 |
|
2 |
10h8 |
60d11 | |
|
3 |
10h6 |
60h12 | |
|
4 |
10h14 |
60h14 |
А.4.2 Для варианта 1 сопоставляемые размеры имеют допуски точнее 11-го квалитета. Отклонение от соосности равно половине суммы допусков на размеры d10 и D1:
|
- на диаметр 10h6 |
Δ1 = 0,009 мм; |
|
- на размер 60f7 |
Δ2 = 0,030 мм. |
Отклонение от соосности
мм,
но в соответствии с требованием таблицы 12 принимают увеличенный допуск, т.е. Δ = 0,06 мм.
Радиальное биение равно удвоенному отклонению от соосности Δр = 2Δ = 2·0,019 = 0,038 мм, но в соответствии с требованием таблицы 12 принимают Δр = 2·0,06 = 0,12 мм.
А.4.3 Для варианта 2 сопоставляемые размеры имеют допуски 11-го квалитета и точнее. Отклонение от соосности равно половине суммы допусков на размеры d10 и D1:
|
- на диаметр 10h8 |
Δ1 = 0,022 мм; |
|
- на размер 60d11 |
Δ2 = 0,190 мм. |
Отклонение от соосности
мм.
Радиальное биение Δр = 2Δ = 2·0,106 = 0,212 мм.
А.4.4 Для варианта 3 один из сопоставляемых размеров имеет допуск 12-го квалитета или грубее 12-го квалитета. В этом случае отклонение от соосности принимается равным 1/4 суммы допусков 12-го квалитета на размеры d10 и D1:
|
- на диаметр 10h6 |
Δ1 = 0,009 мм; |
|
однако для расчета принимаем 10h12 |
Δ1 = 0,15 мм; |
|
- на размер 60h12 |
Δ2 = 0,30 мм. |
Отклонение от соосности
мм.
Радиальное биение Δр = 2Δ = 2·0,112 = 0,224 мм.
А.4.5 Для варианта 4 сопоставляемые размеры имеют допуски грубее 12-го квалитета. Расчет отклонения от соосности тот же, что и для варианта 3.












