Утв. и введен в действие Приказом Федерального агентства по техническому регулированию и метрологии от 4 октября 2024 г. N 1374-ст
Национальный стандарт РФ ГОСТ Р 71663-2024
"ДИЭЛЕКТРИКИ НЕОРГАНИЧЕСКИЕ. МЕТОД ОПРЕДЕЛЕНИЯ ПРЕДЕЛА ПРОЧНОСТИ ПРИ ЦЕНТРАЛЬНО-СИММЕТРИЧНОМ ИЗГИБЕ"
Inorganic dielectrics. Method for determining the ultimate strength in centrally symmetric bending
ОКС 81.040
Дата введения - 1 марта 2025 года
Введен впервые
Предисловие
1 РАЗРАБОТАН Акционерным обществом "Российский научно-исследовательский институт "Электронстандарт" (АО "РНИИ "Электронстандарт")
2 ВНЕСЕН Техническим комитетом по стандартизации ТК 303 "Электронная компонентная база, материалы и оборудование"
3 УТВЕРЖДЕН И ВВЕДЕН В ДЕЙСТВИЕ Приказом Федерального агентства по техническому регулированию и метрологии от 4 октября 2024 г. N 1374-ст
4 ВВЕДЕН ВПЕРВЫЕ
Правила применения настоящего стандарта установлены в статье 26 Федерального закона от 29 июня 2015 г. N 162-ФЗ "О стандартизации в Российской Федерации". Информация об изменениях к настоящему стандарту публикуется в ежегодном (по состоянию на 1 января текущего года) информационном указателе "Национальные стандарты", а официальный текст изменений и поправок - в ежемесячном информационном указателе "Национальные стандарты". В случае пересмотра (замены) или отмены настоящего стандарта соответствующее уведомление будет опубликовано в ближайшем выпуске ежемесячного информационного указателя "Национальные стандарты". Соответствующая информация, уведомление и тексты размещаются также в информационной системе общего пользования - на официальном сайте Федерального агентства по техническому регулированию и метрологии в сети Интернет (www.rst.gov.ru)
1 Область применения
Настоящий стандарт распространяется на неорганические диэлектрики (стекла, ситаллы, фотоситаллы, вакуумплотную керамику) и устанавливает метод определения предела прочности при центрально-симметричном изгибе.
2 Нормативные ссылки
В настоящем стандарте использованы нормативные ссылки на следующие стандарты:
ГОСТ 8.423 Государственная система обеспечения единства измерений. Секундомеры механические. Методы и средства поверки
ГОСТ 166 (ИСО 3599-76) Штангенциркули. Технические условия
ГОСТ 28840 Машины для испытания материалов на растяжение, сжатие и изгиб. Общие технические требования
ГОСТ Р 70658 Керамика вакуумплотная. Термины и определения
ГОСТ Р 71073 Материалы стеклокристаллические. Термины и определения
Примечание - При пользовании настоящим стандартом целесообразно проверить действие ссылочных стандартов в информационной системе общего пользования - на официальном сайте Федерального агентства по техническому регулированию и метрологии в сети Интернет или по ежегодному информационному указателю "Национальные стандарты", который опубликован по состоянию на 1 января текущего года, и по выпускам ежемесячного информационного указателя "Национальные стандарты" за текущий год. Если заменен ссылочный стандарт, на который дана недатированная ссылка, то рекомендуется использовать действующую версию этого стандарта с учетом всех внесенных в данную версию изменений. Если заменен ссылочный стандарт, на который дана датированная ссылка, то рекомендуется использовать версию этого стандарта с указанным выше годом утверждения (принятия). Если после утверждения настоящего стандарта в ссылочный стандарт, на который дана датированная ссылка, внесено изменение, затрагивающее положение, на которое дана ссылка, то это положение рекомендуется применять без учета данного изменения. Если ссылочный стандарт отменен без замены, то положение, в котором дана ссылка на него, рекомендуется применять в части, не затрагивающей эту ссылку.
3 Термины и определения
В настоящем стандарте применены термины по ГОСТ Р 70658 и ГОСТ Р 71073.
4 Принцип и условия измерения
4.1 Метод основан на нагружении образца равномерно возрастающей нагрузкой и измерении значения нагрузки, разрушающей образец.
Способ нагружения исключает возможность начала разрушения на переходе плоской поверхности образца в цилиндрическую.
По значению разрушающей нагрузки определяют предел прочности в центральной части образца.
4.2 Измерения проводят в нормальных климатических условиях, если другие требования не установлены в стандартах или технических условиях на неорганические диэлектрики:
- температура воздуха - от 15 °C до 35 °C;
- относительная влажность воздуха - от 45% до 80%;
- атмосферное давление - от 86 до 106 кПа (от 645 до 795 мм рт. ст.);
- напряжение в сети питания переменного тока - (220 ± 22) В.
5 Требования к образцам
5.1 Образцы представляют собой круглые пластины из диэлектрика.
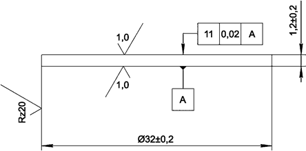
5.2 Размеры и шероховатость образцов должны быть в соответствии с рисунком 1.

Рисунок 1
5.3 Образцы не должны иметь в центре плоских поверхностей на участке диаметром 25 мм инородных включений, трещин, сколов, царапин и других дефектов, видимых невооруженным глазом.
6 Требования к средствам измерения и вспомогательному оборудованию
Для проведения испытания следует применять:
- разрывную машину с наибольшей предельной нагрузкой 500 Н (50 кгс) по ГОСТ 28840;
- нагружающее приспособление, обеспечивающее приложение нагрузки к центру образца через стержень с закруглением на конце радиусом кривизны (1,0 ± 0,2) мм.
Приспособление должно иметь сферические опоры, поддерживающие образец в трех точках, расположенных через 120° по окружности диаметром (20 ± 0,2) мм;
- микрометр с ценой деления 0,01 мм с допускаемой погрешностью показаний не более 4 мкм;
- штангенциркуль с отсчетом по нониусу 0,1 мм по ГОСТ 166;
- секундомер по ГОСТ 8.423.
7 Подготовка к испытанию
7.1 Для испытания отбирают не менее 10 образцов.
7.2 Измеряют диаметр образцов штангенциркулем в двух взаимно перпендикулярных направлениях.
7.3 Проверяют непараллельность плоских поверхностей образцов. Для этого измеряют толщину образцов микрометром в трех точках, расположенных через 120° по окружности диаметром (30 ± 1) мм.
Отбирают образцы, у которых значение разности любых двух значений толщин не более 0,02 мм.
7.4 Измеряют толщину образцов микрометром в центре образца, фиксируют значение толщин с точностью до второго десятичного знака.
7.5 Проверяют образцы на соответствие 5.3 внешним осмотром. Внешний осмотр образцов необходимо проводить визуально с остротой зрения 1,0 - 0,8 и нормальным цветоощущением при освещенности образца 50 - 100 лк.
7.6 Проводят подготовку машины к работе в соответствии с эксплуатационной документацией, прилагаемой к машине.
7.7 Устанавливают скорость возрастания нагрузки, равную 2,5 Н/с (0,25 кгс/с). Для этого лимб вариатора разрывной машины ставят в положении, при котором значение нагрузки на образец, равное 2,5 Н (0,25 кгс), достигается по секундомеру в течение (1,0 ± 0,1) мин. Скорость нагружения устанавливают один раз перед началом испытаний на разрывной машине.
8 Проведение испытания
8.1 Помещают образец на опоры нагружающего приспособления, вдвигая его до упоров.
8.2 Включают рабочий ход разрывной машины, нагружая образец возрастающей нагрузкой до его разрушения.
Значение разрушающей нагрузки определяют по шкале разрывной машины с точностью до одного деления.
8.3 Включают обратный ход разрывной машины, возвращая нагружающее приспособление в исходное положение.
8.4 Удаляют разрушенный образец с нагружающего приспособления.
8.5 Повторяют операции, указанные в 8.1 - 8.4, для каждого из отобранных образцов.
9 Обработка результатов
9.1 Значение предела прочности каждого образца σi, МПа; (1 МПа ~ 0,1 кгс/мм2), вычисляют по формуле
σi = FiMi, (1)
где Fi - разрушающая нагрузка для каждого образца по 8.2, Н (Н ~ 0,1 кгс);
Mi - множитель, значения которого в соответствии с приложением А, мм-2.
9.2 Среднее арифметическое значение предела прочности испытанных образцов σср, МПа, вычисляют по формуле
, (2)
где n - количество испытанных образцов, шт.
9.3 Погрешность измерения вычисляют по формуле
Δ = ±KS, (3)
где K - коэффициент Стьюдента, значения которого в зависимости от количества образцов при доверительной вероятности 0,95 приведены в таблице 1.
Таблица 1
|
Количество образцов, шт.
|
K
|
|
10
|
2,3
|
|
От 11 до 14 включ.
|
2,2
|
|
Св. 14 до 25 включ.
|
2,1
|
|
Св. 25
|
2,0
|
S - оценка среднего квадратического отклонения, МПа.
. (4)
9.4 Пример записи результатов испытания приведен в приложении Б.
Приложение А
(обязательное)
Значение множителя
Таблица А.1
|
Толщина образца hi, мм
|
Множитель Mi, мм-2
|
|
для стекол
|
для ситаллов и фотоситаллов
|
для вакуумплотной керамики
|
|
1,00
|
2,42
|
2,51
|
2,56
|
|
1,01
|
2,36
|
2,45
|
2,50
|
|
1,02
|
2,31
|
2,40
|
2,45
|
|
1,03
|
2,26
|
2,35
|
2,40
|
|
1,04
|
2,21
|
2,29
|
2,34
|
|
1,05
|
2,16
|
2,25
|
2,29
|
|
1,06
|
2,12
|
2,20
|
2,25
|
|
1,07
|
2,08
|
2,15
|
2,20
|
|
1,08
|
2,03
|
2,11
|
2,15
|
|
1,09
|
1,99
|
2,07
|
2,11
|
|
1,10
|
1,95
|
2,02
|
2,05
|
|
1,11
|
1,91
|
1,98
|
2,02
|
|
1,12
|
1,88
|
1,94
|
1,99
|
|
1,13
|
1,83
|
1,91
|
1,95
|
|
1,14
|
1,79
|
1,87
|
1,90
|
|
1,15
|
1,76
|
1,83
|
1,87
|
|
1,16
|
1,73
|
1,80
|
1,83
|
|
1,17
|
1,69
|
1,76
|
1,80
|
|
1,18
|
1,67
|
1,73
|
1,75
|
|
1,19
|
1,63
|
1,69
|
1,73
|
|
1,20
|
1,60
|
1,66
|
1,70
|
|
1,21
|
1,57
|
1,63
|
1,68
|
|
1,22
|
1,54
|
1,60
|
1,64
|
|
1,23
|
1,51
|
1,57
|
1,61
|
|
1,24
|
1,48
|
1,54
|
1,58
|
|
1,25
|
1,46
|
1,51
|
1,55
|
|
1,26
|
1,44
|
1,49
|
1,52
|
|
1,27
|
1,41
|
1,46
|
1,49
|
|
1,28
|
1,38
|
1,44
|
1,47
|
|
1,29
|
1,36
|
1,41
|
1,44
|
|
1,30
|
1,34
|
1,39
|
1,42
|
|
1,31
|
1,32
|
1,36
|
1,39
|
|
1,32
|
1,29
|
1,34
|
1,37
|
|
1,33
|
1,26
|
1,32
|
1,34
|
|
1,34
|
1,25
|
1,29
|
1,32
|
|
1,35
|
1,23
|
1,27
|
1,30
|
|
1,36
|
1,21
|
1,25
|
1,28
|
|
1,37
|
1,19
|
1,23
|
1,26
|
|
1,38
|
1,17
|
1,21
|
1,24
|
|
1,39
|
1,15
|
1,19
|
1,22
|
Примечание - Множитель Mi рассчитан по формуле
, (А.1)
где hi - толщина каждого образца, мм;
μ - коэффициент Пуассона, принятый равным для стекол 0,25:
- для ситаллов и фотоситаллов 0,30;
- для вакуумплотной керамики 0,33;
R - радиус образца, принятый равным 16 мм;
r - радиус круга, по которому расположены опоры, равный 10 мм.
Отклонение значений коэффициента Пуассона на ± 0,04 от принятого для расчета изменяет значение предела прочности не более чем на ± 3%.
Приложение Б
(справочное)
Пример записи результатов испытания
Дата испытания: 20.05.2023.
Образцы - вакуумплотная керамика марки КМ, партия 10.
|
Номер образца
|
hi, мм
|
Fi, Н
|
σi, МПа
|
(σi – σср), МПа
|
(σi – σср)2, МПа
|
|
1
|
1,30
|
191
|
271
|
7
|
49
|
|
2
|
1,32
|
190
|
260
|
-4
|
16
|
|
3
|
1,33
|
184
|
247
|
-17
|
289
|
|
4
|
1,35
|
200
|
260
|
-4
|
16
|
|
5
|
1,40
|
222
|
264
|
0
|
0
|
|
6
|
1,39
|
210
|
256
|
-8
|
64
|
|
7
|
1,33
|
192
|
258
|
-6
|
36
|
|
8
|
1,31
|
184
|
256
|
-8
|
64
|
|
9
|
1,30
|
186
|
264
|
0
|
0
|
|
10
|
1,36
|
192
|
246
|
-18
|
324
|
|
11
|
1,31
|
198
|
276
|
12
|
144
|
|
12
|
1,32
|
231
|
316
|
52
|
2704
|
|
13
|
1,34
|
228
|
300
|
36
|
1296
|
|
14
|
1,37
|
232
|
292
|
28
|
784
|
|
15
|
1,38
|
200
|
248
|
-16
|
256
|
|
16
|
1,39
|
212
|
258
|
-6
|
36
|
|
17
|
1,40
|
224
|
266
|
2
|
4
|
|
18
|
1,40
|
210
|
250
|
-14
|
196
|
|
19
|
1,37
|
198
|
250
|
-14
|
196
|
|
20
|
1,38
|
196
|
244
|
-20
|
400
|
МПа;
МПа;
Δ = ±2,1·4,2 = ±9 МПа;
σ = 264 ± 9 МПа.