Утв. и введен в действие Приказом Федерального агентства по техническому регулированию и метрологии от 1 октября 2024 г. N 1330-ст
Национальный стандарт РФ ГОСТ Р 71637-2024
"ИСТОЧНИКИ ВЫСОКОИНТЕНСИВНОГО ОПТИЧЕСКОГО ИЗЛУЧЕНИЯ ГАЗОРАЗРЯДНЫЕ ИМПУЛЬСНЫЕ. МЕТОДЫ ИЗМЕРЕНИЯ РАБОЧЕГО НАПРЯЖЕНИЯ И ЭНЕРГИИ РАЗРЯДА"
Gas-discharge sources of high-intensity optical radiation. Methods of measuring the operating voltage and discharge energy
ОКС 31.120
Дата введения - 1 марта 2025 года
Введен впервые
Предисловие
1 РАЗРАБОТАН Акционерным обществом "Российский научно-исследовательский институт "Электронстандарт" (АО "РНИИ "Электронстандарт")
2 ВНЕСЕН Техническим комитетом по стандартизации ТК 303 "Электронная компонентная база, материалы и оборудование"
3 УТВЕРЖДЕН И ВВЕДЕН В ДЕЙСТВИЕ Приказом Федерального агентства по техническому регулированию и метрологии от 1 октября 2024 г. N 1330-ст
4 ВВЕДЕН ВПЕРВЫЕ
Правила применения настоящего стандарта установлены в статье 26 Федерального закона от 29 июня 2015 г. N 162-ФЗ "О стандартизации в Российской Федерации". Информация об изменениях к настоящему стандарту публикуется в ежегодном (по состоянию на 1 января текущего года) информационном указателе "Национальные стандарты", а официальный текст изменений и поправок - в ежемесячном информационном указателе "Национальные стандарты". В случае пересмотра (замены) или отмены настоящего стандарта соответствующее уведомление будет опубликовано в ближайшем выпуске ежемесячного информационного указателя "Национальные стандарты". Соответствующая информация, уведомление и тексты размещаются также в информационной системе общего пользования - на официальном сайте Федерального агентства по техническому регулированию и метрологии в сети Интернет (www.rst.gov.ru)
1 Область применения
Настоящий стандарт распространяется на импульсные газоразрядные источники высокоинтенсивного оптического излучения (далее - импульсные лампы) и устанавливает прямой метод измерения рабочего напряжения и косвенный метод измерения энергии разряда импульсных ламп.
Настоящий стандарт не распространяется на безэлектродные источники высокоинтенсивного оптического излучения.
Общие требования при измерении и требования безопасности по ГОСТ 30831.
2 Нормативные ссылки
В настоящем стандарте использованы нормативные ссылки на следующие стандарты:
ГОСТ 16803 Источники высокоинтенсивного оптического излучения газоразрядные импульсные. Термины и определения
ГОСТ 30831 Источники высокоинтенсивного оптического излучения газоразрядные импульсные и непрерывного действия. Методы измерения электрических параметров и параметров излучения
Примечание - При пользовании настоящим стандартом целесообразно проверить действие ссылочных стандартов в информационной системе общего пользования - на официальном сайте Федерального агентства по техническому регулированию и метрологии в сети Интернет или по ежегодному информационному указателю "Национальные стандарты", который опубликован по состоянию на 1 января текущего года, и по выпускам ежемесячного информационного указателя "Национальные стандарты" за текущий год. Если заменен ссылочный стандарт, на который дана недатированная ссылка, то рекомендуется использовать действующую версию этого стандарта с учетом всех внесенных в данную версию изменений. Если заменен ссылочный стандарт, на который дана датированная ссылка, то рекомендуется использовать версию этого стандарта с указанным выше годом утверждения (принятия). Если после утверждения настоящего стандарта в ссылочный стандарт, на который дана датированная ссылка, внесено изменение, затрагивающее положение, на которое дана ссылка, то это положение рекомендуется применять без учета данного изменения. Если ссылочный стандарт отменен без замены, то положение, в котором дана ссылка на него, рекомендуется применять в части, не затрагивающей эту ссылку.
3 Термины и определения
В настоящем стандарте применены термины по ГОСТ 16803.
4 Требования к условиям проведения измерений
Измерение параметров импульсных ламп проводят при нормальных климатических условиях, если другие требования не установлены в стандартах или технических условиях (ТУ) на импульсные лампы конкретного типа:
- температура воздуха - от 15 °C до 35 °C;
- относительная влажность воздуха - от 45% до 80%;
- атмосферное давление - от 86 до 106 кПа (от 645 до 795 мм рт. ст.).
При температуре выше 30 °C относительная влажность не должна быть выше 70%.
5 Метод измерения рабочего напряжения
5.1 Общие положения
Измерение рабочего напряжения заключается в непосредственном отсчете наибольшего напряжения на основных электродах к моменту разряда.
5.2 Требования к оборудованию
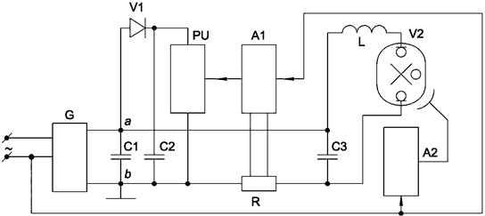
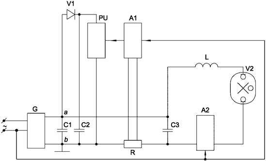
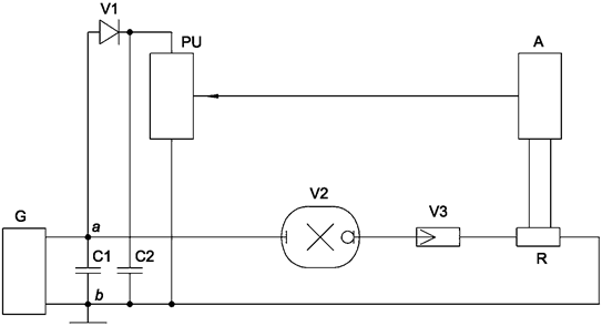
5.2.1 Измерение рабочего напряжения проводят на установках, функциональные электрические схемы которых приведены: на рисунке 1 для импульсных ламп с внешним зажиганием; на рисунке 2 для импульсных ламп с последовательным зажиганием; на рисунке 3 для импульсных ламп с последовательным разрядником.
5.2.2 Емкость конденсатора C2 и обратное сопротивление диода выбирают исходя из условия, при котором постоянная времени разряда конденсатора C2 через обратное сопротивление диода V1 и входное сопротивление вольтметра была бы на два порядка больше времени установления показаний аналогового или времени преобразования цифрового вольтметра PU.
5.2.3 Шунт R и формирователь сигнала запуска A1 должны обеспечивать запуск цифрового вольтметра PU при разрядке конденсатора C1 через импульсную лампу V2. Шунт и формирователь сигнала запуска отсутствуют в случае применения аналогового вольтметра.
5.2.4 Перечень средств измерения приведен в приложении А.

C1, C2, C3 - конденсаторы; V2 - импульсная лампа; V1 - диод; G - регулируемый источник постоянного тока; PU – аналоговый или цифровой вольтметр; A1 - формирователь сигнала запуска для цифрового вольтметра; A2 - зажигающее устройство; R - шунт
Рисунок 1 - Структурная схема установки для измерения рабочего напряжения для импульсных ламп с внешним зажиганием

C1, C2, C3 - конденсаторы; V2 - импульсная лампа; V1 - диод; G - регулируемый источник постоянного тока; PU – аналоговый или цифровой вольтметр; A1 - формирователь сигнала запуска для цифрового вольтметра; A2 - зажигающее устройство; R - шунт
Рисунок 2 - Структурная схема установки для измерения рабочего напряжения для импульсных ламп с последовательным зажиганием

C1, C2, C3 - конденсаторы; V1 - диод; V2 - импульсная лампа; G - регулируемый источник постоянного тока; PU – аналоговый или цифровой вольтметр; V3 - разрядник; A – формирователь сигнала запуска для цифрового вольтметра; R - шунт
Рисунок 3 - Структурная схема установки для измерения рабочего напряжения для импульсных ламп с последовательным разрядником
5.3 Подготовка к измерению
Импульсную лампу и аппаратуру подготавливают к измерению в соответствии с ГОСТ 30831 и руководством по эксплуатации.
5.4 Проведение измерений
Включают импульсную лампу и отсчитывают показания вольтметра PU.
5.5 Показатели точности измерений
Относительная погрешность измерения рабочего напряжения находится в пределах ± 0,03U с вероятностью не менее 0,95.
6 Метод измерения энергии разряда
6.1 Общие положения
Энергию разряда W, Дж, определяют по формуле
W = 0,5CU2, (1)
где C - измеренная емкость накопителя, Ф;
U - измеренное рабочее напряжение к моменту разряда, В.
Измерение емкости конденсатора проводят мостовым методом.
6.2 Требования к оборудованию
6.2.1 Измерение энергии разряда проводят на установках, функциональные электрические схемы которых приведены: на рисунке 1 для импульсных ламп с внешним зажиганием; на рисунке 2 для импульсных ламп с последовательным зажиганием; на рисунке 3 для импульсных ламп с последовательным разрядником.
6.2.2 Измерение емкости конденсатора C1 проводят с помощью моста переменного тока.
6.2.3 Перечень средств измерения приведен в приложении А.
6.3 Подготовка к измерению
6.3.1 Перед измерением емкости конденсатора C1 последний отсоединяют от источника постоянного тока G и от импульсной лампы V2 в точках a и b.
6.3.2 Мост постоянного тока подготавливают к измерению в соответствии с руководством по эксплуатации.
6.3.3 Импульсную лампу и средства измерения подготавливают к измерению в соответствии с ГОСТ 30831 и руководством по эксплуатации.
6.4 Проведение измерений
6.4.1 Емкость конденсатора C1 измеряют до включения импульсной лампы в соответствии с руководством по эксплуатации на мост переменного тока.
6.4.2 Включают импульсной источник света V2 и отсчитывают показания вольтметра PU.
6.4.3 Рассчитывают энергию разряда W, Дж, по формуле
W = 0,5CU2, (2)
где C - измеренная емкость конденсатора C1, Ф;
U - измеренное рабочее напряжение, В.
6.5 Погрешность измерений
Относительная погрешность измерения энергии разряда находится в пределах ± 0,07W с вероятностью не менее 0,95.
Приложение А
(справочное)
Перечень рекомендуемых средств измерений и их технические данные
|
Наименование
|
Тип
|
Технические данные, основная погрешность или класс точности
|
|
Мост
|
Е8-2
|
± 0,25%
|
|
Мост
|
МЦЕ-11, РМЕ-8
|
100 пФ - 0,2 Ф, ± 5%
|
|
Вольтметр
|
С700
|
кл. 1,0
|
|
Киловольтметр
|
С196
|
0,75 кВ, 0 - 15 кВ
0 - 30 кВ, кл. 1,0
|
|
Киловольтметр
|
М27М
|
0 - 10 кВ, 0 - 20 кВ, ± 1,5%
|
|
Цифровой вольтметр
|
Ф214, Ф215
|
± 0,3%
|
|
Преобразователь тока измерительный резистивный (ШУНТ)
|
4.864.022
|
Rш = 10-3;

|
Допускается применение средств измерений других типов, при этом их технические данные, погрешность или класс точности должны быть не хуже приведенных в данном перечне, и основная погрешность не должна выходить за пределы, установленные настоящим стандартом.