Введен в действие приказом Федерального агентства по техническому регулированию и метрологии от 23 октября 2020 г. N 920-ст
Межгосударственный стандарт ГОСТ 26805-2020
"ЗАКЛЕПКА ТРУБЧАТАЯ ДЛЯ ОДНОСТОРОННЕЙ КЛЕПКИ ТОНКОЛИСТОВЫХ СТРОИТЕЛЬНЫХ МЕТАЛЛОКОНСТРУКЦИЙ. ТЕХНИЧЕСКИЕ УСЛОВИЯ"
Tubular rivet for one-sided riveting of thin-sheet construction metalworks. Specifications
МКС 21.060.40
Дата введения - 1 июня 2021 г.
Взамен ГОСТ 26805-86
Предисловие
Цели, основные принципы и общие правила проведения работ по межгосударственной стандартизации установлены ГОСТ 1.0 "Межгосударственная система стандартизации. Основные положения" и ГОСТ 1.2 "Межгосударственная система стандартизации. Стандарты межгосударственные, правила и рекомендации по межгосударственной стандартизации. Правила разработки, принятия, обновления и отмены"
Сведения о стандарте
1 Разработан Закрытым акционерным обществом "Центральный ордена Трудового Красного Знамени научно-исследовательский и проектный институт строительных металлоконструкций им. Н.П. Мельникова" (ЗАО "ЦНИИПСК им. Мельникова")
2 Внесен Техническим комитетом по стандартизации ТК 465 "Строительство"
3 Принят Межгосударственным советом по стандартизации, метрологии и сертификации (протокол от 31 августа 2020 г. N 132-П)
За принятие проголосовали:
|
Краткое наименование страны по МК (ИСО 3166) 004-97
|
Код страны по МК (ИСО 3166) 004-97
|
Сокращенное наименование национального фонда по стандартизации
|
|
Армения
|
AM
|
ЗАО "Национальный орган по стандартизации и метрологии" Республики Армения
|
|
Беларусь
|
BY
|
Госстандарт Республики Беларусь
|
|
Киргизия
|
KG
|
Кыргызстандарт
|
|
Казахстан
|
KZ
|
Госстандарт Республики Казахстан
|
|
Россия
|
RU
|
Росстандарт
|
|
Узбекистан
|
UZ
|
Узстандарт
|
|
Таджикистан
|
TJ
|
Таджикстандарт
|
4 Приказом Федерального агентства по техническому регулированию и метрологии от 23 октября 2020 г. N 920-ст межгосударственный стандарт ГОСТ 26805-2020 введен в действие в качестве национального стандарта Российской Федерации с 1 июня 2021 г.
5 Взамен ГОСТ 26805-86
1 Область применения
Настоящий стандарт распространяется на трубчатые алюминиевые заклепки, предназначенные для односторонней клепки тонколистовых защитных оболочек (кожухов), изготовленных из алюминиевых сплавов и служащих для тепловой изоляции трубопроводов и резервуаров.
2 Нормативные ссылки
В настоящем стандарте использованы нормативные ссылки на следующие межгосударственные стандарты:
ГОСТ 2.601 Единая система конструкторской документации. Эксплуатационные документы
ГОСТ 10304 Заклепки классов точности В и С. Общие технические условия
ГОСТ 14838 Проволока из алюминия и алюминиевых сплавов для холодной высадки. Технические условия
ГОСТ 15150 Машины, приборы и другие технические изделия. Исполнения для различных климатических районов. Категории, условия эксплуатации, хранения и транспортирования в части воздействия климатических факторов внешней среды
ГОСТ 18160 Изделия крепежные. Упаковка. Маркировка. Транспортирование и хранение
ГОСТ ISO 3269 Изделия крепежные. Приемочный контроль
Примечание - При пользовании настоящим стандартом целесообразно проверить действие ссылочных стандартов и классификаторов в сети Интернет на официальном сайте Межгосударственного совета по стандартизации, метрологии и сертификации (www.easc.by) или в указателях национальных стандартов, издаваемых в государствах, указанных в предисловии, или на официальных сайтах соответствующих национальных органов по стандартизации. Если на документ дана недатированная ссылка, то следует использовать документ, действующий на текущий момент, с учетом всех внесенных в него изменений. Если заменен ссылочный документ, на который дана датированная ссылка, то следует использовать указанную версию этого документа. Если после принятия настоящего стандарта в ссылочный документ, на который дана датированная ссылка, внесено изменение, затрагивающее положение, на которое дана ссылка, то это положение применяется без учета данного изменения. Если ссылочный документ отменен без замены, то положение, в котором дана ссылка на него, применяется в части, не затрагивающей эту ссылку.
3 Термины и определения
В настоящем стандарте применены термины по ГОСТ ISO 3269, а также термины в соответствии с нормативными документами *, действующими на территории государства - участника Соглашения, принявшего настоящий стандарт.
──────────────────────────────
* В Российской Федерации действует ГОСТ Р ИСО 14588-2005 "Заклепки "слепые". Термины и определения".
──────────────────────────────
4 Размеры
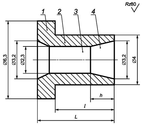
4.1 Форма и размеры трубчатой заклепки должны соответствовать указанным на рисунке 1 и приведенным в таблице 1.

1 - головка; 2 - стержень; 3 - отверстие; 4 - конусная часть стержня
Рисунок 1
Таблица 1 - Размеры трубчатой заклепки
|
Обозначение
|
Размеры, мм
|
Масса 1000 шт., кг
|
|
L
|
l
|
h
|
|
ТЗ-4х5(1)
|
6,5
|
5,0
|
1
|
0,202
|
|
ТЗ-4х5(2)
|
2
|
0,180
|
|
ТЗ-4х5(3)
|
3
|
0,175
|
|
ТЗ-4х6,5(1)
|
8,0
|
6,5
|
1
|
0,220
|
|
ТЗ-4х6,5(2)
|
2
|
0,205
|
|
ТЗ-4х6,5(3)
|
3
|
0,195
|
Пример условного обозначения трубчатой заклепки диаметром 4 мм, длиной 5 мм, длиной конусной части стержня 2 мм:
ТЗ-4x5 (2) ГОСТ 26805-2020...
5 Технические требования
5.1 Требования к материалу
5.1.1 Заклепки должны быть изготовлены в соответствии с требованиями настоящего стандарта.
5.1.2 Заклепки должны быть изготовлены методом холодной высадки из проволоки диаметром от 3,8 до 4,0 мм из алюминия и алюминиевых сплавов по ГОСТ 14838.
5.1.3 Поверхность заклепок должна быть чистой, без грата, трещин, надрывов, расслоений материала, пузырей, раковин и закатов.
5.1.4 При проектировании значения расчетных сопротивлений алюминиевых заклепок на срез следует принимать по ГОСТ 14838.
При расчете конструкции следует учитывать коэффициенты влияния изменения температуры и условий работы элементов алюминиевых конструкций, приведенные в нормативных документах *, действующих на территории государства - участника Соглашения, принявшего настоящий стандарт.
──────────────────────────────
* В Российской Федерации действует СП 128.13330.2016 "СНиП 2.03.06-85 Алюминиевые конструкции".
──────────────────────────────
5.2 Точность изготовления
5.2.1 Предельные отклонения размеров и формы заклепок - по ГОСТ 10304, класс точности С.
5.2.2 Номинальный диаметр отверстий под заклепки - 4,1 мм.
5.3 Комплектность
В комплект поставки входит партия заклепок одного и того же условного обозначения в количестве не менее 500 шт.
5.4 Упаковка
5.4.1 Упаковку заклепок производят в транспортную тару по ГОСТ 18160.
5.4.2 Каждая упаковка должна состоять из заклепок одного условного обозначения.
5.5 Маркировка
5.5.1 К каждой упаковке должна быть прикреплена этикетка по ГОСТ 2.601 с маркировкой по ГОСТ 18160.
5.5.2 Каждая партия заклепок должна быть снабжена паспортом, в котором указывают:
- номер и дату заполнения документа;
- наименование и адрес изготовителя;
- наименование и условное обозначение продукции;
- номер партии;
- массу партии нетто;
- марку материала заклепки, расчетное сопротивление заклепки срезу и результаты испытаний;
- дату проведения испытаний.
6 Правила приемки
Правила приемки заклепок - по ГОСТ ISO 3269.
7 Методы контроля
7.1 Поверхность заклепок проверяют визуально - методом их сравнения с образцами-эталонами.
7.2 Отклонения размеров и расположения поверхностей заклепок проверяют предельными калибрами, шаблонами, контрольными матрицами или универсальными измерительными приборами.
7.3 Несущую способность заклепок контролируют на разрывной машине путем испытания образцов, представляющих собой однозаклепочное соединение двух стальных пластин (рисунок 2). Толщины пластин выбирают по приложению А.
7.4 Механические испытания следует проводить в соответствии с нормативными документами *, действующими на территории государства - участника Соглашения, принявшего настоящий стандарт.
──────────────────────────────
* В Российской Федерации действует ГОСТ Р ИСО 14589-2005 "Заклепки "слепые". Механические испытания".
──────────────────────────────

Рисунок 2
8 Транспортирование и хранение
8.1 Перевозку и доставку потребителю упакованных заклепок проводят любым видом транспорта в соответствии с правилами перевозки грузов, действующими на данном виде транспорта.
8.2 Хранение заклепок - согласно группе условий хранения С по ГОСТ 15150.
9 Указания по применению
9.1 Заклепки устанавливают на стержне, имеющем развальцовочный наконечник (рисунок 3а).
Данный стержень конструктивно входит составной частью в специализированное устройство (установочный инструмент).

Рисунок 3
9.2 Заклепку вместе со стержнем вставляют в отверстие склепываемых листов с плотным прижатием головки заклепки к лицевому листу (рисунок 3б), затем стержень с развальцовочным наконечником протягивают сквозь отверстие в теле заклепки, в результате чего формируется головка заклепки с тыльной стороны соединения (рисунок 3в).
9.3 Размеры заклепок, соответствующие толщине пакета склепываемых листов, выбирают по приложению А.
9.4 В случае сопряжения листов разной толщины при общей толщине склепываемого пакета, не превышающей максимально допустимой в соответствии с таблицей А.1 приложения А, более толстый лист должен быть расположен под головкой заклепки.
9.5 В склепываемом пакете наиболее тонкий лист должен быть толщиной не менее 1/5 диаметра заклепки. За расчетный диаметр заклепки следует принимать номинальный диаметр отверстия.
10 Гарантии изготовителя
Изготовитель гарантирует соответствие изделий (заклепок) требованиям настоящего стандарта при соблюдении потребителем условий их хранения и монтажа в порядке, установленном соответствующими стандартами.
Приложение А
(справочное)
Толщина пакета листов для испытания заклепок
Таблица А.1
В миллиметрах
|
Толщина склепываемого пакета листов
|
Длина стержня заклепки l *
|
Длина конусной части стержня заклепки h *
|
|
До 1,0 включ.
|
5,0
|
3,0
|
|
Св. 1,0 до 1,5 включ.
|
2,0
|
|
Св. 1,5 до 2,0 включ.
|
1,0
|
|
Св. 2,0 до 2,5 включ.
|
6,5
|
3,0
|
|
Св. 2,5 до 3,0 включ.
|
2,0
|
|
Св. 3,0 до 4,0 включ.
|
1,0
|
|
* Размеры l и h см. на рисунке 1.
|