ГОСТ 23.221-84 ОБЕСПЕЧЕНИЕ ИЗНОСОСТОЙКОСТИ ИЗДЕЛИЙ. МЕТОД ЭКСПЕРИМЕНТАЛЬНОЙ ОЦЕНКИ ТЕМПЕРАТУРНОЙ СТОЙКОСТИ СМАЗОЧНЫХ МАТЕРИАЛОВ ПРИ ТРЕНИИ
Products wear resistance assurance. Experimental evaluation of lubricants temperature stability at friction
Группа Т51
МКС 19.060
ОКСТУ 0023
Дата введения установлена - 1 января 1986 г.
Взамен ГОСТ 17604-72
Настоящий стандарт устанавливает метод экспериментальной оценки температурной стойкости жидких и пластичных смазочных материалов при трении. Стандарт не распространяется на испытания твердых смазочных материалов.
Сущность метода состоит в триботехническом испытании сопряжения с точечным или линейным контактом, образованным вращающимся с постоянной и малой скоростью образцом и тремя (или одним) неподвижными образцами, при постоянной нагрузке и ступенчатом повышении объемной температуры образцов и окружающего их смазочного материала от внешнего источника тепла, регистрацией момента трения во время испытаний, по изменениям которого судят о температурной стойкости смазочных материалов. Термины и определения приведены в приложении 1.
Устанавливаются шесть схем испытаний (черт. 1):
А - испытания при контакте вращающегося шара с тремя неподвижными шарами;
Б - испытания при контакте вращающегося шара со сферическим пояском на пересечении торцевой поверхности внутреннего отверстия нижнего образца, выполненного в виде кольца;
В - испытания при контакте вращающегося шара с тремя образцами с плоскими рабочими поверхностями;
Г - испытания при контакте вращающегося шара с тремя цилиндрическими роликами равнорасположенными относительно оси вращающего шара;
Д - испытания при контакте вращающегося конического образца с тремя цилиндрическими образцами равнорасположенными относительно оси вращения образца;
Е - испытания при контакте вращающегося конического образца с коническим пояском на пересечении торцевой поверхности и внутреннего отверстия нижнего образца, выполненного в виде кольца.
Испытания по схемам А, В, Г, Д могут быть распространены на испытания смазочных материалов для зубчатых колес, подшипников качения, сопряжений кулачок-толкатель и поршневое кольцо - гильза цилиндра двигателя внутреннего сгорания.
Испытания по схемам Б и Е могут быть распространены на испытания смазочных материалов для подшипников скольжения и сопряжений поршневое кольцо - гильза двигателя внутреннего сгорания.

Черт. 1
1.1. При проведении испытаний применяют испытательную машину, содержащую: вертикальный шпиндель с приводом, обеспечивающим частоту его вращения 0,1 рад/с (1 мин-1) с погрешностью не более 1 %, и имеющий патрон для закрепления шара диаметром 8 или 12,7 мм или цилиндрического образца с конической рабочей поверхностью из испытуемого материала;
горизонтально расположенную чашку с испытуемым смазочным материалом, имеющую оправку для закрепления образцов в соответствии с требованиями черт. 1, обеспечивающую равномерное прижатие нижних образцов к верхнему под заданной нагрузкой, не допуская проворачивания образцов при испытании;
систему нагружения, обеспечивающую создание осевых нагрузок от 10 до 150 Н включительно с погрешностью не более 0,5 %;
нагреватель, обеспечивающий подъем объемной температуры узла трения и окружающего его слоя масла в интервале температур 293 K - 573 K и поддержание ее на заданном уровне с погрешностью не более ± 5 K;
устройство для непрерывной регистрации момента трения между образцами с погрешностью не более 1 %.
Примечание. Радиальное и осевое биения верхнего образца, закрепленного в шпинделе, не должно превышать 0,2 мм по рабочему диаметру;
крепление образцов и деталей должно обеспечивать легкое извлечение их из чашки и шпинделя при смене или промывке деталей узла трения.
1.2. Технологическое состояние машины должно проверяться не реже четырех раз в год и после проведения наладочных работ в соответствии с приложением 2.
1.3. Образцы для испытаний
1.3.1. При испытаниях по схеме А, указанных в пп. 1.3.1-1.3.5: шарики 3 степени точности группы Н диаметром 8 мм по ГОСТ 3722-81 из стали ШХ15 по ГОСТ 801-78.
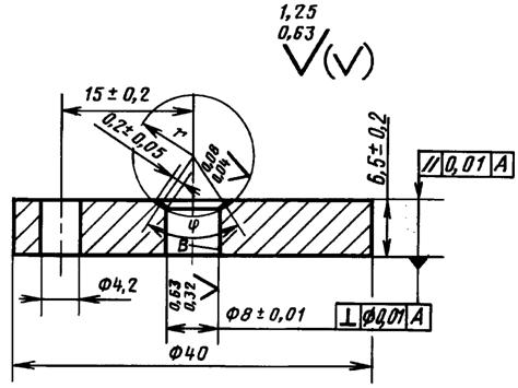
1.3.2. При испытаниях по схеме Б: шарик 3 степени точности группы Н диаметром 12,7 мм по ГОСТ 3722-81 из стали марки ШХ15 по ГОСТ 801-78. Кольцо из испытуемого материала (черт. 2).

Черт. 2
Рабочую поверхность кольца на пересечении торцевой поверхности А и внутренней цилиндрической поверхности В шириной b = (0,2 ± 0,05) мм создают на пластичных материалах - вдавливанием стального шарика диаметром 12,7 мм на прессе под нагрузкой 1-6 кН; на малопластичных материалах вытачиванием фасонным резцом, после чего калибруют шариком диаметром 12,7 мм под давлением.
Примечание. Наличие трещин и разрывов на рабочей поверхности не допускается.
1.3.3. При испытании по схеме B:
верхний образец - шарик по п. 1.3.2,
нижние образцы (черт. 3) - три параллелепипеда (тип 1) 5·5·6 мм или ролика (тип 2) диаметром 5 мм и длиной 6 мм с рабочими торцевыми поверхностями из испытуемого материала. Шероховатость рабочих поверхностей Ra 0,05-0,07 мкм.
1.3.4. При испытаниях по схеме Г:
верхний образец - шарик по п. 1.3.2,
нижний образец - три цилиндрических образца из испытуемого материала с рабочими поверхностями диаметром (8 ± 0,1) мм (черт. 4). Показатель шероховатости рабочих поверхностей Ra 0,05-0,07 мкм.
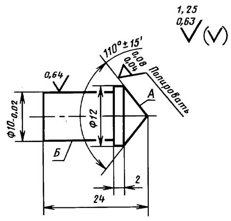
1.3.5. При испытании по схеме Д.
верхний образец (черт. 5) - цилиндрический с конической рабочей поверхностью, имеющей угол при вершине 110 ± 15'. Показатель шероховатости рабочей поверхности Ra 0,05-0,07 мкм;
нижние образцы - три цилиндрических по п. 1.3.4.

Допуск перпендикулярности поверхностей относительно поверхностей А - не более 0,01 мм.
Черт. 3

Черт. 4

Несоосность поверхностей А и Б не более 0,01 мм.
Черт. 5
1.3.6. При испытаниях по схеме Е:
верхний образец - конический из испытуемого материала по п. 1.3.5;
нижний образец - кольцо из испытуемого материала по п. 1.3.2.
Рабочая поверхность на пересечении торцевой и внутренней цилиндрической поверхностей кольцевого образца создается вдавливанием пуансоном, аналогичным верхнему образцу; при использовании хрупких материалов рабочую поверхность протачивают резцом с последующей калибровкой (черт. 6).

Непараллельность поверхностей А и Б - не более 0,01 мм.
Неперпендикулярность поверхностей А и В - не более 0,01 мм.
Черт. 6
1.4. Промывочные жидкости для образцов:
бензин по НТД;
ацетон по ГОСТ 2603-79;
спирт этиловый ректификованный технический по ГОСТ 18300-87.
1.5. Приборы и материалы
микроскоп с увеличением 25 (или большим) с окуляр-микрометром с ценой деления 0,001 мм (при испытаниях по схемам Б и Е);
секундомер по НТД;
шпатель (при испытании пластичных смазочных материалов);
пинцет;
вата гигроскопическая по ГОСТ 5556-81 (для протирки оборудования);
бязь безворсовая (для протирки образцов);
бумага шлифовальная (для очистки с поверхностей оборудования следов коррозии и лаков, образовавшихся в результате предыдущих испытаний).
2.1. Все детали машины, соприкасавшиеся со смазочным материалом или с образцами во время испытания (чашку с деталями крепления нижних образцов и детали крепления верхнего образца в шпинделе) и поверхности захвата пинцета промывают бензином по НТД и просушивают на воздухе.
2.2. Образцы последовательно промывают промывочными жидкостями по п. 1.4.
Примечание. Качество промывки оценивается путем испытания, проводимого по методике, приведенной в разд. 3, но без смазочного материала. При этом уже установленные в машину образцы перед приведением в соприкосновение протираются тампоном из безворсовой бязи, смоченным серным эфиром по п. 1.4. При значении максимального коэффициента трения не ниже 0,35 и скачкообразном его изменении с размахом колебаний не менее 0,1 промывку считают удовлетворительной.
2.3. Верхний образец устанавливают в шпинделе машины. Нижние образцы устанавливают в чашке и заливают исследуемым смазочным материалом так, чтобы уровень смазочного материала был выше верхнего края нижних образцов не менее чем на 1 мм. При испытании пластичных смазочных материалов оправку с нижними образцами набивают с помощью шпателя, не допуская образования пустот.
2.4. Образцы приводят в соприкосновение.
2.5. Производят градуировку устройства для измерения момента трения. Результаты градуировки представляют в виде зависимости коэффициента трения f от отклонения пера самописца h. При этом используют следующие соотношения для схем A, В, Г и Д:
![]()
и для схем B и E:
,
где Q - нагрузка при тарировке, Н;
R - плечо момента вращения тарировочного устройства, м;
а - плечо момента трения, м;
P0 - осевая нагрузка, Н;
φ/2 - угол наклона между осью вращения и направлением приложения нормальной силы к поверхности трения;
d - расстояние между диаметрально противоположными точками на середине фаски кольцевого образца.
Для схемы A f = 3,243 Q·R, В, Г, Д f = 2,029 Q·R.
3.1. Испытания каждого смазочного материала состоят из серии испытаний при различных объемных температурах. Каждое испытание при заданной объемной температуре проводят с новой порцией смазочного материала и новыми образцами.
Примечание. Как экспресс-испытания допускается проведение испытаний смазочных материалов при ступенчатом повышении объемной температуры (через каждые 10 K) без замены смазочного материала и смены образцов и без промежуточной разборки узла трения, что должно быть отражено в протоколе испытаний.
3.2. Первое определение коэффициента трения на нижних шариках проводят при комнатной температуре (293 K). При следующих определениях объемную температуру узла трения и окружающего его смазочного материала ступенчато повышают с интервалами 10 K до температуры 573 K. При повторных испытаниях следует уменьшать величину ступени в области критической температуры и температуры химической модификации до ΔТ = 5 K.
3.3. Объемную температуру узла трения и окружающего его смазочного материала измеряют с помощью термопары, спай которой должен быть прижат к одному из нижних образцов в 1-3 мм от зоны трения.
3.4. Смазочный материал и узел трения перед каждым определением нагревают при собранном узле трения, но без приложения нагрузки.
3.5. При достижении заданной температуры узел трения нагружают, включают самописец динамометра и привод шпинделя машины. В процессе испытания самописец на трибограмме регистрирует изменение момента трения.
Продолжительность вращения шпинделя с верхним образцом - 60 с с погрешностью не более ± 1 с. Затем привод шпинделя и самописец выключают, нагрузку снимают.
При проведении испытаний по схемам А, В, Г, Д осевая нагрузка составляет (110 ± 1) Н.
При проведении испытаний по схеме Б осевую нагрузку рассчитывают по формуле с погрешностью не более 1 Н
P0=g·π·b·r·sinφ,
где q - заданная удельная нагрузка в контакте, Па, с погрешностью не более 0,1 Па, соответствует номинальной удельной нагрузке в моделируемом трибосопряжении;
b - ширина рабочего пояска кольцевого образца, измеренная под микроскопом, м, с погрешностью до 5·10-6 м;
r - радиус кривизны верхнего образца, м, с точностью до 10-5 м;
φ - угол, образованный радиусами, проведенными из центра кривизны сечения верхнего образца до пересечения с диаметрально противоположными точками на середине рабочего пояска на внутренней цилиндрической поверхности кольцевого образца, с точностью до 15''.
При проведении испытаний по схеме E осевую нагрузку рассчитывают по формуле с погрешностью не более 1 Н
,
где d - расстояние между диаметрально противоположными точками на середине рабочего пояска внутренней цилиндрической поверхности кольцевого образца с погрешностью не более 1·10-5 м;
α - угол конуса с точностью до 15''.
3.6. Испытания проводят в интервале температур 293-573 K.
3.7. Испытания смазочного материала повторяют три раза при тех же заданных объемных температурах.
4.1. По зависимостям момента трения от времени испытаний, полученным при испытании смазочного материала, с помощью градуировочного графика зависимости коэффициента трения f - отклонение пера самописца определяют коэффициенты трения в последней половине каждого определения. В случае скачкообразного изменения коэффициента трения определяют его максимальные и минимальные значения. Характерные трибограммы для случая трения шариков при разных температурах и смазке эталонным маслом (приложение 1) приведены на черт. 7.

Черт. 7
4.2. По результатам трех испытаний строят график зависимости среднеарифметических значений коэффициента трения от объемной температуры. При расхождении максимальных и минимальных значений коэффициента трения по отношению к средним более 20 % на график наносят его минимальные и максимальные значения. Зависимости коэффициента трения от объемной температуры при испытании по схеме А трения шариков и смазке эталонным маслом (кривая 1) и маслом с химически активной присадкой (кривая 2) приведены на черт. 8.

Черт. 8
4.3. За критическую температуру принимают объемную температуру, при которой коэффициент трения резко возрастает (наклон прямой, аппроксимирующей зависимость коэффициента трения от температуры на 45° или более). При этом как правило наблюдается скачкообразное (с размахом 0,04 и более) изменение коэффициента трения. В этих случаях на график наносят его максимальные и минимальные значения.
4.4. За температуру химической модификации принимают минимальную объемную температуру, при которой прекращается скачкообразное изменение коэффициента трения, коэффициент трения резко снижается и устанавливается на этом уровне при дальнейшем увеличении температуры испытаний. Условную энергию активации химической модификации смазочного масла определяют по температуре химической модификации согласно приложению 3. Значения критических температур ряда смазочных масел приведены в приложении 4.
Приложение 1
Справочное
|
Термин |
Определение |
|
1. Температурная стойкость смазочных материалов при трении |
Свойство смазочных материалов при повышенных температурах обеспечивать стабильный низкий коэффициент трения в условиях граничной смазки |
|
2. Критическая температура, Ткр |
Минимальная температура, при которой для данного сочетания смазочного материала и материалов контактирующих деталей происходит разрушение смазочного слоя, образованного смазочным материалом и разделяющего трущиеся поверхности |
|
3. Температура химической модификации, Тх.м |
Минимальная температура, при которой происходит эффективное прекращение заедания вследствие образования на поверхностях трения модифицированного слоя, обладающего пониженным сопротивлением сдвигу |
|
4. Осевая нагрузка, Рос |
Нагрузка, действующая на верхний образец и направленная по оси вращения шпинделя |
Приложение 2
Обязательное
1. Для проверки состояния машины по схеме А (четырехшариковой) проводят испытания эталонного смазочного материала, в качестве которого применяют вазелиновое медицинское масло по ГОСТ 3164-78 с добавкой 0,1 % по массе стеариновой кислоты по ГОСТ 9419-78. Растворение стеариновой кислоты проводят при 333 K.
Ингредиенты эталонного смазочного материала должны храниться в заводской герметической таре, которая вскрывается непосредственно перед испытанием.
Подготовку к испытаниям, проведение испытания и обработку результатов проводят в соответствии с разд. 2, 3 и 4 настоящего стандарта.
При нормальной работе машины критическая температура эталонного масла (418 ± 5) K.
При расхождении полученных результатов испытаний смазочного материала проводят технический осмотр и регулировку машины, проверку качества промывки образцов по п. 2.2 настоящего стандарта.
2. Проводят градуировку устройства для измерения момента трения, согласно п. 2.5 настоящего стандарта.
Приложение 3
Рекомендуемое
Противоизносные свойства смазочных композиций с химически активными присадками при коррозионно-механическом изнашивании характеризуются условной энергией активации химической модификации поверхностей трения. Чем больше условная энергия активации химической модификации, тем выше противоизносные свойства композиции при коррозионно-механическом изнашивании.
Условная энергия активации (Е) в джоулях на моль рассчитывается по формуле
,
где Тх.м1 и Тх.м2 - соответственно температуры химической модификации, определенные экспериментально согласно разд. 3 настоящего стандарта и полученные при массовых долях химически активных присадок в масле соответственно C1 = 0,01; C2 = 1 %, R = 8,314 Дж/моль·град - универсальная газовая постоянная.
Приложение 4
Рекомендуемое
Таблица 1
|
Масло или пластичная смазка |
Ткр, K |
|
Вазелиновое медицинское по ГОСТ 3164-78 |
313 |
|
Вазелиновое приборное по ГОСТ 1805-76 |
373 |
|
Трансформаторное по ГОСТ 10121-76 |
453 |
|
Веретенное (АУ) по НТД |
438 |
|
Индустриальное И-50А по ГОСТ 20799-88 |
413 |
|
МП по ТУ 38101523-75 |
408 |
|
АМГ 10 по ГОСТ 6794-75 |
363 |
|
АСВ-5 по ТУ 38101158-74 |
373 |
|
АСВ-6 по ТУ 38101158-74 |
403 |
|
ЦИАТИМ 201 по ГОСТ 6267-74 |
363 |
|
ЦИАТИМ 203 по ГОСТ 8773-73 |
467 |
|
ЦИАТИМ 221 по ГОСТ 9433-80 |
553 |
|
ЛИТОЛ-24 по ГОСТ 21150-87 |
433 |
|
УНИОЛ 1 по ТУ 2-01-150-73 |
573 |
|
ВНИИ НП-228 по НТД |
543 |
|
ВНИИ НП-274 по ГОСТ 19337-95 |
573 |
Таблица 2
|
Присадка |
Массовая доля присадки, % |
Ткр, K |
Tх.м, K |
|
Л3-23к по НТД |
0,05 |
353 |
548 |
|
0,1 |
348 |
523 | |
|
1,0 |
363 |
448 | |
|
ДФ11 |
1 |
110 |
220 |
|
Стеариновая кислота по ГОСТ 9419-78 |
0,1 |
408 |
- |
|
Хлорэф 40 |
1,86 |
573 |
- |
|
Дифенилсульфид |
0,05 |
338 |
463 |
|
0,1 |
358 |
468 | |
|
0,5 |
358 |
453 | |
|
1,0 |
363 |
443 | |
|
Дибензилдисульфид |
2,46 |
353 |
503 |
|
Дибензилсульфид |
2,14 |
373 |
473 |
|
Дециловый эфир каприловой кислоты |
2,85 |
333 |
- |
Таблица 3
|
Марка * стали |
Содержание легирующего элемента, %, ат. |
Твердость HV30 |
Веретенное масло АУ по НТД |
Вазелиновое масло с присадкой, массовые доли | ||||
|
1,5 % хлорированного парафина |
1 % ЛЗ-23 |
0,1 % стеариновой кислоты | ||||||
|
Tкр, K |
Тх.м, K |
Tкр, K |
Тх.м, K |
Tкр, K | ||||
|
У10 |
- |
890 |
393 |
293 |
473 |
293 |
383 |
373 |
|
ШХ15 |
1,56 |
705 |
413 |
373 |
473 |
293 |
383 |
405 |
|
10X4,5 |
4,54 |
623 |
393 |
393 |
473 |
433 |
573 |
438 |
|
10X5,6 |
5,80 |
566 |
403 |
393 |
493 |
493 |
573 |
423 |
|
10X9,5 |
9,7 |
583 |
403 |
393 |
493 |
468 |
573 |
403 |
|
10Н1 |
0,92 |
777 |
343 |
343 |
478 |
293 |
473 |
373 |
|
10Н2 |
1,84 |
712 |
293 |
343 |
478 |
293 |
463 |
353 |
|
10Н3,5 |
3,20 |
738 |
293 |
293 |
493 |
293 |
473 |
353 |
|
10Н9 |
8,48 |
480 |
293 |
293 |
513 |
293 |
493 |
329 |
|
10В1 |
0,352 |
830 |
333 |
323 |
488 |
293 |
483 |
373 |
|
10В3,5 |
1,075 |
916 |
373 |
383 |
488 |
373 |
493 |
383 |
|
10В7,5 |
2,22 |
925 |
403 |
383 |
488 |
433 |
503 |
393 |
|
10В10 |
3,21 |
807 |
413 |
403 |
473 |
473 |
573 |
433 |
──────────────────────────────
* Стали специально отлиты и прокованы. Марка стали обозначает содержание в ней X - хрома, Н - никеля, В - вольфрама в массовых долях (процентах). Кроме того, в сталях содержится 1 % углерода, 0,2 % марганца, 0,3 % кремния и менее 0,02 % серы и фосфора. Стали У10 по ГОСТ 1435-99 и ШХ15 по ГОСТ 801-78.
──────────────────────────────
Таблица 4
|
Содержание легирующего элемента, %, ат. |
Твердость H200, МПа |
Масло BM-1 + 0,1 % стеариновой кислоты, K |
Масло веретенное АУ по НТД, K |
Масло полиэфирное 36/1 по ТУ 38101295-75, K |
|
Медь М0 |
440 |
473 |
573 |
473 |
|
1,05 Al |
440 |
438 |
293 |
443 |
|
5,76 Al |
580 |
393 |
313 |
293 |
|
10,42 Al |
680 |
513 |
313 |
353 |
|
16,25 Al |
790 |
523 |
483 |
483 |
|
1,34 Si |
480 |
423 |
573 |
463 |
|
4,52 Si |
500 |
463 |
473 |
383 |
|
10,53 Si |
1100 |
573 |
573 |
533 |
|
1,46 Zn |
540 |
468 |
573 |
453 |
|
4,78 Zn |
620 |
468 |
473 |
443 |
|
9,95 Zn |
680 |
388 |
393 |
473 |
|
19,20 Zn |
760 |
293 |
313 |
483 |
|
39,60 Zn |
830 |
293 |
293 |
503 |
|
0,12 Sn |
460 |
478 |
573 |
393 |
|
0,30 Sn |
480 |
513 |
573 |
363 |
|
0,58 Sn |
570 |
513 |
573 |
453 |
|
1,16 Sn |
560 |
513 |
573 |
453 |
|
2,77 Sn |
680 |
573 |
573 |
533 |
|
0,26 Sb |
610 |
463 |
573 |
383 |
|
0,42 Sb |
710 |
478 |
573 |
343 |
|
1,32 Sb |
950 |
478 |
573 |
503 |
|
0,31 P |
640 |
448 |
573 |
463 |
|
0,82 P |
690 |
468 |
573 |
458 |
|
1,82 P |
710 |
463 |
573 |
463 |


