ГОСТ 23496-89 (27.07.1991) ЭНДОСКОПЫ МЕДИЦИНСКИЕ. ОБЩИЕ ТЕХНИЧЕСКИЕ ТРЕБОВАНИЯ И МЕТОДЫ ИСПЫТАНИЙ
С изменениями:
(27 июня 1991 г.)
Medical optical endoscopes. General technical requirements and test methods
Группа P24
ОКП 94 4004
Дата введения - 1 января 1991 г.
Взамен ГОСТ 23496-86,
ГОСТ 4.131-85, ОСТ 64-1-169-75
Информационные данные
1. Разработан и внесен Министерством приборостроения, средств автоматизации и систем управления СССР
Исполнители
Н.М. Хохлова (рук. темы); И.А. Лобинская; Л.И. Айзенштат, канд. техн. наук; Н.Д. Глазанова; Р.Я. Филатова; А.В. Грозный; Л.Н. Чельцова
2. Утвержден и введен в действие Постановлением Государственного комитета СССР по стандартам от 26.06.89 N 2016
3. Срок первой проверки - 1994 г., периодичность проверки - 5 лет.
4. Стандарт полностью соответствует СТ СЭВ 4781-84, СТ СЭВ 5849-86, СТ СЭВ 6144-87.
5. Взамен ГОСТ 23496-86, ГОСТ 4.131-85, ОСТ 64-1-169-75
6. Ссылочные нормативно-технические документы
|
Обозначение НТД, на который дана ссылка |
Номер пункта |
|
ГОСТ 8.051-81 |
3.23 |
|
ГОСТ 9.032-74 |
2.8, 3.7 |
|
ГОСТ 9.301-86 |
2.8 |
|
ГОСТ 9.302-88 |
3.7 |
|
ГОСТ 9.303-84 |
2.8 |
|
ГОСТ 12.2.025-76 |
2.19, 3.18, 3.19, 3.22 |
|
ГОСТ 15150-69 |
2.16 |
|
ГОСТ 18250-80 |
2.21 |
|
ГОСТ 18305-83 |
Вводная часть |
|
ГОСТ 19126-79 |
2.10, 3.9 |
|
ГОСТ 20790-82 |
2.1, 2.12, 2.13, 2.14, 2.17, 3.1, 3.11-3.16 |
|
ГОСТ 23256-86 |
2.24, 3.25 |
|
ГОСТ 24263-80 |
2.23, 3.24 |
|
ГОСТ 26332-84 |
2.27 |
Настоящий стандарт распространяется на медицинские эндоскопы с волоконными световодами (далее - эндоскопы), предназначенные для диагностического осмотра внутренних полостей человека и для проведения различных манипуляций и вмешательств (биопсия, полипэктомия, коагуляция и резекция тканей, извлечение инородных тел и др.) под визуальным контролем, и устанавливает общие технические требования на эндоскопы, предназначенные для нужд народного хозяйства и экспорта.
Термины, применяемые в стандарте, и их определения, правила построения наименований и условных обозначений эндоскопов по ГОСТ 18305.
Стандарт не распространяется на эндомикроскопы, а также на комплекс эндоскопа с кино-, теле- и прочими устройствами, которые используются при эндоскопическом исследовании и лечении.
Требования настоящего стандарта (кроме приложений) являются обязательными
1.1. Эндоскопы в зависимости от системы передачи изображения подразделяют на следующие подгруппы однородной продукции:
эндоскопы с волоконной оптикой;
эндоскопы с линзовой оптикой;
эндоскопы тубусные.
1.2. В зависимости от конструкции рабочей части эндоскопы с волоконной оптикой подразделяют на следующие типы:
гибкие эндоскопы с волоконной оптикой;
жесткие эндоскопы с волоконной оптикой.
1.3. В зависимости от возраста пациентов, для исследования которых предназначены, эндоскопы подразделяют на:
эндоскопы для взрослых;
эндоскопы детские.
2.1. Показатели качества эндоскопов и их применяемость приведены в приложении 1.
2.2. Значения основных параметров эндоскопов и допустимые отклонения их номинальных значений указывают в технических условиях на эндоскопы конкретных типов. Рекомендуемые значения параметров приведены в приложении 2.
2.3. Поле зрения эндоскопа должно иметь резкую границу; в нем не должно быть видно светящихся фасок оптических деталей и рефлексов, мешающих наблюдению и снижающих качество изображения.
Примечание исключено с 1 января 1992 г. - Изменение N 1
2.4. При осмотре поля зрения эндоскопов и луп тубусных эндоскопов в проходящем свете не должны быть видны загрязнения, пятна, царапины, налеты, свили и дымы, мешающие наблюдению; характер и количество допустимых дефектов в поле зрения должны устанавливаться в технических условиях на эндоскопы конкретных типов.
2.5. Торцы световода канала передачи света должны быть полированы. Не допускаются трещины и расслоения.
2.6. Изображение объекта, наблюдаемого через гибкий эндоскоп, не должно быть повернуто относительно объекта в ту или другую стороны более чем на 15°.
2.7. Узлы и элемента соединений эндоскопа, требующие герметичности, и степень герметичности устанавливают в технических условиях на эндоскопы конкретных типов.
2.8. Защитно-декоративные покрытия металлических наружных поверхностей эндоскопов должны соответствовать требованиям ГОСТ 9.032, ГОСТ 9.301 и ГОСТ 9.303.
2.9. Материалы, применяемые в деталях эндоскопов, контактирующие с тканями тела пациента, должны быть разрешены к применению Министерством здравоохранения СССР.
2.10. Инструменты, входящие в комплект эндоскопов, должны соответствовать техническим условиям на инструменты и эндоскопы конкретных типов.
2.11. Диоптрийная подвижка окуляров эндоскопов и луп тубусных эндоскопов (при их наличии) должна обеспечивать получение резкого изображения объекта, находящегося на рабочем расстоянии при наблюдении глазом с аметропией в пределах не менее ± 5 дптр.
2.12. Эндоскопы в потребительской таре должны обладать вибропрочностью по ГОСТ 20790 для изделий, относящихся в зависимости от воспринимаемых механических воздействий к группе 2.
2.13. Эндоскопы должны сохранять работоспособность после механических воздействий при транспортировании в соответствии с требованиями ГОСТ 20790.
2.14. Эндоскопы при эксплуатации должны быть устойчивыми к воздействию климатических факторов внешней среды в соответствии с требованиями ГОСТ 20790 для изделий исполнений УХЛ4.2 и О4.1, при этом рабочая часть эндоскопов должна быть устойчива к воздействию биологической среды, в которой работает эндоскоп, при температуре от 32 до 42 °С для изделий исполнения У6 ГОСТ 20790.
2.15. Эндоскопы должны быть устойчивыми к циклу обработки, состоящему из: дезинфекции, предстерилизационной очистки и стерилизации. Виды обработки должны быть указаны в технических условиях на эндоскопы конкретных типов.
2.16. Эндоскопы должны сохранять работоспособность после воздействия температуры и влажности воздуха в процессе транспортирования по ГОСТ 15150: для вида климатического исполнения УХЛ4.2 - по условиям хранения 5; для исполнения О4.1 - по условиям хранения 6.
2.17. Безопасность эндоскопов для пациента, медицинского и обслуживающего персонала должна соответствовать ГОСТ 20790; требования к безопасности должны содержаться в технических условиях и эксплуатационной документации на эндоскопы конкретных типов.
При использовании эндоскопа для введения в полости организма различных устройств, инструментов или зондов применение этих устройств не должно снижать безопасность эндоскопа.
Рекомендации по использованию соответствующих устройств должны содержаться в эксплуатационной документации на эндоскопы конкретных типов.
2.18. Состояние наружной поверхности элементов и конструкция эндоскопа должны исключать травмирование пациента и врача при эксплуатации эндоскопа; требования к конструктивным особенностям эндоскопов, обеспечивающим безопасность их применения, должны быть указаны в технических условиях на эндоскопы конкретных типов.
2.19. При комплектации эндоскопа устройствами, содержащими электрические цепи, технические условия на комплекс или на эти устройства должны содержать требования, обеспечивающие электробезопасность работы с устройством в целом по ГОСТ 12.2.025. Степень защиты BF или CF.
2.20. В эндоскопах, предназначенных для работы с электрохирургическим инструментом, должны быть предусмотрены специальные меры защиты как пациента, так и медицинского персонала по пп. 2.20.1-2.20.3.
2.20.1. Эндоскоп должен иметь наглазник, изолированный от корпуса эндоскопа или выполненный из изоляционного материала; изоляция должна выдерживать испытательное напряжение 1500 В, 50 Гц в течение 1 мин. Высокочастотный (ВЧ) ток утечки через наглазник (окуляр) не должен превышать 50 мА.
2.20.2. Конструкцией гибкого эндоскопа должно быть предусмотрено гнездо для подключения защитного кабеля при работе с аппаратами для ВЧ-хирургии. Переходное сопротивление между любой металлической частью поверхности гибкого эндоскопа и гнездом для подсоединения защитного кабеля не должно превышать 10 Ом.
Примечание исключено с 1 января 1992 г. - Изменение N 1
2.20.2а. ВЧ ток утечки с доступных для прикасания металлических частей гибкого эндоскопа, контакт которых с гнездом для подключения защитного кабеля конструктивно не может быть обеспечен по п. 2.20.2, не должен превышать 50 мА.
Перечень таких частей должен быть установлен в технических условиях на гибкие эндоскопы конкретных типов.
2.20.3. При комплектации эндоскопа инструментами для электрохирургии поверхности инструментов должны быть покрыты изоляционным материалом, за исключением той части, которая должна входить в контакт с тканями тела при работе. Напряжение при проверке изоляции должно составлять 1500 В при номинальной рабочей частоте.
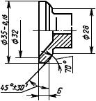
2.21. Присоединительные размеры:
элементов разъемов световодов должны соответствовать требованиям ГОСТ 18250;
жестких наглазников должны соответствовать указанным на черт. 1.
Присоединительные размеры жестких наглазников
Черт. 1
Примечание. Угол 70° нормируется на участке диаметром не менее 28 мм.
2. Неуказанные предельные отклонения размеров обработанных поверхностей: Н14, h14.
Гнезда, обеспечивающие работу с аппаратами для ВЧ-хирургии, должны соответствовать указанным на черт. 2.
Черт. 2
Примечание. Неуказанные предельные отклонения размеров обработанных поверхностей: Н 14; h 14.
Для обеспечения работы эндоскопов с различными принадлежностями (насадками, осветителями и пр.) допускается применение разъемов световодов, наглазников и гнезд других конструкций.
2.22. Требования к элементам управления, взаимодействию отдельных частей эндоскопа, обеспечивающих эксплуатацию эндоскопа, устанавливают в технических условиях на эндоскопы конкретных типов.
2.23. Информационные знаки на эндоскопах должны соответствовать ГОСТ 24263.
2.24. Показатели надежности эндоскопов должны соответствовать ГОСТ 23256.
В зависимости от возможных последствий отказа в процессе эксплуатации эндоскопы относят к классу В по ГОСТ 23256.
2.25. В технических условиях на эндоскопы конкретных типов должны быть установлены требования к следующим показателям надежности.
2.25.1. Минимальные значения средней наработки на отказ (То) в зависимости от типа эндоскопа (критерии отказов и предельных состояний приведены в приложении 3) должны быть:
от 800 до 4000 циклов - для эндоскопов с линзовой оптикой и тубусных;
от 1000 до 2000 циклов - для эндоскопов с волоконной оптикой.
Содержание испытательного цикла указывают в технических условиях на эндоскопы конкретных типов.
Примечание. По согласованию с заказчиком допускаются другие значения показателей безотказности эндоскопов, разработанных для проведения исследований и лечения по новым медицинским методикам или с применением новых технических решений.
2.25.2. Средний срок службы эндоскопов (Тсл) должен быть не менее пяти лет.
Примечание. По требованию заказчика в технических условиях на эндоскопы конкретных типов должны быть установлены требования к ремонтопригодности и сохраняемости.
2.26. В технических условиях на эндоскопы конкретных типов указывают перечень наиболее тяжелого рабочего комплекта эндоскопа, удерживаемого в руках оператора при работе, и его массу, которая должна быть не более 1,5 кг.
2.27. Требования к маркировке, упаковке, транспортированию и хранению по ГОСТ 26332.
3.1. Испытания эндоскопов следует проводить в нормальных климатических условиях по ГОСТ 20790 (кроме пп. 2.14 и 2.16) методами, установленными в настоящем стандарте и технических условиях на эндоскопы конкретных типов.
Методы проверки основных параметров должны быть установлены в технических условиях на эндоскопы конкретных типов
3.2. Исключен с 1 января 1992 г. - Изменение N 1
3.3. Проверку чистоты поля зрения эндоскопов с волоконной оптикой и луп (пп. 2.3, 2.4) проводят путем наблюдения через окуляр белого фона, установленного и освещенного в соответствии с требованиями, установленными в технических условиях на эндоскопы конкретных типов.
Проверку формы и резкости границ поля зрения оптических трубок, эндоскопов с линзовой оптикой, фиксируемых в стволе или тубусе, проводят совместно с соответствующим стволом или тубусом.
3.4. Проверку соответствия требованиям к состоянию наружных поверхностей (пп. 2.5; 2.18) проводят внешним осмотром. При необходимости осмотр проводят под увеличением от 3 до 10 крат.
3.5. Исключен с 1 января 1992 г. - Изменение N 1
3.6. Исключен с 1 января 1992 г. - Изменение N 1
3.7. Проверку качества защитно-декоративных покрытий (п. 2.8) проводят по ГОСТ 9.032 и ГОСТ 9.302.
3.8. Проверку материалов деталей (п. 2.9), контактирующих с тканями тела пациента, проводят по наличию документов, разрешающих их применение.
3.9. Проверку инструментов, входящих в комплект эндоскопа (п. 2.10), проводят по техническим условиям на инструменты, при их наличии, или техническим условиям на эндоскопы конкретных типов.
3.10. Проверку диоптрийной подвижки (п. 2.11) окуляра эндоскопа с волоконной оптикой проводят наблюдением изображения проксимального торца жгута для передачи изображения через установленную на 0 диоптрийную трубку с сеткой и расположенные между окуляром эндоскопа и диоптрийной трубкой очковые линзы плюс 5 и минус 5 дптр. Диапазон диоптрийной подвижки окуляра эндоскопа при этом должен обеспечивать резкое изображение проксимального торца жгута.
Проверку диапазона диоптрийной подвижки окуляра оптической трубки или лупы проводят при помощи зрительной трубы с сеткой с кратностью увеличения от 3 до 6 крат и линз плюс 5 и минус 5 дптр. Предмет, расположенный на рабочем расстоянии, рассматривают через оптическую трубку или лупу, линзы, помещенные за окуляром оптической трубки или лупы, и зрительную трубу.
3.11. Проверку вибропрочности эндоскопов (п. 2.12) проводят по ГОСТ 20790 при действии вибрационной нагрузки в диапазоне частот 10-55 Гц, амплитудой 0,15 мм в течение 2 циклов. Эндоскоп в потребительской таре в процессе испытаний жестко крепят к столу вибростенда (без дополнительной амортизации).
После воздействия эндоскопы должны удовлетворять требованиям пп. 2.3-2.7, 2.11, 2.18, 2.22, и не должно наблюдаться снижения разрешающей способности и освещенности объекта.
3.12. Проверку вибропрочности и ударопрочности эндоскопов в транспортной упаковке (п. 2.13) проводят по ГОСТ 20790.
После воздействия должны отсутствовать механические повреждения упаковки, эндоскопы должны удовлетворять требованиям пп. 2.3-2.7, 2.18, 2.22, и не должно наблюдаться снижение разрешающей способности и освещенности объекта.
3.13. Проверку устойчивости эндоскопов к воздействию климатических факторов в процессе эксплуатации (п. 2.14) проводят в соответствии с ГОСТ 20790. Время выдержки в камере тепла и холода - по 2 ч. Допускается по согласованию с заказчиком проводить испытания на тепло- и холодоустойчивость при нормальных климатических условиях по ГОСТ 20790, совмещая их с проверкой в этих же условиях.
Проверку устойчивости рабочей части эндоскопов к специфическим воздействиям среды организма проводят погружением их в раствор при температуре (42 + 2)°С.
Состав раствора максимальной агрессивности и время выдерживания - в соответствии с техническими условиями на эндоскопы конкретных типов.
После испытаний эндоскоп должен удовлетворять требованиям пп. 2.3, 2.4, 2.7, 2.8, 2.18, и не должно наблюдаться снижения разрешающей способности и освещенности объекта и нарушения защитных покрытий (наличие коррозии, отслоения и т.д.).
Изменение цвета паяных швов, гальванических покрытий вследствие образования оксидной пленки без следов коррозионного разрушения покрытия не является признаком отказа.
3.14. Проверку устойчивости к очистке, дезинфекции и стерилизации (п. 2.15) проводят по ГОСТ 20790 методами, установленными в технических условиях на эндоскопы конкретных типов.
После испытаний на эндоскопах не должно быть нарушений защитных покрытий (наличие коррозии, отслоения к т.д.).
Изменение цвета паяных швов, гальванических покрытий вследствие образования оксидной пленки без следов коррозионного нарушения покрытия не является признаком отказа.
3.15. Испытание на воздействие климатических факторов при транспортировании и хранении (п. 2.16) проводят по ГОСТ 20790. Эндоскопы в транспортной упаковке выдерживают в камере тепла и холода в течение 2 ч; время выдержки в транспортной упаковке после воздействия каждой из заданных температур в нормальных условиях - 2 ч; после распаковывания эндоскопы выдерживают в открытой потребительской таре в течение 2 ч.
Испытание на воздействие повышенной влажности проводят по ГОСТ 20790, при этом в течение последних 4 ч выдержки в нормальных климатических условиях эндоскопы должны находиться в открытой потребительской таре.
После каждого из видов воздействий по окончании выдержки в нормальных условиях эндоскопы должны удовлетворять требованиям пп. 2.3, 2.4, 2.7, 2.8, 2.18, 2.20, и не должно наблюдаться снижения разрешающей способности и освещенности объекта.
3.16. Проверку безопасности эндоскопов для пациента, медицинского и обслуживающего персонала (п. 2.17) проводят по ГОСТ 20790 и техническим условиям на эндоскопы конкретных типов.
3.17. Проверку требований к конструкции и взаимодействию отдельных частей и элементов (п. 2.22) проводят методами, установленными в технических условиях на эндоскопы конкретных типов.
3.18. Проверку электробезопасности устройств, входящих в комплект эндоскопа или используемых с ним (п. 2.19), проводят по ГОСТ 12.2.025 и нормативно-техническим документам на устройства конкретных типов.
3.19. Проверку электрической прочности изоляции наглазника (п. 2.20.1) проводят по ГОСТ 12.2.025. При этом электрод накладывают на наружную поверхность наглазника, и испытательное напряжение прикладывают между электродом и металлическими частями эндоскопа.
3.20. Проверку ВЧ тока утечки (пп. 2.20.1, 2.20.2а) проводят методом измерения падения напряжения на резисторе сопротивлением 200 Ом ± 1 %, соединенном с металлическими частями эндоскопа, а также с металлическим наглазником или с электродом, наложенным на наглазник, изготовленный из изоляционного материала и с зажимом защитного заземления хирургического аппарата.
При этом полное входное сопротивление вольтметра должно быть не менее 20000 Ом в диапазоне рабочих частот электрохирургического инструмента (0,5-10 МГц).
3.21. Проверку переходного сопротивления (п. 2.20.2) проводят путем измерения сопротивления между доступными для прикасания металлическими частями и гнездом для подключения защитного кабеля при помощи омметра, обеспечивающего измерения с погрешностью не более 0,2 Ом.
3.22. Проверку электробезопасности эндоскопов с комплектом (п. 2.20.3) проводят по ГОСТ 12.2.025.
Проверку прочности изоляции электрохирургического инструмента проводят при помощи электрода, накладываемого на непроводящие поверхности вводимых частей, при этом между активной частью инструмента и электродом должен быть воздушный зазор или защитное расстояние.
Испытательное напряжение прикладывают между соединителями, предназначенными для подачи ВЧ тока, и электродом.
3.23. Проверку габаритных, основных и присоединительных размеров элементов разъемов и жестких наглазников (пп. 2.21, 2.22) проводят измерительными средствами с пределами допускаемых погрешностей по ГОСТ 8.051.
3.24. Проверку качества информационных знаков (п. 2.23) проводят по ГОСТ 24263 и техническим условиям на эндоскопы конкретных типов.
3.25. Контрольные испытания на надежность (пп. 2.24, 2.25) проводят по ГОСТ 23256 и техническим условиям на эндоскопы конкретных типов.
3.26. Проверку массы (п. 2.26) проводят по методике, установленной в технических условиях на эндоскопы конкретных типов.
3.27. Проверку маркировки и упаковки эндоскопов проводят внешним осмотром и сличением с документацией.
Приложение 1
Рекомендуемое
Таблица 1
|
Наименование показателя качества |
Обозначение показателя качества |
Наименование характеризуемого свойства |
Применяемость показателя | ||
|
ТЗ на ОКР |
ТУ | ||||
|
1. ПОКАЗАТЕЛИ НАЗНАЧЕНИЯ
| |||||
|
1.1. Размеры поперечного сечения рабочей части, мм |
- |
- |
+ |
+ | |
|
1.2. Длина рабочей части, мм |
lp |
- |
+ |
+ | |
|
1.3. Поперечный размер рабочего канала для инструмента или размер вводимого инструмента, мм или "Шарьер" |
dи |
- |
± |
± | |
|
1.4. Угол направления наблюдения, ...° |
α |
Оптическое свойство |
+ |
+ | |
|
1.5. Угловое поле оптической системы в пространстве предметов (угол поля зрения), ...° |
2ω |
То же |
+ |
+ | |
|
1.6. Видимое увеличение |
Г |
" |
- |
+ | |
|
1.7. Разрешающая способность, мм-1 |
N |
" |
+ |
+ | |
|
1.8. Расчетное рабочее расстояние, мм |
S |
" |
+ |
+ | |
|
1.9. Диапазон рабочих расстояний, мм |
- |
- |
± |
± | |
|
1.10. Чистота поля зрения |
- |
Удобство наблюдения и информативность |
- |
+ | |
|
1.11. Диаметр выходного зрачка, мм |
D1 |
Светосила оптической системы |
± |
± | |
|
1.12. Диоптрийная подвижка окуляра, дптр |
δ |
Возможность регулировки для глаза с разной степенью аметропии |
± |
± | |
|
1.13. Освещенность объекта, лк |
Е |
Оптимальные условия наблюдения |
± |
+ | |
|
1.14. Коэффициент равномерности освещенности объекта |
Ke |
Совершенство конструкции |
± |
+ | |
|
1.15. Коэффициент передачи контраста |
T |
Достоверность передачи информации по контрасту |
- |
± | |
|
1.16. Коэффициент интегрального светопропускания, % |
τ∑ |
Светопропускание канала освещения и (или) изображения с волоконным элементом |
- |
± | |
|
1.17. Показатель светопропускания по спектру |
- |
Цветопередача |
± |
± | |
|
1.18. Угол изгиба дистального конца гибкого эндоскопа (угол изгиба дистального конца), ...° |
σ |
Совершенство конструкции |
+ |
+ | |
|
1.19. Герметичность эндоскопа и (или) его частей |
- |
То же |
+ |
+ | |
|
2. ПОКАЗАТЕЛИ НАДЕЖНОСТИ
| |||||
|
2.1. Исключен с 1 января 1992 г. - Изменение N 1 | |||||
|
2.2. Средняя наработка на отказ, цикл |
То |
То же |
± |
+ | |
|
2.3. Исключен с 1 января 1992 г. - Изменение N 1 | |||||
|
2.4. Средний срок службы, годы |
Тсл |
Долговечность |
± |
+ | |
|
2.5. Среднее время восстановления работоспособного состояния, ч |
Тв |
Ремонтопригодность |
- |
+ | |
|
2.6. Срок сохраняемости, годы |
Тс |
Сохраняемость |
± |
+ | |
|
3. ПОКАЗАТЕЛИ УСТОЙЧИВОСТИ К ВНЕШНИМ ВОЗДЕЙСТВИЯМ
| |||||
|
3.1. Устойчивость к климатическим воздействиям при эксплуатации |
- |
Обеспечение работоспособности и транспортабельности |
+ |
+ | |
|
3.2. Устойчивость к климатическим воздействиям при транспортировании и хранении |
- |
То же |
+ |
+ | |
|
3.3. Устойчивость к специфическим воздействиям среды организма |
- |
" |
+ |
+ | |
|
3.4. Устойчивость к средствам стерилизации и (или) дезинфекции |
- |
" |
+ |
+ | |
|
3.5. Вибропрочность при эксплуатации |
- |
Обеспечение работоспособности и транспортабельности |
+ |
+ | |
|
3.6. Вибропрочность и ударопрочность при транспортировании |
- |
То же |
+ |
+ | |
|
4. ЭРГОНОМИЧЕСКИЕ ПОКАЗАТЕЛИ
| |||||
|
4.1. Общая длина, мм |
L |
Удобство пользования и совершенство конструкции |
± |
± | |
|
4.2. Масса рабочего комплекта, кг |
М |
То же |
+ |
+ | |
|
5. ПОКАЗАТЕЛИ БЕЗОПАСНОСТИ
| |||||
|
5.1. Электрическая прочность изоляции токоведущего элемента |
U |
Электробезопасность |
+ |
+ | |
|
5.2. Электрическое сопротивление изоляции токоведущего элемента, Ом |
R |
То же |
+ |
+ | |
Примечание. В таблице знак "+" означает применяемость, знак "-" - неприменяемость соответствующих показателей качества продукции, знак "±" - ограниченную применяемость, с учетом типа эндоскопа.
Приложение 2
Рекомендуемое
Таблица 2
|
Основные параметры и размеры |
Значения показателя для эндоскопов | |||
|
гастроэнтерологических |
пульмонологических |
оториноларингологических |
общехирургических | |
|
Размеры поперечного сечения рабочей части, мм |
4,0-16,0 |
2,0-6,5 |
1,0-5,0 |
2,0-8,0 |
|
Допустимое отклонение размера поперечного сечения рабочей части, %, не более |
± 10 | |||
|
Длина рабочей части, мм |
750-2000 |
550-700 |
100-700 |
200-700 |
|
Допустимое отклонение длины рабочей части, %, не более |
± 5 до 300 мм; ± 4 св. 300 до 500 мм; ± 3 св. 500 мм | |||
|
Угол направления наблюдения |
0° - 105° | |||
|
Допустимое отклонение угла направления наблюдения, не более |
± 5° для углов до 45° ± 10° для углов св. 45° | |||
|
Угол поля зрения |
80° - 135° |
65° - 106° (80° - 105°) * |
50° - 90° |
60° - 125° (90° - 125°) * |
|
Допустимое отклонение угла поля зрения, %, не более |
+ 15 - 10 | |||
|
Разрешающая способность (на расчетном рабочем расстоянии), мм-1, не менее |
1,7 (1,7-2,6) * |
3 |
1,7 |
3,5 |
|
Допустимое отклонение разрешающей способности ** (на расчетном рабочем расстоянии), % |
- 10 | |||
|
Коэффициент интегрального светопропускания, %, не менее |
7 | |||
|
Угол изгиба дистального конца (номинальное значение максимально обеспечиваемого эндоскопом): | ||||
|
вверх |
120° - 210° |
150° - 180° (160° - 180°) * |
90° - 180° (130° - 180°) * |
30° - 160° (100° - 160°) * |
|
вниз |
90° - 200° |
30° - 180° (60° - 180°) * |
90° - 180° |
30° - 160° (100° - 160°) * |
|
вправо |
90° - 200° |
- |
- |
- |
|
влево |
90° - 200° |
- |
- |
- |
|
Допустимое отклонение угла изгиба дистального конца *** |
+ 20° - 10° | |||
──────────────────────────────
* Для эндоскопов, выпускаемых с 01.01.97.
**Допуск не ограничен по верхнему пределу.
*** Для эндоскопов с углами не более 60° допуск по верхнему пределу не нормируют.
──────────────────────────────
Таблица 3
|
Наименование параметра |
Значения параметров эндоскопов | |||||||||||||||||
|
для урологии |
для пульмонологии |
для гастроэнтерологии |
для акушерства и гинекологии |
для оториноларингологии |
Артроскопов | |||||||||||||
|
взрослых |
детских |
бронхоскопов |
медианоскопов |
тораскопов |
эзофагоскопов |
ректоскопов |
холедохоскопов |
лапароскопов |
амниоскопов |
гистероскопов |
кульдоскопов |
церквикоскопов |
антроскопов |
отоскопов |
отосальпингоскопов | |||
|
взрослых |
детских | |||||||||||||||||
|
Размер поперечного сечения рабочей части, мм, не более |
9,5 |
5,0 |
12,0 |
10,0 |
20,0 |
12,0 |
16,0 |
20,0 |
8,0 |
11,0 |
32,0 |
8,0 |
12,0 |
8,0 |
7,0 |
7,0 |
5,0 |
5,5 |
|
Допустимое отклонение размера поперечного сечения рабочей части, %, не более |
2 | |||||||||||||||||
|
Длина рабочей части, мм, не менее |
200 |
120 |
345 |
130 |
130 |
180 |
250 |
150 |
300 |
300 |
140 |
200 |
120 |
200 |
100 |
100 |
130 |
115 |
|
Допустимое отклонение длины рабочей части, %, не более |
2 | |||||||||||||||||
|
Угловое поле оптической системы в пространстве предметов, в воздухе, номинальное значение, не менее |
60° (90°) * |
50° |
50° |
50° |
- |
65° |
50° |
- |
50° |
50° |
60° (70°) * |
70° |
60° |
60° |
80° |
- |
50° (70°) * |
50° (70°) * |
|
Допустимое отклонение углового поля оптической системы, %, не более |
+ 10 - 6 | |||||||||||||||||
|
Угол направления наблюдения |
0° - 110° | |||||||||||||||||
|
Допустимое отклонение угла направления наблюдения, %, не более |
± 5 | |||||||||||||||||
|
Допустимое отклонение видимого увеличения (на расчетном рабочем расстоянии), %, не более: | ||||||||||||||||||
|
оптических трубок |
± 10 | |||||||||||||||||
|
луп |
± 5 | |||||||||||||||||
|
Разрешающая способность (на расчетном рабочем расстоянии), мм-1, не менее ** |
10 (12) * | |||||||||||||||||
|
Допустимое отклонение разрешающей способности (на расчетном рабочем расстоянии), %, не более *** |
- 15 | |||||||||||||||||
|
Допустимое отклонение диаметра выходного зрачка оптических трубок, %, не более: | ||||||||||||||||||
|
св. 1,0 до 3,5 мм |
± 10 | |||||||||||||||||
|
св. 1,5 мм |
± 8 | |||||||||||||||||
──────────────────────────────
* Для эндоскопов, выпускаемых с 01.01.97.
** Для оптических трубок диаметром не менее 4 мм и длиной не более 350 мм (прк угле поля зрения не более 70°).
*** Допуск не ограничен по верхнему пределу.
──────────────────────────────
Приложение 3
Справочное
1. Критериями отказов эндоскопов с волоконной оптикой гибких следует считать:
увеличение количества дефектов, обусловленное качеством регулярного волоконного жгута для передачи изображения, в поле зрения по сравнению с нормой, установленной в технических условиях на эндоскопы конкретных типов;
отсутствие изгиба управляемого дистального конца хотя бы в одном направлении;
невозможность проведения гибкого инструмента через канал при угле изгиба дистального конца, установленного в технических условиях на эндоскопы конкретных типов;
разгерметизацию частей, указанных в технических условиях на эндоскопы конкретных типов;
невозможность подачи воды или воздуха;
невозможность проведения аспирации;
уменьшение угла изгиба дистального конца до угла менее установленного в технических условиях на эндоскопы конкретных типов;
люфт рукоятки управления более угла, установленного в технических условиях на эндоскопы конкретных типов;
повреждение наружных поверхностей эндоскопа, могущих привести к травмированию пациента и врача.
2. Критериями отказов эндоскопов с линзовой оптикой и тубусных следует считать:
а) полную или частичную потерю изображения;
б) уменьшение освещенности более чем на 20 % заданной в технических условиях;
в) механическое повреждение рабочей части, содержащее угрозу травмирования пациента в процессе исследования;
г) разгерметизация соединений механических частей и оптических трубок.
Предельным состоянием эндоскопа следует считать состояние, при котором экономически нецелесообразно восстановление работоспособного состояния.


