ГОСТ 27578-2018 ГАЗЫ УГЛЕВОДОРОДНЫЕ СЖИЖЕННЫЕ ДЛЯ АВТОМОБИЛЬНОГО ТРАНСПОРТА. ТЕХНИЧЕСКИЕ УСЛОВИЯ
Liquefied hydrocarbon gases for automobile transport. Specifications
МКС 75.160.30
Предисловие
Цели, основные принципы и основной порядок проведения работ по межгосударственной стандартизации установлены в ГОСТ 1.0-2015 "Межгосударственная система стандартизации. Основные положения" и ГОСТ 1.2-2015 "Межгосударственная система стандартизации. Стандарты межгосударственные, правила и рекомендации по межгосударственной стандартизации. Правила разработки, принятия, обновления и отмены"
Сведения о стандарте
1 Разработан Акционерным обществом "Волжский научно-исследовательский институт углеводородного сырья" (АО "ВНИИУС")
2 Внесен Межгосударственным техническим комитетом по стандартизации МТК 52 "Природный и сжиженные газы"
3 Принят Межгосударственным советом по стандартизации, метрологии и сертификации (протокол от 27 июля 2018 г. N 110-П)
За принятие проголосовали:
|
Краткое наименование страны по МК (ИСО 3166) 004-97 |
Код страны по МК (ИСО 3166) 004-97 |
Сокращенное наименование национального органа по стандартизации |
|
Азербайджан |
AZ |
Азстандарт |
|
Армения |
AM |
Минэкономики Республики Армения |
|
Беларусь |
BY |
Госстандарт Республики Беларусь |
|
Грузия |
GE |
Грузстандарт |
|
Казахстан |
KZ |
Госстандарт Республики Казахстан |
|
Киргизия |
KG |
Кыргызстандарт |
|
Молдова |
MD |
Институт стандартизации Молдовы |
|
Россия |
RU |
Росстандарт |
|
Таджикистан |
TJ |
Таджикстандарт |
|
Туркменистан |
TM |
Главгосслужба "Туркменстандартлары" |
|
Узбекистан |
UZ |
Узстандарт |
|
Украина |
UA |
Минэкономразвития Украины |
4 Приказом Федерального агентства по техническому регулированию и метрологии от 9 октября 2018 г. N 729-ст межгосударственный стандарт ГОСТ 27578-2018 введен в действие в качестве национального стандарта Российской Федерации с 1 июля 2019 г.
5 Взамен ГОСТ 27578-87
Настоящий стандарт распространяется на сжиженные углеводородные газы (далее - сжиженные газы), предназначенные для использования в качестве моторного топлива для автомобильного транспорта.
В настоящем стандарте использованы нормативные ссылки на следующие межгосударственные стандарты:
ГОСТ 12.1.005-88 Система стандартов безопасности труда. Общие санитарно-гигиенические требования к воздуху рабочей зоны
ГОСТ 12.1.007-76 Система стандартов безопасности труда. Вредные вещества. Классификация и общие требования безопасности
ГОСТ 12.1.018-93 Система стандартов безопасности труда. Пожаровзрывобезопасность статического электричества. Общие требования
ГОСТ 12.1.044-89 (ИСО 4589-84) Система стандартов безопасности труда. Пожаровзрывоопасность веществ и материалов. Номенклатура показателей и методы их определения
ГОСТ 12.4.021-75 Система стандартов безопасности труда. Системы вентиляционные. Общие требования
ГОСТ 12.4.026-2015 Система стандартов безопасности труда. Цвета сигнальные, знаки безопасности и разметка сигнальная. Назначение и правила применения. Общие технические требования и характеристики. Методы испытаний
ГОСТ 17.2.3.02-2014 Правила установления допустимых выбросов загрязняющих веществ промышленными предприятиями
ГОСТ OIML R 76-1-2011 Государственная система обеспечения единства измерений. Весы неавтоматического действия. Часть 1. Метрологические и технические требования. Испытания*
──────────────────────────────
* В Российской Федерации также действует ГОСТ Р 53228-2008 "Весы неавтоматического действия. Часть 1. Метрологические и технические требования. Испытания".
ГОСТ 400-80 Термометры стеклянные для испытаний нефтепродуктов. Технические условия
ГОСТ EN 589-2014 Топлива для двигателей внутреннего сгорания. Газы углеводородные сжиженные. Технические требования и методы испытаний
ГОСТ 1510-84 Нефть и нефтепродукты. Маркировка, упаковка, транспортирование и хранение
ГОСТ 1770-74 (ИСО 1042-83, ИСО 4788-80) Посуда мерная, лабораторная стеклянная. Цилиндры, мензурки, колбы, пробирки. Общие технические условия
ГОСТ 2603-79 Реактивы. Ацетон. Технические условия
ГОСТ 4233-77 Реактивы. Натрий хлористый. Технические условия
ГОСТ ISO 4256-2013 Газы углеводородные сжиженные. Определение манометрического давления паров. Метод СУГ
ГОСТ ISO 4257-2013 Газы углеводородные сжиженные. Метод отбора проб
ГОСТ 5556-81 Вата медицинская гигроскопическая. Технические условия
ГОСТ 6217-74 Уголь активный древесный дробленый. Технические условия
ГОСТ 6709-72 Вода дистиллированная. Технические условия
ГОСТ 10679-2018 Газы углеводородные сжиженные. Метод определения углеводородного состава
ГОСТ 12162-77 Двуокись углерода твердая. Технические условия
ГОСТ 14192-96 Маркировка грузов*
ГОСТ 14921-2018 Газы углеводородные сжиженные. Методы отбора проб
ГОСТ 17299-78 Спирт этиловый технический. Технические условия
ГОСТ 18300-87 Спирт этиловый ректификованный технический. Технические условия**
ГОСТ 19433-88 Грузы опасные. Классификация и маркировка*
──────────────────────────────
* В Российской Федерации также действует ГОСТ Р 57479-2017 "Грузы опасные. Маркировка".
** В Российской Федерации действует ГОСТ Р 55878-2013 "Спирт этиловый технический гидролизный ректификованный. Технические условия".
ГОСТ 22387.5-2014 Газ для коммунально-бытового потребления. Методы определения интенсивности запаха
ГОСТ 22985-2017 Газы углеводородные сжиженные. Метод определения сероводорода, меркаптановой серы и серооксида углерода
ГОСТ 25336-82 Посуда и оборудование лабораторные стеклянные. Типы, основные параметры и размеры
ГОСТ 28656-90 Газы углеводородные сжиженные. Расчетный метод определения плотности и давления насыщенных паров
ГОСТ 29169-91 (ИСО 648-77) Посуда лабораторная стеклянная. Пипетки с одной отметкой
ГОСТ 30852.19-2002 (МЭК 60079-20:1996) Электрооборудование взрывозащищенное. Часть 20. Данные по горючим газам и парам, относящиеся к эксплуатации электрооборудования
ГОСТ 32918-2014 Нефть. Метод определения сероводорода, метил- и этилмеркаптанов
ГОСТ 33012-2014 (ISO 7941:1988) Пропан и бутан товарные. Определение углеводородного состава методом газовой хроматографии
Примечание - При пользовании настоящим стандартом целесообразно проверить действие ссылочных стандартов в информационной системе общего пользования - на официальном сайте Федерального агентства по техническому регулированию и метрологии в сети Интернет или по ежегодному информационному указателю "Национальные стандарты", который опубликован по состоянию на 1 января текущего года, и по выпускам ежемесячного информационного указателя "Национальные стандарты" за текущий год. Если ссылочный стандарт заменен (изменен), то при пользовании настоящим стандартом следует руководствоваться заменяющим (измененным) стандартом. Если ссылочный стандарт отменен без замены, то положение, в котором дана ссылка на него, применяется в части, не затрагивающей эту ссылку.
В настоящем стандарте применен следующий термин с соответствующим определением:
3.1 сжиженные углеводородные газы: Смесь углеводородов [пропана, пропилена, бутанов, бутиленов и бутадиенов с присутствием метана, этана, этилена и (или) пентанов и пентенов], преобразованная в жидкое состояние.
4.1 В зависимости от содержания основного компонента марки сжиженных газов и коды ОКПД2 приведены в таблице 1.
|
Марка |
Наименование |
Код ОКПД2* |
|
ПА |
Пропан автомобильный |
19.20.31.110 |
|
ПБА |
Пропан-бутан автомобильный |
19.20.31 |
|
* Действует в Российской Федерации. | ||
Сжиженные газы марки ПА применяют в зимний период в тех климатических районах, в которых температура воздуха опускается ниже минус 20 °С и рекомендуемый температурный интервал применения сжиженных газов данной марки от минус 20 °С до минус 35 °С. В весенний период времени с целью полного израсходования запасов сжиженного газа марки ПА допускается ее применение при температуре не выше плюс 10 °С.
Сжиженные газы марки ПБА допускаются к применению во всех климатических районах при температуре окружающего воздуха не ниже минус 20 °С.
Пример условного обозначения - Газ сжиженный углеводородный для автомобильного транспорта, марка пропан автомобильный (ПА) по ГОСТ 27578-2018.
5.1 Сжиженные газы должны соответствовать требованиям настоящего стандарта и изготовляться по утвержденной технологии.
5.2 По физико-химическим и эксплуатационным показателям сжиженные газы должны соответствовать требованиям и нормам, указанным в таблице 2.
|
Наименование показателя |
Норма для марки |
Метод испытания | |
|
ПА |
ПБА | ||
|
1 Содержание компонентов: - сумма метана, этана, массовая доля, % - сумма метана, этана, молярная доля, % |
Не нормируется. Определение обязательно |
По ГОСТ 10679 или ГОСТ 33012* | |
|
- пропан, массовая доля, % |
85, 0 ± 10, 0 |
50, 0 ± 10, 0 | |
|
- пропан, молярная доля, % |
88, 0 ± 8, 0 |
58, 0 ± 8, 0 | |
|
- сумма углеводородов С4 и выше, массовая доля, % - сумма углеводородов С4 и выше, молярная доля, % |
Не нормируется. Определение обязательно | ||
|
- сумма непредельных углеводородов, массовая доля, %, не более |
6, 0 | ||
|
- сумма непредельных углеводородов, молярная доля, %, не более |
7, 0 | ||
|
2 Содержание сероводорода и меркаптановой серы: |
По ГОСТ 22985 или ГОСТ 32918 | ||
|
- массовая доля, %, не более |
0, 01 | ||
|
- молярная доля, %, не более в т. ч сероводорода |
0, 007 | ||
|
- массовая доля, %, не более |
0, 003 | ||
|
- молярная доля, %, не более |
0, 005 | ||
|
3 Объемная доля жидкого остатка при температуре 20 °С, %, не более |
0, 7 |
1, 6 |
По 9.2 и приложению А, а также по нормативным документам государств, проголосовавших за принятие настоящего стандарта** |
|
4 Давление насыщенных паров избыточное, МПа, при температуре: |
По ГОСТ ISO 4256 или ГОСТ 28656, а также по нормативным документам государств, проголосовавших за принятие настоящего стандарта | ||
|
- плюс 45 °С, не более |
1, 6 |
1, 6 | |
|
- минус 20 °С, не менее |
- |
0, 07 | |
|
- минус 30 °С, не менее |
0, 07 |
- | |
|
5 Содержание свободной воды и щелочи |
Отсутствие |
По 9.2 и приложению А, а также по нормативным документам государств, проголосовавших за принятие настоящего стандарта*** | |
|
6 Запах |
Неприятный и характерный при концентрации в воздухе 20 % об. от нижнего предела воспламеняемости |
По ГОСТ EN 589 (приложение А) или по 9.3 и приложению Б | |
|
7 Интенсивность запаха, баллы, не менее |
3 |
По ГОСТ 22387.5 | |
|
8 Октановое число, не менее |
89, 0 |
По ГОСТ EN 589 (приложение В) или по 9.3 и приложению В | |
|
Примечания 1 При массовой доле меркаптановой серы менее 0, 001 % (10 ppm) сжиженные газы должны быть одорированы в установленном порядке. 2 Давление насыщенных паров сжиженных газов при температурах минус 20 °С и минус 30 °С определяют только в зимний период. 3 Допускается по согласованию с потребителем вырабатывать сжиженный газ марок ПА и ПБА с массовой долей: пропана более 95, 0 % (96, 0 % молярная доля) и более 60 % (66, 0 % молярная доля) соответственно. 4 Показатели запах и интенсивность запаха определяют по выбору. | |||
* В Российской Федерации - также по ГОСТ Р 56869-2016 "Газы углеводородные сжиженные и смеси пропан-пропиленовые. Определение углеводородов газовой хроматографией" или по ГОСТ Р 54484-2011 "Газы углеводородные сжиженные. Методы определения углеводородного состава".
** В Российской Федерации действует ГОСТ Р 52087-2018 "Газы углеводородные сжиженные топливные. Технические условия" (подраздел 8.2).
*** В Российской Федерации также действуют ГОСТ Р 52087-2018 "Газы углеводородные сжиженные топливные. Технические условия" и ГОСТ Р 56870-2016 "Газы углеводородные сжиженные. Определение аммиака, воды и щелочи".
5.3 Маркировка
5.3.1 Маркировка сжиженных газов - по ГОСТ 1510 и ГОСТ 14192, знака опасности по ГОСТ 19433, класса 2, подклассов 2.1 и 2.3.
5.3.2 Сигнальные цвета и знаки безопасности - по ГОСТ 12.4.026.
5.4 Упаковка
Сжиженные газы упаковывают по ГОСТ 1510 в соответствии с требованиями, установленными для газов углеводородных сжиженных топливных. Тара должна соответствовать требованиям и правилам для оборудования, работающим под избыточным давлением*.
──────────────────────────────
* В Российской Федерации действуют Федеральные нормы и правила в области промышленной безопасности "Правила промышленной безопасности опасных производственных объектов, на которых используется оборудование, работающее под избыточным давлением".
6.1 Сжиженные газы пожаро- и взрывоопасны, одорированные сжиженные газы имеют специфический характерный запах, по степени воздействия на организм относятся к веществам 4-го класса опасности (малоопасные) по ГОСТ 12.1.007.
6.2 Для сжиженного газа известного состава показатели пожаровзрывоопасности определяют по ГОСТ 12.1.044, характеристики пожаровзрывоопасности компонентов газа - по ГОСТ 30852.19.
Сжиженные газы образуют с воздухом взрывоопасные смеси.
Концентрационные пределы распространения пламени в воздухе, % об.: пропан (нижний - 1, 7, верхний - 10, 9); нормальный бутан (нижний - 1, 4, верхний - 9, 3); изобутан (нижний - 1, 3; верхний - 9, 8).
Температура самовоспламенения в воздухе при давлении 0, 1 МПа (760 мм рт. ст.) составляет: пропан - 470 °С; нормальный бутан - 372 °С; изобутан - 460 °С.
Температура кипения: пропан - минус 42, 06 °С; нормальный бутан - минус 0, 5 °С; изобутан - минус 11, 7 °С.
6.3 Предельно-допустимая концентрация (далее - ПДК) сжиженных газов в воздухе рабочей зоны не должна превышать ПДК, установленных ГОСТ 12.1.005.
ПДК в воздухе рабочей зоны углеводородов алифатических предельных С1-С10 (в пересчете на углерод) - 300 мг/м3, углеводородов непредельных (пропилен, бутилен) - 100 мг/м3*.
──────────────────────────────
* В Российской Федерации действуют Гигиенические нормативы ГН 2.2.5.1313-03 "Предельно допустимые концентрации (ПДК) вредных веществ в воздухе рабочей зоны".
6.4 Пары сжиженного газа тяжелее воздуха и могут скапливаться в низких непроветриваемых местах, при смешении с воздухом вытесняют кислород, что может приводить к удушью.
6.5 Сжиженные газы, попадая на тело человека, могут вызвать обморожение, напоминающее ожог. При возможном контакте необходимо надевать защитную одежду, очки, перчатки или рукавицы.
6.6 Сжиженные газы действуют на организм наркотически. Признаками наркотического действия являются недомогание и головокружение, возможна потеря сознания. Пары сжиженных газов при вдыхании в организме человека не кумулируются.
6.7 При концентрациях, незначительно превышающих ПДК сжиженных газов, применяют промышленные фильтрующие противогазы с фильтрующей коробкой марки А или коробками с маркировкой по защите от вредных веществ АВЕР с соответствующими классами защиты. При высоких концентрациях и работе в закрытых емкостях, сосудах, колодцах и т.д. - шланговые изолирующие противогазы с принудительной подачей воздуха или изолирующие воздушно-дыхательные аппараты.
6.8 Все производственные помещения должны быть оборудованы общеобменной приточно-вытяжной вентиляцией в соответствии с требованиями ГОСТ 12.4.021, обеспечивающей содержание вредных веществ в воздухе рабочей зоны не выше их ПДК. Необходимо соблюдать требования санитарной гигиены по ГОСТ 12.1.005.
6.9 Оборудование, предназначенное для хранения и транспортирования сжиженных газов, должно быть защищено от статического электричества в соответствии с ГОСТ 12.1.018.
6.10 В помещениях производства, хранения и перекачивания сжиженных газов запрещается обращение с открытым огнем. Электрические сети и искусственное освещение должны быть выполнены во взрывозащищенном исполнении. Не допускается использовать инструменты, дающие при ударе искру.
6.11 При возгорании применяют средства пожаротушения: газовые огнетушащие составы на основе инертных газов, порошковые составы, тонкораспыленную воду для охлаждения; при объемном тушении - углекислый газ.
Примечание - Настоящий стандарт не содержит указаний по всем проблемам безопасности, возникающим при его применении. Пользователь настоящего стандарта должен предусмотреть меры по обеспечению безопасности и здоровья занятых в отборе проб работников, а также определить возможность его применения или соответствующие ограничения. Все действия по отбору проб должны соответствовать требованиям безопасности, действующим на данном предприятии.
7.1 Основными требованиями, обеспечивающими сохранение природной среды, являются максимальная герметизация емкостей, коммуникаций, насосных агрегатов и другого оборудования, строгое соблюдение технологического режима.
7.2 При производстве и применении сжиженных газов должен быть организован производственный контроль за содержанием предельно-допустимых выбросов в атмосферу по ГОСТ 17.2.3.02.
В производственных помещениях и на открытых площадках производства должен быть периодический (не менее одного раза в сутки) контроль содержания углеводородов переносными или автоматическими приборами (анализаторами, сигнализаторами), допущенными к применению в установленном порядке.
8.1 Сжиженные газы принимают партиями. За партию принимают любое количество сжиженного газа одного целевого назначения и марки, однородное по показателям качества и сопровождаемое паспортом качества. Паспорт качества должен соответствовать требованиям настоящего стандарта и Технического регламента [1]*.
8.2 Объем выборки - по ГОСТ 14921.
Объем пробы зависит от количества определяемых показателей по таблице 2.
При получении неудовлетворительных результатов испытаний как минимум по одному из показателей качества проводят повторные испытания вновь отобранной пробы, взятой из удвоенной выборки той же партии. Результаты повторных испытаний распространяются на всю партию.
8.3 При разногласиях в оценке качества сжиженных газов между потребителем и изготовителем арбитражный анализ газа выполняют в лабораториях, аккредитованных в установленном порядке.
Арбитражным методом испытания следует считать метод, указанный первым в графе "Метод испытаний" таблицы 2, при отборе проб - ГОСТ 14921.
9.1 Пробы сжиженного газа отбирают по ГОСТ 14921 или ГОСТ ISO 4257 или по нормативным документам государств, проголосовавших за принятие настоящего стандарта**.
──────────────────────────────
* Действует на территории стран - участниц Таможенного союза.
** В Российской Федерации действует ГОСТ Р 55609-2013 "Отбор проб газового конденсата, сжиженного углеводородного газа и широкой фракции легких углеводородов. Общие требования".
9.2 Метод определения жидкого остатка, свободной воды и щелочи
Сущность метода заключается в испарении пробы сжиженного газа и проведении качественных реакций на присутствие воды и щелочи в жидком остатке. Метод изложен в приложении А.
9.3 Метод оценки запаха
Запах обусловлен присутствием ненасыщенных углеводородов, серосодержащих соединений или появляется в результате одорирования.
Показатель "Запах" определяют после получения результатов измерения по показателю "Содержание сероводорода и меркаптановой серы".
Содержание меркаптановой серы 0, 001 % (10 ppm) и более свидетельствует о наличии неприятного и характерного запаха, обнаруживаемого при концентрации в воздухе равной 20 % об. от нижнего предела воспламеняемости.
Сущность метода заключается в органолептической оценке запаха газовоздушной смеси, создаваемой в аппарате, приведенном на рисунке Б.1 (приложение Б), или одориметре (метод с использованием одориметра) согласно приложению Б.
Примечания
1 Понятие "неприятный" является субъективным. Запах сжиженного газа сигнализирует о необходимости принятия соответствующих мер к поиску места его утечки.
2 Для уменьшения воздействия сжиженных газов на испытателей, выполняющих определение запаха, испытание рекомендуется проводить только при соответствии сжиженных газов остальным требованиям, приведенным в таблице 2.
Испытатель должен быть ознакомлен с требованиями по технике безопасности при работе со сжиженными газами.
3 Если углеводородный компонентный состав пробы соответствует требованиям, установленным в таблице 2, то уровень воздействия на испытателя вдыхаемой смеси сжиженных газов с воздухом находится в допустимых пределах при условии, что количество вдыханий длительностью 10 с во время каждого испытания не превышает трех раз и при 8-часовом рабочем дне в течение 1 ч проводится испытаний не более двух проб сжиженных газов. Данное условие касается воздействия на испытателя только при оценке запаха сжиженных газов.
4 Требования к персоналу:
- персонал, выполняющий определение запаха, должен состоять из руководителя и не менее чем трех испытателей. При необходимости одним из испытателей может быть руководитель группы. Испытатели должны быть без признаков простудных заболеваний, не должны курить, употреблять пищу с острым вкусом и резким запахом менее чем за 30 мин до начала испытаний;
- руководителем испытаний должен быть специалист квалификации не ниже лаборанта химического анализа четвертого квалификационного разряда, изучивший руководства по эксплуатации используемых средств измерений и требования настоящего стандарта;
- руководитель испытательной группы несет ответственность за подготовку проб и оборудования для испытания, контроль соблюдения требований настоящего стандарта в ходе проведения испытаний, регистрацию результатов испытаний, подготовку и проверку испытателей, разрешение спорных ситуаций по результатам оценки, оформление протокола испытаний.
5 Место проведения испытания должно быть защищено от ветра и изолировано от источников запаха.
Метод оценки запаха сжиженных газов изложен в приложении Б.
Примечание - Допускается применять оборудование с аналогичными техническими и метрологическими характеристиками, а также реактивы квалификации не ниже указанных.
Транспортирование и хранение сжиженных газов - по ГОСТ 1510, правилам Европейского соглашения [2] и требованиям Технического регламента [1]*.
──────────────────────────────
* Действует на территории стран - участниц Таможенного союза.
11.1 Изготовитель гарантирует соответствие сжиженного газа требованиям настоящего стандарта при соблюдении условий транспортирования и хранения.
11.2 Гарантийный срок хранения сжиженного газа всех марок - 6 мес с даты изготовления продукции.
Приложение А
(обязательное)
А.1 Аппаратура, реактивы и материалы
Отстойник стеклянный вместимостью 100 см3, представляющий собой цилиндр с ценой деления не более 0, 1 см3, приведен на рисунке А.1.
Рисунок А.1 - Отстойник для сжиженного газа
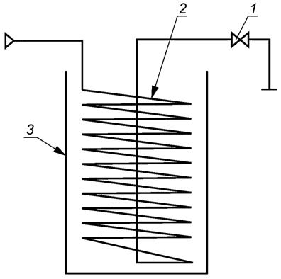
Устройство для охлаждения представлено на рисунке А.2.
1 - игольчатый вентиль; 2 - змеевик; 3 - сосуд для охлаждающей смеси
Рисунок А.2 - Устройство для охлаждения сжиженного газа
Охлаждающий змеевик изготавливают из медной трубки наружным диаметром от 6 до 8 мм, длиной 6 м, навитой виток к витку в виде спирали диаметром от 60 до 90 мм.
Сосуд с тепловой изоляцией для охлаждения смеси, с размерами под охлаждающий змеевик (внутренний диаметр не менее 120 мм, высота не менее 220 мм).
Термометры типа ТН-8 по ГОСТ 400.
Секундомер.
Штатив лабораторный для отстойника.
Термостат или водяная баня с терморегулятором для поддержания температуры с погрешностью не более ± 1 °С.
Гайка накидная к штуцеру пробоотборника с уплотнительной прокладкой и металлической или пластиковой трубкой длиной от 20 до 30 см, внутренним диаметром от 1 до 3 мм для соединения пробоотборника с охлаждающим змеевиком.
Проволока медная диаметром от 1, 5 до 2 мм.
Весы лабораторные общего назначения по ГОСТ OIML R 76-1.
Цилиндр 1-100-2 по ГОСТ 1770.
Цилиндр 1-10-1 по ГОСТ 1770 или пипетка 2-2-10 по ГОСТ 29169.
Колба 2-100-2 по ГОСТ 1770.
Индикатор тимоловый синий водорастворимый, ч. д. а.
Индикатор фенолфталеин, ч. д. а, раствор в этиловом спирте, массовой долей 1 % (1 г индикатора растворяют в 80 см3 этилового спирта и доводят объем раствора дистиллированной водой до 100 см3).
Вода дистиллированная по ГОСТ 6709.
Спирт этиловый по ГОСТ 17299 или по нормативным документам государств, проголосовавших за принятие настоящего стандарта*.
──────────────────────────────
* В Российской Федерации действует ГОСТ Р 55878-2013 "Спирт этиловый технический гидролизный ректификованный. Технические условия".
Вата гигроскопическая по ГОСТ 5556.
Смесь охлаждающая, состоящая из крупнокристаллической поваренной соли и льда, ацетона и твердой двуокиси углерода, или другие смеси, обеспечивающие требуемую температуру. Примеры приготовления охлаждающих смесей приведены в приложении Г.
Примечание - Допускается применять оборудование с аналогичными техническими и метрологическими характеристиками, а также реактивы квалификации не ниже указанных.
А.2 Проведение испытания
А.2.1 На штуцер пробоотборника с испытуемым сжиженным газом навинчивают накидную гайку с чистой сухой отводной трубкой. Открывая нижний вентиль (впускной вентиль) вертикально расположенного пробоотборника, осторожно наливают сжиженный газ через трубку в чистый сухой отстойник. При наливе конец трубки удерживают под поверхностью жидкости и наполняют отстойник до метки 100 см3.
А.2.2 В пробку из ваты, неплотно вставленную в горло отстойника, незамедлительно устанавливают медную проволоку, доходящую приблизительно до середины мерной части отстойника. Проволока способствует равномерному испарению сжиженного газа, а пробка из ваты не пропускает в отстойник влагу из воздуха.
А.2.3 После испарения основной массы сжиженного газа при температуре окружающей среды и прекращения заметного испарения жидкости удаляют из отстойника пробку из ваты, помещают его в водяную баню с температурой (20 ± 1) °С и выдерживают в течение 20 мин.
После этого измеряют объем жидкого остатка. При использовании отстойника применяют метод прямых (объемных) измерений.
А.2.4 Если объемная доля жидкого остатка превышает норму, то проводят повторные испытания новой пробы, взятой из удвоенной выборки той же партии.
При проведении повторных и арбитражных испытаний отстойник заполняют сжиженным газом через охлаждающий змеевик. Змеевик устанавливают в сосуд для охлаждающей смеси, снабженный термометром, охлаждают до температуры на несколько градусов ниже температуры кипения основного компонента пробы сжиженного газа и присоединяют к пробоотборнику или пробоотборной точке.
А.2.5 Открывая вентили на пробоотборнике или пробоотборной точке и змеевике, промывают змеевик сжиженным газом в течение от 1 до 3 мин. Затем отстойник наполняют пробой сжиженного газа, выходящей из змеевика, до метки 100 см3, не допуская выброса пробы из отстойника. Далее повторяют операцию испарения газа и измеряют количество жидкого остатка по А.2.2, А.2.3.
А.2.6 Если в продукте имеется свободная вода, то после испарения пробы она остается на дне и стенках отстойника. При затруднениях в визуальной идентификации свободной воды в жидком остатке ее наличие определяют с помощью водорастворимого индикатора. Для этого в отстойник вносят на кончике сухой стеклянной палочки или проволоки несколько кристалликов тимолового синего. В углеводородном жидком остатке тимоловый синий не растворяется, и жидкость не окрашивается.
Окрашивание жидкости указывает на наличие воды. Щелочной раствор тимоловый синий окрашивает в синий цвет. В жидком остатке может содержаться метанол, который дает такое же окрашивание при проверке индикатором, как и свободная вода.
Для дополнительной идентификации свободной воды необходимо охладить жидкий остаток в течение 20 мин до температуры ниже минус 5 °С в соответствующей охлаждающей смеси или морозильной камере. Если при этом в отстойнике образуется лед, то констатируют наличие свободной воды, если жидкость не замерзает, то констатируют отсутствие свободной воды.
А.2.7 Для определения наличия щелочи в жидком остатке допускается применять в качестве индикатора фенолфталеин. В отстойник добавляют 10 см3 дистиллированной воды и от двух до трех капель спиртового раствора фенолфталеина. Окрашивание раствора в розовый или красный цвет указывает на наличие щелочи. Жидкий остаток считается не содержащим щелочи при отсутствии окрашивания.
А.2.8 За отсутствие в продукте жидкого остатка, свободной воды и щелочи принимают отсутствие жидкости на дне и стенках отстойника после испарения пробы.
А.3 Обработка результатов
За результат измерения принимают среднеарифметическое значение двух последовательных единичных определений, расхождение между которыми не превышает значения предела повторяемости r, приведенного в таблице А.1.
Результат измерений округляют до второго десятичного знака.
|
Объемная доля жидкого остатка V, % |
Предел повторяемости r, % |
Предел воспроизводимости R, % |
|
От 0, 50 до 1, 00 включ. |
0, 06V + 0, 05 |
0, 08V + 0, 07 |
|
Св. 1, 00 до 2, 00 включ. |
0, 07V + 0, 04 |
0, 09V + 0, 06 |
Примечание - Если вычисленное значение объемной доли жидкого остатка находится вне пределов диапазона измерений, приведенного в таблице А.1, то результат измерения представляют в виде: "объемная доля жидкого остатка менее (более), проценты", указывают границу диапазона измерений жидкого остатка.
А.4 Прецизионность метода
Прецизионность метода определена на основании статистического исследования результатов межлабораторных испытаний.
А.4.1 Повторяемость (сходимость)
Расхождение между результатами двух последовательных измерений, полученными одним оператором при постоянных условиях на одном и том же оборудовании, может превышать предел повторяемости r, приведенный в таблице А.1, только в одном случае из 20 при нормальном и правильном использовании метода измерений.
А.4.2 Воспроизводимость
Расхождение между двумя независимыми результатами измерений, полученными в двух лабораториях на идентичном испытуемом материале при нормальном и правильном использовании метода измерений, может превышать предел воспроизводимости R, приведенный в таблице А.1, только в одном случае из 20.
А.4.3 Полученные результаты анализа оформляют по форме, принятой на конкретном предприятии.
Приложение Б
(обязательное)
Б.1 Метод с использованием установки
Б.1.1 Сущность метода
Пробу испытуемого сжиженного газа в газообразном состоянии разбавляют очищенным воздухом таким образом, чтобы смесь содержала сжиженный газ в концентрации, составляющей 20 % об. от нижнего предела его воспламеняемости в воздухе.
Сущность метода заключается в органолептической оценке запаха газовоздушной смеси, создаваемой в аппарате (рисунок Б.1).
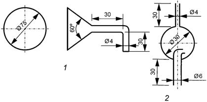
1 - стеклянная воронка диаметром 75 мм; 2 - колба для смешения; 3 - колонка для очистки воздуха; 4 - расходомеры воздуха и газа; 5 - воздух; 6 - сжиженный газ
Рисунок Б.1 - Аппарат для определения запаха сжиженных газов
Б.1.2 Средства измерений, материалы и реактивы
При определении запаха сжиженных газов используют следующие средства измерений, материалы и реактивы:
- расходомер воздуха поплавкового типа с диапазоном измерения от 5 до 15 дм3/мин;
- расходомер газа поплавкового типа диапазоном измерения от 5 до 150 см3/мин;
- колонка для очистки воздуха - колонка объемом не менее 200 см3;
- колба для смешения диаметром 30 мм с выпускным отверстием диаметром 4 мм (рисунок Б.2);
- воронка стеклянная диаметром 75 мм по ГОСТ 25336 (рисунок Б.2);
- уголь активированный древесный марки БАУ-МФ по ГОСТ 6217.
Примечание - Допускается применять оборудование с аналогичными техническими и метрологическими характеристиками, а также реактивы квалификации не ниже указанных.
Б.1.3 Проведение испытания
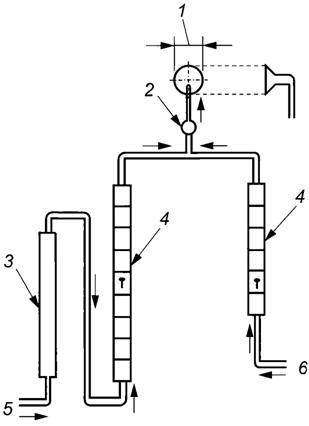
Аппаратура для определения запаха сжиженных газов приведена на рисунке Б.1.
Б.1.3.1 Воздух пропускают через колонку для очистки воздуха 3, заполненную активированным древесным углем, с заданной скоростью, измеряемой расходомером воздуха 4.
Расход воздуха составляет 12, 5 дм3/мин для марки ПА и 13, 6 дм3/мин для марки ПБА.
1 - стеклянная воронка; 2 - колба для смешения (воздух и газ)
Рисунок Б.2 - Детали аппарата
Б.1.3.2 Испытатели определяют запах воздуха, приблизив нос к краю стеклянной воронки 1 и осторожно вдыхая воздух.
Б.1.3.3 При подтверждении всеми испытателями отсутствия запаха воздуха аппаратуру признают пригодной к проведению измерений. При наличии запаха продувают аппарат воздухом от 2 до 3 мин и проводят повторное определение.
Б.1.3.4 Испытуемый сжиженный газ пропускают через расходомер газа 4 со скоростью 40 см3/мин и проводят определение по Б.1.3.2.
Б.1.3.5 Испытатели поочередно оценивают запах газовоздушной смеси, выходящей из воронки, и записывают результаты испытаний в протокол (приложение Д) или регистрируют результаты по другой установленной в лаборатории форме.
Б.1.4 Результаты испытаний
Партию сжиженного газа, представленную на испытания, считают соответствующей требованиям настоящего стандарта, если все испытатели, оценивающие запах, признают наличие характерного неприятного запаха.
На основании полученных от испытателей результатов оценки запаха руководитель группы фиксирует итоговый результат и при необходимости оформляет протокол испытаний.
Б.2 Метод с использованием одориметра
Б.2.1 Сущность метода
Сущность метода заключается в органолептической оценке запаха газовоздушной смеси, создаваемой в одориметре.
Б.2.2 Средства измерений, материалы
Одориметры с пределом основной погрешности измерения объемной доли газа в воздухе не более ± 20 % от верхнего предела измерения, например органолептические одориметры газа "ОГ-05-00-00" или "ОО-3".
Б.2.3 Проведение испытания
Б.2.3.1 Одориметр подготавливают к работе согласно руководству по эксплуатации.
Б.2.3.2 Включают одориметр перед его подключением к источнику сжиженного газа и создают расход воздуха через одориметр.
Б.2.3.3 Испытатели поочередно определяют запах воздуха, выходящего из воронки одориметра, для определения его пригодности к проведению измерений.
Б.2.3.4 При подтверждении всеми испытателями отсутствия запаха воздуха одориметр признают пригодным к проведению измерений.
Б.2.3.5 При наличии запаха продувают одориметр воздухом от 3 до 5 мин и проводят повторное определение по Б.2.3.3. При отсутствии запаха одориметр признают пригодным к проведению измерений. При наличии запаха воздуха последующее измерение запаха сжиженных газов с использованием данного одориметра не проводят.
Б.2.3.6 Подключают одориметр к источнику сжиженного газа.
Б.2.3.7 Подачу сжиженного газа в одориметр из пробоотборника проводят, открывая верхний вентиль пробоотборника, установленного вертикально.
Б.2.3.8 Руководитель устанавливает в одориметре объемную долю сжиженного газа, %, в воздухе согласно руководству по эксплуатации одориметра.
Б.2.3.9 Испытатели поочередно определяют запах газовоздушной смеси, выходящей из воронки одориметра, записывают результаты испытаний в протокол (приложение Д) или регистрируют результаты по другой установленной в лаборатории форме. На основании полученных от испытателей результатов оценки запаха руководитель группы фиксирует итоговый результат и при необходимости оформляет протокол испытаний.
Б.2.3.10 Партию сжиженного газа, представленную на испытания, считают соответствующей требованиям настоящего стандарта, если все испытатели, оценивающие запах, признают наличие характерного неприятного запаха.
Приложение В
(обязательное)
В.1 Сущность метода
Октановое число пробы сжиженного газа вычисляют на основании результатов определения компонентного состава и справочных данных по октановым числам чистых компонентов. Состав пробы сжиженного газа определяют методом газовой хроматографии по ГОСТ 10679, или ГОСТ 33012, или по нормативным документам государств, проголосовавших за принятие настоящего стандарта*.
──────────────────────────────
* В Российской Федерации действуют ГОСТ Р 56869-2016 "Газы углеводородные сжиженные и смеси пропан-пропиленовые. Определение углеводородов газовой хроматографией", ГОСТ Р 54484-2011 "Газы углеводородные сжиженные. Методы определения углеводородного состава".
В.2 Требования к показателям точности измерений
Настоящая методика обеспечивает получение результатов вычислений октанового числа сжиженного газа по измеренному компонентному составу со значением абсолютной расширенной неопределенности UОЧ, не превышающей значений, приведенных в таблице В.1.
|
Диапазон измерений октанового числа (ОЧ) |
Расширенная неопределенность, UОЧ* (при коэффициенте охвата k = 2) |
|
От 89, 0 до 98, 0 включ. |
0, 0068·РОЧ |
|
* Соответствует доверительным границам абсолютной погрешности при доверительной вероятности Р = 0, 95. | |
В.3 Расчет и обработка результатов
Расчетное октановое число (РОЧ) сжиженного газа вычисляют как сумму парциальных значений октановых чисел каждого компонента сжиженного газа по формуле
(В.1)
где n - количество компонентов в сжиженном газе;
ОЧi - октановое число i-го компонента сжиженного газа;
Сi - массовая доля i-го компонента, %.
Значения октановых чисел ОЧi - компонентов сжиженного газа, определенные по моторному методу, приведены в таблице В.2.
|
Наименование компонента |
Формула |
Октановое число (моторный метод)* |
|
Метан |
СН4 |
110, 0 |
|
Этан |
С2Н6 |
100, 7 |
|
Этен |
С2Н4 |
75, 6 |
|
Пропан |
С3Н8 |
97, 1 |
|
Пропен |
С3Н6 |
84, 9 |
|
Изобутан |
изо-С4Н10 |
97, 6 |
|
n-Бутан |
n-С4Н10 |
89, 6 |
|
Бутен-1 |
n-С4Н8 |
80, 8 |
|
Изобутен |
изо-С4H8 |
87, 0 |
|
транс-Бутен-2 |
транс-С4H8 |
83, 5 |
|
цис-Бутен-2 |
цис-С4Н8 |
83, 5 |
|
Бутадиен-1, 3 |
С4Н6 |
83, 5 |
|
Изопентан |
изо-С5Н12 |
90, 3 |
|
n-Пентан |
n-С5Н12 |
62, 6 |
|
n-Гексан |
С6Н14 |
26, 0 |
|
* Октановое число компонентов по [3]. | ||
В.4 Оформление результатов измерений
В.4.1 За результат измерения октанового числа сжиженного газа принимают среднеарифметические определения.
Примечание - Используемые для определения октанового числа массовые доли компонентов - это среднеарифметические значения, полученные по результатам двух последовательных измерений массовых долей, расхождение между которыми не превышает предела повторяемости согласно методике измерений компонентного состава по ГОСТ 10679, ГОСТ 33012.
В.4.2 Результат определения октанового числа сжиженного газа записывают в виде
(РОЧ±Uоч),
(В.2)
где Uоч - расширенная неопределенность результата определения октанового числа, при коэффициенте охвата k равном 2 (соответствует границе абсолютной погрешности при доверительной вероятности Р = 0, 95). Расширенную неопределенность UОЧ вычисляют по формуле, приведенной в таблице В.1. Вычисленное значение октанового числа и расширенной неопределенности (абсолютной погрешности) округляют до первого десятичного знака.
В.5 Прецизионность метода
Прецизионность метода определена на основании статистического исследования результатов межлабораторных измерений.
В.6 Контроль точности результатов измерений
Точность результатов расчета октанового числа сжиженного газа зависит от точности измерения компонентного состава методом газовой хроматографии, поэтому контроль точности результатов расчета (измерения) октанового числа сжиженного газа сводится к контролю точности измерения массовой доли компонентов в образце контроля (ГСО) в соответствии с методикой измерений.
Приложение Г
(справочное)
Г.1 Охлаждающие смеси готовят смешением солей со льдом (снегом). При использовании солевых охлаждающих смесей для достижения необходимой температуры соль необходимо тщательно растереть в порошок, а смесь хорошо перемешать.
Г.2 Охлаждающая смесь при температуре минус 20 °С
Смешивают 30, 4 г натрия хлористого по ГОСТ 4233 со 100 г предварительно измельченного льда размером частиц не более 3 мм.
Г.3 Охлаждающая смесь при температуре до минус 45 °С
Смесь готовят следующим образом. В накрытом металлическом химическом стакане охлаждают необходимое количество ацетона по ГОСТ 2603 или спирта (по ГОСТ 17299, или ГОСТ 18300) до температуры минус 12 °С или ниже при помощи смеси льда с солью. Для получения требуемой температуры к охлажденному ацетону или спирту добавляют твердую двуокись углерода по ГОСТ 12162.
Примечание - Допускается использовать другие охлаждающие смеси, позволяющие обеспечивать проведение испытания при заданной температуре.
Приложение Д
(рекомендуемое)
Форма протокола
определения запаха сжиженного газа
В настоящем приложении представлена форма протокола результатов
определения сжиженного газа.
Протокол N ________
результатов определения запаха сжиженного углеводородного газа
для автомобильного транспорта
Наименование газа (марка) __________________________________________
Дата отбора пробы __________________________________________________
Время отбора пробы _________________________________________________
Место отбора пробы _________________________________________________
Фамилия и инициалы испытателя ______________________________________
Место работы и должность ___________________________________________
|
Запах |
Оценка запаха | |
|
воздуха до начала испытания |
газовоздушной смеси после вдыхания | |
|
Неприятный и характерный |
Да/Нет |
Да/Нет |
Да или Нет (подчеркнуть)
Дата испытаний ____________________ Подпись испытателя __________________
Подпись руководителя испытаний ____________________________________ (ФИО)
Библиография
|
[1] |
TP ЕАЭС 036/2016 |
Технический регламент Евразийского экономического союза "Требования к сжиженным углеводородным газам для использования их в качестве топлива" |
|
[2] |
Европейское соглашение о международной дорожной перевозке опасных грузов (ДОПОГ) (ООН, Нью-Йорк и Женева, 2016 г.) | |
|
[3] |
ASTM D 2598-02(2007) |
Standard practice for calculation of certain physical properties of liquefied petroleum (LP) gases from compositional analysis (Стандартная методика для расчета определенных физических свойств сжиженных нефтяных газов из композиционного анализа) |


