электронный сборник нормативных документов по строительству
Обновления
23.04.2026 22:52
электронный сборник нормативных документов по строительству

ГОСТ 23870-79 СВАРИВАЕМОСТЬ СТАЛЕЙ. МЕТОД ОЦЕНКИ ВЛИЯНИЯ СВАРКИ ПЛАВЛЕНИЕМ НА ОСНОВНОЙ МЕТАЛЛ

Введен в действие постановлением Госстандарта СССР от 30 октября 1979 г. N 4140
Государственный стандарт Союза ССР ГОСТ 23870-79
"СВАРИВАЕМОСТЬ СТАЛЕЙ. МЕТОД ОЦЕНКИ ВЛИЯНИЯ СВАРКИ ПЛАВЛЕНИЕМ НА ОСНОВНОЙ МЕТАЛЛ"

Weldability of steels. Test method for evalution of fusion welding effect on parent metal

Срок действия установлен с 1 января 1981 г.
до 1 января 1986 г.
Ограничение срока действия снято в 1994 г.

Настоящий стандарт устанавливает метод оценки влияния сварки плавлением на основной металл в околошовной зоне, при котором тепловое воздействие на металл осуществляется без выполнения сварки.

В результате испытаний устанавливают зависимости временного сопротивления, относительного удлинения после разрыва, относительного сужения после разрыва, предела длительной прочности, ударной вязкости, твердости, величины зерна и содержания структурных составляющих от скорости охлаждения.

Стандарт применяется для научно-исследовательских и экспериментальных работ.

Термины и определения приведены в справочном приложении 1.

1. Форма, размеры и изготовление образцов

1.1. Образцы должны быть изготовлены из металла, взятого от головного участка слитка со стороны, прилегающей к прибыльной его части, или из проката (листового, профильного и т. д.).

1.2. Форма и размеры рабочей части образцов должны соответствовать указанным на черт. 1 - 3 и типам I, VIII и XI по ГОСТ 6996-66.

Параметр Rа шероховатости поверхностей рабочей части образцов по черт. 1 - 3 не должен превышать 1, 25 мкм.

1.3. Образцы по черт. 2 и типов VIII и XI по ГОСТ 6996-66 должны быть изготовлены из образцов по черт. 1, подвергнутых тепловому воздействию в установке для имитации теплового воздействия сварки.

На образцах по черт. 2 следует ограничить отметками начальную расчетную длину 6 мм способом, обеспечивающим их сохранение после испытаний.

Образцы типа I по ГОСТ 6996-66 должны быть изготовлены из образцов по черт. 3, подвергнутых тепловому воздействию в установке для имитации теплового воздействия сварки.

При изготовлении образцов по черт. 2 и типов I, VIII и XI по ГОСТ 6996-66 не должно происходить смещение поперечной и продольной осей симметрии от их первоначального положения более чем на 0, 2 мм.

1.4. Форма и размеры головок образцов по черт. 1 - 3 и переходной части от головок к рабочей части определяются принятым способом крепления образца в захватах испытательной машины. Сопряжение головки образца с его рабочей частью должно быть плавным.

image001.gif

image002.gif

image003.gif

1.5. Поверхность образцов должна быть гладкой, без окисных пленок, заусенец, рисок и повреждений.

1.6. При испытании металла холодного проката толщиной 3 мм и менее следует применять образцы по черт. 1 и 2 и типов VIII и XI по ГОСТ 6996-66 толщиной, равной толщине проката, с сохранением шероховатости поверхности, соответствующей состоянию поставки проката.

Образцы различных форм и размеров дают несопоставимые результаты испытаний.

1.7. Для образцов по черт. 1 - 3 неплоскостность всех поверхностей и непараллельность противолежащих поверхностей рабочей части не должна превышать 0, 05 мм на длине 60 мм.

1.8. Маркировку следует наносить вне рабочей части образца таким образом, чтобы она сохранялась после испытаний.

2. Аппаратура, материалы и реактивы

2.1. Установка для имитации теплового воздействия сварки должна обеспечивать:

регулируемый нагрев и охлаждение испытываемого образца по термическим циклам околошовной зоны. Диапазон и шаг регулирования должны соответствовать приведенным в таблице.

┌───────────────────┬─────────────────────────────────┬─────────────────┐

│   Регулируемый    │                                 │       Шаг       │

│     параметр      │     Диапазон регулирования      │регулирования, не│

│                   │                                 │      более      │

├───────────────────┼─────────────────────────────────┼─────────────────┤

│  Температура, °С  │   От комнатной до 100 включ.    │       Не        │

│                   │                                 │регламентируется │

│                   │      Св. 100 до  500 включ.     │       10        │

│                   │                                 │                 │

│                   │       "  500 "  1600            │       20        │

├───────────────────┼─────────────────────────────────┼─────────────────┤

│ Скорость нагрева, │        От  3 до  15 включ.      │        2        │

│       °С/с        │                                 │                 │

│                   │        "  15 "   60   "         │        5        │

│                   │                                 │                 │

│                   │       Св. 60 "  250   "         │       10        │

├───────────────────┼─────────────────────────────────┼─────────────────┤

│     Скорость      │      От    0,1 до   1,0 включ.  │       0,1       │

│    охлаждения,    │                                 │                 │

│       °С/с        │      Св.   1,0 "   10,0   "     │       1,0       │

│                   │                                 │                 │

│                   │       "   10,0 "  100,0   "     │      10,0       │

│                   │                                 │                 │

│                   │       "  100,0 "  600,0   "     │       Не        │

│                   │                                 │регламентируется │

└───────────────────┴─────────────────────────────────┴─────────────────┘

Погрешность регулирования температур не должна превышать 1%, скоростей нагрева и охлаждения - 5%.

При нагреве и охлаждении испытываемого образца деформации растяжения (сжатия) не должны превышать 2%, прогиб - 0, 01 мм, угол закручивания - 1;

равномерный нагрев среднего участка образца. Разница в температурах на этом участке не должна превышать 2% от самой высокой в данный момент времени;

поддержание температуры на границах рабочей части образца в течение всего процесса испытания не выше 50°С;

непрерывное измерение и запись температуры середины рабочей части образца, времени нагрева и охлаждения. Погрешность измерения и записи не должна превышать 0, 5%;

защиту образца от окисления способом, не оказывающим влияния на свойства испытываемого материала.

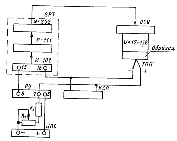
Структурная схема установки для имитации теплового воздействия сварки приведена в рекомендуемом приложении 2.

2.2. Остальная аппаратура, материалы и реактивы должны соответствовать:

для испытаний на статическое растяжение - ГОСТ 1497-73 или ГОСТ 11150-75, или ГОСТ 9651-73;

для испытаний на длительную прочность - ГОСТ 10145-62;

для испытаний на ударный изгиб - ГОСТ 9454-78;

для измерения твердости - ГОСТ 2999-75 или ГОСТ 9013-59;

для выявления и определения величины зерна - ГОСТ 5639-65;

для определения содержания структурных составляющих - ГОСТ 8233-56.

3. Проведение испытаний

3.1. Испытаниям следует подвергать образцы по черт. 1. Количество образцов должно быть:

для определения временного сопротивления, относительного удлинения после разрыва, относительного сужения после разрыва - не менее трех;

для определения предела длительной прочности - не менее трех;

для определения ударной вязкости - не менее трех;

для измерения твердости - один и более;

для выявления и определения величины зерна - один и более;

для определения содержания структурных составляющих - один и более.

Для определения временного сопротивления, относительного удлинения после разрыва и относительного сужения после разрыва разрешается применять образцы по черт. 3.

3.2. Испытываемые образцы следует нагреть и охладить в установке для имитации теплового воздействия сварки по следующим термическим циклам околошовной зоны: наибольшая температура нагрева должна быть равна 0, 9+-0, 02 температуры солидуса, средняя в интервале 700-900°С скорость нагрева 250+-12, 5° С/с, средняя в интервале 600-500°С скорость охлаждения - 0, 1+-0, 01; 1, 0+-0, 1; 10+-1, 0; 100+-10 и 600+-60°С/с.

Разрешается проводить дополнительные испытания при других скоростях нагрева и охлаждения.

3.3. Для определения временного сопротивления, относительного удлинения после разрыва и относительного сужения после разрыва образцы по черт. 2 или типа I по ГОСТ 6996-66 следует испытывать по ГОСТ 1497-73 или по ГОСТ 11150-65, или по ГОСТ 9551-61.

3.4. Для определения предела длительной прочности образцы по черт. 2 следует испытывать по ГОСТ 10145-62.

3.5. Для определения ударной вязкости образцы типа VIII или XI по ГОСТ 6996-66 следует испытать по ГОСТ 9454-78.

3.6. Твердость, величину зерна и содержание структурных составляющих следует определять на среднем участке образцов по черт. 1.

Твердость следует определять по ГОСТ 2999-59 или ГОСТ 9013-59, величину зерна - по ГОСТ 5639-65, содержание структурных составляющих - по ГОСТ 8233-56.

4. Обработка результатов

4.1. Вычисления значений следует производить:

временного сопротивления, относительного удлинения после разрыва, относительного сужения после разрыва - по ГОСТ 1497-73 или по ГОСТ 11150-75, или по ГОСТ 9651-73;

предела длительной прочности - по ГОСТ 10145-62;

ударной вязкости - по ГОСТ 9454-78;

твердости - по ГОСТ 2999-75 или по ГОСТ 9013-59;

величины зерна - по ГОСТ 5639-65;

содержание структурных составляющих - по ГОСТ 8233-56.

4.2. За значения временного сопротивления, относительного удлинения после разрыва, относительного сужения после разрыва, предела длительной прочности и ударной вязкости при данной средней в интервале 600-500°С скорости охлаждения следует принимать среднее арифметическое результатов соответствующих испытаний, полученных при той же скорости охлаждения.

4.3. Испытания считаются недействительными в случаях, указанных ГОСТ 1497-73, ГОСТ 11150-75, ГОСТ 9651-73, ГОСТ 10145-62 и ГОСТ 9454-78.

В указанных случаях испытание должно быть повторено на образцах, изготовленных от той же плавки или партии. Количество образцов для повторных испытаний должно быть не менее числа недействительных результатов испытаний.

4.4. По результатам испытаний следует построить график зависимости полученных показателей от средней в интервале 600-500°С скорости охлаждения в координатах: ординаты - значения показателей в равномерном масштабе, абсциссы - средняя скорость охлаждения в логарифмическом масштабе.

Если средняя в интервале 700-900°С скорость нагрева отличается от принятой в настоящем стандарте, то ее следует указать на графике.

Пример построения графика приведен в рекомендуемом приложении 3.

Приложение 1
Справочное

Термины и определения

1. Околошовная зона - участок зоны термического влияния, нагретый выше температуры начала интенсивного роста зерна.

2. Средний участок образца - участок рабочей части образца, длиной от 12 до 20 мм, расположенный симметрично относительно поперечной оси образца.

Приложение 2
Рекомендуемое

Структурная схема установки для имитации теплового воздействия сварки
image004.gif

Обозначение

Наименование

Кол-во

Примечание

ИПС

Источник питания стабилизированный ИПС 3-0, 1

1

Питание осуществлять от силового трансформатора устройства РУ-5-02М, планка Ш5, контакты 13, 14.

R_1

Резистор СПО-2-15кОм+-20% по ГОСТ 5574-73

1

R_2

Резистор МЛТ-0, 5-200кОм+-5% по ГОСТ 7113-77

1

РУ

Автоматическое электронное программное задающее устройство РУ 5-02М по ТУ 25-07-942-70

Используется без промежуточного реле и измерительного прибора

ВРТ

Высокоточный регулятор температуры. ВРТ-3, комплект

1

И-102

Измерительный блок И-102 по ТУ 25-03-1361-68

-

Р-111

Регулирующее устройство по ГОСТ 5.1537-72

-

У-252

Усилитель тиристорный типа У-252 по ГОСТ 5.1533-72

-

ОСУ

Трансформатор типа ОСУ-100/0, 5-А, номинальное напряжение обмотки ВН-220 В по ТУ 16-517. 227-69

1

ТПП

Термопара ТПП-1378 по ГОСТ 6616-74

1

КСП

Электронный автоматический самопишущий потенциометр КСП-4, мод 41.130.50 001, гр. ПП-1, 0-1600°С по ТУ 25.05-1290-72

1

Приложение 3
Рекомендуемое

График зависимости временного сопротивления (сигма_в), относительного удлинения после разрыва (дельта), относительного сужения после разрыва (пси), твердости (HV), ударной вязкости (a_н) и балла зерна (N(0)) при комнатной температуре от скорости охлаждения для стали 35

image005.gif

График зависимости процентного содержания структурных составляющих при комнатной температуре (Ф - феррит, П - перлит, Б - бейнит, М - мартенсит) от скорости охлаждения для стали 35

image006.gif

Яндекс.Метрика