Введен в действие постановлением Госстандарта СССР от 22 ноября 1974 г. N 2593
Государственный стандарт Союза ССР ГОСТ 2706.13-74*
"УГЛЕВОДОРОДЫ АРОМАТИЧЕСКИЕ БЕНЗОЛЬНОГО РЯДА. МЕТОД ОПРЕДЕЛЕНИЯ ТЕМПЕРАТУРНЫХ ПРЕДЕЛОВ ПЕРЕГОНКИ"
С изменениями:
(6 февраля 1987 г.)
Benzene hydrocarbons and allied products. Method of determination of boiling range
Срок введения установлен с 1 июля 1975 г.
Проверен в 1980 г.
Срок действия продлен до 1 июля 1987 г.
Взамен ГОСТ 2706-63 в части разд. 3
Настоящий стандарт распространяется на ароматические углеводороды бензольного ряда и устанавливает метод определения температурных пределов перегонки.
1. Приборы, посуда и реактивы
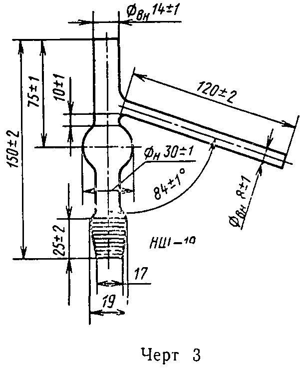
колбы перегонной 2 из термостойкого стекла с нормальным шлифом (черт. 2) или с приваренной насадкой (черт. 3) вместимостью 150 см3;
Прибор для перегонки
Колба перегонная
Насадка
Аллонж
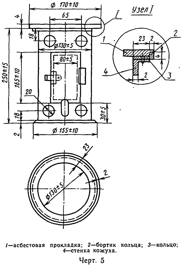
кожуха стального для колбы (черт. 5) или колбонагревателя 1 с электронагревом мощностью 300-600 Вт (черт. 6) или аналогичный;
насадки 3 с одним шаром (черт. 3);
термометра стеклянного лабораторного 4 в зависимости от анализируемого продукта типа ТН-7 по ГОСТ 400-80, типа 1-А, 2, 3-Б по ГОСТ 215-73, типа ТЛ-21, ТЛ-22, ТЛ-23 или ТЛ-42 N 10;
холодильника стеклянного лабораторного 5;
аллонжа 6 (черт. 4);
цилиндра измерительного 7 с носиком по ГОСТ 1770-74, вместимостью 100 см3.
Автотрансформатор лабораторный типа РНО-250-2, РНО-250-05 или аналогичный.
Прокладка асбестовая толщиной 3-5 мм, наружным диаметром, совпадающим с диаметром плоского кольца кожуха или корпуса колбонагревателя, и отверстием в центре диаметром 50+-1 мм.
Горелка газовая.
Часы песочные на 5 мин или секундомер.
Барометр ртутный метеорологический или барометр мембранный метеорологический, класс точности не ниже 0, 1.
Колба плоскодонная или коническая со шлифом по ГОСТ 25336-82; вместимостью 250 см3.
Кожух для горелки
Вещества водоотнимающие:
кальций хлористый по ГОСТ 4460-77, натрий сернокислый безводный по ГОСТ 4166-76, свежепрокаленный при температуре 100-120°С, или гидроокись натрия по ГОСТ 4328-77.
2. Подготовка к анализу
2.1. Перед анализом холодильник устанавливают на штативе так, чтобы конец его внутренней трубки был на 100 мм ниже ее начала. Через кожух холодильника пропускают воду. Собранный по черт. 1 прибор в целях противопожарной безопасности устанавливают на противне с песком.
Колбонагреватель
3. Проведение анализа
3.1. Анализируемый продукт предварительно сушат в колбе водоотнимающим веществом в течение 20 мин, затем фильтруют.
(Измененная редакция, Изм. N 1).
3.2. 100 см3 осушенного продукта наливают в сухой чистый цилиндр при температуре окружающего воздуха, отсчитывая объем по нижнему мениску, при этом глаз должен находиться на уровне поверхности жидкости.
Из цилиндра жидкость переливают в сухую чистую колбу для перегонки (при использовании колбы с приваренной насадкой продукт заливают через насадку). Колбу закрывают насадкой со вставленным в нее на корковой пробке термометром так, чтобы ось его совпадала с осью насадки, а ртутный резервуар находился в центре шарика насадки.
Колбу с анализируемым продуктом устанавливают на отверстие асбестовой прокладки кожуха или колбонагревателя. Отводную трубку насадки соединяют при помощи плотно пригнанной корковой пробки с внутренней трубкой холодильника так, чтобы она входила в холодильник на половину своей длины. Соединения на пробках заливают коллодием. Алонж присоединяют корковой или резиновой пробкой так, чтобы конец внутренней трубки холодильника находился над сгибом аллонжа.
Цилиндр, которым отмеряли анализируемый продукт, не высушивая, ставят под конец аллонжа так, чтобы он касался стенки, но не достигал верхнего деления шкалы цилиндра.
На время разгонки отверстие цилиндра прикрывают ватным тампоном.
Перед началом разгонки отмечают барометрическое давление. Под колбой зажигают горелку или включают электронагрев. Первая капля дистиллята должна упасть с конца холодильника не ранее чем через 5 мин и не позднее чем через 10 мин от начала нагрева. Перегонку ведут со скоростью 4-5 см3/мин.
3.3 За температуру начала перегонки принимают температуру, при которой первая капля дистиллята падает в цилиндр-приемник с конца холодильника.
За температуру конца перегонки принимают температуру, при которой в приемник отгоняется объем жидкости, указанный в нормативно-технической документации на соответствующий углеводород.
За температуру "досуха" принимают температуру, при которой испаряется последняя капля жидкости анализируемого продукта.
3.4. После проведения анализа нагрев прекращают, колбу охлаждают на воздухе в течение 5 мин, давая стечь дистилляту в приемник, после чего отмечают объем дистиллята в цилиндре. При применении электронагрева колбу после прекращения нагрева ставят для охлаждения на край колбонагревателя. При нормировании температуры объема жидкости 98 см3 обогрев колбы прекращают, когда в приемник отгонится 96 см3 дистиллята. Следят за дальнейшим подъемом температуры, максимально наблюдаемую температуру принимают за температуру конца перегонки. Если при этом объем дистиллята не равен 98 см3, разгонку повторяют.
Остаток жидкости из колбы выливают в приемник и отмечают общий объем жидкости. Потери не должны превышать 1 см3. В противном случае перегонку повторяют, проверив предварительно уплотнение всех соединений прибора.
4. Обработка результатов
4.1. Наблюдаемую температуру приводят к нормальному давлению. Температуру при нормальном давлении 760 мм рт. ст. (t) в градусах Цельсия вычисляют по формуле
t = tн +- Дельта t1 + Дельта t2 +- Дельта t3,
где tн - наблюдаемая температура, °С;
Дельта t1 - поправка на барометрическое давление, вычисленная
по п. 4.2, °С;
Дельта t2 - поправка на выступающий над пробкой столбик ртути
термометра, вычисленная по п. 4.3, °С;
Дельта t3 - поправка к термометру по паспорту, °С.
При давлении ниже 760 мм рт. ст. поправку прибавляют, в противном случае - вычитают.
4.2. Наблюдаемое давление с учетом постоянных поправок к барометру приводят к температуре 0°С, вычитая из показаний барометра:
2 мм рт. ст. - при температуре окружающей среды 13-20°С;
3 мм рт. ст. - при температуре окружающей среды 21-28°С;
4 мм рт. ст. - при температуре окружающей среды 29-35°С.
|
Барометрическое давление, мм рт. ст.
|
Поправка, °С, для температур
|
Барометрическое давление, мм рт. ст.
|
Поправка, °С, для температур
|
|
80+-10°С
|
110+-10°С
|
140+-15°С
|
100°С и более
|
80+-10°С
|
110+-10°С
|
140+-15°С
|
100°С и более
|
|
700
|
2, 63
|
2, 87
|
3, 04
|
3, 16
|
741
|
0, 82
|
0, 89
|
0, 94
|
0, 98
|
|
701
|
2, 59
|
2, 82
|
2, 99
|
3, 11
|
742
|
0, 78
|
0, 95
|
0, 89
|
0, 93
|
|
702
|
2, 54
|
2, 77
|
2, 94
|
3, 05
|
743
|
0, 73
|
0, 80
|
0, 84
|
0, 88
|
|
703
|
2, 50
|
2, 72
|
2, 88
|
3, 00
|
744
|
0, 69
|
0, 75
|
0, 79
|
0, 83
|
|
704
|
2, 45
|
2, 67
|
2, 82
|
2, 95
|
745
|
0, 65
|
0, 70
|
0, 74
|
0, 78
|
|
705
|
2, 41
|
2, 63
|
2, 76
|
2, 89
|
746
|
0, 60
|
0, 66
|
0, 69
|
0, 72
|
|
706
|
2, 37
|
2, 58
|
2, 72
|
2, 84
|
747
|
0, 56
|
0, 61
|
0, 64
|
0, 67
|
|
707
|
2, 32
|
2, 53
|
2, 67
|
2, 79
|
748
|
0, 52
|
0, 56
|
0, 59
|
0, 62
|
|
708
|
2, 28
|
2, 48
|
2, 62
|
2, 74
|
749
|
0, 47
|
0, 52
|
0, 54
|
0, 57
|
|
709
|
2, 23
|
2, 43
|
2, 57
|
2, 68
|
750
|
0, 43
|
0, 47
|
0, 49
|
0, 52
|
|
710
|
2, 19
|
2, 38
|
2, 51
|
2, 62
|
751
|
0, 39
|
0, 42
|
0, 44
|
0, 47
|
|
711
|
2, 14
|
2, 33
|
2, 46
|
2, 56
|
752
|
0, 34
|
0, 38
|
0, 38
|
0, 41
|
|
712
|
2, 09
|
2, 29
|
2, 46
|
2, 51
|
753
|
0, 30
|
0, 33
|
0, 34
|
0, 36
|
|
713
|
2, 06
|
2, 24
|
2, 36
|
2, 46
|
754
|
0, 26
|
0, 28
|
0, 29
|
0, 31
|
|
714
|
2, 01
|
2, 19
|
2, 31
|
2, 40
|
755
|
0, 21
|
0, 23
|
0, 24
|
0, 26
|
|
715
|
1, 97
|
2, 14
|
2, 26
|
2, 35
|
756
|
0, 17
|
0, 19
|
0, 19
|
0, 21
|
|
716
|
1, 92
|
2, 09
|
2, 21
|
2, 30
|
757
|
0, 13
|
0, 14
|
0, 14
|
0, 16
|
|
717
|
1, 88
|
2, 04
|
2, 15
|
2, 25
|
758
|
0, 08
|
0, 09
|
0, 09
|
0, 11
|
|
718
|
1, 83
|
1, 99
|
2, 10
|
2, 19
|
759
|
0, 04
|
0, 05
|
0, 05
|
0, 06
|
|
719
|
1, 79
|
1, 94
|
2, 05
|
2, 14
|
760
|
0, 00
|
0, 00
|
0, 00
|
0, 00
|
|
720
|
1, 75
|
1, 90
|
2, 00
|
2, 09
|
761
|
-0, 04
|
-0, 04
|
-0, 05
|
-0, 05
|
|
721
|
1, 70
|
1, 85
|
1, 95
|
2, 04
|
762
|
-0, 08
|
-0, 09
|
-0, 10
|
-0, 11
|
|
722
|
1, 66
|
1, 80
|
1, 90
|
1, 98
|
763
|
-0, 13
|
-0, 14
|
-0, 15
|
-0, 16
|
|
723
|
1, 61
|
1, 75
|
1, 85
|
1, 93
|
764
|
-0, 17
|
-0, 18
|
-0, 20
|
-0, 21
|
|
724
|
1, 57
|
1, 70
|
1, 80
|
1, 88
|
765
|
-0, 21
|
-0, 23
|
-0, 25
|
-0, 26
|
|
725
|
1, 52
|
1, 65
|
1, 75
|
1, 82
|
766
|
-0, 26
|
-0, 27
|
-0, 29
|
-0, 30
|
|
726
|
1, 48
|
1, 61
|
1, 69
|
1, 77
|
767
|
-0, 30
|
-0, 32
|
-0, 35
|
-0, 36
|
|
727
|
1, 43
|
1, 56
|
1, 64
|
1, 72
|
768
|
-0, 34
|
-0, 37
|
-0, 39
|
-0, 40
|
|
728
|
1, 39
|
1, 51
|
1, 59
|
1, 66
|
769
|
-0, 38
|
-0, 41
|
-0, 44
|
-0, 45
|
|
729
|
1, 35
|
1, 46
|
1, 54
|
1, 66
|
770
|
-0, 42
|
-0, 45
|
-0, 49
|
-0, 50
|
|
730
|
1, 30
|
1, 42
|
1, 49
|
1, 55
|
771
|
-0, 47
|
-0, 51
|
-0, 54
|
-0, 57
|
|
731
|
1, 26
|
1, 37
|
1, 44
|
1, 51
|
772
|
-0, 51
|
-0, 55
|
-0, 59
|
-0, 62
|
|
732
|
1, 21
|
1, 32
|
1, 39
|
1, 43
|
773
|
-0, 55
|
-0, 60
|
-0, 64
|
-0, 67
|
|
733
|
1, 17
|
1, 27
|
1, 34
|
1, 40
|
774
|
-0, 59
|
-0, 64
|
-0, 69
|
-0, 73
|
|
734
|
1, 13
|
1, 22
|
1, 29
|
1, 35
|
775
|
-0, 63
|
-0, 69
|
-0, 74
|
-0, 78
|
|
735
|
1, 08
|
1, 18
|
1, 24
|
1, 30
|
776
|
-0, 68
|
-0, 73
|
-0, 79
|
-0, 83
|
|
735
|
1, 04
|
1, 13
|
1, 19
|
1, 24
|
777
|
-0, 72
|
-0, 78
|
-0, 84
|
-0, 88
|
|
737
|
0, 99
|
1, 08
|
1, 14
|
1, 19
|
778
|
-0, 76
|
-0, 83
|
-0, 89
|
-0, 93
|
|
738
|
0, 95
|
1, 03
|
1, 09
|
1, 14
|
779
|
-0, 80
|
-0, 87
|
-0, 94
|
-0, 99
|
|
739
|
0, 91
|
0, 99
|
1, 04
|
1, 09
|
780
|
-0, 85
|
-0, 92
|
-0, 99
|
-1, 04
|
|
740
|
0, 86
|
0, 94
|
0, 99
|
1, 04
| | | | | |
Далее по таблице в зависимости от температуры кипения продукта находят поправку на давление, приведенное к 0°С.
(Измененная редакция, Изм. N 1)
4.3. Поправку на выступающий над пробкой столбик ртути термометра (Дельта t_2) в градусах Цельсия вычисляют по формуле
Дельта t2 = 0, 00016 х h x (t1 - t2),
где 0, 00016 - видимый коэффициент расширения ртути в стекле;
h - высота столбика ртути, выступающего над пробкой,
выраженная в градусах шкалы термометра;
t1 - наблюдаемая температура, °С;
t2 - температура окружающего воздуха вблизи середины стол-
бика ртути, выступающего над пробкой, измеряется
вторым термометром, °С.
4.4. За результат анализа принимают среднее арифметическое результатов двух параллельных определений, допускаемые расхождения между которыми не должны превышать (при доверительной вероятности Р = 0, 95):
по температуре 0, 1 и 1°С в зависимости от точности применяемого термометра;
по объему дистиллята 1 см3.