ГОСТ 25098-2016 ПАНЕЛИ ПЕРЕГОРОДОК ЖЕЛЕЗОБЕТОННЫЕ ДЛЯ ЗДАНИЙ ПРОМЫШЛЕННЫХ И СЕЛЬСКОХОЗЯЙСТВЕННЫХ ПРЕДПРИЯТИЙ. ТЕХНИЧЕСКИЕ УСЛОВИЯ
Reinforced concrete panels for partitions in industrial and agricultural buildings. Specifications
Дата введения - 1 июня 2017 г.
Взамен ГОСТ 25098-87
Предисловие
Цели, основные принципы и основной порядок проведения работ по межгосударственной стандартизации установлены ГОСТ 1.0-2015 "Межгосударственная система стандартизации. Основные положения" и ГОСТ 1.2-2015 "Межгосударственная система стандартизации. Стандарты межгосударственные, правила и рекомендации по межгосударственной стандартизации. Правила разработки, принятия, обновления и отмены"
Сведения о стандарте
1 Разработан АО "Центральный научно-исследовательский и проектно-экспериментальный институт промышленных зданий и сооружений" (АО "ЦНИИПромзданий")
2 Внесен Техническим комитетом по стандартизации ТК 465 "Строительство"
3 Принят Межгосударственным советом по стандартизации, метрологии и сертификации (протокол от 25 октября 2016 г. N 92-П)
За принятие проголосовали:
|
Краткое наименование страны по МК (ИСО 3166) 004-97 |
Код страны по МК (ИСО 3166) 004-97 |
Сокращенное наименование национального органа по стандартизации |
|
Армения |
AM |
Минэкономики Республики Армения |
|
Киргизия |
KG |
Кыргызстандарт |
|
Россия |
RU |
Росстандарт |
4 Приказом Федерального агентства по техническому регулированию и метрологии от 22 ноября 2016 г. N 1735-ст межгосударственный стандарт ГОСТ 25098-2016 введен в действие в качестве национального стандарта Российской Федерации с 1 июня 2017 г.
5 Взамен ГОСТ 25098-87
1.1 Настоящий стандарт устанавливает технические требования, методы контроля и правила приемки, транспортирования и хранения железобетонных панелей, изготовляемых из тяжелого или легкого бетона.
1.2 Панели предназначаются для перегородок зданий промышленных и сельскохозяйственных предприятий.
В настоящем стандарте использованы нормативные ссылки на следующие межгосударственные стандарты:
ГОСТ 5781-82 Сталь горячекатаная для армирования железобетонных конструкций. Технические условия
ГОСТ 6727-80 Проволока из низкоуглеродистой стали холоднотянутая для армирования железобетонных конструкций. Технические условия
ГОСТ 7473-2010 Смеси бетонные. Технические условия
ГОСТ 8267-93 Щебень и гравий из плотных горных пород для строительных работ. Технические условия
ГОСТ 8736-2014 Песок для строительных работ. Технические условия
ГОСТ 8829-94 Изделия строительные железобетонные и бетонные заводского изготовления. Методы испытаний нагружением. Правила оценки прочности, жесткости и трещиностойкости
ГОСТ 10060-2012 Бетоны. Методы определения морозостойкости
ГОСТ 10180-2012 Бетоны. Методы определения прочности по контрольным образцам
ГОСТ 10181-2014 Смеси бетонные. Методы испытаний
ГОСТ 10922-2012 Арматурные и закладные изделия, их сварные, вязаные и механические соединения для железобетонных конструкций. Общие технические условия
ГОСТ 12730.0-78 Бетоны. Общие требования к методам определения плотности, влажности, водопоглощения, пористости и водонепроницаемости
ГОСТ 12730.1-78 Бетоны. Методы определения плотности
ГОСТ 12730.5-84 Бетоны. Методы определения водонепроницаемости
ГОСТ 13015-2012 Изделия железобетонные и бетонные для строительства. Общие технические требования. Правила приемки, маркировки, транспортирования и хранения
ГОСТ 14098-2014 Соединения сварные арматуры и закладных изделий железобетонных конструкций. Типы, конструкции и размеры
ГОСТ 16504-81 Система государственных испытаний продукции. Испытания и контроль качества продукции. Основные термины и определения
ГОСТ 17623-87 Бетоны. Радиоизотопный метод определения средней плотности
ГОСТ 17624-2012 Бетоны. Ультразвуковой метод определения прочности
ГОСТ 17625-83 Конструкции и изделия железобетонные. Радиационный метод определения толщины защитного слоя бетона, размеров и расположения арматуры
ГОСТ 18105-2010 Бетоны. Правила контроля и оценки прочности
ГОСТ 22690-2015 Бетоны. Определение прочности механическими методами неразрушающего контроля
ГОСТ 22904-93 Конструкции железобетонные. Магнитный метод определения толщины защитного слоя бетона и расположения арматуры
ГОСТ 23009-78 Конструкции и изделия бетонные и железобетонные сборные. Условные обозначения (марки)
ГОСТ 23616-79 Система обеспечения точности геометрических параметров в строительстве. Контроль точности
ГОСТ 23732-2011 Вода для бетонов и строительных растворов. Технические условия
ГОСТ 23858-79 Соединения сварные стыковые и тавровые арматуры железобетонных конструкций. Ультразвуковые методы контроля качества. Правила приемки
ГОСТ 24211-2008 Добавки для бетонов и строительных растворов. Общие технические условия
ГОСТ 24297-2013 Верификация закупленной продукции. Организация проведения и методы контроля
ГОСТ 25192-2012 Бетоны. Классификация и общие технические требования
ГОСТ 25781-83 Формы стальные для изготовления железобетонных изделий. Технические условия
ГОСТ 25820-2014 Бетоны легкие. Технические условия
ГОСТ 26134-84 Бетоны. Ультразвуковой метод определения морозостойкости
ГОСТ 26433.0-85 Система обеспечения точности геометрических параметров в строительстве. Правила выполнения измерений. Общие положения
ГОСТ 26433.1-89 Система обеспечения точности геометрических параметров в строительстве. Правила выполнения измерений. Элементы заводского изготовления
ГОСТ 26633-2012 Бетоны тяжелые и мелкозернистые. Технические условия
ГОСТ 27006-86 Бетоны. Правила подбора состава
ГОСТ 27751-2014 Надежность строительных конструкций и оснований. Основные положения
ГОСТ 30247.1-94 (ИСО 834-75) Конструкции строительные. Методы испытаний на огнестойкость. Несущие и ограждающие конструкции
ГОСТ 30403-2012 Конструкции строительные. Метод испытаний на пожарную опасность
Примечание - При пользовании настоящим стандартом целесообразно проверить действие ссылочных стандартов в информационной системе общего пользования - на официальном сайте Федерального агентства по техническому регулированию и метрологии в сети Интернет или по ежегодному информационному указателю "Национальные стандарты", который опубликован по состоянию на 1 января текущего года, и по выпускам ежемесячного информационного указателя "Национальные стандарты" за текущий год. Если ссылочный стандарт заменен (изменен), то при пользовании настоящим стандартом следует руководствоваться заменяющим (измененным) стандартом. Если ссылочный стандарт отменен без замены, то положение, в котором дана ссылка на него, применяется в части, не затрагивающей эту ссылку.
В настоящем стандарте применены следующие термины с соответствующими определениями:
3.1 перегородка: Внутренняя стена, предназначенная для разделения здания в пределах этажа на отдельные помещения.
3.2 панель перегородки: Вертикальный плоскостной элемент заводского изготовления, выполняющий ограждающие функции.
4.1 Основные параметры и размеры
4.1.1 Панели следует изготовлять в соответствии с требованиями настоящего стандарта, ГОСТ 27751, а также рабочих чертежей и технологической документации, утвержденной в установленном порядке, по рабочим чертежам [1], [2].
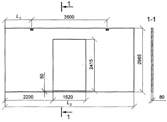
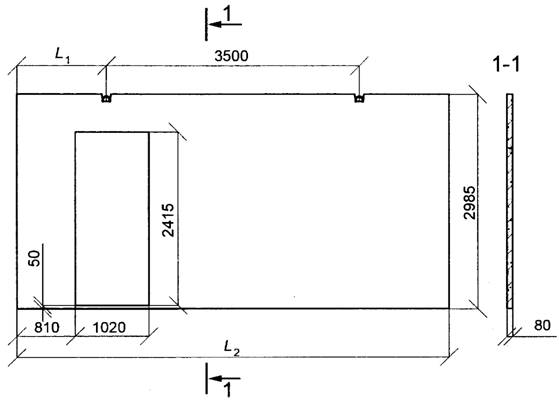
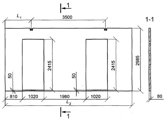
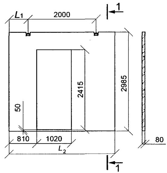
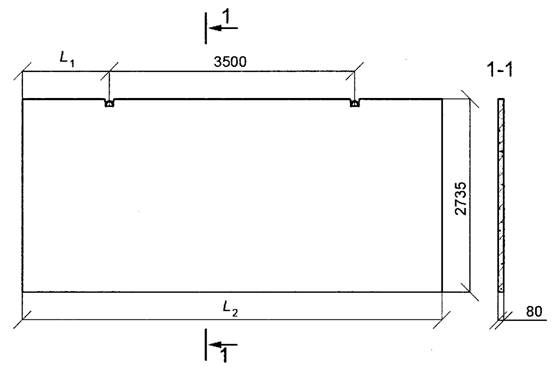
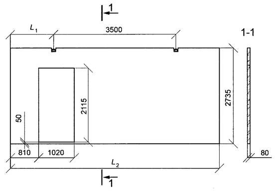
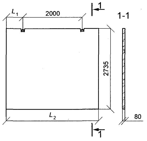
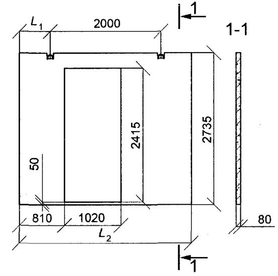
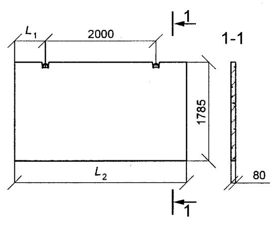
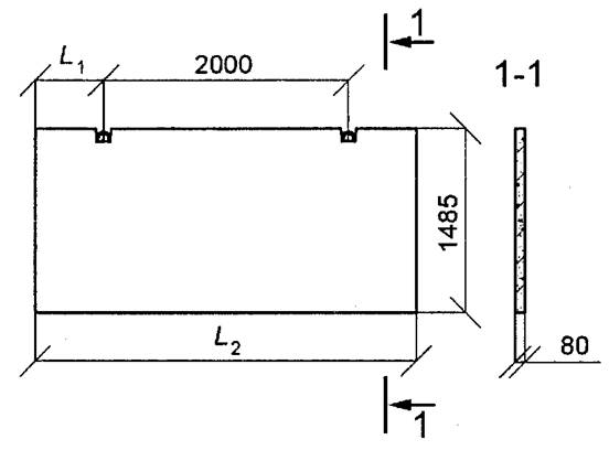
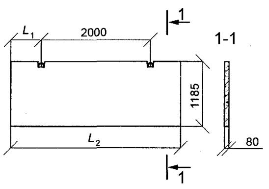
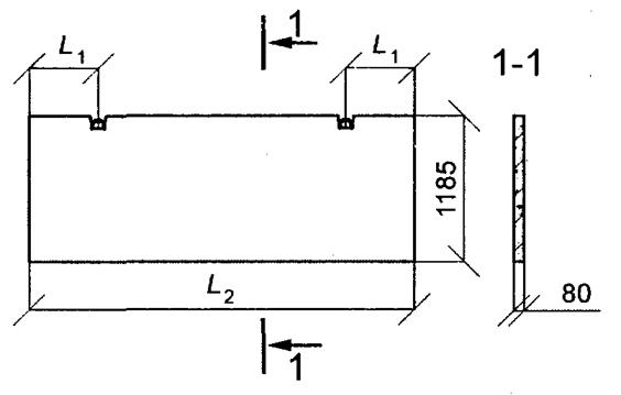
4.1.2 Основные размеры наиболее часто применяемых панелей приведены в таблице А.1 приложения А.
4.1.3 В случаях, предусмотренных проектной документацией на конкретное здание, панели могут иметь дверные проемы, отличающиеся по расположению и размерам от принятых в рабочих чертежах панелей [1] и [2], а также отверстия и каналы для пропуска коммуникаций. В этих случаях при проектировании должна быть проверена расчетом прочность панелей на стадиях изготовления, транспортирования, монтажа и эксплуатации.
4.1.4 Показатели материалоемкости панелей (расход бетона и стали) должны соответствовать указанным в рабочих чертежах панелей.
4.1.5 Панели следует изготовлять с монтажными петлями, выполненными в соответствии с указаниями рабочих чертежей панелей.
4.1.6 Панели применяют с учетом их предела огнестойкости, указанного в рабочих чертежах панелей.
4.2 Характеристики панелей
4.2.1 Панели должны удовлетворять установленным при проектировании конкретного объекта требованиям по прочности, жесткости, трещиностойкости и при испытании их нагружением в случаях, предусмотренных рабочими чертежами панелей, выдерживать контрольные нагрузки.
4.2.2 Панели должны удовлетворять требованиям ГОСТ 13015 к следующим показателям:
- показатели фактической прочности бетона (в проектном возрасте и отпускной);
- морозостойкость бетона;
- марки сталей для арматурных и закладных изделий, в том числе для монтажных петель;
- толщина защитного слоя бетона;
- защита от коррозии;
- паропроницаемость;
- водонепроницаемость.
4.2.3 Несущая способность конкретной панели определяется автором проекта здания (сооружения) по действующим в период применения нормативным документам.
4.2.4 Панели относятся к классу пожарной опасности К0 (15) в соответствии с ГОСТ 30403.
4.3 Требования к материалам
4.3.1 Панели следует изготовлять из тяжелого бетона в соответствии с ГОСТ 25192 по ГОСТ 26633 или легкого бетона по ГОСТ 25820 классов по прочности на сжатие, указанных в рабочих чертежах панелей. Среднюю плотность бетона принимают по нормативному документу*, действующему на территории государства, принявшего настоящий стандарт, с конкретизацией по сериям [1] и [2].
4.3.2 Нормируемую отпускную прочность бетона на сжатие панелей принимают не ниже 70% класса бетона по прочности на сжатие.
При поставке панелей в холодный период года нижняя граница нормируемой отпускной прочности бетона панелей может быть повышена до 85% класса бетона по прочности на сжатие.
Нормируемая отпускная прочность бетона панелей должна соответствовать значению, указанному в рабочих чертежах панелей.
4.3.3 Материалы для бетона должны соответствовать требованиям ГОСТ 7473, ГОСТ 8267, ГОСТ 8736, ГОСТ 23732, ГОСТ 24211, ГОСТ 27006.
4.3.4 Бетон панелей, предназначенных для эксплуатации в газообразных средах со слабоагрессивной степенью воздействия, должен быть нормальной проницаемости, а в средах со среднеагрессивной степенью воздействия - пониженной проницаемости. Показатели проницаемости бетона (марки по водонепроницаемости) должны соответствовать указанным в проектной документации на конкретное здание и указанным в заказе на изготовление панелей. Бетонные смеси для изготовления изделий должны соответствовать требованиям ГОСТ 7473.
4.3.5 Для армирования панелей следует применять рабочую арматуру периодического профиля классов А400, А500С и А600 по ГОСТ 5781** а также арматуру классов В500 и Вр500 по ГОСТ 6727 в сварных сетках и каркасах.
Для поперечного и косвенного армирования следует преимущественно применять гладкую арматуру класса А240 по ГОСТ 5781** и арматуру периодического профиля классов А400, А500С по ГОСТ 5781, В500 и Вр500 по ГОСТ 6727.
4.3.6 Сварные арматурные и закладные изделия должны соответствовать требованиям ГОСТ 10922, ГОСТ 14098.
4.4 Требования к качеству поверхности и внешнему виду панелей
4.4.1 Форма и размеры арматурных и закладных изделий и их положение в панелях должны соответствовать указанным в рабочих чертежах панелей или стандартах на панели и требованиям ГОСТ 10922, ГОСТ 14098, ГОСТ 25781.
4.4.2 Значения фактических отклонений геометрических параметров панелей не должны превышать предельных, указанных в таблице 1.
Таблица 1
|
Размеры в миллиметрах | |||
|
Наименование отклонения геометрического параметра |
Наименование геометрического параметра |
Предельное отклонение | |
|
Отклонение от линейного размера |
Длина панели: | ||
|
- до 2500 |
4 | ||
|
- от 2500 до 4000 |
5 | ||
|
- свыше 4000 |
8 | ||
|
Высота панели: | |||
|
- до 1600 |
3 | ||
|
- от 1600 до 2500 |
4 | ||
|
- свыше 2500 |
5 | ||
|
Толщина панели |
2 | ||
|
Размеры проемов, отверстий и вырезов Размер, определяющий положение проемов, отверстий, вырезов |
5 | ||
|
5 | |||
|
Отклонение от прямолинейности профиля лицевых поверхностей в любом сечении: | |||
|
- на заданной длине 1000 |
- |
3 | |
|
на всей длине панели длиной: | |||
|
- до 4000 |
- |
3 | |
|
- свыше 4000 |
- |
5 | |
|
Отклонение от плоскостности панели при измерениях от условной плоскости, проходящей через три угловые точки панели длиной: |
- |
3 | |
|
- до 2500 |
- |
6 | |
|
- от 2500 до 4000 |
- |
8 | |
|
- свыше 4000 |
- |
10 | |
|
Отклонение от равенства диагоналей панелей длиной: | |||
|
- до 4000 |
- |
10 | |
|
- свыше 4000 |
- |
12 | |
|
Отклонение от равенства диагоналей дверного проема |
- |
10 | |
4.4.3 В панелях, предназначенных для эксплуатации в условиях воздействия агрессивных газообразных сред, минусовые отклонения толщины защитного слоя бетона не допускаются.
4.4.4 Требования к качеству поверхностей и внешнему виду панелей - по ГОСТ 13015.
Размеры раковин, местных наплывов и впадин на бетонных поверхностях и околов бетона ребер панелей не должны превышать предельных, установленных для категорий бетонной поверхности изделий по ГОСТ 13015:
А4 - на лицевой поверхности панели;
А7 - на нелицевой поверхности панели (невидимой в условиях эксплуатации).
Категория бетонной поверхности может быть уточнена в рабочих чертежах.
4.4.5 Трещины в панелях не допускаются, за исключением усадочных и других поверхностных технологических трещин, ширина которых не должна превышать 0, 1 мм.
4.5 Маркировка панелей
4.5.1 Маркировку панелей проводят в соответствии с требованиями ГОСТ 13015. Маркировочные надписи и знаки следует наносить на торцевой вертикальной грани панелей.
4.5.2 Панели обозначают марками в соответствии с требованиями ГОСТ 23009.
Марка панелей состоит из буквенно-цифровых групп, разделенных дефисами.
Первая группа содержит обозначение типоразмера панели: условное буквенное обозначение наименования конструкции (ПГ) и ее длину и высоту через точку в дециметрах (значения которых округляют до целого числа).
Во второй группе указывают несущую способность панелей по скоростному напору ветра, обозначаемую арабскими цифрами (1 - для I и II*** ветровых районов, 2 - для III и IV*** ветровых районов), а также для панелей, изготовленных из легкого бетона, - вид бетона, обозначаемый буквой Л по ГОСТ 23009.
В третьей группе, при необходимости, указывают:
- наличие в панелях дверных проемов, вырезов, отверстий и каналов, обозначаемое строчными буквами и арабскими цифрами: а - один дверной проем в средней части панели; б - один дверной проем, смещенный к боковой грани панели; в - два дверных проема; 1, 2, 3 и т.д. - порядковый номер размера выреза в панели; э - отверстия и каналы для скрытой электропроводки; т - расположение панели у температурного шва;
- дополнительные характеристики, обеспечивающие долговечность панелей в условиях эксплуатации.
Примеры условных обозначений (марок)
1 Панель длиной 5980 мм, высотой 2985 мм, несущей способности 1, из тяжелого бетона, с одним дверным проемом, смещенным к боковой грани панели:
ПГ60.30-1-б
2 Панель длиной 5540 мм, высотой 2985 мм, несущей способности 2, из легкого бетона, с двумя дверными проемами:
ПГ55.30-2Л-в
Примечание - Допускается принимать обозначения марок панелей в соответствии с указаниями рабочих чертежей панелей до их пересмотра.
5.1 Приемку и верификацию панелей проводят по ГОСТ 13015, ГОСТ 24297 и настоящему стандарту. При этом панели принимают по результатам испытаний:
- периодических - по показателям морозостойкости бетона, а также по водонепроницаемости бетона панелей, предназначенных для эксплуатации в условиях воздействия агрессивной газообразной среды;
- приемо-сдаточных - по показателям прочности бетона (классу бетона по прочности на сжатие и отпускной прочности), средней плотности легкого бетона, соответствия арматурных изделий рабочим чертежам, прочности сварных соединений, точности геометрических параметров, толщины защитного слоя бетона до арматуры, ширины раскрытия трещин, категории бетонной поверхности.
5.2 Периодические испытания нагружением панелей для контроля их прочности, жесткости и трещиностойкости проводят перед началом массового изготовления панелей и в дальнейшем при внесении в них конструктивных изменений или при изменении технологии изготовления, а также в процессе серийного производства панелей в соответствии с требованиями ГОСТ 13015.
Периодические испытания панелей нагружением в случае внесения в них конструктивных изменений или при изменении технологии изготовления допускается не проводить по согласованию с проектной организацией - разработчиком рабочих чертежей панелей.
Если испытания нагружением не предусмотрены рабочими чертежами панелей, приемку панелей по прочности, жесткости и трещиностойкости осуществляют по комплексу показателей, проверяемых в соответствии с требованиями ГОСТ 13015 в процессе входного, операционного и приемочного контроля в соответствии с ГОСТ 23616.
5.3 Панели по показателям точности геометрических параметров (см. таблицу 1), толщины защитного слоя бетона до арматуры, ширины раскрытия трещин и категории бетонной поверхности следует принимать по результатам выборочного контроля в соответствии с ГОСТ 23616.
5.4 Испытания панелей по показателям огнестойкости по ГОСТ 30247.1 (ИСО 834) проводят перед началом массового изготовления панелей и в дальнейшем при внесении в них конструктивных изменений или при изменении технологии изготовления.
5.5 Документ о качестве панелей, поставляемых потребителю, следует составлять по ГОСТ 13015.
Дополнительно в документе о качестве панелей должны быть приведены марка бетона по морозостойкости, а для панелей, предназначенных для эксплуатации в условиях воздействия агрессивной газообразной среды, - марка бетона по водонепроницаемости (если эти показатели оговорены в заказе на изготовление панелей).
6.1 Испытания панелей и оценку их прочности, жесткости и трещиностойкости следует проводить в соответствии с требованиями ГОСТ 8829, ГОСТ 16504 и рабочих чертежей панелей.
6.2 Прочность бетона панелей следует определять по ГОСТ 10180 на серии образцов, изготовленных из бетонной смеси рабочего состава по ГОСТ 10181 и хранившихся в условиях, установленных ГОСТ 18105.
В случаях, когда вместо испытаний серии образцов используют методы неразрушающего контроля, фактическую передаточную и отпускную прочность бетона на сжатие определяют ультразвуковым методом по ГОСТ 17624 или приборами механического действия по ГОСТ 22690, а также другими методами, предусмотренными стандартами на методы испытания бетона.
6.3 Морозостойкость бетона следует определять по ГОСТ 10060 или ультразвуковым методом по ГОСТ 26134 на серии образцов, изготовленных из бетонной смеси рабочего состава.
6.4 Водонепроницаемость бетона панелей следует определять по ГОСТ 12730.0 и ГОСТ 12730.5 на серии образцов, изготовленных из бетонной смеси рабочего состава.
6.5 Среднюю плотность легкого бетона панелей следует определять по ГОСТ 12730.0 и ГОСТ 12730.1 на серии образцов, изготовленных из бетонной смеси рабочего состава, или радиоизотопным методом по ГОСТ 17623.
6.6 Показатели пористости уплотненной смеси легкого бетона следует определять по ГОСТ 10181.
6.7 Методы контроля и испытаний сварных арматурных и закладных изделий следует принимать по ГОСТ 10922 и ГОСТ 23858.
6.8 Размеры и отклонения от прямолинейности, плоскостности и равенства диагоналей поверхности панелей, ширину раскрытия технологических трещин, качество бетонных поверхностей и внешний вид панелей следует проверять методами, установленными ГОСТ 13015, ГОСТ 26433.0 и ГОСТ 26433.1.
6.9 Размеры и положение арматурных и закладных изделий, а также толщину защитного слоя бетона до арматуры следует определять по ГОСТ 17625 и ГОСТ 22904.
7.1 Транспортировать и хранить панели следует в соответствии с требованиями ГОСТ 13015 и настоящего стандарта.
Выбор транспортных средств проводят на стадии разработки проекта производства работ (ППР) с учетом массы и размеров панелей, дальности перевозки, дорожных условий.
7.2 Панели следует хранить в кассетах рассортированными по маркам и установленными на подкладки толщиной не менее 30 мм или другие опоры, обеспечивающие их сохранность.
7.3 Подъем, погрузку и выгрузку панелей следует производить с помощью траверсы. Операции, связанные с перевозкой и складированием, рекомендуется проводить при вертикальном положении панелей с отклонением от вертикали, не превышающим 10°, и соблюдением мер, исключающих возможность их повреждения.
_____________________________
* В Российской Федерации руководствуются требованиями пункта 6.1.1 СП 63.13330.2012 "СНиП 52-01-2003. Бетонные и железобетонные конструкции. Основные положения".
** В Российской Федерации арматуру периодического профиля класса А500С изготовляют по ГОСТ Р 52544-2006 "Прокат арматурный свариваемый периодического профиля классов А500С и В500С для армирования железобетонных конструкций. Технические условия".
*** В Российской Федерации действует СП 20.13330.2011 "СНиП 2.01.07-85 Нагрузки и воздействия".
Приложение А
(справочное)
Таблица А.1
|
Эскиз изделия |
Типоразмер изделия |
Длина, мм |
Масса, т | ||||||
|
L1 |
L2 | ||||||||
|
Панели перегородок железобетонные для зданий промышленных предприятий для несейсмических районов (опалубочные формы серии 1.431.9-31 [1]) Серия 1.431.9-31 Перегородки панельные зданий промышленных предприятий для несейсмических районов. Выпуск 1-1. Панели железобетонные. Рабочие чертежи | |||||||||
![]() |
ПГ 60.30-1-ПГ 60.30-4 |
1240 |
5980 |
3, 43 | |||||
|
ПГ 60.30-1-Л-ПГ 60.30-4-Л |
- |
- |
2, 29 | ||||||
|
ПГ 58.30-1-ПГ 58.30-4 |
1130 |
5760 |
3, 31 | ||||||
|
ПГ 58.30-1-Л-ПГ 58.30-4-Л |
- |
- |
2, 21 | ||||||
|
ПГ 55.30-1-ПГ 55.30-4 |
1020 |
5540 |
3, 17 | ||||||
|
ПГ 55.30-1-Л-ПГ 55.30-4-Л |
- |
- |
2, 11 | ||||||
|
ПГ 50.30-1-ПГ 50.30-4 |
770 |
5040 |
2, 88 | ||||||
|
ПГ 50.30-1-Л-ПГ 50.30-4-Л |
- |
- |
1, 92 | ||||||
![]() |
ПГ 60.30-1-Д-ПГ 60.30-3-Д |
1240 |
5980 |
2, 7 | |||||
|
ПГ 60.30-1-Л-Д-ПГ 60.30-2-Л-Д |
- |
- |
1, 8 | ||||||
|
ПГ 58.30-1-Д-ПГ 58.30-3-Д |
1100 |
5760 |
2, 6 | ||||||
|
ПГ 58.30-1-Л-Д-ПГ 58.30-2-Л-Д |
- |
- |
1, 7 | ||||||
|
ПГ 55.30-1-Д-ПГ 55.30-3-Д |
960 |
5540 |
2, 5 | ||||||
|
ПГ 55.30-1-Л-Д-ПГ 55.30-2-Л-Д |
- |
- |
1, 7 | ||||||
|
ПГ 50.30-2-Д-ПГ 50.30-3-Д |
620 |
5040 |
2, 2 | ||||||
|
ПГ 50.30-1-Л-Д-ПГ 50.30-2-Л-Д |
- |
- |
1, 5 | ||||||
![]() |
ПГ 60.30-1-Д1-ПГ 60.30-3-Д1 |
1510 |
5980 |
3, 0 | |||||
|
ПГ 60.30-1-Л-Д1-ПГ 60.30-2-Л-Д1 |
- |
- |
2, 0 | ||||||
|
ПГ 58.30-1-Д1-ПГ 58.30-3-Д1 |
1390 |
5760 |
2, 8 | ||||||
|
ПГ 58.30-1-Л-Д1-ПГ 58.30-2-Л-Д1 |
- |
- |
1, 9 | ||||||
|
ПГ 55.30-1-Д1-ПГ 55.30-3-Д1 |
1270 |
5540 |
2, 7 | ||||||
|
ПГ 55.30-1-Л-Д1-ПГ 55.30-2-Л-Д1 |
- |
- |
1, 8 | ||||||
|
ПГ 50.30-2-Д1-ПГ 50.30-3-Д1 |
1190 |
5040 |
2, 4 | ||||||
|
ПГ 50.30-1-Л-Д1-ПГ 50.30-2-Л-Д1 |
- |
- |
1, 6 | ||||||
![]() |
ПГ 60.30-1-2Д-ПГ 60.30-3-2Д |
1300 |
5980 |
2, 5 | |||||
|
ПГ 60.30-1-Л-2Д-ПГ 60.30-2-Л-2Д |
- |
- |
1, 7 | ||||||
|
ПГ 55.30-1-2Д-ПГ 55.30-3-2Д |
1000 |
5540 |
2, 2 | ||||||
|
ПГ 55.30-1-Л-2Д-ПГ 55.30-2-Л-2Д |
- |
- |
1, 5 | ||||||
![]() |
ПГ 30.30-4 |
490 |
2980 |
1, 7 | |||||
|
ПГ 30.30-4-Л |
- |
- |
1, 1 | ||||||
|
ПГ 25.30-4 |
270 |
2540 |
1, 5 | ||||||
|
ПГ 25.30-4-Л |
- |
- |
0, 98 | ||||||
![]() |
ПГ 30.30-2-Д1-ПГ 30.30-3-Д1 |
550 |
2980 |
1, 2 | |||||
|
ПГ 30.30-2-Л-Д1 |
- |
- |
0, 8 | ||||||
|
ПГ 25.30-2-Д1-ПГ 25.30-3-Д1 |
250 |
2540 |
0, 98 | ||||||
|
ПГ 25.30-2-Л-Д1 |
- |
- |
0, 66 | ||||||
![]() |
ПГ 60.27-1-ПГ 60.27-4 |
1240 |
5980 |
3, 14 | |||||
|
ПГ 60.27-1-Л-ПГ 60.27-4-Л |
- |
- |
2, 10 | ||||||
|
ПГ 58.27-1-ПГ 58.27-4 |
1130 |
5760 |
3, 02 | ||||||
|
ПГ 58.27-1-Л-ПГ 58.27-4-Л |
- |
- |
2, 02 | ||||||
|
ПГ 55.27-1-ПГ 55.27-4 |
1020 |
5540 |
2, 90 | ||||||
|
ПГ 55.27-1-Л-ПГ 55.27-4-Л |
- |
- |
1, 94 | ||||||
|
ПГ 50.27-1-ПГ 50.27-4 |
770 |
5040 |
2, 64 | ||||||
|
ПГ 50.27-1-Л-ПГ 50.27-4-Л |
- |
- |
1, 76 | ||||||
![]() |
ПГ 60.27-1-Д-ПГ 60.27-3-Д |
1240 |
5980 |
2, 5 | |||||
|
ПГ 60.27-1-Л-Д-ПГ 60.27-2-Л-Д |
- |
- |
1, 7 | ||||||
|
ПГ 58.27-1-Д-ПГ 58.27-3-Д |
1100 |
5760 |
2, 4 | ||||||
|
ПГ 58.27-1-Л-Д-ПГ 58.27-2-Л-Д |
- |
- |
1, 6 | ||||||
|
ПГ 55.27-1-Д-ПГ 55.27-3-Д |
960 |
5540 |
2, 3 | ||||||
|
ПГ 55.27-1-Л-Д-ПГ 55.27-2-Л-Д |
- |
- |
1, 5 | ||||||
|
ПГ 50.27-2-Д-ПГ 50.27-3-Д |
620 |
5040 |
2, 0 | ||||||
|
ПГ 50.27-1-Л-Д-ПГ 50.27-2-Л-Д |
- |
- |
1, 4 | ||||||
![]() |
ПГ 60.27-1-Д1-ПГ 60.27-3-Д1 |
1510 |
5980 |
2, 7 | |||||
|
ПГ 60.27-1-Л-Д1-ПГ 60.27-2-Л-Д1 |
- |
- |
1, 8 | ||||||
|
ПГ 58.27-1-Д1-ПГ 58.27-3-Д1 |
1390 |
5760 |
2, 6 | ||||||
|
ПГ 58.27-1-Л-Д1-ПГ 58.27-2-Л-Д1 |
- |
- |
1, 7 | ||||||
|
ПГ 55.27-1-Д1-ПГ 55.27-3-Д1 |
1270 |
5540 |
2, 5 | ||||||
|
ПГ 55.27-1-Л-Д1-ПГ 55.27-2-Л-Д1 |
- |
- |
1, 7 | ||||||
|
ПГ 50.27-2-Д1-ПГ 50.27-3-Д1 |
1190 |
5040 |
2, 2 | ||||||
|
ПГ 50.27-1-Л-Д1-ПГ 50.27-2-Л-Д1 |
- |
- |
1, 5 | ||||||
![]() |
ПГ 60.27-1-2Д-ПГ 60.27-3-2Д |
1300 |
5980 |
2, 3 | |||||
|
ПГ 60.27-1-Л-2Д-ПГ 60.27-2-Л-2Д |
- |
- |
2, 5 | ||||||
|
ПГ 55.27-1-2Д-ПГ 55.27-3-2Д |
1000 |
5540 |
2, 1 | ||||||
|
ПГ 55.27-1-Л-2Д-ПГ 55.27-2-Л-2Д |
- |
- |
1, 4 | ||||||
![]() |
ПГ 30.27-4 |
490 |
2980 |
1, 6 | |||||
|
ПГ 30.27-4-Л |
- |
- |
1, 0 | ||||||
|
ПГ 25.30-4 |
270 |
2540 |
1, 3 | ||||||
|
ПГ 25.30-4-Л |
- |
- |
0, 90 | ||||||
![]() |
ПГ 30.27-2-Д1-ПГ 30.27-3-Д1 |
550 |
2980 |
1, 2 | |||||
|
ПГ 30.27-2-Л-Д1 |
- |
- |
0, 77 | ||||||
|
ПГ 25.27-2-Д1-ПГ 25.27-3-Д1 |
250 |
2540 |
0, 91 | ||||||
|
ПГ 25.27-2-Л-Д1 |
- |
- |
0, 61 | ||||||
![]() |
ПГ 60.18-1-ПГ 60.18-4 |
1240 |
5980 |
2, 0 | |||||
|
ПГ 60.18-1-Л-ПГ 60.18-4-Л |
- |
- |
1, 4 | ||||||
|
ПГ 58.18-1-ПГ 58.18-4 |
1130 |
5760 |
2, 0 | ||||||
|
ПГ 58.18-1-Л-ПГ 58.18-4-Л |
- |
- |
1, 3 | ||||||
|
ПГ 55.18-1-ПГ 55.18-4 |
1020 |
5540 |
1, 9 | ||||||
|
ПГ 55.18-1-Л-ПГ 55.18-4-Л |
- |
- |
1, 3 | ||||||
|
ПГ 50.18-1-ПГ 50.18-4 |
770 |
5040 |
1, 7 | ||||||
|
ПГ 50.18-1-Л-ПГ 50.18-4-Л |
- |
- |
1, 2 | ||||||
![]() |
ПГ 30.18-4 |
490 |
2980 |
1, 0 | |||||
|
ПГ 30.18-4-Л |
- |
- |
0, 69 | ||||||
![]() |
ПГ 30.15-4 |
490 |
2980 |
0, 84 | |||||
|
ПГ 30.15-4-Л |
- |
- |
0, 56 | ||||||
![]() |
ПГ 60.15-1-ПГ 60.15-4 |
1240 |
5980 |
1, 7 | |||||
|
ПГ 60.15-1-Л-ПГ 60.15-4-Л |
- |
- |
1, 1 | ||||||
|
ПГ 58.15-1-ПГ 58.15-4 |
1130 |
5760 |
1, 6 | ||||||
|
ПГ 58.15-1-Л-ПГ 58.15-4-Л |
- |
- |
1, 1 | ||||||
|
ПГ 55.15-1-ПГ 55.15-4 |
1020 |
5540 |
1, 6 | ||||||
|
ПГ 55.15-1-Л-ПГ 55.15-4-Л |
- |
- |
1, 1 | ||||||
|
ПГ 53.15-1-ПГ 53.15-4 |
880 |
5260 |
1, 5 | ||||||
|
ПГ 53.15-1-Л-ПГ 53.15-4-Л |
- |
- |
0, 99 | ||||||
|
ПГ 50.15-1-ПГ 50.15-4 |
770 |
5040 |
1, 4 | ||||||
|
ПГ 50.15-1-Л-ПГ 50.15-4-Л |
- |
- |
0, 96 | ||||||
![]() |
ПГ 60.12-1- ПГ 60.12-4 |
1240 |
5980 |
1, 4 | |||||
|
ПГ 60.12-1-Л-ПГ 60.12-4-Л |
- |
- |
0, 91 | ||||||
|
ПГ 58.12-1-ПГ 58.12-4 |
1130 |
5760 |
1, 3 | ||||||
|
ПГ 58.12-1-Л-ПГ 58.12-4-Л |
- |
- |
0, 86 | ||||||
|
ПГ 55.12-1-ПГ 55.12-4 |
1020 |
5540 |
1, 3 | ||||||
|
ПГ 55.12-1-Л-ПГ 55.12-4-Л |
- |
- |
0, 85 | ||||||
|
ПГ 53.12-1-ПГ 53.12-4 |
880 |
5260 |
1, 2 | ||||||
|
ПГ 53.12-1-Л-ПГ 53.12-4-Л |
- |
- |
0, 80 | ||||||
|
ПГ 50.12-1-ПГ 50.12-4 |
770 |
5040 |
1, 2 | ||||||
|
ПГ 50.12-1-Л-ПГ 50.12-4-Л |
- |
- |
0, 77 | ||||||
|
ПГ 49.12-1-ПГ 49.12-4 |
690 |
4880 |
1, 1 | ||||||
|
ПГ 49.12-1-Л-ПГ 49.12-4-Л |
- |
- |
0, 74 | ||||||
![]() |
ПГ 30.12-4 |
490 |
2980 |
0, 67 | |||||
|
ПГ 30.12-4-Л |
- |
- |
0, 45 | ||||||
|
ПГ 25.12-4 |
270 |
2540 |
0, 58 | ||||||
|
ПГ 25.12-4-Л |
- |
- |
0, 45 | ||||||
![]() |
ПГ 30.9-4 |
490 |
2980 |
0, 50 | |||||
|
ПГ 30.9-4-Л |
- |
- |
0, 34 | ||||||
|
ПГ 25.9-4 |
270 |
2540 |
0, 43 | ||||||
|
ПГ 25.9-4-Л |
- |
- |
0, 29 | ||||||
![]() |
ПГ 60.9-1-ПГ 60.9-4 |
1240 |
5980 |
1, 0 | |||||
|
ПГ 60.9-1-Л-ПГ 60.9-4-Л |
- |
- |
0, 67 | ||||||
|
ПГ 55.9-1-ПГ 55.9-4 |
1020 |
5540 |
0, 94 | ||||||
|
ПГ 55.9-1-Л-ПГ 55.9-4-Л |
- |
- |
0, 62 | ||||||
![]() |
ПГ 60.6-1-ПГ 60.6-4 |
1240 |
5980 |
0, 67 | |||||
|
ПГ 60.6-1-Л-ПГ 60.6-4-Л |
- |
- |
0, 45 | ||||||
|
ПГ 55.6-1-ПГ 55.6-4 |
1020 |
5540 |
0, 62 | ||||||
|
ПГ 55.6-1-Л-ПГ 55.6-4-Л |
- |
- |
0, 42 | ||||||
|
ПГ 50.6-1-ПГ 50.6-4 |
770 |
5040 |
0, 58 | ||||||
|
ПГ 50.6-1-Л-ПГ 50.6-4-Л |
- |
- |
0, 38 | ||||||
![]() |
ПГ 30.6-4 |
490 |
2980 |
0, 34 | |||||
|
ПГ 30.6-4-Л |
- |
- |
0, 22 | ||||||
|
ПГ 25.6-4 |
270 |
2540 |
0, 29 | ||||||
|
ПГ 25.6-4-Л |
- |
- |
0, 19 | ||||||
Продолжение таблицы А.1
|
Эскиз изделия |
Типоразмер изделия |
Длина, мм |
Масса, т | ||||||
| L1 | L2 | ||||||||
|
Перегородки панельных зданий сельскохозяйственных предприятий (опалубочные формы серии 1.831.9-3 [2]) Серия 1.831.9-3 Перегородки панельных зданий сельскохозяйственных предприятий. Выпуск 1. Панели железобетонные, технические условия, рабочие чертежи | |||||||||
![]() |
ПГ 60.18-1-ПГ 60.18-2 |
1050 |
5980 |
2, 15 (1, 45)* | |||||
|
ПГ 57.18-1-ПГ 57.18-2 |
1050 |
5730 |
2, 07 (1, 40)* | ||||||
|
ПГ 52.18-1-ПГ 52.18-2 |
1050 |
5230 |
1, 90 (1, 28)* | ||||||
![]() |
ПГ 60.12-1-ПГ 60.12-2 |
1050 |
5980 |
1, 44 (0, 97)* | |||||
|
ПГ 57.12-1-ПГ 57.12-2 |
1050 |
5730 |
1, 36 (0, 92)* | ||||||
|
ПГ 52.12-1-ПГ 52.12-2 |
1050 |
5230 |
1, 26 (0, 85)* | ||||||
![]() |
ПГ 30.12-1 |
590 |
2980 |
0, 71 (0, 47)* | |||||
![]() |
ПГ 24.12-1 |
490 |
2385 |
0, 58 (0, 39)* | |||||
![]() |
ПГ 60.9-1-ПГ 60.9-2 |
1050 |
5980 |
1, 06 (0, 72)* | |||||
|
ПГ 57.9-1-ПГ 57.9-2 |
1050 |
5730 |
1, 04 (0, 70)* | ||||||
|
ПГ 52.9-1-ПГ 52.9-2 |
1050 |
5230 |
0, 94 (0, 63)* | ||||||
![]() |
ПГ 30.9-1 |
590 |
2980 |
0, 53 (0, 36)* | |||||
![]() |
ПГ 24.9-1 |
490 |
2385 |
0, 43 (0, 29)* | |||||
![]() |
ПГ 60.6-1-ПГ 60.6-2 |
1050 |
5980 |
0, 71 (0, 48)* | |||||
|
ПГ 57.6-1-ПГ 57.6-2 |
1050 |
5730 |
0, 69 (0, 46)* | ||||||
|
ПГ 52.6-1-ПГ 52.6-2 |
1050 |
5230 |
0, 61 (0, 41)* | ||||||
![]() |
ПГ 30.6-1 |
590 |
2980 |
0, 35 (0, 24)* | |||||
![]() |
ПГ 24.6-1 |
490 |
2385 |
0, 28 (0, 19)* | |||||
|
- * в столбце "Масса, т" данные, указанные в скобках, относятся к панелям, выполняемым из легкого бетона. | |||||||||
Библиография
|
[1] |
Серия 1.431.9-31 |
Перегородки панельные зданий промышленных предприятий для несейсмических районов |
|
[2] |
Серия 1.831.9-3 |
Перегородки панельных зданий сельскохозяйственных предприятий |


































