электронный сборник нормативных документов по строительству
Обновления
30.04.2026 20:36
электронный сборник нормативных документов по строительству

ГОСТ 27215-2013 ПЛИТЫ ПЕРЕКРЫТИЙ ЖЕЛЕЗОБЕТОННЫЕ РЕБРИСТЫЕ ВЫСОТОЙ 400 мм для ПРОМЫШЛЕННЫХ ЗДАНИЙ И СООРУЖЕНИЙ. ТЕХНИЧЕСКИЕ УСЛОВИЯ

Введен в действие приказом Федерального агентства по техническому регулированию и метрологии от 30 декабря 2013 г. N 2388-ст

Межгосударственный стандарт ГОСТ 27215-2013
"ПЛИТЫ ПЕРЕКРЫТИЙ ЖЕЛЕЗОБЕТОННЫЕ РЕБРИСТЫЕ ВЫСОТОЙ 400 мм для ПРОМЫШЛЕННЫХ ЗДАНИЙ И СООРУЖЕНИЙ. ТЕХНИЧЕСКИЕ УСЛОВИЯ"

Reinforced concrete ribbed floor slabs of 400 mm depth for industrial buildings. Specifications

Дата введения - 1 января 2015 г.
Взамен ГОСТ 27215-87

Предисловие

Цели, основные принципы и порядок проведения работ по межгосударственной стандартизации установлены ГОСТ 1.0-92 "Межгосударственная система стандартизации. Основные положения" и ГОСТ 1.2-2009 "Межгосударственная система стандартизации. Стандарты межгосударственные, правила и рекомендации по межгосударственной стандартизации. Правила разработки, принятия, применения, обновления и отмены"

1 Область применения

1.1 Настоящий стандарт устанавливает технические требования, методы контроля, правила приемки, транспортирования и хранения железобетонных предварительно напряженных ребристых плит высотой 400 мм из тяжелого или конструкционного легкого бетона.

1.2. Плиты применяют для перекрытий многоэтажных каркасных производственных зданий промышленных предприятий и сооружений различного назначения с шагом несущих конструкций 6 м.

2 Нормативные ссылки

В настоящем стандарте использованы нормативные ссылки на следующие межгосударственные стандарты:

ГОСТ 5781-82 Сталь горячекатаная для армирования железобетонных конструкций. Технические условия

ГОСТ 6727-80 Проволока из низкоуглеродистой стали холоднотянутая для армирования железобетонных конструкций. Технические условия

ГОСТ 7348-81 Проволока из углеродистой стали для армирования предварительно напряженных железобетонных конструкций. Технические условия

ГОСТ 8829-94 Изделия строительные железобетонные и бетонные заводского изготовления. Методы испытаний нагружением. Правила оценки прочности, жесткости и трещиностойкости

ГОСТ 10060.0-95 Бетоны. Методы определения морозостойкости. Общие требования

ГОСТ 10060.1-95 Бетоны. Базовый метод определения морозостойкости

ГОСТ 10060.2-95 Бетоны. Ускоренные методы определения морозостойкости при многократном замораживании и оттаивании

ГОСТ 10180-2012 Бетоны. Методы определения прочности по контрольным образцам

ГОСТ 10181-2000 Смеси бетонные. Методы испытаний

ГОСТ 10884-94 Сталь арматурная термомеханически упрочненная для железобетонных конструкций. Технические условия

ГОСТ 10922-90 Арматурные и закладные изделия сварные, соединения сварные арматуры и закладных изделий железобетонных конструкций. Общие технические условия

ГОСТ 12730.0-78 Бетоны. Общие требования к методам определения плотности, влажности, водопоглощения, пористости и водонепроницаемости

ГОСТ 12730.1-78 Бетоны. Методы определения плотности

ГОСТ 12730.5-84 Бетоны. Методы определения водонепроницаемости

ГОСТ 13015-2012 Изделия железобетонные и бетонные для строительства. Общие технические требования. Правила приемки, маркировки, транспортирования и хранения

ГОСТ 13840-68 Канаты стальные арматурные 1x7. Технические условия

ГОСТ 16504-81 Система государственных испытаний продукции. Испытания и контроль качества продукции. Основные термины и определения

ГОСТ 17623-87 Бетоны. Радиоизотопный метод определения средней плотности

ГОСТ 17624-87 Бетоны. Ультразвуковой метод определения прочности

ГОСТ 17625-83 Конструкции и изделия железобетонные. Радиационный метод определения толщины защитного слоя бетона, размеров и расположения арматуры

ГОСТ 18105-2010 Бетоны. Правила контроля и оценки прочности

ГОСТ 22362-77 Конструкции железобетонные. Методы измерения силы натяжения арматуры

ГОСТ 22690-88 Бетоны. Определение прочности механическими методами неразрушающего контроля

ГОСТ 22904-93 Конструкции железобетонные. Магнитный метод определения толщины защитного слоя бетона и расположения арматуры

ГОСТ 23858-79 Соединения сварные стыковые и тавровые арматуры железобетонных конструкций. Ультразвуковые методы контроля качества. Правила приемки

ГОСТ 25820-2000 Бетоны легкие. Технические условия

ГОСТ 26134-84 Бетоны. Ультразвуковой метод определения морозостойкости

ГОСТ 26633-91 Бетоны тяжелые и мелкозернистые. Технические условия

ГОСТ 32499-2013 Плиты перекрытий железобетонные многопустотные для зданий пролетом до 9 м стендового формования

Примечание - При пользовании настоящим стандартом целесообразно проверить действие ссылочных стандартов в информационной системе общего пользования - на официальном сайте Федерального агентства по техническому регулированию и метрологии в сети Интернет или по ежегодному информационному указателю "Национальные стандарты", который опубликован по состоянию на 1 января текущего года, и по выпускам ежемесячного информационного указателя "Национальные стандарты" за текущий год. Если ссылочный документ заменен (изменен), то при пользовании настоящим стандартом следует руководствоваться заменяющим (измененным) документом. Если ссылочный стандарт отменен без замены, то положение, в котором дана ссылка на него, применяется в части, не затрагивающей эту ссылку.

3 Термины и определения

В настоящем стандарте применены следующие термины по ГОСТ 32499 и ГОСТ 21506:

3.1 перекрытие: Несущая, междуэтажная горизонтальная конструкция, являющаяся одновременно потолком нижележащего этажа и полом вышележащего.

Примечание - Перекрытие выполняется в виде монолитной железобетонной плиты или из сборных плит в балочном или безбалочном конструктивном варианте.

[ГОСТ 32499, пункт 3.1]

3.2. плита: Горизонтальный плоскостной элемент сооружения, предназначенный для восприятия эксплуатационных нагрузок и передачи их на несущие элементы.

Примечание - Плиты применяются в строительстве зданий и сооружений различного назначения.

[ГОСТ 21506, пункт 3.2]

4 Технические требования

4.1 Общие требования

4.1.1 Применение плит в условиях постоянного воздействия температуры выше плюс 50°С, а также в неотапливаемых зданиях и на открытом воздухе при расчетной температуре наружного воздуха ниже минус 40°С допускается при соблюдении дополнительных условий, устанавливаемых действующими нормативными документами.

4.1.2 Применение плит в районах с сейсмичностью 7 и более баллов допускается при условии выполнения требований действующих нормативных документов.

4.1.3 Применение плит в условиях слабо- и среднеагрессивной степени воздействия газообразной среды на железобетонные конструкции допускается при условии выполнения требований действующих нормативных документов.

4.2 Основные параметры и размеры

4.2.1 Плиты следует изготавливать в соответствии с требованиями настоящего стандарта, проектной и технологической документации, утвержденной в установленном порядке.

4.2.2 Плиты в зависимости от способа их опирания на ригели каркаса здания или сооружения подразделяют на два типа:

- 1П - с опиранием на полки ригелей;

- 2П - с опиранием на верх ригелей.

Плиты типа 1П предусмотрены восьми типоразмеров (1П1-1П8), типа 2П - одного типоразмера (2П1).

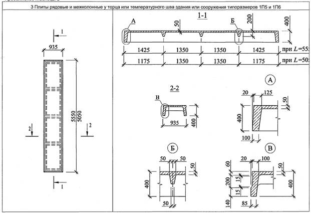
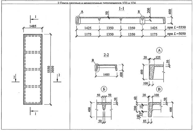
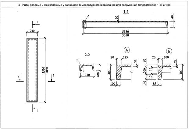
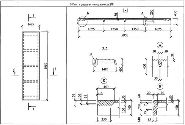
4.2.3 Форма и основные размеры плит должны соответствовать указанным в таблицах 1 и 2.

4.2.4 Допускается изготавливать плиты типоразмеров 1П1-1П6 с вутами в местах сопряжения продольных и торцевых ребер согласно рабочим чертежам на эти плиты.

4.2.5 Плиты типоразмеров 1П1-1П6 и 2П1 изготовляют с напрягаемой продольной арматурой, типоразмеров 1П7 и 1П8 - с ненапрягаемой продольной арматурой.

4.2.6 В случаях, предусмотренных проектной документацией конкретного здания или сооружения, утвержденной в установленном порядке, плиты могут иметь проемы, отверстия, вырезы в полках, углубления на наружных гранях продольных ребер для устройства бетонных шпонок между смежными плитами, а также дополнительные закладные изделия при соблюдении остальных требований настоящего стандарта.

Глубина пазов должна быть 14-16 мм. Пример углубления приведен на рисунке 1.

image002.jpg

Таблица 1

Типоразмер плиты

Основные размеры плиты, мм

Масса плиты (справочная), т

Назначение плиты

Длина L

Ширина

1П1

5550

2985

4,73 (3,8)

Рядовые и межколонные

1485

2,20 (1,8)

1П3

935

1,70 (1,4)

Межколонные

1П5

740

1,50 (1,2)

1П7

1П2

5050

2985

4,35 (3,5)

Рядовые и межколонные у торца или температурного шва здания или сооружения

1485

2,10 (1,7)

1П4

935

1,60 (1,3)

Межколонные у торца или температурного шва здания или сооружения

1П6

740

1,37 (1,1)

1П8

2П1

5950

1485

2,40 (1,9)

Рядовые; рядовые у торца или температурного шва здания или сооружения

2,30 (1,8)

Межколонные

2,20 (1,8)

Межколонные у торца или температурного шва здания или сооружения

Примечания

1 Масса плиты приведена для тяжелого бетона средней плотности 2500 кг/м3, а в скобках - для легкого бетона средней плотности 2000 кг/м3.

2 Дополнительные размеры приведены в [1] и [2].

Таблица 2

image004.jpg

image006.jpg

image008.jpg

image010.jpg

image012.jpg

image014.jpg

image016.jpg

4.3 Характеристики плит

4.3.1 Плиты должны удовлетворять требованиям по прочности, жесткости и трещиностойкости, установленными рабочими чертежами на эти плиты на этапах эксплуатации, транспортирования и хранения, а также выдерживать при испытаниях контрольные нагрузки, указанные в проектной документации.

4.3.2 Плиты должны удовлетворять требованиям ГОСТ 13015:

- по показателям фактической прочности бетона (в проектном возрасте, передаточной и отпускной);

- по морозостойкости бетона, а для плит, эксплуатируемых при условии воздействия агрессивной газообразно среды - также по водонепроницаемости бетона;

- к маркам сталей для закладных изделий, в том числе для монтажных петель;

- по толщине защитного слоя бетона;

- по защите от коррозии.

4.3.3 Несущая способность конкретной плиты зависит от класса напрягаемой арматуры, вида и класса бетона и определяется автором проекта здания (сооружения) по действующим в период применения нормативным документам.

4.4 Требования к материалам

4.4.1 Плиты следует изготавливать из тяжелого бетона средней плотностью от 2200 кг/м3 до 2500 кг/м3включительно по ГОСТ 26633 или легкого бетона плотной структуры средней плотностью от 1800 до 2000 кг/м3включительно по ГОСТ 25820, классов по прочности бетона на сжатие, указанных в рабочих чертежах этих плит.

4.4.2 Передачу усилий обжатия на бетон (отпуск натяжения арматуры) следует проводить после достижения бетоном требуемой передаточной прочности.

Нормируемая передаточная прочность бетона предварительно напряженных плит (прочность бетона к моменту его обжатия, контролируемая аналогично классу бетона по прочности на сжатие) устанавливается в зависимости от класса бетона, вида и класса напрягаемой арматурной стали, величины предварительного натяжения и назначается в рабочих чертежах на эти плиты, но принимается не менее 15 МПа и не менее 50% принятого класса бетона по прочности на сжатие.

4.4.3 Нормируемую отпускную прочность бетона на сжатие принимают равной нормируемой передаточной прочности, но не менее 70% проектной.

При поставке плит в холодный период года или при перевозке железнодорожным транспортом нормируемая отпускная прочность бетона может быть повышена до 85% класса бетона по прочности на сжатие.

Нормируемая отпускная прочность бетона должна соответствовать значению, указанному в проектной документации на конкретное здание или сооружение и в заказе на изготовление плит согласно требованиям ГОСТ 13015.

4.4.4 Для плит, эксплуатируемых при слабо- и среднеагрессивной степени воздействия газообразной среды, следует применять бетон, удовлетворяющий требованиям, установленным проектной документацией (согласно действующим нормативным документам) и указанным в заказе на изготовление плит.

4.4.5 Для армирования плит рекомендуется применять следующие виды и классы арматуры:

- в качестве напрягаемой арматуры - горячекатаную термомеханически упрочненную арматуру периодического профиля классов А600, А800 и А1000 (ГОСТ 10884), арматурные канаты классов К1400 и К1500 (ГОСТ 13840), высокопрочную холоднотянутую проволоку периодического профиля классов В1200, В1300, В1400, В1500 (ГОСТ 7348), а также по действующим в странах нормативно-техническим документам*;

- в качестве ненапрягаемой арматуры - стержневую арматуру классов А240, А400 (ГОСТ 5781) и проволоку класса В500 (ГОСТ 6727), а также по действующим в странах нормативно-техническим документам*.

4.4.6 Допускается в качестве напрягаемой арматуры плит применять арматуру класса А400, упрочненную вытяжкой, с контролем величины напряжения и предельного удлинения или контролем только величины удлинения (без контроля напряжения).

4.4.7 Значения напряжений в напрягаемой арматуре, контролируемые по окончании натяжения арматуры на упоры, должны соответствовать указанным в проектной документации.

Значения фактических отклонений напряжений в напрягаемой арматуре не должны превышать ±10%.

4.5 Требования к качеству поверхности и внешнему виду плит

4.5.1 Форма и размеры арматурных и закладных изделий и их положение в плитах должны соответствовать указанным в рабочих чертежах или стандартах на эти плиты и требованиям ГОСТ 10922.

4.5.2 Отклонения от номинальных размеров плит, указанных в рабочих чертежах, не должны превышать следующих значений:

- по длине плит - ±10 мм;

- по высоте плит - ±5 мм;

- по толщине полки - ±3 мм;

- по ширине плит - ±6 мм (при ширине до 2,5 м) и ±8 мм (при ширине свыше 2,5 м).

4.5.3 Отклонения от проектного положения стальных закладных изделий не должны превышать:

10 мм - в плоскости плиты;

5 мм - из плоскости плиты.

4.5.4 Требования к качеству поверхностей и внешнему виду плит - по ГОСТ 13015 и настоящему стандарту.

Размеры раковин, местных наплывов (выступов), впадин на бетонных поверхностях и сколов бетона ребер плит не должны превышать предельных для категорий поверхности, установленных в проекте для конкретных условий применения плит.

4.5.5 В бетоне плит, поставляемых потребителю, трещины не допускаются, за исключением:

- усадочных и других поверхностных технологических трещин, ширина которых не должна превышать 0,1 мм;

- поперечных в верхней зоне продольных ребер от обжатия бетона, размеры которых не должны превышать указанных в рабочих чертежах на эти плиты;

- поперечных в торцевых ребрах, ширина которых не должна превышать 0,3 мм.

4.5.6 Концы напрягаемой арматуры не должны выступать за торцевые поверхности плит более чем на 10 мм и их следует защищать слоем цементно-песчаного раствора или битумным лаком.

4.6 Маркировка

Маркировку плит проводят по ГОСТ 13015. Маркировочные надписи и знаки следует наносить на наружной грани торцевого или продольного ребра плиты.

5 Приемка

5.1 Приемку плит проводят по ГОСТ 13015 и настоящему стандарту.

5.2 Плиты принимают по данным входного, операционного и приемочного контроля, а также:

- по результатам периодических испытаний - по показателям прочности, жесткости и трещиностойкости плит, морозостойкости бетона, а также по водонепроницаемости бетона плит, предназначенных для эксплуатации в условиях воздействия агрессивной газообразной среды;

- по результатам приемо-сдаточных испытаний - по показателям прочности бетона (классу бетона по прочности на сжатие, передаточной и отпускной прочности), средней плотности легкого бетона, соответствию арматурных и закладных изделий рабочим чертежам, прочности сварных соединений, точности геометрических параметров, толщины защитного слоя бетона до арматуры, ширины раскрытия технологических трещин и категории бетонной поверхности.

5.3 Периодические испытания плит нагружением для контроля их прочности, жесткости и трещиностойкости проводят перед началом их массового изготовления и в дальнейшем - при внесении в них конструктивных изменений или при изменении технологии изготовления, а также в процессе серийного производства плит не реже одного раза в 6 мес.

Испытания плит нагружением в случае внесения в них конструктивных изменений или при изменении технологии изготовления допускается не проводить по согласованию с проектной организацией - разработчиком рабочих чертежей плит.

5.4 Документ о качестве плит, поставляемых потребителю, следует составлять по ГОСТ 13015.

Дополнительно в документе о качестве плит должна быть приведена марка бетона по морозостойкости, а для плит, предназначенных для эксплуатации в условиях воздействия агрессивной газообразной среды, - марка бетона по водонепроницаемости.

5.5 Испытания бетона по показателю пористости (объему межзерновых пустот) уплотненной смеси легкого бетона следует проводить не реже одного раза в месяц.

5.6 Плиты по показателям точности геометрических параметров, толщине защитного слоя бетона до арматуры, категории бетонной поверхности и ширине раскрытия технологических трещин следует принимать по результатам выборочного контроля.

6 Методы контроля

6.1 Испытания плит по прочности, жесткости и трещиностойкости следует проводить в соответствии с требованиями ГОСТ 8829, ГОСТ 16504 и рабочих чертежей на эти плиты.

6.2 Прочность бетона плит следует определять по ГОСТ 10180 на серии образцов, изготовленных из бетонной смеси рабочего состава по ГОСТ 10181 и хранившихся в условиях, установленных ГОСТ 18105.

При контроле прочности бетона (при испытании плит) неразрушающими методами фактическую передаточную прочность бетона на сжатие следует определять ультразвуковым методом по ГОСТ 17624 или приборами механического действия по ГОСТ 22690, а также другими методами, предусмотренными стандартами на методы испытаний бетона.

6.3 Морозостойкость бетона следует определять по ГОСТ 10060.0, ГОСТ 10060.1, ГОСТ 10060.2 или ультразвуковым методом по ГОСТ 26134 на серии образцов, изготовленных из бетонной смеси рабочего состава.

6.4 Водонепроницаемость бетона плит, предназначенных для эксплуатации в условиях воздействия агрессивной газообразной среды, следует определять по ГОСТ 12730.0 и ГОСТ 12730.5 на серии образцов, изготовленных из бетонной смеси рабочего состава.

6.5 Показатели пористости в уплотненной смеси легкого бетона следует определять по ГОСТ 10181.

6.6 Среднюю плотность легкого бетона плит следует определять по ГОСТ 12730.0 и ГОСТ 12730.1 на серии образцов, изготовленных из бетонной смеси рабочего состава, или радиоизотопным методом по ГОСТ 17623.

6.7 Методы контроля и испытаний сварных арматурных и закладных изделий следует принимать по ГОСТ 10922 и ГОСТ 23858.

6.8 Силу натяжения арматуры, контролируемую по окончании натяжения, следует измерять по ГОСТ 22362.

6.9 Размеры и отклонения от прямолинейности, плоскостности, ширину раскрытия технологических трещин, качество бетонных поверхностей и внешний вид плит следует проверять методами, установленными ГОСТ 13015.

6.10 Положение арматурных и закладных изделий, а также толщину защитного слоя бетона до арматуры следует определять по ГОСТ 17625 и ГОСТ 22904.

7 Транспортирование и хранение

7.1 Транспортировать и хранить плиты следует в соответствии с требованиями ГОСТ 13015 и настоящего стандарта.

Способы складирования и хранения детализируются в технических условиях заводов-изготовителей.

Выбор транспортных средств проводят на стадии разработки проекта производства работ с учетом размеров плит, дальности перевозки и дорожных условий.

7.2 Плиты следует транспортировать и хранить в горизонтальном положении в штабелях с опиранием плит на четыре точки.

Высота штабеля плит не должна превышать 2,5 м.

7.3 Подкладки под плитами и прокладки между ними в штабеле следует располагать по торцам продольных ребер в местах установки опорных закладных изделий. Ширина прокладки назначается с учетом прочности древесины на смятие. Толщина прокладки должна обеспечивать зазор от верха монтажной петли не менее 20 мм.

7.4 При транспортировании плиты следует укладывать на транспортные средства продольной осью по направлению движения транспорта.

7.5 Закрепление плит допускается проводить с помощью стоек и связевых поперечных брусков, закрепленных двумя парами растяжек из проволоки диаметром 6 мм в шесть нитей. Верхний и нижний поперечные бруски прибивают к стойкам, нижний брусок, кроме того, к полу платформы четырьмя гвоздями длиной не менее 150 мм, как показано на рисунке 3 ГОСТ 32499.

7.6 Для транспортирования плит также используют специальные составы, вагоны которых оборудованы кассетами, сварными каркасами и контейнерами. Конструкция такого контейнера показана на рисунке 4 ГОСТ 32499.

Библиография

[1]

Типовая РД серия 1.442.1-1.87

Плиты перекрытий железобетонные ребристые высотой 400 мм, укладываемые на полки ригелей (измененный вариант оформления)

[2]

Типовая РД серия 1.442.1-5.94

Плиты перекрытия железобетонные ребристые высотой 400 мм, укладываемые на ригели прямоугольного сечения

______________________________

* В Российской Федерации арматура класса А500С изготавливается по ГОСТ Р 52544

Последние добавленные документы

Яндекс.Метрика