Утв. и введен в действие постановлением Государственного комитета СССР по стандартам от 31 января 1979 г. N 384
Государственный стандарт Союза ССР ГОСТ 23469.3-79
"ГИЛЬЗЫ КАБЕЛЬНЫЕ СОЕДИНИТЕЛЬНЫЕ МЕДНЫЕ, ЗАКРЕПЛЯЕМЫЕ ОПРЕССОВКОЙ. КОНСТРУКЦИЯ И РАЗМЕРЫ"
С изменениями:
(25 июня 1986 г., 21 июня 1989 г., 24 июня 1991 г.)
Copper connection cable slewes fastened by pressing. Construction and sizes
Группа Е77
ОКП 34 4986
Дата введения - 1 января 1982 г.
Взамен ГОСТ 7388-70
Разработан Министерством монтажных и специальных строительных работ СССР
ИСПОЛНИТЕЛЬ
В.Н. Алексеенко
Внесен Министерством монтажных и специальных строительных работ СССР
Член Коллегии В.М. Орлов
Утвержден и введен в действие Постановлением Государственного комитета СССР по стандартам от 31 января 1978 г. N 384
1. Настоящий стандарт распространяется на кабельные соединительные медные гильзы, закрепляемые опрессовкой и предназначенные для соединения проводов и кабелей с медными жилами сечением от 1 до 300 мм2 на напряжение до 10 кВ.
Требования пп. 1, 2, 3, 5, 6 настоящего стандарта являются обязательными, другие требования - рекомендуемыми.
2. Конструкция, основные размеры, условное обозначение с указанием вида климатического исполнения по ГОСТ 15150-69, коды ОКП, предельные отклонения, маркировка и расчетная масса гильз должны соответствовать указанным на чертеже и в таблице.

Размеры, мм
|
Обозначение
|
Код ОКП
|
d
|
d1
|
с *
|
L
|
Маркировка
|
Расчетная масса 1000 шт., кг
|
|
номин.
|
(пред. откл.
|
|
1,5-УХЛ3
|
34 4986 0011
|
3
|
1,8
|
0,3
|
20
|
± 0,260
|
1,5
|
0,80
|
|
1,5-Т2
|
34 4986 0012
|
|
2,5-УХЛ3
|
34 4986 0021
|
5
|
2,6
|
0,6
|
2,5
|
2,54
|
|
2,5-Т2
|
34 4986 0022
|
|
4-УХЛ3
|
34 4986 0031
|
3,0
|
0,5
|
4
|
3,36
|
|
4-Т2
|
34 4986 0032
|
|
6-УХЛ3
|
34 4986 0041
|
6
|
4,0
|
30
|
± 0,310
|
6
|
4,20
|
|
6-Т2
|
34 4986 0042
|
|
10-УХЛ3
|
34 4986 0051
|
8
|
5,0
|
0,8
|
10
|
8,16
|
|
10-Т2
|
34 4986 0052
|
|
16-УХЛ3
|
34 4986 0061
|
9
|
6,0
|
16
|
9,42
|
|
16-Т2
|
34 4986 0062
|
|
25-УХЛ3
|
34 4986 0071
|
11
|
8,0
|
40
|
25
|
15,92
|
|
25-Т2
|
34 4986 0072
|
|
35-УХЛ3
|
34 4986 0081
|
13
|
10,0
|
50
|
± 0,370
|
35
|
24,10
|
|
35-Т2
|
34 4986 0082
|
|
50-УХЛ3
|
34 4986 0091
|
14
|
11,0
|
50
|
50
|
26,20
|
|
50-Т2
|
34 4986 0092
|
|
70-УХЛ3
|
34 4986 0101
|
16
|
13,0
|
53
|
70
|
32,22
|
|
70-Т2
|
34 4986 0102
|
|
95-УХЛ3
|
34 4986 0111
|
19
|
15,0
|
1,0
|
67
|
95
|
63,65
|
|
95-Т2
|
34 4986 0112
|
|
120-УХЛ3
|
34 4986 0121
|
22
|
17,0
|
1,3
|
120
|
91,25
|
|
120-Т2
|
34 4986 0122
|
|
150-УХЛ3
|
34 4986 0131
|
25
|
19,0
|
1,5
|
150
|
123,55
|
|
150-Т2
|
34 4986 0132
|
|
185-УХЛ3
|
34 4986 0141
|
27
|
21,0
|
185
|
150,90
|
|
185-T2
|
34 4986 0142
|
|
240-УХЛ3
|
34 4986 0151
|
32
|
24,0
|
2,0
|
75
|
240
|
234,75
|
|
240-Т2
|
34 4986 0152
|
|
300-УХЛ3
|
34 4986 0161
|
34
|
27,0
|
1,8
|
300
|
223,73
|
|
300-Т2
|
34 4986 0162
|
| | | | | | | | | |
* Размер для справок
Пример условного обозначения
Гильза кабельная соединительная медная закрытая, предназначенная для соединения проводов и кабелей с жилами сечением 120 мм2, климатического исполнения УХЛ, категории размещения 3:
Гильза 120-УХЛ3 ГОСТ 23469.3-79
3. Гильзы должны изготовляться из медных труб марок меди M1 и М2 по ГОСТ 617-90.
4. Основные размеры опрессованных гильз указаны в приложении.
5. Гильзы климатического исполнения Т2 должны иметь покрытие 06 по ГОСТ 9.306-85.
Допускаются другие виды защитных металлических покрытий.
6. Остальные требования - по ГОСТ 23469.0-81.
Приложение
Рекомендуемое
Основные размеры опрессованных соединений
Рекомендуемые размеры опрессованных соединений кабельных гильз приведены на черт. 1, 2 и в табл. 1, 2.

1 - гильза; 2 - кабель
Черт. 1
Таблица 1
|
Маркировка
|
Сечение жилы, мм2
|
Класс жилы по ГОСТ 22483-77
|
l
|
l1
|
l2
|
l3
|
h (± 0,25)
|
|
1,5
|
1,0; 1,2
|
1, 2, 3, 4, 5, 6
|
5,0
|
10
|
4
|
1
|
1,5
|
|
1,5
|
1, 2, 3, 4
|
|
2,0
|
1, 2
|
|
2,5
|
1,5
|
5, 6
|
2,5
|
|
2,0
|
3
|
|
2,5
|
1, 2, 3, 4, 5, 6
|
|
3,0; 4,0
|
1, 2, 3, 4
|
|
4
|
4,0
|
5
|
7,5
|
15
|
|
5,0; 6,0
|
1
|
|
6
|
4,0
|
6
|
3,0
|
|
5,0
|
2, 3, 4
|
|
6,0
|
2, 3, 4, 5, 6
|
|
8,0
|
1, 2, 3, 4
|
|
10,0
|
1
|
|
10
|
10,0
|
2, 3, 4
|
4,0
|
|
16,0
|
1
|
|
16
|
10,0
|
5, 6
|
5,0
|
|
16,0
|
2, 3, 4
|

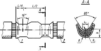
1 - гильза; 2 - кабель
Черт. 2
Таблица 2
Размеры в мм
|
Маркировка
|
Сечение, мм2, все классы жил по ГОСТ 22483-77
|
l
|
l1
|
R
|
R1
|
h (± 0,25)
|
|
16
|
16
|
9,5
|
4,0
|
5,0
|
5,0
|
4,3
|
|
25
|
25
|
5,0
|
6,0
|
6,0
|
5,0
|
|
35
|
35
|
11,5
|
6,0
|
7,0
|
7,0
|
5,5
|
|
50
|
50
|
7,5
|
7,5
|
6,5
|
|
70
|
70
|
12,5
|
7,5
|
9,0
|
8,5
|
7,3
|
|
95
|
95
|
8,0
|
10,5
|
10,0
|
8,5
|
|
120
|
120
|
13,5
|
10,5
|
12,0
|
12,0
|
11,0
|
|
150
|
150
|
14,5
|
12,5
|
14,0
|
14,0
|
12,0
|
|
185
|
185
|
15,5
|
13,5
|
15,0
|
15,0
|
13,0
|
|
240
|
240
|
17,0
|
15,0
|
17,5
|
17,5
|
15,0
|
|
300
|
300
|
19,0
|
17,0
|
19,0
|
19,5
|
17,0
|
Приложение 2
Рекомендуемое
Основные размеры опрессованных соединений судовых проводов и кабелей
Исключено с 1 января 1990 г. - Изменение N 2
Приложение 3
Справочное
Маркировка гильз
Исключено с 1 января 1990 г. - Изменение N 2