ГОСТ 22930-87 ПЛИТЫ ЖЕЛЕЗОБЕТОННЫЕ ПРЕДВАРИТЕЛЬНО НАПРЯЖЕННЫЕ ДЛЯ ОБЛИЦОВКИ ОРОСИТЕЛЬНЫХ КАНАЛОВ МЕЛИОРАТИВНЫХ СИСТЕМ. ТЕХНИЧЕСКИЕ УСЛОВИЯ
Prestressed reinforced concrete slabs for irrigation canal lining of melioration systems. Specifications
Дата введения 1 января 1988 г.
Взамен ГОСТ 22930-78
Настоящий стандарт распространяется на железобетонные предварительно напряженные плиты, изготовляемые из тяжелого бетона и предназначенные для облицовки оросительных каналов мелиоративных систем.
Плиты применяют в каналах:
при глубине штока поды до 3 м включ., максимальной высоте волны 0, 5 м и отсутствии ледовых нагрузок;
сооружаемых в нескальных грунтах при неагрессивной степени воздействия на железобетонные конструкции;
сооружаемых в несейсмических районах, а также в районах с сейсмичностью до 8 баллов включ.
1.1. Форма и размеры плит, а также их показатели материалоемкости должны соответствовать указанным на черт. 1. и в табл. 1.
1 - монтажная петля; 2 - монтажная петля (только для плит при b=750 и 1000 мм)
Черт. 1
Таблица 1
|
Марка плиты |
Основные размеры плиты, мм |
Расход материалов |
Масса плиты (справочная), т | ||||
|
l |
b |
a1 |
a2 |
Бетон, м3 |
Сталь, кг | ||
|
ПКН60.20 |
6000 |
2000 |
1250 |
1350 |
0, 72 |
29, 7 |
1, 80 |
|
ПКН60.15 |
6000 |
1500 |
1250 |
1350 |
0, 54 |
20, 6 |
1, 35 |
|
ПКН60.10 |
6000 |
1000 |
1250 |
1350 |
0, 36 |
12, 5 |
0, 90 |
|
ПКН60.8 |
6000 |
750 |
1250 |
1350 |
0, 27 |
9, 4 |
0, 67 |
|
ПКН50.20 |
5000 |
2000 |
1100 |
1200 |
0, 60 |
24, 4 |
1, 50 |
|
ПКН40.20 |
4000 |
2000 |
830 |
930 |
0, 48 |
18, 5 |
1, 20 |
1.2. Плиты допускается изготовлять с технологическими уклонами их торцов, а плиты марок ПКН60.8 и ПКН60.10 - без технологического уклона одной из продольных граней.
1.3. В плитах предусмотрены выпуски напрягаемой арматуры для создания монолитных швов между плитами облицовки оросительных каналов. Длина выпусков арматуры устанавливается проектной документацией на конкретное сооружение и должна быть не менее 25 мм и не более 70 мм.
1.4. Конструкции плит, а также арматурных изделий к ним приведены в обязательном приложении.
1.5. Плиты обозначают марками в соответствии с требованиями ГОСТ 23009-78.
Марка плиты содержит обозначение наименования конструкции (ПКН - плита крепления с напрягаемой арматурой), длину и ширину плиты в дециметрах (значения которых округляют до целого числа).
Пример условного обозначения (марки) плиты длиной 6000 мм, шириной 2000 мм:
ПКН60.20
2.1. Плиты следует изготовлять в соответствии с требованиями настоящего стандарта и технологической документации, утвержденной в установленном порядке.
2.2. Плиты должны удовлетворять требованиям по прочности и трещиностойкости и выдерживать при испытании контрольные нагрузки.
2.3. Плиты должны удовлетворять требованиям ГОСТ 13015.0-83:
по показателям фактической прочности бетона (в проектном возрасте, передаточной и отпускной);
по морозостойкости бетона;
к маркам сталей для монтажных петель;
по отклонению толщины защитного слоя бетона до арматуры;
по применению форм для изготовления плит.
2.4. Плиты следует изготовлять из тяжелого бетона средней плотности более 2200 до 2500 кг/м3 включ. и класса по прочности на сжатие В22, 5. Бетон, материалы для его приготовления и бетонные смеси должны удовлетворять требованиям ГОСТ 26633-85.
2.5. Коэффициент вариации прочности бетона в партии для плит высшей категории качества не должен быть более 9%.
2.6. Передачу усилий обжатия на бетон (отпуск натяжения арматуры) следует производить после достижения бетоном требуемой передаточной прочности.
Значение нормируемой передаточной прочности бетона плит должно быть 19, 6 МПа (200 кгс/см2).
2.7. Значение нормируемой отпускной прочности бетона плит принимают равным 70% класса бетона по прочности на сжатие. При поставке плит в холодный период года значение нормируемой отпускной прочности бетона может быть повышено, но не более 80% класса бетона по прочности на сжатие. Значение нормируемой отпускной прочности бетона должно соответствовать указанному в проектной документации на конкретное сооружение и в заказе на изготовление плит согласно требованиям ГОСТ 13015.0-83.
2.8. Водонепроницаемость бетона плит должна соответствовать марке по водонепроницаемости W6.
2.9. Водопоглощение бетона плит не должно быть более 5% по массе.
2.10. Для приготовления бетона следует применять портландцемент по ГОСТ 10178-85.
2.11. Для армирования плит следует применять арматурную сталь следующих видов и классов: в качестве напрягаемой арматуры - высокопрочную арматурную проволоку класса Вр-II по ГОСТ 7348-81;
в качестве ненапрягаемой арматуры - обыкновенную арматурную проволоку класса Вр-I по ГОСТ 6727-80 и стержневую горячекатаную арматурную сталь класса A-I по ГОСТ 5781-82 (только для монтажных петель поз. 6-10 и стержня поз. 16, указанных в обязательном приложении).
2.12. Форма и размеры арматурных изделий и их положение в плитах должны соответствовать указанным в обязательном приложении.
2.13. Натяжение напрягаемой арматуры следует производить механическим или электротермическим способом на упоры.
2.14. Напряжение в напрягаемой арматуре, контролируемое по окончании натяжения ее на упоры, должно быть 804, 1 МПа (8200 кгс/см2).
Значения действительных отклонений напряжений в напрягаемой арматуре не должны превышать при натяжении:
механическим способом +10, -5%;
электротермическим способом ±88, 3 МПа (±900кгс/см2).
2.15. Температура нагрева напрягаемой арматуры при электротермическом способе натяжения не должна превышать 400°С.
2.16. Значения действительных отклонений геометрических параметров плит не должны превышать предельных, указанных в табл. 2.
Таблица 2
мм
|
Наименование отклонения геометрического параметра |
Наименование геометрического параметра |
Пред. откл. |
|
Отклонение от линейного размера |
Длина плиты: | |
|
4000 |
±20 | |
|
5000 и 6000 |
±25 | |
|
Ширина плиты: | ||
|
750 и 1000 |
±10 | |
|
1500 |
±12 | |
|
2000 |
±15 | |
|
Толщина плиты |
+5, -3 | |
|
Размер, определяющий положение монтажных петель: | ||
|
по длине плиты |
20 | |
|
по ширине плиты |
10 | |
|
по толщине плиты |
3 | |
|
Отклонение от прямолинейности |
Прямолинейность профиля поверхности боковых граней плиты в любом сечении на всей длине: | |
|
4000 |
12 | |
|
5000 и 6000 |
15 | |
|
Отклонение от равенства диагоналей |
Разность длин диагоналей лицевой поверхности плиты длиной: | |
|
4000 |
16 | |
|
5000 и 6000 |
20 |
2.17. Значения действительных отклонений толщины защитного слоя бетона до арматуры плит высшей категории качества не должны превышать, мм:
+3, -2 - при толщине защитного слоя бетона до поверхности арматурного стержня св. 14 до 19 мм включ.;
+5, -3 - то же, св. 19 мм.
2.18. Устанавливают следующие категории бетонных поверхностей плит:
А6 - лицевой (поверхности, прилегающей к оснастке при изготовлении плит), неотделываемой;
А7 - нелицевой, невидимой в условиях эксплуатации.
Требования к качеству поверхностей и внешнему виду плит (в том числе требования к ширине усадочных и других технологических трещин) - по ГОСТ 13015.0-83.
2.19. Длина катета скола в углах плит не должна быть более 100 мм.
2.20. На нелицевой поверхности плит, изготовляемых пакетным способом, допускаются впадины (седиментационные углубления) глубиной до 4 мм и шириной до 600 мм. Длина впадин не ограничивается.
3.1. Правила приемки плит - по ГОСТ 13015.1-81 и настоящему стандарту. Число плит в партии должно быть не более 300.
3.2. Испытания плит нагружением для определения их прочности и трещиностойкости проводят перед началом массового изготовления плит, и в дальнейшем - при изменении технологии их изготовления, вида и качества применяемых материалов.
3.3. Плиты принимают:
по результатам периодических испытаний - по показателям морозостойкости, водонепроницаемости и водопоглощения бетона плит;
по результатам приемо-сдаточных испытаний - по показателям прочности бетона (классу по прочности на сжатие, передаточной и отпускной прочности), соответствия арматурных изделий обязательному приложению, прочности сварных соединений, точности геометрических параметров, толщины защитного слоя бетона до арматуры, ширины раскрытия технологических трещин, категории бетонной поверхности.
3.4. Приемку плит по показателям точности геометрических параметров, толщины защитного слоя бетона до арматуры, категории бетонной поверхности и ширины раскрытия технологических трещин следует осуществлять по результатам одноступенчатого выборочного контроля.
4.1. Испытание плит нагружением для определения их прочности и трещиностойкости следует проводить по достижении бетоном прочности на сжатие в проектном возрасте.
Контроль прочности и трещиностойкости плит следует осуществлять по ГОСТ 8829-85. Схема опирания и загружения плиты при испытании ее нагружением приведена на черт. 2.
Схема опирания плиты
Расположение нагрузки на плите в плане
1 - теоретическая схема нагрузки; 2 - нагрузка; 3 - подвижная опора; 4 - неподвижная опора
Черт. 2
Все опоры, установленные в местах крепления монтажных петель, должны быть шаровыми, чтобы обеспечивать поворот в двух плоскостях и перемещение в плоскости плиты. Одна шаровая опора должна быть неподвижной, а также должно быть предусмотрено устройство, препятствующее вращению плиты в горизонтальной плоскости вокруг неподвижной опоры.
Контрольная нагрузка при испытании плит на прочность и трещиностойкость равна 1, 62 кПа (165 кгс/м2); нагрузка при определении ширины раскрытия трещин плит равна 85% контрольной.
Контрольная ширина раскрытия трещин при испытании плит по трещиностойкости не должна превышать 0, 2 мм.
4.2. Прочность бетона плит следует определять по ГОСТ 10180-78 на серии образцов, изготовленных из бетонной смеси рабочего состава и хранившихся в условиях, установленных ГОСТ 18105-86.
При испытании плит неразрушающими методами фактическую передаточную и отпускную прочность бетона на сжатие следует определять ультразвуковым методом по ГОСТ 17624-78 или приборами механического действия по ГОСТ 22690.0-77 - ГОСТ 22690.4-77, а также другими методами, предусмотренными стандартами на методы испытания бетона.
4.3. Морозостойкость бетона следует определять по ГОСТ 10060-87 на серии образцов, изготовленных из бетонной смеси рабочего состава.
4.4. Водонепроницаемость бетона следует определять по ГОСТ 12730.0-78 и ГОСТ 12730.5-84 на серии образцов, изготовленных из бетонной смеси рабочего состава.
4.5. Водопоглощение бетона следует определять по ГОСТ 12730.0-78 и ГОСТ 12730.3-78 на серии образцов, изготовленных из бетонной смеси рабочего состава.
4.6. Контроль и испытание сварных арматурных изделий следует проводить по ГОСТ 10922-75.
4.7. Измерение напряжений в напрягаемой арматуре, контролируемых по окончании натяжения, следует проводить по ГОСТ 22362-77.
4.8. Методы контроля и испытаний исходных сырьевых материалов, применяемых для изготовления плит, должны соответствовать установленным стандартами или техническими условиями на эти материалы.
4.9. Размеры, отклонения от прямолинейности и равенства диагоналей поверхностей, толщину защитного слоя бетона до арматуры, качество бетонных поверхностей и внешний вид плит следует проверять методами, установленными ГОСТ 13015-75.
5.1. Маркировка плит - по ГОСТ 13015.2-81. Маркировочные надписи и знаки следует наносить на боковой или торцевой поверхности плиты на расстоянии 100-500 мм от ее угла.
5.2. Допускается съем плиты из металлоформы за две монтажные петли, а также одновременный съем одной траверсой двух плит.
5.3. Требования к документу о качестве плит, поставляемых потребителю, - по ГОСТ 13015.3-81. Дополнительно в документе о качестве должны быть приведены марки бетона по морозостойкости и водонепроницаемости.
5.4. Плиты следует транспортировать и хранить в соответствии с требованиями ГОСТ 13015.4-84 и настоящего стандарта.
5.4.1. Плиты при транспортировании и хранении следует устанавливать в вертикальном положении (или с отклонением от вертикали до 8°) на боковые грани в специальных пирамидах. Установку плит производят без прокладок между ними поочередно с двух сторон пирамиды, не допуская разницы более двух плит на сторону. Плиты устанавливают на инвентарные подкладки толщиной, превышающей высоту монтажных петель не менее чем на 20 мм.
Допускается транспортировать и хранить плиты уложенными в горизонтальном положении в штабели на подкладки толщиной не менее 25 мм и без прокладок между плитами. Число плит в штабеле не должно быть более 10. Транспортировать плиты в горизонтальном положении допускается только при жесткости транспортного средства, достаточной для предотвращения возникновения изгибающих моментов в плитах как в продольном, так и в поперечном направлениях.
5.4.2. Подкладки под плитами в пирамидах или штабелях следует укладывать на расстоянии 1100-1400 мм от торцов плит.
5.4.3. После загрузки транспортных средств плиты должны быть зафиксированы гибкими стропами. Во избежание порчи плит в местах перегибов строп следует применять прокладки из дерева или других материалов, обеспечивающих сохранность конструкций.
Приложение
Обязательное
1. Положение стержней напрягаемой арматуры и арматурных каркасов должно соответствовать указанному на черт. 1-3.
Спецификация и выборка напрягаемой арматуры на одну плиту приведены в табл. 1. Спецификация арматурных каркасов на одну плиту приведена в табл. 2.
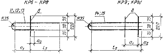
2. Форма и размеры арматурных каркасов должны соответствовать указанным на черт. 4-7 и в табл. 3, 4.
Спецификация и выборка стали на один арматурный каркас приведены в табл. 5.
3. Выборка стали на одну плиту приведена в табл. 6.
ПКН60.15
ПКН60.10; ПКН60.8
ПКН50.20
ПКН40.20
Черт. 1
Примечание. Сечение 1-1 см. на черт. 2.
Технологические операции армирования выполняют, в следующей последовательности: симметрично укладывают нижний ряд струн (поз 1; 2; 3), на них каркасы; по уложенным каркасам укладывают верхний ряд струн (поз. 1; 2; 3)
Черт. 2
РАСПОЛОЖЕНИЕ КАРКАСОВ
Черт. 3
Таблица 1
|
Марка плиты |
Позиция |
Диаметр, |
Длина, |
Количество |
Масса, кг | |
|
мм |
мм |
одной позиции |
Всего | |||
|
ПКН60.20 ПКН60.15 ПКН60.10 ПКН60.8 |
1 |
5ВрII |
6140 |
13 9 7 5 |
0, 95 |
12, 35 8, 55 6, 55 4, 75 |
|
ПКН50.20 |
2 |
5140 |
13 |
0, 79 |
10, 27 | |
|
ПКН40.20 |
3 |
4140 |
13 |
0, 64 |
8, 32 | |
Примечание. Длина напрягаемой арматуры в спецификации указана теоретическая. Действительная длина принимается в зависимости от способа натяжения и конструкции захватных приспособлений.
Таблица 2
|
Марка плиты |
Арматурный каркас |
Марка плиты |
Арматурный каркас | ||
|
Марка |
Количество |
Марка |
Количество | ||
|
ПКН60.20 |
КР1 КР6 КР11 |
9 4 4 |
ПКН60.8 |
КР5 КР10 КР11 |
8 2 2 |
|
ПКН60.15 |
КР2 КР8 КР11 |
9 4 4 |
ПКН50.20 |
КР1 КР7 КР11 |
8 4 4 |
|
ПКН60.10 |
КР4 КР9 КР11 |
8 2 2 |
ПКН40.20 |
КР3 КР7 КР11 |
4 4 4 |
Таблица 3
|
Марка каркаса |
Позиция |
Размеры, мм |
n | |
|
l1 |
а | |||
|
КР1 |
4 |
1950 |
55 |
4 |
|
КР2 |
6 |
1450 |
35 |
3 |
|
КР3 |
7 |
1950 |
55 |
4 |
|
КР4 |
9 |
950 |
15 |
2 |
|
КР5 |
10 |
700 |
120 |
1 |
Черт. 4
Черт. 5 Черт. 6
Таблица 4
|
Марка каркаса |
Позиция |
Размеры, мм | ||
|
l2 |
a1 |
a2 | ||
|
КР6 |
11 |
1400 |
370 |
20 |
|
КР7 |
12 |
1400 |
370 |
20 |
|
КР8 |
13 |
1000 |
320 |
20 |
|
КР9 |
14 |
950 |
400 |
40 |
|
КР10 |
15 |
700 |
300 |
10 |
Допускается применение полосы (поз.17) толщиной 5 мм и изменение ее ширины в пределах ±5 мм.
Черт. 7
Таблица 5
|
Марка |
По |
Эскиз |
Диаметр или |
Длина, |
Коли |
Масса |
Выборка стали | ||
|
каркаса |
зиция |
сечение, мм |
мм |
чество |
од ной позиции, кг |
Диаметр или сечение, мм |
Общая длина, м |
Масса изделия, кг | |
|
КР1 |
4 5 |
5ВрI 5ВрI |
1950 220 |
2 5 |
0, 28 0, 03 |
5ВрI |
5, 00 |
0, 72 | |
|
КР2 |
6 5 |
5ВрI 5ВрI |
1450 220 |
2 4 |
0, 21 0, 03 |
5ВрI |
3, 78 |
0, 55 | |
|
КР3 |
7 8 |
4ВрI 4ВрI |
1950 220 |
2 5 |
0, 18 0, 02 |
4ВрI |
5, 00 |
0, 46 | |
|
КР4 |
9 8 |
4ВрI 4ВрI |
950 220 |
2 3 |
0, 09 0, 02 |
4ВрI |
2, 56 |
0, 24 | |
|
КР5 |
10 8 |
4ВрI 4ВрI |
700 220 |
2 2 |
0, 06 0, 02 |
4ВрI |
1, 84 |
0, 17 | |
|
КР6 |
11 8 |
|
12АI 4ВрI |
2270 220 |
1 1 |
2, 02 0, 02 |
12АI 4ВрI |
2, 27 0, 22 |
2, 04 |
|
КР7 |
12 8 |
|
10АI 4ВрI |
2270 220 |
1 1 |
1, 40 0, 02 |
10АI 4ВрI |
2, 27 0, 22 |
1, 42 |
|
КР8 |
13 8 |
|
10АI 4ВрI |
1750 220 |
1 1 |
1, 08 0, 02 |
10АI 4ВрI |
1, 75 0, 22 |
1, 10 |
|
КР9 |
14 8 |
|
10АI 4ВрI |
2010 220 |
1 2 |
1, 24 0, 02 |
10АI 4ВрI |
2, 01 0, 44 |
1, 28 |
|
КР10 |
15 8 |
|
10АI 4ВрI |
1510 220 |
1 2 |
0, 93 0, 02 |
10АI 4ВрI |
1, 51 0, 44 |
0, 97 |
|
КР11 |
16 8 17 |
Полоса |
10АI 4ВрI 4х55 |
140 220 250 |
2 3 1 |
0, 09 0, 02 0, 43 |
10АI 4ВрI 4х55 |
0, 28 0, 66 0, 25 |
0, 67 |
Таблица 6
|
Арматурная сталь класса |
Полосовая сталь по | |||||||||||
|
Марка |
Вр -II |
Вр-I |
А-I |
ГОСТ 103-76 Марка | ||||||||
|
плиты |
по ГОСТ 7348-81 |
по ГОСТ 6727-80 |
по ГОСТ 5781-82 |
Итого |
ВСт3Кп2 по |
Всего | ||||||
|
Диаметр |
Итого |
Диаметр, мм |
Итого |
Диаметр, мм |
Итого |
ГОСТ 380-71 | ||||||
|
5 мм |
4 |
5 |
10 |
12 |
4х55 |
Итого | ||||||
|
ПКН60.20 ПКН60.15 ПКН60.10 ПКН60.8 ПКН50.20 ПКН40.20 |
12, 35 8, 55 6, 65 4, 75 10, 27 8, 32 |
12, 35 8, 55 6, 65 4, 75 10, 27 8, 32 |
0, 32 0, 32 2, 12 1, 56 0, 32 2, 16 |
6, 48 4, 95 - - 5, 76 - |
6, 80 5, 27 2, 12 1, 56 6, 08 2, 16 |
0, 72 5, 04 2, 84 2, 22 6, 32 6, 32 |
8, 08 - - - - - |
8, 80 5, 04 2, 84 2, 22 6, 32 6, 32 |
27, 95 18, 86 11, 61 8, 53 22, 67 16, 80 |
1, 72 1, 72 0, 86 0, 86 1, 72 1, 72 |
1, 72 1, 72 0, 86 0, 86 1, 72 1, 72 |
29, 7 20, 6 12, 5 9, 4 24, 4 18, 5 |


