ПНСТ 691-2022 НЕФТЯНАЯ И ГАЗОВАЯ ПРОМЫШЛЕННОСТЬ. СИСТЕМЫ ПОДВОДНОЙ ДОБЫЧИ. ФУНДАМЕНТЫ И ДОННЫЕ ОСНОВАНИЯ. ТЕХНИЧЕСКИЕ ТРЕБОВАНИЯ
Утв. и введен в действие Приказом Федерального агентства по техническому регулированию и метрологии от 27 декабря 2022 г. N 159-пнст
Petroleum and natural gas industry. Subsea production systems. Foundations and bottom's structures. Technical requirements
ОКС 75.020
Срок действия - с 30 июня 2023 года
до 30 июня 2026 года
Предисловие
1 РАЗРАБОТАН Обществом с ограниченной ответственностью "Газпром 335" (ООО "Газпром 335")
2 ВНЕСЕН Техническим комитетом по стандартизации ТК 023 "Нефтяная и газовая промышленность"
3 УТВЕРЖДЕН И ВВЕДЕН В ДЕЙСТВИЕ Приказом Федерального агентства по техническому регулированию и метрологии от 27 декабря 2022 г. N 159-пнст
Правила применения настоящего стандарта и проведения его мониторинга установлены в ГОСТ Р 1.16-2011 (разделы 5 и 6).
Федеральное агентство по техническому регулированию и метрологии собирает сведения о практическом применении настоящего стандарта. Данные сведения, а также замечания и предложения по содержанию стандарта можно направить не позднее чем за 4 мес до истечения срока его действия разработчику настоящего стандарта по адресу: inf@gazprom335.ru и/или в Федеральное агентство по техническому регулированию и метрологии по адресу: 123112 Москва, Пресненская набережная, д. 10, стр. 2.
В случае отмены настоящего стандарта соответствующая информация будет опубликована в ежемесячном информационном указателе "Национальные стандарты" и также будет размещена на официальном сайте Федерального агентства по техническому регулированию и метрологии в сети Интернет (www.rst.gov.ru)
Введение
Создание и развитие отечественных технологий и техники для освоения шельфовых нефтегазовых месторождений должно быть обеспечено современными стандартами, устанавливающими требования к проектированию, строительству и эксплуатации систем подводной добычи. Для решения данной задачи Министерством промышленности и торговли Российской Федерации и Федеральным агентством по техническому регулированию и метрологии реализуется "Программа по обеспечению нормативной документацией создания отечественной системы подводной добычи для освоения морских нефтегазовых месторождений". В объеме работ программы предусмотрена разработка национальных стандартов и предварительных национальных стандартов, областью применения которых являются системы подводной добычи углеводородов.
Целью разработки настоящего стандарта является установление технических требований к фундаментам и донным основаниям для оборудования системы подводной добычи.
Настоящий стандарт устанавливает технические требования к фундаментам и донным основаниям <*> для оборудования систем подводной добычи.
--------------------------------
<*> Для удобства пользования настоящим стандартом здесь и далее по тексту под фундаментами и донными основаниями следует понимать подводные фундаментные конструкции.
При проектировании, строительстве и эксплуатации подводных фундаментных конструкций для оборудования систем подводной добычи под техническим наблюдением Российского морского регистра судоходства в дополнение к требованиям настоящего стандарта следует руководствоваться требованиями [1].
В настоящем стандарте использованы нормативные ссылки на следующие документы:
ГОСТ 9.014 Единая система защиты от коррозии и старения. Временная противокоррозионная защита изделий. Общие требования
ГОСТ 9.306 Единая система защиты от коррозии и старения. Покрытия металлические и неметаллические неорганические. Обозначения
ГОСТ 10198 Ящики деревянные для грузов массой св. 200 до 20000 кг. Общие технические условия
ГОСТ 14192 Маркировка грузов
ГОСТ 15150 Машины, приборы и другие технические изделия. Исполнения для различных климатических районов. Категории, условия эксплуатации, хранения и транспортирования в части воздействия климатических факторов внешней среды
ГОСТ 23170 Упаковка для изделий машиностроения. Общие требования
ГОСТ 26653 Подготовка генеральных грузов к транспортированию. Общие требования
ГОСТ 26828 Изделия машиностроения и приборостроения. Маркировка
ГОСТ ISO 3183 Трубы стальные для трубопроводов нефтяной и газовой промышленности. Общие технические условия
ГОСТ Р 15.301 Система разработки и постановки продукции на производство. Продукция производственно-технического назначения. Порядок разработки и постановки продукции на производство
ГОСТ Р 27.102 Надежность в технике. Надежность объекта. Термины и определения
ГОСТ Р 27.301 Надежность в технике. Управление надежностью. Техника анализа безотказности. Основные положения
ГОСТ Р 54123 Безопасность машин и оборудования. Термины, определения и основные показатели безопасности
ГОСТ Р 54483 (ИСО 19900:2013) Нефтяная и газовая промышленность. Сооружения нефтегазопромысловые морские. Общие требования
ГОСТ Р 57148 (ИСО 19901-1:2015) Нефтяная и газовая промышленность. Сооружения нефтегазопромысловые морские. Проектирование и эксплуатация с учетом гидрометеорологических условий
ГОСТ Р 58520 Средства грузозахватные. Классификация и общие технические требования
ГОСТ Р 58753 Стропы грузовые канатные для строительства. Технические условия
ГОСТ Р 58773 (ИСО 19901-7:2013) Нефтяная и газовая промышленность. Сооружения нефтегазопромысловые морские. Системы позиционирования плавучих сооружений
ГОСТ Р 59304 Нефтяная и газовая промышленность. Системы подводной добычи. Термины и определения
ГОСТ Р 59305-2021 (ИСО 13628-1:2005) Нефтяная и газовая промышленность. Проектирование и эксплуатация систем подводной добычи. Часть 1. Общие требования и рекомендации
ГОСТ Р ИСО 8501-1 Подготовка стальной поверхности перед нанесением лакокрасочных материалов и относящихся к ним продуктов. Визуальная оценка чистоты поверхности. Часть 1. Степень окисления и степени подготовки непокрытой стальной поверхности и стальной поверхности после полного удаления прежних покрытий
ГОСТ Р ИСО 9001-2015 Системы менеджмента качества. Требования
ГОСТ Р ИСО 9606-1 Аттестационные испытания сварщиков. Сварка плавлением. Часть 1. Стали
ГОСТ Р ИСО 9712 Контроль неразрушающий. Квалификация и сертификация персонала
ГОСТ Р ИСО 13628-4 Нефтяная и газовая промышленность. Проектирование и эксплуатация подводных эксплуатационных систем. Часть 4. Подводное устьевое оборудование и фонтанная арматура
ГОСТ Р ИСО 14732 Персонал, выполняющий сварку. Аттестационные испытания сварщиков-операторов и наладчиков для полностью механизированной и автоматической сварки металлических материалов
ГОСТ Р ИСО 15614-1 Технические требования и аттестация процедур сварки металлических материалов. Проверка процедуры сварки. Часть 1. Дуговая и газовая сварка сталей и дуговая сварка никеля и никелевых сплавов
ПНСТ 616-2022 Нефтяная и газовая промышленность. Системы подводной добычи. Проектирование стальных сооружений
СП 14.13330.2018 "СНиП П-7-81* Строительство в сейсмических районах"
СП 23.13330.2018 "СНиП 2.02.02-85 Основания гидротехнических сооружений"
Примечание - При пользовании настоящим стандартом целесообразно проверить действие ссылочных стандартов (сводов правил) в информационной системе общего пользования - на официальном сайте Федерального агентства по техническому регулированию и метрологии в сети Интернет или по ежегодному информационному указателю "Национальные стандарты", который опубликован по состоянию на 1 января текущего года, и по выпускам ежемесячного информационного указателя "Национальные стандарты" за текущий год. Если заменен ссылочный документ, на который дана недатированная ссылка, то рекомендуется использовать действующую версию этого документа с учетом всех внесенных в данную версию изменений. Если заменен ссылочный документ, на который дана датированная ссылка, то рекомендуется использовать версию этого документа с указанным выше годом утверждения (принятия). Если после утверждения настоящего стандарта в ссылочный документ, на который дана датированная ссылка, внесено изменение, затрагивающее положение, на которое дана ссылка, то это положение рекомендуется применять без учета данного изменения. Если ссылочный документ отменен без замены, то положение, в котором дана ссылка на него, рекомендуется применять в части, не затрагивающей эту ссылку. Сведения о действии сводов правил целесообразно проверить в Федеральном информационном фонде стандартов.
В настоящем стандарте применены термины по ГОСТ Р 59304 и ГОСТ Р 27.102, а также следующие термины с соответствующими определениями:
3.1 вакуумная свая: Стальная цилиндрическая конструкция с открытым днищем и закрытым верхом, предназначенная для опирания подводных конструкций.
3.2 донный мат: Плоская конструкция, используемая для опирания подводного сооружения путем распределения нагрузки на морское дно через фундаментную плиту или заглубленную юбку.
3.3 несущая рама: Рамная конструкция, обеспечивающая жесткость и прочность подводной фундаментной конструкции.
3.4 система выравнивания: Система, которая обеспечивает установку подводной фундаментной конструкции с заданной точностью в горизонтальной плоскости.
3.5 система направления: Набор компонентов, объединенных в единую систему, которая обеспечивает безопасное сопряжение оборудования с подводной фундаментной конструкцией.
3.6 система позиционирования подводной фундаментной конструкции: Комплект оборудования, приборов и программного обеспечения, который обеспечивает оператора данными о подводном положении донного основания в пространстве при спуске и монтаже в привязке к локальной и/или глобальной системе координат.
3.7
|
тройник (tee): Деталь трубопровода с тремя подсоединительными патрубками, позволяющая подключать к трубопроводу дополнительные отводы. [ГОСТ Р 59304-2021, статья 6] |
3.8 фундамент юбочного типа: Конструктивный тип фундамента подводной фундаментной конструкции, который в процессе установки на морское дно погружается в грунт только за счет собственного веса и имеет отношение длины к диаметру/длине сторон погружаемой в грунт части меньше единицы.
4.1 В настоящем стандарте использованы следующие обозначения:
KV - поглощенная энергия удара, определяемая при испытании образцов металлических материалов с V-образным надрезом на ударный изгиб на маятниковом копре по методу Шарпи;
Tисп - температура испытаний;
Tэкс - температура эксплуатации.
4.2 В настоящем стандарте использованы следующие сокращения:
БРН - безопасная рабочая нагрузка;
ЗА - запорная арматура;
ЗИП - запасные части, инструменты и принадлежности;
КД - конструкторская документация;
ЛКП - лакокрасочное покрытие;
ОТК - отдел технического контроля;
ОУТ - оконечное устройство трубопровода;
ППР - проект производства работ;
ПС - паспорт;
ПФА - подводная фонтанная арматура;
ПТФЭ - политетрафторэтилен;
РД - рабочая документация;
РЭ - руководство по эксплуатации;
СПД - системы подводной добычи;
ТНПА - телеуправляемый необитаемый подводный аппарат;
ТУ - технические условия;
УТТ - уровень технических требований (PSL - product specification level);
ЭД - эксплуатационная документация;
ЭХЗ - электрохимическая защита.
5.1 Подводные фундаментные конструкции служат опорой на морском дне для оборудования СПД и/или его компонентов и обеспечивают восприятие нагрузок, возникающих в процессе эксплуатации установленного оборудования, без потери его работоспособности. На подводной фундаментной конструкции может размещаться манифольд, тройник, ОУТ, подводная дожимная компрессорная станция и другое оборудование СПД.
5.2 В общем случае подводная фундаментная конструкция включает следующие элементы:
- несущую раму;
- вакуумные сваи;
- систему направления;
- систему выравнивания;
- ответные элементы для сопряжения подводной фундаментной конструкции с размещаемым оборудованием;
- систему позиционирования подводной фундаментной конструкции;
- систему индикации положения подводной фундаментной конструкции;
- защитные конструкции.
5.3 Пример исполнения элементов подводной фундаментной конструкции и ее конструктивные типы приведены на рисунках А.1 - А.5 (приложение А).
5.4 Подводную фундаментную конструкцию допускается интегрировать в конструкцию оборудования СПД без возможности раздельной установки на морское дно. В этом случае подводная фундаментная конструкция не является отдельной единицей поставки и к ней предъявляются требования размещаемого на ней оборудования.
5.5 Подводная фундаментная конструкция опирается на морское дно и передает нагрузки на грунт от собственного веса и веса установленного на ней оборудования СПД посредством вакуумных свай, фундаментов юбочного типа, донных матов или комбинации этих элементов.
6.1.1 При разработке подводной фундаментной конструкции необходимо учитывать требования ГОСТ Р 54483, ГОСТ Р 59305, ГОСТ Р ИСО 13628-4, а также принимать во внимание рекомендации ПНСТ 616-2022 (см. также [2], [3]). Требования к разработке и постановке на производство подводной фундаментной конструкции - согласно ГОСТ Р 15.301.
6.1.2 Технология монтажа/демонтажа должна по возможности исключать работу водолазов и осуществляться с помощью ТНПА и грузоподъемных устройств.
6.1.3 Необходимо, чтобы подводная фундаментная конструкция выдерживала нагрузку от веса размещаемого на нем оборудования и нагрузки, возникающие во время установки, эксплуатации, технического обслуживания, ремонта и вывода из эксплуатации, а также при подключении оборудования СПД, размещенного на подводной фундаментной конструкции. Подводная фундаментная конструкция, предназначенная для выполнения операций бурения и заканчивания скважины, дополнительно должна выдерживать нагрузку во время данных операций, в соответствии с проектными условиями.
6.1.4 ЭХЗ рекомендуется принимать (см. [2]).
6.2.1 Конструктивные элементы подводной фундаментной конструкции целесообразно выполнять (см. [2]).
6.2.2 Подводная фундаментная конструкция предусматривает наличие монтажных обухов или иных конструктивных элементов, предназначенных для транспортировки оборудования в соответствии с ГОСТ Р ИСО 13628-4.
6.2.3 На подводной фундаментной конструкции предусматривают крепления для выполнения спускоподъемных операций согласно ГОСТ Р ИСО 13628-4.
6.2.4 Несущую способность подводной фундаментной конструкции подтверждают расчетом в соответствии с СП 23.13330.2018 и/или ГОСТ Р 57148 (см. также [4]). Расчет следует проводить на основные и особые сочетания нагрузок, возникающие на этапах установки, эксплуатации, технического обслуживания, ремонта и вывода из эксплуатации с учетом сейсмической нагрузки согласно СП 14.13330.2018.
6.2.5 При расчете несущих и защитных элементов подводной фундаментной конструкции следует учитывать нагрузки, испытываемые оборудованием при транспортировании, спускоподъемных операциях в воздухе и воде, монтаже, установке оборудования на подводную фундаментную конструкцию и эксплуатации.
6.2.6 При расчете конструкции следует учитывать нагрузки от падающих объектов и тралов согласно ГОСТ Р 59305, от ТНПА с учетом рекомендаций (см. [3]).
6.2.7 При расчете устойчивости установленной подводной фундаментной конструкции следует учитывать нагрузки, испытываемые оборудованием при монтаже, установке оборудования на подводную фундаментную конструкцию, эксплуатации. Расчет рекомендуется проводить (см. [2]).
6.2.8 Все глухие и закрытые несущие элементы подводной фундаментной конструкции, выполненные из профильных и круглых труб, а также изготовленные вальцовкой из металлического листа, имеют отверстия для предотвращения смещения центра тяжести оборудования и обеспечения выравнивания гидростатического давления при изменении глубины во время установки.
6.2.9 С целью снижения коррозионного воздействия рекомендуется отверстия для выравнивания гидростатического давления снабжать втулками, которые ограничивают/сокращают свободное перемешивание потоков сред при установившемся давлении после размещения оборудования на морском дне.
6.2.10 Для снижения гидравлического сопротивления погружению подводной фундаментной конструкции в воду и облегчения прохождения зоны периодического смачивания все защитные элементы в составе подводной фундаментной конструкции, такие как металлические или стекловолоконные листы, необходимо перфорировать отверстиями для пропуска воды и воздуха. Отверстия не должны влиять на функцию оборудования и его элементов.
6.2.11 Сварка является предпочтительным соединением металлических элементов подводной фундаментной конструкции.
6.2.12 Конструктивный тип фундамента подводной фундаментной конструкции определяют в зависимости от характеристик грунта района установки подводной фундаментной конструкции.
6.2.13 Вакуумная свая погружается в грунт под действием собственного веса конструкции и за счет создания разряжения внутри сваи.
6.2.14 Вакуумная свая удерживается в заданном положении за счет силы трения поверхности сваи о грунт.
6.2.15 В конструкции вакуумной сваи следует предусмотреть клапан. В открытом положении клапан обеспечивает выход воздуха во время прохождения зоны периодического смачивания и удаление морской воды во время заглубления в грунт под собственным весом. В закрытом положении клапан обеспечивает герметичность внутреннего объема вакуумной сваи для создания разрежения внутри нее. Конструкция клапана должна иметь фильтрующую решетку для предотвращения его засорения.
6.2.16 Конструкция юбочного фундамента погружается в грунт только под действием собственного веса.
6.2.17 Конструкция юбочного фундамента учитывает возникающее сопротивление при погружении в грунт и обеспечивает достаточное трение для удержания подводной фундаментной конструкции в заданном положении.
6.2.18 Углы донного мата следует заглубить в грунт для предотвращения зацепления за них другого оборудования или инструментов.
6.2.19 В случае размещения ПФА на подводной фундаментной конструкции направления скважин могут выполнять функцию забивных свай.
6.2.20 Несущую раму подводной фундаментной конструкции следует жестко соединить с фундаментом подводной фундаментной конструкции для передачи нагрузок на грунт.
6.2.21 Несущая рама обеспечивает жесткость и прочность конструкции и размещение всего необходимого оборудования.
6.2.22 Подводная фундаментная конструкция имеет систему направления, которая обеспечивает подводную установку оборудования на подводной фундаментной конструкции с заданной точностью.
6.2.23 Система выравнивания обеспечивает проектное положение подводной фундаментной конструкции на морском дне.
6.2.24 Подводную фундаментную конструкцию допускается оснащать системой выравнивания при использовании нескольких вакуумных свай.
6.2.25 Запорную арматуру, используемую в составе системы выравнивания, рекомендуется подбирать (см. [5]).
6.2.26 Подводная фундаментная конструкция включает в себя все интерфейсы, необходимые для установки размещаемого на подводной фундаментной конструкции оборудования, и обеспечивает необходимую точность позиционирования для оборудования системы сбора пластового флюида, оборудования системы соединений, ПФА и др.
6.2.27 В случае совместной установки подводной фундаментной конструкции с другим оборудованием СПД необходимо предусмотреть механизмы, исключающие перемещение размещаемого на подводной фундаментной конструкции оборудования во время спуско-подъемных операций.
6.2.28 Подводную фундаментную конструкцию оснащают измерительными приборами и оборудованием системы позиционирования подводной фундаментной конструкции для передачи информации о положении во время монтажа/демонтажа и на протяжении всего срока эксплуатации.
6.2.29 Оборудование системы позиционирования подводной фундаментной конструкции соответствует ГОСТ Р 58773.
6.2.30 Подводная фундаментная конструкция обеспечивает взаимозаменяемость съемных модулей защиты и извлекаемых элементов.
6.2.31 Интегрированная защитная конструкция подводной фундаментной конструкции обеспечивает доступ ТНПА к элементам управления.
6.2.32 Интегрированная защитная конструкция подводной фундаментной конструкции обеспечивает возможность выполнения операций по бурению и заканчиванию скважин.
6.2.33 Интегрированная защитная конструкция подводной фундаментной конструкции обеспечивает элементы для спускоподъемных операций и ответные элементы для подсоединения съемных модулей защиты.
6.2.34 Вес подвижных и съемных модулей интегрированной защитной конструкции подводной фундаментной конструкции для доступа к оборудованию посредством ТНПА выбирают с учетом БРН манипулятора ТНПА.
6.2.35 Подводная фундаментная конструкция может включать в себя отдельные временные защитные компоненты, используемые только во время монтажа оборудования.
6.2.36 Все подвижные и съемные части подводной фундаментной конструкции предусматривают фиксаторы закрытого, открытого положения и, если это предусмотрено, промежуточных положений.
6.2.37 Подвижные и съемные модули интегрированной защитной конструкции подводной фундаментной конструкции предусматривают систему направления и позиционирования.
6.2.38 Защиту от коррозии подводной фундаментной конструкции целесообразно осуществлять за счет применения антикоррозионных ЛКП и протекторов ЭХЗ (см. [2]).
6.2.39 Подводная фундаментная конструкция обеспечивает непрерывность электрической цепи между всеми ее элементами, защищаемыми ЭХЗ.
6.2.40 Интерфейсы для подключения ТНПА и его инструменты рекомендуется принимать (см. [3]).
6.2.41 Интерфейсы ТНПА следует защищать от механических повреждений при выполнении грузоподъемных и монтажных операций, позиционировании и стыковки ТНПА.
6.2.42 Интерфейсы для подключения ТНПА располагают на расстоянии не менее 1,5 м от морского дна.
6.2.43 Штепсельное гидравлическое соединение для подачи гидравлической жидкости рекомендуется выполнять (см. [3]).
6.2.44 Подводная фундаментная конструкция должна исключать повреждение сопрягаемого оборудования при установке или демонтаже.
6.2.45 Подводная фундаментная конструкция обеспечивает возможность обследования, технического обслуживания и ремонта посредством ТНПА.
6.3.1 Подводная фундаментная конструкция является невосстанавливаемым объектом.
6.3.2 Срок службы подводной фундаментной конструкции после установки - не менее 35 лет. Срок сохраняемости подводной фундаментной конструкции - не менее 3 лет. В случае когда назначенный срок хранения превышает срок консервационной защиты, необходимо провести переконсервацию в соответствии с требованиями изготовителя.
6.3.3 Подводные фундаментные конструкции требуют мониторинга технического состояния для обеспечения надежности и выявления опасных состояний. Процедуры мониторинга указывают в ЭД, ПС и ТУ.
6.3.4 Соединительные элементы разъемов гидравлических в составе подводной фундаментной конструкции выполняют согласно ГОСТ Р ИСО 13628-4.
6.3.5 Программа обеспечения надежности подводной фундаментной конструкции соответствует ГОСТ Р 27.301.
6.3.6 Показатели надежности и безопасности оборудования указывают в ЭД, ПС и ТУ. Они соответствуют ГОСТ Р 54123.
6.3.7 Подводная фундаментная конструкция должна выдерживать сейсмические воздействия, характерные для района эксплуатации.
6.4.1 Допускается использовать крепежные изделия из углеродистой и легированной стали без покрытия или подвергать их химическому фосфатированию ("Хим. Фос. окс." согласно ГОСТ 9.306), либо покрывать полимерными составами, содержащими ПТФЭ (при обеспечении электропроводности соединения), либо электролитическим цинком.
6.4.2 При электролитическом цинковании изделия подвергают дополнительной термообработке для снижения склонности стали к водородному охрупчиванию.
6.4.3 Крепежные изделия не допускается покрывать кадмиевым покрытием.
6.4.4 Применяемые антифрикционные покрытия выбирают с учетом срока службы и эксплуатационных показателей.
6.4.5 Материалы ЛКП выбирают с учетом обеспечения требований, приведенных в таблице 1.
|
Наименование показателя |
Значение показателя |
|
Внешний вид покрытия |
Равномерная сплошная пленка без пропусков и видимых дефектов |
|
Диэлектрическая сплошность покрытия (отсутствие пробоя), кВ/мм, не менее |
5,0 |
|
Адгезионная прочность методом нормального отрыва, МПа, не менее |
5,0 |
|
Толщина покрытия, мкм |
В соответствии с технической документацией, но не менее 350 |
|
Минимальное количество слоев системы |
2,0 |
|
Прочность покрытия при ударе с высоты, см, не менее |
50,0 |
6.4.6 Цвет окраски и маркировки компонентов выполняют согласно ГОСТ Р 59305-2021 (приложение B):
- защитные конструкции, несущая рама и фундамент, выполненные из конструкционной стали - желтый цвет, RAL 1004;
- проушины - красный, RAL 3000;
- интерфейсы и поручни ТНПА - оранжевый, RAL 2004;
- текст и символы, нанесенные на компоненты - черный, RAL 9017.
6.4.7 Цвет окраски компонентов, не указанных в 6.4.6, соответствует КД и ТУ (при наличии).
6.5.1 Материалы для изготовления подводной фундаментной конструкции соответствуют требованиям ГОСТ Р 59305 (см. также [2]) и заданным условиям эксплуатации, включая:
- минимальную температуру окружающей среды;
- температуру эксплуатации;
- параметры окружающей среды и внешних воздействий;
- другие факторы, влияющие на коррозию (например, электрохимическое воздействие при контакте различных материалов, обрастание микроорганизмами);
- номинальное рабочее давление (для трубопроводов и ЗА системы выравнивания подводной фундаментной конструкции).
6.5.2 Требования к материалам подводной фундаментной конструкции устанавливаются в КД.
6.5.3 Предпочтение следует отдавать материалам, имеющим подтвержденный опыт применения в оборудовании СПД.
6.5.4 Используемые углеродистые и низколегированные стали должны быть полностью раскислены и изготовлены в электропечах или кислородно-конвертерным способом.
6.5.5 Элементы подводной фундаментной конструкции, находящиеся под ЭХЗ, имеют твердость не более 35 HRC, 330 HB, 350 HV10.
6.5.6 Защитные конструкции, несущую раму и фундамент подводной фундаментной конструкции изготавливают из конструкционной стали с номинальным пределом текучести не более 560 МПа. Допускается использование защитных конструктивных элементов из полимерных и композитных материалов при условии обеспечения композиционным материалом функциональных требований, указываемых в КД.
6.5.7 Применение автоматных сталей не допускается.
6.5.8 Применение титановых сплавов в конструкциях, находящихся под действием ЭХЗ, не допускается.
6.5.9 Применение титановых сплавов для элементов, контактирующих с метанолом с содержанием воды менее 5%, не допускается.
6.5.10 Элементы ЗА, находящиеся под давлением, должны быть коваными. Коэффициент укова - не менее 4.
6.5.11 Для углеродистых и низколегированных сталей отношение фактических значений предела текучести к пределу прочности - не выше 0,9.
6.5.12 Фактическое значение предела текучести для элементов подводной фундаментной конструкции, находящихся под воздействием катодной защиты, не превышает 950 МПа.
6.5.13 В системе выравнивания подводной фундаментной конструкции применяются бесшовные (SMLS) или сварные (SAWL) трубы, изготовленные по ГОСТ ISO 3183 с уровнем требований УТТ 2 (PSL2) категорий прочности X42 - X65 (см. [2], пункт 7.2).
6.5.14 Фитинги, применяемые в системе выравнивания подводной фундаментной конструкции, рекомендуется изготавливать (см. [6]) группами прочности Gr. WPHY 42 - WPHY 65 (см. [2]). Допускается использование фитингов, изготовленных (см. [7]), категорий прочности X42 - X65.
6.5.15 Значение величины поглощенной энергии удара KV металла труб и фитингов, применяемых в системе выравнивания подводной фундаментной конструкции, приведены в таблице 2.
Температуру испытаний Tисп рассчитывают по формуле
Tисп = Tэкс - 10 °C. (1)
|
Тип стали |
Среднее значение, Дж, не менее |
Отдельные значения, Дж, не менее | ||
|
Поперечные образцы, образцы зоны сварного шва и зоны термического влияния |
Продольные образцы |
Поперечные образцы, образцы зоны сварного шва и зоны термического влияния |
Продольные образцы | |
|
Стали с минимальным пределом текучести менее 415 МПа |
36 |
50 |
27 |
38 |
|
Стали с минимальным пределом текучести 415 МПа и более |
40 |
60 |
30 |
45 |
6.5.16 Содержание серы в металле бесшовных труб из углеродистых и низколегированных сталей рекомендуется не более 0,010% (см. [2]). Содержание серы в металле сварных труб из углеродистых и низколегированных сталей рекомендуется не более 0,003% (см. [2]).
6.5.17 Химический состав и электрохимические характеристики материала протекторов ЭХЗ следует подбирать в зависимости от условий эксплуатации (см. [8]).
6.6.1 Изготовитель определяет, идентифицирует и устанавливает требования к специальным процессам. Перечень специальных процессов включает как минимум сварку, наплавку, термическую обработку. Специальные процессы подлежат валидации с целью проверки и оценки соответствия продукции установленным требованиям нормативных документов в соответствии с ГОСТ Р ИСО 9001-2015 [пункт 8.5.1, перечисление f)].
6.6.2 Контроль качества изготовления и приемку материалов, деталей и сборочных единиц проводит представитель ОТК изготовителя на специально подготовленных площадках, обеспечивающих доступ для проведения визуально-измерительного контроля 100% поверхности компонентов оборудования подводной фундаментной конструкции.
6.6.3 При приемке обязательно наличие документированной информации, подтверждающей качество технологических процессов.
Примечание - Существуют следующие виды аттестации технологического процесса: первичная (на этапе освоения продукции), периодическая (по истечении срока действия предыдущей аттестации, указанной в заключении комиссии) и внеочередная (ухудшение качества изготовляемой продукции, реконструкция технологического оборудования, неприменение технологического процесса в течение одного года и более и т.п.).
6.6.4 Все работы по сварке и ремонту следует выполнять только в соответствии с технологией, аттестованной согласно ГОСТ Р ИСО 15614-1.
Аттестацию технологии выполняют до начала сварочных работ с целью подтверждения того, что технологии сварки, сварочные материалы и сварочное оборудование обеспечивают качественные и количественные характеристики (свойства) сварных соединений, соответствующие установленным требованиям.
6.6.5 Все работы по сварке и ремонту сварных соединений выполняет персонал, аттестованный согласно ГОСТ Р ИСО 9606-1 и ГОСТ Р ИСО 14732.
6.6.6 Сварку или пайку протекторов (катодная защита) выполняют в соответствии с аттестованной технологией.
6.6.7 Персонал, выполняющий неразрушающий контроль, необходимо сертифицировать согласно ГОСТ Р ИСО 9712.
6.6.8 Проведение местной термообработки допускается для сварного шва и прилегающего металла. Требования к режимам термообработки после сварки указаны в соответствующих процедурах термообработки. Технологии термообработки рекомендуется аттестовать (см. [9]).
6.6.9 Изготовитель до начала производства разрабатывает и предоставляет для согласования в адрес заказчика схему сварки конструкции, содержащую эскизы отдельных узлов, последовательность сварки узлов, номера сварочных процедур и процедур неразрушающего контроля, указанные для каждого сварного соединения и наплавки.
6.6.10 Минимальный катет угловых швов для элементов из конструкционных сталей составляет:
- 6 мм для толщины основного металла менее или равного 12,0 мм;
- 8 мм для толщины основного металла более 12,0 мм или равного 20,0 мм;
- 10 мм для толщины основного металла более 20,0 мм.
6.6.11 Максимально допустимое несовпадение кромок на стыковых сварных швах составляет не более 10% от толщины основного металла или 3,0 мм в зависимости от того, что меньше.
6.6.12 Приварку монтажных обухов выполняют только сварными швами с полным проплавлением. Использование угловых сварных швов без разделки кромок не допускается.
6.6.13 Термическая правка элементов подводной фундаментной конструкции допускается только в соответствии с аттестованной технологией термической правки. Аттестация технологии термической правки осуществляется в соответствии с требованиями заказчика.
6.6.14 При нанесении ЛКП следует учитывать требования, приведенные в таблице 3.
|
Материал подложки |
Подготовка поверхности |
|
Углеродистые и низколегированные стали |
Степень очистки поверхности согласно ГОСТ Р ИСО 8501-1 - не менее Sa 2½ |
|
Шероховатость поверхности - от 50 мкм до 8 мкм |
6.6.15 Гибку труб выполняют в соответствии с аттестованной технологией.
6.6.16 Холодная гибка допускается только для бесшовных труб с внешним диаметром не более 60 мм.
6.6.17 Сварочные работы в зоне гиба и на участке протяженностью, равной двум толщинам стенки трубы, но не менее 30 мм, в обе стороны от конца гиба не допускаются.
6.7.1 Сведения о маркировке следует привести в ПС и РЭ.
6.7.2 Маркировку выполняют согласно ГОСТ Р 59305-2021 (приложение B) и ГОСТ 26828.
6.7.3 Маркировку наносят на информационную табличку, размещаемую в легкодоступном месте на несущей раме подводной фундаментной конструкции.
6.7.4 На информационную табличку наносят:
- наименование и/или товарный знак изготовителя;
- заводской (серийный) номер и дату изготовления;
- обозначение изделия по основному конструкторскому документу;
- наименование изделия;
- вес в воздухе/в воде;
- особые данные для изделия.
6.7.5 Цветовые решения и маркировка, а также ЛКП, наносимое непосредственно на оборудование, сборочные единицы, такелажные точки, парковочные элементы ТНПА и других частей конструкций подводной фундаментной конструкции выбирают по цветовой шкале RAL согласно ГОСТ Р 59305-2021 (приложение B). При этом должны обеспечиваться:
- идентификация конструкции, оборудования;
- идентификация ориентации оборудования на дне;
- позиция элементов относительно всего оборудования;
- индикация статуса положения ЗА или запирающих механизмов (открыто/закрыто).
6.7.6 Маркировку, наносимую лакокрасочным покрытием, выполняют по трафарету.
6.7.7 Все грузоподъемные проушины и такелажные точки необходимо четко обозначать маркировкой с указанием БРН. Каждый элемент такелажной оснастки снабжают клеймом или прочно прикрепленной металлической биркой, на которой указывают данные в соответствии с ГОСТ Р 58753.
6.7.8 Маркировка запасных частей располагается непосредственно на деталях (запасных частях) или на прикрепленных к ним бирках с обозначением подводной фундаментной конструкции, которые они комплектуют.
6.8.1 Упаковка обеспечивает сохранность элементов подводной фундаментной конструкции при транспортировании и хранении, а также сохранность при хранении в условиях морского климата.
6.8.2 Вариант противокоррозионной защиты и упаковки выбирают согласно ГОСТ 9.014 и указывают в ЭД.
6.8.3 Все выступающие элементы подводной фундаментной конструкции следует защищать заглушками, предохраняющими внутренние полости от загрязнения и попадания влаги, а также кромки от повреждения.
6.8.4 Упаковка обеспечивает удобство и безопасность проведения грузовых и таможенных операций, надежность крепления и размещения на транспортных средствах и складах, а также возможность перевозки различными видами транспорта.
6.8.5 Крепление оборудования исключает повреждение узлов при транспортировании. Демонтируемые на время транспортировки элементы надежно закрепляют во избежание перемещения и опрокидывания во время транспортирования.
6.8.6 Перед упаковкой и отправкой грузополучателю отдельные сборочные единицы и детали, запасные части, приспособления и специальный инструмент подвергают консервации методами и составами, не требующими разборки оборудования при монтаже и расконсервации, согласно ГОСТ 9.014.
6.8.7 Крепление исключает повреждение узлов при транспортировании. Демонтируемые на время транспортировки элементы и ящики ЗИП следует надежно закрепить во избежание перемещения и опрокидывания во время транспортирования.
6.8.8 Подводную фундаментную конструкцию необходимо полностью закрывать чехлом или брезентом для защиты от климатических воздействий и повреждений. Не допускается закрытие информационной таблички на подводной фундаментной конструкции брезентом.
6.8.9 Подводную фундаментную конструкцию допускается устанавливать и упаковывать на поддоне (прочном деревянном основании), при этом подводную фундаментную конструкцию закрепляют, а внутренние полости защищают от загрязнений.
6.8.10 Крепежные детали и ЗИП упаковывают в транспортную тару.
6.8.11 Инструменты и сервисное оборудование также упаковывают в транспортную тару: ящики согласно ГОСТ 10198 или специальные корзины.
6.8.12 ЭД и другую сопроводительную документацию упаковывают в герметичный пакет из полиэтиленовой пленки толщиной не менее 150 мкм. Упакованную документацию помещают в деревянную тару, на этикетке которой делают соответствующую пометку.
6.8.13 Упаковка каждого грузового места должна иметь транспортную маркировку, содержать манипуляционные знаки, основные, дополнительные и информационные надписи согласно ГОСТ 14192.
7.1 Показатели безопасности определяют согласно ГОСТ Р 54123 и указывают в ТУ и ЭД.
7.2 При разработке, изготовлении и испытаниях подводной фундаментной конструкции необходимо соблюдать требования [10].
7.3 При разработке подводной фундаментной конструкции необходимо учитывать требования национальных нормативных документов в области охраны окружающей среды.
7.4 В процессе разработки подводной фундаментной конструкции необходимо исследовать:
- воздействие на морское дно подводных сооружений;
- ограничения на рыбный промысел;
- наличие охраняемых зон биоразнообразия и условий ведения деятельности в них;
- интенсивность судоходства.
8.1 Подводная фундаментная конструкция подлежит перевозке транспортом всех видов в соответствии с правилами перевозки грузов, действующими на соответствующем транспорте. Оборудование необходимо подготовить к морской перевозке и хранению на морских платформах.
8.2 Условия транспортирования и хранения определяют:
- по климатическим факторам согласно ГОСТ 15150: "ОЖ3";
- механическим факторам согласно ГОСТ 23170: "Ж".
8.3 Такелаж должен быть универсальным: как для погрузочно-разгрузочных работ, так и для монтажных и демонтажных работ.
8.4 На корпусах указывают координаты центра массы и показывают схемы строповки.
8.5 Строповочные элементы (обухи, рым-болты) рассчитывают с учетом динамических нагрузок, возникающих во время погрузочно-разгрузочных работ, транспортирования и монтажа/демонтажа. Расположение строповочных элементов на раме должно обеспечивать горизонтальное положение оборудования при выполнении операций по подъему и спуску грузоподъемным механизмом с помощью такелажа.
8.6 Тяжеловесные и крупногабаритные грузы, а также грузы в транспортной упаковке следует подготовить к транспортированию в соответствии с ГОСТ 26653.
8.7 Оборудование следует укомплектовать грузозахватными средствами для выполнения погрузочно-разгрузочных и строительно-монтажных работ грузоподъемными кранами. Состав, материалы, компоновка, длины элементов такелажной оснастки (например, траверсы, строповые ветви, звенья, захваты, коуши, крюки и др.) определяют в соответствии с техническими параметрами оборудования и принятой схемой строповки.
8.8 Необходимо, чтобы грузозахватные средства удовлетворяли требованиям ГОСТ Р 58520, ГОСТ Р 58753. Требуется применять стропы климатического исполнения "ХЛ" по ГОСТ 15150.
8.9 Срок действия консервации - не менее 36 месяцев со дня отгрузки без дополнительной переконсервации. Окончание срока действия консервации определяют по формулярам, ПС или по промаркированной предупредительной надписи: "Законсервировано до ..." на упаковке.
8.10 Подводную фундаментную конструкцию следует хранить при температуре окружающей среды от минус 40 °C до плюс 50 °C и относительной влажности до 98%.
8.11 Регулярное техническое обслуживание оборудования при консервации выполняют по процедурам, установленным в РЭ (ТУ), не менее одного раза в год. Техническое обслуживание выполняют квалифицированные специалисты, прошедшие соответствующее обучение и имеющие подтверждающие документы о прохождении обучения.
8.12 Срок хранения оборудования - не менее трех лет согласно ГОСТ 9.014.
9.1 Эксплуатацию подводной фундаментной конструкции осуществляют в соответствии с требованиями соответствующей РЭ.
9.2 К техническому обслуживанию, эксплуатации, монтажу (демонтажу) и ремонту подводной фундаментной конструкции, инструмента и оснастки допускаются лица, изучившие РЭ и прошедшие аттестацию в области эксплуатации опасных производственных объектов нефтегазоперерабатывающих производств, а также в области контроля и управления скважиной при газонефтеводопроявлениях.
9.3 Контроль и управление под водой во время монтажа осуществляется при помощи ТНПА.
9.4 Техническое обслуживание подводной фундаментной конструкции проводят согласно РЭ производителя.
9.5 Демонтаж подводной фундаментной конструкции производят с привлечением средств, судов и оборудования, аналогичных применяемым при монтаже в соответствии с РЭ производителя, РД и/или ППР на демонтажные работы.
Приложение А
(справочное)
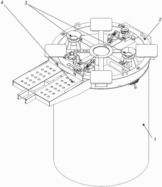
А.1 Общий вид подводной фундаментной конструкции со свайным фундаментом из вакуумных свай приведен на рисунке А.1.

1 - фундамент; 2 - несущая рама; 3 - элементы системы направления; 4 - элементы системы выравнивания; 5 – ответные элементы для сопряжения подводной фундаментной конструкции с размещаемым оборудованием; 6 - панель управления
Рисунок А.1 - Общий вид подводной фундаментной конструкции
А.2 Типы фундамента подводной фундаментной конструкции приведены на рисунках А.2 - А.4.

1 - фундаментная свая; 2 - несущая рама; 3 – элементы системы направления; 4 - направляющие элементы для монтажа подводного оборудования
Рисунок А.2 - Пример подводной фундаментной конструкции с фундаментом из одиночной вакуумной сваи

1 - фундамент; 2 - несущая рама; 3 - элементы системы направления
Рисунок А.3 - Пример юбочного фундамента

1 - фундамент; 2 - несущая рама
Рисунок А.4 - Пример типа фундамента - донный мат
Библиография
|
[1] |
Правила классификации и постройки подводных добычных комплексов, РМРС - СПб, 2017 | |
|
[2] |
ИСО 13628-15:2011 |
Нефтяная и газовая промышленность. Проектирование и эксплуатация систем подводной добычи. Часть 15. Подводные конструкции и манифольды (Petroleum and natural gas industries - Design and operation of subsea production systems - Part 15: Subsea structures and manifolds) |
|
[3] |
ИСО 13628-8:2002 |
Нефтяная и газовая промышленность. Проектирование и эксплуатация систем подводной добычи. Часть 8. Интерфейсы дистанционно управляемых аппаратов (ROV) на системах подводной добычи. (Petroleum and natural gas industries. Design and operation of subsea production systems. Part 8. Remotely Operated Vehicle (ROV) interfaces on subsea production systems) |
|
[4] |
ИСО 19902:2020 |
Нефтяная и газовая промышленность. Стационарные стальные морские сооружения (Petroleum and natural gas industries - Fixed steel offshore structures) |
|
[5] |
ИСО 14723:2009 |
Нефтяная и газовая промышленность. Системы трубопроводного транспорта. Арматура подводных трубопроводов (Petroleum and natural gas industries - Pipeline transportation systems - Subsea pipeline valves) |
|
[6] |
АСТМ А860/А860М-18 |
Стандартные спецификации для кованых фитингов под сварку встык из высокопрочных ферритных сталей (Standard Specification for Wrought High-Strength Ferritic Steel Butt-Welding Fittings) |
|
[7] |
ИСО 15590-1:2018 |
Нефтяная и газовая промышленность. Отводы, изготовленные индукционным способом, фитинги и фланцы для трубопроводов. Часть 1. Отводы, изготовленные индукционным способом (Petroleum and natural gas industries - Induction bends, fittings and flanges for pipeline transportation systems - Part 1: Induction bends) |
|
[8] |
ИСО 15589-2:2012 |
Нефтяная и газовая промышленность. Катодная защита систем транспортирования по трубопроводам. Часть 2: Морские трубопроводы (Petroleum, petrochemical and natural gas industries - Cathodic protection of pipeline transportation systems - Part 2: Offshore pipelines) |
|
[9] |
ИСО 17663:2009 |
Сварка. Требования к качеству термической обработки в процессе сварки и смежных процессов (Welding - Quality requirements for heat treatment in connection with welding and allied processes) |
|
[10] |
Технический регламент Таможенного союза ТР ТС 010/2011 |
О безопасности машин и оборудования |


