ПНСТ 566-2022 НЕФТЯНАЯ И ГАЗОВАЯ ПРОМЫШЛЕННОСТЬ. СИСТЕМЫ ПОДВОДНОЙ ДОБЫЧИ. КОРРОЗИЯ ТРУБОПРОВОДОВ. МЕТОДИЧЕСКИЕ УКАЗАНИЯ
Утв. и введен в действие Приказом Федерального агентства по техническому регулированию и метрологии от 15 февраля 2022 г. N 12-пнст
Petroleum and natural gas industry. Subsea production systems. Corrosion of pipelines. Methodology guide
ОКС 75.020
Срок действия - с 1 июня 2022 года
до 1 июня 2025 года
Предисловие
1 РАЗРАБОТАН Обществом с ограниченной ответственностью "Газпром 335" (ООО "Газпром 335")
2 ВНЕСЕН Техническим комитетом по стандартизации ТК 023 "Нефтяная и газовая промышленность"
3 УТВЕРЖДЕН И ВВЕДЕН В ДЕЙСТВИЕ Приказом Федерального агентства по техническому регулированию и метрологии от 15 февраля 2022 г. N 12-пнст
Правила применения настоящего стандарта и проведения его мониторинга установлены в ГОСТ Р 1.16-2011 (разделы 5 и 6).
Федеральное агентство по техническому регулированию и метрологии собирает сведения о практическом применении настоящего стандарта. Данные сведения, а также замечания и предложения по содержанию стандарта можно направить не позднее чем за 4 мес до истечения срока его действия разработчику настоящего стандарта по адресу: inf@gazprom335.ru и/или в Федеральное агентство по техническому регулированию и метрологии по адресу: 123112 Москва, Пресненская набережная, д. 10, стр. 2.
В случае отмены настоящего стандарта соответствующая информация будет опубликована в ежемесячном информационном указателе "Национальные стандарты" и также будет размещена на официальном сайте Федерального агентства по техническому регулированию и метрологии в сети Интернет (www.rst.gov.ru)
Введение
Создание и развитие отечественных технологий и техники для освоения шельфовых нефтегазовых месторождений должно быть обеспечено современными стандартами, устанавливающими требования к проектированию, строительству и эксплуатации систем подводной добычи. Для решения данной задачи Министерством промышленности и торговли Российской Федерации и Федеральным агентством по техническому регулированию и метрологии реализуется "Программа по обеспечению нормативной документацией создания отечественной системы подводной добычи для освоения морских нефтегазовых месторождений". В объеме работ программы предусмотрена разработка национальных и предварительных национальных стандартов, областью применения которых являются системы подводной добычи углеводородов.
Целью разработки настоящего стандарта является установление требований к оценке влияния коррозионных поражений на работоспособность трубопроводов, применяемых в системах подводной добычи.
1.1 Настоящий стандарт устанавливает методику оценки работоспособности морских трубопроводов с дефектами на внутренней и/или наружной поверхности в виде коррозионных поражений.
1.2 Настоящий стандарт распространяется на морские трубопроводы в составе систем подводной добычи углеводородов, изготовленные из труб групп прочности до X80 включительно (по ГОСТ ISO 3183), из углеродистых и низколегированных сталей с величиной работы удара не менее 30 Дж (на образцах с острым надрезом при температуре испытаний минус 38 °C). Такие элементы трубопроводных систем, как райзеры, запорная арматура, опоры, соединительные детали и др. не входят в область применения настоящего стандарта.
1.3 Настоящий стандарт не учитывает изменение размера дефектов со временем и неприменим для оценки скорости коррозии.
1.4 Настоящий стандарт не учитывает наличие трещиноподобных дефектов (в том числе коррозионного растрескивания), механических дефектов типа вмятин и мелких рисок, а также дефектов сварных соединений.
В настоящем стандарте использованы нормативные ссылки на следующие стандарты:
ГОСТ 5272 Коррозия металлов. Термины
ГОСТ ISO 3183 Трубы стальные для трубопроводов нефтяной и газовой промышленности. Общие технические условия
Примечание - При пользовании настоящим стандартом целесообразно проверить действие ссылочных стандартов в информационной системе общего пользования - на официальном сайте Федерального агентства по техническому регулированию и метрологии в сети Интернет или по ежегодному информационному указателю "Национальные стандарты", который опубликован по состоянию на 1 января текущего года, и по выпускам ежемесячного информационного указателя "Национальные стандарты" за текущий год. Если заменен ссылочный стандарт, на который дана недатированная ссылка, то рекомендуется использовать действующую версию этого стандарта с учетом всех внесенных в данную версию изменений. Если заменен ссылочный стандарт, на который дана датированная ссылка, то рекомендуется использовать версию этого стандарта с указанным выше годом утверждения (принятия). Если после утверждения настоящего стандарта в ссылочный стандарт, на который дана датированная ссылка, внесено изменение, затрагивающее положение, на которое дана ссылка, то это положение рекомендуется применять без учета данного изменения. Если ссылочный стандарт отменен без замены, то положение, в котором дана ссылка на него, рекомендуется применять в части, не затрагивающей эту ссылку.
В настоящем стандарте применены термины по ГОСТ Р 59304 и ГОСТ 5272, а также следующие термины с соответствующими определениями:
3.1 близкорасположенные дефекты (interacting defect): Дефекты, для которых при расчетах учитывается их расположение относительно друг друга.
3.2
|
давление рабочее: Максимальное избыточное давление, возникающее при нормальном протекании рабочего процесса. [[1], статья II] |
3.3 дефект (defect): Коррозионное поражение на поверхности трубопровода.
3.4 единичный дефект (single defect): Дефект, при расчетах считающийся изолированным от других дефектов.
3.5 максимально допустимое рабочее давление (maximum allowable operating pressure): Значение рабочего давления, при котором допускается эксплуатация трубопровода.
3.6 разрушающее давление (pressure resistance): Внутреннее давление, при котором ожидается разрушение участка трубопровода с дефектом.
В настоящем стандарте применены следующие обозначения:
A - площадь проекции дефекта сложной формы, мм2;
Ar - понижающий коэффициент, учитывающий уменьшение площади поперечного сечения трубопровода;
Apatch - площадь проекции коррозионного пятна, мм2;
Apit - площадь проекции язвы, мм2;
c - длина дефекта в направлении окружности трубопровода, мм;
d - глубина дефекта, мм;
dлок - локальная глубина дефекта для областей с коррозионными потерями, мм;
dave - средняя глубина дефекта, мм;
dpatch - глубина коррозионного пятна, мм;
di - глубина язвы, мм;
D - наружный диаметр трубопровода, мм;
F - коэффициент использования;
F1 - коэффициент запаса;
Fx - прикладываемая осевая нагрузка, Н;
fu - расчетное значение временного сопротивления, МПа;
fu,temp - величина снижения временного сопротивления при повышенной температуре, МПа;
g - ускорение свободного падения, м/с2;
hl - высота от уровня моря до дефекта на трубопроводе, м;
href - высота от уровня моря до базисной точки трубопровода для расчетного давления, м;
H1 - коэффициент, учитывающий продольные сжимающие напряжения;
l - длина дефекта в направлении оси трубопровода, мм;
li - длина проекции i-й язвы, мм;
MY - приложенный изгибающий момент, Н·мм;
Pf - разрушающее давление для участка трубопровода с дефектом, МПа;
PSW - максимально допустимое рабочее давление, МПа;
Q - поправочный коэффициент, учитывающий длину дефекта;
S - расстояние между соседними дефектами, мм;
t - толщина стенки трубопровода, мм;
tлок - локальная толщина стенки трубопровода для областей с коррозионными потерями, мм;
te - откорректированная с учетом утонения толщина стенки трубопровода, мм;
Z - расстояние между линиями проекции, мм;
SMTS - нормативное значение временного сопротивления, МПа;
αU - коэффициент прочности материала;
φ - плоский угол между соседними дефектами, градус;
ρcont - плотность транспортируемого флюида, кг/м3;
ρsw - плотность морской воды, кг/м3;
σL - номинальные напряжения, возникающие за счет внешних нагрузок, МПа;
σL-nom - продольные напряжения, возникающие в оставшейся толщине стенки трубопровода, МПа;
σ1 - величина допускаемых напряжений, МПа;
θ - отношение длины единичного дефекта в направлении окружности к длине окружности трубопровода.
5.1 Для оценки работоспособности определяют значение максимально допустимого рабочего давления, при котором возможна эксплуатация морских трубопроводов с дефектами.
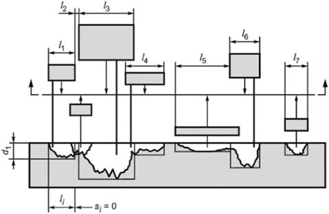
5.2 Размеры единичного дефекта схематически отображены на рисунке 1. Глубина дефекта изменяется по длине и ширине, поэтому для оценки используют максимальное значение.

Рисунок 1 - Размеры проекций единичного дефекта
5.3 Дефект считают единичным, если выполняется хотя бы одно из следующих условий:
, (1)
. (2)
Размеры φ и S показаны на рисунке 2.
5.4 Размеры дефектов, расположенных вблизи друг друга, схематически отображены на рисунке 2.

Рисунок 2 - Размеры дефектов, расположенных вблизи друг друга
5.5 Если значение максимально допустимого рабочего давления меньше рабочего давления трубопровода, то осуществляют ремонт участка с дефектами или проводят компенсирующие мероприятия, например, по снижению рабочего давления и проведению повторного расчета для продолжения эксплуатации.
6.1.1 Разрушающее давление Pf для участка трубопровода с единичным дефектом при учете напряжений, возникающих только за счет избыточного внутреннего давления, рассчитывают по формуле
. (3)
6.1.2 Поправочный коэффициент Q рассчитывают по формуле
. (4)
6.1.3 Расчетное значение временного сопротивления fu определяют по формуле
fu = (SMTF – fu,temp)·αU (5)
Величину снижения временного сопротивления fu,temp определяют исходя из температуры по графику, представленному на рисунке 3.

Рисунок 3 - Снижение прочностных характеристик низколегированных сталей при повышении температуры (см. [2])
Коэффициент прочности материала αU принимают равным 0,96.
6.1.4 Максимально допустимое рабочее давление PSW рассчитывают по формуле
PSW = F·Pf. (6)
Коэффициент использования F рассчитывают по формуле
F = 0,9·F1 (7)
За коэффициент F1 принимают коэффициент запаса для расчета окружных напряжений в трубопроводе. Допускается при расчетах принимать значение F1 равным 0,72.
6.2.1 Продольные сжимающие напряжения следует учитывать при оценке, если выполняется условие σL <σ1, где σL - величина номинальных продольных напряжений, возникающих за счет внешних нагрузок.
6.2.2 Величину продольных напряжений σL определяют по формуле
. (8)
6.2.3 Величину допускаемых напряжений σ1 рассчитывают по формуле
. (9)
6.2.4 Если условие σL <σ1 выполняется, то разрушающее давление для участка трубопровода с дефектом рассчитывают по формуле
. (10)
6.2.5 Значения Q и fu рассчитывают по формулам (4) и (5) соответственно.
6.2.6 Коэффициент H1 рассчитывают по формуле
(11)
6.2.7 Понижающий коэффициент Ar рассчитывают по формуле
. (12)
6.2.8 Отношение θ рассчитывают по формуле
. (13)
6.2.9 Полученное значение Pf при учете продольных сжимающих напряжений сравнивают со значением разрушающего давления при учете напряжений, возникающих только за счет избыточного внутреннего давления, рассчитанного по формуле (3). Наименьшее значение принимают за величину разрушающего давления для участка трубопровода с единичным дефектом при учете напряжений, возникающих за счет избыточного внутреннего давления, и продольных сжимающих напряжений.
6.2.10 Максимально допустимое рабочее давление PSW рассчитывают по формуле (6).
6.3.1 Дефекты, для которых не выполняются условия, приведенные в 5.3, рассматривают при оценке как близкорасположенные.
6.3.2 Расчет разрушающего давления для участков с близкорасположенными дефектами допускается проводить только с учетом напряжений, возникающих от избыточного внутреннего давления.
6.3.3 Для областей, где коррозионные потери не превышают 10% от толщины стенки трубы, при расчетах допускается использовать локальные размеры глубины дефектов и толщины стенки согласно схеме, представленной на рисунке 4.

Рисунок 4 - Определение размера дефекта для областей с уменьшенной толщиной стенки
6.3.4 Каждый участок трубопровода с близкорасположенными дефектами разделяют на части размером
в продольном направлении, перекрывающие друг друга на величину
. На каждой выделенной части строят несколько линий проекции на расстоянии, соответствующем значению плоского угла
друг от друга. Каждый дефект проецируется на линию, если находится на расстоянии ± Z от нее. Схематически проецирование дефектов отображено на рисунке 5.

- осевая проекционная линия;
- контур, окружающий дефект;
- проецирование дефекта на линию
Рисунок 5 - Проецирование дефектов на линии
6.3.5 Если проекции дефектов перекрываются, то их объединяют в составной дефект с общей длиной и наибольшей глубиной. Для дефектов, расположенных только на внутренней или только на наружной поверхности трубопровода, схема объединения дефектов представлена на рисунке 6.

Рисунок 6 - Объединение проекций в составной дефект
6.3.6 Если проекции дефектов, расположенных на внутренней и наружной поверхности, перекрываются, то за общую глубину составного дефекта принимают суммарную глубину данных дефектов. Схема объединения проекций дефектов на разных поверхностях трубопровода в составной дефект приведена на рисунке 7.

di = d1 + d2
Рисунок 7 - Объединение проекций дефектов, расположенных на внутренней и наружной поверхности участка трубопровода
6.3.7 Для участка трубопровода с близкорасположенными дефектами определяют значения разрушающего давления, условно принимая каждый дефект за единичный. Разрушающее давление для участка трубопровода с i-м дефектом рассчитывают по формуле (3).
6.3.8 Для учета совместного влияния близкорасположенных дефектов на работоспособность участка трубопровода составляют возможные комбинации для таких дефектов. Схема комбинирования дефектов приведена на рисунке 8.

Рисунок 8 - Составление комбинаций из близкорасположенных дефектов
6.3.9 Схема определения длины и глубины составного дефекта приведена на рисунке 9.

Рисунок 9 - Определение размеров составного дефекта
6.3.10 Длину составных дефектов, полученных при комбинировании близкорасположенных дефектов от n до m, рассчитывают по формуле
. (14)
6.3.11 Глубину составных дефектов, полученных при комбинировании близкорасположенных дефектов от n до m, рассчитывают по формуле
. (15)
6.3.12 Для каждого составного дефекта длиной lnm и глубиной dnm рассчитывают разрушающее давление по формуле (3).
6.3.13 Из полученных согласно 6.3.7 и 6.3.12 значений разрушающего давления определяют наименьшее. Для каждой линии проекции процедуру определения разрушающего давления повторяют.
6.3.14 За разрушающее давление для участка трубопровода с близкорасположенными дефектами принимают наименьшее из полученных согласно 6.3.7, 6.3.12 и 6.3.13 значений.
6.3.15 Максимально допустимое рабочее давление PSW рассчитывают по формуле (6).
6.4.1 Под дефектом сложной формы понимают коррозионное пятно, в пределах которого присутствуют коррозионные язвы (далее - язвы).
6.4.2 Расчет разрушающего давления для участка с дефектом сложной формы проводят только с учетом напряжений, возникающих от избыточного внутреннего давления.
6.4.3 Исходя из площади проекции дефекта на продольную плоскость сечения стенки трубы, проходящую через дефект, и полной длины дефекта, определяют усредненную глубину дефекта сложной формы dave, мм, по формуле
. (16)
6.4.4 Рассчитывают разрушающее давление по формуле (3), принимая дефект сложной формы как единичный с усредненной глубиной профиля dave.
6.4.5 Профиль дефекта сложной формы условно разбивают на равные части - приращения по глубине dj. Рекомендуемое количество таких частей от 10 до 50. Каждая часть условно разделяет профиль на два типа областей (рисунок 10), соответствующих коррозионному пятну глубиной dpatch и язвам глубиной di.

Рисунок 10 - Выделение областей правильной формы на участке дефекта (голубым цветом выделена область, соответствующая коррозионному пятну; серым - язвам)
6.4.6 Глубину области, соответствующей коррозионному пятну, dpatch определяют для части глубиной dj по формуле
. (17)
6.4.7 Площадь проекции коррозионного пятна на продольную плоскость сечения стенки трубы, проходящую через дефект, определяют для части глубиной dj согласно схеме на рисунке 11.

Рисунок 11 - Площадь проекции коррозионного пятна
6.4.8 Для участка трубопровода с дефектом в виде коррозионного пятна без учета язв рассчитывают разрушающее давление по формуле
. (18)
6.4.9 Для оценки влияния язв на величину разрушающего давления определяют их глубину di по формуле
. (19)
6.4.10 Площадь проекции язвы на продольную плоскость сечения стенки трубы, проходящую через дефект, определяют согласно схеме на рисунке 12.

Рисунок 12 - Площадь проекции язвы
6.4.11 Для учета утонения стенки трубы рассчитывают откорректированное значение ее толщины te (рисунок 10) по формуле
, (20)
где Ppatch - разрушающее давление для участка трубопровода, определяемое по формуле (18).
6.4.12 Для каждой язвы определяют среднюю глубину de, откорректированную с учетом утонения стенки трубы, по формуле
dei = di - (t - te). (21)
6.4.13 Для участка трубопровода с i-й язвой, с учетом откорректированных значений толщины стенки и глубины язвы, определяют разрушающее давление Pi по формуле
. (22)
6.4.14 Коэффициент Qi рассчитывают по формуле (4), используя значение длины проекции язвы. Значение fu рассчитывают по формуле (5).
6.4.15 Если для язв не выполняется условие согласно 5.3, то для них проводят оценку взаимодействия друг с другом, считая их близкорасположенными дефектами. Для этого составляют возможные комбинации дефектов и определяют длину полученных составных дефектов. Схема комбинирования приведена на рисунке 8.
6.4.16 Длину составного дефекта, включающего язвы от n до m, определяют по формуле (14).
6.4.17 Также определяют глубину составного дефекта с учетом утонения стенки трубы (рисунок 9), включающего язвы от n до m, по формуле
, (23)
где dei - откорректированная средняя глубина i-й язвы, мм;
lnm - длина составного дефекта, мм.
6.4.18 Для участка трубопровода с составным дефектом, включающим язвы от n до m, с учетом откорректированных значений толщины стенки и глубины определяют разрушающее давление Pf по формуле (3), используя откорректированные значения толщины стенки te и глубины de,nm.
6.4.19 Коэффициент Q рассчитывают по формуле (4), используя значение длины составного дефекта, определенное по формуле (14). Значение fu рассчитывают по формуле (5).
6.4.20 За разрушающее давление для трубопровода с дефектом сложной формы глубиной dj принимают наименьшее из полученных согласно 6.4.8, 6.4.13 и 6.4.18 значений.
6.4.21 Описанную в 6.4.5 - 6.4.20 процедуру расчета разрушающего давления повторяют для всех приращений по глубине дефекта сложной формы dj.
6.4.22 Среди всех значений разрушающего давления, полученных для каждого приращения по глубине dj, выбирают меньшее, которое принимают за разрушающее давление для участка трубопровода с дефектом сложной формы.
6.4.23 Дополнительно проводят расчет, при котором дефект сложной формы условно принимают за единичный с глубиной равной максимальной и длиной равной полной длине коррозионного пятна. При этом определяют разрушающее давление согласно 6.1 и сравнивают со значением, полученным для дефекта сложной формы (см. 6.4.22). За разрушающее давление Pf для участка трубопровода с дефектом сложной формы принимают наименьшее значение.
6.4.24 Максимально допустимое рабочее давление PSW рассчитывают по формуле (6).
Приложение А
(справочное)
Исходные данные:
- наружный диаметр трубопровода D = 812,8 мм;
- толщина стенки t = 19,1 мм;
- временное сопротивление металла трубы SMTS = 530,9 МПа;
- длина дефекта l = 203,2 мм;
- глубина дефекта d = 13,4 мм.
Оценку проводят согласно 6.1. Коэффициент Q, учитывающий длину дефекта, рассчитывают по формуле
. (А.1)
Расчетное fu принимают равным SMTS. Разрушающее давление рассчитывают по формуле
МПа. (А.2)
Исходя из значения коэффициента запаса F1 = 0,72, рассчитывают максимально допустимое рабочее давление по формуле (6):
PSW = 0,9·0,72·Pf = 10,28 МПа.
Исходные данные для оценки:
- наружный диаметр трубопровода D = 219 мм;
- толщина стенки t = 14,5 мм;
- временное сопротивление металла трубы SMTS = 455,1 МПа;
- длина дефекта в направлении оси трубопровода l = 200 мм;
- длина дефекта в окружном направлении трубопровода c = 100 мм;
- глубина дефекта d = 9 мм.
Оценку проводят согласно 6.2. Продольное напряжение, возникающее за счет внешних нагрузок, определяют по формуле (8), и оно имеет σL = -200 МПа.
Коэффициент Q, учитывающий длину дефекта, рассчитывают по формуле
. (А.3)
Разрушающее давление для участка трубопровода с единичным дефектом при нагрузке, возникающей за счет избыточного внутреннего давления, рассчитывают по формуле
МПа. (А.4)
Величину σ1 рассчитывают по формуле
МПа. (А.5)
Условие σL> σ1 не выполняется, поэтому дополнительно рассчитывают разрушающее давление с учетом сжимающих напряжений.
Отношение длины дефекта в окружном направлении к длине окружности трубопровода вычисляют по формуле
. (А.6)
Понижающий коэффициент Ar рассчитывают по формуле (12):
. (А.7)
Значение fu принимают равным значению SMTS. Коэффициент H1, учитывающий продольные сжимающие напряжения, рассчитывают по формуле
. (А.8)
Разрушающее давление для участка трубопровода с дефектом рассчитывают по формуле
МПа. (А.9)
Из полученных значений разрушающего давления выбирают наименьшее Pf = 24,75 МПа.
Исходя из значения общего коэффициента запаса F1 = 0,72, рассчитывают максимально допустимое рабочее давление PSW = 0,9·0,72·Pf = 16,04 МПа.
Исходные данные для оценки:
- наружный диаметр трубопровода D = 812,8 мм;
- толщина стенки t = 20,1 мм;
- нормативное значение временного сопротивления металла трубы SMTS = 642,2 МПа;
- длина первого и второго дефекта l1 = l2 = 203,2 мм;
- глубина первого дефекта d1 = 14,1 мм;
- глубина второго дефекта d2 = 14,2 мм.
Дефекты представляют собой два коррозионных пятна, расположенных на расстоянии 203,2 мм друг от друга в продольном направлении. Расчетное значение временного сопротивления fu принимают равным нормативному значению SMTS.
Оценку проводят согласно 6.3. Рассчитывают разрушающее давление, условно принимая каждый дефект за единичный по формуле (3). Для первого дефекта величина разрушающего давления имеет значение Pf1 = 19,90 МПа, а для второго - Pf2 = 19,73 МПа.
В соответствии с 6.3 дефекты проецируют на одну линию и определяют размеры составного дефекта. Длина составного дефекта l1,2 = 609,6 мм, а глубина - d1,2 = 9,43 мм.
Для составного дефекта определяют разрушающее давление Pf1,2 = 20,13 МПа.
Из полученных значений разрушающего давления для единичных дефектов и составного дефекта на линии проекции выбирается наименьшее Pf = 19,73 МПа.
Исходя из значения общего коэффициента запаса F1 = 0,72, рассчитывают максимально допустимое рабочее давление PSW = 0,9·0,72·Pf = 12,79 МПа.
Исходные данные для оценки:
- наружный диаметр трубопровода D = 762,0 мм;
- толщина стенки t = 22,1 мм;
- нормативное значение временного сопротивления металла трубы SMTS = 525,3 МПа.
Дефект представляет собой коррозионное пятно с двумя прилегающими друг к другу язвами. Оценку проводят согласно 6.4.
Глубина профиля дефекта измерена по всей его длине в осевом направлении. Результаты измерения приведены в таблице А.1.
Проекция профиля дефекта на продольную плоскость сечения стенки трубы, проходящую через дефект, приведена на рисунке А.1.

Рисунок А.1 - Профиль дефекта сложной формы
В миллиметрах
|
Расстояние от начальной точки дефекта |
Глубина профиля дефекта |
Расстояние от начальной точки дефекта |
Глубина профиля дефекта |
|
0,0 |
0,00 |
242,8 |
16,59 |
|
0,0 |
3,90 |
249,0 |
16,19 |
|
0,8 |
7,39 |
255,1 |
15,67 |
|
1,6 |
8,70 |
261,3 |
15,04 |
|
2,4 |
9,61 |
267,5 |
14,28 |
|
3,2 |
10,30 |
273,6 |
13,41 |
|
4,0 |
10,83 |
279,8 |
12,42 |
|
4,8 |
11,23 |
286,0 |
11,30 |
|
5,6 |
11,53 |
292,2 |
12,42 |
|
6,4 |
11,74 |
298,4 |
13,41 |
|
7,2 |
11,86 |
304,5 |
14,28 |
|
8,0 |
11,90 |
310,7 |
15,04 |
|
163,0 |
11,90 |
316,9 |
15,67 |
|
169,2 |
12,42 |
323,0 |
16,19 |
|
175,4 |
13,41 |
329,2 |
16,59 |
|
181,5 |
14,28 |
335,3 |
16,87 |
|
187,7 |
15,04 |
341,4 |
17,04 |
|
193,9 |
15,67 |
347,5 |
17,10 |
|
200,0 |
16,19 |
353,6 |
17,04 |
|
206,2 |
16,59 |
359,7 |
16,87 |
|
212,3 |
16,87 |
365,8 |
16,59 |
|
218,4 |
17,04 |
372,0 |
16,19 |
|
224,5 |
17,10 |
378,1 |
15,67 |
|
230,6 |
17,04 |
384,3 |
15,04 |
|
236,7 |
16,87 |
390,5 |
14,28 |
|
396,6 |
13,41 |
568,0 |
10,83 |
|
409,0 |
11,90 |
568,8 |
10,30 |
|
564,0 |
11,90 |
569,6 |
9,61 |
|
564,8 |
11,86 |
570,4 |
8,7 |
|
565,6 |
11,74 |
571,2 |
7,39 |
|
566,4 |
11,53 |
572 |
3,9 |
|
567,2 |
11,23 |
572 |
0 |
Площадь проекции профиля дефекта исходя из рисунка А.1 имеет значение A = 7584,6 мм2. Средняя глубина дефекта, определяемая по формуле (16), имеет значение dave = 13,26 мм. Разрушающее давление для участка трубопровода с дефектом сложной формы с усредненной глубиной профиля имеет значение Pf = 16,23 МПа.
Профиль дефекта разделяется на 50 частей - приращений по глубине со значением dj. Каждая часть условно разделяет профиль на два типа областей, соответствующих коррозионному пятну глубиной dpatch и язве глубиной di. Например, для 12-го приращения (суммарная глубина 4,1 мм) соответствует площадь проекции профиля дефекта A = 2347 мм2, длина коррозионного пятна 572 мм и глубина коррозионного пятна 4,1 мм. Разрушающее давление для данного приращения с дефектом в виде коррозионного пятна имеет значение Pfpatch = 27,47 МПа. Откорректированное значение толщины стенки имеет значение te = 19,42 мм. Глубина язвы имеет значение d1 = 13,26 мм. Откорректированная глубина язвы имеет значение de1 = 10,58 мм. Разрушающее давление для язвы с откорректированной глубиной имеет значение P1 = 15,54 МПа.
Для 38-го приращения (суммарная глубина 13 мм) площадь проекции профиля дефекта имеет значение A = 7019 мм2, длина коррозионного пятна 572 мм и глубина коррозионного пятна 12,59 мм. Разрушающее давление для данного приращения с дефектом в виде коррозионного пятна имеет значение Pfpatch = 17,65 МПа. Откорректированное значение толщины стенки имеет значение te = 12,59 мм. Глубина первой и второй язвы для данного приращения имеет значение d1 = d2 = 15,73 мм. Откорректированная глубина язв имеет значение de1 = de2 = 6,22 мм. Разрушающее давление для язвы с откорректированной глубиной имеет значение P1 = P2 = 15,56 МПа. Данные язвы считаются близкорасположенными дефектами, т.к. не выполняется условие согласно 5.3. Исходя из схемы комбинирования дефектов возможна одна комбинация составного дефекта. С учетом расстояния между язвами 19,6 мм откорректированная глубина составного дефекта имеет значение de1,2 = 5,69 мм. Разрушающее давление для участка трубопровода с составным дефектом имеет значение Pf1,2 = 13,40 МПа. Наименьшим из полученных значений разрушающих давлений среди всех 50 приращений по глубине является Pf = 13,40 МПа.
Также вычисляют разрушающее давление, условно принимая дефект сложной формы за единичный дефект. Глубину дефекта принимают равной максимальной (17 мм). Длину дефекта принимают равной полной длине коррозионного пятна (572 мм). Разрушающее давление имеет значение Pcorr = 10,03 МПа.
За разрушающее давление для трубопровода с дефектом сложной формы принимают наименьшее из полученных, т.е. Pf = 10,03 МПа.
Исходя из значения общего коэффициента запаса F2 = 0,72, рассчитывают максимально допустимое рабочее давление PSW = 0,9·0,72·Pf = 8,68 МПа.
На рисунке А.2 приведено изменение разрушающего давления в зависимости от приращения по глубине дефекта сложной формы.

Рисунок А.2 - Разрушающее давление в зависимости от приращения по глубине дефекта сложной формы
Библиография
|
[1] |
Технический регламент Таможенного союза ТР ТС 032/2013 |
О безопасности оборудования, работающего под избыточным давлением |
|
[2] |
DNVGL-RP-F101-2017 |
Трубопроводы с коррозионными поражениями (Corroded pipelines) |


