Утв. и введен в действие приказом Федерального агентства по техническому регулированию и метрологии от 17 марта 2020 г. N 6-пнст
Предварительный национальный стандарт ПНСТ 395-2020
"ДОРОГИ АВТОМОБИЛЬНЫЕ ОБЩЕГО ПОЛЬЗОВАНИЯ. АСФАЛЬТОБЕТОН ДОРОЖНЫЙ. МЕТОД ИЗМЕРЕНИЯ СЦЕПЛЕНИЯ СЛОЕВ"
Automobile roads of general use. Asphalt for road pavement. Method for determining adhesion layers
ОКС 93.080.01
Срок действия - с 1 мая 2020 г.
до 1 мая 2023 г.
Предисловие
1 Разработан Обществом с ограниченной ответственностью "Центр метрологии, испытаний и стандартизации" (ООО "ЦМИиС")
2 Внесен Техническим комитетом по стандартизации ТК 418 "Дорожное хозяйство"
3 Утвержден и введен в действие Приказом Федерального агентства по техническому регулированию и метрологии от 17 марта 2020 г. N 6-пнст
1 Область применения
Настоящий стандарт распространяется на асфальтобетон для проведения работ на автомобильных дорогах общего пользования и устанавливает метод измерения сцепления между асфальтобетонными слоями.
2 Нормативные ссылки
В настоящем стандарте использованы нормативные ссылки на следующие стандарты:
ГОСТ 12.4.131 Халаты женские. Технические условия
ГОСТ 12.4.132 Халаты мужские. Технические условия
ГОСТ 28846 (ИСО 4418-78) Перчатки и рукавицы. Общие технические условия
ГОСТ Р 58406.4-2019 Дороги автомобильные общего пользования. Смеси асфальтобетонные дорожные и асфальтобетон. Приготовление образцов-плит вальцовым уплотнителем
ГОСТ Р 58407.5 Дороги автомобильные общего пользования. Асфальтобетон дорожный. Методы отбора проб из уплотненных слоев дорожной одежды.
Примечание - При пользовании настоящим стандартом целесообразно проверить действие ссылочных стандартов в информационной системе общего пользования - на официальном сайте Федерального агентства по техническому регулированию и метрологии в сети Интернет или по ежегодному информационному указателю "Национальные стандарты", который опубликован по состоянию на 1 января текущего года, и по выпускам ежемесячного информационного указателя "Национальные стандарты" за текущий год. Если заменен ссылочный стандарт, на который дана недатированная ссылка, то рекомендуется использовать действующую версию этого стандарта с учетом всех внесенных в данную версию изменений. Если заменен ссылочный стандарт, на который дана датированная ссылка, то рекомендуется использовать версию этого стандарта с указанным выше годом утверждения (принятия). Если после утверждения настоящего стандарта в ссылочный стандарт, на который дана датированная ссылка, внесено изменение, затрагивающее положение, на которое дана ссылка, то это положение рекомендуется применять без учета данного изменения. Если ссылочный стандарт отменен без замены, то положение, в котором дана ссылка на него, рекомендуется применять в части, не затрагивающей эту ссылку.
3 Термины и определения
В настоящем стандарте применен следующий термин с соответствующим определением:
3.1 сцепление асфальтобетонных слоев: Свойство, характеризующееся напряжением при сдвиге, возникающим при разрушении связей между асфальтобетонными слоями при их отделении друг от друга.
4 Требования к средствам измерений, вспомогательным устройствам
4.1 При выполнении испытаний применяют следующие средства измерений, вспомогательные устройства и реактивы, приведенные в 4.1.1-4.1.4.
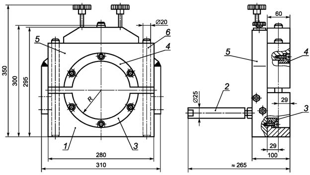
4.1.1 Устройство Лейтнера (см. рисунок 1). Устройство состоит из нижней части корпуса 1, на котором закреплены держатель образца 2 и нижнее поперечное кольцо 3. Верхнее поперечное кольцо 4 прикреплено к верхней части корпуса 5, которая перемещается вертикально вдоль направляющих стержней 6.
1 - нижняя часть корпуса, 2 - держатель образца, 3 - нижнее поперечное кольцо, 4 - верхнее поперечное кольцо, 5 - верхняя часть корпуса, 6 - направляющие стержни
Рисунок 1 - Принципиальная схема устройства Лейтнера
4.1.2 Испытательная установка, обеспечивающая равномерное нагружение со скоростью (50 ± 2) мм/мин с пределом нагружения не менее 35 кН, с силоизмерителем с ценой деления не более 0,1 кН и погрешностью измерения нагрузки не более 2 %.
4.1.3 Металлический элемент цилиндрической формы, применяемый в случае недостаточной высоты t нижнего слоя испытательного образца. Его диаметр D должен быть равным или больше диаметра образца, но не более чем на 2 мм. Поверхность, которая приклеивается к образцу, должна иметь ребристую форму (см. рисунок 2).
Рисунок 2 - Схема поверхности металлического элемента
4.1.4 Клей (или другой материал, выполняющий функции скрепления, например эпоксидный клей), обеспечивающий достаточную прочность соединения во избежание разрушения связи по границе металлического элемента и испытательного образца.
5 Метод измерений
Сущность метода заключается в определении максимального усилия, возникающего при разрушении связей между асфальтобетонными слоями при их отделении друг от друга.
6 Требования безопасности
При подготовке и проведении испытаний используют средства индивидуальной защиты, в том числе защитную одежду - по ГОСТ 12.4.131 или ГОСТ 12.4.132, для защиты рук используют перчатки и рукавицы по ГОСТ 28846.
7 Требования к условиям измерений
При выполнении измерений температура в помещениях, в которых проводят испытания, должна быть (22 ± 3) °С.
8 Подготовка проб
8.1 Испытания проводят на асфальтобетонных образцах цилиндрической формы, отобранных из конструктивных асфальтобетонных слоев автомобильных дорог или асфальтобетонных образцов-плит, изготовленных с применением вальцового уплотнителя по ГОСТ Р 58406.4. Количество образцов для испытаний должно быть не менее трех. Места отбора образцов выбираются в произвольном порядке, но не ближе одного метра от кромки слоя и двух метров от межсменных (холодных) поперечных стыков. Отбор образцов рекомендуется проводить в равноудаленных друг от друга точках, равномерно распределенных по длине участка, при этом количество точек отбора назначается по следующим критериям:
- не менее трех точек на 9000 м2;
- при площади асфальтобетонного покрытия более 9000 м2 количество точек увеличивают из условия одна точка на каждые дополнительные 3000 м2.
8.2 Отбор образцов для испытаний проводят в соответствии с ГОСТ Р 58407.5 на всю толщину асфальтобетонных слоев, между которыми определяют сцепление.
8.3 Минимальная толщина верхнего слоя образца должна составлять не менее 20 мм. Минимальная толщина нижнего слоя образца должна составлять не менее 60 мм.
Примечание - Если толщина нижнего слоя составляет от 30 до 60 мм, то к нему приклеивают металлический элемент для увеличения его толщины как минимум до 60 мм. Предварительно поверхность металлического элемента необходимо очистить от загрязнений и обезжирить. Увеличение толщины образцов посредством приклеивания металлического элемента с толщиной нижнего слоя менее 30 мм не допускается.
8.4 Фиксируют диаметр образцов штангенциркулем с точностью до 1 мм. Диаметр образцов для испытаний должен находиться в пределах (100 ± 2) мм.
Примечание - Диаметр верхнего и нижнего поперечных колец устройства Лейтнера должны быть равными или больше диаметра образца, но не более чем на 4 мм.
8.5 Образцы для испытаний должны иметь одинаковый диаметр с отклонением не более 1 мм по всей толщине. Межслойная поверхность должна быть перпендикулярна продольной оси керна.
8.6 Образцы высушивают до постоянной массы при температуре не более 50 °С.
8.7 Перед испытанием образцы должны быть выдержаны в воздушных условиях при температуре (22 ± 3) °С не менее 3 ч.
8.8 Процедура подготовки асфальтобетонных образцов-плит с применением вальцового уплотнителя приведена в приложении А.
9 Порядок выполнения измерений
9.1 Помещают образец в устройство Лейтнера таким образом, чтобы граница слоев образца находилась между верхним и нижним поперечными кольцами. Закрепляют образец путем перемещения верхней части корпуса устройства Лейтнера таким образом, чтобы верхнее поперечное кольцо касалось образца.
9.2 Если устройство Лейтнера не прикреплено к испытательной установке, то его с образцом устанавливают в испытательную установку и начинают нагружение образца со скоростью (50 ± 2) мм/мин.
9.3 Определяют максимальное значение нагрузки с точностью до 0,1 кН.
Примечание - Применение образцов, подвергшихся испытаниям по определению напряжения сдвига, к повторным испытаниям (и испытаниям для определения иных прочностных показателей) не допускается.
10 Обработка результатов испытаний
Рассчитывают напряжение сдвига τ с точностью до 0,1 МПа по формуле

,
(1)
где F - значение максимальной нагрузки, Н;
τ - радиус образца до испытания, мм.
За результат испытания принимают среднеарифметическое значение результатов определения напряжения сдвига всех испытуемых образцов, при этом рекомендуется, чтобы значение каждого отдельного результата определения напряжения сдвига было не менее 1,0 МПа.
11 Оформление результатов испытаний
Результат оформляют соответствующим образом с указанием следующей информации:
- обозначение настоящего стандарта;
- место отбора образцов;
- дата проведения испытания;
- наименование организации, проводившей испытание;
- значение напряжения сдвига каждого испытуемого образца;
- среднеарифметическое значение напряжения сдвига;
- другая необходимая информация.
12 Контроль точности результатов испытаний
Точность результатов испытаний обеспечивается:
- соблюдением требований настоящего стандарта;
- проведением периодической оценки метрологических характеристик средств измерений;
- проведением периодической аттестации оборудования.
Лицо, проводящее измерения, должно быть ознакомлено с требованиями настоящего стандарта.
Приложение А
(справочное)
Методика изготовления образцов-плит с применением вальцового уплотнителя
А.1 Требования к средствам измерений, вспомогательным устройствам:
- оборудование в соответствии с ГОСТ Р 58406.4;
- установка для выбуривания кернов по ГОСТ Р 58407.5;
- отрезной станок для асфальтобетонных образцов.
А.2 Изготовление образцов-плит
А.2.1 Изготавливают образец-плиту требуемой плотности и толщины в соответствии с ГОСТ Р 58406.4. Делают технологический перерыв не менее 24 час.
А.2.2 При необходимости обрезают кромки образца-плиты для возможности повторного помещения ее в форму вальцового уплотнителя. При этом зазор между краями образца-плиты и стенками формы должен быть не более 2 мм.
А.2.3 Удаляют с поверхности образца-плиты влагу, при ее наличии, и помещают его в форму вальцового уплотнителя.
А.2.4 Проводят распределение битумной эмульсии, битума или другого материала, применяемого для подгрунтовки слоев. Допускается применять малярные кисти или другое специализированное оборудование, позволяющие равномерно распределять вяжущее по всей площади образца-плиты.
Примечания
1 Норму расхода подгрунтовки допускается назначать исходя из условий, планируемых для применения в конкретных случаях при устройстве слоев асфальтобетонных слоев.
2 Если предусмотрено применение геосинтетических материалов, то их укладку проводят на данном этапе.
А.2.5 Далее на образец-плиту распределяют разогретую асфальтобетонную смесь для верхнего слоя.
А.2.6 Проводят уплотнение верхнего слоя в соответствии с разделом 8 ГОСТ Р 58406.4-2019.
А.2.7 Делают технологический перерыв не менее 24 часов.
А.2.8 Высверливают керн на всю глубину, применяя установку для выбуривания кернов по ГОСТ Р 58407.5.