ОДМ 218.3.115-2019 КОНСТРУИРОВАНИЕ И РАСЧЕТ ВОДООТВОДНЫХ ЛОТКОВ ЗАКРЫТОГО ТИПА ДЛЯ АВТОМОБИЛЬНЫХ ДОРОГ И АЭРОДРОМОВ
Предисловие
1 Разработан федеральным государственным бюджетным образовательным учреждением высшего профессионального образования "Московский автомобильно-дорожный государственный технический университет (МАДИ)"
Руководители работ: канд. техн. наук А.А. Чутков, д-р техн. наук В.П. Носов, канд. техн. наук В.В. Татаринов, канд. техн. наук А.А. Фотиади
2 Внесен Управлением научно-технических исследований и информационного обеспечения Федерального дорожного агентства
3 Издан на основании распоряжения Федерального дорожного агентства от 29.07.2019 N 1986-р
4 Имеет рекомендательный характер
5 Введен впервые
Настоящий отраслевой дорожный методический документ (далее - методический документ) устанавливает рекомендации по конструированию и расчету водоотводных лотков закрытого типа для автомобильных дорог и аэродромов.
Методический документ предназначен для органов управления дорожным хозяйством, подрядных организаций, выполняющих работы по строительству, реконструкции автомобильных дорог и аэродромов, и органов, контролирующих качество строительных работ.
В настоящем методическом документе использованы нормативные ссылки на следующие документы:
ГОСТ 3634-89 Дождеприемники чугунные для колодцев. Технические условия
ГОСТ 6467-79 Шнуры резиновые круглого и прямоугольного сечений. Технические условия
ГОСТ 10354-82 Пленка полиэтиленовая. Технические условия
ГОСТ 15588-2014 Межгосударственный стандарт. Плиты пенополистирольные теплоизоляционные. Технические условия
ГОСТ 26633-2015 Межгосударственный стандарт. Бетоны тяжелые и мелкозернистые. Технические условия
ГОСТ 30740-2000 Материалы герметизирующие для швов аэродромных покрытий. Общие технические условия
ГОСТ Р 52748-2007 Дороги автомобильные общего пользования. Нормативные нагрузки, расчетные схемы нагружения и габариты приближения
СП 32.13330.2012 "Канализация. Наружные сети и сооружения" Актуализированная редакция СНиП 2.04.03-85
СП 34.13330.2012 "Автомобильные дороги" Актуализированная редакция СНиП 2.05.02-85**
СП 121.13330.2012 "Аэродромы" Актуализированная редакция СНиП 32-03-96
СП 52-101-2003 "Бетонные и железобетонные конструкции без предварительного напряжения арматуры".
В настоящем методическом документе применены следующие термины с соответствующими определениями:
1 водоотводная система: Система инженерных сооружений, предназначенная для сбора и отвода поверхностных и грунтовых вод, включающая инженерную подготовку рельефа местности с целью организации поверхностного стока.
2 водосборная площадь: Территория, с которой возможно формирование стока.
3 водораздел: Граница водосборной площади, с которой формируется сток.
4 геотекстильный материал: Разделительно-фильтрующий материал.
5 дождеприемный колодец: Колодец, устраиваемый в лотках покрытия для приема воды.
6 коллектор: Подземный трубопровод, принимающий и отводящий воду из дождеприемных и тальвежных колодцев, а также дрен, осушителей и собирателей за пределы летного поля, либо на очистные сооружения.
7 перепускная труба (перепуск): Подземный трубопровод, соединяющий дрену, дождеприемный или тальвежный колодец с коллектором через смотровой колодец.
8 смотровой колодец: Колодец, устраиваемый по оси трассы коллектора, в местах изменения их направления и уклонов, для подсоединения перепусков или других водоотводных линий и ухода за последними при эксплуатации.
9 тальвежный колодец: Колодец, устраиваемый в местах замкнутых понижений на грунтовой части летного поля для приема поверхностных вод и дальнейшего их отвода в коллектор.
10 лоток закрытого типа: Элемент водоотводной системы, предназначенный для приема воды с поверхности покрытия через решетку.
11 обойма омоноличивания лотка: Бетонная или железобетонная конструкция, предназначенная для установки лотка в проектное положение и эксплуатации.
В настоящем методическом документе применены следующие обозначения и сокращения
1 Fd: Динамическая нагрузка от колеса транспортного средства.
2 F̅: Единичная нагрузка.
3 M: Изгибающий момент в сечении элемента.
4 Q: Поперечная сила в сечении элемента.
5 Y: Вертикальная деформация (прогиб) элемента.
6 Y̅: Единичная вертикальная деформация (прогиб) элемента, вызванная F̅.
7 M̅, Q̅: Единичный изгибающий момент и единичная поперечная сила, вызванные действием F̅.
8 Ks: Коэффициент постели.
9 Kse: Эквивалентный коэффициент постели.
10 ВПП: Взлетно-посадочная полоса аэродрома.
11 МРД: Магистральная рулежная дорожка аэродрома.
12 РД: Рулежная дорожка аэродрома.
13 МС: Места стоянок самолетов на аэродроме.
14 ЛВК: Лоток водосточный канальный.
15 ОДМ: Отраслевой дорожный методический документ.
Настоящий методический документ разработан в развитие действующих в настоящее время нормативных документов по проектированию водоотвода и дренажа на автомобильных дорогах и аэродромах СП 32.13330, СП 34.13330, СП 121.13330.
В настоящем ОДМ приведен гидравлический расчет с целью определения оптимальных геометрических размеров лотков закрытого типа для сбора и отвода поверхностного стока, а также методики конструирования и расчета на прочность обоймы лотка от действующих нагрузок на автомобильных дорогах и аэродромах.
Выбор лотка из типовых вариантов, выпускаемых промышленностью, рекомендуется осуществлять по геометрическим размерам, обеспечивающим требуемую пропускную способность.
6.1 Лотки закрытого типа для сбора и отвода стока с искусственных покрытий автомобильных дорог и аэродромов устраивают в виде монолитных и сборных конструкций в кромках искусственных покрытий для аэродромов - согласно СП 121.13330. Устройство лотков закрытого типа вдоль кромки внешней границы обочины разрешается при соответствующем обосновании, приведенном в проекте.
6.2 Допускается устройство лотков закрытого типа на автомобильных дорогах и аэродромах в сборном и монолитном вариантах. Сборные лотки содержат следующие конструктивные элементы:
- элементы сборного лотка;
- искусственное основание;
- подшовная плита;
- обойма омоноличивания лотка;
- уплотняющие и герметизирующие элементы;
- металлическая решетка.
Монолитные лотки устраиваются без обоймы непосредственно на искусственное основание.
6.3 Конструирование элементов сборного лотка осуществляют заводы-изготовители в соответствии с европейскими стандартами DIN EN 1433 и стандартами ИСО 9001-2008.
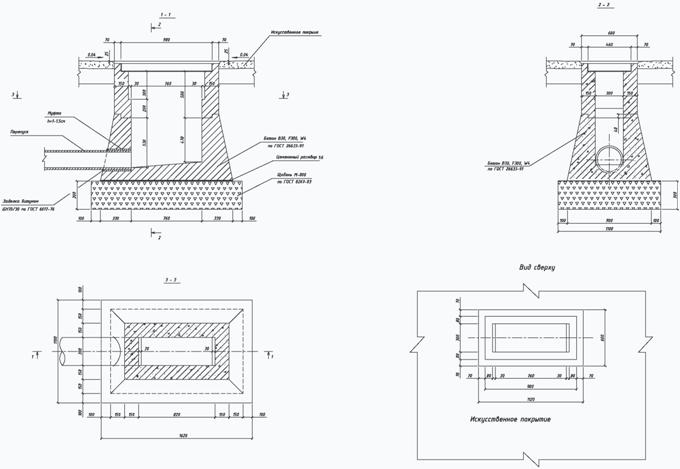
6.4 Конструкция лотка закрытого типа включает в себя обойму омоноличивания и элемент лотка, нижняя часть которого имеет форму полуокружности заданного радиуса, а верхняя часть в виде прямоугольника. Сверху лоток закрывается металлической решеткой закрепленной анкерными болтами (рисунок 1).

Рисунок 1 - Конструкция лотка закрытого типа
6.5 Обойма омоноличивания лотка конструируется как неразрезная бетонная или железобетонная линейная конструкция П-образного сечения (рисунок 2). Для компенсации температурных и усадочных напряжений устраиваются поперечные сквозные деформационные швы. Швы обоймы совмещают с деформационными швами искусственных покрытий жесткого типа. Максимальная длина участка обоймы омоноличивания лотков закрытого типа между швами определяется расчетом, но не должна превышать 10 м. При наличии асфальтобетонных покрытий швы в обойме омоноличивания следует нарезать с шагом не более 7, 5 м. При обосновании допускается устройство стыковых соединений в швах.

Рисунок 2 - Конструкция монтажа лотка закрытого типа в обойму омоноличивания
Армирование обоймы осуществляется металлической арматурой класса А-300 и А-400 по ГОСТ 5781 в виде сеток и пространственных каркасов. Диаметры стержней и их количество определяется расчетом в соответствии с п. 8.6.
6.6 Для обеспечения устойчивости обоймы лотка допускается устройство подшовных плит из бетона шириной назначаемой в зависимости от ширины обоймы омоноличивания лотка, но не более 2, 0 м и толщиной 0, 15 м.
6.7 Независимо от типа лотка их устанавливают на бетонную подготовку обоймы омоноличивания (рисунок 2), устраиваемую на искусственное основание из щебня толщиной не менее 0, 20 м. Между бетонной подготовкой и основанием из щебня следует предусматривать укладку полиэтиленовой пленки.
6.8 Материалы, применяемые для устройства лотков закрытого типа и обоймы омоноличивания, должны отвечать требованиям, которые предъявляются к инженерным сооружениям на автомобильных дорогах и аэродромах.
6.9 Сборные бетонные и железобетонные лотки должны быть изготовлены из бетона не ниже класса Btb3, 6 по прочности на растяжение при изгибе по ГОСТ 26633.
6.10 Для устройства обоймы омоноличивания лотка рекомендуется применять тяжелый бетон не ниже класса Btb3, 2 по прочности на растяжение при изгибе и B15 по прочности на сжатие по ГОСТ 26633 (таблица Б.1).
6.11 Рабочие технологические швы следует устраивать по типу поперечных сквозных швов сжатия или расширения в зависимости от соответствующего шва в искусственном покрытии (рисунок 3, рисунок 4).

Рисунок 3 - Деформационный шов расширения

Рисунок 4 - Деформационный шов сжатия
6.12 Швы расширения следует устраивать в обойме омоноличивания при устройстве лотков вдоль линейных элементов автомобильных дорог и аэродромов (ВПП, МРД, перроны, МС и т.д.).
6.13 При устройстве лотков закрытого типа на перронах, местах стоянки и спецплощадках швы расширения следует устраивать между обоймой омоноличивания и искусственным покрытием с двух сторон шириной не менее 30 мм.
6.14 Пазы деформационных швов должны быть подвергнуты герметизации герметиками по ГОСТ 30740.
6.15 Конструкции деформационных швов должны включать уплотнительный шнур круглого сечения по ГОСТ 6467 диаметром на 25 - 30% превышающим ширину паза.
6.16 Герметизацию швов следует выполнять согласно схеме, приведенной на рисунке 5.

Рисунок 5 - Герметизация швов конструкции закрытого лотка
6.17 Для перронов аэродромов рекомендуется применять конструкцию закрытого лотка в соответствии с рисунком 6, а для ВПП и других линейных элементов - с рисунком 7.

Рисунок 6 - Конструкция закрытого лотка на перроне аэродрома

Рисунок 7 - Конструкция закрытого лотка на ВПП аэродрома
6.18 Для выпуска воды из лотков используются специальные дождеприемные колодцы, которые устанавливаются по продольной оси закрытого лотка через расстояния, определяемые гидравлическим расчетом (рисунок 8). В случае загрязненного стока механическими взвесями надлежит конструировать лотки оборудованными дождеприемными устройствами с пескоуловителями.

Рисунок 8 - Конструкция дождеприемного колодца, устанавливаемого по оси закрытого лотка
7.1 Гидравлический расчет лотков закрытого типа выполняется согласно СП 121.13330 и сводится к определению водосборной площади (расстоянию между дождеприемными колодцами) с которой расчетный расход qr был бы равен пропускной способности лотка qc при его работе полным сечением [1], [2], [3], [4].
7.2 Расчетные расходы дождевых вод qr, (м3/с), в сечениях водоотводных линий следует определять по методу предельной интенсивности по формуле (1)
qr=q̅rAw, (1)
где q̅r - величина стока, м3/с на 1 га;
Aw - площадь водосбора для рассчитываемого сечения, га.
7.3 Для определения величины стока q̅r используется формула (2)
, (2)
где А - параметр, равный максимальной интенсивности дождя продолжительностью 1 мин при принятом периоде однократного превышения расчетной интенсивности дождя, (мм/мин) формула (3)
, (3)
φ - среднее значение коэффициента стока дождевых вод, определяемое по таблице 1;
tr - расчетная продолжительность протекания дождевых вод до рассчитываемого сечения, мин;
n - показатель степени, характеризующий изменение расчетной интенсивности дождя по времени, определяемый по таблице 2;
P - период однократного превышения расчетной интенсивности дождя, годы, определяемый по таблице 3;
q20 - интенсивность дождя для данной местности продолжительностью 20 мин при P = 1 год, (л/с на 1 га);
γ - показатель степени, учитывающий климатические особенности районов территории России;
mr - среднее количество дождей за год.
Таблица 1
|
Тип покрытия |
Коэффициент стока дождевых вод φ |
|
Асфальтобетонные |
0, 95 |
|
Цементобетонные |
0, 85 |
7.4 Определение интенсивности дождя двадцатиминутной продолжительности q20 следует осуществлять по карте (рисунок 9).

Рисунок 9 - Значения интенсивности двадцатиминутного дождя q20, л/с с 1 га
Интенсивность дождя двадцатиминутной продолжительности q20 допускается также определять по формуле (4)
q20=0, 071H√db, (4)
где H - среднегодовое количество атмосферных осадков (мм) за период не менее 15 лет;
db - средневзвешенная величина дефицита влажности за период не менее 5 лет (определяется по месячным количествам жидких осадков, мм).
7.5 Значения параметров n, mr и γ приведены в таблице 2.
Таблица 2
|
Район |
Значение n при |
mr |
γ | |
|
P ≥ 1 |
P < 1 | |||
|
Побережье Белого и Баренцева морей |
0, 40 |
0, 35 |
130 |
1, 33 |
|
Север Европейской части России и западной Сибири |
0, 62 |
0, 48 |
120 |
1, 33 |
|
Равнинные области запада и центра Европейской части России |
0, 71 |
0, 59 |
150 |
1, 33 |
|
Возвышенности Европейской части России, западный склон Урала |
0, 71 |
0, 59 |
150 |
1, 54 |
|
Низовье Волги и Дона |
0, 67 |
0, 57 |
60 |
1, 82 |
|
Нижнее Поволжье |
0, 65 |
0, 66 |
50 |
2 |
|
Наветренные склоны возвышенностей Европейской части России и Северное Предкавказье |
0, 7 |
0, 66 |
70 |
1, 54 |
|
Ставропольская возвышенность, северные предгорья Большого Кавказа, северный склон Большого Кавказа |
0, 63 |
0, 56 |
100 |
1, 82 |
|
Южная часть Западной Сибири |
0, 72 |
0, 58 |
80 |
1, 54 |
|
Алтай |
0, 61 |
0, 48 |
140 |
1, 33 |
|
Северный склон Западных Саян |
0, 49 |
0, 33 |
100 |
1, 54 |
|
Средняя Сибирь |
0, 69 |
0, 47 |
130 |
1, 54 |
|
Хребет Хамар-Дабан |
0, 48 |
0, 36 |
130 |
1, 82 |
|
Восточная Сибирь |
0, 60 |
0, 52 |
90 |
1, 54 |
|
Бассейны рек Шилки и Аргуни, долина р. Среднего Амура |
0, 65 |
0, 54 |
100 |
1, 54 |
|
Бассейны рек Охотского моря и Колымы, северная часть Нижнеамурской низменности |
0, 36 |
0, 48 |
100 |
1, 54 |
|
Побережье Охотского моря, бассейны рек Берингова моря, центральная и западная части Камчатки |
0, 36 |
0, 31 |
80 |
1, 54 |
|
Восточное побережье Камчатки южнее 56° с.ш. |
0, 28 |
0, 26 |
110 |
1, 54 |
|
Побережье Татарского пролива |
0, 35 |
0, 28 |
110 |
1, 54 |
|
Район о. Ханка |
0, 65 |
0, 547 |
90 |
1, 54 |
|
Бассейны рек Японского моря, о. Сахалин, Курильские острова |
0, 45 |
0, 44 |
110 |
1, 54 |
|
Дагестан |
0, 57 |
0, 52 |
100 |
1, 54 |
Примечание - Для районов с характеристиками дождей, отличающимися от приведенных в таблице (например, районы субтропиков, Дальнего Востока с характерными частыми муссонными ливнями и т.п.), расчетные значения параметров интенсивности дождя следует принимать по данным многолетних региональных наблюдений.
Таблица 3
|
Условия расположения коллектора |
Период однократного превышения расчетной интенсивности дождя P, годы, при интенсивности дождя q20, л/с, на 1 га при расчетной площади водосбора Aw, га | ||||||||
|
q20, менее 70 |
q20 от 70 до 115 |
q20, св. 115 | |||||||
|
До 6 |
6 - 9 |
9 - 15 |
До 6 |
6 - 9 |
9 - 15 |
До 6 |
6 - 9 |
9 - 15 | |
|
Благоприятные |
0, 50 |
0, 50 |
0, 50 |
0, 50 |
0, 50 |
0, 75 |
0, 50 |
0, 75 |
0, 75 |
|
Средние |
0, 75 |
0, 75 |
1, 00 |
0, 75 |
1, 00 |
1, 00 |
1, 00 |
1, 00 |
2, 00 |
|
Неблагоприятные |
1, 00 |
1, 50 |
2, 00 |
1, 50 |
2, 00 |
2, 00 |
2, 00 |
2, 00 |
3, 00 |
Примечание
1 В зависимости от расположения коллектора условия предлагается дифференцировать на: благоприятные условия - при обеспечении стока поверхностной воды в сторону от ВПП, МС, перронов, РД; средние условия - при стоке поверхностной воды с прилегающих грунтовых участков аэродрома в грунтовые лотки или замкнутые понижения; неблагоприятные условия - при расположении коллектора под искусственными покрытиями и при поверхностном стоке воды, направленном к искусственным покрытиям зданий аэровокзалов, ангаров, пакгаузов.
2 Для коллекторов водоотводных систем с уклонами свыше 0, 005 указанные в таблице значения P допускается снижать на одну ступень (например, вместо 0, 75 принимать 0, 5 и т.п.).
3 Для водоотводных систем, принимающих воду со служебно-технических территорий и тяготеющих к ним площадей и аэродромных покрытий, значения P надлежит принимать в соответствии с требованиями СП 32.13330 как для территорий промышленных предприятий.
7.6 Расчетную продолжительность дождя tr, мин, равную времени добегания дождевых вод до рассматриваемого сечения лотка, следует определять как сумму времени добегания дождевых вод по поверхности склона и лотка по формуле (5), (рисунок 10)
tr=τs+τc, (5)
где τc - время добегания дождевых вод по поверхности склона до лотка, (мин);
τs - время добегания дождевых вод по лотку до дождеприемника, (мин).
7.7 Время добегания дождевых вод по поверхности склона до лотка τc, надлежит определять по формуле (6)
, (6)
где Ld - расчетная длина склона, участвующего в формировании максимального стока, (м);
id - расчетный уклон склона;
nc - коэффициент шероховатости покрытия, принимаемый по таблице 4.
Таблица 4
|
Вид поверхности |
Коэффициент шероховатости, nc |
|
асфальтобетонное |
0, 011 |
|
цементобетонное |
0, 014 |
|
бетонные лотки |
0, 014 |
7.8 При соотношении продольных и поперечных уклонов покрытий и обочин
(рисунок 10) расчетные уклон и длину склона следует принимать по линии наибольшего ската по формулам
;
,
а при
следует принимать id = ic, а Ld = B.

A - наиболее удаленная точка водосбора; 1 - закрытый лоток; 2 - дождеприемный колодец; 3 - водосборная площадь
Рисунок 10 - Схема к гидравлическому расчету закрытого лотка
7.9 Время добегания дождевых вод по лотку τs, мин, следует определять по формуле (7)
, (7)
где Vs - скорость движения дождевых вод в конце лотка, (м/с) (8)
, (8)
где C - коэффициент Шези, вычисляемый по эмпирической формуле (9)
, при
, (9)
где R - гидравлический радиус лотка, вычисляемый как отношение площади живого сечения ω к величине смоченного периметра χ лотка.
7.10 Для закрытых лотков различного поперечного сечения (рисунок 11) значения ω и χ могут быть определены следующим образом.

Рисунок 11 - Поперечные сечения закрытых лотков
Для лотка с треугольным поперечным сечением (рисунок 11 a)
;
; χ≈b;
.
Для лотка с поперечным сечением (рисунок 11 б)
;
;
.
Для лотка с поперечным сечением (рисунок 11 c)
;
;
.
Для лотка с поперечным сечением (рисунок 11 d)
ω=bh; χ=2h+b;
.
7.11 Пропускная способность лотка qc определяется по формуле (10)
qc=ωVs. (10)
8.1 Расчет на прочность лотков закрытого типа сводится к расчету на прочность железобетонной обоймы омоноличивания, включающего в себя:
- определение расчетных нагрузок;
- расчет на прочность;
- расчет на максимальную вертикальную деформацию (прогиб);
- расчет армирования.
8.2 Расчетные нагрузки на закрытые лотки автомобильных дорог.
8.2.1 В качестве расчетной схемы нагружения конструкции колесом автомобиля принимается штамп, передающий равномерно распределенную нагрузку. В соответствии с ГОСТ Р 52748 приняты следующие нормативные нагрузки, таблица 5.
Таблица 5
|
Нормативная нагрузка на ось, МН в зависимости от категории автомобильной дороги | ||
|
IА, IБ, IВ, II |
III, IV |
V |
|
0, 115 |
0, 100 |
0, 060 |
8.2.2 Расчетную динамическую нагрузку Qдрасч определяют как произведение нормативной нагрузки в зависимости от категории автомобильной дороги на коэффициент динамичности по формуле (11)
Qдрасч = Qнорм·Kдин, (11)
где Qнорм - нормативная нагрузка, МН;
Kдин - коэффициент динамичности, принимаемый равным 1.3.
8.3 Расчетные нагрузки на закрытые лотки аэродромов.
8.3.1 Расчет на прочность закрытых лотков аэродромных покрытий следует выполнять на категорию нормативной нагрузки, (таблица 6). В соответствии с заданием на проектирование допускается выполнять расчет на воздействие вертикальных нагрузок от колес главной опоры самолета конкретного типа. Расчетной схемой нагружения лотка следует считать расположение колес по одной оси опоры при котором создается наиболее опасное нагружение.
Таблица 6
|
Категория нормативной нагрузки |
Нормативная нагрузка, Fn, КН |
Количество колес, Nk |
Давление в шине, pa, МПа |
База тележки, bt, м |
Колея тележки, at, м |
Схема опоры |
|
В/к |
850 |
4 |
1 |
1, 3 |
0, 7 |
|
|
I |
700 |
4 |
1 |
1, 3 |
0, 7 | |
|
II |
550 |
4 |
1 |
1, 3 |
0, 7 | |
|
III |
400 |
4 |
1 |
1, 3 |
0, 7 |
8.3.2 Расчетную нагрузку от колеса категории нормативной нагрузки следует определять по формуле (12)
, (12)
где kd - коэффициент динамичности;
Fn - нормативная нагрузка на стандартную опору (КН);
Nk - количество колес на стандартной опоре;
γf - коэффициент разгрузки.
8.3.3 При расчете аэродромных покрытий на прочность значения коэффициентов динамичности kd и разгрузки для всех групп участков γf следует принимать по таблице 7 и рисунку 12.
Таблица 7
|
Группа участков аэродромных покрытий (рисунок 12) |
Коэффициент разгрузки γf |
Коэффициент динамичности kd при внутреннем давлении воздуха в пневматиках колес pa, МПа | ||
|
pa ≤ 1, 0 |
1, 0 < pa ≤ 1, 5 |
pa > 1, 5 | ||
|
А |
1 |
1, 20 |
1, 25 |
1, 3 |
|
Б |
1 |
1, 1 |
1, 15 |
1, 2 |
|
В, Г |
0, 85 |
1, 1 |
1, 1 |
1, 1 |

Рисунок 12 - Схема деления покрытий аэродрома на группы участков
8.3.4 Соответствие нагрузки от самолета категории нормативной нагрузки следует устанавливать с использованием значений классификационных чисел ACN. Диапазоны значений классификационных чисел ACN для категорий нормативных нагрузок и ACN самолетов следует принимать по таблицам А.1 и А.2 приложения А.
8.3.5 При расчете закрытых лотков на нагрузку от конкретного типа самолета динамическую нагрузку Fd следует определять по формуле (13)
, (13)
где F - взлетный вес конкретного самолета;
No - количество основных опор;
Nk - количество колес основной опоры;
Ko - коэффициент загрузки основных опор;
- общее количество колес всех основных опор.
8.4 Расчет на прочность закрытых лотков.
8.4.1 Расчет на прочность бетонной обоймы лотка в кромке покрытия в продольном направлении надлежит выполнять как расчет балки на упругом основании, характеризуемом эквивалентным значением коэффициента постели Kse.
8.4.2 Эквивалентное значение коэффициента постели многослойного основания следует определять по формуле (14)
, (14)
где
,
;
Ks1, Ks2, Ks3 - расчетные значения коэффициентов постели, МН/м3, соответственно первого (считая сверху), второго и третьего слоев естественного или искусственного (рисунок 13);
t1, t2 - толщина соответственно первого и второго слоев основания, м;
Dr - условный диаметр круга передачи нагрузки на основание (м), принимаемый равным для монолитных покрытий, рассчитываемых на внекатегорийную и I категорию нагрузок - 3, 6 м, на II - 3, 2, на III - 2, 9. При расчете автомобильных дорог I и II категорий - 3, 2, а для остальных категорий - 2, 9.

Рисунок 13 - Схема определения эквивалентного коэффициента постели Kse
Для оснований, состоящих из двух слоев, значения α2 и t2 принимаются равными нулю.
8.4.3 При выборе расчетной схемы следует считать, что свободному опиранию балки соответствует деформационный шов без стыковых соединений, а шарнирному краевому условию - деформационный шов с подшовной плитой. При рассмотрении балки со свободным опиранием в качестве наиболее опасного нагружения следует рассматривать краевое и центральное приложение нагрузки, (рисунок 14 а, 14 б), а при рассмотрении шарнирного краевого условия - только центральное (рисунок 14 в).

а, б - свободное опирание; в - шарнирное опирание; qвр - распределенная нагрузка от колеса транспортного средства; qсм - распределенная нагрузка от собственного веса обоймы омоноличивания и лотка; M, Q, y, φ соответственно изгибающий момент, поперечная сила, прогиб и угол поворота балки
Рисунок 14 - Расчетные схемы загружения и работы обоймы омоноличивания лотка под нагрузкой
8.4.4 При расчете обоймы омоноличивания лотка по прочности должно удовлетворяться условие формула (15), согласно [5]
. (15)
где Rtb - расчетное сопротивление растяжению при изгибе бетона (таблица Б.4 приложение Б);
σmax - максимальное нормальное напряжение, определяемое по формуле (16)
; (16)
τmax - максимальное касательное напряжение, определяемое по формуле (17)
, (17)
W, Jx - соответственно момент сопротивления и момент инерции сечения обоймы омоноличивания, относительно оси, проходящей через центр тяжести сечения;
Sотс - статический момент отсеченной части сечения обоймы омоноличивания, относительно той же оси;
b0 - ширина сечения обоймы омоноличивания в проверяемой точке.
8.4.5 Определение максимальных значений изгибающего момента Mmax и поперечной силы Qmax следует производить методом суперпозиции по формулам (18) и (19)
Mmax=M0+M̅·Fd; (18)
Qmax=Q0+Q̅·Fd, (19)
где M0 - изгибающий момент в расчетном сечении от собственного веса обоймы омоноличивания;
M̅ - единичный изгибающий момент в расчетном сечении от колес оси транспортного средства;
Q0 - поперечная сила в расчетном сечении от собственного веса обоймы омоноличивания;
Q̅ - единичная поперечная сила в расчетном сечении от колес оси транспортного средства;
Fd - динамическая нагрузка от колеса.
Значения единичных внутренних усилий, а также внутренних усилий от собственного веса следует определять по таблицам приложения В и Г.
В случае невыполнения условия прочности формулы (15) обойму омоноличивания лотка следует рассчитывать как железобетонную в соответствии с п. 8.6.
Примечание
1. При расчете внутренних усилий в обойме омоноличивания лотка при отсутствии подшовных плит следует принимать расчетную схему свободного опирания (рисунок 14 а) и б)), а при наличии подшовных плит - схему краевого шарнирного опирания рисунок 14 в.
2. При расчете по схеме свободного опирания значения M0 и Q0 следует принимать равными нулю.
8.5 Расчет на максимальную вертикальную деформацию (прогиб).
8.5.1 При расчете обоймы омоноличивания лотка на максимальную вертикальную деформацию должно удовлетворяться условие формулы (20)
Ymax ≤ [Y], (20)
где Ymax - максимальное абсолютное значение прогиба при расчетной нагрузке, (мм);
[Y] - предельное значение прогиба, определяемое для обоймы омоноличивания длиной L по формуле
.
8.5.2 Определение максимальных значений прогиба Ymax следует также производить методом суперпозиции по формуле (21) с использованием таблиц приложения В и Г.
Ymax=Y0+Y̅·Fd; (21)
где Y0 - прогиб в расчетном сечении от собственного веса обоймы омоноличивания;
Y̅ - единичный прогиб в расчетном сечении от остальных колес данной оси.
Примечание - При расчете прогибов обоймы омоноличивания лотка при отсутствии подшовных плит следует принимать расчетную схему свободного опирания - рисунок 14 а, а при наличии подшовных плит - схему краевого шарнирного опирания - рисунок 14 в.
8.6 Расчет армирования обоймы омоноличивания лотка
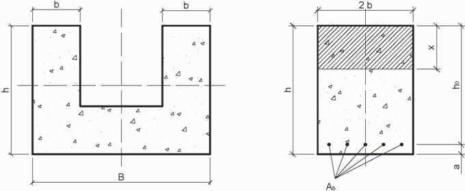
8.6.1 При расчете армирования сечение обоймы омоноличивания лотка следует привести к прямоугольному в соответствии со схемой (рисунок 15) [5].

As - общая площадь растянутой арматуры; x - высота сжатой зоны; h0 - рабочая высота сечения
Рисунок 15 - Схема приведения сечения обоймы омоноличивания лотка к прямоугольному
8.6.2 Расчет армирования обоймы омоноличивания лотка с подшовными плитами, работающей под нагрузкой по схеме (рисунок 14 в) следует выполнять на действие положительных изгибающих моментов. Расчет надлежит осуществлять в следующей последовательности:
- определение рабочей высоты сечения h0 по формуле (22)
h0 = h - a, (22)
где a - величина защитного слоя для арматуры нижней зоны;
- расчет параметра am по формуле (23)
, (23)
где Mmax - максимальный положительный изгибающий момент, определяемый в соответствии с п. 8.4.5;
Rb - расчетное сопротивление бетона сжатию при изгибе, определяемое по таблице Б.3 приложения Б;
b0 = 2b - расчетная ширина прямоугольного сечения (рисунок 15);
- определение схемы армирования осуществляется при сравнении параметра am с параметром aR, определяемым по таблице 8. Если am > aR, то необходима двойная арматура (растянутая и сжатая), в противном случае - достаточно одиночной (только растянутой);
- расчет одиночного армирования следует выполнять в соответствии с п. 8.6.3, а двойного - с п. 8.6.4.
Таблица 8
|
Класс арматуры |
А240 |
А300 |
А400 |
А500 |
В500 |
|
Значение ξR |
0, 612 |
0, 577 |
0, 531 |
0, 493 |
0, 502 |
|
Значение aR |
0, 425 |
0, 411 |
0, 390 |
0, 372 |
0, 376 |
8.6.3 При расчете одиночного армирования определение высоты сжатой зоны сечения х, относительного значения высоты сжатой зоны бетона ξ и площади растянутой арматуры As следует выполнять по формулам:
x=ξh0;
,
,
где Rs - расчетное сопротивление арматуры растяжению, определяемое по таблице Б.6 приложения Б.
При расчете арматуры должно выполняться условие ξ≤ξR.
8.6.4 Расчет двойного армирования следует выполнять в соответствии со схемой (рисунок 16). Определение площади сжатой A's и растянутой арматуры As следует выполнять по формулам
;
,
где b0 = 2b - расчетная ширина прямоугольного сечения (рисунок 16);
а' - величина защитного слоя для арматуры верхней зоны (рисунок 16).

As - общая площадь растянутой арматуры; A's - общая площадь сжатой арматуры; x - высота сжатой зоны; h0 – рабочая высота сечения
Рисунок 16 - Расчетная схема двойного армирования сечения
8.6.5 Расчет армирования обоймы омоноличивания лотка при отсутствии подшовных плит, работающей под нагрузкой по схеме балки со свободным краевым опиранием, следует выполнять на действие положительных (рисунок 14 б) и отрицательных (рисунок 14 а) изгибающих моментов. Расчет надлежит осуществлять в два этапа следующей последовательности:
- на первом этапе расчет одиночного армирования на действие положительных изгибающих моментов (схема загружения - рисунок 14 б) следует выполнять в соответствии с п. 8.6.2 и 8.6.3;
- на втором этапе расчет двойного армирования на действие отрицательных изгибающих моментов (схема загружения - рисунок 14 а), при этом следует принимать арматуру, определенную на предыдущем этапе, в качестве сжатой арматуры в соответствии со схемой (рисунок 17).

As - общая площадь сжатой арматуры, определяемой на первом этапе как растянутой; As1 - общая площадь растянутой арматуры; x - высота сжатой зоны; h0 – рабочая высота сечения
Рисунок 17 - Расчетная схема двойного армирования сечения для расчета на втором этапе
Величину рабочей высоты сечения h0 следует определять по формуле (22) с учетом защитного слоя. Общая площадь растянутой арматуры определяется по формуле (24)
As2 = As + As1, (24)
где As - общая площадь сжатой арматуры, определяемой на первом этане как растянутой;
As1 - площадь дополнительной растянутой арматуры, определяемая по формуле (25)
, (25)
где am - параметр, определяемый по формуле (26)
, (26)
где M'max - абсолютное значение изгибающего момента определенного при схеме загружения - рисунок 14 а, по таблицам приложения Г.
При отрицательных значениях параметра am величину As1 следует принимать равной 0.
8.6.6 Определение необходимого количества стержней арматуры n и расстояния между ними ls, следует осуществлять по формулам
;
,
где As - общая площадь арматуры в данной зоне;
A1 - площадь одного стержня арматуры в данной зоне;
b - ширина приведенного сечения;
a - толщина защитного слоя.
При расстановке стержней арматуры необходимо обеспечивать максимальное расстояние между стержнями не более 0, 4 м, предусматривая установку стержней конструктивного армирования. Армирование стенок обоймы омоноличивания лотка следует производить конструктивно согласно проекту.
Приложение А
Таблица А.1
|
Категория нормативных нагрузок |
Числа ACN при коде прочности основания | ||||||
|
A |
B |
C |
D | ||||
|
В.К |
64 и более |
76 и более |
88 и более |
97 и более | |||
|
I |
47 - 63 |
57 - 75 |
67 - 87 |
75 - 96 | |||
|
II |
33 - 46 |
40 - 56 |
47 - 66 |
54 - 74 | |||
|
III |
21 - 32 |
25 - 39 |
30 - 46 |
35 - 53 | |||
|
IV |
14 - 20 |
17 - 24 |
20 - 29 |
24 - 34 | |||
|
Примечание | |||||||
|
Код прочности основания |
Категория прочности основания |
Значение коэффициента постели основания, МН/м3 | |||||
|
A |
высокая |
св. 120 | |||||
|
B |
средняя |
св. 60 до 120 | |||||
|
C |
низкая |
св. 25 до 60 | |||||
|
D |
очень низкая |
25 и менее | |||||
Таблица А.2
|
Тип самолета |
Максимальный взлетный вес, МН |
Давление в пневматике колеса основной опоры, МПа |
Значение ACN при коде прочности основания | |||
|
A |
B |
C |
D | |||
|
1 |
2 |
3 |
4 |
5 |
6 |
7 |
|
A300-B, B2 |
1, 353 |
1, 16 |
35 |
43 |
51 |
58 |
|
A300-B4-200 |
1, 627 |
1, 28 |
46 |
56 |
66 |
75 |
|
A300-B4-200 (Optional Bogie) |
1, 627 |
1, 16 |
41 |
49 |
59 |
68 |
|
A300-B4-600R |
1, 693 |
1, 35 |
51 |
61 |
71 |
80 |
|
A300-B4-600R (Optional Bogie) |
1, 693 |
1, 21 |
44 |
54 |
64 |
74 |
|
A300-C4 |
1, 627 |
1, 24 |
44 |
53 |
63 |
72 |
|
A310-200, 200C |
1, 509 |
1, 46 |
43 |
51 |
59 |
67 |
|
A310-300 (Configuration 1) |
1, 480 |
1, 19 |
40 |
48 |
57 |
65 |
|
A310-300 (Configuration 2) |
1, 549 |
1, 48 |
46 |
55 |
64 |
72 |
|
A310-300 (Configuration 3) |
1, 617 |
1, 29 |
47 |
56 |
66 |
75 |
|
A310-322 SR, BB |
1, 500 |
1, 45 |
42 |
50 |
59 |
67 |
|
A310-324 |
1, 540 |
1, 24 |
41 |
50 |
59 |
67 |
|
A310-325 |
1, 608 |
1, 38 |
46 |
55 |
64 |
73 |
|
A318-100 |
0, 607 |
0, 89 |
31 |
34 |
36 |
38 |
|
A319-100 (Configuration 1) |
0, 632 |
0, 89 |
31 |
34 |
37 |
39 |
|
A319-100 (Configuration 2) |
0, 690 |
1, 07 |
37 |
40 |
42 |
44 |
|
A319-100 (Configuration 3) |
0, 744 |
1, 38 |
44 |
46 |
48 |
50 |
|
A320-100 |
0, 667 |
1, 21 |
38 |
41 |
43 |
45 |
|
A320-200 (Configuration 1) |
0, 725 |
1, 03 |
40 |
43 |
45 |
48 |
|
A320-200 (Configuration 2) |
0, 744 |
1, 14 |
42 |
45 |
48 |
50 |
|
A320-200 (Configuration 3) |
0, 759 |
1, 44 |
46 |
49 |
51 |
53 |
|
A320-200 (Optional Bogie) |
0, 725 |
1, 22 |
19 |
23 |
27 |
31 |
|
A320-212 (Optional 4-Wheel Bogie) |
0, 764 |
1, 22 |
20 |
24 |
29 |
33 |
|
A321-100 (Configuration 1) |
0, 769 |
1, 28 |
47 |
50 |
52 |
54 |
|
A321-100 (Configuration 2) |
0, 818 |
1, 36 |
51 |
54 |
57 |
59 |
|
A321-200 |
0, 877 |
1, 46 |
56 |
59 |
62 |
64 |
|
A330-200 (Configuration 1) |
2, 137 |
1, 34 |
48 |
56 |
66 |
78 |
|
A330-200 (Configuration 2) |
2, 264 |
1, 42 |
53 |
61 |
73 |
85 |
|
A330-300 (Configuration 1) |
2, 088 |
1, 31 |
46 |
54 |
64 |
75 |
|
A330-300 (Configuration 2) |
2, 137 |
1, 33 |
47 |
55 |
65 |
77 |
|
A330-300 (Configuration 3) |
2, 264 |
1, 42 |
54 |
62 |
74 |
86 |
|
A340-200 (Configuration 1) |
2, 559 |
1, 32 |
47 |
55 |
65 |
76 |
|
A340-200 (Configuration 2) |
2, 706 |
1, 42 |
53 |
61 |
73 |
85 |
|
A340-300 (Configuration 1) |
2, 559 |
1, 32 |
47 |
54 |
65 |
76 |
|
A340-300 (Configuration 2) |
2, 706 |
1, 42 |
54 |
62 |
74 |
86 |
|
A340-500, 600 |
3, 590 |
1, 42 |
60 |
70 |
83 |
97 |
|
A380-800 (6-колесная основная опора) |
5, 514 |
1, 47 |
55 |
67 |
88 |
110 |
|
A380-800 (4-колесная основная опора) |
5, 514 |
1, 47 |
55 |
64 |
76 |
88 |
|
AН-124-100 |
3, 844 |
1, 03 |
35 |
48 |
73 |
100 |
|
AН-225 |
5, 884 |
1, 13 |
45 |
61 |
89 |
125 |
|
Aurora (CP-140) |
0, 600 |
1, 31 |
41 |
43 |
45 |
46 |
|
B707-120. 120B |
1, 150 |
1, 17 |
28 |
34 |
40 |
47 |
|
B707-320, 320B, 320C, 420 |
1, 484 |
1, 24 |
42 |
50 |
59 |
67 |
|
B717-100, 200, 300 |
0, 543 |
1, 1 |
36 |
38 |
39 |
41 |
|
B720, 720B |
1, 045 |
1, 01 |
24 |
29 |
35 |
41 |
|
B727-100, 100C |
0, 756 |
1, 14 |
45 |
48 |
51 |
53 |
|
B727-200 |
0, 770 |
1, 15 |
47 |
50 |
52 |
54 |
|
B727-200 (Advanced) |
0, 934 |
1, 19 |
59 |
63 |
66 |
68 |
|
B727-200F (Advanced) |
0, 907 |
1, 15 |
57 |
60 |
63 |
66 |
|
B737-100 |
0, 445 |
1, 02 |
25 |
26 |
28 |
29 |
|
B737-200, 200C, Advanced |
0, 572 |
1, 26 |
35 |
37 |
39 |
41 |
|
B737-300 |
0, 623 |
1, 4 |
40 |
42 |
44 |
46 |
|
B737-400 |
0, 670 |
1, 28 |
43 |
45 |
47 |
49 |
|
B737-500 |
0, 596 |
1, 34 |
38 |
40 |
42 |
43 |
|
B737-600 |
0, 645 |
1, 3 |
39 |
41 |
44 |
45 |
|
B737-700 |
0, 690 |
1, 39 |
43 |
46 |
48 |
50 |
|
B737-800 |
0, 777 |
1, 47 |
51 |
53 |
55 |
57 |
|
B737-900 |
0, 777 |
1, 47 |
51 |
53 |
55 |
57 |
|
B737-BBJ |
0, 763 |
1, 47 |
50 |
52 |
54 |
56 |
|
B747-100, 100B, 100SF |
3, 350 |
1, 55 |
46 |
54 |
64 |
73 |
|
B747-100SR |
2, 690 |
1, 04 |
29 |
35 |
42 |
50 |
|
B747-200B, 200C, 200F, 200M |
3, 720 |
1, 38 |
51 |
61 |
72 |
82 |
|
B747-300, 300M, 300SR |
3, 720 |
1, 31 |
50 |
60 |
71 |
81 |
|
B747-400, 400F, 400M |
3, 905 |
1, 38 |
53 |
62 |
74 |
85 |
|
B747-400D (Domestic) |
2, 729 |
1, 04 |
30 |
36 |
43 |
51 |
|
B747-400ER |
4, 061 |
1, 58 |
59 |
69 |
81 |
92 |
|
B747-SP |
3, 127 |
1, 26 |
40 |
48 |
58 |
67 |
|
B757-200 Series |
1, 134 |
1, 24 |
32 |
38 |
45 |
52 |
|
B757-300 |
1, 200 |
1, 24 |
35 |
42 |
49 |
56 |
|
B767-200 |
1, 410 |
1, 31 |
39 |
46 |
55 |
63 |
|
B767-200ER |
1, 726 |
1, 31 |
44 |
52 |
62 |
71 |
|
B767-300 |
1, 566 |
1, 34 |
40 |
47 |
57 |
66 |
|
B767-300ER |
1, 784 |
1, 38 |
40 |
47 |
57 |
66 |
|
B767-400ER |
2, 006 |
1, 48 |
58 |
68 |
80 |
91 |
|
B777-200 |
2, 389 |
1, 26 |
38 |
47 |
61 |
77 |
|
B777-200ER |
2, 823 |
1, 41 |
50 |
63 |
82 |
101 |
|
B777-200LR |
3, 345 |
1, 50 |
64 |
82 |
105 |
127 |
|
B777-300 |
2, 945 |
1, 48 |
54 |
68 |
88 |
108 |
|
B777-300ER |
3, 345 |
1, 52 |
66 |
85 |
109 |
131 |
|
B787-8 |
2, 240 |
1, 57 |
61 |
71 |
84 |
96 |
|
BAC-111 Series 400 |
0, 390 |
0, 97 |
25 |
27 |
28 |
29 |
|
BAC-111 Series 475 |
0, 440 |
0, 57 |
26 |
28 |
29 |
31 |
|
BAC-111 Series 500 |
0, 467 |
1, 1 |
33 |
34 |
35 |
36 |
|
BAe-146-100 |
0, 376 |
0, 84 |
20 |
22 |
24 |
25 |
|
BAe-146-200 |
0, 416 |
0, 97 |
24 |
26 |
27 |
29 |
|
BAe-146-300 |
0, 436 |
1, 1 |
27 |
28 |
30 |
31 |
|
Bombardier BD-700, Global Express, XRS |
0, 437 |
1, 15 |
30 |
31 |
32 |
33 |
|
Bombardier CRJ700 Series |
0, 335 |
1, 06 |
20 |
21 |
22 |
23 |
|
Bombardier CRJ900 Series |
0, 377 |
1, 06 |
23 |
24 |
26 |
27 |
|
Bombardier Global |
0, 391 |
1, 15 |
26 |
27 |
28 |
29 |
|
C-123K Provider (Fairchild/Republic) |
0, 267 |
0, 69 |
21 |
21 |
22 |
22 |
|
C-141B Starlifter (Lockheed) |
1, 553 |
1, 31 |
51 |
61 |
70 |
78 |
|
C-17A (Globemaster III) |
2, 736 |
0, 95 |
55 |
51 |
61 |
76 |
|
C-5 Galaxy (Lockheed) |
3, 723 |
0, 77 |
28 |
31 |
37 |
45 |
|
Convair 880 |
0, 860 |
1, 03 |
26 |
31 |
36 |
40 |
|
Convair 990 |
1, 135 |
1, 28 |
40 |
47 |
54 |
60 |
|
DC-10-10, 10CF, 15 |
2, 037 |
1, 34 |
49 |
58 |
69 |
80 |
|
DC-10-20, 20CF, 30CF, 40CF |
2, 485 |
1, 14 |
49 |
59 |
72 |
85 |
|
DC-10-30, 30ER, 40 |
2, 593 |
1, 22 |
50 |
59 |
72 |
84 |
|
DC-6, 6B |
0, 480 |
0, 73 |
22 |
24 |
26 |
27 |
|
DC-7 (All Models) |
0, 640 |
0, 89 |
37 |
40 |
42 |
44 |
|
DC-8-10, 20 Series |
1, 226 |
1, 01 |
32 |
39 |
46 |
53 |
|
DC-8-43, 55, 61, 71 |
1, 470 |
1, 3 |
45 |
54 |
63 |
71 |
|
DC-8-61F, 63F |
1, 557 |
1, 32 |
50 |
59 |
68 |
76 |
|
DC-8-62, 62F, 63, 72, 73 |
1, 593 |
1, 35 |
50 |
59 |
69 |
77 |
|
DC-9-10, 15 |
0, 404 |
0, 93 |
24 |
26 |
27 |
28 |
|
DC-9-21 |
0, 445 |
1, 02 |
28 |
29 |
31 |
32 |
|
DC-9-30, 32 |
0, 485 |
1, 05 |
30 |
32 |
34 |
35 |
|
DC-9-41, 50, 51 |
0, 543 |
1, 17 |
35 |
37 |
39 |
40 |
|
Embraer 170, 175 |
0, 368 |
1, 04 |
22 |
24 |
25 |
26 |
|
Embraer 190, 195 |
0, 481 |
1, 1 |
31 |
33 |
35 |
36 |
|
Fokker 70 |
0, 410 |
0, 81 |
24 |
26 |
27 |
29 |
|
Gulfstream IV |
334 |
1, 21 |
24 |
25 |
25 |
26 |
|
Gulfstream V |
405 |
1, 37 |
31 |
32 |
32 |
33 |
|
Hercules C-130, 082, 182, 282, 382 |
778 |
0, 67 |
33 |
36 |
39 |
42 |
|
Hercules L-100 (Commercial) |
693 |
0, 74 |
30 |
33 |
35 |
38 |
|
Ил-62, 62M |
1, 648 |
1, 65 |
51 |
59 |
68 |
77 |
|
Ил-76T |
1, 677 |
0, 64 |
29 |
33 |
30 |
34 |
|
Ил-76TD |
1, 775 |
0, 66 |
32 |
35 |
32 |
37 |
|
Ил-86 |
2, 054 |
0, 88 |
26 |
31 |
38 |
46 |
|
Ил-96, 96-300, 96M, 96T |
2, 310 |
1, 08 |
35 |
43 |
52 |
61 |
|
KC-10 (McDonnell Douglas) |
2, 593 |
1, 22 |
50 |
59 |
72 |
84 |
|
KC-135 Stratotanker (Boeing) |
1, 342 |
1, 38 |
35 |
40 |
48 |
55 |
|
L-1011-1 Tristar |
1, 913 |
1, 35 |
45 |
52 |
62 |
72 |
|
L-1011-100, 200 Tristar |
2, 073 |
1, 35 |
49 |
58 |
69 |
81 |
|
L-1011-250 Tristar |
2, 269 |
1, 35 |
55 |
66 |
79 |
91 |
|
L-1011-500 Tristar |
2, 295 |
1, 35 |
56 |
67 |
80 |
93 |
|
Lockheed 188 Electra |
503 |
0, 95 |
30 |
32 |
34 |
36 |
|
MD-11 |
2, 805 |
1, 38 |
58 |
69 |
83 |
96 |
|
MD-81 |
628 |
1, 14 |
41 |
43 |
45 |
46 |
|
MD-82 |
670 |
1, 14 |
43 |
46 |
48 |
50 |
|
MD-83 |
716 |
1, 14 |
47 |
50 |
52 |
54 |
|
MD-87 |
628 |
1, 14 |
41 |
43 |
45 |
46 |
|
MD-88 |
670 |
1, 14 |
44 |
46 |
48 |
50 |
|
MD-90-30 |
699 |
1, 14 |
46 |
48 |
50 |
52 |
|
MD-90-30ER |
739 |
1, 14 |
49 |
51 |
54 |
56 |
|
MD-90-50, 55 |
772 |
1, 14 |
52 |
54 |
57 |
58 |
|
P-3A/B/C Orion |
623 |
1, 31 |
44 |
46 |
48 |
49 |
|
Ту-154 |
961 |
0, 93 |
18 |
24 |
30 |
36 |
|
Ту-204, 214, 224, 234 |
1, 096 |
1, 38 |
29 |
34 |
40 |
46 |
|
VC 10 Series |
1, 590 |
1, 01 |
41 |
50 |
60 |
69 |
Приложение Б
Таблица Б.1
|
Конструкция |
Минимальный проектный класс бетона по прочности | |
|
на растяжение при изгибе |
на сжатие | |
|
Обойма омоноличивания лотка |
Btb3, 2 |
B15 |
Таблица Б.2
|
Климатические условия |
Морозостойкость бетона |
|
Мягкие |
F100 |
|
Умеренные |
F150 |
|
Суровые |
F200 |
|
Примечание - Мягкие климатические условия характеризуются среднемесячной температурой наружного воздуха наиболее холодного месяца от 0 до минус 5 °C, умеренные - ниже минус 5 до минус 15 °C, суровые - ниже минус 15 °C. | |
Таблица Б.3
|
Расчетное сопротивление сжатию бетона Rb, МПа при классе бетона по прочности на сжатие | |||
|
B15 |
B20 |
B25 |
B30 |
|
8, 5 |
11, 5 |
14, 5 |
17, 5 |
Таблица Б.4
|
Расчетное сопротивление растяжению при изгибе бетона Rtb, МПа при классе бетона по прочности на растяжение при изгибе | |||
|
Btb3, 2 |
Btb3, 6 |
Btb4, 0 |
Btb4, 4 |
|
2, 75 |
3, 04 |
3, 43 |
3, 73 |
Таблица Б.5
|
Начальный модуль упругости бетона Eb, МПа при классе бетона по прочности на растяжение при изгибе | |||
|
Btb3, 2 |
Btb3, 6 |
Btb4, 0 |
Btb4, 4 |
|
2, 84·104 |
3, 04·104 |
3, 24·104 |
3, 53·104 |
Таблица Б.6
|
N п.п. |
Класс арматуры |
Диаметр, мм |
Площадь сечения стержня, A1, м2 |
Модуль упругости Es, МПа |
Расчетное сопротивление растяжению (сжатию) Rs, МПа |
|
Стержневая горячекатаная | |||||
|
1. |
A-300 |
10 |
7, 854·10-5 |
2, 0·105 |
270 |
|
12 |
1, 131·10-4 | ||||
|
14 |
1, 539·10-4 | ||||
|
16 |
2, 011·10-4 | ||||
|
18 |
2, 545·10-4 | ||||
|
2. |
A-400 |
10 |
7, 854·10-5 |
2, 0·105 |
355 |
|
12 |
1, 131·10-4 | ||||
|
14 |
1, 539·10-4 | ||||
|
16 |
2, 011·10-4 | ||||
|
18 |
2, 545·10-4 | ||||
|
3. |
A-500 |
10 |
7, 854·10-5 |
2, 0·105 |
435 |
|
12 |
1, 131·10-4 | ||||
|
14 |
1, 539·10-4 | ||||
|
16 |
2, 011·10-4 | ||||
|
18 |
2, 545·10-4 | ||||

Рисунок Б.1 - Районирование территории РФ по требуемой морозостойкости бетона
Приложение В
В.2.1 Максимальные значения прогибов от собственного веса для схемы со свободным опиранием (рисунок 14 а) для лотка шириной 300 мм, рисунок В.1.

1 - закрытый лоток; 2 - обойма омоноличивания лотка
Рисунок В.1 - Поперечное сечение обоймы омоноличивания лотка шириной 300 мм
Таблица В.1
|
Значение эквивалентного коэффициента постели Kse, МН/м3 |
Максимальное значение прогиба Y0, мм |
|
40 |
-0, 29570 |
|
50 |
-0, 23656 |
|
60 |
-0, 19713 |
|
70 |
-0, 16897 |
|
80 |
-0, 14785 |
|
90 |
-0, 13142 |
|
100 |
-0, 11828 |
|
120 |
-0, 09857 |
|
140 |
-0, 08449 |
|
160 |
-0, 07393 |
|
180 |
-0, 06571 |
|
200 |
-0, 05914 |
Примечание
1. Значения изгибающих моментов и поперечных сил от собственного веса для схемы со свободным опиранием (рисунок 14 а и 14 б) следует принимать равными нулю.
2. Для промежуточных значений Kse величины Y0 следует принимать по интерполяции.
В.2.2 Максимальные значения прогибов и внутренних усилий от собственного веса для схемы с шарнирным опиранием (рисунок 14 в) и лотка шириной 300 мм, рисунок В.1.
Таблица В.2
|
Значение эквивалентного коэффициента постели Kse, МН/м3 |
Максимальное значение прогиба Y0, мм |
Максимальное значение изгибающего момента, M0, кН·м |
Максимальное значение поперечной силы, Q0, кН |
|
Длина обоймы омоноличивания 5 м | |||
|
40 |
-0, 09942 |
24, 96400 |
21, 57200 |
|
50 |
-0, 09320 |
23, 34400 |
20, 55000 |
|
60 |
-0, 08771 |
21, 91300 |
19, 64700 |
|
70 |
-0, 08283 |
20, 64200 |
18, 84500 |
|
80 |
-0, 07846 |
19, 50300 |
18, 12600 |
|
90 |
-0, 07452 |
18, 47900 |
17, 47800 |
|
100 |
-0, 07096 |
17, 55100 |
16, 89200 |
|
120 |
-0, 06477 |
15, 93800 |
15, 87100 |
|
140 |
-0, 05956 |
14, 58300 |
15, 01200 |
|
160 |
-0, 05512 |
13, 42800 |
14, 27900 |
|
180 |
-0, 05129 |
12, 43300 |
13, 64600 |
|
200 |
-0, 04796 |
11, 56600 |
13, 09400 |
|
Длина обоймы омоноличивания 7, 5 м | |||
|
40 |
-0, 24084 |
25, 79700 |
19, 54500 |
|
50 |
-0, 20699 |
21, 88700 |
17, 87900 |
|
60 |
-0, 18140 |
18, 93600 |
16, 61600 |
|
70 |
-0, 16139 |
16, 63000 |
15, 62300 |
|
80 |
-0, 14531 |
14, 78000 |
14, 82100 |
|
90 |
-0, 13211 |
13, 26600 |
14, 16000 |
|
100 |
-0, 12108 |
12, 05700 |
13, 60300 |
|
120 |
-0, 10369 |
10, 29600 |
12, 71800 |
|
140 |
-0, 09060 |
9, 07580 |
12, 04300 |
|
160 |
-0, 08039 |
8, 18330 |
11, 50800 |
|
180 |
-0, 07222 |
7, 50180 |
11, 07300 |
|
200 |
-0, 06552 |
6, 96330 |
10, 71000 |
|
Длина обоймы омоноличивания 10 м | |||
|
40 |
-0, 31321 |
17, 52600 |
16, 64300 |
|
50 |
-0, 25695 |
14, 68500 |
15, 40800 |
|
60 |
-0, 21754 |
12, 85100 |
14, 52000 |
|
70 |
-0, 18841 |
11, 56100 |
13, 84500 |
|
80 |
-0, 16601 |
10, 60600 |
13, 31000 |
|
90 |
-0, 14825 |
9, 86420 |
12, 87300 |
|
100 |
-0, 13383 |
9, 26740 |
12, 50600 |
|
120 |
-0, 11186 |
8, 36810 |
11, 91800 |
|
140 |
-0, 09591 |
7, 70770 |
11, 46200 |
|
160 |
-0, 08383 |
7, 20290 |
11, 09100 |
|
180 |
-0, 07436 |
6, 79270 |
10, 78000 |
|
200 |
-0, 06675 |
6, 45560 |
10, 51300 |
Примечание - для промежуточных значений длины обоймы омоноличивания и Kse величины Y0, M0 и Q0 следует принимать по интерполяции.
В.2.3 Максимальные значения прогибов от собственного веса для схемы со свободным опиранием (рисунок 14 а) для лотка шириной 500 мм, рисунок В.2.

1 - закрытый лоток; 2 - обойма омоноличивания лотка
Рисунок В.2 - Поперечное сечение обоймы омоноличивания лотка шириной 500 мм
Таблица В.3
|
Значение эквивалентного коэффициента постели Kse, МН/м3 |
Максимальное значение прогиба Y0, мм |
|
40 |
-0, 23913 |
|
50 |
-0, 19130 |
|
60 |
-0, 15942 |
|
70 |
-0, 13665 |
|
80 |
-0, 11957 |
|
90 |
-0, 10628 |
|
100 |
-0, 09565 |
|
120 |
-0, 07971 |
|
140 |
-0, 06832 |
|
160 |
-0, 05978 |
|
180 |
-0, 05314 |
|
200 |
-0, 04783 |
Примечание
1. Значения изгибающих моментов и поперечных сил от собственного веса для схемы со свободным опиранием (рисунок 14 а и 14 б) следует принимать равными нулю.
2. Для промежуточных значений Kse величины Y0 следует принимать по интерполяции.
В.2.4 Максимальные значения прогибов и внутренних усилий от собственного веса для схемы с шарнирным опиранием (рисунок 14 в) и лотка шириной 500 мм, рисунок В.2.
Таблица В.4
|
Значение эквивалентного коэффициента постели Kse, МН/м3 |
Максимальное значение прогиба Y0, мм |
Максимальное значение изгибающего момента, M0, кН·м |
Максимальное значение поперечной силы, Q0, кН |
|
Длина обоймы омоноличивания 5 м | |||
|
40 |
-0, 06848 |
26, 36000 |
22, 45200 |
|
50 |
-0, 06480 |
24, 89300 |
21, 52700 |
|
60 |
-0, 06150 |
23, 57400 |
20, 69500 |
|
70 |
-0, 05851 |
22, 38400 |
19, 94400 |
|
80 |
-0, 05580 |
21, 30300 |
19, 26200 |
|
90 |
-0, 05332 |
20, 31700 |
18, 64000 |
|
100 |
-0, 05106 |
19, 41500 |
18, 07000 |
|
120 |
-0, 04706 |
17, 82100 |
17, 06200 |
|
140 |
-0, 04364 |
16, 45800 |
16, 20000 |
|
160 |
-0, 04068 |
15, 27800 |
15, 45300 |
|
180 |
-0, 03809 |
14, 24800 |
14, 79900 |
|
200 |
-0, 03581 |
13, 34000 |
14, 22300 |
|
Длина обоймы омоноличивания 7, 5 м | |||
|
40 |
-0, 17993 |
29, 77800 |
21, 23400 |
|
50 |
-0, 15637 |
25, 61100 |
19, 46600 |
|
60 |
-0, 13822 |
22, 40400 |
18, 10000 |
|
70 |
-0, 12381 |
19, 86000 |
17, 01300 |
|
80 |
-0, 11210 |
17, 79400 |
16, 12500 |
|
90 |
-0, 10239 |
16, 08300 |
15, 38700 |
|
100 |
-0, 09421 |
14, 64300 |
14, 76200 |
|
120 |
-0, 08119 |
12, 39200 |
13, 76100 |
|
140 |
-0, 07128 |
10, 82100 |
12, 99300 |
|
160 |
-0, 06350 |
9, 67600 |
12, 38200 |
|
180 |
-0, 05723 |
8, 80520 |
11, 88400 |
|
200 |
-0, 05206 |
8, 12070 |
11, 46900 |
|
Длина обоймы омоноличивания 10 м | |||
|
40 |
-0, 24565 |
21, 02800 |
17, 99100 |
|
50 |
-0, 20290 |
17, 37700 |
16, 58300 |
|
60 |
-0, 17263 |
15, 03300 |
15, 56700 |
|
70 |
-0, 15009 |
13, 40100 |
14, 79500 |
|
80 |
-0, 13265 |
12, 19800 |
14, 18400 |
|
90 |
-0, 11877 |
11, 27400 |
13, 68700 |
|
100 |
-0, 10745 |
10, 53800 |
13, 27100 |
|
120 |
-0, 09012 |
9, 43400 |
12, 61000 |
|
140 |
-0, 07749 |
8, 64120 |
12, 10100 |
|
160 |
-0, 06787 |
8, 03930 |
11, 69300 |
|
180 |
-0, 06032 |
7, 55850 |
11, 35300 |
|
200 |
-0, 05422 |
7, 16550 |
11, 06300 |
Примечание - для промежуточных значений длины обоймы омоноличивания и Kse величины Y0, M0 и Q0 следует принимать по интерполяции.
Приложение Г

a - колея колес шасси
а) свободное опирание при краевом загружении;
б) свободное опирание при центральном загружении;
в) шарнирное опирание при центральном загружении
Рисунок Г.1 - Расчетные схемы загружения обоймы омоноличивания лотка двухколесной нагрузкой

a - колея колес шасси
а) свободное опирание при краевом загружении;
б) свободное опирание при центральном загружении;
в) шарнирное опирание при центральном загружении
Рисунок Г.2 - Расчетные схемы загружения обоймы омоноличивания лотка одноколесной нагрузкой
Таблица Г.1
|
Kse, МН/м3 |
Значения единичного прогиба Y̅, в расчетном сечении при колее колес | |||||||||
|
0, 1 |
0, 2 |
0, 3 |
0, 4 |
0, 5 |
0, 6 |
0, 7 |
0, 8 |
0, 9 |
1 | |
|
40 |
-0, 03737 |
-0, 03657 |
-0, 03577 |
-0, 03498 |
-0, 03420 |
-0, 03343 |
-0, 03266 |
-0, 03191 |
-0, 03117 |
-0, 03117 |
|
50 |
-0, 03016 |
-0, 02949 |
-0, 02882 |
-0, 02817 |
-0, 02752 |
-0, 02688 |
-0, 02625 |
-0, 02562 |
-0, 02501 |
-0, 02501 |
|
60 |
-0, 02535 |
-0, 02477 |
-0, 02419 |
-0, 02362 |
-0, 02306 |
-0, 02251 |
-0, 02196 |
-0, 02143 |
-0, 02090 |
-0, 02090 |
|
70 |
-0, 02191 |
-0, 02139 |
-0, 02088 |
-0, 02037 |
-0, 01987 |
-0, 01938 |
-0, 01890 |
-0, 01843 |
-0, 01797 |
-0, 01797 |
|
80 |
-0, 01933 |
-0, 01885 |
-0, 01839 |
-0, 01793 |
-0, 01748 |
-0, 01703 |
-0, 01660 |
-0, 01618 |
-0, 01576 |
-0, 01576 |
|
90 |
-0, 01731 |
-0, 01687 |
-0, 01645 |
-0, 01602 |
-0, 01561 |
-0, 01521 |
-0, 01481 |
-0, 01442 |
-0, 01405 |
-0, 01405 |
|
100 |
-0, 01569 |
-0, 01529 |
-0, 01489 |
-0, 01450 |
-0, 01412 |
-0, 01374 |
-0, 01338 |
-0, 01302 |
-0, 01267 |
-0, 01267 |
|
120 |
-0, 01326 |
-0, 01290 |
-0, 01255 |
-0, 01221 |
-0, 01187 |
-0, 01154 |
-0, 01122 |
-0, 01091 |
-0, 01061 |
-0, 01061 |
|
140 |
-0, 01152 |
-0, 01119 |
-0, 01087 |
-0, 01056 |
-0, 01026 |
-0, 00997 |
-0, 00968 |
-0, 00940 |
-0, 00913 |
-0, 00913 |
|
160 |
-0, 01020 |
-0, 00990 |
-0, 00961 |
-0, 00932 |
-0, 00905 |
-0, 00878 |
-0, 00852 |
-0, 00827 |
-0, 00802 |
-0, 00802 |
|
180 |
-0, 00917 |
-0, 00889 |
-0, 00862 |
-0, 00836 |
-0, 00810 |
-0, 00785 |
-0, 00761 |
-0, 00738 |
-0, 00716 |
-0, 00716 |
|
200 |
-0, 00834 |
-0, 00808 |
-0, 00783 |
-0, 00758 |
-0, 00734 |
-0, 00711 |
-0, 00689 |
-0, 00667 |
-0, 00647 |
-0, 00647 |
Продолжение таблицы Г.1
|
Kse, МН/м3 |
Значения единичного прогиба Y̅, в расчетном сечении при колее колес | |||||||||
|
1, 1 |
1, 2 |
1, 3 |
1, 4 |
1, 5 |
1, 6 |
1, 7 |
1, 8 |
1, 9 |
2, 0 | |
|
40 |
-0, 02972 |
-0, 02900 |
-0, 02830 |
-0, 02761 |
-0, 02693 |
-0, 02626 |
-0, 02560 |
-0, 02495 |
-0, 02431 |
-0, 02368 |
|
50 |
-0, 02382 |
-0, 02324 |
-0, 02267 |
-0, 02211 |
-0, 02156 |
-0, 02101 |
-0, 02048 |
-0, 01996 |
-0, 01945 |
-0, 01895 |
|
60 |
-0, 01989 |
-0, 01939 |
-0, 01891 |
-0, 01843 |
-0, 01797 |
-0, 01752 |
-0, 01707 |
-0, 01664 |
-0, 01621 |
-0, 01579 |
|
70 |
-0, 01707 |
-0, 01664 |
-0, 01622 |
-0, 01581 |
-0, 01541 |
-0, 01502 |
-0, 01463 |
-0, 01426 |
-0, 01390 |
-0, 01354 |
|
80 |
-0, 01497 |
-0, 01458 |
-0, 01421 |
-0, 01384 |
-0, 01349 |
-0, 01314 |
-0, 01281 |
-0, 01248 |
-0, 01216 |
-0, 01185 |
|
90 |
-0, 01332 |
-0, 01298 |
-0, 01264 |
-0, 01231 |
-0, 01199 |
-0, 01168 |
-0, 01138 |
-0, 01109 |
-0, 01081 |
-0, 01054 |
|
100 |
-0, 01201 |
-0, 01169 |
-0, 01139 |
-0, 01109 |
-0, 01080 |
-0, 01052 |
-0, 01025 |
-0, 00999 |
-0, 00973 |
-0, 00949 |
|
120 |
-0, 01004 |
-0, 00977 |
-0, 00950 |
-0, 00925 |
-0, 00900 |
-0, 00877 |
-0, 00854 |
-0, 00832 |
-0, 00811 |
-0, 00791 |
|
140 |
-0, 00863 |
-0, 00839 |
-0, 00816 |
-0, 00793 |
-0, 00772 |
-0, 00752 |
-0, 00732 |
-0, 00714 |
-0, 00696 |
-0, 00679 |
|
160 |
-0, 00757 |
-0, 00735 |
-0, 00715 |
-0, 00695 |
-0, 00676 |
-0, 00658 |
-0, 00641 |
-0, 00625 |
-0, 00609 |
-0, 00594 |
|
180 |
-0, 00674 |
-0, 00655 |
-0, 00636 |
-0, 00618 |
-0, 00601 |
-0, 00585 |
-0, 00570 |
-0, 00555 |
-0, 00542 |
-0, 00528 |
|
200 |
-0, 00608 |
-0, 00590 |
-0, 00573 |
-0, 00557 |
-0, 00541 |
-0, 00527 |
-0, 00513 |
-0, 00500 |
-0, 00488 |
-0, 00476 |
Примечание - для промежуточных значений величину Y̅ следует принимать по интерполяции.
Таблица Г.2
|
Kse, МН/м3 |
Значения единичного прогиба Y̅, в расчетном сечении при колее колес | |||||||||
|
0, 1 |
0, 2 |
0, 3 |
0, 4 |
0, 5 |
0, 6 |
0, 7 |
0, 8 |
0, 9 |
1 | |
|
40 |
-0, 03112 |
-0, 03050 |
-0, 02990 |
-0, 02930 |
-0, 02871 |
-0, 02813 |
-0, 02756 |
-0, 02700 |
-0, 02646 |
-0, 02646 |
|
50 |
-0, 02570 |
-0, 02516 |
-0, 02463 |
-0, 02410 |
-0, 02358 |
-0, 02307 |
-0, 02258 |
-0, 02209 |
-0, 02162 |
-0, 02162 |
|
60 |
-0, 02202 |
-0, 02153 |
-0, 02105 |
-0, 02057 |
-0, 02011 |
-0, 01965 |
-0, 01920 |
-0, 01877 |
-0, 01834 |
-0, 01834 |
|
70 |
-0, 01935 |
-0, 01889 |
-0, 01845 |
-0, 01801 |
-0, 01758 |
-0, 01717 |
-0, 01676 |
-0, 01636 |
-0, 01598 |
-0, 01598 |
|
80 |
-0, 01730 |
-0, 01688 |
-0, 01647 |
-0, 01606 |
-0, 01566 |
-0, 01528 |
-0, 01490 |
-0, 01453 |
-0, 01418 |
-0, 01418 |
|
90 |
-0, 01568 |
-0, 01529 |
-0, 01490 |
-0, 01452 |
-0, 01415 |
-0, 01379 |
-0, 01343 |
-0, 01309 |
-0, 01276 |
-0, 01276 |
|
100 |
-0, 01437 |
-0, 01399 |
-0, 01363 |
-0, 01327 |
-0, 01292 |
-0, 01258 |
-0, 01225 |
-0, 01192 |
-0, 01161 |
-0, 01161 |
|
120 |
-0, 01235 |
-0, 01201 |
-0, 01168 |
-0, 01135 |
-0, 01104 |
-0, 01073 |
-0, 01043 |
-0, 01014 |
-0, 00987 |
-0, 00987 |
|
140 |
-0, 01086 |
-0, 01055 |
-0, 01024 |
-0, 00995 |
-0, 00966 |
-0, 00938 |
-0, 00911 |
-0, 00884 |
-0, 00859 |
-0, 00859 |
|
160 |
-0, 00972 |
-0, 00943 |
-0, 00915 |
-0, 00887 |
-0, 00860 |
-0, 00834 |
-0, 00809 |
-0, 00785 |
-0, 00762 |
-0, 00762 |
|
180 |
-0, 00881 |
-0, 00854 |
-0, 00827 |
-0, 00801 |
-0, 00776 |
-0, 00752 |
-0, 00729 |
-0, 00706 |
-0, 00685 |
-0, 00685 |
|
200 |
-0, 00807 |
-0, 00781 |
-0, 00756 |
-0, 00732 |
-0, 00708 |
-0, 00685 |
-0, 00664 |
-0, 00643 |
-0, 00623 |
-0, 00623 |
Продолжение таблицы Г.2
|
Kse, МН/м3 |
Значения единичного прогиба Y̅, в расчетном сечении при колее колес | |||||||||
|
1, 1 |
1, 2 |
1, 3 |
1, 4 |
1, 5 |
1, 6 |
1, 7 |
1, 8 |
1, 9 |
2, 0 | |
|
40 |
-0, 02540 |
-0, 02490 |
-0, 02440 |
-0, 02392 |
-0, 02345 |
-0, 02299 |
-0, 02255 |
-0, 02212 |
-0, 02170 |
-0, 02130 |
|
50 |
-0, 02070 |
-0, 02026 |
-0, 01984 |
-0, 01942 |
-0, 01902 |
-0, 01863 |
-0, 01826 |
-0, 01790 |
-0, 01755 |
-0, 01721 |
|
60 |
-0, 01753 |
-0, 01714 |
-0, 01676 |
-0, 01640 |
-0, 01605 |
-0, 01571 |
-0, 01538 |
-0, 01506 |
-0, 01476 |
-0, 01447 |
|
70 |
-0, 01524 |
-0, 01488 |
-0, 01454 |
-0, 01422 |
-0, 01390 |
-0, 01360 |
-0, 01330 |
-0, 01302 |
-0, 01275 |
-0, 01250 |
|
80 |
-0, 01350 |
-0, 01317 |
-0, 01286 |
-0, 01256 |
-0, 01228 |
-0, 01200 |
-0, 01174 |
-0, 01148 |
-0, 01124 |
-0, 01101 |
|
90 |
-0, 01213 |
-0, 01183 |
-0, 01154 |
-0, 01127 |
-0, 01100 |
-0, 01075 |
-0, 01051 |
-0, 01028 |
-0, 01006 |
-0, 00985 |
|
100 |
-0, 01102 |
-0, 01075 |
-0, 01048 |
-0, 01022 |
-0, 00998 |
-0, 00974 |
-0, 00952 |
-0, 00930 |
-0, 00910 |
-0, 00891 |
|
120 |
-0, 00934 |
-0, 00909 |
-0, 00886 |
-0, 00863 |
-0, 00842 |
-0, 00821 |
-0, 00802 |
-0, 00784 |
-0, 00766 |
-0, 00750 |
|
140 |
-0, 00812 |
-0, 00790 |
-0, 00768 |
-0, 00748 |
-0, 00729 |
-0, 00711 |
-0, 00694 |
-0, 00677 |
-0, 00662 |
-0, 00648 |
|
160 |
-0, 00718 |
-0, 00698 |
-0, 00679 |
-0, 00661 |
-0, 00643 |
-0, 00627 |
-0, 00612 |
-0, 00597 |
-0, 00583 |
-0, 00571 |
|
180 |
-0, 00645 |
-0, 00626 |
-0, 00609 |
-0, 00592 |
-0, 00576 |
-0, 00561 |
-0, 00547 |
-0, 00534 |
-0, 00522 |
-0, 00510 |
|
200 |
-0, 00585 |
-0, 00568 |
-0, 00552 |
-0, 00536 |
-0, 00522 |
-0, 00508 |
-0, 00495 |
-0, 00483 |
-0, 00472 |
-0, 00462 |
Примечание - для промежуточных значений величину Y̅ следует принимать по интерполяции.
Таблица Г.3
|
Kse, МН/м3 |
Значения единичного прогиба Y̅, в расчетном сечении при колее колес | |||||||||
|
0, 1 |
0, 2 |
0, 3 |
0, 4 |
0, 5 |
0, 6 |
0, 7 |
0, 8 |
0, 9 |
1 | |
|
40 |
-0, 03020 |
-0, 02959 |
-0, 02899 |
-0, 02840 |
-0, 02782 |
-0, 02725 |
-0, 02669 |
-0, 02614 |
-0, 02560 |
-0, 02560 |
|
50 |
-0, 02521 |
-0, 02467 |
-0, 02413 |
-0, 02361 |
-0, 02310 |
-0, 02259 |
-0, 02210 |
-0, 02161 |
-0, 02114 |
-0, 02114 |
|
60 |
-0, 02174 |
-0, 02125 |
-0, 02077 |
-0, 02029 |
-0, 01983 |
-0, 01937 |
-0, 01893 |
-0, 01849 |
-0, 01807 |
-0, 01807 |
|
70 |
-0, 01918 |
-0, 01873 |
-0, 01828 |
-0, 01785 |
-0, 01742 |
-0, 01700 |
-0, 01659 |
-0, 01620 |
-0, 01581 |
-0, 01581 |
|
80 |
-0, 01720 |
-0, 01678 |
-0, 01637 |
-0, 01596 |
-0, 01556 |
-0, 01518 |
-0, 01480 |
-0, 01443 |
-0, 01407 |
-0, 01407 |
|
90 |
-0, 01562 |
-0, 01523 |
-0, 01484 |
-0, 01446 |
-0, 01409 |
-0, 01372 |
-0, 01337 |
-0, 01303 |
-0, 01270 |
-0, 01270 |
|
100 |
-0, 01433 |
-0, 01395 |
-0, 01359 |
-0, 01323 |
-0, 01288 |
-0, 01254 |
-0, 01221 |
-0, 01188 |
-0, 01157 |
-0, 01157 |
|
120 |
-0, 01233 |
-0, 01199 |
-0, 01166 |
-0, 01134 |
-0, 01102 |
-0, 01071 |
-0, 01042 |
-0, 01013 |
-0, 00985 |
-0, 00985 |
|
140 |
-0, 01086 |
-0, 01054 |
-0, 01024 |
-0, 00994 |
-0, 00965 |
-0, 00937 |
-0, 00910 |
-0, 00884 |
-0, 00859 |
-0, 00859 |
|
160 |
-0, 00972 |
-0, 00943 |
-0, 00914 |
-0, 00887 |
-0, 00860 |
-0, 00834 |
-0, 00809 |
-0, 00785 |
-0, 00762 |
-0, 00762 |
|
180 |
-0, 00881 |
-0, 00854 |
-0, 00827 |
-0, 00801 |
-0, 00776 |
-0, 00752 |
-0, 00729 |
-0, 00706 |
-0, 00685 |
-0, 00685 |
|
200 |
-0, 00807 |
-0, 00781 |
-0, 00756 |
-0, 00732 |
-0, 00708 |
-0, 00685 |
-0, 00664 |
-0, 00643 |
-0, 00623 |
-0, 00623 |
Продолжение таблицы Г.3
|
Kse, МН/м3 |
Значения единичного прогиба Y̅, в расчетном сечении при колее колес | |||||||||
|
1, 1 |
1, 2 |
1, 3 |
1, 4 |
1, 5 |
1, 6 |
1, 7 |
1, 8 |
1, 9 |
2, 0 | |
|
40 |
-0, 02457 |
-0, 02407 |
-0, 02358 |
-0, 02311 |
-0, 02266 |
-0, 02221 |
-0, 02178 |
-0, 02136 |
-0, 02096 |
-0, 02057 |
|
50 |
-0, 02024 |
-0, 01980 |
-0, 01938 |
-0, 01897 |
-0, 01857 |
-0, 01819 |
-0, 01782 |
-0, 01746 |
-0, 01712 |
-0, 01679 |
|
60 |
-0, 01726 |
-0, 01687 |
-0, 01649 |
-0, 01613 |
-0, 01578 |
-0, 01544 |
-0, 01511 |
-0, 01480 |
-0, 01450 |
-0, 01421 |
|
70 |
-0, 01507 |
-0, 01472 |
-0, 01438 |
-0, 01405 |
-0, 01374 |
-0, 01343 |
-0, 01314 |
-0, 01286 |
-0, 01259 |
-0, 01234 |
|
80 |
-0, 01339 |
-0, 01307 |
-0, 01276 |
-0, 01246 |
-0, 01217 |
-0, 01190 |
-0, 01163 |
-0, 01138 |
-0, 01114 |
-0, 01091 |
|
90 |
-0, 01207 |
-0, 01177 |
-0, 01148 |
-0, 01120 |
-0, 01094 |
-0, 01068 |
-0, 01044 |
-0, 01021 |
-0, 00999 |
-0, 00978 |
|
100 |
-0, 01098 |
-0, 01070 |
-0, 01044 |
-0, 01018 |
-0, 00993 |
-0, 00970 |
-0, 00948 |
-0, 00926 |
-0, 00906 |
-0, 00887 |
|
120 |
-0, 00933 |
-0, 00908 |
-0, 00884 |
-0, 00862 |
-0, 00840 |
-0, 00820 |
-0, 00800 |
-0, 00782 |
-0, 00765 |
-0, 00748 |
|
140 |
-0, 00811 |
-0, 00789 |
-0, 00768 |
-0, 00748 |
-0, 00729 |
-0, 00710 |
-0, 00693 |
-0, 00677 |
-0, 00662 |
-0, 00648 |
|
160 |
-0, 00718 |
-0, 00698 |
-0, 00679 |
-0, 00661 |
-0, 00643 |
-0, 00627 |
-0, 00612 |
-0, 00597 |
-0, 00584 |
-0, 00571 |
|
180 |
-0, 00645 |
-0, 00626 |
-0, 00609 |
-0, 00592 |
-0, 00576 |
-0, 00561 |
-0, 00547 |
-0, 00534 |
-0, 00522 |
-0, 00511 |
|
200 |
-0, 00585 |
-0, 00568 |
-0, 00552 |
-0, 00536 |
-0, 00522 |
-0, 00508 |
-0, 00496 |
-0, 00484 |
-0, 00473 |
-0, 00462 |
Примечание - для промежуточных значений величину Y̅ следует принимать по интерполяции.
Таблица Г.4
|
Kse, МН/м3 |
Значения единичного момента M̅, в расчетном сечении при колее колес | |||||||||
|
0, 1 |
0, 2 |
0, 3 |
0, 4 |
0, 5 |
0, 6 |
0, 7 |
0, 8 |
0, 9 |
1 | |
|
40 |
-0, 68773 |
-0, 63130 |
-0, 57660 |
-0, 52372 |
-0, 47274 |
-0, 42375 |
-0, 37690 |
-0, 33223 |
-0, 28984 |
-0, 28984 |
|
50 |
-0, 67755 |
-0, 62190 |
-0, 56801 |
-0, 51595 |
-0, 46580 |
-0, 41762 |
-0, 37156 |
-0, 32767 |
-0, 28602 |
-0, 28602 |
|
60 |
-0, 66768 |
-0, 61280 |
-0, 55968 |
-0, 50842 |
-0, 45907 |
-0, 41168 |
-0, 36640 |
-0, 32325 |
-0, 28233 |
-0, 28233 |
|
70 |
-0, 65812 |
-0, 60397 |
-0, 55162 |
-0, 50113 |
-0, 45255 |
-0, 40593 |
-0, 36139 |
-0, 31897 |
-0, 27875 |
-0, 27875 |
|
80 |
-0, 64886 |
-0, 59542 |
-0, 54380 |
-0, 49406 |
-0, 44623 |
-0, 40035 |
-0, 35653 |
-0, 31483 |
-0, 27528 |
-0, 27528 |
|
90 |
-0, 63987 |
-0, 58713 |
-0, 53622 |
-0, 48720 |
-0, 44010 |
-0, 39494 |
-0, 35183 |
-0, 31080 |
-0, 27192 |
-0, 27192 |
|
100 |
-0, 63115 |
-0, 57908 |
-0, 52887 |
-0, 48055 |
-0, 43415 |
-0, 38969 |
-0, 34726 |
-0, 30690 |
-0, 26865 |
-0, 26865 |
|
120 |
-0, 61451 |
-0, 56374 |
-0, 51482 |
-0, 46782 |
-0, 42278 |
-0, 37965 |
-0, 33851 |
-0, 29942 |
-0, 26239 |
-0, 26239 |
|
140 |
-0, 59888 |
-0, 54930 |
-0, 50161 |
-0, 45582 |
-0, 41204 |
-0, 37018 |
-0, 33026 |
-0, 29236 |
-0, 25648 |
-0, 25648 |
|
160 |
-0, 58409 |
-0, 53565 |
-0, 48913 |
-0, 44452 |
-0, 40189 |
-0, 36122 |
-0, 32246 |
-0, 28569 |
-0, 25088 |
-0, 25088 |
|
180 |
-0, 57009 |
-0, 52272 |
-0, 47731 |
-0, 43382 |
-0, 39228 |
-0, 35274 |
-0, 31507 |
-0, 27936 |
-0, 24558 |
-0, 24558 |
|
200 |
-0, 55686 |
-0, 51045 |
-0, 46609 |
-0, 42368 |
-0, 38317 |
-0, 34469 |
-0, 30806 |
-0, 27336 |
-0, 24055 |
-0, 24055 |
Продолжение таблицы Г.4
|
Kse, МН/м3 |
Значения единичного момента M̅, в расчетном сечении при колее колес | |||||||||
|
1, 1 |
1, 2 |
1, 3 |
1, 4 |
1, 5 |
1, 6 |
1, 7 |
1, 8 |
1, 9 |
2, 0 | |
|
40 |
-0, 21239 |
-0, 17758 |
-0, 14559 |
-0, 11648 |
-0, 09044 |
0, 07364 |
0, 08983 |
0, 10509 |
0, 11888 |
0, 13114 |
|
50 |
-0, 20993 |
-0, 17572 |
-0, 14426 |
-0, 11560 |
-0, 08994 |
0, 07376 |
0, 08972 |
0, 10480 |
0, 11847 |
0, 13066 |
|
60 |
-0, 20754 |
-0, 17392 |
-0, 14297 |
-0, 11474 |
-0, 08945 |
0, 07388 |
0, 08962 |
0, 10451 |
0, 11807 |
0, 13020 |
|
70 |
-0, 20524 |
-0, 17218 |
-0, 14171 |
-0, 11391 |
-0, 08898 |
0, 07399 |
0, 08951 |
0, 10424 |
0, 11768 |
0, 12975 |
|
80 |
-0, 20300 |
-0, 17048 |
-0, 14049 |
-0, 11310 |
-0, 08851 |
0, 07410 |
0, 08941 |
0, 10397 |
0, 11730 |
0, 12931 |
|
90 |
-0, 20083 |
-0, 16884 |
-0, 13931 |
-0, 11232 |
-0, 08806 |
0, 07420 |
0, 08931 |
0, 10371 |
0, 11693 |
0, 12889 |
|
100 |
-0, 19873 |
-0, 16724 |
-0, 13816 |
-0, 11156 |
-0, 08762 |
0, 07430 |
0, 08921 |
0, 10345 |
0, 11657 |
0, 12847 |
|
120 |
-0, 19469 |
-0, 16417 |
-0, 13594 |
-0, 11010 |
-0, 08677 |
0, 07448 |
0, 08902 |
0, 10296 |
0, 11588 |
0, 12766 |
|
140 |
-0, 19087 |
-0, 16126 |
-0, 13384 |
-0, 10871 |
-0, 08595 |
0, 07465 |
0, 08884 |
0, 10250 |
0, 11522 |
-0, 12765 |
|
160 |
-0, 18724 |
-0, 15850 |
-0, 13185 |
-0, 10738 |
-0, 08517 |
0, 07480 |
0, 08866 |
0, 10205 |
0, 11459 |
-0, 12766 |
|
180 |
-0, 18381 |
-0, 15587 |
-0, 12994 |
-0, 10611 |
-0, 08443 |
0, 07494 |
0, 08848 |
0, 10163 |
0, 11399 |
-0, 12765 |
|
200 |
-0, 18054 |
-0, 15337 |
-0, 12813 |
-0, 10491 |
-0, 08371 |
0, 07507 |
0, 08832 |
0, 10122 |
0, 11342 |
-0, 12763 |
Примечание - для промежуточных значений величину M̅ следует принимать по интерполяции.
Таблица Г.5
|
Kse, МН/м3 |
Значения единичного момента M̅, в расчетном сечении при колее колес | |||||||||
|
0, 1 |
0, 2 |
0, 3 |
0, 4 |
0, 5 |
0, 6 |
0, 7 |
0, 8 |
0, 9 |
1 | |
|
40 |
-1, 11420 |
-1, 06010 |
-1, 00740 |
-0, 95601 |
-0, 90581 |
-0, 85690 |
-0, 80933 |
-0, 76290 |
-0, 71791 |
-0, 71791 |
|
50 |
-1, 05790 |
-1, 00560 |
-0, 95480 |
-0, 90531 |
-0, 85711 |
-0, 81038 |
-0, 76484 |
-0, 72079 |
-0, 67791 |
-0, 67791 |
|
60 |
-1, 00850 |
-0, 95776 |
-0, 90855 |
-0, 86064 |
-0, 81434 |
-0, 76929 |
-0, 72578 |
-0, 68352 |
-0, 64270 |
-0, 64270 |
|
70 |
-0, 96475 |
-0, 91545 |
-0, 86753 |
-0, 82121 |
-0, 77630 |
-0, 73296 |
-0, 69094 |
-0, 65049 |
-0, 61137 |
-0, 61137 |
|
80 |
-0, 92595 |
-0, 87769 |
-0, 83100 |
-0, 78592 |
-0, 74240 |
-0, 70037 |
-0, 65994 |
-0, 62090 |
-0, 58325 |
-0, 58325 |
|
90 |
-0, 89112 |
-0, 84377 |
-0, 79823 |
-0, 75422 |
-0, 71190 |
-0, 67118 |
-0, 63194 |
-0, 59426 |
-0, 55808 |
-0, 55808 |
|
100 |
-0, 85959 |
-0, 81328 |
-0, 76853 |
-0, 72564 |
-0, 68436 |
-0, 64465 |
-0, 60669 |
-0, 57022 |
-0, 53523 |
-0, 53523 |
|
120 |
-0, 80514 |
-0, 76027 |
-0, 71713 |
-0, 67595 |
-0, 63651 |
-0, 59876 |
-0, 56268 |
-0, 52830 |
-0, 49547 |
-0, 49547 |
|
140 |
-0, 75946 |
-0, 71583 |
-0, 67404 |
-0, 63422 |
-0, 59632 |
-0, 56020 |
-0, 52583 |
-0, 49314 |
-0, 46207 |
-0, 46207 |
|
160 |
-0, 72050 |
-0, 67795 |
-0, 63734 |
-0, 59869 |
-0, 56199 |
-0, 52726 |
-0, 49433 |
-0, 46313 |
-0, 43357 |
-0, 43357 |
|
180 |
-0, 68695 |
-0, 64515 |
-0, 60558 |
-0, 56804 |
-0, 53249 |
-0, 49889 |
-0, 46717 |
-0, 43724 |
-0, 40901 |
-0, 40901 |
|
200 |
-0, 65757 |
-0, 61661 |
-0, 57779 |
-0, 54115 |
-0, 50662 |
-0, 47408 |
-0, 44344 |
-0, 41461 |
-0, 38750 |
-0, 38750 |
Продолжение таблицы Г.5
|
Kse, МН/м3 |
Значения единичного момента M̅, в расчетном сечении при колее колес | |||||||||
|
1, 1 |
1, 2 |
1, 3 |
1, 4 |
1, 5 |
1, 6 |
1, 7 |
1, 8 |
1, 9 |
2, 0 | |
|
40 |
-0, 63153 |
-0, 59021 |
-0, 55012 |
-0, 51133 |
-0, 47373 |
-0, 43734 |
-0, 40219 |
-0, 36832 |
-0, 33569 |
-0, 30430 |
|
50 |
-0, 59617 |
-0, 55711 |
-0, 51940 |
-0, 48287 |
-0, 44753 |
-0, 41337 |
-0, 38039 |
-0, 34860 |
-0, 31800 |
-0, 28857 |
|
60 |
-0, 56488 |
-0, 52794 |
-0, 49223 |
-0, 45770 |
-0, 42435 |
-0, 39215 |
-0, 36110 |
-0, 33119 |
-0, 30239 |
-0, 27470 |
|
70 |
-0, 53711 |
-0, 50196 |
-0, 46802 |
-0, 43528 |
-0, 40370 |
-0, 37325 |
-0, 34392 |
-0, 31567 |
-0, 28848 |
-0, 26234 |
|
80 |
-0, 51225 |
-0, 47867 |
-0, 44632 |
-0, 41517 |
-0, 38518 |
-0, 35630 |
-0, 32850 |
-0, 30175 |
-0, 27600 |
-0, 25124 |
|
90 |
-0, 48982 |
-0, 45766 |
-0, 42676 |
-0, 39705 |
-0, 36848 |
-0, 34102 |
-0, 31460 |
-0, 28918 |
-0, 26473 |
-0, 24121 |
|
100 |
-0, 46949 |
-0, 43862 |
-0, 40902 |
-0, 38062 |
-0, 35335 |
-0, 32716 |
-0, 30199 |
-0, 27779 |
-0, 25451 |
-0, 23212 |
|
120 |
-0, 43417 |
-0, 40556 |
-0, 37821 |
-0, 35204 |
-0, 32698 |
-0, 30299 |
-0, 27999 |
-0, 25790 |
-0, 23666 |
-0, 21623 |
|
140 |
-0, 40445 |
-0, 37772 |
-0, 35226 |
-0, 32797 |
-0, 30478 |
-0, 28261 |
-0, 26143 |
-0, 24111 |
-0, 22159 |
-0, 20284 |
|
160 |
-0, 37904 |
-0, 35392 |
-0, 33009 |
-0, 30741 |
-0, 28581 |
-0, 26519 |
-0, 24556 |
-0, 22675 |
-0, 20868 |
-0, 19139 |
|
180 |
-0, 35720 |
-0, 33341 |
-0, 31092 |
-0, 28964 |
-0, 26941 |
-0, 25014 |
-0, 23183 |
-0, 21431 |
-0, 19750 |
-0, 18145 |
|
200 |
-0, 33811 |
-0, 31553 |
-0, 29421 |
-0, 27411 |
-0, 25509 |
-0, 23699 |
-0, 21982 |
-0, 20343 |
-0, 18773 |
-0, 17275 |
Примечание - для промежуточных значений величину M̅ следует принимать по интерполяции.
Таблица Г.6
|
Kse, МН/м3 |
Значения единичного момента M̅, в расчетном сечении при колее колес | |||||||||
|
0, 1 |
0, 2 |
0, 3 |
0, 4 |
0, 5 |
0, 6 |
0, 7 |
0, 8 |
0, 9 |
1 | |
|
40 |
-1, 22970 |
-1, 17970 |
-1, 13110 |
-1, 08380 |
-1, 03790 |
-0, 99337 |
-0, 95033 |
-0, 90858 |
-0, 86808 |
-0, 86808 |
|
50 |
-1, 13710 |
-1, 08830 |
-1, 04110 |
-0, 99541 |
-0, 95121 |
-0, 90843 |
-0, 86706 |
-0, 82734 |
-0, 78894 |
-0, 78894 |
|
60 |
-1, 06390 |
-1, 01620 |
-0, 96996 |
-0, 92540 |
-0, 88253 |
-0, 84116 |
-0, 80125 |
-0, 76305 |
-0, 72626 |
-0, 72626 |
|
70 |
-1, 00420 |
-0, 95724 |
-0, 91194 |
-0, 86838 |
-0, 82658 |
-0, 78633 |
-0, 74764 |
-0, 71073 |
-0, 67521 |
-0, 67521 |
|
80 |
-0, 95419 |
-0, 90794 |
-0, 86340 |
-0, 82082 |
-0, 77988 |
-0, 74053 |
-0, 70304 |
-0, 66712 |
-0, 63279 |
-0, 63279 |
|
90 |
-0, 91147 |
-0, 86587 |
-0, 82223 |
-0, 78032 |
-0, 74008 |
-0, 70174 |
-0, 66511 |
-0, 63009 |
-0, 59686 |
-0, 59686 |
|
100 |
-0, 87455 |
-0, 82963 |
-0, 78650 |
-0, 74514 |
-0, 70582 |
-0, 66822 |
-0, 63232 |
-0, 59830 |
-0, 56582 |
-0, 56582 |
|
120 |
-0, 81318 |
-0, 76933 |
-0, 72735 |
-0, 68720 |
-0, 64917 |
-0, 61293 |
-0, 57851 |
-0, 54595 |
-0, 51508 |
-0, 51508 |
|
140 |
-0, 76396 |
-0, 72097 |
-0, 67992 |
-0, 64090 |
-0, 60400 |
-0, 56883 |
-0, 53580 |
-0, 50437 |
-0, 47496 |
-0, 47496 |
|
160 |
-0, 72317 |
-0, 68089 |
-0, 64071 |
-0, 60279 |
-0, 56673 |
-0, 53280 |
-0, 50070 |
-0, 47059 |
-0, 44213 |
-0, 44213 |
|
180 |
-0, 68839 |
-0, 64695 |
-0, 60772 |
-0, 57046 |
-0, 53546 |
-0, 50239 |
-0, 47138 |
-0, 44213 |
-0, 41489 |
-0, 41489 |
|
200 |
-0, 65854 |
-0, 61775 |
-0, 57904 |
-0, 54283 |
-0, 50852 |
-0, 47643 |
-0, 44618 |
-0, 41804 |
-0, 39160 |
-0, 39160 |
Продолжение таблицы Г.6
|
Kse, МН/м3 |
Значения единичного момента M̅, в расчетном сечении при колее колес | |||||||||
|
1, 1 |
1, 2 |
1, 3 |
1, 4 |
1, 5 |
1, 6 |
1, 7 |
1, 8 |
1, 9 |
2, 0 | |
|
40 |
-0, 79116 |
-0, 75449 |
-0, 71915 |
-0, 68493 |
-0, 65186 |
-0, 61992 |
-0, 58900 |
-0, 55915 |
-0, 53027 |
-0, 50230 |
|
50 |
-0, 71631 |
-0, 68191 |
-0, 64895 |
-0, 61711 |
-0, 58658 |
-0, 55707 |
-0, 52883 |
-0, 50154 |
-0, 47527 |
-0, 45002 |
|
60 |
-0, 65707 |
-0, 62451 |
-0, 59340 |
-0, 56352 |
-0, 53489 |
-0, 50749 |
-0, 48115 |
-0, 45597 |
-0, 43183 |
-0, 40861 |
|
70 |
-0, 60886 |
-0, 57791 |
-0, 54819 |
-0, 51999 |
-0, 49296 |
-0, 46712 |
-0, 44255 |
-0, 41903 |
-0, 39652 |
-0, 37499 |
|
80 |
-0, 56887 |
-0, 53911 |
-0, 51083 |
-0, 48381 |
-0, 45817 |
-0, 43378 |
-0, 41052 |
-0, 38836 |
-0, 36729 |
-0, 34724 |
|
90 |
-0, 53501 |
-0, 50638 |
-0, 47910 |
-0, 45336 |
-0, 42887 |
-0, 40558 |
-0, 38349 |
-0, 36260 |
-0, 34274 |
-0, 32386 |
|
100 |
-0, 50591 |
-0, 47821 |
-0, 45206 |
-0, 42723 |
-0, 40369 |
-0, 38149 |
-0, 36048 |
-0, 34059 |
-0, 32174 |
-0, 30388 |
|
120 |
-0, 45838 |
-0, 43233 |
-0, 40779 |
-0, 38472 |
-0, 36294 |
-0, 34241 |
-0, 32306 |
-0, 30484 |
-0, 28768 |
-0, 27151 |
|
140 |
-0, 42090 |
-0, 39634 |
-0, 37320 |
-0, 35144 |
-0, 33101 |
-0, 31190 |
-0, 29397 |
-0, 27713 |
-0, 26133 |
-0, 24650 |
|
160 |
-0, 39059 |
-0, 36712 |
-0, 34516 |
-0, 32466 |
-0, 30546 |
-0, 28748 |
-0, 27067 |
-0, 25494 |
-0, 24025 |
-0, 22651 |
|
180 |
-0, 36526 |
-0, 34295 |
-0, 32207 |
-0, 30255 |
-0, 28433 |
-0, 26733 |
-0, 25148 |
-0, 23671 |
-0, 22295 |
-0, 21013 |
|
200 |
-0, 34397 |
-0, 32253 |
-0, 30252 |
-0, 28388 |
-0, 26653 |
-0, 25040 |
-0, 23540 |
-0, 22145 |
-0, 20849 |
-0, 19646 |
Примечание - для промежуточных значений величину M̅ следует принимать по интерполяции.
Таблица Г.7
|
Kse, МН/м3 |
Значения единичной поперечной силы Q̅, в расчетном сечении при колее колес | |||||||||
|
0, 1 |
0, 2 |
0, 3 |
0, 4 |
0, 5 |
0, 6 |
0, 7 |
0, 8 |
0, 9 |
1 | |
|
40 |
0, 72775 |
0, 66196 |
0, 60247 |
0, 54887 |
0, 50078 |
0, 45783 |
0, 41966 |
0, 38595 |
0, 35636 |
0, 35636 |
|
50 |
0, 72104 |
0, 65591 |
0, 59712 |
0, 54422 |
0, 49682 |
0, 45452 |
0, 41696 |
0, 38379 |
0, 35469 |
0, 35469 |
|
60 |
0, 71453 |
0, 65005 |
0, 59193 |
0, 53972 |
0, 49298 |
0, 45131 |
0, 41434 |
0, 38170 |
0, 35306 |
0, 35306 |
|
70 |
0, 70823 |
0, 64437 |
0, 58691 |
0, 53535 |
0, 48925 |
0, 44820 |
0, 41179 |
0, 37967 |
0, 35148 |
0, 35148 |
|
80 |
0, 70211 |
0, 63886 |
0, 58203 |
0, 53112 |
0, 48564 |
0, 44518 |
0, 40932 |
0, 37769 |
0, 34995 |
0, 34995 |
|
90 |
0, 69618 |
0, 63352 |
0, 57730 |
0, 52701 |
0, 48214 |
0, 44225 |
0, 40692 |
0, 37577 |
0, 34845 |
0, 34845 |
|
100 |
0, 69042 |
0, 62833 |
0, 57272 |
0, 52302 |
0, 47874 |
0, 43940 |
0, 40459 |
0, 37390 |
0, 34699 |
0, 34699 |
|
120 |
0, 67939 |
0, 61840 |
0, 56393 |
0, 51539 |
0, 47222 |
0, 43395 |
0, 40012 |
0, 37032 |
0, 34418 |
0, 34418 |
|
140 |
0, 66897 |
0, 60902 |
0, 55564 |
0, 50818 |
0, 46607 |
0, 42879 |
0, 39588 |
0, 36692 |
0, 34151 |
0, 34151 |
|
160 |
0, 65910 |
0, 60015 |
0, 54779 |
0, 50135 |
0, 46024 |
0, 42391 |
0, 39187 |
0, 36368 |
0, 33897 |
0, 33897 |
|
180 |
0, 64975 |
0, 59173 |
0, 54035 |
0, 49489 |
0, 45471 |
0, 41927 |
0, 38805 |
0, 36060 |
0, 33654 |
0, 33654 |
|
200 |
0, 64087 |
0, 58375 |
0, 53329 |
0, 48875 |
0, 44947 |
0, 41486 |
0, 38441 |
0, 35767 |
0, 33422 |
0, 33422 |
Продолжение таблицы Г.7
|
Kse, МН/м3 |
Значения единичной поперечной силы Q̅, в расчетном сечении при колее колес | |||||||||
|
1, 1 |
1, 2 |
1, 3 |
1, 4 |
1, 5 |
1, 6 |
1, 7 |
1, 8 |
1, 9 |
2, 0 | |
|
40 |
0, 30837 |
0, 28940 |
0, 27340 |
0, 26012 |
0, 24931 |
0, 26689 |
0, 29888 |
0, 32729 |
0, 35238 |
0, 37443 |
|
50 |
0, 30746 |
0, 28876 |
0, 27297 |
0, 25985 |
0, 24914 |
0, 26693 |
0, 29876 |
0, 32705 |
0, 35207 |
0, 37405 |
|
60 |
0, 30657 |
0, 28813 |
0, 27255 |
0, 25958 |
0, 24897 |
0, 26697 |
0, 29865 |
0, 32683 |
0, 35175 |
0, 37368 |
|
70 |
0, 30570 |
0, 28752 |
0, 27214 |
0, 25931 |
0, 24880 |
0, 26701 |
0, 29854 |
0, 32660 |
0, 35144 |
0, 37331 |
|
80 |
0, 30484 |
0, 28692 |
0, 27173 |
0, 25905 |
0, 24864 |
0, 26704 |
0, 29843 |
0, 32638 |
0, 35114 |
0, 37295 |
|
90 |
0, 30401 |
0, 28633 |
0, 27133 |
0, 25879 |
0, 24847 |
0, 26707 |
0, 29832 |
0, 32616 |
0, 35084 |
0, 37259 |
|
100 |
0, 30320 |
0, 28575 |
0, 27094 |
0, 25853 |
0, 24830 |
0, 26710 |
0, 29821 |
0, 32595 |
0, 35054 |
0, 37223 |
|
120 |
0, 30162 |
0, 28463 |
0, 27017 |
0, 25801 |
0, 24797 |
0, 26715 |
0, 29800 |
0, 32553 |
0, 34997 |
0, 37153 |
|
140 |
0, 30011 |
0, 28355 |
0, 26942 |
0, 25751 |
0, 24764 |
0, 26719 |
0, 29779 |
0, 32512 |
0, 34940 |
0, 37085 |
|
160 |
0, 29866 |
0, 28250 |
0, 26868 |
0, 25702 |
0, 24731 |
0, 26723 |
0, 29758 |
0, 32472 |
0, 34885 |
0, 37018 |
|
180 |
0, 29726 |
0, 28148 |
0, 26797 |
0, 25653 |
0, 24699 |
0, 26725 |
0, 29738 |
0, 32432 |
0, 34831 |
0, 36952 |
|
200 |
0, 29591 |
0, 28050 |
0, 26727 |
0, 25605 |
0, 24667 |
0, 26727 |
0, 29717 |
0, 32394 |
0, 34778 |
0, 36888 |
Примечание - для промежуточных значений величину Q̅ следует принимать по интерполяции.
Таблица Г.8
|
Kse, МН/м3 |
Значения единичной поперечной силы Q̅, в расчетном сечении при колее колес | |||||||||
|
0, 1 |
0, 2 |
0, 3 |
0, 4 |
0, 5 |
0, 6 |
0, 7 |
0, 8 |
0, 9 |
1 | |
|
40 |
0, 92053 |
0, 85989 |
0, 80388 |
0, 75216 |
0, 70446 |
0, 66047 |
0, 61994 |
0, 58262 |
0, 54827 |
0, 54827 |
|
50 |
0, 89470 |
0, 83461 |
0, 77939 |
0, 72866 |
0, 68208 |
0, 63934 |
0, 60014 |
0, 56420 |
0, 53126 |
0, 53126 |
|
60 |
0, 87161 |
0, 81206 |
0, 75757 |
0, 70774 |
0, 66219 |
0, 62058 |
0, 58257 |
0, 54787 |
0, 51619 |
0, 51619 |
|
70 |
0, 85084 |
0, 79179 |
0, 73798 |
0, 68899 |
0, 64438 |
0, 60379 |
0, 56687 |
0, 53328 |
0, 50274 |
0, 50274 |
|
80 |
0, 83201 |
0, 77345 |
0, 72029 |
0, 67207 |
0, 62833 |
0, 58868 |
0, 55274 |
0, 52017 |
0, 49065 |
0, 49065 |
|
90 |
0, 81486 |
0, 75676 |
0, 70422 |
0, 65671 |
0, 61378 |
0, 57500 |
0, 53996 |
0, 50831 |
0, 47972 |
0, 47972 |
|
100 |
0, 79914 |
0, 74150 |
0, 68953 |
0, 64270 |
0, 60052 |
0, 56254 |
0, 52834 |
0, 49753 |
0, 46979 |
0, 46979 |
|
120 |
0, 77130 |
0, 71452 |
0, 66363 |
0, 61804 |
0, 57722 |
0, 54067 |
0, 50796 |
0, 47866 |
0, 45242 |
0, 45242 |
|
140 |
0, 74733 |
0, 69136 |
0, 64145 |
0, 59698 |
0, 55736 |
0, 52208 |
0, 49065 |
0, 46266 |
0, 43770 |
0, 43770 |
|
160 |
0, 72640 |
0, 67119 |
0, 62220 |
0, 57874 |
0, 54021 |
0, 50605 |
0, 47576 |
0, 44890 |
0, 42506 |
0, 42506 |
|
180 |
0, 70792 |
0, 65343 |
0, 60528 |
0, 56275 |
0, 52521 |
0, 49205 |
0, 46278 |
0, 43692 |
0, 41406 |
0, 41406 |
|
200 |
0, 69142 |
0, 63763 |
0, 59027 |
0, 54861 |
0, 51196 |
0, 47972 |
0, 45136 |
0, 42639 |
0, 40441 |
0, 40441 |
Продолжение таблицы Г.8
|
Kse, МН/м3 |
Значения единичной поперечной силы Q̅, в расчетном сечении при колее колес | |||||||||
|
1, 1 |
1, 2 |
1, 3 |
1, 4 |
1, 5 |
1, 6 |
1, 7 |
1, 8 |
1, 9 |
2, 0 | |
|
40 |
0, 48761 |
0, 46093 |
0, 43643 |
0, 41396 |
0, 39338 |
0, 37455 |
0, 35734 |
0, 34165 |
0, 32737 |
0, 31441 |
|
50 |
0, 47344 |
0, 44814 |
0, 42498 |
0, 40381 |
0, 38446 |
0, 36679 |
0, 35068 |
0, 33601 |
0, 32267 |
0, 31058 |
|
60 |
0, 46088 |
0, 43681 |
0, 41484 |
0, 39480 |
0, 37654 |
0, 35990 |
0, 34475 |
0, 33098 |
0, 31848 |
0, 30716 |
|
70 |
0, 44968 |
0, 42669 |
0, 40578 |
0, 38676 |
0, 36946 |
0, 35373 |
0, 33945 |
0, 32648 |
0, 31472 |
0, 30408 |
|
80 |
0, 43961 |
0, 41760 |
0, 39764 |
0, 37952 |
0, 36309 |
0, 34818 |
0, 33466 |
0, 32241 |
0, 31132 |
0, 30130 |
|
90 |
0, 43052 |
0, 40939 |
0, 39028 |
0, 37298 |
0, 35732 |
0, 34315 |
0, 33032 |
0, 31871 |
0, 30823 |
0, 29877 |
|
100 |
0, 42226 |
0, 40193 |
0, 38359 |
0, 36703 |
0, 35207 |
0, 33856 |
0, 32636 |
0, 31534 |
0, 30540 |
0, 30015 |
|
120 |
0, 40781 |
0, 38888 |
0, 37188 |
0, 35660 |
0, 34287 |
0, 33051 |
0, 31939 |
0, 30939 |
0, 30041 |
0, 30593 |
|
140 |
0, 39557 |
0, 37782 |
0, 36195 |
0, 34775 |
0, 33504 |
0, 32365 |
0, 31345 |
0, 30431 |
0, 29613 |
0, 31070 |
|
160 |
0, 38507 |
0, 36833 |
0, 35342 |
0, 34014 |
0, 32829 |
0, 31773 |
0, 30830 |
0, 29990 |
0, 29241 |
0, 31469 |
|
180 |
0, 37594 |
0, 36007 |
0, 34600 |
0, 33350 |
0, 32241 |
0, 31255 |
0, 30379 |
0, 29602 |
0, 29500 |
0, 31806 |
|
200 |
0, 36792 |
0, 35282 |
0, 33947 |
0, 32766 |
0, 31722 |
0, 30798 |
0, 29980 |
0, 29259 |
0, 29836 |
0, 32093 |
Примечание - для промежуточных значений величину Q̅ следует принимать по интерполяции.
Таблица Г.9
|
Kse, МН/м3 |
Значения единичной поперечной силы Q̅, в расчетном сечении при колее колес | |||||||||
|
0, 1 |
0, 2 |
0, 3 |
0, 4 |
0, 5 |
0, 6 |
0, 7 |
0, 8 |
0, 9 |
1 | |
|
40 |
0, 94792 |
0, 89704 |
0, 83368 |
0, 79404 |
0, 73655 |
0, 70667 |
0, 65415 |
0, 63269 |
0, 58437 |
0, 58437 |
|
50 |
0, 91229 |
0, 86082 |
0, 79817 |
0, 75868 |
0, 70221 |
0, 67301 |
0, 62172 |
0, 60132 |
0, 55433 |
0, 55433 |
|
60 |
0, 88266 |
0, 83084 |
0, 76886 |
0, 72962 |
0, 67406 |
0, 64554 |
0, 59532 |
0, 57587 |
0, 53003 |
0, 53003 |
|
70 |
0, 85743 |
0, 80540 |
0, 74407 |
0, 70514 |
0, 65042 |
0, 62255 |
0, 57328 |
0, 55471 |
0, 50987 |
0, 50987 |
|
80 |
0, 83553 |
0, 78342 |
0, 72270 |
0, 68411 |
0, 63018 |
0, 60294 |
0, 55453 |
0, 53676 |
0, 49281 |
0, 49281 |
|
90 |
0, 81623 |
0, 76412 |
0, 70399 |
0, 66578 |
0, 61257 |
0, 58594 |
0, 53832 |
0, 52128 |
0, 47813 |
0, 47813 |
|
100 |
0, 79902 |
0, 74696 |
0, 68741 |
0, 64957 |
0, 59705 |
0, 57100 |
0, 52410 |
0, 50776 |
0, 46534 |
0, 46534 |
|
120 |
0, 76940 |
0, 71759 |
0, 65911 |
0, 62206 |
0, 57078 |
0, 54584 |
0, 50024 |
0, 48516 |
0, 44401 |
0, 44401 |
|
140 |
0, 74459 |
0, 69312 |
0, 63564 |
0, 59939 |
0, 54922 |
0, 52530 |
0, 48084 |
0, 46689 |
0, 42683 |
0, 42683 |
|
160 |
0, 72329 |
0, 67225 |
0, 61570 |
0, 58022 |
0, 53107 |
0, 50810 |
0, 46465 |
0, 45171 |
0, 41260 |
0, 41260 |
|
180 |
0, 70469 |
0, 65410 |
0, 59843 |
0, 56370 |
0, 51547 |
0, 49340 |
0, 45086 |
0, 43882 |
0, 40057 |
0, 40057 |
|
200 |
0, 68821 |
0, 63810 |
0, 58324 |
0, 54924 |
0, 50187 |
0, 48062 |
0, 43891 |
0, 42771 |
0, 39021 |
0, 39021 |
Продолжение таблицы Г.9
|
Kse, МН/м3 |
Значения единичной поперечной силы Q̅, в расчетном сечении при колее колес | |||||||||
|
1, 1 |
1, 2 |
1, 3 |
1, 4 |
1, 5 |
1, 6 |
1, 7 |
1, 8 |
1, 9 |
2, 0 | |
|
40 |
0, 52679 |
0, 51734 |
0, 47961 |
0, 47276 |
0, 43984 |
0, 43513 |
0, 40633 |
0, 40338 |
0, 37808 |
0, 37659 |
|
50 |
0, 49948 |
0, 49142 |
0, 45520 |
0, 44972 |
0, 41834 |
0, 41494 |
0, 38765 |
0, 38595 |
0, 36211 |
0, 36178 |
|
60 |
0, 47751 |
0, 47062 |
0, 43566 |
0, 43130 |
0, 40118 |
0, 39886 |
0, 37278 |
0, 37209 |
0, 34942 |
0, 35004 |
|
70 |
0, 45940 |
0, 45350 |
0, 41962 |
0, 41621 |
0, 38714 |
0, 38571 |
0, 36066 |
0, 36080 |
0, 33909 |
0, 34048 |
|
80 |
0, 44416 |
0, 43912 |
0, 40617 |
0, 40358 |
0, 37542 |
0, 37475 |
0, 35056 |
0, 35140 |
0, 33050 |
0, 33255 |
|
90 |
0, 43113 |
0, 42685 |
0, 39472 |
0, 39284 |
0, 36546 |
0, 36545 |
0, 34200 |
0, 34345 |
0, 32325 |
0, 32585 |
|
100 |
0, 41982 |
0, 41622 |
0, 38483 |
0, 38357 |
0, 35689 |
0, 35745 |
0, 33465 |
0, 33663 |
0, 31702 |
0, 32011 |
|
120 |
0, 40112 |
0, 39867 |
0, 36854 |
0, 36834 |
0, 34284 |
0, 34437 |
0, 32264 |
0, 32550 |
0, 30689 |
0, 31079 |
|
140 |
0, 38618 |
0, 38471 |
0, 35562 |
0, 35630 |
0, 33175 |
0, 33407 |
0, 31321 |
0, 31678 |
0, 29896 |
0, 30366 |
|
160 |
0, 37391 |
0, 37327 |
0, 34507 |
0, 34648 |
0, 32274 |
0, 32571 |
0, 30557 |
0, 30974 |
0, 29256 |
0, 30947 |
|
180 |
0, 36361 |
0, 36367 |
0, 33625 |
0, 33829 |
0, 31523 |
0, 31876 |
0, 29924 |
0, 30391 |
0, 28727 |
0, 31414 |
|
200 |
0, 35479 |
0, 35548 |
0, 32873 |
0, 33133 |
0, 30886 |
0, 31288 |
0, 29387 |
0, 29898 |
0, 28281 |
0, 31796 |
Примечание - для промежуточных значений величину Q̅ следует принимать по интерполяции.
Таблица Г.10
|
Kse, МН/м3 |
Значения единичного прогиба Y̅, в расчетном сечении при колее колес | |||||||||
|
0, 1 |
0, 2 |
0, 3 |
0, 4 |
0, 5 |
0, 6 |
0, 7 |
0, 8 |
0, 9 |
1 | |
|
40 |
-0, 01182 |
-0, 01190 |
-0, 01203 |
-0, 01224 |
-0, 01254 |
-0, 01311 |
-0, 01380 |
-0, 01450 |
-0, 01521 |
-0, 01521 |
|
50 |
-0, 00964 |
-0, 00969 |
-0, 00978 |
-0, 00990 |
-0, 01008 |
-0, 01033 |
-0, 01077 |
-0, 01134 |
-0, 01192 |
-0, 01192 |
|
60 |
-0, 00819 |
-0, 00822 |
-0, 00828 |
-0, 00836 |
-0, 00848 |
-0, 00864 |
-0, 00886 |
-0, 00924 |
-0, 00973 |
-0, 00973 |
|
70 |
-0, 00715 |
-0, 00717 |
-0, 00721 |
-0, 00727 |
-0, 00735 |
-0, 00746 |
-0, 00761 |
-0, 00781 |
-0, 00817 |
-0, 00817 |
|
80 |
-0, 00636 |
-0, 00638 |
-0, 00641 |
-0, 00645 |
-0, 00651 |
-0, 00659 |
-0, 00670 |
-0, 00684 |
-0, 00704 |
-0, 00704 |
|
90 |
-0, 00575 |
-0, 00576 |
-0, 00578 |
-0, 00581 |
-0, 00586 |
-0, 00592 |
-0, 00600 |
-0, 00610 |
-0, 00625 |
-0, 00625 |
|
100 |
-0, 00526 |
-0, 00527 |
-0, 00528 |
-0, 00531 |
-0, 00534 |
-0, 00538 |
-0, 00544 |
-0, 00552 |
-0, 00563 |
-0, 00563 |
|
120 |
-0, 00451 |
-0, 00452 |
-0, 00453 |
-0, 00454 |
-0, 00456 |
-0, 00458 |
-0, 00462 |
-0, 00467 |
-0, 00473 |
-0, 00473 |
|
140 |
-0, 00397 |
-0, 00398 |
-0, 00398 |
-0, 00399 |
-0, 00400 |
-0, 00401 |
-0, 00403 |
-0, 00406 |
-0, 00410 |
-0, 00410 |
|
160 |
-0, 00357 |
-0, 00357 |
-0, 00357 |
-0, 00357 |
-0, 00358 |
-0, 00358 |
-0, 00359 |
-0, 00361 |
-0, 00363 |
-0, 00363 |
|
180 |
-0, 00324 |
-0, 00324 |
-0, 00324 |
-0, 00324 |
-0, 00324 |
-0, 00325 |
-0, 00325 |
-0, 00326 |
-0, 00327 |
-0, 00327 |
|
200 |
-0, 00298 |
-0, 00298 |
-0, 00298 |
-0, 00298 |
-0, 00298 |
-0, 00297 |
-0, 00297 |
-0, 00298 |
-0, 00298 |
-0, 00298 |
Продолжение таблицы Г.10
|
Kse, МН/м3 |
Значения единичного прогиба Y̅, в расчетном сечении при колее колес | |||||||||
|
1, 1 |
1, 2 |
1, 3 |
1, 4 |
1, 5 |
1, 6 |
1, 7 |
1, 8 |
1, 9 |
2, 0 | |
|
40 |
-0, 01667 |
-0, 01741 |
-0, 01816 |
-0, 01892 |
-0, 01969 |
-0, 02048 |
-0, 02126 |
-0, 02206 |
-0, 02287 |
-0, 02368 |
|
50 |
-0, 01311 |
-0, 01373 |
-0, 01435 |
-0, 01498 |
-0, 01562 |
-0, 01627 |
-0, 01693 |
-0, 01759 |
-0, 01827 |
-0, 01895 |
|
60 |
-0, 01075 |
-0, 01128 |
-0, 01181 |
-0, 01235 |
-0, 01291 |
-0, 01347 |
-0, 01404 |
-0, 01462 |
-0, 01520 |
-0, 01579 |
|
70 |
-0, 00907 |
-0, 00953 |
-0, 01000 |
-0, 01048 |
-0, 01097 |
-0, 01147 |
-0, 01198 |
-0, 01249 |
-0, 01301 |
-0, 01354 |
|
80 |
-0, 00781 |
-0, 00822 |
-0, 00865 |
-0, 00908 |
-0, 00952 |
-0, 00997 |
-0, 01043 |
-0, 01090 |
-0, 01137 |
-0, 01185 |
|
90 |
-0, 00683 |
-0, 00721 |
-0, 00760 |
-0, 00799 |
-0, 00840 |
-0, 00881 |
-0, 00923 |
-0, 00966 |
-0, 01010 |
-0, 01054 |
|
100 |
-0, 00605 |
-0, 00640 |
-0, 00676 |
-0, 00712 |
-0, 00750 |
-0, 00788 |
-0, 00827 |
-0, 00867 |
-0, 00907 |
-0, 00949 |
|
120 |
-0, 00495 |
-0, 00519 |
-0, 00550 |
-0, 00582 |
-0, 00615 |
-0, 00649 |
-0, 00683 |
-0, 00719 |
-0, 00755 |
-0, 00791 |
|
140 |
-0, 00424 |
-0, 00437 |
-0, 00462 |
-0, 00490 |
-0, 00520 |
-0, 00550 |
-0, 00581 |
-0, 00613 |
-0, 00645 |
-0, 00679 |
|
160 |
-0, 00372 |
-0, 00381 |
-0, 00395 |
-0, 00421 |
-0, 00448 |
-0, 00476 |
-0, 00504 |
-0, 00534 |
-0, 00564 |
-0, 00594 |
|
180 |
-0, 00333 |
-0, 00339 |
-0, 00348 |
-0, 00368 |
-0, 00393 |
-0, 00419 |
-0, 00445 |
-0, 00472 |
-0, 00500 |
-0, 00528 |
|
200 |
-0, 00302 |
-0, 00306 |
-0, 00313 |
-0, 00326 |
-0, 00349 |
-0, 00373 |
-0, 00398 |
-0, 00423 |
-0, 00449 |
-0, 00476 |
Примечание - для промежуточных значений величину Y̅ следует принимать по интерполяции.
Таблица Г.11
|
Kse, МН/м3 |
Значения единичного прогиба Y̅, в расчетном сечении при колее колес | |||||||||
|
0, 1 |
0, 2 |
0, 3 |
0, 4 |
0, 5 |
0, 6 |
0, 7 |
0, 8 |
0, 9 |
1 | |
|
40 |
-0, 01008 |
-0, 01008 |
-0, 01007 |
-0, 01006 |
-0, 01006 |
-0, 01005 |
-0, 01004 |
-0, 01003 |
-0, 01002 |
-0, 01002 |
|
50 |
-0, 00848 |
-0, 00847 |
-0, 00846 |
-0, 00845 |
-0, 00844 |
-0, 00843 |
-0, 00841 |
-0, 00839 |
-0, 00837 |
-0, 00837 |
|
60 |
-0, 00737 |
-0, 00737 |
-0, 00736 |
-0, 00734 |
-0, 00733 |
-0, 00731 |
-0, 00729 |
-0, 00727 |
-0, 00724 |
-0, 00724 |
|
70 |
-0, 00656 |
-0, 00655 |
-0, 00654 |
-0, 00653 |
-0, 00651 |
-0, 00649 |
-0, 00647 |
-0, 00644 |
-0, 00641 |
-0, 00641 |
|
80 |
-0, 00593 |
-0, 00592 |
-0, 00591 |
-0, 00590 |
-0, 00588 |
-0, 00586 |
-0, 00583 |
-0, 00580 |
-0, 00577 |
-0, 00577 |
|
90 |
-0, 00542 |
-0, 00541 |
-0, 00540 |
-0, 00539 |
-0, 00537 |
-0, 00535 |
-0, 00533 |
-0, 00530 |
-0, 00527 |
-0, 00527 |
|
100 |
-0, 00500 |
-0, 00500 |
-0, 00499 |
-0, 00497 |
-0, 00496 |
-0, 00494 |
-0, 00491 |
-0, 00488 |
-0, 00485 |
-0, 00485 |
|
120 |
-0, 00436 |
-0, 00435 |
-0, 00434 |
-0, 00433 |
-0, 00431 |
-0, 00429 |
-0, 00427 |
-0, 00424 |
-0, 00421 |
-0, 00421 |
|
140 |
-0, 00387 |
-0, 00387 |
-0, 00386 |
-0, 00385 |
-0, 00383 |
-0, 00381 |
-0, 00379 |
-0, 00376 |
-0, 00373 |
-0, 00373 |
|
160 |
-0, 00350 |
-0, 00349 |
-0, 00348 |
-0, 00347 |
-0, 00345 |
-0, 00343 |
-0, 00341 |
-0, 00339 |
-0, 00336 |
-0, 00336 |
|
180 |
-0, 00319 |
-0, 00319 |
-0, 00318 |
-0, 00317 |
-0, 00315 |
-0, 00313 |
-0, 00311 |
-0, 00309 |
-0, 00306 |
-0, 00306 |
|
200 |
-0, 00294 |
-0, 00294 |
-0, 00293 |
-0, 00292 |
-0, 00290 |
-0, 00288 |
-0, 00286 |
-0, 00284 |
-0, 00281 |
-0, 00281 |
Продолжение таблицы Г.11
|
Kse, МН/м3 |
Значения единичного прогиба Y̅, в расчетном сечении при колее колес | |||||||||
|
1, 1 |
1, 2 |
1, 3 |
1, 4 |
1, 5 |
1, 6 |
1, 7 |
1, 8 |
1, 9 |
2, 0 | |
|
40 |
-0, 01001 |
-0, 01001 |
-0, 01002 |
-0, 01003 |
-0, 01006 |
-0, 01010 |
-0, 01016 |
-0, 01024 |
-0, 01036 |
-0, 01052 |
|
50 |
-0, 00833 |
-0, 00831 |
-0, 00829 |
-0, 00828 |
-0, 00827 |
-0, 00827 |
-0, 00829 |
-0, 00831 |
-0, 00836 |
-0, 00844 |
|
60 |
-0, 00718 |
-0, 00716 |
-0, 00713 |
-0, 00710 |
-0, 00708 |
-0, 00706 |
-0, 00705 |
-0, 00705 |
-0, 00706 |
-0, 00709 |
|
70 |
-0, 00635 |
-0, 00631 |
-0, 00628 |
-0, 00625 |
-0, 00621 |
-0, 00618 |
-0, 00616 |
-0, 00614 |
-0, 00613 |
-0, 00614 |
|
80 |
-0, 00571 |
-0, 00567 |
-0, 00563 |
-0, 00559 |
-0, 00556 |
-0, 00552 |
-0, 00549 |
-0, 00546 |
-0, 00544 |
-0, 00543 |
|
90 |
-0, 00520 |
-0, 00516 |
-0, 00512 |
-0, 00508 |
-0, 00504 |
-0, 00500 |
-0, 00496 |
-0, 00493 |
-0, 00490 |
-0, 00487 |
|
100 |
-0, 00478 |
-0, 00474 |
-0, 00470 |
-0, 00466 |
-0, 00462 |
-0, 00458 |
-0, 00454 |
-0, 00450 |
-0, 00446 |
-0, 00443 |
|
120 |
-0, 00414 |
-0, 00410 |
-0, 00406 |
-0, 00402 |
-0, 00397 |
-0, 00393 |
-0, 00389 |
-0, 00384 |
-0, 00380 |
-0, 00376 |
|
140 |
-0, 00366 |
-0, 00362 |
-0, 00358 |
-0, 00354 |
-0, 00350 |
-0, 00346 |
-0, 00341 |
-0, 00337 |
-0, 00332 |
-0, 00328 |
|
160 |
-0, 00329 |
-0, 00326 |
-0, 00322 |
-0, 00318 |
-0, 00313 |
-0, 00309 |
-0, 00305 |
-0, 00300 |
-0, 00296 |
-0, 00292 |
|
180 |
-0, 00300 |
-0, 00296 |
-0, 00292 |
-0, 00288 |
-0, 00284 |
-0, 00280 |
-0, 00276 |
-0, 00272 |
-0, 00267 |
-0, 00263 |
|
200 |
-0, 00275 |
-0, 00272 |
-0, 00268 |
-0, 00265 |
-0, 00261 |
-0, 00257 |
-0, 00252 |
-0, 00248 |
-0, 00244 |
-0, 00240 |
Примечание - для промежуточных значений величину Y̅ следует принимать по интерполяции.
Таблица Г.12
|
Kse, МН/м3 |
Значения единичного прогиба Y̅, в расчетном сечении при колее колес | |||||||||
|
0, 1 |
0, 2 |
0, 3 |
0, 4 |
0, 5 |
0, 6 |
0, 7 |
0, 8 |
0, 9 |
1 | |
|
40 |
-0, 01000 |
-0, 00999 |
-0, 00997 |
-0, 00995 |
-0, 00993 |
-0, 00990 |
-0, 00987 |
-0, 00983 |
-0, 00978 |
-0, 00978 |
|
50 |
-0, 00843 |
-0, 00842 |
-0, 00841 |
-0, 00839 |
-0, 00837 |
-0, 00834 |
-0, 00831 |
-0, 00827 |
-0, 00823 |
-0, 00823 |
|
60 |
-0, 00733 |
-0, 00732 |
-0, 00731 |
-0, 00729 |
-0, 00727 |
-0, 00724 |
-0, 00721 |
-0, 00718 |
-0, 00714 |
-0, 00714 |
|
70 |
-0, 00650 |
-0, 00649 |
-0, 00648 |
-0, 00647 |
-0, 00645 |
-0, 00642 |
-0, 00639 |
-0, 00636 |
-0, 00632 |
-0, 00632 |
|
80 |
-0, 00586 |
-0, 00585 |
-0, 00584 |
-0, 00582 |
-0, 00580 |
-0, 00578 |
-0, 00576 |
-0, 00572 |
-0, 00569 |
-0, 00569 |
|
90 |
-0, 00534 |
-0, 00533 |
-0, 00532 |
-0, 00531 |
-0, 00529 |
-0, 00527 |
-0, 00524 |
-0, 00521 |
-0, 00518 |
-0, 00518 |
|
100 |
-0, 00491 |
-0, 00490 |
-0, 00490 |
-0, 00488 |
-0, 00486 |
-0, 00484 |
-0, 00482 |
-0, 00479 |
-0, 00476 |
-0, 00476 |
|
120 |
-0, 00425 |
-0, 00424 |
-0, 00423 |
-0, 00422 |
-0, 00421 |
-0, 00419 |
-0, 00417 |
-0, 00414 |
-0, 00411 |
-0, 00411 |
|
140 |
-0, 00376 |
-0, 00375 |
-0, 00374 |
-0, 00373 |
-0, 00372 |
-0, 00370 |
-0, 00368 |
-0, 00366 |
-0, 00363 |
-0, 00363 |
|
160 |
-0, 00337 |
-0, 00337 |
-0, 00336 |
-0, 00335 |
-0, 00334 |
-0, 00332 |
-0, 00330 |
-0, 00328 |
-0, 00326 |
-0, 00326 |
|
180 |
-0, 00307 |
-0, 00307 |
-0, 00306 |
-0, 00305 |
-0, 00304 |
-0, 00302 |
-0, 00300 |
-0, 00298 |
-0, 00296 |
-0, 00296 |
|
200 |
-0, 00282 |
-0, 00282 |
-0, 00281 |
-0, 00280 |
-0, 00279 |
-0, 00277 |
-0, 00276 |
-0, 00274 |
-0, 00272 |
-0, 00272 |
Продолжение таблицы Г.12
|
Kse, МН/м3 |
Значения единичного прогиба Y̅, в расчетном сечении при колее колес | |||||||||
|
1, 1 |
1, 2 |
1, 3 |
1, 4 |
1, 5 |
1, 6 |
1, 7 |
1, 8 |
1, 9 |
2, 0 | |
|
40 |
-0, 00968 |
-0, 00963 |
-0, 00957 |
-0, 00950 |
-0, 00943 |
-0, 00936 |
-0, 00929 |
-0, 00922 |
-0, 00914 |
-0, 00906 |
|
50 |
-0, 00814 |
-0, 00808 |
-0, 00803 |
-0, 00796 |
-0, 00790 |
-0, 00783 |
-0, 00776 |
-0, 00769 |
-0, 00762 |
-0, 00754 |
|
60 |
-0, 00705 |
-0, 00700 |
-0, 00695 |
-0, 00689 |
-0, 00683 |
-0, 00676 |
-0, 00670 |
-0, 00663 |
-0, 00656 |
-0, 00649 |
|
70 |
-0, 00624 |
-0, 00619 |
-0, 00614 |
-0, 00609 |
-0, 00603 |
-0, 00597 |
-0, 00591 |
-0, 00584 |
-0, 00578 |
-0, 00571 |
|
80 |
-0, 00561 |
-0, 00557 |
-0, 00552 |
-0, 00547 |
-0, 00541 |
-0, 00536 |
-0, 00530 |
-0, 00524 |
-0, 00517 |
-0, 00511 |
|
90 |
-0, 00511 |
-0, 00506 |
-0, 00502 |
-0, 00497 |
-0, 00492 |
-0, 00486 |
-0, 00481 |
-0, 00475 |
-0, 00469 |
-0, 00463 |
|
100 |
-0, 00469 |
-0, 00465 |
-0, 00461 |
-0, 00456 |
-0, 00451 |
-0, 00446 |
-0, 00441 |
-0, 00435 |
-0, 00430 |
-0, 00424 |
|
120 |
-0, 00405 |
-0, 00401 |
-0, 00397 |
-0, 00393 |
-0, 00388 |
-0, 00384 |
-0, 00379 |
-0, 00374 |
-0, 00369 |
-0, 00363 |
|
140 |
-0, 00357 |
-0, 00353 |
-0, 00350 |
-0, 00346 |
-0, 00342 |
-0, 00338 |
-0, 00333 |
-0, 00328 |
-0, 00323 |
-0, 00318 |
|
160 |
-0, 00320 |
-0, 00317 |
-0, 00313 |
-0, 00310 |
-0, 00306 |
-0, 00302 |
-0, 00298 |
-0, 00293 |
-0, 00289 |
-0, 00284 |
|
180 |
-0, 00290 |
-0, 00287 |
-0, 00284 |
-0, 00281 |
-0, 00277 |
-0, 00273 |
-0, 00269 |
-0, 00265 |
-0, 00261 |
-0, 00257 |
|
200 |
-0, 00266 |
-0, 00264 |
-0, 00260 |
-0, 00257 |
-0, 00254 |
-0, 00250 |
-0, 00246 |
-0, 00243 |
-0, 00238 |
-0, 00234 |
Примечание - для промежуточных значений величину Y̅ следует принимать по интерполяции.
Таблица Г.13
|
Kse, МН/м3 |
Значения единичного момента M̅, в расчетном сечении при колее колес | |||||||||
|
0, 1 |
0, 2 |
0, 3 |
0, 4 |
0, 5 |
0, 6 |
0, 7 |
0, 8 |
0, 9 |
1 | |
|
40 |
0, 94233 |
0, 93249 |
0, 91617 |
0, 89309 |
0, 86359 |
0, 82756 |
0, 78476 |
0, 73561 |
0, 67985 |
0, 67985 |
|
50 |
0, 92988 |
0, 92019 |
0, 90407 |
0, 88127 |
0, 85218 |
0, 81658 |
0, 77428 |
0, 72577 |
0, 67063 |
0, 67063 |
|
60 |
0, 91783 |
0, 90827 |
0, 89236 |
0, 86983 |
0, 84112 |
0, 80595 |
0, 76413 |
0, 71623 |
0, 66169 |
0, 66169 |
|
70 |
0, 90616 |
0, 89672 |
0, 88100 |
0, 85874 |
0, 83041 |
0, 79564 |
0, 75431 |
0, 70698 |
0, 65303 |
0, 65303 |
|
80 |
0, 89484 |
0, 88553 |
0, 87000 |
0, 84799 |
0, 82003 |
0, 78565 |
0, 74483 |
0, 69801 |
0, 64463 |
0, 64463 |
|
90 |
0, 88386 |
0, 87468 |
0, 85932 |
0, 83756 |
0, 80995 |
0, 77595 |
0, 73563 |
0, 68931 |
0, 63648 |
0, 63648 |
|
100 |
0, 87321 |
0, 86414 |
0, 84896 |
0, 82744 |
0, 80017 |
0, 76655 |
0, 72670 |
0, 68087 |
0, 62857 |
0, 62857 |
|
120 |
0, 85283 |
0, 84399 |
0, 82914 |
0, 80812 |
0, 78146 |
0, 74854 |
0, 70961 |
0, 66470 |
0, 61342 |
0, 61342 |
|
140 |
0, 83359 |
0, 82496 |
0, 81042 |
0, 78990 |
0, 76379 |
0, 73153 |
0, 69346 |
0, 64943 |
0, 59912 |
0, 59912 |
|
160 |
0, 81540 |
0, 80696 |
0, 79272 |
0, 77266 |
0, 74708 |
0, 71544 |
0, 67819 |
0, 63497 |
0, 58568 |
0, 58568 |
|
180 |
0, 79816 |
0, 78992 |
0, 77596 |
0, 75633 |
0, 73124 |
0, 70020 |
0, 66371 |
0, 62127 |
0, 57294 |
0, 57294 |
|
200 |
0, 78182 |
0, 77375 |
0, 76006 |
0, 74084 |
0, 71622 |
0, 68574 |
0, 64998 |
0, 60827 |
0, 56084 |
0, 56084 |
Продолжение таблицы Г.13
|
Kse, МН/м3 |
Значения единичного момента M̅, в расчетном сечении при колее колес | |||||||||
|
1, 1 |
1, 2 |
1, 3 |
1, 4 |
1, 5 |
1, 6 |
1, 7 |
1, 8 |
1, 9 |
2, 0 | |
|
40 |
0, 56424 |
0, 50922 |
0, 45609 |
0, 40475 |
0, 35508 |
0, 30722 |
0, 26085 |
0, 21619 |
0, 17288 |
0, 13114 |
|
50 |
0, 55614 |
0, 50177 |
0, 44940 |
0, 39886 |
0, 35004 |
0, 30306 |
0, 25760 |
0, 21385 |
0, 17148 |
0, 13066 |
|
60 |
0, 54829 |
0, 49456 |
0, 44292 |
0, 39315 |
0, 34515 |
0, 29903 |
0, 25445 |
0, 21160 |
0, 17012 |
0, 13020 |
|
70 |
0, 54067 |
0, 48757 |
0, 43664 |
0, 38762 |
0, 34042 |
0, 29512 |
0, 25140 |
0, 20941 |
0, 16880 |
0, 12975 |
|
80 |
0, 53329 |
0, 48082 |
0, 43056 |
0, 38226 |
0, 33583 |
0, 29134 |
0, 24844 |
0, 20728 |
0, 16752 |
0, 12931 |
|
90 |
0, 52613 |
0, 47427 |
0, 42465 |
0, 37706 |
0, 33138 |
0, 28767 |
0, 24557 |
0, 20523 |
0, 16628 |
0, 12889 |
|
100 |
0, 51918 |
0, 46792 |
0, 41892 |
0, 37201 |
0, 32706 |
0, 28411 |
0, 24279 |
0, 20323 |
0, 16507 |
0, 12847 |
|
120 |
0, 50590 |
0, 45575 |
0, 40796 |
0, 36236 |
0, 31880 |
0, 27729 |
0, 23746 |
0, 19941 |
0, 16276 |
0, 12766 |
|
140 |
0, 49340 |
0, 44426 |
0, 39760 |
0, 35324 |
0, 31100 |
0, 27086 |
0, 23243 |
0, 19580 |
0, 16058 |
-0, 12765 |
|
160 |
0, 48157 |
0, 43339 |
0, 38781 |
0, 34462 |
0, 30362 |
0, 26478 |
0, 22768 |
0, 19238 |
0, 15851 |
-0, 12766 |
|
180 |
0, 47035 |
0, 42309 |
0, 37853 |
0, 33646 |
0, 29664 |
0, 25902 |
0, 22318 |
0, 18915 |
0, 15655 |
-0, 12765 |
|
200 |
0, 45971 |
0, 41331 |
0, 36973 |
0, 32871 |
0, 29002 |
0, 25356 |
0, 21891 |
0, 18608 |
0, 15468 |
-0, 12763 |
Примечание - для промежуточных значений величину M̅ следует принимать по интерполяции.
Таблица Г.14
|
Kse, МН/м3 |
Значения единичного момента M̅, в расчетном сечении при колее колес | |||||||||
|
0, 1 |
0, 2 |
0, 3 |
0, 4 |
0, 5 |
0, 6 |
0, 7 |
0, 8 |
0, 9 |
1 | |
|
40 |
1, 28700 |
1, 27900 |
1, 26580 |
1, 24730 |
1, 22350 |
1, 19430 |
1, 15980 |
1, 12000 |
1, 07470 |
1, 07470 |
|
50 |
1, 22880 |
1, 22110 |
1, 20840 |
1, 19050 |
1, 16740 |
1, 13920 |
1, 10590 |
1, 06730 |
1, 02350 |
1, 02350 |
|
60 |
1, 17730 |
1, 16990 |
1, 15750 |
1, 14010 |
1, 11780 |
1, 09040 |
1, 05810 |
1, 02060 |
0, 97805 |
0, 97805 |
|
70 |
1, 13140 |
1, 12420 |
1, 11210 |
1, 09530 |
1, 07350 |
1, 04690 |
1, 01540 |
0, 97892 |
0, 93748 |
0, 93748 |
|
80 |
1, 09020 |
1, 08320 |
1, 07140 |
1, 05500 |
1, 03380 |
1, 00780 |
0, 97705 |
0, 94147 |
0, 90102 |
0, 90102 |
|
90 |
1, 05300 |
1, 04610 |
1, 03460 |
1, 01860 |
0, 99785 |
0, 97248 |
0, 94241 |
0, 90763 |
0, 86807 |
0, 86807 |
|
100 |
1, 01920 |
1, 01250 |
1, 00130 |
0, 98553 |
0, 96524 |
0, 94040 |
0, 91096 |
0, 87688 |
0, 83812 |
0, 83812 |
|
120 |
0, 96026 |
0, 95377 |
0, 94296 |
0, 92780 |
0, 90826 |
0, 88432 |
0, 85595 |
0, 82309 |
0, 78571 |
0, 78571 |
|
140 |
0, 91042 |
0, 90415 |
0, 89368 |
0, 87899 |
0, 86007 |
0, 83689 |
0, 80939 |
0, 77755 |
0, 74131 |
0, 74131 |
|
160 |
0, 86772 |
0, 86162 |
0, 85143 |
0, 83715 |
0, 81875 |
0, 79619 |
0, 76944 |
0, 73845 |
0, 70317 |
0, 70317 |
|
180 |
0, 83069 |
0, 82473 |
0, 81479 |
0, 80085 |
0, 78288 |
0, 76086 |
0, 73474 |
0, 70447 |
0, 67001 |
0, 67001 |
|
200 |
0, 79824 |
0, 79241 |
0, 78267 |
0, 76903 |
0, 75143 |
0, 72987 |
0, 70428 |
0, 67464 |
0, 64089 |
0, 64089 |
Продолжение таблицы Г.14
|
Kse, МН/м3 |
Значения единичного момента M̅, в расчетном сечении при колее колес | |||||||||
|
1, 1 |
1, 2 |
1, 3 |
1, 4 |
1, 5 |
1, 6 |
1, 7 |
1, 8 |
1, 9 |
2, 0 | |
|
40 |
0, 97408 |
0, 92532 |
0, 87788 |
0, 83164 |
0, 78705 |
0, 74361 |
0, 70125 |
0, 66037 |
0, 62036 |
0, 58151 |
|
50 |
0, 92554 |
0, 87821 |
0, 83235 |
0, 78792 |
0, 74527 |
0, 70386 |
0, 66370 |
0, 62510 |
0, 58748 |
0, 55110 |
|
60 |
0, 88255 |
0, 83645 |
0, 79200 |
0, 74922 |
0, 70825 |
0, 66866 |
0, 63045 |
0, 59388 |
0, 55839 |
0, 52418 |
|
70 |
0, 84416 |
0, 79917 |
0, 75598 |
0, 71467 |
0, 67521 |
0, 63726 |
0, 60079 |
0, 56604 |
0, 53246 |
0, 50018 |
|
80 |
0, 80964 |
0, 76566 |
0, 72361 |
0, 68363 |
0, 64554 |
0, 60906 |
0, 57415 |
0, 54105 |
0, 50919 |
0, 47866 |
|
90 |
0, 77844 |
0, 73537 |
0, 69437 |
0, 65558 |
0, 61873 |
0, 58360 |
0, 55010 |
0, 51849 |
0, 48819 |
0, 45923 |
|
100 |
0, 75009 |
0, 70785 |
0, 66780 |
0, 63009 |
0, 59438 |
0, 56049 |
0, 52827 |
0, 49802 |
0, 46915 |
0, 44161 |
|
120 |
0, 70094 |
0, 66023 |
0, 62136 |
0, 58552 |
0, 55182 |
0, 52009 |
0, 49016 |
0, 46228 |
0, 43591 |
0, 41086 |
|
140 |
0, 65967 |
0, 62115 |
0, 58467 |
0, 54987 |
0, 51679 |
0, 48594 |
0, 45799 |
0, 43209 |
0, 40786 |
0, 38500 |
|
160 |
0, 62416 |
0, 58745 |
0, 55305 |
0, 52053 |
0, 48945 |
0, 45987 |
0, 43092 |
0, 40624 |
0, 38386 |
0, 36291 |
|
180 |
0, 59322 |
0, 55806 |
0, 52542 |
0, 49485 |
0, 46587 |
0, 43812 |
0, 41147 |
0, 38507 |
0, 36308 |
0, 34379 |
|
200 |
0, 56614 |
0, 53228 |
0, 50104 |
0, 47215 |
0, 44500 |
0, 41908 |
0, 39419 |
0, 36985 |
0, 34566 |
0, 32709 |
Примечание - для промежуточных значений величину M̅ следует принимать по интерполяции.
Таблица Г.15
|
Kse, МН/м3 |
Значения единичного момента M̅, в расчетном сечении при колее колес | |||||||||
|
0, 1 |
0, 2 |
0, 3 |
0, 4 |
0, 5 |
0, 6 |
0, 7 |
0, 8 |
0, 9 |
1 | |
|
40 |
1, 33240 |
1, 32510 |
1, 31460 |
1, 29930 |
1, 27910 |
1, 25390 |
1, 22540 |
1, 19220 |
1, 15400 |
1, 15400 |
|
50 |
1, 23570 |
1, 22870 |
1, 21850 |
1, 20370 |
1, 18420 |
1, 15990 |
1, 13220 |
1, 10010 |
1, 06320 |
1, 06320 |
|
60 |
1, 15870 |
1, 15180 |
1, 14190 |
1, 12750 |
1, 10850 |
1, 08490 |
1, 05780 |
1, 02660 |
0, 99070 |
0, 99070 |
|
70 |
1, 09570 |
1, 08900 |
1, 07930 |
1, 06520 |
1, 04660 |
1, 02360 |
0, 99699 |
0, 96646 |
0, 93134 |
0, 93134 |
|
80 |
1, 04320 |
1, 03660 |
1, 02700 |
1, 01320 |
0, 99500 |
0, 97232 |
0, 94619 |
0, 91621 |
0, 88172 |
0, 88172 |
|
90 |
0, 99869 |
0, 99218 |
0, 98271 |
0, 96912 |
0, 95116 |
0, 92882 |
0, 90304 |
0, 87351 |
0, 83953 |
0, 83953 |
|
100 |
0, 96035 |
0, 95392 |
0, 94456 |
0, 93114 |
0, 91340 |
0, 89134 |
0, 86587 |
0, 83671 |
0, 80316 |
0, 80316 |
|
120 |
0, 89752 |
0, 89121 |
0, 88204 |
0, 86888 |
0, 85149 |
0, 82986 |
0, 80489 |
0, 77631 |
0, 74342 |
0, 74342 |
|
140 |
0, 84794 |
0, 84172 |
0, 83270 |
0, 81974 |
0, 80261 |
0, 78129 |
0, 75671 |
0, 72856 |
0, 69618 |
0, 69618 |
|
160 |
0, 80761 |
0, 80146 |
0, 79255 |
0, 77974 |
0, 76280 |
0, 74174 |
0, 71747 |
0, 68966 |
0, 65766 |
0, 65766 |
|
180 |
0, 77397 |
0, 76788 |
0, 75906 |
0, 74638 |
0, 72960 |
0, 70873 |
0, 68473 |
0, 65719 |
0, 62550 |
0, 62550 |
|
200 |
0, 74537 |
0, 73931 |
0, 73059 |
0, 71800 |
0, 70136 |
0, 68065 |
0, 65688 |
0, 62957 |
0, 59813 |
0, 59813 |
Продолжение таблицы Г.15
|
Kse, МН/м3 |
Значения единичного момента M̅, в расчетном сечении при колее колес | |||||||||
|
1, 1 |
1, 2 |
1, 3 |
1, 4 |
1, 5 |
1, 6 |
1, 7 |
1, 8 |
1, 9 |
2, 0 | |
|
40 |
1, 06760 |
1, 02580 |
0, 98571 |
0, 94713 |
0, 90991 |
0, 87388 |
0, 83889 |
0, 80477 |
0, 77160 |
0, 74124 |
|
50 |
0, 98032 |
0, 94068 |
0, 90293 |
0, 86693 |
0, 83277 |
0, 80006 |
0, 76861 |
0, 73824 |
0, 70873 |
0, 67990 |
|
60 |
0, 91047 |
0, 87260 |
0, 83685 |
0, 80307 |
0, 77106 |
0, 74065 |
0, 71191 |
0, 68445 |
0, 65803 |
0, 63240 |
|
70 |
0, 85317 |
0, 81667 |
0, 78250 |
0, 75048 |
0, 72041 |
0, 69210 |
0, 66532 |
0, 63990 |
0, 61594 |
0, 59289 |
|
80 |
0, 80519 |
0, 76980 |
0, 73689 |
0, 70629 |
0, 67779 |
0, 65118 |
0, 62625 |
0, 60273 |
0, 58040 |
0, 55940 |
|
90 |
0, 76434 |
0, 72984 |
0, 69797 |
0, 66853 |
0, 64132 |
0, 61613 |
0, 59272 |
0, 57084 |
0, 55024 |
0, 53065 |
|
100 |
0, 72907 |
0, 69531 |
0, 66429 |
0, 63582 |
0, 60970 |
0, 58569 |
0, 56357 |
0, 54307 |
0, 52394 |
0, 50589 |
|
120 |
0, 67103 |
0, 63841 |
0, 60872 |
0, 58178 |
0, 55736 |
0, 53524 |
0, 51516 |
0, 49687 |
0, 48009 |
0, 46454 |
|
140 |
0, 62502 |
0, 59324 |
0, 56454 |
0, 53873 |
0, 51561 |
0, 49492 |
0, 47637 |
0, 45977 |
0, 44480 |
0, 43117 |
|
160 |
0, 58745 |
0, 55630 |
0, 52836 |
0, 50358 |
0, 48160 |
0, 46207 |
0, 44474 |
0, 42932 |
0, 41562 |
0, 40352 |
|
180 |
0, 55605 |
0, 52540 |
0, 49811 |
0, 47418 |
0, 45305 |
0, 43446 |
0, 41815 |
0, 40385 |
0, 39125 |
0, 38014 |
|
200 |
0, 52929 |
0, 49906 |
0, 47238 |
0, 44908 |
0, 42865 |
0, 41084 |
0, 39539 |
0, 38201 |
0, 37041 |
0, 36028 |
Примечание - для промежуточных значений величину M̅ следует принимать по интерполяции.
Таблица Г.16
|
Kse, МН/м3 |
Значения единичной поперечной силы Q̅, в расчетном сечении при колее колес | |||||||||
|
0, 1 |
0, 2 |
0, 3 |
0, 4 |
0, 5 |
0, 6 |
0, 7 |
0, 8 |
0, 9 |
1 | |
|
40 |
0, 76715 |
0, 75170 |
0, 73515 |
0, 71726 |
0, 69779 |
0, 67649 |
0, 65309 |
0, 62730 |
0, 59881 |
0, 59881 |
|
50 |
0, 76229 |
0, 74627 |
0, 72925 |
0, 71100 |
0, 69130 |
0, 66990 |
0, 64653 |
0, 62090 |
0, 59270 |
0, 59270 |
|
60 |
0, 75757 |
0, 74101 |
0, 72353 |
0, 70494 |
0, 68502 |
0, 66351 |
0, 64016 |
0, 61469 |
0, 58678 |
0, 58678 |
|
70 |
0, 75300 |
0, 73591 |
0, 71800 |
0, 69907 |
0, 67892 |
0, 65732 |
0, 63399 |
0, 60867 |
0, 58104 |
0, 58104 |
|
80 |
0, 74857 |
0, 73096 |
0, 71262 |
0, 69338 |
0, 67301 |
0, 65131 |
0, 62801 |
0, 60284 |
0, 57546 |
0, 57546 |
|
90 |
0, 74426 |
0, 72616 |
0, 70741 |
0, 68785 |
0, 66728 |
0, 64548 |
0, 62221 |
0, 59717 |
0, 57005 |
0, 57005 |
|
100 |
0, 74008 |
0, 72150 |
0, 70236 |
0, 68249 |
0, 66172 |
0, 63983 |
0, 61657 |
0, 59167 |
0, 56480 |
0, 56480 |
|
120 |
0, 73208 |
0, 71258 |
0, 69267 |
0, 67222 |
0, 65106 |
0, 62900 |
0, 60578 |
0, 58113 |
0, 55473 |
0, 55473 |
|
140 |
0, 72451 |
0, 70414 |
0, 68352 |
0, 66252 |
0, 64100 |
0, 61876 |
0, 59558 |
0, 57117 |
0, 54521 |
0, 54521 |
|
160 |
0, 71734 |
0, 69616 |
0, 67486 |
0, 65335 |
0, 63148 |
0, 60908 |
0, 58592 |
0, 56174 |
0, 53619 |
0, 53619 |
|
180 |
0, 71054 |
0, 68859 |
0, 66666 |
0, 64465 |
0, 62245 |
0, 59990 |
0, 57677 |
0, 55279 |
0, 52763 |
0, 52763 |
|
200 |
0, 70408 |
0, 68141 |
0, 65887 |
0, 63640 |
0, 61389 |
0, 59118 |
0, 56808 |
0, 54429 |
0, 51950 |
0, 51950 |
Продолжение таблицы Г.16
|
Kse, МН/м3 |
Значения единичной поперечной силы Q̅, в расчетном сечении при колее колес | |||||||||
|
1, 1 |
1, 2 |
1, 3 |
1, 4 |
1, 5 |
1, 6 |
1, 7 |
1, 8 |
1, 9 |
2, 0 | |
|
40 |
0, 53244 |
0, 49385 |
0, 45114 |
0, 40392 |
0, 35997 |
0, 33262 |
0, 30533 |
0, 31492 |
0, 34468 |
0, 37443 |
|
50 |
0, 52727 |
0, 48930 |
0, 44729 |
0, 40081 |
0, 35811 |
0, 33110 |
0, 30416 |
0, 31412 |
0, 34409 |
0, 37405 |
|
60 |
0, 52226 |
0, 48489 |
0, 44355 |
0, 39778 |
0, 35630 |
0, 32962 |
0, 30302 |
0, 31334 |
0, 34351 |
0, 37368 |
|
70 |
0, 51740 |
0, 48061 |
0, 43993 |
0, 39485 |
0, 35454 |
0, 32818 |
0, 30191 |
0, 31258 |
0, 34295 |
0, 37331 |
|
80 |
0, 51268 |
0, 47646 |
0, 43640 |
0, 39199 |
0, 35283 |
0, 32678 |
0, 30083 |
0, 31184 |
0, 34240 |
0, 37295 |
|
90 |
0, 50810 |
0, 47242 |
0, 43298 |
0, 38922 |
0, 35117 |
0, 32542 |
0, 29978 |
0, 31113 |
0, 34187 |
0, 37259 |
|
100 |
0, 50365 |
0, 46850 |
0, 42965 |
0, 38653 |
0, 34955 |
0, 32410 |
0, 29876 |
0, 31043 |
0, 34134 |
0, 37223 |
|
120 |
0, 49511 |
0, 46098 |
0, 42326 |
0, 38136 |
0, 34643 |
0, 32155 |
0, 29681 |
0, 30910 |
0, 34033 |
0, 37153 |
|
140 |
0, 48703 |
0, 45385 |
0, 41721 |
0, 37645 |
0, 34348 |
0, 31913 |
0, 29495 |
0, 30784 |
0, 33936 |
0, 37085 |
|
160 |
0, 47936 |
0, 44709 |
0, 41146 |
0, 37180 |
0, 34066 |
0, 31683 |
0, 29318 |
0, 30664 |
0, 33843 |
0, 37018 |
|
180 |
0, 47208 |
0, 44066 |
0, 40600 |
0, 36737 |
0, 33797 |
0, 31464 |
0, 29150 |
0, 30550 |
0, 33753 |
0, 36952 |
|
200 |
0, 46515 |
0, 43455 |
0, 40080 |
0, 36315 |
0, 33541 |
0, 31254 |
0, 28989 |
0, 30441 |
0, 33667 |
0, 36888 |
Примечание - для промежуточных значений величину Q̅ следует принимать по интерполяции.
Таблица Г.17
|
Kse, МН/м3 |
Значения единичной поперечной силы Q̅, в расчетном сечении при колее колес | |||||||||
|
0, 1 |
0, 2 |
0, 3 |
0, 4 |
0, 5 |
0, 6 |
0, 7 |
0, 8 |
0, 9 |
1 | |
|
40 |
0, 79815 |
0, 78236 |
0, 76667 |
0, 75107 |
0, 73557 |
0, 72015 |
0, 70479 |
0, 68947 |
0, 67414 |
0, 67414 |
|
50 |
0, 78734 |
0, 77015 |
0, 75316 |
0, 73636 |
0, 71978 |
0, 70341 |
0, 68724 |
0, 67126 |
0, 65544 |
0, 65544 |
|
60 |
0, 77771 |
0, 75930 |
0, 74116 |
0, 72331 |
0, 70578 |
0, 68857 |
0, 67169 |
0, 65513 |
0, 63886 |
0, 63886 |
|
70 |
0, 76906 |
0, 74957 |
0, 73042 |
0, 71164 |
0, 69327 |
0, 67532 |
0, 65780 |
0, 64072 |
0, 62406 |
0, 62406 |
|
80 |
0, 76125 |
0, 74080 |
0, 72075 |
0, 70114 |
0, 68201 |
0, 66340 |
0, 64532 |
0, 62777 |
0, 61075 |
0, 61075 |
|
90 |
0, 75414 |
0, 73283 |
0, 71198 |
0, 69163 |
0, 67184 |
0, 65263 |
0, 63404 |
0, 61607 |
0, 59872 |
0, 59872 |
|
100 |
0, 74820 |
0, 72662 |
0, 70543 |
0, 68464 |
0, 66429 |
0, 64437 |
0, 62489 |
0, 60586 |
0, 58778 |
0, 58778 |
|
120 |
0, 73771 |
0, 71576 |
0, 69425 |
0, 67321 |
0, 65265 |
0, 63259 |
0, 61303 |
0, 59399 |
0, 57545 |
0, 57545 |
|
140 |
0, 72860 |
0, 70629 |
0, 68448 |
0, 66318 |
0, 64242 |
0, 62221 |
0, 60257 |
0, 58349 |
0, 56498 |
0, 56498 |
|
160 |
0, 72059 |
0, 69793 |
0, 67582 |
0, 65426 |
0, 63330 |
0, 61294 |
0, 59320 |
0, 57408 |
0, 55558 |
0, 55558 |
|
180 |
0, 71345 |
0, 69046 |
0, 66805 |
0, 64625 |
0, 62509 |
0, 60458 |
0, 58474 |
0, 56557 |
0, 54707 |
0, 54707 |
|
200 |
0, 70701 |
0, 68370 |
0, 66101 |
0, 63897 |
0, 61761 |
0, 59695 |
0, 57701 |
0, 55778 |
0, 53928 |
0, 53928 |
Продолжение таблицы Г.17
|
Kse, МН/м3 |
Значения единичной поперечной силы Q̅, в расчетном сечении при колее колес | |||||||||
|
1, 1 |
1, 2 |
1, 3 |
1, 4 |
1, 5 |
1, 6 |
1, 7 |
1, 8 |
1, 9 |
2, 0 | |
|
40 |
0, 64328 |
0, 62762 |
0, 61169 |
0, 59541 |
0, 57866 |
0, 56131 |
0, 54323 |
0, 52426 |
0, 50422 |
0, 48292 |
|
50 |
0, 62409 |
0, 60845 |
0, 59272 |
0, 57682 |
0, 56062 |
0, 54400 |
0, 52680 |
0, 50887 |
0, 49001 |
0, 47001 |
|
60 |
0, 60707 |
0, 59143 |
0, 57587 |
0, 56029 |
0, 54457 |
0, 52858 |
0, 51216 |
0, 49515 |
0, 47733 |
0, 45848 |
|
70 |
0, 59186 |
0, 57622 |
0, 56080 |
0, 54549 |
0, 53019 |
0, 51475 |
0, 49902 |
0, 48282 |
0, 46592 |
0, 44810 |
|
80 |
0, 57818 |
0, 56253 |
0, 54723 |
0, 53216 |
0, 51722 |
0, 50228 |
0, 48715 |
0, 47167 |
0, 45560 |
0, 43871 |
|
90 |
0, 56580 |
0, 55014 |
0, 53493 |
0, 52008 |
0, 50546 |
0, 49095 |
0, 47637 |
0, 46153 |
0, 44621 |
0, 43014 |
|
100 |
0, 55454 |
0, 53887 |
0, 52374 |
0, 50907 |
0, 49474 |
0, 48061 |
0, 46652 |
0, 45226 |
0, 43761 |
0, 42230 |
|
120 |
0, 53989 |
0, 52284 |
0, 50628 |
0, 49017 |
0, 47587 |
0, 46240 |
0, 44914 |
0, 43589 |
0, 42241 |
0, 40843 |
|
140 |
0, 52964 |
0, 51279 |
0, 49647 |
0, 48067 |
0, 46536 |
0, 45053 |
0, 43614 |
0, 42218 |
0, 40936 |
0, 39648 |
|
160 |
0, 52043 |
0, 50375 |
0, 48765 |
0, 47212 |
0, 45712 |
0, 44264 |
0, 42866 |
0, 41513 |
0, 40205 |
0, 38937 |
|
180 |
0, 51206 |
0, 49553 |
0, 47963 |
0, 46434 |
0, 44962 |
0, 43547 |
0, 42185 |
0, 40872 |
0, 39607 |
0, 38386 |
|
200 |
0, 50440 |
0, 48800 |
0, 47228 |
0, 45720 |
0, 44275 |
0, 42889 |
0, 41560 |
0, 40284 |
0, 39059 |
0, 37880 |
Примечание - для промежуточных значений величину Q̅ следует принимать по интерполяции.
Таблица Г.18
|
Kse, МН/м3 |
Значения единичной поперечной силы Q̅, в расчетном сечении при колее колес | |||||||||
|
0, 1 |
0, 2 |
0, 3 |
0, 4 |
0, 5 |
0, 6 |
0, 7 |
0, 8 |
0, 9 |
1 | |
|
40 |
0, 79681 |
0, 76922 |
0, 76002 |
0, 73582 |
0, 72451 |
0, 70342 |
0, 69055 |
0, 67209 |
0, 65836 |
0, 65836 |
|
50 |
0, 78562 |
0, 75771 |
0, 74633 |
0, 72345 |
0, 70852 |
0, 69035 |
0, 67427 |
0, 65851 |
0, 64308 |
0, 64308 |
|
60 |
0, 77642 |
0, 74806 |
0, 73519 |
0, 71297 |
0, 69592 |
0, 67920 |
0, 66285 |
0, 64686 |
0, 63124 |
0, 63124 |
|
70 |
0, 76865 |
0, 73975 |
0, 72588 |
0, 70388 |
0, 68649 |
0, 66947 |
0, 65286 |
0, 63664 |
0, 62085 |
0, 62085 |
|
80 |
0, 76193 |
0, 73246 |
0, 71791 |
0, 69585 |
0, 67813 |
0, 66083 |
0, 64396 |
0, 62753 |
0, 61156 |
0, 61156 |
|
90 |
0, 75603 |
0, 72596 |
0, 71097 |
0, 68863 |
0, 67060 |
0, 65303 |
0, 63592 |
0, 61930 |
0, 60316 |
0, 60316 |
|
100 |
0, 75076 |
0, 72007 |
0, 70482 |
0, 68207 |
0, 66376 |
0, 64592 |
0, 62859 |
0, 61177 |
0, 59547 |
0, 59547 |
|
120 |
0, 74163 |
0, 70974 |
0, 69431 |
0, 67049 |
0, 65163 |
0, 63331 |
0, 61556 |
0, 59838 |
0, 58179 |
0, 58179 |
|
140 |
0, 73389 |
0, 70082 |
0, 68549 |
0, 66043 |
0, 64108 |
0, 62232 |
0, 60419 |
0, 58670 |
0, 56985 |
0, 56985 |
|
160 |
0, 72711 |
0, 69293 |
0, 67785 |
0, 65150 |
0, 63170 |
0, 61256 |
0, 59408 |
0, 57630 |
0, 55922 |
0, 55922 |
|
180 |
0, 72106 |
0, 68582 |
0, 67108 |
0, 64344 |
0, 62365 |
0, 60374 |
0, 58496 |
0, 56692 |
0, 54963 |
0, 54963 |
|
200 |
0, 71555 |
0, 67933 |
0, 66496 |
0, 63608 |
0, 61703 |
0, 59568 |
0, 57662 |
0, 55835 |
0, 54088 |
0, 54088 |
Продолжение таблицы Г.18
|
Kse, МН/м3 |
Значения единичной поперечной силы Q̅, в расчетном сечении при колее колес | |||||||||
|
1, 1 |
1, 2 |
1, 3 |
1, 4 |
1, 5 |
1, 6 |
1, 7 |
1, 8 |
1, 9 |
2, 0 | |
|
40 |
0, 62810 |
0, 61281 |
0, 59986 |
0, 58488 |
0, 57365 |
0, 55808 |
0, 54939 |
0, 53237 |
0, 52689 |
0, 50770 |
|
50 |
0, 61321 |
0, 59879 |
0, 58470 |
0, 57094 |
0, 55751 |
0, 54441 |
0, 53163 |
0, 51917 |
0, 50701 |
0, 49514 |
|
60 |
0, 60115 |
0, 58667 |
0, 57258 |
0, 55887 |
0, 54553 |
0, 53256 |
0, 51995 |
0, 50770 |
0, 49580 |
0, 48423 |
|
70 |
0, 59052 |
0, 57599 |
0, 56188 |
0, 54820 |
0, 53493 |
0, 52207 |
0, 50961 |
0, 49755 |
0, 48587 |
0, 47456 |
|
80 |
0, 58100 |
0, 56642 |
0, 55229 |
0, 53863 |
0, 52542 |
0, 51266 |
0, 50033 |
0, 48843 |
0, 47696 |
0, 46588 |
|
90 |
0, 57238 |
0, 55773 |
0, 54359 |
0, 52994 |
0, 51678 |
0, 50411 |
0, 49190 |
0, 48016 |
0, 46886 |
0, 45800 |
|
100 |
0, 56448 |
0, 54978 |
0, 53562 |
0, 52198 |
0, 50887 |
0, 49627 |
0, 48417 |
0, 47257 |
0, 46144 |
0, 45078 |
|
120 |
0, 55040 |
0, 53561 |
0, 52140 |
0, 50779 |
0, 49476 |
0, 48231 |
0, 47041 |
0, 45906 |
0, 44824 |
0, 43793 |
|
140 |
0, 53811 |
0, 52323 |
0, 50900 |
0, 49541 |
0, 48246 |
0, 47013 |
0, 45842 |
0, 44729 |
0, 43675 |
0, 42675 |
|
160 |
0, 52718 |
0, 51223 |
0, 49797 |
0, 48442 |
0, 47155 |
0, 45934 |
0, 44780 |
0, 43688 |
0, 42659 |
0, 41688 |
|
180 |
0, 51733 |
0, 50232 |
0, 48806 |
0, 47453 |
0, 46174 |
0, 44966 |
0, 43827 |
0, 42756 |
0, 41749 |
0, 40805 |
|
200 |
0, 50836 |
0, 49330 |
0, 47904 |
0, 46556 |
0, 45284 |
0, 44088 |
0, 42964 |
0, 41912 |
0, 40927 |
0, 40009 |
Примечание - для промежуточных значений величину Q̅ следует принимать по интерполяции.
Таблица Г.19
|
Kse, МН/м3 |
Значения единичного прогиба Y̅, в расчетном сечении при колее колес | |||||||||
|
0, 1 |
0, 2 |
0, 3 |
0, 4 |
0, 5 |
0, 6 |
0, 7 |
0, 8 |
0, 9 |
1 | |
|
40 |
-0, 00570 |
-0, 00568 |
-0, 00565 |
-0, 00561 |
-0, 00555 |
-0, 00549 |
-0, 00541 |
-0, 00533 |
-0, 00523 |
-0, 00523 |
|
50 |
-0, 00535 |
-0, 00533 |
-0, 00530 |
-0, 00527 |
-0, 00521 |
-0, 00515 |
-0, 00508 |
-0, 00500 |
-0, 00491 |
-0, 00491 |
|
60 |
-0, 00504 |
-0, 00503 |
-0, 00500 |
-0, 00496 |
-0, 00491 |
-0, 00486 |
-0, 00479 |
-0, 00471 |
-0, 00463 |
-0, 00463 |
|
70 |
-0, 00477 |
-0, 00475 |
-0, 00473 |
-0, 00469 |
-0, 00465 |
-0, 00459 |
-0, 00453 |
-0, 00445 |
-0, 00437 |
-0, 00437 |
|
80 |
-0, 00452 |
-0, 00451 |
-0, 00448 |
-0, 00445 |
-0, 00441 |
-0, 00435 |
-0, 00429 |
-0, 00422 |
-0, 00415 |
-0, 00415 |
|
90 |
-0, 00430 |
-0, 00429 |
-0, 00426 |
-0, 00423 |
-0, 00419 |
-0, 00414 |
-0, 00408 |
-0, 00402 |
-0, 00394 |
-0, 00394 |
|
100 |
-0, 00410 |
-0, 00409 |
-0, 00407 |
-0, 00404 |
-0, 00400 |
-0, 00395 |
-0, 00389 |
-0, 00383 |
-0, 00376 |
-0, 00376 |
|
120 |
-0, 00375 |
-0, 00374 |
-0, 00372 |
-0, 00369 |
-0, 00366 |
-0, 00361 |
-0, 00356 |
-0, 00351 |
-0, 00344 |
-0, 00344 |
|
140 |
-0, 00346 |
-0, 00345 |
-0, 00343 |
-0, 00341 |
-0, 00337 |
-0, 00333 |
-0, 00329 |
-0, 00323 |
-0, 00317 |
-0, 00317 |
|
160 |
-0, 00321 |
-0, 00320 |
-0, 00318 |
-0, 00316 |
-0, 00313 |
-0, 00309 |
-0, 00305 |
-0, 00300 |
-0, 00294 |
-0, 00294 |
|
180 |
-0, 00300 |
-0, 00299 |
-0, 00297 |
-0, 00295 |
-0, 00292 |
-0, 00289 |
-0, 00284 |
-0, 00280 |
-0, 00275 |
-0, 00275 |
|
200 |
-0, 00281 |
-0, 00280 |
-0, 00279 |
-0, 00276 |
-0, 00274 |
-0, 00270 |
-0, 00267 |
-0, 00262 |
-0, 00257 |
-0, 00257 |
Продолжение таблицы Г.19
|
Kse, МН/м3 |
Значения единичного прогиба Y̅, в расчетном сечении при колее колес | |||||||||
|
1, 1 |
1, 2 |
1, 3 |
1, 4 |
1, 5 |
1, 6 |
1, 7 |
1, 8 |
1, 9 |
2, 0 | |
|
40 |
-0, 00501 |
-0, 00489 |
-0, 00476 |
-0, 00462 |
-0, 00448 |
-0, 00433 |
-0, 00418 |
-0, 00402 |
-0, 00386 |
-0, 00370 |
|
50 |
-0, 00470 |
-0, 00459 |
-0, 00447 |
-0, 00434 |
-0, 00420 |
-0, 00407 |
-0, 00392 |
-0, 00377 |
-0, 00362 |
-0, 00347 |
|
60 |
-0, 00443 |
-0, 00432 |
-0, 00421 |
-0, 00409 |
-0, 00396 |
-0, 00383 |
-0, 00369 |
-0, 00355 |
-0, 00341 |
-0, 00327 |
|
70 |
-0, 00419 |
-0, 00409 |
-0, 00398 |
-0, 00386 |
-0, 00374 |
-0, 00362 |
-0, 00349 |
-0, 00336 |
-0, 00322 |
-0, 00309 |
|
80 |
-0, 00397 |
-0, 00388 |
-0, 00377 |
-0, 00366 |
-0, 00355 |
-0, 00343 |
-0, 00331 |
-0, 00318 |
-0, 00306 |
-0, 00293 |
|
90 |
-0, 00378 |
-0, 00368 |
-0, 00359 |
-0, 00348 |
-0, 00337 |
-0, 00326 |
-0, 00315 |
-0, 00303 |
-0, 00291 |
-0, 00278 |
|
100 |
-0, 00360 |
-0, 00351 |
-0, 00342 |
-0, 00332 |
-0, 00322 |
-0, 00311 |
-0, 00300 |
-0, 00289 |
-0, 00277 |
-0, 00265 |
|
120 |
-0, 00329 |
-0, 00321 |
-0, 00313 |
-0, 00304 |
-0, 00294 |
-0, 00284 |
-0, 00274 |
-0, 00264 |
-0, 00253 |
-0, 00242 |
|
140 |
-0, 00304 |
-0, 00296 |
-0, 00288 |
-0, 00280 |
-0, 00271 |
-0, 00262 |
-0, 00253 |
-0, 00243 |
-0, 00233 |
-0, 00223 |
|
160 |
-0, 00282 |
-0, 00275 |
-0, 00267 |
-0, 00259 |
-0, 00251 |
-0, 00243 |
-0, 00234 |
-0, 00225 |
-0, 00216 |
-0, 00207 |
|
180 |
-0, 00263 |
-0, 00256 |
-0, 00249 |
-0, 00242 |
-0, 00234 |
-0, 00226 |
-0, 00218 |
-0, 00210 |
-0, 00202 |
-0, 00193 |
|
200 |
-0, 00246 |
-0, 00240 |
-0, 00234 |
-0, 00227 |
-0, 00220 |
-0, 00212 |
-0, 00205 |
-0, 00197 |
-0, 00189 |
-0, 00181 |
Примечание - для промежуточных значений величину Y̅ следует принимать по интерполяции.
Таблица Г.20
|
Kse, МН/м3 |
Значения единичного прогиба Y̅, в расчетном сечении при колее колес | |||||||||
|
0, 1 |
0, 2 |
0, 3 |
0, 4 |
0, 5 |
0, 6 |
0, 7 |
0, 8 |
0, 9 |
1 | |
|
40 |
-0, 00954 |
-0, 00952 |
-0, 00950 |
-0, 00947 |
-0, 00942 |
-0, 00937 |
-0, 00931 |
-0, 00924 |
-0, 00917 |
-0, 00917 |
|
50 |
-0, 00826 |
-0, 00824 |
-0, 00822 |
-0, 00819 |
-0, 00816 |
-0, 00811 |
-0, 00806 |
-0, 00800 |
-0, 00793 |
-0, 00793 |
|
60 |
-0, 00729 |
-0, 00728 |
-0, 00726 |
-0, 00723 |
-0, 00720 |
-0, 00716 |
-0, 00712 |
-0, 00706 |
-0, 00700 |
-0, 00700 |
|
70 |
-0, 00653 |
-0, 00652 |
-0, 00650 |
-0, 00648 |
-0, 00645 |
-0, 00642 |
-0, 00638 |
-0, 00633 |
-0, 00627 |
-0, 00627 |
|
80 |
-0, 00592 |
-0, 00591 |
-0, 00590 |
-0, 00588 |
-0, 00585 |
-0, 00582 |
-0, 00578 |
-0, 00574 |
-0, 00569 |
-0, 00569 |
|
90 |
-0, 00542 |
-0, 00541 |
-0, 00540 |
-0, 00538 |
-0, 00536 |
-0, 00533 |
-0, 00529 |
-0, 00525 |
-0, 00521 |
-0, 00521 |
|
100 |
-0, 00500 |
-0, 00499 |
-0, 00498 |
-0, 00496 |
-0, 00494 |
-0, 00491 |
-0, 00488 |
-0, 00485 |
-0, 00480 |
-0, 00480 |
|
120 |
-0, 00434 |
-0, 00433 |
-0, 00432 |
-0, 00431 |
-0, 00429 |
-0, 00426 |
-0, 00424 |
-0, 00420 |
-0, 00417 |
-0, 00417 |
|
140 |
-0, 00384 |
-0, 00383 |
-0, 00383 |
-0, 00381 |
-0, 00379 |
-0, 00377 |
-0, 00375 |
-0, 00372 |
-0, 00369 |
-0, 00369 |
|
160 |
-0, 00345 |
-0, 00345 |
-0, 00344 |
-0, 00343 |
-0, 00341 |
-0, 00339 |
-0, 00337 |
-0, 00334 |
-0, 00331 |
-0, 00331 |
|
180 |
-0, 00314 |
-0, 00313 |
-0, 00313 |
-0, 00311 |
-0, 00310 |
-0, 00308 |
-0, 00306 |
-0, 00304 |
-0, 00301 |
-0, 00301 |
|
200 |
-0, 00288 |
-0, 00288 |
-0, 00287 |
-0, 00286 |
-0, 00285 |
-0, 00283 |
-0, 00281 |
-0, 00279 |
-0, 00277 |
-0, 00277 |
Продолжение таблицы Г.20
|
Kse, МН/м3 |
Значения единичного прогиба Y̅, в расчетном сечении при колее колес | |||||||||
|
1, 1 |
1, 2 |
1, 3 |
1, 4 |
1, 5 |
1, 6 |
1, 7 |
1, 8 |
1, 9 |
2, 0 | |
|
40 |
-0, 00898 |
-0, 00888 |
-0, 00877 |
-0, 00866 |
-0, 00853 |
-0, 00841 |
-0, 00827 |
-0, 00813 |
-0, 00798 |
-0, 00783 |
|
50 |
-0, 00778 |
-0, 00769 |
-0, 00759 |
-0, 00749 |
-0, 00738 |
-0, 00727 |
-0, 00715 |
-0, 00703 |
-0, 00690 |
-0, 00677 |
|
60 |
-0, 00686 |
-0, 00678 |
-0, 00670 |
-0, 00661 |
-0, 00652 |
-0, 00641 |
-0, 00631 |
-0, 00620 |
-0, 00609 |
-0, 00597 |
|
70 |
-0, 00615 |
-0, 00608 |
-0, 00600 |
-0, 00592 |
-0, 00584 |
-0, 00575 |
-0, 00565 |
-0, 00555 |
-0, 00545 |
-0, 00534 |
|
80 |
-0, 00557 |
-0, 00551 |
-0, 00544 |
-0, 00537 |
-0, 00529 |
-0, 00521 |
-0, 00512 |
-0, 00503 |
-0, 00494 |
-0, 00484 |
|
90 |
-0, 00510 |
-0, 00504 |
-0, 00498 |
-0, 00491 |
-0, 00484 |
-0, 00476 |
-0, 00468 |
-0, 00460 |
-0, 00451 |
-0, 00443 |
|
100 |
-0, 00471 |
-0, 00465 |
-0, 00459 |
-0, 00453 |
-0, 00447 |
-0, 00440 |
-0, 00432 |
-0, 00424 |
-0, 00416 |
-0, 00408 |
|
120 |
-0, 00409 |
-0, 00404 |
-0, 00399 |
-0, 00393 |
-0, 00387 |
-0, 00381 |
-0, 00375 |
-0, 00368 |
-0, 00361 |
-0, 00353 |
|
140 |
-0, 00362 |
-0, 00357 |
-0, 00353 |
-0, 00348 |
-0, 00343 |
-0, 00337 |
-0, 00331 |
-0, 00325 |
-0, 00319 |
-0, 00312 |
|
160 |
-0, 00325 |
-0, 00321 |
-0, 00317 |
-0, 00312 |
-0, 00308 |
-0, 00303 |
-0, 00297 |
-0, 00292 |
-0, 00286 |
-0, 00280 |
|
180 |
-0, 00295 |
-0, 00292 |
-0, 00288 |
-0, 00284 |
-0, 00279 |
-0, 00275 |
-0, 00270 |
-0, 00265 |
-0, 00260 |
-0, 00254 |
|
200 |
-0, 00271 |
-0, 00268 |
-0, 00264 |
-0, 00260 |
-0, 00256 |
-0, 00252 |
-0, 00248 |
-0, 00243 |
-0, 00238 |
-0, 00233 |
Примечание - для промежуточных значений величину Y̅ следует принимать по интерполяции.
Таблица Г.21
|
Kse, МН/м3 |
Значения единичного прогиба Y̅, в расчетном сечении при колее колес | |||||||||
|
0, 1 |
0, 2 |
0, 3 |
0, 4 |
0, 5 |
0, 6 |
0, 7 |
0, 8 |
0, 9 |
1 | |
|
40 |
-0, 00994 |
-0, 00993 |
-0, 00991 |
-0, 00989 |
-0, 00987 |
-0, 00984 |
-0, 00980 |
-0, 00976 |
-0, 00971 |
-0, 00971 |
|
50 |
-0, 00832 |
-0, 00831 |
-0, 00830 |
-0, 00829 |
-0, 00826 |
-0, 00824 |
-0, 00821 |
-0, 00817 |
-0, 00813 |
-0, 00813 |
|
60 |
-0, 00719 |
-0, 00718 |
-0, 00717 |
-0, 00715 |
-0, 00713 |
-0, 00711 |
-0, 00708 |
-0, 00705 |
-0, 00702 |
-0, 00702 |
|
70 |
-0, 00634 |
-0, 00634 |
-0, 00633 |
-0, 00631 |
-0, 00630 |
-0, 00628 |
-0, 00625 |
-0, 00622 |
-0, 00619 |
-0, 00619 |
|
80 |
-0, 00569 |
-0, 00569 |
-0, 00568 |
-0, 00567 |
-0, 00565 |
-0, 00563 |
-0, 00561 |
-0, 00558 |
-0, 00555 |
-0, 00555 |
|
90 |
-0, 00517 |
-0, 00517 |
-0, 00516 |
-0, 00515 |
-0, 00513 |
-0, 00512 |
-0, 00509 |
-0, 00507 |
-0, 00504 |
-0, 00504 |
|
100 |
-0, 00475 |
-0, 00475 |
-0, 00474 |
-0, 00473 |
-0, 00471 |
-0, 00470 |
-0, 00468 |
-0, 00465 |
-0, 00463 |
-0, 00463 |
|
120 |
-0, 00410 |
-0, 00410 |
-0, 00409 |
-0, 00408 |
-0, 00407 |
-0, 00405 |
-0, 00403 |
-0, 00401 |
-0, 00399 |
-0, 00399 |
|
140 |
-0, 00362 |
-0, 00362 |
-0, 00361 |
-0, 00360 |
-0, 00359 |
-0, 00358 |
-0, 00356 |
-0, 00354 |
-0, 00352 |
-0, 00352 |
|
160 |
-0, 00326 |
-0, 00325 |
-0, 00325 |
-0, 00324 |
-0, 00323 |
-0, 00321 |
-0, 00319 |
-0, 00318 |
-0, 00315 |
-0, 00315 |
|
180 |
-0, 00297 |
-0, 00296 |
-0, 00296 |
-0, 00295 |
-0, 00294 |
-0, 00292 |
-0, 00291 |
-0, 00289 |
-0, 00287 |
-0, 00287 |
|
200 |
-0, 00273 |
-0, 00273 |
-0, 00272 |
-0, 00271 |
-0, 00270 |
-0, 00269 |
-0, 00267 |
-0, 00265 |
-0, 00263 |
-0, 00263 |
Продолжение таблицы Г.21
|
Kse, МН/м3 |
Значения единичного прогиба Y̅, в расчетном сечении при колее колес | |||||||||
|
1, 1 |
1, 2 |
1, 3 |
1, 4 |
1, 5 |
1, 6 |
1, 7 |
1, 8 |
1, 9 |
2, 0 | |
|
40 |
-0, 00960 |
-0, 00953 |
-0, 00946 |
-0, 00939 |
-0, 00931 |
-0, 00923 |
-0, 00914 |
-0, 00905 |
-0, 00895 |
-0, 00885 |
|
50 |
-0, 00803 |
-0, 00798 |
-0, 00792 |
-0, 00786 |
-0, 00779 |
-0, 00772 |
-0, 00765 |
-0, 00757 |
-0, 00748 |
-0, 00740 |
|
60 |
-0, 00693 |
-0, 00689 |
-0, 00684 |
-0, 00678 |
-0, 00672 |
-0, 00666 |
-0, 00659 |
-0, 00653 |
-0, 00645 |
-0, 00638 |
|
70 |
-0, 00612 |
-0, 00607 |
-0, 00603 |
-0, 00598 |
-0, 00593 |
-0, 00587 |
-0, 00581 |
-0, 00575 |
-0, 00568 |
-0, 00562 |
|
80 |
-0, 00548 |
-0, 00544 |
-0, 00540 |
-0, 00536 |
-0, 00531 |
-0, 00526 |
-0, 00520 |
-0, 00515 |
-0, 00509 |
-0, 00503 |
|
90 |
-0, 00498 |
-0, 00494 |
-0, 00490 |
-0, 00486 |
-0, 00482 |
-0, 00477 |
-0, 00472 |
-0, 00467 |
-0, 00461 |
-0, 00455 |
|
100 |
-0, 00457 |
-0, 00453 |
-0, 00449 |
-0, 00446 |
-0, 00441 |
-0, 00437 |
-0, 00432 |
-0, 00427 |
-0, 00422 |
-0, 00417 |
|
120 |
-0, 00393 |
-0, 00390 |
-0, 00387 |
-0, 00383 |
-0, 00379 |
-0, 00375 |
-0, 00371 |
-0, 00367 |
-0, 00362 |
-0, 00357 |
|
140 |
-0, 00346 |
-0, 00343 |
-0, 00340 |
-0, 00337 |
-0, 00333 |
-0, 00330 |
-0, 00326 |
-0, 00322 |
-0, 00318 |
-0, 00313 |
|
160 |
-0, 00310 |
-0, 00308 |
-0, 00305 |
-0, 00302 |
-0, 00298 |
-0, 00295 |
-0, 00291 |
-0, 00287 |
-0, 00283 |
-0, 00279 |
|
180 |
-0, 00282 |
-0, 00279 |
-0, 00276 |
-0, 00273 |
-0, 00270 |
-0, 00267 |
-0, 00263 |
-0, 00260 |
-0, 00256 |
-0, 00252 |
|
200 |
-0, 00259 |
-0, 00256 |
-0, 00253 |
-0, 00250 |
-0, 00247 |
-0, 00244 |
-0, 00241 |
-0, 00238 |
-0, 00234 |
-0, 00230 |
Примечание - для промежуточных значений величину Y̅ следует принимать по интерполяции.
Таблица Г.22
|
Kse, МН/м3 |
Значения единичного момента M̅, в расчетном сечении при колее колес | |||||||||
|
0, 1 |
0, 2 |
0, 3 |
0, 4 |
0, 5 |
0, 6 |
0, 7 |
0, 8 |
0, 9 |
1 | |
|
40 |
1, 71720 |
1, 70900 |
1, 69550 |
1, 67640 |
1, 65170 |
1, 62180 |
1, 58600 |
1, 54460 |
1, 49780 |
1, 49780 |
|
50 |
1, 62600 |
1, 61820 |
1, 60530 |
1, 58690 |
1, 56340 |
1, 53470 |
1, 50030 |
1, 46080 |
1, 41580 |
1, 41580 |
|
60 |
1, 54540 |
1, 53800 |
1, 52550 |
1, 50780 |
1, 48540 |
1, 45770 |
1, 42470 |
1, 38680 |
1, 34330 |
1, 34330 |
|
70 |
1, 47370 |
1, 46660 |
1, 45460 |
1, 43760 |
1, 41600 |
1, 38920 |
1, 35750 |
1, 32090 |
1, 27880 |
1, 27880 |
|
80 |
1, 40950 |
1, 40270 |
1, 39110 |
1, 37470 |
1, 35380 |
1, 32790 |
1, 29740 |
1, 26180 |
1, 22110 |
1, 22110 |
|
90 |
1, 35170 |
1, 34520 |
1, 33390 |
1, 31810 |
1, 29780 |
1, 27260 |
1, 24320 |
1, 20860 |
1, 16930 |
1, 16930 |
|
100 |
1, 29940 |
1, 29300 |
1, 28210 |
1, 26680 |
1, 24710 |
1, 22270 |
1, 19400 |
1, 16040 |
1, 12230 |
1, 12230 |
|
120 |
1, 20830 |
1, 20230 |
1, 19190 |
1, 17750 |
1, 15880 |
1, 13580 |
1, 10850 |
1, 07660 |
1, 04040 |
1, 04040 |
|
140 |
1, 13160 |
1, 12600 |
1, 11600 |
1, 10240 |
1, 08440 |
1, 06260 |
1, 03640 |
1, 00610 |
0, 97137 |
0, 97137 |
|
160 |
1, 06630 |
1, 06080 |
1, 05130 |
1, 03820 |
1, 02100 |
1, 00010 |
0, 97491 |
0, 94593 |
0, 91240 |
0, 91240 |
|
180 |
1, 00980 |
1, 00460 |
0, 99542 |
0, 98285 |
0, 96628 |
0, 94615 |
0, 92187 |
0, 89388 |
0, 86142 |
0, 86142 |
|
200 |
0, 96062 |
0, 95556 |
0, 94671 |
0, 93452 |
0, 91854 |
0, 89902 |
0, 87559 |
0, 84840 |
0, 81705 |
0, 81705 |
Продолжение таблицы Г.22
|
Kse, МН/м3 |
Значения единичного момента M̅, в расчетном сечении при колее колес | |||||||||
|
1, 1 |
1, 2 |
1, 3 |
1, 4 |
1, 5 |
1, 6 |
1, 7 |
1, 8 |
1, 9 |
2, 0 | |
|
40 |
1, 40240 |
1, 35670 |
1, 31230 |
1, 26930 |
1, 22750 |
1, 18670 |
1, 14700 |
1, 10850 |
1, 07080 |
1, 03390 |
|
50 |
1, 32290 |
1, 27890 |
1, 23640 |
1, 19530 |
1, 15560 |
1, 11700 |
1, 07980 |
1, 04370 |
1, 00850 |
0, 97428 |
|
60 |
1, 25290 |
1, 21030 |
1, 16940 |
1, 13000 |
1, 09200 |
1, 05550 |
1, 02040 |
0, 98644 |
0, 95356 |
0, 92162 |
|
70 |
1, 19070 |
1, 14930 |
1, 10970 |
1, 07180 |
1, 03550 |
1, 00080 |
0, 96755 |
0, 93552 |
0, 90464 |
0, 87479 |
|
80 |
1, 13490 |
1, 09460 |
1, 05620 |
1, 01970 |
0, 98501 |
0, 95188 |
0, 92023 |
0, 88993 |
0, 86084 |
0, 83288 |
|
90 |
1, 08470 |
1, 04540 |
1, 00820 |
0, 97294 |
0, 93950 |
0, 90776 |
0, 87760 |
0, 84885 |
0, 82139 |
0, 79514 |
|
100 |
1, 03940 |
1, 00100 |
0, 96471 |
0, 93053 |
0, 89828 |
0, 86781 |
0, 83899 |
0, 81166 |
0, 78567 |
0, 76097 |
|
120 |
0, 96033 |
0, 92343 |
0, 88892 |
0, 85664 |
0, 82647 |
0, 79823 |
0, 77176 |
0, 74691 |
0, 72349 |
0, 70148 |
|
140 |
0, 89392 |
0, 85820 |
0, 82508 |
0, 79443 |
0, 76601 |
0, 73966 |
0, 71520 |
0, 69244 |
0, 67123 |
0, 65144 |
|
160 |
0, 83723 |
0, 80260 |
0, 77069 |
0, 74134 |
0, 71440 |
0, 68967 |
0, 66693 |
0, 64596 |
0, 62665 |
0, 60877 |
|
180 |
0, 78820 |
0, 75452 |
0, 72368 |
0, 69553 |
0, 66986 |
0, 64650 |
0, 62524 |
0, 60586 |
0, 58816 |
0, 57193 |
|
200 |
0, 74562 |
0, 71250 |
0, 68261 |
0, 65551 |
0, 63100 |
0, 60886 |
0, 58890 |
0, 57088 |
0, 55459 |
0, 53981 |
Примечание - для промежуточных значений величину M̅ следует принимать по интерполяции.
Таблица Г.23
|
Kse, МН/м3 |
Значения единичного момента M̅, в расчетном сечении при колее колес | |||||||||
|
0, 1 |
0, 2 |
0, 3 |
0, 4 |
0, 5 |
0, 6 |
0, 7 |
0, 8 |
0, 9 |
1 | |
|
40 |
1, 53970 |
1, 53380 |
1, 52390 |
1, 51000 |
1, 49210 |
1, 47020 |
1, 44430 |
1, 41430 |
1, 38010 |
1, 38010 |
|
50 |
1, 38960 |
1, 38390 |
1, 37440 |
1, 36110 |
1, 34390 |
1, 32280 |
1, 29790 |
1, 26910 |
1, 23620 |
1, 23620 |
|
60 |
1, 27580 |
1, 27020 |
1, 26100 |
1, 24800 |
1, 23140 |
1, 21090 |
1, 18670 |
1, 15870 |
1, 12680 |
1, 12680 |
|
70 |
1, 18640 |
1, 18090 |
1, 17190 |
1, 15920 |
1, 14290 |
1, 12290 |
1, 09920 |
1, 07180 |
1, 04070 |
1, 04070 |
|
80 |
1, 11420 |
1, 10880 |
1, 09990 |
1, 08750 |
1, 07140 |
1, 05180 |
1, 02850 |
1, 00160 |
0, 97094 |
0, 97094 |
|
90 |
1, 05460 |
1, 04930 |
1, 04050 |
1, 02820 |
1, 01240 |
0, 99300 |
0, 97003 |
0, 94345 |
0, 91324 |
0, 91324 |
|
100 |
1, 00450 |
0, 99929 |
0, 99060 |
0, 97843 |
0, 96275 |
0, 94356 |
0, 92083 |
0, 89453 |
0, 86463 |
0, 86463 |
|
120 |
0, 92487 |
0, 91973 |
0, 91117 |
0, 89917 |
0, 88372 |
0, 86480 |
0, 84240 |
0, 81650 |
0, 78707 |
0, 78707 |
|
140 |
0, 86416 |
0, 85907 |
0, 85058 |
0, 83869 |
0, 82338 |
0, 80464 |
0, 78245 |
0, 75681 |
0, 72767 |
0, 72767 |
|
160 |
0, 81615 |
0, 81108 |
0, 80264 |
0, 79082 |
0, 77560 |
0, 75697 |
0, 73493 |
0, 70945 |
0, 68051 |
0, 68051 |
|
180 |
0, 77708 |
0, 77203 |
0, 76362 |
0, 75184 |
0, 73668 |
0, 71813 |
0, 69618 |
0, 67081 |
0, 64201 |
0, 64201 |
|
200 |
0, 74454 |
0, 73951 |
0, 73112 |
0, 71936 |
0, 70424 |
0, 68574 |
0, 66385 |
0, 63857 |
0, 60986 |
0, 60986 |
Продолжение таблицы Г.23
|
Kse, МН/м3 |
Значения единичного момента M̅, в расчетном сечении при колее колес | |||||||||
|
1, 1 |
1, 2 |
1, 3 |
1, 4 |
1, 5 |
1, 6 |
1, 7 |
1, 8 |
1, 9 |
2, 0 | |
|
40 |
1, 30330 |
1, 26650 |
1, 23140 |
1, 19770 |
1, 16490 |
1, 13310 |
1, 10180 |
1, 07420 |
1, 04880 |
1, 02460 |
|
50 |
1, 16360 |
1, 12970 |
1, 09790 |
1, 06770 |
1, 03910 |
1, 01140 |
0, 98467 |
0, 95838 |
0, 93209 |
0, 90548 |
|
60 |
1, 05710 |
1, 02560 |
0, 99611 |
0, 96886 |
0, 94303 |
0, 91887 |
0, 89547 |
0, 87263 |
0, 85028 |
0, 82770 |
|
70 |
0, 97338 |
0, 94334 |
0, 91593 |
0, 89052 |
0, 86736 |
0, 84545 |
0, 82491 |
0, 80511 |
0, 78558 |
0, 76597 |
|
80 |
0, 90549 |
0, 87656 |
0, 85070 |
0, 82712 |
0, 80562 |
0, 78589 |
0, 76748 |
0, 74979 |
0, 73290 |
0, 71601 |
|
90 |
0, 84920 |
0, 82134 |
0, 79647 |
0, 77436 |
0, 75425 |
0, 73629 |
0, 71945 |
0, 70401 |
0, 68902 |
0, 67411 |
|
100 |
0, 80166 |
0, 77464 |
0, 75063 |
0, 72962 |
0, 71090 |
0, 69410 |
0, 67898 |
0, 66500 |
0, 65155 |
0, 63855 |
|
120 |
0, 72556 |
0, 69972 |
0, 67721 |
0, 65761 |
0, 64090 |
0, 62625 |
0, 61342 |
0, 60185 |
0, 59134 |
0, 58110 |
|
140 |
0, 66704 |
0, 64196 |
0, 62045 |
0, 60210 |
0, 58651 |
0, 57356 |
0, 56231 |
0, 55282 |
0, 54413 |
0, 53609 |
|
160 |
0, 62039 |
0, 59581 |
0, 57499 |
0, 55753 |
0, 54297 |
0, 53106 |
0, 52130 |
0, 51307 |
0, 50608 |
0, 49983 |
|
180 |
0, 58218 |
0, 55792 |
0, 53758 |
0, 52077 |
0, 50703 |
0, 49585 |
0, 48724 |
0, 48010 |
0, 47452 |
0, 46954 |
|
200 |
0, 55018 |
0, 52613 |
0, 50613 |
0, 48980 |
0, 47670 |
0, 46631 |
0, 45838 |
0, 45233 |
0, 44767 |
0, 44371 |
Примечание - для промежуточных значений величину M̅ следует принимать по интерполяции.
Таблица Г.24
|
Kse, МН/м3 |
Значения единичного момента M̅, в расчетном сечении при колее колес | |||||||||
|
0, 1 |
0, 2 |
0, 3 |
0, 4 |
0, 5 |
0, 6 |
0, 7 |
0, 8 |
0, 9 |
1 | |
|
40 |
1, 27640 |
1, 27020 |
1, 26100 |
1, 24810 |
1, 23100 |
1, 20970 |
1, 18470 |
1, 15670 |
1, 12440 |
1, 12440 |
|
50 |
1, 16490 |
1, 15870 |
1, 14960 |
1, 13670 |
1, 11970 |
1, 09860 |
1, 07390 |
1, 04600 |
1, 01400 |
1, 01400 |
|
60 |
1, 08480 |
1, 07860 |
1, 06960 |
1, 05670 |
1, 03980 |
1, 01870 |
0, 99411 |
0, 96635 |
0, 93442 |
0, 93442 |
|
70 |
1, 02390 |
1, 01770 |
1, 00880 |
0, 99595 |
0, 97900 |
0, 95792 |
0, 93348 |
0, 90575 |
0, 87387 |
0, 87387 |
|
80 |
0, 97576 |
0, 96957 |
0, 96063 |
0, 94781 |
0, 93087 |
0, 90979 |
0, 88544 |
0, 85772 |
0, 82586 |
0, 82586 |
|
90 |
0, 93639 |
0, 93020 |
0, 92129 |
0, 90847 |
0, 89152 |
0, 87044 |
0, 84618 |
0, 81846 |
0, 78661 |
0, 78661 |
|
100 |
0, 90341 |
0, 89722 |
0, 88833 |
0, 87551 |
0, 85855 |
0, 83747 |
0, 81328 |
0, 78556 |
0, 75371 |
0, 75371 |
|
120 |
0, 85069 |
0, 84449 |
0, 83565 |
0, 82283 |
0, 80587 |
0, 78479 |
0, 76074 |
0, 73302 |
0, 70118 |
0, 70118 |
|
140 |
0, 80980 |
0, 80361 |
0, 79481 |
0, 78200 |
0, 76505 |
0, 74398 |
0, 72006 |
0, 69237 |
0, 66055 |
0, 66055 |
|
160 |
0, 77666 |
0, 77048 |
0, 76172 |
0, 74893 |
0, 73202 |
0, 71098 |
0, 68718 |
0, 65954 |
0, 62777 |
0, 62777 |
|
180 |
0, 74893 |
0, 74275 |
0, 73405 |
0, 72128 |
0, 70440 |
0, 68341 |
0, 65974 |
0, 63216 |
0, 60046 |
0, 60046 |
|
200 |
0, 72514 |
0, 71898 |
0, 71032 |
0, 69759 |
0, 68076 |
0, 65983 |
0, 63628 |
0, 60877 |
0, 57715 |
0, 57715 |
Продолжение таблицы Г.24
|
Kse, МН/м3 |
Значения единичного момента M̅, в расчетном сечении при колее колес | |||||||||
|
1, 1 |
1, 2 |
1, 3 |
1, 4 |
1, 5 |
1, 6 |
1, 7 |
1, 8 |
1, 9 |
2, 0 | |
|
40 |
1, 05380 |
1, 02190 |
0, 99281 |
0, 96626 |
0, 94213 |
0, 92028 |
0, 90052 |
0, 88297 |
0, 86735 |
0, 85327 |
|
50 |
0, 94399 |
0, 91265 |
0, 88418 |
0, 85846 |
0, 83536 |
0, 81472 |
0, 79637 |
0, 78014 |
0, 76591 |
0, 75380 |
|
60 |
0, 86469 |
0, 83356 |
0, 80541 |
0, 78013 |
0, 75760 |
0, 73766 |
0, 72016 |
0, 70492 |
0, 69175 |
0, 68049 |
|
70 |
0, 80419 |
0, 77313 |
0, 74514 |
0, 72009 |
0, 69788 |
0, 67837 |
0, 66141 |
0, 64682 |
0, 63442 |
0, 62400 |
|
80 |
0, 75615 |
0, 72510 |
0, 69716 |
0, 67225 |
0, 65024 |
0, 63100 |
0, 61439 |
0, 60025 |
0, 58839 |
0, 57861 |
|
90 |
0, 71683 |
0, 68574 |
0, 65783 |
0, 63299 |
0, 61110 |
0, 59205 |
0, 57570 |
0, 56187 |
0, 55041 |
0, 54110 |
|
100 |
0, 68386 |
0, 65273 |
0, 62482 |
0, 60002 |
0, 57823 |
0, 55931 |
0, 54314 |
0, 52956 |
0, 51840 |
0, 50946 |
|
120 |
0, 63121 |
0, 60001 |
0, 57210 |
0, 54736 |
0, 52569 |
0, 50698 |
0, 49108 |
0, 47785 |
0, 46712 |
0, 45872 |
|
140 |
0, 59053 |
0, 55930 |
0, 53141 |
0, 50674 |
0, 48519 |
0, 46664 |
0, 45096 |
0, 43799 |
0, 42759 |
0, 41957 |
|
160 |
0, 55776 |
0, 52655 |
0, 49871 |
0, 47414 |
0, 45273 |
0, 43434 |
0, 41886 |
0, 40612 |
0, 39599 |
0, 38827 |
|
180 |
0, 53053 |
0, 49938 |
0, 47163 |
0, 44719 |
0, 42593 |
0, 40773 |
0, 39245 |
0, 37993 |
0, 37003 |
0, 36258 |
|
200 |
0, 50737 |
0, 47630 |
0, 44868 |
0, 42440 |
0, 40332 |
0, 38531 |
0, 37024 |
0, 35794 |
0, 34827 |
0, 34106 |
Примечание - для промежуточных значений величину M̅ следует принимать по интерполяции.
Таблица Г.25
|
Kse, МН/м3 |
Значения единичной поперечной силы Q̅, в расчетном сечении при колее колес | |||||||||
|
0, 1 |
0, 2 |
0, 3 |
0, 4 |
0, 5 |
0, 6 |
0, 7 |
0, 8 |
0, 9 |
1 | |
|
40 |
0, 89680 |
0, 89845 |
0, 90097 |
0, 90451 |
0, 90922 |
0, 91522 |
0, 92265 |
0, 93161 |
0, 94221 |
0, 94221 |
|
50 |
0, 87551 |
0, 87403 |
0, 87355 |
0, 87427 |
0, 87634 |
0, 87992 |
0, 88517 |
0, 89220 |
0, 90115 |
0, 90115 |
|
60 |
0, 85668 |
0, 85244 |
0, 84934 |
0, 84756 |
0, 84731 |
0, 84875 |
0, 85206 |
0, 85738 |
0, 86486 |
0, 86486 |
|
70 |
0, 83991 |
0, 83323 |
0, 82779 |
0, 82381 |
0, 82148 |
0, 82102 |
0, 82260 |
0, 82639 |
0, 83254 |
0, 83254 |
|
80 |
0, 82488 |
0, 81602 |
0, 80849 |
0, 80253 |
0, 79836 |
0, 79619 |
0, 79621 |
0, 79862 |
0, 80357 |
0, 80357 |
|
90 |
0, 81131 |
0, 80050 |
0, 79110 |
0, 78337 |
0, 77753 |
0, 77382 |
0, 77244 |
0, 77359 |
0, 77746 |
0, 77746 |
|
100 |
0, 79902 |
0, 78644 |
0, 77535 |
0, 76601 |
0, 75867 |
0, 75356 |
0, 75091 |
0, 75092 |
0, 75379 |
0, 75379 |
|
120 |
0, 77755 |
0, 76193 |
0, 74792 |
0, 73580 |
0, 72584 |
0, 71829 |
0, 71340 |
0, 71141 |
0, 71253 |
0, 71253 |
|
140 |
0, 75943 |
0, 74128 |
0, 72483 |
0, 71038 |
0, 69821 |
0, 68861 |
0, 68183 |
0, 67813 |
0, 67774 |
0, 67774 |
|
160 |
0, 74392 |
0, 72362 |
0, 70511 |
0, 68868 |
0, 67464 |
0, 66328 |
0, 65487 |
0, 64970 |
0, 64800 |
0, 64800 |
|
180 |
0, 73157 |
0, 70967 |
0, 68846 |
0, 66994 |
0, 65428 |
0, 64140 |
0, 63158 |
0, 62511 |
0, 62226 |
0, 62226 |
|
200 |
0, 72113 |
0, 69901 |
0, 67760 |
0, 65694 |
0, 63703 |
0, 62231 |
0, 61125 |
0, 60364 |
0, 59976 |
0, 59976 |
Продолжение таблицы Г.25
|
Kse, МН/м3 |
Значения единичной поперечной силы Q̅, в расчетном сечении при колее колес | |||||||||
|
1, 1 |
1, 2 |
1, 3 |
1, 4 |
1, 5 |
1, 6 |
1, 7 |
1, 8 |
1, 9 |
2, 0 | |
|
40 |
0, 96867 |
0, 98464 |
1, 00250 |
1, 02230 |
1, 04390 |
1, 06740 |
1, 09280 |
1, 11980 |
1, 14840 |
1, 17840 |
|
50 |
0, 92518 |
0, 94042 |
0, 95787 |
0, 97755 |
0, 99946 |
1, 02360 |
1, 04980 |
1, 07800 |
1, 10820 |
1, 14000 |
|
60 |
0, 88672 |
0, 90128 |
0, 91835 |
0, 93795 |
0, 96008 |
0, 98470 |
1, 01170 |
1, 04110 |
1, 07260 |
1, 10600 |
|
70 |
0, 85244 |
0, 86640 |
0, 88311 |
0, 90263 |
0, 92494 |
0, 95001 |
0, 97776 |
1, 00810 |
1, 04080 |
1, 07560 |
|
80 |
0, 82169 |
0, 83509 |
0, 85148 |
0, 87090 |
0, 89337 |
0, 91883 |
0, 94723 |
0, 97841 |
1, 01220 |
1, 04830 |
|
90 |
0, 79395 |
0, 80683 |
0, 82291 |
0, 84224 |
0, 86483 |
0, 89066 |
0, 91962 |
0, 95160 |
0, 98638 |
1, 02370 |
|
100 |
0, 76879 |
0, 78118 |
0, 79697 |
0, 81620 |
0, 83891 |
0, 86505 |
0, 89454 |
0, 92723 |
0, 96292 |
1, 00130 |
|
120 |
0, 72485 |
0, 73637 |
0, 75161 |
0, 77066 |
0, 79354 |
0, 82021 |
0, 85061 |
0, 88457 |
0, 92186 |
0, 96216 |
|
140 |
0, 68774 |
0, 69849 |
0, 71324 |
0, 73209 |
0, 75508 |
0, 78220 |
0, 81335 |
0, 84838 |
0, 88705 |
0, 92901 |
|
160 |
0, 65596 |
0, 66600 |
0, 68030 |
0, 69896 |
0, 72203 |
0, 74950 |
0, 78130 |
0, 81726 |
0, 85712 |
0, 90053 |
|
180 |
0, 62840 |
0, 63781 |
0, 65169 |
0, 67015 |
0, 69326 |
0, 72103 |
0, 75338 |
0, 79015 |
0, 83107 |
0, 87576 |
|
200 |
0, 60425 |
0, 61308 |
0, 62656 |
0, 64483 |
0, 66796 |
0, 69598 |
0, 72881 |
0, 76630 |
0, 80816 |
0, 85399 |
Примечание - для промежуточных значений величину Q̅ следует принимать по интерполяции.
Таблица Г.26
|
Kse, МН/м3 |
Значения единичной поперечной силы Q̅, в расчетном сечении при колее колес | |||||||||
|
0, 1 |
0, 2 |
0, 3 |
0, 4 |
0, 5 |
0, 6 |
0, 7 |
0, 8 |
0, 9 |
1 | |
|
40 |
0, 80851 |
0, 79297 |
0, 77767 |
0, 76262 |
0, 74785 |
0, 73336 |
0, 71916 |
0, 70526 |
0, 69166 |
0, 69166 |
|
50 |
0, 79363 |
0, 77757 |
0, 76178 |
0, 74629 |
0, 73111 |
0, 71626 |
0, 70174 |
0, 68756 |
0, 67374 |
0, 67374 |
|
60 |
0, 78194 |
0, 76538 |
0, 74913 |
0, 73321 |
0, 71763 |
0, 70242 |
0, 68759 |
0, 67314 |
0, 65908 |
0, 65908 |
|
70 |
0, 77241 |
0, 75538 |
0, 73868 |
0, 72235 |
0, 70639 |
0, 69083 |
0, 67569 |
0, 66097 |
0, 64669 |
0, 64669 |
|
80 |
0, 76442 |
0, 74693 |
0, 72981 |
0, 71307 |
0, 69675 |
0, 68086 |
0, 66542 |
0, 65044 |
0, 63593 |
0, 63593 |
|
90 |
0, 75756 |
0, 73964 |
0, 72210 |
0, 70499 |
0, 68831 |
0, 67210 |
0, 65637 |
0, 64114 |
0, 62642 |
0, 62642 |
|
100 |
0, 75156 |
0, 73322 |
0, 71529 |
0, 69781 |
0, 68080 |
0, 66428 |
0, 64828 |
0, 63280 |
0, 61787 |
0, 61787 |
|
120 |
0, 74143 |
0, 72231 |
0, 70364 |
0, 68547 |
0, 66782 |
0, 65073 |
0, 63421 |
0, 61828 |
0, 60296 |
0, 60296 |
|
140 |
0, 73306 |
0, 71322 |
0, 69387 |
0, 67506 |
0, 65683 |
0, 63921 |
0, 62222 |
0, 60587 |
0, 59019 |
0, 59019 |
|
160 |
0, 72589 |
0, 70538 |
0, 68541 |
0, 66602 |
0, 64725 |
0, 62914 |
0, 61172 |
0, 59499 |
0, 57899 |
0, 57899 |
|
180 |
0, 71960 |
0, 69846 |
0, 67791 |
0, 65798 |
0, 63872 |
0, 62017 |
0, 60234 |
0, 58527 |
0, 56897 |
0, 56897 |
|
200 |
0, 71395 |
0, 69224 |
0, 67115 |
0, 65072 |
0, 63101 |
0, 61204 |
0, 59386 |
0, 57647 |
0, 55990 |
0, 55990 |
Продолжение таблицы Г.26
|
Kse, МН/м3 |
Значения единичной поперечной силы Q̅, в расчетном сечении при колее колес | |||||||||
|
1, 1 |
1, 2 |
1, 3 |
1, 4 |
1, 5 |
1, 6 |
1, 7 |
1, 8 |
1, 9 |
2, 0 | |
|
40 |
0, 66570 |
0, 65814 |
0, 65214 |
0, 64777 |
0, 64513 |
0, 64428 |
0, 64530 |
0, 64827 |
0, 65325 |
0, 66029 |
|
50 |
0, 64716 |
0, 63441 |
0, 62202 |
0, 60998 |
0, 60207 |
0, 59988 |
0, 59969 |
0, 60159 |
0, 60564 |
0, 61192 |
|
60 |
0, 63218 |
0, 61933 |
0, 60689 |
0, 59484 |
0, 58320 |
0, 57194 |
0, 56480 |
0, 56580 |
0, 56908 |
0, 57470 |
|
70 |
0, 61945 |
0, 60650 |
0, 59399 |
0, 58192 |
0, 57030 |
0, 55910 |
0, 54833 |
0, 53797 |
0, 53998 |
0, 54503 |
|
80 |
0, 60836 |
0, 59530 |
0, 58273 |
0, 57063 |
0, 55901 |
0, 54786 |
0, 53718 |
0, 52693 |
0, 51713 |
0, 52071 |
|
90 |
0, 59852 |
0, 58536 |
0, 57271 |
0, 56058 |
0, 54896 |
0, 53785 |
0, 52723 |
0, 51710 |
0, 50743 |
0, 50035 |
|
100 |
0, 58966 |
0, 57639 |
0, 56367 |
0, 55151 |
0, 53989 |
0, 52881 |
0, 51825 |
0, 50821 |
0, 49866 |
0, 48960 |
|
120 |
0, 57416 |
0, 56069 |
0, 54784 |
0, 53560 |
0, 52397 |
0, 51294 |
0, 50249 |
0, 49262 |
0, 48329 |
0, 47450 |
|
140 |
0, 56085 |
0, 54720 |
0, 53423 |
0, 52193 |
0, 51029 |
0, 49930 |
0, 48895 |
0, 47922 |
0, 47009 |
0, 46154 |
|
160 |
0, 54916 |
0, 53534 |
0, 52226 |
0, 50990 |
0, 49825 |
0, 48731 |
0, 47704 |
0, 46745 |
0, 45850 |
0, 45017 |
|
180 |
0, 53870 |
0, 52474 |
0, 51156 |
0, 49915 |
0, 48750 |
0, 47660 |
0, 46642 |
0, 45695 |
0, 44817 |
0, 44004 |
|
200 |
0, 52923 |
0, 51515 |
0, 50188 |
0, 48943 |
0, 47779 |
0, 46693 |
0, 45683 |
0, 44749 |
0, 43885 |
0, 43092 |
Примечание - для промежуточных значений величину Q̅ следует принимать по интерполяции.
Таблица Г.27
|
Kse, МН/м3 |
Значения единичной поперечной силы Q̅, в расчетном сечении при колее колес | |||||||||
|
0, 1 |
0, 2 |
0, 3 |
0, 4 |
0, 5 |
0, 6 |
0, 7 |
0, 8 |
0, 9 |
1 | |
|
40 |
0, 79596 |
0, 77438 |
0, 75961 |
0, 74509 |
0, 73083 |
0, 71686 |
0, 70318 |
0, 68981 |
0, 67677 |
0, 67677 |
|
50 |
0, 78685 |
0, 76357 |
0, 74794 |
0, 73259 |
0, 71754 |
0, 70282 |
0, 68845 |
0, 67443 |
0, 66078 |
0, 66078 |
|
60 |
0, 77959 |
0, 75470 |
0, 73829 |
0, 72221 |
0, 70647 |
0, 69109 |
0, 67610 |
0, 66151 |
0, 64733 |
0, 64733 |
|
70 |
0, 77347 |
0, 74708 |
0, 73023 |
0, 71325 |
0, 69689 |
0, 68093 |
0, 66539 |
0, 65030 |
0, 63565 |
0, 63565 |
|
80 |
0, 76812 |
0, 74034 |
0, 72441 |
0, 70531 |
0, 68839 |
0, 67191 |
0, 65589 |
0, 64035 |
0, 62530 |
0, 62530 |
|
90 |
0, 76331 |
0, 73427 |
0, 71921 |
0, 69814 |
0, 68072 |
0, 66377 |
0, 64732 |
0, 63138 |
0, 61596 |
0, 61596 |
|
100 |
0, 75891 |
0, 72870 |
0, 71447 |
0, 69157 |
0, 67370 |
0, 65633 |
0, 63949 |
0, 62319 |
0, 60746 |
0, 60746 |
|
120 |
0, 75098 |
0, 71871 |
0, 70594 |
0, 67985 |
0, 66255 |
0, 64309 |
0, 62557 |
0, 60867 |
0, 59239 |
0, 59239 |
|
140 |
0, 74389 |
0, 70988 |
0, 69831 |
0, 66953 |
0, 65451 |
0, 63150 |
0, 61343 |
0, 59603 |
0, 57931 |
0, 57931 |
|
160 |
0, 73742 |
0, 70190 |
0, 69131 |
0, 66026 |
0, 64713 |
0, 62115 |
0, 60509 |
0, 58481 |
0, 56773 |
0, 56773 |
|
180 |
0, 73141 |
0, 69458 |
0, 68479 |
0, 65183 |
0, 64025 |
0, 61179 |
0, 59800 |
0, 57471 |
0, 55817 |
0, 55817 |
|
200 |
0, 72580 |
0, 68781 |
0, 67866 |
0, 64407 |
0, 63376 |
0, 60322 |
0, 59133 |
0, 56552 |
0, 55146 |
0, 55146 |
Продолжение таблицы Г.27
|
Kse, МН/м3 |
Значения единичной поперечной силы Q̅, в расчетном сечении при колее колес | |||||||||
|
1, 1 |
1, 2 |
1, 3 |
1, 4 |
1, 5 |
1, 6 |
1, 7 |
1, 8 |
1, 9 |
2, 0 | |
|
40 |
0, 65168 |
0, 63964 |
0, 62796 |
0, 61664 |
0, 60567 |
0, 59506 |
0, 58480 |
0, 57490 |
0, 56536 |
0, 55617 |
|
50 |
0, 63463 |
0, 62215 |
0, 61007 |
0, 59840 |
0, 58713 |
0, 57628 |
0, 56583 |
0, 55580 |
0, 54617 |
0, 53694 |
|
60 |
0, 62026 |
0, 60739 |
0, 59497 |
0, 58300 |
0, 57149 |
0, 56043 |
0, 54983 |
0, 53968 |
0, 52998 |
0, 52073 |
|
70 |
0, 60779 |
0, 59458 |
0, 58186 |
0, 56964 |
0, 55792 |
0, 54669 |
0, 53596 |
0, 52572 |
0, 51598 |
0, 50671 |
|
80 |
0, 59673 |
0, 58323 |
0, 57026 |
0, 55782 |
0, 54592 |
0, 53456 |
0, 52372 |
0, 51342 |
0, 50364 |
0, 49438 |
|
90 |
0, 58678 |
0, 57303 |
0, 55984 |
0, 54722 |
0, 53517 |
0, 52370 |
0, 51278 |
0, 50243 |
0, 49264 |
0, 48339 |
|
100 |
0, 57773 |
0, 56376 |
0, 55038 |
0, 53761 |
0, 52544 |
0, 51388 |
0, 50290 |
0, 49252 |
0, 48272 |
0, 47350 |
|
120 |
0, 56176 |
0, 54743 |
0, 53376 |
0, 52074 |
0, 50839 |
0, 49670 |
0, 48565 |
0, 47525 |
0, 46547 |
0, 45632 |
|
140 |
0, 54797 |
0, 53336 |
0, 51947 |
0, 50629 |
0, 49382 |
0, 48206 |
0, 47098 |
0, 46060 |
0, 45088 |
0, 44183 |
|
160 |
0, 53583 |
0, 52101 |
0, 50696 |
0, 49367 |
0, 48113 |
0, 46934 |
0, 45828 |
0, 44794 |
0, 43831 |
0, 42937 |
|
180 |
0, 52498 |
0, 51002 |
0, 49585 |
0, 48249 |
0, 46992 |
0, 45813 |
0, 44711 |
0, 43684 |
0, 42731 |
0, 41850 |
|
200 |
0, 51519 |
0, 50011 |
0, 48587 |
0, 47246 |
0, 45989 |
0, 44813 |
0, 43717 |
0, 42699 |
0, 41758 |
0, 40890 |
Примечание - для промежуточных значений величину Q̅ следует принимать по интерполяции.
Таблица Г.28
|
Kse, МН/м3 |
Значение единичного прогиба, Y̅ |
Значение единичного изгибающего момента, M̅ |
Значение единичной поперечной силы, Q̅ |
|
Длина обоймы омоноличивания 5 м | |||
|
40 |
-0, 01909 |
-0, 37249 |
0, 40013 |
|
50 |
-0, 01542 |
-0, 36708 |
0, 39647 |
|
60 |
-0, 01297 |
-0, 36184 |
0, 39293 |
|
70 |
-0, 01122 |
-0, 35676 |
0, 38949 |
|
80 |
-0, 00990 |
-0, 35184 |
0, 38616 |
|
90 |
-0, 00888 |
-0, 34706 |
0, 38293 |
|
100 |
-0, 00805 |
-0, 34243 |
0, 37978 |
|
120 |
-0, 00681 |
-0, 33355 |
0, 37377 |
|
140 |
-0, 00592 |
-0, 32516 |
0, 36808 |
|
160 |
-0, 00525 |
-0, 31723 |
0, 36269 |
|
180 |
-0, 00473 |
-0, 30971 |
0, 35758 |
|
200 |
-0, 00431 |
-0, 30258 |
0, 35272 |
|
Длина обоймы омоноличивания 7, 5 м | |||
|
40 |
-0, 01587 |
-0, 58470 |
0, 44132 |
|
50 |
-0, 01313 |
-0, 55566 |
0, 42758 |
|
60 |
-0, 01126 |
-0, 52982 |
0, 41530 |
|
70 |
-0, 00990 |
-0, 50668 |
0, 40424 |
|
80 |
-0, 00886 |
-0, 48580 |
0, 39422 |
|
90 |
-0, 00804 |
-0, 46687 |
0, 38508 |
|
100 |
-0, 00737 |
-0, 45178 |
0, 37670 |
|
120 |
-0, 00635 |
-0, 42521 |
0, 36185 |
|
140 |
-0, 00559 |
-0, 40244 |
0, 34904 |
|
160 |
-0, 00501 |
-0, 38265 |
0, 33785 |
|
180 |
-0, 00454 |
-0, 36526 |
0, 32796 |
|
200 |
-0, 00417 |
-0, 34981 |
0, 31913 |
|
Длина обоймы омоноличивания 10 м | |||
|
40 |
-0, 01541 |
-0, 63909 |
0, 50907 |
|
50 |
-0, 01288 |
-0, 58909 |
0, 49113 |
|
60 |
-0, 01112 |
-0, 55436 |
0, 47616 |
|
70 |
-0, 00982 |
-0, 52566 |
0, 46337 |
|
80 |
-0, 00882 |
-0, 50098 |
0, 45224 |
|
90 |
-0, 00801 |
-0, 47944 |
0, 44241 |
|
100 |
-0, 00735 |
-0, 46038 |
0, 43362 |
|
120 |
-0, 00634 |
-0, 42797 |
0, 41844 |
|
140 |
-0, 00559 |
-0, 40122 |
0, 40566 |
|
160 |
-0, 00501 |
-0, 37857 |
0, 39465 |
|
180 |
-0, 00454 |
-0, 36174 |
0, 38500 |
|
200 |
-0, 00416 |
-0, 34782 |
0, 37642 |
Примечание - для промежуточных значений длины обоймы омоноличивания и Kse величины Y̅, M̅ и Q̅ следует принимать по интерполяции.
Таблица Г.29
|
Kse, МН/м3 |
Значение единичного прогиба, Y̅ |
Значение единичного изгибающего момента, M̅ |
Значение единичной поперечной силы, Q̅ |
|
Длина обоймы омоноличивания 5 м | |||
|
40 |
-0, 00590 |
0, 47285 |
0, 39086 |
|
50 |
-0, 00481 |
0, 46661 |
0, 38875 |
|
60 |
-0, 00409 |
0, 46057 |
0, 38671 |
|
70 |
-0, 00357 |
0, 45471 |
0, 38472 |
|
80 |
-0, 00318 |
0, 44903 |
0, 38280 |
|
90 |
-0, 00287 |
0, 44353 |
0, 38093 |
|
100 |
-0, 00263 |
0, 43818 |
0, 37912 |
|
120 |
-0, 00226 |
0, 42796 |
0, 37564 |
|
140 |
-0, 00199 |
0, 41831 |
0, 37235 |
|
160 |
-0, 00178 |
0, 40918 |
0, 36923 |
|
180 |
-0, 00162 |
0, 40054 |
0, 36627 |
|
200 |
-0, 00149 |
0, 39234 |
0, 36345 |
|
Длина обоймы омоноличивания 7, 5 м | |||
|
40 |
-0, 00504 |
0, 64480 |
0, 40244 |
|
50 |
-0, 00424 |
0, 61568 |
0, 39755 |
|
60 |
-0, 00369 |
0, 58990 |
0, 39319 |
|
70 |
-0, 00328 |
0, 56691 |
0, 38926 |
|
80 |
-0, 00296 |
0, 54627 |
0, 38570 |
|
90 |
-0, 00271 |
0, 52764 |
0, 38246 |
|
100 |
-0, 00250 |
0, 51074 |
0, 37948 |
|
120 |
-0, 00218 |
0, 48121 |
0, 37421 |
|
140 |
-0, 00194 |
0, 45626 |
0, 36966 |
|
160 |
-0, 00175 |
0, 43488 |
0, 36567 |
|
180 |
-0, 00160 |
0, 41634 |
0, 36214 |
|
200 |
-0, 00147 |
0, 40009 |
0, 35896 |
|
Длина обоймы омоноличивания 10 м | |||
|
40 |
-0, 00500 |
0, 66743 |
0, 40779 |
|
50 |
-0, 00422 |
0, 61904 |
0, 40285 |
|
60 |
-0, 00366 |
0, 58049 |
0, 39876 |
|
70 |
-0, 00325 |
0, 54899 |
0, 39528 |
|
80 |
-0, 00293 |
0, 52272 |
0, 39226 |
|
90 |
-0, 00267 |
0, 50043 |
0, 38958 |
|
100 |
-0, 00246 |
0, 48125 |
0, 38717 |
|
120 |
-0, 00212 |
0, 44981 |
0, 38299 |
|
140 |
-0, 00188 |
0, 42501 |
0, 37940 |
|
160 |
-0, 00169 |
0, 40483 |
0, 37625 |
|
180 |
-0, 00154 |
0, 38800 |
0, 37343 |
|
200 |
-0, 00141 |
0, 37369 |
0, 37085 |
Примечание - для промежуточных значений длины обоймы омоноличивания и Kse величины Y̅, M̅ и Q̅ следует принимать по интерполяции.
Таблица Г.30
|
Kse, МН/м3 |
Значение единичного прогиба, Y̅ |
Значение единичного изгибающего момента, M̅ |
Значение единичной поперечной силы, Q̅ |
|
Длина обоймы омоноличивания 5 м | |||
|
40 |
-0, 00285 |
0, 86001 |
0, 44793 |
|
50 |
-0, 00268 |
0, 81435 |
0, 43891 |
|
60 |
-0, 00252 |
0, 77402 |
0, 43093 |
|
70 |
-0, 00239 |
0, 73814 |
0, 42381 |
|
80 |
-0, 00226 |
0, 70601 |
0, 41742 |
|
90 |
-0, 00215 |
0, 67708 |
0, 41164 |
|
100 |
-0, 00205 |
0, 65088 |
0, 40640 |
|
120 |
-0, 00188 |
0, 60526 |
0, 39724 |
|
140 |
-0, 00173 |
0, 56690 |
0, 38949 |
|
160 |
-0, 00161 |
0, 53416 |
0, 38284 |
|
180 |
-0, 00150 |
0, 50591 |
0, 37705 |
|
200 |
-0, 00141 |
0, 48127 |
0, 37197 |
|
Длина обоймы омоноличивания 7, 5 м | |||
|
40 |
-0, 00477 |
0, 77086 |
0, 40785 |
|
50 |
-0, 00413 |
0, 69577 |
0, 40033 |
|
60 |
-0, 00365 |
0, 63882 |
0, 39448 |
|
70 |
-0, 00327 |
0, 59408 |
0, 38975 |
|
80 |
-0, 00296 |
0, 55796 |
0, 38581 |
|
90 |
-0, 00271 |
0, 52816 |
0, 38246 |
|
100 |
-0, 00250 |
0, 50312 |
0, 37955 |
|
120 |
-0, 00217 |
0, 46329 |
0, 37468 |
|
140 |
-0, 00192 |
0, 43293 |
0, 37069 |
|
160 |
-0, 00173 |
0, 40892 |
0, 36732 |
|
180 |
-0, 00157 |
0, 38938 |
0, 36437 |
|
200 |
-0, 00144 |
0, 37311 |
0, 36174 |
|
Длина обоймы омоноличивания 10 м | |||
|
40 |
-0, 00497 |
0, 63926 |
0, 40830 |
|
50 |
-0, 00416 |
0, 58347 |
0, 40407 |
|
60 |
-0, 00359 |
0, 54341 |
0, 40066 |
|
70 |
-0, 00317 |
0, 51299 |
0, 39776 |
|
80 |
-0, 00285 |
0, 48891 |
0, 39521 |
|
90 |
-0, 00259 |
0, 46923 |
0, 39291 |
|
100 |
-0, 00238 |
0, 45274 |
0, 39081 |
|
120 |
-0, 00205 |
0, 42638 |
0, 38701 |
|
140 |
-0, 00181 |
0, 40593 |
0, 38363 |
|
160 |
-0, 00163 |
0, 38936 |
0, 38055 |
|
180 |
-0, 00148 |
0, 37549 |
0, 37771 |
|
200 |
-0, 00137 |
0, 36359 |
0, 37505 |
Примечание - для промежуточных значений длины обоймы омоноличивания и Kse величины Y̅, M̅ и Q̅ следует принимать по интерполяции.
Таблица Г.31
|
Kse, МН/м3 |
Значения единичного прогиба Y̅, в расчетном сечении при колее колес | |||||||||
|
0, 1 |
0, 2 |
0, 3 |
0, 4 |
0, 5 |
0, 6 |
0, 7 |
0, 8 |
0, 9 |
1 | |
|
40 |
-0, 03001 |
-0, 02938 |
-0, 02876 |
-0, 02814 |
-0, 02753 |
-0, 02692 |
-0, 02633 |
-0, 02573 |
-0, 02515 |
-0, 02515 |
|
50 |
-0, 02419 |
-0, 02366 |
-0, 02315 |
-0, 02264 |
-0, 02213 |
-0, 02163 |
-0, 02114 |
-0, 02065 |
-0, 02017 |
-0, 02017 |
|
60 |
-0, 02030 |
-0, 01985 |
-0, 01940 |
-0, 01896 |
-0, 01853 |
-0, 01810 |
-0, 01768 |
-0, 01726 |
-0, 01685 |
-0, 01685 |
|
70 |
-0, 01752 |
-0, 01712 |
-0, 01673 |
-0, 01634 |
-0, 01595 |
-0, 01557 |
-0, 01520 |
-0, 01484 |
-0, 01448 |
-0, 01448 |
|
80 |
-0, 01544 |
-0, 01508 |
-0, 01472 |
-0, 01437 |
-0, 01402 |
-0, 01368 |
-0, 01335 |
-0, 01302 |
-0, 01270 |
-0, 01270 |
|
90 |
-0, 01381 |
-0, 01348 |
-0, 01315 |
-0, 01283 |
-0, 01252 |
-0, 01221 |
-0, 01190 |
-0, 01160 |
-0, 01131 |
-0, 01131 |
|
100 |
-0, 01251 |
-0, 01220 |
-0, 01190 |
-0, 01160 |
-0, 01131 |
-0, 01102 |
-0, 01074 |
-0, 01047 |
-0, 01020 |
-0, 01020 |
|
120 |
-0, 01055 |
-0, 01028 |
-0, 01002 |
-0, 00976 |
-0, 00950 |
-0, 00925 |
-0, 00901 |
-0, 00877 |
-0, 00854 |
-0, 00854 |
|
140 |
-0, 00915 |
-0, 00891 |
-0, 00867 |
-0, 00843 |
-0, 00820 |
-0, 00798 |
-0, 00776 |
-0, 00755 |
-0, 00734 |
-0, 00734 |
|
160 |
-0, 00809 |
-0, 00787 |
-0, 00765 |
-0, 00744 |
-0, 00723 |
-0, 00702 |
-0, 00683 |
-0, 00663 |
-0, 00645 |
-0, 00645 |
|
180 |
-0, 00727 |
-0, 00706 |
-0, 00686 |
-0, 00666 |
-0, 00647 |
-0, 00628 |
-0, 00610 |
-0, 00592 |
-0, 00575 |
-0, 00575 |
|
200 |
-0, 00661 |
-0, 00641 |
-0, 00622 |
-0, 00604 |
-0, 00586 |
-0, 00568 |
-0, 00551 |
-0, 00535 |
-0, 00519 |
-0, 00519 |
Продолжение таблицы Г.31
|
Kse, МН/м3 |
Значения единичного прогиба Y̅, в расчетном сечении при колее колес | |||||||||
|
1, 1 |
1, 2 |
1, 3 |
1, 4 |
1, 5 |
1, 6 |
1, 7 |
1, 8 |
1, 9 |
2, 0 | |
|
40 |
-0, 02399 |
-0, 02343 |
-0, 02287 |
-0, 02232 |
-0, 02177 |
-0, 02123 |
-0, 02070 |
-0, 02018 |
-0, 01966 |
-0, 01914 |
|
50 |
-0, 01923 |
-0, 01877 |
-0, 01831 |
-0, 01787 |
-0, 01742 |
-0, 01699 |
-0, 01656 |
-0, 01614 |
-0, 01573 |
-0, 01532 |
|
60 |
-0, 01605 |
-0, 01566 |
-0, 01527 |
-0, 01490 |
-0, 01453 |
-0, 01416 |
-0, 01380 |
-0, 01345 |
-0, 01311 |
-0, 01277 |
|
70 |
-0, 01378 |
-0, 01344 |
-0, 01310 |
-0, 01278 |
-0, 01245 |
-0, 01214 |
-0, 01183 |
-0, 01153 |
-0, 01124 |
-0, 01095 |
|
80 |
-0, 01207 |
-0, 01177 |
-0, 01147 |
-0, 01118 |
-0, 01090 |
-0, 01063 |
-0, 01035 |
-0, 01009 |
-0, 00983 |
-0, 00958 |
|
90 |
-0, 01075 |
-0, 01047 |
-0, 01021 |
-0, 00995 |
-0, 00969 |
-0, 00945 |
-0, 00920 |
-0, 00897 |
-0, 00874 |
-0, 00852 |
|
100 |
-0, 00968 |
-0, 00943 |
-0, 00919 |
-0, 00896 |
-0, 00873 |
-0, 00850 |
-0, 00829 |
-0, 00807 |
-0, 00787 |
-0, 00767 |
|
120 |
-0, 00809 |
-0, 00788 |
-0, 00767 |
-0, 00747 |
-0, 00728 |
-0, 00709 |
-0, 00691 |
-0, 00673 |
-0, 00656 |
-0, 00639 |
|
140 |
-0, 00695 |
-0, 00676 |
-0, 00658 |
-0, 00641 |
-0, 00624 |
-0, 00608 |
-0, 00592 |
-0, 00577 |
-0, 00562 |
-0, 00548 |
|
160 |
-0, 00610 |
-0, 00593 |
-0, 00577 |
-0, 00561 |
-0, 00546 |
-0, 00532 |
-0, 00518 |
-0, 00505 |
-0, 00492 |
-0, 00480 |
|
180 |
-0, 00543 |
-0, 00528 |
-0, 00513 |
-0, 00499 |
-0, 00486 |
-0, 00473 |
-0, 00461 |
-0, 00449 |
-0, 00438 |
-0, 00427 |
|
200 |
-0, 00490 |
-0, 00476 |
-0, 00462 |
-0, 00450 |
-0, 00437 |
-0, 00426 |
-0, 00415 |
-0, 00404 |
-0, 00394 |
-0, 00384 |
Примечание - для промежуточных значений величину Y̅ следует принимать по интерполяции.
Таблица Г.32
|
Kse, МН/м3 |
Значения единичного прогиба Y̅, в расчетном сечении при колее колес | |||||||||
|
0, 1 |
0, 2 |
0, 3 |
0, 4 |
0, 5 |
0, 6 |
0, 7 |
0, 8 |
0, 9 |
1 | |
|
40 |
-0, 02447 |
-0, 02402 |
-0, 02357 |
-0, 02313 |
-0, 02269 |
-0, 02226 |
-0, 02183 |
-0, 02142 |
-0, 02101 |
-0, 02101 |
|
50 |
-0, 02016 |
-0, 01976 |
-0, 01937 |
-0, 01898 |
-0, 01860 |
-0, 01822 |
-0, 01785 |
-0, 01749 |
-0, 01713 |
-0, 01713 |
|
60 |
-0, 01724 |
-0, 01688 |
-0, 01653 |
-0, 01618 |
-0, 01583 |
-0, 01549 |
-0, 01516 |
-0, 01484 |
-0, 01452 |
-0, 01452 |
|
70 |
-0, 01513 |
-0, 01480 |
-0, 01447 |
-0, 01415 |
-0, 01383 |
-0, 01352 |
-0, 01322 |
-0, 01293 |
-0, 01264 |
-0, 01264 |
|
80 |
-0, 01352 |
-0, 01321 |
-0, 01290 |
-0, 01261 |
-0, 01231 |
-0, 01203 |
-0, 01175 |
-0, 01148 |
-0, 01121 |
-0, 01121 |
|
90 |
-0, 01224 |
-0, 01195 |
-0, 01167 |
-0, 01139 |
-0, 01112 |
-0, 01085 |
-0, 01059 |
-0, 01034 |
-0, 01009 |
-0, 01009 |
|
100 |
-0, 01121 |
-0, 01094 |
-0, 01067 |
-0, 01041 |
-0, 01015 |
-0, 00990 |
-0, 00965 |
-0, 00941 |
-0, 00918 |
-0, 00918 |
|
120 |
-0, 00963 |
-0, 00938 |
-0, 00914 |
-0, 00890 |
-0, 00867 |
-0, 00844 |
-0, 00822 |
-0, 00801 |
-0, 00780 |
-0, 00780 |
|
140 |
-0, 00847 |
-0, 00824 |
-0, 00802 |
-0, 00780 |
-0, 00759 |
-0, 00738 |
-0, 00718 |
-0, 00698 |
-0, 00680 |
-0, 00680 |
|
160 |
-0, 00758 |
-0, 00737 |
-0, 00716 |
-0, 00696 |
-0, 00676 |
-0, 00657 |
-0, 00638 |
-0, 00620 |
-0, 00603 |
-0, 00603 |
|
180 |
-0, 00688 |
-0, 00668 |
-0, 00648 |
-0, 00629 |
-0, 00611 |
-0, 00593 |
-0, 00575 |
-0, 00559 |
-0, 00543 |
-0, 00543 |
|
200 |
-0, 00630 |
-0, 00611 |
-0, 00593 |
-0, 00575 |
-0, 00557 |
-0, 00540 |
-0, 00524 |
-0, 00508 |
-0, 00493 |
-0, 00493 |
Продолжение таблицы Г.32
|
Kse, МН/м3 |
Значения единичного прогиба Y̅, в расчетном сечении при колее колес | |||||||||
|
1, 1 |
1, 2 |
1, 3 |
1, 4 |
1, 5 |
1, 6 |
1, 7 |
1, 8 |
1, 9 |
2, 0 | |
|
40 |
-0, 02021 |
-0, 01983 |
-0, 01946 |
-0, 01909 |
-0, 01873 |
-0, 01838 |
-0, 01804 |
-0, 01771 |
-0, 01739 |
-0, 01708 |
|
50 |
-0, 01645 |
-0, 01612 |
-0, 01580 |
-0, 01548 |
-0, 01518 |
-0, 01488 |
-0, 01460 |
-0, 01432 |
-0, 01405 |
-0, 01379 |
|
60 |
-0, 01391 |
-0, 01362 |
-0, 01334 |
-0, 01306 |
-0, 01279 |
-0, 01254 |
-0, 01228 |
-0, 01204 |
-0, 01181 |
-0, 01158 |
|
70 |
-0, 01209 |
-0, 01182 |
-0, 01157 |
-0, 01132 |
-0, 01108 |
-0, 01085 |
-0, 01062 |
-0, 01041 |
-0, 01020 |
-0, 01000 |
|
80 |
-0, 01070 |
-0, 01046 |
-0, 01023 |
-0, 01000 |
-0, 00978 |
-0, 00957 |
-0, 00937 |
-0, 00917 |
-0, 00899 |
-0, 00881 |
|
90 |
-0, 00962 |
-0, 00939 |
-0, 00918 |
-0, 00897 |
-0, 00877 |
-0, 00857 |
-0, 00839 |
-0, 00821 |
-0, 00804 |
-0, 00788 |
|
100 |
-0, 00874 |
-0, 00853 |
-0, 00833 |
-0, 00813 |
-0, 00795 |
-0, 00777 |
-0, 00760 |
-0, 00743 |
-0, 00728 |
-0, 00713 |
|
120 |
-0, 00741 |
-0, 00722 |
-0, 00704 |
-0, 00687 |
-0, 00671 |
-0, 00655 |
-0, 00640 |
-0, 00626 |
-0, 00612 |
-0, 00600 |
|
140 |
-0, 00644 |
-0, 00627 |
-0, 00611 |
-0, 00596 |
-0, 00581 |
-0, 00567 |
-0, 00554 |
-0, 00541 |
-0, 00529 |
-0, 00518 |
|
160 |
-0, 00570 |
-0, 00555 |
-0, 00540 |
-0, 00526 |
-0, 00513 |
-0, 00501 |
-0, 00489 |
-0, 00477 |
-0, 00467 |
-0, 00457 |
|
180 |
-0, 00512 |
-0, 00498 |
-0, 00485 |
-0, 00472 |
-0, 00460 |
-0, 00448 |
-0, 00437 |
-0, 00427 |
-0, 00417 |
-0, 00408 |
|
200 |
-0, 00465 |
-0, 00452 |
-0, 00440 |
-0, 00428 |
-0, 00416 |
-0, 00406 |
-0, 00396 |
-0, 00386 |
-0, 00378 |
-0, 00369 |
Примечание - для промежуточных значений величину Y̅ следует принимать по интерполяции.
Таблица Г.33
|
Kse, МН/м3 |
Значения единичного прогиба Y̅, в расчетном сечении при колее колес | |||||||||
|
0, 1 |
0, 2 |
0, 3 |
0, 4 |
0, 5 |
0, 6 |
0, 7 |
0, 8 |
0, 9 |
1 | |
|
40 |
-0, 02345 |
-0, 02301 |
-0, 02257 |
-0, 02214 |
-0, 02171 |
-0, 02129 |
-0, 02088 |
-0, 02048 |
-0, 02008 |
-0, 02008 |
|
50 |
-0, 01957 |
-0, 01918 |
-0, 01879 |
-0, 01841 |
-0, 01803 |
-0, 01766 |
-0, 01729 |
-0, 01694 |
-0, 01659 |
-0, 01659 |
|
60 |
-0, 01689 |
-0, 01653 |
-0, 01618 |
-0, 01583 |
-0, 01549 |
-0, 01515 |
-0, 01482 |
-0, 01450 |
-0, 01419 |
-0, 01419 |
|
70 |
-0, 01491 |
-0, 01457 |
-0, 01425 |
-0, 01393 |
-0, 01361 |
-0, 01331 |
-0, 01300 |
-0, 01271 |
-0, 01242 |
-0, 01242 |
|
80 |
-0, 01337 |
-0, 01307 |
-0, 01276 |
-0, 01246 |
-0, 01217 |
-0, 01189 |
-0, 01161 |
-0, 01133 |
-0, 01107 |
-0, 01107 |
|
90 |
-0, 01215 |
-0, 01186 |
-0, 01158 |
-0, 01130 |
-0, 01102 |
-0, 01076 |
-0, 01049 |
-0, 01024 |
-0, 00999 |
-0, 00999 |
|
100 |
-0, 01115 |
-0, 01088 |
-0, 01061 |
-0, 01034 |
-0, 01008 |
-0, 00983 |
-0, 00959 |
-0, 00935 |
-0, 00912 |
-0, 00912 |
|
120 |
-0, 00960 |
-0, 00935 |
-0, 00911 |
-0, 00887 |
-0, 00864 |
-0, 00841 |
-0, 00819 |
-0, 00798 |
-0, 00777 |
-0, 00777 |
|
140 |
-0, 00846 |
-0, 00823 |
-0, 00801 |
-0, 00779 |
-0, 00757 |
-0, 00737 |
-0, 00717 |
-0, 00697 |
-0, 00678 |
-0, 00678 |
|
160 |
-0, 00758 |
-0, 00736 |
-0, 00716 |
-0, 00695 |
-0, 00675 |
-0, 00656 |
-0, 00638 |
-0, 00620 |
-0, 00602 |
-0, 00602 |
|
180 |
-0, 00687 |
-0, 00667 |
-0, 00648 |
-0, 00629 |
-0, 00610 |
-0, 00592 |
-0, 00575 |
-0, 00558 |
-0, 00542 |
-0, 00542 |
|
200 |
-0, 00630 |
-0, 00611 |
-0, 00592 |
-0, 00574 |
-0, 00557 |
-0, 00540 |
-0, 00524 |
-0, 00508 |
-0, 00493 |
-0, 00493 |
Продолжение таблицы Г.33
|
Kse, МН/м3 |
Значения единичного прогиба Y̅, в расчетном сечении при колее колес | |||||||||
|
1, 1 |
1, 2 |
1, 3 |
1, 4 |
1, 5 |
1, 6 |
1, 7 |
1, 8 |
1, 9 |
2, 0 | |
|
40 |
-0, 01931 |
-0, 01894 |
-0, 01858 |
-0, 01823 |
-0, 01789 |
-0, 01755 |
-0, 01723 |
-0, 01692 |
-0, 01661 |
-0, 01632 |
|
50 |
-0, 01592 |
-0, 01559 |
-0, 01528 |
-0, 01497 |
-0, 01467 |
-0, 01439 |
-0, 01411 |
-0, 01384 |
-0, 01358 |
-0, 01332 |
|
60 |
-0, 01358 |
-0, 01329 |
-0, 01301 |
-0, 01274 |
-0, 01248 |
-0, 01222 |
-0, 01197 |
-0, 01174 |
-0, 01151 |
-0, 01129 |
|
70 |
-0, 01187 |
-0, 01161 |
-0, 01136 |
-0, 01111 |
-0, 01087 |
-0, 01064 |
-0, 01042 |
-0, 01021 |
-0, 01000 |
-0, 00980 |
|
80 |
-0, 01056 |
-0, 01032 |
-0, 01009 |
-0, 00986 |
-0, 00964 |
-0, 00943 |
-0, 00923 |
-0, 00904 |
-0, 00885 |
-0, 00867 |
|
90 |
-0, 00952 |
-0, 00930 |
-0, 00908 |
-0, 00887 |
-0, 00867 |
-0, 00848 |
-0, 00829 |
-0, 00812 |
-0, 00795 |
-0, 00778 |
|
100 |
-0, 00868 |
-0, 00847 |
-0, 00826 |
-0, 00807 |
-0, 00788 |
-0, 00770 |
-0, 00753 |
-0, 00737 |
-0, 00721 |
-0, 00706 |
|
120 |
-0, 00738 |
-0, 00719 |
-0, 00701 |
-0, 00684 |
-0, 00668 |
-0, 00652 |
-0, 00637 |
-0, 00623 |
-0, 00609 |
-0, 00597 |
|
140 |
-0, 00643 |
-0, 00626 |
-0, 00610 |
-0, 00594 |
-0, 00580 |
-0, 00566 |
-0, 00553 |
-0, 00540 |
-0, 00528 |
-0, 00517 |
|
160 |
-0, 00570 |
-0, 00554 |
-0, 00540 |
-0, 00526 |
-0, 00513 |
-0, 00500 |
-0, 00488 |
-0, 00477 |
-0, 00466 |
-0, 00456 |
|
180 |
-0, 00512 |
-0, 00498 |
-0, 00484 |
-0, 00472 |
-0, 00460 |
-0, 00448 |
-0, 00437 |
-0, 00427 |
-0, 00417 |
-0, 00408 |
|
200 |
-0, 00465 |
-0, 00452 |
-0, 00440 |
-0, 00428 |
-0, 00417 |
-0, 00406 |
-0, 00396 |
-0, 00387 |
-0, 00378 |
-0, 00370 |
Примечание - для промежуточных значений величину Y̅ следует принимать по интерполяции.
Таблица Г.34
|
Kse, МН/м3 |
Значения единичного момента M̅, в расчетном сечении при колее колес | |||||||||
|
0, 1 |
0, 2 |
0, 3 |
0, 4 |
0, 5 |
0, 6 |
0, 7 |
0, 8 |
0, 9 |
1 | |
|
40 |
-0, 69583 |
-0, 63873 |
-0, 58339 |
-0, 52986 |
-0, 47823 |
-0, 42859 |
-0, 38111 |
-0, 33583 |
-0, 29284 |
-0, 29284 |
|
50 |
-0, 68730 |
-0, 63091 |
-0, 57624 |
-0, 52339 |
-0, 47245 |
-0, 42349 |
-0, 37668 |
-0, 33204 |
-0, 28968 |
-0, 28968 |
|
60 |
-0, 67906 |
-0, 62330 |
-0, 56928 |
-0, 51710 |
-0, 46683 |
-0, 41853 |
-0, 37236 |
-0, 32835 |
-0, 28659 |
-0, 28659 |
|
70 |
-0, 67102 |
-0, 61588 |
-0, 56250 |
-0, 51097 |
-0, 46134 |
-0, 41369 |
-0, 36815 |
-0, 32475 |
-0, 28358 |
-0, 28358 |
|
80 |
-0, 66319 |
-0, 60865 |
-0, 55589 |
-0, 50499 |
-0, 45600 |
-0, 40898 |
-0, 36404 |
-0, 32124 |
-0, 28065 |
-0, 28065 |
|
90 |
-0, 65555 |
-0, 60160 |
-0, 54945 |
-0, 49916 |
-0, 45079 |
-0, 40438 |
-0, 36004 |
-0, 31782 |
-0, 27779 |
-0, 27779 |
|
100 |
-0, 64810 |
-0, 59473 |
-0, 54317 |
-0, 49348 |
-0, 44571 |
-0, 39990 |
-0, 35614 |
-0, 31449 |
-0, 27500 |
-0, 27500 |
|
120 |
-0, 63374 |
-0, 58147 |
-0, 53106 |
-0, 48253 |
-0, 43592 |
-0, 39126 |
-0, 34862 |
-0, 30806 |
-0, 26962 |
-0, 26962 |
|
140 |
-0, 62006 |
-0, 56887 |
-0, 51952 |
-0, 47210 |
-0, 42660 |
-0, 38302 |
-0, 34145 |
-0, 30193 |
-0, 26449 |
-0, 26449 |
|
160 |
-0, 60711 |
-0, 55691 |
-0, 50857 |
-0, 46214 |
-0, 41770 |
-0, 37517 |
-0, 33461 |
-0, 29608 |
-0, 25959 |
-0, 25959 |
|
180 |
-0, 59474 |
-0, 54548 |
-0, 49812 |
-0, 45266 |
-0, 40920 |
-0, 36767 |
-0, 32808 |
-0, 29050 |
-0, 25491 |
-0, 25491 |
|
200 |
-0, 58291 |
-0, 53455 |
-0, 48813 |
-0, 44362 |
-0, 40108 |
-0, 36050 |
-0, 32183 |
-0, 28515 |
-0, 25044 |
-0, 25044 |
Продолжение таблицы Г.34
|
Kse, МН/м3 |
Значения единичного момента M̅, в расчетном сечении при колее колес | |||||||||
|
1, 1 |
1, 2 |
1, 3 |
1, 4 |
1, 5 |
1, 6 |
1, 7 |
1, 8 |
1, 9 |
2, 0 | |
|
40 |
-0, 21433 |
-0, 17905 |
-0, 14663 |
-0, 11717 |
-0, 09084 |
0, 07354 |
0, 08992 |
0, 10532 |
0, 11921 |
0, 13151 |
|
50 |
-0, 21229 |
-0, 17750 |
-0, 14553 |
-0, 11644 |
-0, 09042 |
0, 07365 |
0, 08983 |
0, 10508 |
0, 11887 |
0, 13112 |
|
60 |
-0, 21029 |
-0, 17600 |
-0, 14445 |
-0, 11573 |
-0, 09002 |
0, 07375 |
0, 08974 |
0, 10484 |
0, 11853 |
0, 13074 |
|
70 |
-0, 20835 |
-0, 17453 |
-0, 14340 |
-0, 11503 |
-0, 08962 |
0, 07384 |
0, 08965 |
0, 10461 |
0, 11821 |
0, 13036 |
|
80 |
-0, 20646 |
-0, 17310 |
-0, 14238 |
-0, 11435 |
-0, 08923 |
0, 07393 |
0, 08957 |
0, 10438 |
0, 11789 |
0, 12999 |
|
90 |
-0, 20462 |
-0, 17171 |
-0, 14138 |
-0, 11369 |
-0, 08885 |
0, 07402 |
0, 08949 |
0, 10416 |
0, 11757 |
0, 12963 |
|
100 |
-0, 20282 |
-0, 17035 |
-0, 14040 |
-0, 11304 |
-0, 08848 |
0, 07411 |
0, 08940 |
0, 10395 |
0, 11727 |
0, 12928 |
|
120 |
-0, 19935 |
-0, 16771 |
-0, 13850 |
-0, 11178 |
-0, 08775 |
0, 07427 |
0, 08924 |
0, 10353 |
0, 11668 |
0, 12859 |
|
140 |
-0, 19604 |
-0, 16520 |
-0, 13669 |
-0, 11059 |
-0, 08705 |
0, 07442 |
0, 08909 |
0, 10313 |
0, 11611 |
0, 12794 |
|
160 |
-0, 19288 |
-0, 16279 |
-0, 13495 |
-0, 10944 |
-0, 08638 |
0, 07456 |
0, 08893 |
0, 10274 |
0, 11557 |
-0, 12763 |
|
180 |
-0, 18985 |
-0, 16048 |
-0, 13328 |
-0, 10834 |
-0, 08574 |
0, 07469 |
0, 08879 |
0, 10237 |
0, 11504 |
-0, 12765 |
|
200 |
-0, 18695 |
-0, 15827 |
-0, 13169 |
-0, 10727 |
-0, 08511 |
0, 07481 |
0, 08864 |
0, 10202 |
0, 11454 |
-0, 12766 |
Примечание - для промежуточных значений величину M̅ следует принимать по интерполяции.
Таблица Г.35
|
Kse, МН/м3 |
Значения единичного момента M̅, в расчетном сечении при колее колес | |||||||||
|
0, 1 |
0, 2 |
0, 3 |
0, 4 |
0, 5 |
0, 6 |
0, 7 |
0, 8 |
0, 9 |
1 | |
|
40 |
-1, 16300 |
-1, 10740 |
-1, 05300 |
-0, 99977 |
-0, 94788 |
-0, 89714 |
-0, 84756 |
-0, 79937 |
-0, 75229 |
-0, 75229 |
|
50 |
-1, 11170 |
-1, 05780 |
-1, 00510 |
-0, 95378 |
-0, 90368 |
-0, 85484 |
-0, 80738 |
-0, 76104 |
-0, 71616 |
-0, 71616 |
|
60 |
-1, 06580 |
-1, 01340 |
-0, 96230 |
-0, 91250 |
-0, 86406 |
-0, 81700 |
-0, 77119 |
-0, 72679 |
-0, 68362 |
-0, 68362 |
|
70 |
-1, 02460 |
-0, 97352 |
-0, 92370 |
-0, 87534 |
-0, 82840 |
-0, 78279 |
-0, 73863 |
-0, 69578 |
-0, 65426 |
-0, 65426 |
|
80 |
-0, 98752 |
-0, 93741 |
-0, 88883 |
-0, 84173 |
-0, 79604 |
-0, 75186 |
-0, 70906 |
-0, 66764 |
-0, 62766 |
-0, 62766 |
|
90 |
-0, 95371 |
-0, 90464 |
-0, 85713 |
-0, 81110 |
-0, 76665 |
-0, 72366 |
-0, 68210 |
-0, 64206 |
-0, 60335 |
-0, 60335 |
|
100 |
-0, 92292 |
-0, 87476 |
-0, 82814 |
-0, 78319 |
-0, 73976 |
-0, 69785 |
-0, 65752 |
-0, 61859 |
-0, 58108 |
-0, 58108 |
|
120 |
-0, 86876 |
-0, 82215 |
-0, 77718 |
-0, 73393 |
-0, 69238 |
-0, 65238 |
-0, 61401 |
-0, 57722 |
-0, 54188 |
-0, 54188 |
|
140 |
-0, 82268 |
-0, 77730 |
-0, 73375 |
-0, 69187 |
-0, 65190 |
-0, 61358 |
-0, 57689 |
-0, 54178 |
-0, 50823 |
-0, 50823 |
|
160 |
-0, 78294 |
-0, 73855 |
-0, 69621 |
-0, 65565 |
-0, 61688 |
-0, 57996 |
-0, 54477 |
-0, 51121 |
-0, 47923 |
-0, 47923 |
|
180 |
-0, 74824 |
-0, 70483 |
-0, 66337 |
-0, 62396 |
-0, 58640 |
-0, 55065 |
-0, 51668 |
-0, 48442 |
-0, 45379 |
-0, 45379 |
|
200 |
-0, 71756 |
-0, 67507 |
-0, 63453 |
-0, 59597 |
-0, 55941 |
-0, 52477 |
-0, 49194 |
-0, 46085 |
-0, 43141 |
-0, 43141 |
Продолжение таблицы Г.35
|
Kse, МН/м3 |
Значения единичного момента M̅, в расчетном сечении при колее колес | |||||||||
|
1, 1 |
1, 2 |
1, 3 |
1, 4 |
1, 5 |
1, 6 |
1, 7 |
1, 8 |
1, 9 |
2, 0 | |
|
40 |
-0, 66195 |
-0, 61869 |
-0, 57656 |
-0, 53582 |
-0, 49628 |
-0, 45797 |
-0, 42096 |
-0, 38528 |
-0, 35090 |
-0, 31783 |
|
50 |
-0, 62998 |
-0, 58876 |
-0, 54877 |
-0, 51008 |
-0, 47258 |
-0, 43629 |
-0, 40123 |
-0, 36746 |
-0, 33491 |
-0, 30361 |
|
60 |
-0, 60121 |
-0, 56182 |
-0, 52378 |
-0, 48693 |
-0, 45126 |
-0, 41678 |
-0, 38349 |
-0, 35141 |
-0, 32052 |
-0, 29080 |
|
70 |
-0, 57517 |
-0, 53753 |
-0, 50116 |
-0, 46598 |
-0, 43197 |
-0, 39913 |
-0, 36745 |
-0, 33691 |
-0, 30752 |
-0, 27927 |
|
80 |
-0, 55153 |
-0, 51547 |
-0, 48061 |
-0, 44694 |
-0, 41443 |
-0, 38308 |
-0, 35286 |
-0, 32374 |
-0, 29572 |
-0, 26877 |
|
90 |
-0, 53003 |
-0, 49532 |
-0, 46184 |
-0, 42955 |
-0, 39842 |
-0, 36842 |
-0, 33953 |
-0, 31170 |
-0, 28493 |
-0, 25917 |
|
100 |
-0, 51031 |
-0, 47685 |
-0, 44463 |
-0, 41361 |
-0, 38374 |
-0, 35498 |
-0, 32730 |
-0, 30066 |
-0, 27503 |
-0, 25037 |
|
120 |
-0, 47540 |
-0, 44416 |
-0, 41418 |
-0, 38540 |
-0, 35775 |
-0, 33119 |
-0, 30566 |
-0, 28111 |
-0, 25749 |
-0, 23476 |
|
140 |
-0, 44554 |
-0, 41621 |
-0, 38814 |
-0, 36125 |
-0, 33547 |
-0, 31078 |
-0, 28708 |
-0, 26431 |
-0, 24242 |
-0, 22135 |
|
160 |
-0, 41972 |
-0, 39202 |
-0, 36559 |
-0, 34033 |
-0, 31618 |
-0, 29307 |
-0, 27096 |
-0, 24974 |
-0, 22933 |
-0, 20971 |
|
180 |
-0, 39709 |
-0, 37083 |
-0, 34584 |
-0, 32202 |
-0, 29928 |
-0, 27756 |
-0, 25684 |
-0, 23696 |
-0, 21785 |
-0, 19953 |
|
200 |
-0, 37712 |
-0, 35211 |
-0, 32840 |
-0, 30585 |
-0, 28437 |
-0, 26386 |
-0, 24435 |
-0, 22566 |
-0, 20770 |
-0, 19051 |
Примечание - для промежуточных значений величину M̅ следует принимать по интерполяции.
Таблица Г.36
|
Kse, МН/м3 |
Значения единичного момента M̅, в расчетном сечении при колее колес | |||||||||
|
0, 1 |
0, 2 |
0, 3 |
0, 4 |
0, 5 |
0, 6 |
0, 7 |
0, 8 |
0, 9 |
1 | |
|
40 |
-1, 31960 |
-1, 26830 |
-1, 21820 |
-1, 16950 |
-1, 12210 |
-1, 07590 |
-1, 03100 |
-0, 98728 |
-0, 94477 |
-0, 94477 |
|
50 |
-1, 22540 |
-1, 17550 |
-1, 12690 |
-1, 07970 |
-1, 03380 |
-0, 98939 |
-0, 94645 |
-0, 90480 |
-0, 86442 |
-0, 86442 |
|
60 |
-1, 14960 |
-1, 10070 |
-1, 05330 |
-1, 00740 |
-0, 96291 |
-0, 91985 |
-0, 87838 |
-0, 83834 |
-0, 79961 |
-0, 79961 |
|
70 |
-1, 08710 |
-1, 03910 |
-0, 99265 |
-0, 94776 |
-0, 90437 |
-0, 86245 |
-0, 82227 |
-0, 78351 |
-0, 74610 |
-0, 74610 |
|
80 |
-1, 03450 |
-0, 98727 |
-0, 94162 |
-0, 89756 |
-0, 85505 |
-0, 81425 |
-0, 77508 |
-0, 73734 |
-0, 70126 |
-0, 70126 |
|
90 |
-0, 98957 |
-0, 94290 |
-0, 89789 |
-0, 85451 |
-0, 81289 |
-0, 77301 |
-0, 73464 |
-0, 69797 |
-0, 66287 |
-0, 66287 |
|
100 |
-0, 95042 |
-0, 90425 |
-0, 85977 |
-0, 81721 |
-0, 77637 |
-0, 73711 |
-0, 69966 |
-0, 66385 |
-0, 62959 |
-0, 62959 |
|
120 |
-0, 88520 |
-0, 84006 |
-0, 79669 |
-0, 75522 |
-0, 71568 |
-0, 67778 |
-0, 64174 |
-0, 60740 |
-0, 57472 |
-0, 57472 |
|
140 |
-0, 83268 |
-0, 78838 |
-0, 74591 |
-0, 70556 |
-0, 66705 |
-0, 63025 |
-0, 59552 |
-0, 56232 |
-0, 53108 |
-0, 53108 |
|
160 |
-0, 78907 |
-0, 74546 |
-0, 70400 |
-0, 66453 |
-0, 62685 |
-0, 59127 |
-0, 55744 |
-0, 52551 |
-0, 49523 |
-0, 49523 |
|
180 |
-0, 75190 |
-0, 70923 |
-0, 66852 |
-0, 62970 |
-0, 59309 |
-0, 55832 |
-0, 52550 |
-0, 49449 |
-0, 46534 |
-0, 46534 |
|
200 |
-0, 72009 |
-0, 67790 |
-0, 63774 |
-0, 59992 |
-0, 56396 |
-0, 53009 |
-0, 49810 |
-0, 46806 |
-0, 43968 |
-0, 43968 |
Продолжение таблицы Г.36
|
Kse, МН/м3 |
Значения единичного момента M̅, в расчетном сечении при колее колес | |||||||||
|
1, 1 |
1, 2 |
1, 3 |
1, 4 |
1, 5 |
1, 6 |
1, 7 |
1, 8 |
1, 9 |
2, 0 | |
|
40 |
-0, 86365 |
-0, 82477 |
-0, 78706 |
-0, 75054 |
-0, 71500 |
-0, 68062 |
-0, 64722 |
-0, 61481 |
-0, 58340 |
-0, 55286 |
|
50 |
-0, 78768 |
-0, 75113 |
-0, 71588 |
-0, 68179 |
-0, 64881 |
-0, 61700 |
-0, 58620 |
-0, 55647 |
-0, 52771 |
-0, 49987 |
|
60 |
-0, 72642 |
-0, 69172 |
-0, 65845 |
-0, 62625 |
-0, 59542 |
-0, 56559 |
-0, 53696 |
-0, 50934 |
-0, 48269 |
-0, 45710 |
|
70 |
-0, 67584 |
-0, 64282 |
-0, 61101 |
-0, 58059 |
-0, 55126 |
-0, 52327 |
-0, 49632 |
-0, 47042 |
-0, 44564 |
-0, 42178 |
|
80 |
-0, 63343 |
-0, 60166 |
-0, 57127 |
-0, 54211 |
-0, 51435 |
-0, 48769 |
-0, 46219 |
-0, 43785 |
-0, 41451 |
-0, 39211 |
|
90 |
-0, 59721 |
-0, 56656 |
-0, 53729 |
-0, 50944 |
-0, 48277 |
-0, 45738 |
-0, 43319 |
-0, 41006 |
-0, 38795 |
-0, 36688 |
|
100 |
-0, 56585 |
-0, 53621 |
-0, 50802 |
-0, 48109 |
-0, 45557 |
-0, 43128 |
-0, 40812 |
-0, 38606 |
-0, 36511 |
-0, 34516 |
|
120 |
-0, 51425 |
-0, 48622 |
-0, 45980 |
-0, 43470 |
-0, 41089 |
-0, 38834 |
-0, 36705 |
-0, 34687 |
-0, 32773 |
-0, 30958 |
|
140 |
-0, 47329 |
-0, 44677 |
-0, 42165 |
-0, 39800 |
-0, 37571 |
-0, 35465 |
-0, 33478 |
-0, 31602 |
-0, 29832 |
-0, 28163 |
|
160 |
-0, 43986 |
-0, 41451 |
-0, 39072 |
-0, 36828 |
-0, 34716 |
-0, 32728 |
-0, 30860 |
-0, 29109 |
-0, 27461 |
-0, 25911 |
|
180 |
-0, 41200 |
-0, 38775 |
-0, 36494 |
-0, 34351 |
-0, 32347 |
-0, 30470 |
-0, 28709 |
-0, 27058 |
-0, 25510 |
-0, 24059 |
|
200 |
-0, 38833 |
-0, 36494 |
-0, 34309 |
-0, 32268 |
-0, 30356 |
-0, 28567 |
-0, 26894 |
-0, 25331 |
-0, 23869 |
-0, 22503 |
Примечание - для промежуточных значений величину M̅ следует принимать по интерполяции.
Таблица Г.37
|
Kse, МН/м3 |
Значения единичной поперечной силы Q̅, в расчетном сечении при колее колес | |||||||||
|
0, 1 |
0, 2 |
0, 3 |
0, 4 |
0, 5 |
0, 6 |
0, 7 |
0, 8 |
0, 9 |
1 | |
|
40 |
0, 73305 |
0, 66674 |
0, 60670 |
0, 55254 |
0, 50391 |
0, 46044 |
0, 42179 |
0, 38764 |
0, 35768 |
0, 35768 |
|
50 |
0, 72747 |
0, 66171 |
0, 60225 |
0, 54868 |
0, 50062 |
0, 45769 |
0, 41955 |
0, 38586 |
0, 35629 |
0, 35629 |
|
60 |
0, 72203 |
0, 65681 |
0, 59791 |
0, 54491 |
0, 49741 |
0, 45501 |
0, 41736 |
0, 38411 |
0, 35494 |
0, 35494 |
|
70 |
0, 71674 |
0, 65204 |
0, 59369 |
0, 54124 |
0, 49428 |
0, 45240 |
0, 41522 |
0, 38241 |
0, 35361 |
0, 35361 |
|
80 |
0, 71157 |
0, 64738 |
0, 58957 |
0, 53766 |
0, 49123 |
0, 44985 |
0, 41314 |
0, 38074 |
0, 35232 |
0, 35232 |
|
90 |
0, 70653 |
0, 64284 |
0, 58555 |
0, 53418 |
0, 48825 |
0, 44736 |
0, 41111 |
0, 37912 |
0, 35106 |
0, 35106 |
|
100 |
0, 70162 |
0, 63842 |
0, 58164 |
0, 53077 |
0, 48535 |
0, 44494 |
0, 40912 |
0, 37753 |
0, 34982 |
0, 34982 |
|
120 |
0, 69214 |
0, 62988 |
0, 57408 |
0, 52421 |
0, 47975 |
0, 44025 |
0, 40529 |
0, 37446 |
0, 34742 |
0, 34742 |
|
140 |
0, 68309 |
0, 62174 |
0, 56688 |
0, 51795 |
0, 47441 |
0, 43578 |
0, 40162 |
0, 37152 |
0, 34513 |
0, 34513 |
|
160 |
0, 67446 |
0, 61397 |
0, 56001 |
0, 51198 |
0, 46931 |
0, 43151 |
0, 39812 |
0, 36871 |
0, 34292 |
0, 34292 |
|
180 |
0, 66621 |
0, 60654 |
0, 55344 |
0, 50627 |
0, 46444 |
0, 42743 |
0, 39476 |
0, 36601 |
0, 34080 |
0, 34080 |
|
200 |
0, 65831 |
0, 59943 |
0, 54716 |
0, 50080 |
0, 45977 |
0, 42351 |
0, 39154 |
0, 36342 |
0, 33877 |
0, 33877 |
Продолжение таблицы Г.37
|
Kse, МН/м3 |
Значения единичной поперечной силы Q̅, в расчетном сечении при колее колес | |||||||||
|
1, 1 |
1, 2 |
1, 3 |
1, 4 |
1, 5 |
1, 6 |
1, 7 |
1, 8 |
1, 9 |
2, 0 | |
|
40 |
0, 30909 |
0, 28990 |
0, 27373 |
0, 26034 |
0, 24944 |
0, 26686 |
0, 29897 |
0, 32747 |
0, 35263 |
0, 37473 |
|
50 |
0, 30834 |
0, 28937 |
0, 27338 |
0, 26011 |
0, 24931 |
0, 26689 |
0, 29887 |
0, 32728 |
0, 35237 |
0, 37442 |
|
60 |
0, 30760 |
0, 28885 |
0, 27304 |
0, 25989 |
0, 24917 |
0, 26693 |
0, 29878 |
0, 32709 |
0, 35211 |
0, 37411 |
|
70 |
0, 30687 |
0, 28835 |
0, 27270 |
0, 25967 |
0, 24903 |
0, 26696 |
0, 29869 |
0, 32690 |
0, 35186 |
0, 37381 |
|
80 |
0, 30616 |
0, 28785 |
0, 27236 |
0, 25946 |
0, 24889 |
0, 26699 |
0, 29860 |
0, 32672 |
0, 35161 |
0, 37351 |
|
90 |
0, 30546 |
0, 28736 |
0, 27203 |
0, 25924 |
0, 24876 |
0, 26702 |
0, 29851 |
0, 32654 |
0, 35136 |
0, 37321 |
|
100 |
0, 30478 |
0, 28687 |
0, 27170 |
0, 25903 |
0, 24862 |
0, 26705 |
0, 29842 |
0, 32636 |
0, 35112 |
0, 37292 |
|
120 |
0, 30344 |
0, 28593 |
0, 27106 |
0, 25860 |
0, 24835 |
0, 26709 |
0, 29824 |
0, 32601 |
0, 35063 |
0, 37234 |
|
140 |
0, 30215 |
0, 28501 |
0, 27043 |
0, 25819 |
0, 24808 |
0, 26714 |
0, 29807 |
0, 32567 |
0, 35016 |
0, 37177 |
|
160 |
0, 30091 |
0, 28412 |
0, 26981 |
0, 25778 |
0, 24782 |
0, 26717 |
0, 29790 |
0, 32533 |
0, 34970 |
0, 37121 |
|
180 |
0, 29971 |
0, 28325 |
0, 26921 |
0, 25737 |
0, 24755 |
0, 26720 |
0, 29773 |
0, 32500 |
0, 34925 |
0, 37066 |
|
200 |
0, 29854 |
0, 28241 |
0, 26862 |
0, 25698 |
0, 24729 |
0, 26723 |
0, 29756 |
0, 32468 |
0, 34880 |
0, 37012 |
Примечание - для промежуточных значений величину Q̅ следует принимать по интерполяции.
Таблица Г.38
|
Kse, МН/м3 |
Значения единичной поперечной силы Q̅, в расчетном сечении при колее колес | |||||||||
|
0, 1 |
0, 2 |
0, 3 |
0, 4 |
0, 5 |
0, 6 |
0, 7 |
0, 8 |
0, 9 |
1 | |
|
40 |
0, 94257 |
0, 88148 |
0, 82481 |
0, 77228 |
0, 72363 |
0, 67859 |
0, 63693 |
0, 59843 |
0, 56287 |
0, 56287 |
|
50 |
0, 91941 |
0, 85879 |
0, 80281 |
0, 75114 |
0, 70348 |
0, 65955 |
0, 61908 |
0, 58181 |
0, 54752 |
0, 54752 |
|
60 |
0, 89840 |
0, 83823 |
0, 78289 |
0, 73202 |
0, 68528 |
0, 64236 |
0, 60297 |
0, 56683 |
0, 53369 |
0, 53369 |
|
70 |
0, 87923 |
0, 81950 |
0, 76476 |
0, 71463 |
0, 66875 |
0, 62676 |
0, 58836 |
0, 55325 |
0, 52115 |
0, 52115 |
|
80 |
0, 86167 |
0, 80235 |
0, 74819 |
0, 69875 |
0, 65365 |
0, 61253 |
0, 57504 |
0, 54087 |
0, 50974 |
0, 50974 |
|
90 |
0, 84549 |
0, 78658 |
0, 73296 |
0, 68417 |
0, 63982 |
0, 59949 |
0, 56285 |
0, 52955 |
0, 49929 |
0, 49929 |
|
100 |
0, 83053 |
0, 77201 |
0, 71891 |
0, 67074 |
0, 62708 |
0, 58750 |
0, 55164 |
0, 51915 |
0, 48970 |
0, 48970 |
|
120 |
0, 80373 |
0, 74596 |
0, 69382 |
0, 64679 |
0, 60439 |
0, 56617 |
0, 53172 |
0, 50067 |
0, 47268 |
0, 47268 |
|
140 |
0, 78034 |
0, 72327 |
0, 67202 |
0, 62603 |
0, 58476 |
0, 54774 |
0, 51454 |
0, 48476 |
0, 45803 |
0, 45803 |
|
160 |
0, 75971 |
0, 70331 |
0, 65288 |
0, 60783 |
0, 56759 |
0, 53165 |
0, 49955 |
0, 47089 |
0, 44527 |
0, 44527 |
|
180 |
0, 74132 |
0, 68556 |
0, 63590 |
0, 59172 |
0, 55241 |
0, 51745 |
0, 48635 |
0, 45868 |
0, 43404 |
0, 43404 |
|
200 |
0, 72479 |
0, 66964 |
0, 62072 |
0, 57734 |
0, 53889 |
0, 50482 |
0, 47462 |
0, 44784 |
0, 42409 |
0, 42409 |
Продолжение таблицы Г.38
|
Kse, МН/м3 |
Значения единичной поперечной силы Q̅, в расчетном сечении при колее колес | |||||||||
|
1, 1 |
1, 2 |
1, 3 |
1, 4 |
1, 5 |
1, 6 |
1, 7 |
1, 8 |
1, 9 |
2, 0 | |
|
40 |
0, 49979 |
0, 47191 |
0, 44626 |
0, 42268 |
0, 40103 |
0, 38120 |
0, 36304 |
0, 34647 |
0, 33138 |
0, 31767 |
|
50 |
0, 48699 |
0, 46037 |
0, 43593 |
0, 41352 |
0, 39299 |
0, 37421 |
0, 35705 |
0, 34140 |
0, 32716 |
0, 31424 |
|
60 |
0, 47546 |
0, 44996 |
0, 42662 |
0, 40526 |
0, 38573 |
0, 36790 |
0, 35163 |
0, 33681 |
0, 32334 |
0, 31112 |
|
70 |
0, 46502 |
0, 44054 |
0, 41818 |
0, 39777 |
0, 37915 |
0, 36217 |
0, 34671 |
0, 33264 |
0, 31986 |
0, 30829 |
|
80 |
0, 45551 |
0, 43195 |
0, 41049 |
0, 39094 |
0, 37315 |
0, 35694 |
0, 34221 |
0, 32882 |
0, 31668 |
0, 30569 |
|
90 |
0, 44681 |
0, 42410 |
0, 40346 |
0, 38470 |
0, 36765 |
0, 35215 |
0, 33809 |
0, 32532 |
0, 31375 |
0, 30329 |
|
100 |
0, 43883 |
0, 41689 |
0, 39700 |
0, 37896 |
0, 36259 |
0, 34775 |
0, 33429 |
0, 32209 |
0, 31105 |
0, 30108 |
|
120 |
0, 42466 |
0, 40410 |
0, 38554 |
0, 36876 |
0, 35360 |
0, 33990 |
0, 32751 |
0, 31632 |
0, 30623 |
0, 29918 |
|
140 |
0, 41247 |
0, 39309 |
0, 37566 |
0, 35997 |
0, 34584 |
0, 33311 |
0, 32165 |
0, 31132 |
0, 30203 |
0, 30408 |
|
160 |
0, 40186 |
0, 38351 |
0, 36706 |
0, 35231 |
0, 33907 |
0, 32718 |
0, 31651 |
0, 30693 |
0, 29834 |
0, 30826 |
|
180 |
0, 39253 |
0, 37508 |
0, 35949 |
0, 34555 |
0, 33309 |
0, 32194 |
0, 31196 |
0, 30304 |
0, 29506 |
0, 31186 |
|
200 |
0, 38427 |
0, 36760 |
0, 35277 |
0, 33956 |
0, 32778 |
0, 31727 |
0, 30791 |
0, 29956 |
0, 29213 |
0, 31499 |
Примечание - для промежуточных значений величину Q̅ следует принимать по интерполяции.
Таблица Г.39
|
Kse, МН/м3 |
Значения единичной поперечной силы Q̅, в расчетном сечении при колее колес | |||||||||
|
0, 1 |
0, 2 |
0, 3 |
0, 4 |
0, 5 |
0, 6 |
0, 7 |
0, 8 |
0, 9 |
1 | |
|
40 |
0, 98087 |
0, 93066 |
0, 86673 |
0, 82708 |
0, 76871 |
0, 73830 |
0, 68471 |
0, 66235 |
0, 61283 |
0, 61283 |
|
50 |
0, 94631 |
0, 89539 |
0, 83206 |
0, 79243 |
0, 73498 |
0, 70512 |
0, 65266 |
0, 63125 |
0, 58299 |
0, 58299 |
|
60 |
0, 91722 |
0, 86582 |
0, 80306 |
0, 76355 |
0, 70693 |
0, 67763 |
0, 62616 |
0, 60561 |
0, 55844 |
0, 55844 |
|
70 |
0, 89224 |
0, 84051 |
0, 77831 |
0, 73898 |
0, 68312 |
0, 65437 |
0, 60379 |
0, 58403 |
0, 53781 |
0, 53781 |
|
80 |
0, 87043 |
0, 81849 |
0, 75682 |
0, 71772 |
0, 66256 |
0, 63435 |
0, 58458 |
0, 56555 |
0, 52019 |
0, 52019 |
|
90 |
0, 85113 |
0, 79906 |
0, 73790 |
0, 69906 |
0, 64457 |
0, 61687 |
0, 56785 |
0, 54950 |
0, 50491 |
0, 50491 |
|
100 |
0, 83385 |
0, 78173 |
0, 72106 |
0, 68251 |
0, 62864 |
0, 60145 |
0, 55311 |
0, 53539 |
0, 49151 |
0, 49151 |
|
120 |
0, 80401 |
0, 75192 |
0, 69220 |
0, 65425 |
0, 60152 |
0, 57530 |
0, 52819 |
0, 51165 |
0, 46901 |
0, 46901 |
|
140 |
0, 77891 |
0, 72700 |
0, 66816 |
0, 63085 |
0, 57915 |
0, 55384 |
0, 50782 |
0, 49233 |
0, 45076 |
0, 45076 |
|
160 |
0, 75733 |
0, 70567 |
0, 64766 |
0, 61099 |
0, 56024 |
0, 53578 |
0, 49073 |
0, 47620 |
0, 43557 |
0, 43557 |
|
180 |
0, 73844 |
0, 68708 |
0, 62986 |
0, 59382 |
0, 54394 |
0, 52030 |
0, 47612 |
0, 46246 |
0, 42267 |
0, 42267 |
|
200 |
0, 72166 |
0, 67066 |
0, 61418 |
0, 57876 |
0, 52969 |
0, 50680 |
0, 46343 |
0, 45056 |
0, 41154 |
0, 41154 |
Продолжение таблицы Г.39
|
Kse, МН/м3 |
Значения единичной поперечной силы Q̅, в расчетном сечении при колее колес | |||||||||
|
1, 1 |
1, 2 |
1, 3 |
1, 4 |
1, 5 |
1, 6 |
1, 7 |
1, 8 |
1, 9 |
2, 0 | |
|
40 |
0, 55281 |
0, 54207 |
0, 50296 |
0, 49482 |
0, 46048 |
0, 45453 |
0, 42429 |
0, 42016 |
0, 39347 |
0, 39086 |
|
50 |
0, 52553 |
0, 51614 |
0, 47848 |
0, 47169 |
0, 43885 |
0, 43420 |
0, 40546 |
0, 40258 |
0, 37734 |
0, 37590 |
|
60 |
0, 50320 |
0, 49495 |
0, 45852 |
0, 45285 |
0, 42126 |
0, 41768 |
0, 39018 |
0, 38831 |
0, 36427 |
0, 36379 |
|
70 |
0, 48453 |
0, 47726 |
0, 44190 |
0, 43718 |
0, 40665 |
0, 40398 |
0, 37752 |
0, 37651 |
0, 35346 |
0, 35378 |
|
80 |
0, 46866 |
0, 46225 |
0, 42781 |
0, 42391 |
0, 39430 |
0, 39242 |
0, 36684 |
0, 36656 |
0, 34436 |
0, 34535 |
|
90 |
0, 45497 |
0, 44931 |
0, 41570 |
0, 41252 |
0, 38372 |
0, 38251 |
0, 35771 |
0, 35805 |
0, 33658 |
0, 33816 |
|
100 |
0, 44301 |
0, 43804 |
0, 40516 |
0, 40263 |
0, 37454 |
0, 37392 |
0, 34980 |
0, 35070 |
0, 32986 |
0, 33195 |
|
120 |
0, 42306 |
0, 41927 |
0, 38766 |
0, 38622 |
0, 35934 |
0, 35974 |
0, 33675 |
0, 33858 |
0, 31880 |
0, 32175 |
|
140 |
0, 40702 |
0, 40421 |
0, 37367 |
0, 37313 |
0, 34725 |
0, 34848 |
0, 32641 |
0, 32899 |
0, 31006 |
0, 31371 |
|
160 |
0, 39377 |
0, 39180 |
0, 36217 |
0, 36240 |
0, 33737 |
0, 33928 |
0, 31798 |
0, 32119 |
0, 30296 |
0, 30719 |
|
180 |
0, 38259 |
0, 38135 |
0, 35252 |
0, 35341 |
0, 32910 |
0, 33161 |
0, 31096 |
0, 31471 |
0, 29707 |
0, 30539 |
|
200 |
0, 37300 |
0, 37241 |
0, 34428 |
0, 34575 |
0, 32207 |
0, 32509 |
0, 30501 |
0, 30922 |
0, 29208 |
0, 30989 |
Примечание - для промежуточных значений величину Q̅ следует принимать по интерполяции.
Таблица Г.40
|
Kse, МН/м3 |
Значения единичного прогиба Y̅, в расчетном сечении при колее колес | |||||||||
|
0, 1 |
0, 2 |
0, 3 |
0, 4 |
0, 5 |
0, 6 |
0, 7 |
0, 8 |
0, 9 |
1 | |
|
40 |
-0, 00941 |
-0, 00949 |
-0, 00962 |
-0, 00985 |
-0, 01028 |
-0, 01082 |
-0, 01138 |
-0, 01193 |
-0, 01250 |
-0, 01250 |
|
50 |
-0, 00765 |
-0, 00770 |
-0, 00779 |
-0, 00792 |
-0, 00811 |
-0, 00847 |
-0, 00892 |
-0, 00937 |
-0, 00983 |
-0, 00983 |
|
60 |
-0, 00648 |
-0, 00651 |
-0, 00657 |
-0, 00666 |
-0, 00678 |
-0, 00696 |
-0, 00728 |
-0, 00767 |
-0, 00806 |
-0, 00806 |
|
70 |
-0, 00564 |
-0, 00566 |
-0, 00571 |
-0, 00577 |
-0, 00586 |
-0, 00598 |
-0, 00615 |
-0, 00645 |
-0, 00679 |
-0, 00679 |
|
80 |
-0, 00501 |
-0, 00503 |
-0, 00506 |
-0, 00510 |
-0, 00517 |
-0, 00526 |
-0, 00537 |
-0, 00555 |
-0, 00585 |
-0, 00585 |
|
90 |
-0, 00452 |
-0, 00453 |
-0, 00455 |
-0, 00459 |
-0, 00464 |
-0, 00470 |
-0, 00479 |
-0, 00491 |
-0, 00511 |
-0, 00511 |
|
100 |
-0, 00412 |
-0, 00413 |
-0, 00415 |
-0, 00418 |
-0, 00422 |
-0, 00427 |
-0, 00433 |
-0, 00443 |
-0, 00455 |
-0, 00455 |
|
120 |
-0, 00353 |
-0, 00353 |
-0, 00354 |
-0, 00356 |
-0, 00358 |
-0, 00362 |
-0, 00366 |
-0, 00371 |
-0, 00379 |
-0, 00379 |
|
140 |
-0, 00310 |
-0, 00310 |
-0, 00311 |
-0, 00312 |
-0, 00313 |
-0, 00315 |
-0, 00318 |
-0, 00322 |
-0, 00327 |
-0, 00327 |
|
160 |
-0, 00277 |
-0, 00277 |
-0, 00278 |
-0, 00279 |
-0, 00279 |
-0, 00281 |
-0, 00283 |
-0, 00285 |
-0, 00288 |
-0, 00288 |
|
180 |
-0, 00252 |
-0, 00252 |
-0, 00252 |
-0, 00252 |
-0, 00253 |
-0, 00254 |
-0, 00255 |
-0, 00257 |
-0, 00259 |
-0, 00259 |
|
200 |
-0, 00231 |
-0, 00231 |
-0, 00231 |
-0, 00231 |
-0, 00232 |
-0, 00232 |
-0, 00233 |
-0, 00234 |
-0, 00235 |
-0, 00235 |
Продолжение таблицы Г.40
|
Kse, МН/м3 |
Значения единичного прогиба Y̅, в расчетном сечении при колее колес | |||||||||
|
1, 1 |
1, 2 |
1, 3 |
1, 4 |
1, 5 |
1, 6 |
1, 7 |
1, 8 |
1, 9 |
2, 0 | |
|
40 |
-0, 01365 |
-0, 01424 |
-0, 01483 |
-0, 01543 |
-0, 01604 |
-0, 01665 |
-0, 01726 |
-0, 01789 |
-0, 01851 |
-0, 01914 |
|
50 |
-0, 01078 |
-0, 01126 |
-0, 01174 |
-0, 01224 |
-0, 01274 |
-0, 01324 |
-0, 01375 |
-0, 01427 |
-0, 01479 |
-0, 01532 |
|
60 |
-0, 00886 |
-0, 00927 |
-0, 00969 |
-0, 01011 |
-0, 01054 |
-0, 01098 |
-0, 01142 |
-0, 01186 |
-0, 01231 |
-0, 01277 |
|
70 |
-0, 00749 |
-0, 00785 |
-0, 00822 |
-0, 00859 |
-0, 00897 |
-0, 00936 |
-0, 00975 |
-0, 01014 |
-0, 01054 |
-0, 01095 |
|
80 |
-0, 00647 |
-0, 00679 |
-0, 00712 |
-0, 00746 |
-0, 00780 |
-0, 00814 |
-0, 00850 |
-0, 00885 |
-0, 00921 |
-0, 00958 |
|
90 |
-0, 00568 |
-0, 00597 |
-0, 00627 |
-0, 00657 |
-0, 00688 |
-0, 00720 |
-0, 00752 |
-0, 00785 |
-0, 00818 |
-0, 00852 |
|
100 |
-0, 00505 |
-0, 00531 |
-0, 00559 |
-0, 00587 |
-0, 00616 |
-0, 00645 |
-0, 00675 |
-0, 00705 |
-0, 00736 |
-0, 00767 |
|
120 |
-0, 00410 |
-0, 00433 |
-0, 00457 |
-0, 00481 |
-0, 00506 |
-0, 00532 |
-0, 00558 |
-0, 00585 |
-0, 00612 |
-0, 00639 |
|
140 |
-0, 00344 |
-0, 00363 |
-0, 00385 |
-0, 00406 |
-0, 00429 |
-0, 00452 |
-0, 00475 |
-0, 00499 |
-0, 00523 |
-0, 00548 |
|
160 |
-0, 00300 |
-0, 00311 |
-0, 00330 |
-0, 00350 |
-0, 00371 |
-0, 00391 |
-0, 00413 |
-0, 00435 |
-0, 00457 |
-0, 00480 |
|
180 |
-0, 00267 |
-0, 00274 |
-0, 00289 |
-0, 00307 |
-0, 00326 |
-0, 00345 |
-0, 00365 |
-0, 00385 |
-0, 00406 |
-0, 00427 |
|
200 |
-0, 00241 |
-0, 00246 |
-0, 00255 |
-0, 00272 |
-0, 00290 |
-0, 00308 |
-0, 00326 |
-0, 00345 |
-0, 00365 |
-0, 00384 |
Примечание - для промежуточных значений величину Y̅ следует принимать по интерполяции.
Таблица Г.41
|
Kse, МН/м3 |
Значения единичного прогиба Y̅, в расчетном сечении при колее колес | |||||||||
|
0, 1 |
0, 2 |
0, 3 |
0, 4 |
0, 5 |
0, 6 |
0, 7 |
0, 8 |
0, 9 |
1 | |
|
40 |
-0, 00779 |
-0, 00779 |
-0, 00779 |
-0, 00779 |
-0, 00779 |
-0, 00780 |
-0, 00780 |
-0, 00780 |
-0, 00781 |
-0, 00781 |
|
50 |
-0, 00653 |
-0, 00653 |
-0, 00653 |
-0, 00653 |
-0, 00652 |
-0, 00651 |
-0, 00651 |
-0, 00650 |
-0, 00650 |
-0, 00650 |
|
60 |
-0, 00567 |
-0, 00567 |
-0, 00566 |
-0, 00566 |
-0, 00565 |
-0, 00564 |
-0, 00563 |
-0, 00562 |
-0, 00561 |
-0, 00561 |
|
70 |
-0, 00504 |
-0, 00504 |
-0, 00503 |
-0, 00502 |
-0, 00501 |
-0, 00500 |
-0, 00499 |
-0, 00497 |
-0, 00496 |
-0, 00496 |
|
80 |
-0, 00455 |
-0, 00455 |
-0, 00454 |
-0, 00453 |
-0, 00452 |
-0, 00451 |
-0, 00449 |
-0, 00448 |
-0, 00446 |
-0, 00446 |
|
90 |
-0, 00416 |
-0, 00416 |
-0, 00415 |
-0, 00414 |
-0, 00413 |
-0, 00412 |
-0, 00410 |
-0, 00409 |
-0, 00407 |
-0, 00407 |
|
100 |
-0, 00384 |
-0, 00384 |
-0, 00383 |
-0, 00382 |
-0, 00381 |
-0, 00380 |
-0, 00378 |
-0, 00376 |
-0, 00374 |
-0, 00374 |
|
120 |
-0, 00335 |
-0, 00334 |
-0, 00334 |
-0, 00333 |
-0, 00332 |
-0, 00330 |
-0, 00329 |
-0, 00327 |
-0, 00325 |
-0, 00325 |
|
140 |
-0, 00298 |
-0, 00297 |
-0, 00297 |
-0, 00296 |
-0, 00295 |
-0, 00293 |
-0, 00292 |
-0, 00290 |
-0, 00288 |
-0, 00288 |
|
160 |
-0, 00269 |
-0, 00269 |
-0, 00268 |
-0, 00267 |
-0, 00266 |
-0, 00265 |
-0, 00263 |
-0, 00261 |
-0, 00259 |
-0, 00259 |
|
180 |
-0, 00246 |
-0, 00245 |
-0, 00245 |
-0, 00244 |
-0, 00243 |
-0, 00242 |
-0, 00240 |
-0, 00238 |
-0, 00236 |
-0, 00236 |
|
200 |
-0, 00227 |
-0, 00226 |
-0, 00226 |
-0, 00225 |
-0, 00224 |
-0, 00223 |
-0, 00221 |
-0, 00220 |
-0, 00218 |
-0, 00218 |
Продолжение таблицы Г.41
|
Kse, МН/м3 |
Значения единичного прогиба Y̅, в расчетном сечении при колее колес | |||||||||
|
1, 1 |
1, 2 |
1, 3 |
1, 4 |
1, 5 |
1, 6 |
1, 7 |
1, 8 |
1, 9 |
2, 0 | |
|
40 |
-0, 00783 |
-0, 00785 |
-0, 00788 |
-0, 00791 |
-0, 00796 |
-0, 00803 |
-0, 00811 |
-0, 00822 |
-0, 00837 |
-0, 00860 |
|
50 |
-0, 00649 |
-0, 00649 |
-0, 00649 |
-0, 00650 |
-0, 00651 |
-0, 00654 |
-0, 00658 |
-0, 00663 |
-0, 00670 |
-0, 00681 |
|
60 |
-0, 00558 |
-0, 00557 |
-0, 00556 |
-0, 00556 |
-0, 00555 |
-0, 00556 |
-0, 00557 |
-0, 00559 |
-0, 00563 |
-0, 00568 |
|
70 |
-0, 00492 |
-0, 00491 |
-0, 00489 |
-0, 00488 |
-0, 00486 |
-0, 00485 |
-0, 00485 |
-0, 00486 |
-0, 00487 |
-0, 00490 |
|
80 |
-0, 00442 |
-0, 00440 |
-0, 00438 |
-0, 00436 |
-0, 00434 |
-0, 00433 |
-0, 00431 |
-0, 00431 |
-0, 00431 |
-0, 00432 |
|
90 |
-0, 00402 |
-0, 00400 |
-0, 00398 |
-0, 00396 |
-0, 00393 |
-0, 00391 |
-0, 00389 |
-0, 00388 |
-0, 00387 |
-0, 00387 |
|
100 |
-0, 00370 |
-0, 00368 |
-0, 00365 |
-0, 00363 |
-0, 00360 |
-0, 00358 |
-0, 00356 |
-0, 00354 |
-0, 00352 |
-0, 00351 |
|
120 |
-0, 00320 |
-0, 00318 |
-0, 00315 |
-0, 00312 |
-0, 00310 |
-0, 00307 |
-0, 00304 |
-0, 00302 |
-0, 00300 |
-0, 00298 |
|
140 |
-0, 00283 |
-0, 00281 |
-0, 00278 |
-0, 00275 |
-0, 00273 |
-0, 00270 |
-0, 00267 |
-0, 00264 |
-0, 00262 |
-0, 00259 |
|
160 |
-0, 00255 |
-0, 00252 |
-0, 00250 |
-0, 00247 |
-0, 00244 |
-0, 00241 |
-0, 00238 |
-0, 00236 |
-0, 00233 |
-0, 00230 |
|
180 |
-0, 00232 |
-0, 00230 |
-0, 00227 |
-0, 00224 |
-0, 00222 |
-0, 00219 |
-0, 00216 |
-0, 00213 |
-0, 00210 |
-0, 00207 |
|
200 |
-0, 00213 |
-0, 00211 |
-0, 00209 |
-0, 00206 |
-0, 00203 |
-0, 00200 |
-0, 00197 |
-0, 00195 |
-0, 00192 |
-0, 00189 |
Примечание - для промежуточных значений величину Y̅ следует принимать по интерполяции.
Таблица Г.42
|
Kse, МН/м3 |
Значения единичного прогиба Y̅, в расчетном сечении при колее колес | |||||||||
|
0, 1 |
0, 2 |
0, 3 |
0, 4 |
0, 5 |
0, 6 |
0, 7 |
0, 8 |
0, 9 |
1 | |
|
40 |
-0, 00768 |
-0, 00767 |
-0, 00766 |
-0, 00765 |
-0, 00763 |
-0, 00761 |
-0, 00759 |
-0, 00756 |
-0, 00753 |
-0, 00753 |
|
50 |
-0, 00648 |
-0, 00648 |
-0, 00647 |
-0, 00646 |
-0, 00644 |
-0, 00642 |
-0, 00640 |
-0, 00637 |
-0, 00634 |
-0, 00634 |
|
60 |
-0, 00564 |
-0, 00564 |
-0, 00563 |
-0, 00562 |
-0, 00560 |
-0, 00558 |
-0, 00556 |
-0, 00554 |
-0, 00551 |
-0, 00551 |
|
70 |
-0, 00501 |
-0, 00501 |
-0, 00500 |
-0, 00499 |
-0, 00497 |
-0, 00496 |
-0, 00494 |
-0, 00491 |
-0, 00489 |
-0, 00489 |
|
80 |
-0, 00452 |
-0, 00451 |
-0, 00451 |
-0, 00450 |
-0, 00448 |
-0, 00447 |
-0, 00445 |
-0, 00443 |
-0, 00440 |
-0, 00440 |
|
90 |
-0, 00412 |
-0, 00412 |
-0, 00411 |
-0, 00410 |
-0, 00409 |
-0, 00407 |
-0, 00406 |
-0, 00403 |
-0, 00401 |
-0, 00401 |
|
100 |
-0, 00380 |
-0, 00379 |
-0, 00379 |
-0, 00378 |
-0, 00376 |
-0, 00375 |
-0, 00373 |
-0, 00371 |
-0, 00369 |
-0, 00369 |
|
120 |
-0, 00329 |
-0, 00328 |
-0, 00328 |
-0, 00327 |
-0, 00326 |
-0, 00324 |
-0, 00323 |
-0, 00321 |
-0, 00319 |
-0, 00319 |
|
140 |
-0, 00291 |
-0, 00291 |
-0, 00290 |
-0, 00289 |
-0, 00288 |
-0, 00287 |
-0, 00285 |
-0, 00284 |
-0, 00282 |
-0, 00282 |
|
160 |
-0, 00262 |
-0, 00261 |
-0, 00261 |
-0, 00260 |
-0, 00259 |
-0, 00258 |
-0, 00256 |
-0, 00255 |
-0, 00253 |
-0, 00253 |
|
180 |
-0, 00238 |
-0, 00238 |
-0, 00237 |
-0, 00237 |
-0, 00236 |
-0, 00234 |
-0, 00233 |
-0, 00232 |
-0, 00230 |
-0, 00230 |
|
200 |
-0, 00219 |
-0, 00218 |
-0, 00218 |
-0, 00217 |
-0, 00216 |
-0, 00215 |
-0, 00214 |
-0, 00213 |
-0, 00211 |
-0, 00211 |
Продолжение таблицы Г.42
|
Kse, МН/м3 |
Значения единичного прогиба Y̅, в расчетном сечении при колее колес | |||||||||
|
1, 1 |
1, 2 |
1, 3 |
1, 4 |
1, 5 |
1, 6 |
1, 7 |
1, 8 |
1, 9 |
2, 0 | |
|
40 |
-0, 00747 |
-0, 00743 |
-0, 00739 |
-0, 00734 |
-0, 00730 |
-0, 00725 |
-0, 00720 |
-0, 00716 |
-0, 00711 |
-0, 00705 |
|
50 |
-0, 00628 |
-0, 00624 |
-0, 00620 |
-0, 00616 |
-0, 00612 |
-0, 00607 |
-0, 00602 |
-0, 00597 |
-0, 00592 |
-0, 00587 |
|
60 |
-0, 00545 |
-0, 00541 |
-0, 00537 |
-0, 00533 |
-0, 00529 |
-0, 00525 |
-0, 00520 |
-0, 00515 |
-0, 00510 |
-0, 00505 |
|
70 |
-0, 00483 |
-0, 00479 |
-0, 00476 |
-0, 00472 |
-0, 00468 |
-0, 00464 |
-0, 00459 |
-0, 00455 |
-0, 00450 |
-0, 00445 |
|
80 |
-0, 00434 |
-0, 00431 |
-0, 00428 |
-0, 00424 |
-0, 00420 |
-0, 00416 |
-0, 00412 |
-0, 00408 |
-0, 00403 |
-0, 00398 |
|
90 |
-0, 00396 |
-0, 00393 |
-0, 00389 |
-0, 00386 |
-0, 00382 |
-0, 00378 |
-0, 00374 |
-0, 00370 |
-0, 00366 |
-0, 00361 |
|
100 |
-0, 00364 |
-0, 00361 |
-0, 00358 |
-0, 00354 |
-0, 00351 |
-0, 00347 |
-0, 00343 |
-0, 00339 |
-0, 00335 |
-0, 00331 |
|
120 |
-0, 00314 |
-0, 00312 |
-0, 00309 |
-0, 00306 |
-0, 00302 |
-0, 00299 |
-0, 00295 |
-0, 00292 |
-0, 00288 |
-0, 00284 |
|
140 |
-0, 00277 |
-0, 00275 |
-0, 00272 |
-0, 00269 |
-0, 00266 |
-0, 00263 |
-0, 00260 |
-0, 00257 |
-0, 00253 |
-0, 00249 |
|
160 |
-0, 00249 |
-0, 00247 |
-0, 00244 |
-0, 00241 |
-0, 00239 |
-0, 00236 |
-0, 00233 |
-0, 00229 |
-0, 00226 |
-0, 00223 |
|
180 |
-0, 00226 |
-0, 00224 |
-0, 00222 |
-0, 00219 |
-0, 00216 |
-0, 00214 |
-0, 00211 |
-0, 00208 |
-0, 00205 |
-0, 00201 |
|
200 |
-0, 00207 |
-0, 00205 |
-0, 00203 |
-0, 00201 |
-0, 00198 |
-0, 00196 |
-0, 00193 |
-0, 00190 |
-0, 00187 |
-0, 00184 |
Примечание - для промежуточных значений величину Y̅ следует принимать по интерполяции.
Таблица Г.43
|
Kse, МН/м3 |
Значения единичного момента M̅, в расчетном сечении при колее колес | |||||||||
|
0, 1 |
0, 2 |
0, 3 |
0, 4 |
0, 5 |
0, 6 |
0, 7 |
0, 8 |
0, 9 |
1 | |
|
40 |
0, 95215 |
0, 94220 |
0, 92572 |
0, 90242 |
0, 87260 |
0, 83623 |
0, 79303 |
0, 74339 |
0, 68713 |
0, 68713 |
|
50 |
0, 94180 |
0, 93198 |
0, 91567 |
0, 89260 |
0, 86311 |
0, 82710 |
0, 78432 |
0, 73520 |
0, 67946 |
0, 67946 |
|
60 |
0, 93173 |
0, 92201 |
0, 90587 |
0, 88303 |
0, 85387 |
0, 81821 |
0, 77583 |
0, 72723 |
0, 67200 |
0, 67200 |
|
70 |
0, 92191 |
0, 91231 |
0, 89633 |
0, 87370 |
0, 84487 |
0, 80955 |
0, 76756 |
0, 71946 |
0, 66472 |
0, 66472 |
|
80 |
0, 91235 |
0, 90284 |
0, 88702 |
0, 86462 |
0, 83609 |
0, 80110 |
0, 75950 |
0, 71188 |
0, 65762 |
0, 65762 |
|
90 |
0, 90302 |
0, 89362 |
0, 87795 |
0, 85576 |
0, 82753 |
0, 79287 |
0, 75168 |
0, 70449 |
0, 65070 |
0, 65070 |
|
100 |
0, 89392 |
0, 88462 |
0, 86910 |
0, 84712 |
0, 81918 |
0, 78484 |
0, 74406 |
0, 69728 |
0, 64395 |
0, 64395 |
|
120 |
0, 87638 |
0, 86728 |
0, 85205 |
0, 83046 |
0, 80309 |
0, 76935 |
0, 72936 |
0, 68338 |
0, 63093 |
0, 63093 |
|
140 |
0, 85967 |
0, 85075 |
0, 83579 |
0, 81460 |
0, 78774 |
0, 75458 |
0, 71535 |
0, 67013 |
0, 61851 |
0, 61851 |
|
160 |
0, 84373 |
0, 83498 |
0, 82028 |
0, 79950 |
0, 77310 |
0, 74049 |
0, 70197 |
0, 65747 |
0, 60665 |
0, 60665 |
|
180 |
0, 82850 |
0, 81992 |
0, 80547 |
0, 78507 |
0, 75911 |
0, 72703 |
0, 68919 |
0, 64538 |
0, 59536 |
0, 59536 |
|
200 |
0, 81394 |
0, 80552 |
0, 79130 |
0, 77128 |
0, 74574 |
0, 71415 |
0, 67696 |
0, 63381 |
0, 58460 |
0, 58460 |
Продолжение таблицы Г.43
|
Kse, МН/м3 |
Значения единичного момента M̅, в расчетном сечении при колее колес | |||||||||
|
1, 1 |
1, 2 |
1, 3 |
1, 4 |
1, 5 |
1, 6 |
1, 7 |
1, 8 |
1, 9 |
2, 0 | |
|
40 |
0, 57064 |
0, 51509 |
0, 46137 |
0, 40941 |
0, 35906 |
0, 31051 |
0, 26342 |
0, 21803 |
0, 17399 |
0, 13151 |
|
50 |
0, 56390 |
0, 50890 |
0, 45581 |
0, 40451 |
0, 35487 |
0, 30705 |
0, 26071 |
0, 21609 |
0, 17282 |
0, 13112 |
|
60 |
0, 55734 |
0, 50288 |
0, 45039 |
0, 39973 |
0, 35078 |
0, 30368 |
0, 25808 |
0, 21420 |
0, 17168 |
0, 13074 |
|
70 |
0, 55094 |
0, 49700 |
0, 44511 |
0, 39508 |
0, 34680 |
0, 30039 |
0, 25551 |
0, 21236 |
0, 17058 |
0, 13036 |
|
80 |
0, 54471 |
0, 49128 |
0, 43997 |
0, 39055 |
0, 34293 |
0, 29719 |
0, 25301 |
0, 21057 |
0, 16950 |
0, 12999 |
|
90 |
0, 53863 |
0, 48570 |
0, 43495 |
0, 38613 |
0, 33914 |
0, 29407 |
0, 25058 |
0, 20882 |
0, 16844 |
0, 12963 |
|
100 |
0, 53269 |
0, 48027 |
0, 43006 |
0, 38182 |
0, 33546 |
0, 29103 |
0, 24820 |
0, 20711 |
0, 16742 |
0, 12928 |
|
120 |
0, 52125 |
0, 46981 |
0, 42063 |
0, 37352 |
0, 32835 |
0, 28517 |
0, 24361 |
0, 20382 |
0, 16543 |
0, 12859 |
|
140 |
0, 51035 |
0, 45984 |
0, 41164 |
0, 36560 |
0, 32157 |
0, 27958 |
0, 23925 |
0, 20069 |
0, 16354 |
0, 12794 |
|
160 |
0, 49999 |
0, 45032 |
0, 40306 |
0, 35804 |
0, 31511 |
0, 27425 |
0, 23508 |
0, 19770 |
0, 16173 |
-0, 12763 |
|
180 |
0, 49009 |
0, 44122 |
0, 39486 |
0, 35083 |
0, 30893 |
0, 26916 |
0, 23110 |
0, 19484 |
0, 16000 |
-0, 12765 |
|
200 |
0, 48062 |
0, 43252 |
0, 38703 |
0, 34393 |
0, 30303 |
0, 26429 |
0, 22730 |
0, 19211 |
0, 15834 |
-0, 12766 |
Примечание - для промежуточных значений величину M̅ следует принимать по интерполяции.
Таблица Г.44
|
Kse, МН/м3 |
Значения единичного момента M̅, в расчетном сечении при колее колес | |||||||||
|
0, 1 |
0, 2 |
0, 3 |
0, 4 |
0, 5 |
0, 6 |
0, 7 |
0, 8 |
0, 9 |
1 | |
|
40 |
1, 33690 |
1, 32880 |
1, 31520 |
1, 29610 |
1, 27160 |
1, 24170 |
1, 20620 |
1, 16520 |
1, 11870 |
1, 11870 |
|
50 |
1, 28440 |
1, 27650 |
1, 26330 |
1, 24480 |
1, 22100 |
1, 19190 |
1, 15750 |
1, 11770 |
1, 07250 |
1, 07250 |
|
60 |
1, 23710 |
1, 22940 |
1, 21660 |
1, 19860 |
1, 17540 |
1, 14710 |
1, 11360 |
1, 07480 |
1, 03080 |
1, 03080 |
|
70 |
1, 19430 |
1, 18680 |
1, 17420 |
1, 15670 |
1, 13410 |
1, 10650 |
1, 07380 |
1, 03600 |
0, 99300 |
0, 99300 |
|
80 |
1, 15530 |
1, 14800 |
1, 13570 |
1, 11860 |
1, 09660 |
1, 06960 |
1, 03760 |
1, 00060 |
0, 95859 |
0, 95859 |
|
90 |
1, 11970 |
1, 11250 |
1, 10050 |
1, 08380 |
1, 06220 |
1, 03580 |
1, 00450 |
0, 96825 |
0, 92710 |
0, 92710 |
|
100 |
1, 08700 |
1, 08000 |
1, 06820 |
1, 05180 |
1, 03070 |
1, 00470 |
0, 97406 |
0, 93855 |
0, 89818 |
0, 89818 |
|
120 |
1, 02910 |
1, 02230 |
1, 01100 |
0, 99514 |
0, 97474 |
0, 94974 |
0, 92012 |
0, 88583 |
0, 84684 |
0, 84684 |
|
140 |
0, 97929 |
0, 97273 |
0, 96178 |
0, 94643 |
0, 92665 |
0, 90243 |
0, 87371 |
0, 84046 |
0, 80264 |
0, 80264 |
|
160 |
0, 93603 |
0, 92965 |
0, 91900 |
0, 90407 |
0, 88484 |
0, 86127 |
0, 83333 |
0, 80097 |
0, 76414 |
0, 76414 |
|
180 |
0, 89807 |
0, 89184 |
0, 88146 |
0, 86689 |
0, 84812 |
0, 82512 |
0, 79784 |
0, 76625 |
0, 73029 |
0, 73029 |
|
200 |
0, 86446 |
0, 85837 |
0, 84821 |
0, 83396 |
0, 81559 |
0, 79308 |
0, 76639 |
0, 73546 |
0, 70026 |
0, 70026 |
Продолжение таблицы Г.44
|
Kse, МН/м3 |
Значения единичного момента M̅, в расчетном сечении при колее колес | |||||||||
|
1, 1 |
1, 2 |
1, 3 |
1, 4 |
1, 5 |
1, 6 |
1, 7 |
1, 8 |
1, 9 |
2, 0 | |
|
40 |
1, 01590 |
0, 96577 |
0, 91698 |
0, 86924 |
0, 82294 |
0, 77775 |
0, 73350 |
0, 69068 |
0, 64862 |
0, 60766 |
|
50 |
0, 97195 |
0, 92326 |
0, 87588 |
0, 82972 |
0, 78522 |
0, 74187 |
0, 69960 |
0, 65882 |
0, 61892 |
0, 58018 |
|
60 |
0, 93246 |
0, 88493 |
0, 83884 |
0, 79415 |
0, 75123 |
0, 70953 |
0, 66906 |
0, 63013 |
0, 59217 |
0, 55543 |
|
70 |
0, 89670 |
0, 85020 |
0, 80528 |
0, 76196 |
0, 72043 |
0, 68025 |
0, 64139 |
0, 60415 |
0, 56796 |
0, 53303 |
|
80 |
0, 86413 |
0, 81857 |
0, 77472 |
0, 73264 |
0, 69240 |
0, 65359 |
0, 61622 |
0, 58052 |
0, 54594 |
0, 51266 |
|
90 |
0, 83433 |
0, 78963 |
0, 74676 |
0, 70583 |
0, 66676 |
0, 62923 |
0, 59320 |
0, 55892 |
0, 52583 |
0, 49405 |
|
100 |
0, 80695 |
0, 76304 |
0, 72109 |
0, 68120 |
0, 64322 |
0, 60686 |
0, 57208 |
0, 53910 |
0, 50737 |
0, 47698 |
|
120 |
0, 75834 |
0, 71586 |
0, 67553 |
0, 63751 |
0, 60147 |
0, 56721 |
0, 53463 |
0, 50398 |
0, 47469 |
0, 44674 |
|
140 |
0, 71665 |
0, 67524 |
0, 63635 |
0, 59991 |
0, 56556 |
0, 53313 |
0, 50245 |
0, 47381 |
0, 44663 |
0, 42078 |
|
160 |
0, 68090 |
0, 64126 |
0, 60353 |
0, 56759 |
0, 53432 |
0, 50349 |
0, 47452 |
0, 44760 |
0, 42227 |
0, 39828 |
|
180 |
0, 64942 |
0, 61142 |
0, 57555 |
0, 54141 |
0, 50891 |
0, 47752 |
0, 45002 |
0, 42461 |
0, 40091 |
0, 37860 |
|
200 |
0, 62144 |
0, 58488 |
0, 55063 |
0, 51828 |
0, 48738 |
0, 45797 |
0, 42922 |
0, 40427 |
0, 38203 |
0, 36122 |
Примечание - для промежуточных значений величину M̅ следует принимать по интерполяции.
Таблица Г.45
|
Kse, МН/м3 |
Значения единичного момента M̅, в расчетном сечении при колее колес | |||||||||
|
0, 1 |
0, 2 |
0, 3 |
0, 4 |
0, 5 |
0, 6 |
0, 7 |
0, 8 |
0, 9 |
1 | |
|
40 |
1, 42530 |
1, 41780 |
1, 40690 |
1, 39110 |
1, 37020 |
1, 34420 |
1, 31480 |
1, 28050 |
1, 24100 |
1, 24100 |
|
50 |
1, 32790 |
1, 32060 |
1, 31010 |
1, 29480 |
1, 27470 |
1, 24960 |
1, 22110 |
1, 18790 |
1, 14980 |
1, 14980 |
|
60 |
1, 24880 |
1, 24180 |
1, 23150 |
1, 21660 |
1, 19700 |
1, 17270 |
1, 14480 |
1, 11260 |
1, 07550 |
1, 07550 |
|
70 |
1, 18320 |
1, 17630 |
1, 16630 |
1, 15180 |
1, 13260 |
1, 10880 |
1, 08150 |
1, 05000 |
1, 01380 |
1, 01380 |
|
80 |
1, 12790 |
1, 12110 |
1, 11120 |
1, 09700 |
1, 07820 |
1, 05490 |
1, 02800 |
0, 99716 |
0, 96164 |
0, 96164 |
|
90 |
1, 08040 |
1, 07370 |
1, 06400 |
1, 05000 |
1, 03160 |
1, 00860 |
0, 98217 |
0, 95180 |
0, 91687 |
0, 91687 |
|
100 |
1, 03930 |
1, 03270 |
1, 02310 |
1, 00930 |
0, 99111 |
0, 96847 |
0, 94236 |
0, 91242 |
0, 87798 |
0, 87798 |
|
120 |
0, 97132 |
0, 96486 |
0, 95547 |
0, 94200 |
0, 92421 |
0, 90206 |
0, 87650 |
0, 84724 |
0, 81357 |
0, 81357 |
|
140 |
0, 91726 |
0, 91091 |
0, 90168 |
0, 88844 |
0, 87095 |
0, 84918 |
0, 82406 |
0, 79530 |
0, 76221 |
0, 76221 |
|
160 |
0, 87305 |
0, 86679 |
0, 85769 |
0, 84463 |
0, 82737 |
0, 80590 |
0, 78112 |
0, 75276 |
0, 72012 |
0, 72012 |
|
180 |
0, 83609 |
0, 82989 |
0, 82090 |
0, 80798 |
0, 79091 |
0, 76967 |
0, 74518 |
0, 71713 |
0, 68486 |
0, 68486 |
|
200 |
0, 80460 |
0, 79846 |
0, 78956 |
0, 77676 |
0, 75984 |
0, 73879 |
0, 71455 |
0, 68676 |
0, 65479 |
0, 65479 |
Продолжение таблицы Г.45
|
Kse, МН/м3 |
Значения единичного момента M̅, в расчетном сечении при колее колес | |||||||||
|
1, 1 |
1, 2 |
1, 3 |
1, 4 |
1, 5 |
1, 6 |
1, 7 |
1, 8 |
1, 9 |
2, 0 | |
|
40 |
1, 15160 |
1, 10760 |
1, 06500 |
1, 02420 |
0, 98452 |
0, 94675 |
0, 91017 |
0, 87462 |
0, 84097 |
0, 80819 |
|
50 |
1, 06360 |
1, 02180 |
0, 98188 |
0, 94343 |
0, 90635 |
0, 87048 |
0, 83566 |
0, 80171 |
0, 76862 |
0, 73801 |
|
60 |
0, 99219 |
0, 95224 |
0, 91414 |
0, 87785 |
0, 84328 |
0, 81012 |
0, 77820 |
0, 74732 |
0, 71729 |
0, 68792 |
|
70 |
0, 93276 |
0, 89433 |
0, 85795 |
0, 82347 |
0, 79069 |
0, 75961 |
0, 73005 |
0, 70167 |
0, 67427 |
0, 64763 |
|
80 |
0, 88243 |
0, 84524 |
0, 81027 |
0, 77736 |
0, 74631 |
0, 71693 |
0, 68901 |
0, 66270 |
0, 63749 |
0, 61313 |
|
90 |
0, 83919 |
0, 80302 |
0, 76922 |
0, 73762 |
0, 70801 |
0, 68020 |
0, 65396 |
0, 62907 |
0, 60560 |
0, 58318 |
|
100 |
0, 80157 |
0, 76626 |
0, 73345 |
0, 70295 |
0, 67457 |
0, 64809 |
0, 62329 |
0, 59992 |
0, 57774 |
0, 55686 |
|
120 |
0, 73917 |
0, 70520 |
0, 67394 |
0, 64520 |
0, 61877 |
0, 59443 |
0, 57194 |
0, 55105 |
0, 53150 |
0, 51301 |
|
140 |
0, 68930 |
0, 65633 |
0, 62623 |
0, 59882 |
0, 57388 |
0, 55117 |
0, 53046 |
0, 51149 |
0, 49397 |
0, 47764 |
|
160 |
0, 64835 |
0, 61615 |
0, 58695 |
0, 56058 |
0, 53680 |
0, 51539 |
0, 49609 |
0, 47864 |
0, 46275 |
0, 44815 |
|
180 |
0, 61399 |
0, 58240 |
0, 55392 |
0, 52838 |
0, 50564 |
0, 48530 |
0, 46707 |
0, 45081 |
0, 43627 |
0, 42309 |
|
200 |
0, 58465 |
0, 55355 |
0, 52566 |
0, 50096 |
0, 47906 |
0, 45961 |
0, 44237 |
0, 42705 |
0, 41343 |
0, 40144 |
Примечание - для промежуточных значений величину M̅ следует принимать по интерполяции.
Таблица Г.46
|
Kse, МН/м3 |
Значения единичной поперечной силы Q̅, в расчетном сечении при колее колес | |||||||||
|
0, 1 |
0, 2 |
0, 3 |
0, 4 |
0, 5 |
0, 6 |
0, 7 |
0, 8 |
0, 9 |
1 | |
|
40 |
0, 77099 |
0, 75599 |
0, 73980 |
0, 72220 |
0, 70292 |
0, 68170 |
0, 65827 |
0, 63235 |
0, 60363 |
0, 60363 |
|
50 |
0, 76695 |
0, 75147 |
0, 73490 |
0, 71700 |
0, 69752 |
0, 67622 |
0, 65282 |
0, 62703 |
0, 59856 |
0, 59856 |
|
60 |
0, 76301 |
0, 74708 |
0, 73012 |
0, 71193 |
0, 69227 |
0, 67088 |
0, 64750 |
0, 62185 |
0, 59361 |
0, 59361 |
|
70 |
0, 75917 |
0, 74279 |
0, 72547 |
0, 70700 |
0, 68715 |
0, 66567 |
0, 64232 |
0, 61679 |
0, 58879 |
0, 58879 |
|
80 |
0, 75542 |
0, 73861 |
0, 72093 |
0, 70218 |
0, 68215 |
0, 66060 |
0, 63726 |
0, 61186 |
0, 58408 |
0, 58408 |
|
90 |
0, 75177 |
0, 73454 |
0, 71651 |
0, 69749 |
0, 67728 |
0, 65565 |
0, 63234 |
0, 60705 |
0, 57949 |
0, 57949 |
|
100 |
0, 74821 |
0, 73056 |
0, 71219 |
0, 69291 |
0, 67253 |
0, 65082 |
0, 62753 |
0, 60236 |
0, 57501 |
0, 57501 |
|
120 |
0, 74133 |
0, 72289 |
0, 70386 |
0, 68409 |
0, 66337 |
0, 64151 |
0, 61825 |
0, 59331 |
0, 56636 |
0, 56636 |
|
140 |
0, 73477 |
0, 71557 |
0, 69592 |
0, 67567 |
0, 65464 |
0, 63263 |
0, 60940 |
0, 58467 |
0, 55811 |
0, 55811 |
|
160 |
0, 72850 |
0, 70859 |
0, 68834 |
0, 66763 |
0, 64630 |
0, 62416 |
0, 60095 |
0, 57642 |
0, 55023 |
0, 55023 |
|
180 |
0, 72250 |
0, 70191 |
0, 68110 |
0, 65996 |
0, 63834 |
0, 61605 |
0, 59288 |
0, 56853 |
0, 54269 |
0, 54269 |
|
200 |
0, 71676 |
0, 69552 |
0, 67417 |
0, 65261 |
0, 63072 |
0, 60830 |
0, 58515 |
0, 56098 |
0, 53547 |
0, 53547 |
Продолжение таблицы Г.46
|
Kse, МН/м3 |
Значения единичной поперечной силы Q̅, в расчетном сечении при колее колес | |||||||||
|
1, 1 |
1, 2 |
1, 3 |
1, 4 |
1, 5 |
1, 6 |
1, 7 |
1, 8 |
1, 9 |
2, 0 | |
|
40 |
0, 53651 |
0, 49743 |
0, 45418 |
0, 40638 |
0, 36143 |
0, 33382 |
0, 30625 |
0, 31555 |
0, 34514 |
0, 37473 |
|
50 |
0, 53222 |
0, 49366 |
0, 45098 |
0, 40379 |
0, 35989 |
0, 33256 |
0, 30528 |
0, 31489 |
0, 34465 |
0, 37442 |
|
60 |
0, 52804 |
0, 48998 |
0, 44786 |
0, 40127 |
0, 35838 |
0, 33133 |
0, 30433 |
0, 31423 |
0, 34418 |
0, 37411 |
|
70 |
0, 52396 |
0, 48639 |
0, 44482 |
0, 39881 |
0, 35691 |
0, 33012 |
0, 30340 |
0, 31360 |
0, 34371 |
0, 37381 |
|
80 |
0, 51998 |
0, 48288 |
0, 44185 |
0, 39640 |
0, 35547 |
0, 32894 |
0, 30249 |
0, 31298 |
0, 34325 |
0, 37351 |
|
90 |
0, 51609 |
0, 47946 |
0, 43895 |
0, 39406 |
0, 35407 |
0, 32779 |
0, 30161 |
0, 31237 |
0, 34280 |
0, 37321 |
|
100 |
0, 51230 |
0, 47612 |
0, 43611 |
0, 39176 |
0, 35269 |
0, 32667 |
0, 30074 |
0, 31178 |
0, 34236 |
0, 37292 |
|
120 |
0, 50498 |
0, 46967 |
0, 43064 |
0, 38733 |
0, 35003 |
0, 32449 |
0, 29907 |
0, 31064 |
0, 34150 |
0, 37234 |
|
140 |
0, 49798 |
0, 46351 |
0, 42541 |
0, 38309 |
0, 34748 |
0, 32241 |
0, 29747 |
0, 30955 |
0, 34067 |
0, 37177 |
|
160 |
0, 49129 |
0, 45761 |
0, 42040 |
0, 37904 |
0, 34504 |
0, 32041 |
0, 29593 |
0, 30850 |
0, 33987 |
0, 37121 |
|
180 |
0, 48488 |
0, 45196 |
0, 41560 |
0, 37515 |
0, 34269 |
0, 31849 |
0, 29445 |
0, 30750 |
0, 33910 |
0, 37066 |
|
200 |
0, 47875 |
0, 44655 |
0, 41100 |
0, 37142 |
0, 34043 |
0, 31664 |
0, 29304 |
0, 30654 |
0, 33835 |
0, 37012 |
Примечание - для промежуточных значений величину Q̅ следует принимать по интерполяции.
Таблица Г.47
|
Kse, МН/м3 |
Значения единичной поперечной силы Q̅, в расчетном сечении при колее колес | |||||||||
|
0, 1 |
0, 2 |
0, 3 |
0, 4 |
0, 5 |
0, 6 |
0, 7 |
0, 8 |
0, 9 |
1 | |
|
40 |
0, 80739 |
0, 79282 |
0, 77825 |
0, 76370 |
0, 74913 |
0, 73453 |
0, 71987 |
0, 70511 |
0, 69021 |
0, 69021 |
|
50 |
0, 79767 |
0, 78183 |
0, 76608 |
0, 75043 |
0, 73488 |
0, 71942 |
0, 70402 |
0, 68867 |
0, 67332 |
0, 67332 |
|
60 |
0, 78888 |
0, 77190 |
0, 75509 |
0, 73846 |
0, 72203 |
0, 70580 |
0, 68975 |
0, 67386 |
0, 65811 |
0, 65811 |
|
70 |
0, 78088 |
0, 76288 |
0, 74511 |
0, 72761 |
0, 71039 |
0, 69345 |
0, 67681 |
0, 66044 |
0, 64432 |
0, 64432 |
|
80 |
0, 77356 |
0, 75464 |
0, 73601 |
0, 71771 |
0, 69977 |
0, 68221 |
0, 66503 |
0, 64821 |
0, 63176 |
0, 63176 |
|
90 |
0, 76684 |
0, 74708 |
0, 72767 |
0, 70865 |
0, 69006 |
0, 67192 |
0, 65425 |
0, 63703 |
0, 62027 |
0, 62027 |
|
100 |
0, 76063 |
0, 74011 |
0, 71999 |
0, 70032 |
0, 68114 |
0, 66247 |
0, 64435 |
0, 62676 |
0, 60971 |
0, 60971 |
|
120 |
0, 74993 |
0, 72840 |
0, 70725 |
0, 68651 |
0, 66618 |
0, 64628 |
0, 62682 |
0, 60853 |
0, 59097 |
0, 59097 |
|
140 |
0, 74112 |
0, 71930 |
0, 69790 |
0, 67694 |
0, 65645 |
0, 63644 |
0, 61692 |
0, 59788 |
0, 57933 |
0, 57933 |
|
160 |
0, 73331 |
0, 71119 |
0, 68954 |
0, 66838 |
0, 64773 |
0, 62760 |
0, 60800 |
0, 58894 |
0, 57042 |
0, 57042 |
|
180 |
0, 72631 |
0, 70390 |
0, 68200 |
0, 66063 |
0, 63982 |
0, 61957 |
0, 59990 |
0, 58081 |
0, 56230 |
0, 56230 |
|
200 |
0, 71997 |
0, 69729 |
0, 67514 |
0, 65357 |
0, 63259 |
0, 61222 |
0, 59247 |
0, 57335 |
0, 55485 |
0, 55485 |
Продолжение таблицы Г.47
|
Kse, МН/м3 |
Значения единичной поперечной силы Q̅, в расчетном сечении при колее колес | |||||||||
|
1, 1 |
1, 2 |
1, 3 |
1, 4 |
1, 5 |
1, 6 |
1, 7 |
1, 8 |
1, 9 |
2, 0 | |
|
40 |
0, 65975 |
0, 64406 |
0, 62796 |
0, 61134 |
0, 59411 |
0, 57613 |
0, 55728 |
0, 53740 |
0, 51635 |
0, 49393 |
|
50 |
0, 64244 |
0, 62678 |
0, 61086 |
0, 59460 |
0, 57787 |
0, 56056 |
0, 54251 |
0, 52359 |
0, 50360 |
0, 48235 |
|
60 |
0, 62683 |
0, 61119 |
0, 59543 |
0, 57947 |
0, 56319 |
0, 54647 |
0, 52915 |
0, 51107 |
0, 49204 |
0, 47186 |
|
70 |
0, 61267 |
0, 59704 |
0, 58142 |
0, 56573 |
0, 54986 |
0, 53366 |
0, 51699 |
0, 49967 |
0, 48151 |
0, 46228 |
|
80 |
0, 59977 |
0, 58414 |
0, 56864 |
0, 55320 |
0, 53768 |
0, 52195 |
0, 50587 |
0, 48924 |
0, 47186 |
0, 45351 |
|
90 |
0, 58796 |
0, 57233 |
0, 55694 |
0, 54170 |
0, 52650 |
0, 51121 |
0, 49565 |
0, 47965 |
0, 46299 |
0, 44543 |
|
100 |
0, 57711 |
0, 56146 |
0, 54616 |
0, 53112 |
0, 51621 |
0, 50130 |
0, 48622 |
0, 47080 |
0, 45479 |
0, 43797 |
|
120 |
0, 55782 |
0, 54215 |
0, 52700 |
0, 51227 |
0, 49786 |
0, 48362 |
0, 46939 |
0, 45497 |
0, 44012 |
0, 42459 |
|
140 |
0, 54368 |
0, 52656 |
0, 51044 |
0, 49598 |
0, 48197 |
0, 46830 |
0, 45477 |
0, 44120 |
0, 42735 |
0, 41293 |
|
160 |
0, 53497 |
0, 51802 |
0, 50157 |
0, 48561 |
0, 47012 |
0, 45508 |
0, 44193 |
0, 42909 |
0, 41609 |
0, 40265 |
|
180 |
0, 52702 |
0, 51022 |
0, 49396 |
0, 47824 |
0, 46302 |
0, 44828 |
0, 43401 |
0, 42018 |
0, 40675 |
0, 39371 |
|
200 |
0, 51971 |
0, 50304 |
0, 48696 |
0, 47145 |
0, 45648 |
0, 44202 |
0, 42807 |
0, 41458 |
0, 40153 |
0, 38890 |
Примечание - для промежуточных значений величину Q̅ следует принимать по интерполяции.
Таблица Г.48
|
Kse, МН/м3 |
Значения единичной поперечной силы Q̅, в расчетном сечении при колее колес | |||||||||
|
0, 1 |
0, 2 |
0, 3 |
0, 4 |
0, 5 |
0, 6 |
0, 7 |
0, 8 |
0, 9 |
1 | |
|
40 |
0, 80728 |
0, 77979 |
0, 77296 |
0, 74708 |
0, 73972 |
0, 71523 |
0, 70778 |
0, 68430 |
0, 67732 |
0, 67732 |
|
50 |
0, 79630 |
0, 76870 |
0, 75939 |
0, 73526 |
0, 72377 |
0, 70283 |
0, 68971 |
0, 67148 |
0, 65744 |
0, 65744 |
|
60 |
0, 78716 |
0, 75931 |
0, 74820 |
0, 72517 |
0, 71070 |
0, 69218 |
0, 67614 |
0, 66041 |
0, 64501 |
0, 64501 |
|
70 |
0, 77939 |
0, 75119 |
0, 73877 |
0, 71638 |
0, 69974 |
0, 68284 |
0, 66657 |
0, 65066 |
0, 63511 |
0, 63511 |
|
80 |
0, 77265 |
0, 74404 |
0, 73066 |
0, 70859 |
0, 69137 |
0, 67452 |
0, 65804 |
0, 64194 |
0, 62624 |
0, 62624 |
|
90 |
0, 76671 |
0, 73766 |
0, 72358 |
0, 70158 |
0, 68410 |
0, 66700 |
0, 65032 |
0, 63405 |
0, 61820 |
0, 61820 |
|
100 |
0, 76142 |
0, 73190 |
0, 71730 |
0, 69522 |
0, 67748 |
0, 66015 |
0, 64326 |
0, 62682 |
0, 61084 |
0, 61084 |
|
120 |
0, 75228 |
0, 72179 |
0, 70660 |
0, 68399 |
0, 66575 |
0, 64800 |
0, 63073 |
0, 61397 |
0, 59772 |
0, 59772 |
|
140 |
0, 74457 |
0, 71309 |
0, 69768 |
0, 67425 |
0, 65557 |
0, 63742 |
0, 61980 |
0, 60274 |
0, 58625 |
0, 58625 |
|
160 |
0, 73788 |
0, 70543 |
0, 69002 |
0, 66564 |
0, 64654 |
0, 62802 |
0, 61008 |
0, 59275 |
0, 57604 |
0, 57604 |
|
180 |
0, 73194 |
0, 69856 |
0, 68329 |
0, 65788 |
0, 63840 |
0, 61954 |
0, 60131 |
0, 58373 |
0, 56681 |
0, 56681 |
|
200 |
0, 72659 |
0, 69231 |
0, 67726 |
0, 65080 |
0, 63097 |
0, 61180 |
0, 59330 |
0, 57549 |
0, 55839 |
0, 55839 |
Продолжение таблицы Г.48
|
Kse, МН/м3 |
Значения единичной поперечной силы Q̅, в расчетном сечении при колее колес | |||||||||
|
1, 1 |
1, 2 |
1, 3 |
1, 4 |
1, 5 |
1, 6 |
1, 7 |
1, 8 |
1, 9 |
2, 0 | |
|
40 |
0, 64847 |
0, 62531 |
0, 62127 |
0, 59812 |
0, 59570 |
0, 57353 |
0, 57165 |
0, 55034 |
0, 54891 |
0, 52828 |
|
50 |
0, 62711 |
0, 61218 |
0, 59882 |
0, 58426 |
0, 57258 |
0, 55747 |
0, 54831 |
0, 53178 |
0, 52582 |
0, 50715 |
|
60 |
0, 61518 |
0, 60076 |
0, 58667 |
0, 57290 |
0, 55946 |
0, 54634 |
0, 53353 |
0, 52103 |
0, 50883 |
0, 49692 |
|
70 |
0, 60509 |
0, 59064 |
0, 57655 |
0, 56282 |
0, 54945 |
0, 53644 |
0, 52378 |
0, 51146 |
0, 49947 |
0, 48781 |
|
80 |
0, 59604 |
0, 58154 |
0, 56744 |
0, 55374 |
0, 54044 |
0, 52752 |
0, 51499 |
0, 50283 |
0, 49103 |
0, 47959 |
|
90 |
0, 58781 |
0, 57326 |
0, 55915 |
0, 54547 |
0, 53222 |
0, 51939 |
0, 50697 |
0, 49496 |
0, 48333 |
0, 47209 |
|
100 |
0, 58026 |
0, 56567 |
0, 55154 |
0, 53788 |
0, 52468 |
0, 51192 |
0, 49960 |
0, 48772 |
0, 47626 |
0, 46520 |
|
120 |
0, 56678 |
0, 55210 |
0, 53795 |
0, 52431 |
0, 51118 |
0, 49856 |
0, 48643 |
0, 47479 |
0, 46361 |
0, 45289 |
|
140 |
0, 55499 |
0, 54023 |
0, 52604 |
0, 51242 |
0, 49936 |
0, 48686 |
0, 47490 |
0, 46346 |
0, 45254 |
0, 44211 |
|
160 |
0, 54448 |
0, 52964 |
0, 51543 |
0, 50183 |
0, 48884 |
0, 47644 |
0, 46463 |
0, 45339 |
0, 44270 |
0, 43254 |
|
180 |
0, 53499 |
0, 52009 |
0, 50585 |
0, 49227 |
0, 47934 |
0, 46705 |
0, 45538 |
0, 44432 |
0, 43384 |
0, 42393 |
|
200 |
0, 52633 |
0, 51137 |
0, 49712 |
0, 48356 |
0, 47070 |
0, 45851 |
0, 44697 |
0, 43607 |
0, 42580 |
0, 41612 |
Примечание - для промежуточных значений величину Q̅ следует принимать по интерполяции.
Таблица Г.49
|
Kse, МН/м3 |
Значения единичного прогиба Y̅, в расчетном сечении при колее колес | |||||||||
|
0, 1 |
0, 2 |
0, 3 |
0, 4 |
0, 5 |
0, 6 |
0, 7 |
0, 8 |
0, 9 |
1 | |
|
40 |
-0, 00392 |
-0, 00391 |
-0, 00389 |
-0, 00386 |
-0, 00382 |
-0, 00378 |
-0, 00373 |
-0, 00367 |
-0, 00360 |
-0, 00360 |
|
50 |
-0, 00372 |
-0, 00370 |
-0, 00368 |
-0, 00366 |
-0, 00362 |
-0, 00358 |
-0, 00353 |
-0, 00347 |
-0, 00341 |
-0, 00341 |
|
60 |
-0, 00353 |
-0, 00352 |
-0, 00350 |
-0, 00347 |
-0, 00344 |
-0, 00340 |
-0, 00335 |
-0, 00330 |
-0, 00324 |
-0, 00324 |
|
70 |
-0, 00336 |
-0, 00335 |
-0, 00333 |
-0, 00331 |
-0, 00328 |
-0, 00324 |
-0, 00319 |
-0, 00314 |
-0, 00308 |
-0, 00308 |
|
80 |
-0, 00321 |
-0, 00320 |
-0, 00318 |
-0, 00316 |
-0, 00313 |
-0, 00309 |
-0, 00305 |
-0, 00300 |
-0, 00294 |
-0, 00294 |
|
90 |
-0, 00307 |
-0, 00306 |
-0, 00304 |
-0, 00302 |
-0, 00299 |
-0, 00296 |
-0, 00292 |
-0, 00287 |
-0, 00282 |
-0, 00282 |
|
100 |
-0, 00294 |
-0, 00293 |
-0, 00292 |
-0, 00290 |
-0, 00287 |
-0, 00283 |
-0, 00279 |
-0, 00275 |
-0, 00270 |
-0, 00270 |
|
120 |
-0, 00272 |
-0, 00271 |
-0, 00270 |
-0, 00268 |
-0, 00265 |
-0, 00262 |
-0, 00258 |
-0, 00254 |
-0, 00249 |
-0, 00249 |
|
140 |
-0, 00253 |
-0, 00252 |
-0, 00251 |
-0, 00249 |
-0, 00246 |
-0, 00243 |
-0, 00240 |
-0, 00236 |
-0, 00232 |
-0, 00232 |
|
160 |
-0, 00236 |
-0, 00235 |
-0, 00234 |
-0, 00232 |
-0, 00230 |
-0, 00227 |
-0, 00224 |
-0, 00220 |
-0, 00216 |
-0, 00216 |
|
180 |
-0, 00222 |
-0, 00221 |
-0, 00220 |
-0, 00218 |
-0, 00216 |
-0, 00213 |
-0, 00210 |
-0, 00207 |
-0, 00203 |
-0, 00203 |
|
200 |
-0, 00209 |
-0, 00208 |
-0, 00207 |
-0, 00205 |
-0, 00203 |
-0, 00201 |
-0, 00198 |
-0, 00195 |
-0, 00191 |
-0, 00191 |
Продолжение таблицы Г.49
|
Kse, МН/м3 |
Значения единичного прогиба Y̅, в расчетном сечении при колее колес | |||||||||
|
1, 1 |
1, 2 |
1, 3 |
1, 4 |
1, 5 |
1, 6 |
1, 7 |
1, 8 |
1, 9 |
2, 0 | |
|
40 |
-0, 00345 |
-0, 00337 |
-0, 00328 |
-0, 00318 |
-0, 00308 |
-0, 00298 |
-0, 00288 |
-0, 00277 |
-0, 00266 |
-0, 00255 |
|
50 |
-0, 00327 |
-0, 00319 |
-0, 00310 |
-0, 00301 |
-0, 00292 |
-0, 00282 |
-0, 00272 |
-0, 00262 |
-0, 00252 |
-0, 00241 |
|
60 |
-0, 00310 |
-0, 00303 |
-0, 00295 |
-0, 00286 |
-0, 00277 |
-0, 00268 |
-0, 00259 |
-0, 00249 |
-0, 00239 |
-0, 00229 |
|
70 |
-0, 00295 |
-0, 00288 |
-0, 00281 |
-0, 00273 |
-0, 00264 |
-0, 00255 |
-0, 00246 |
-0, 00237 |
-0, 00228 |
-0, 00218 |
|
80 |
-0, 00282 |
-0, 00275 |
-0, 00268 |
-0, 00260 |
-0, 00252 |
-0, 00244 |
-0, 00235 |
-0, 00226 |
-0, 00217 |
-0, 00208 |
|
90 |
-0, 00270 |
-0, 00263 |
-0, 00256 |
-0, 00249 |
-0, 00241 |
-0, 00233 |
-0, 00225 |
-0, 00216 |
-0, 00208 |
-0, 00199 |
|
100 |
-0, 00259 |
-0, 00252 |
-0, 00245 |
-0, 00238 |
-0, 00231 |
-0, 00223 |
-0, 00215 |
-0, 00207 |
-0, 00199 |
-0, 00191 |
|
120 |
-0, 00239 |
-0, 00233 |
-0, 00227 |
-0, 00220 |
-0, 00213 |
-0, 00206 |
-0, 00199 |
-0, 00191 |
-0, 00184 |
-0, 00176 |
|
140 |
-0, 00222 |
-0, 00216 |
-0, 00211 |
-0, 00204 |
-0, 00198 |
-0, 00191 |
-0, 00185 |
-0, 00178 |
-0, 00171 |
-0, 00163 |
|
160 |
-0, 00207 |
-0, 00202 |
-0, 00197 |
-0, 00191 |
-0, 00185 |
-0, 00179 |
-0, 00172 |
-0, 00166 |
-0, 00159 |
-0, 00152 |
|
180 |
-0, 00194 |
-0, 00190 |
-0, 00184 |
-0, 00179 |
-0, 00173 |
-0, 00168 |
-0, 00162 |
-0, 00156 |
-0, 00149 |
-0, 00143 |
|
200 |
-0, 00183 |
-0, 00179 |
-0, 00174 |
-0, 00169 |
-0, 00163 |
-0, 00158 |
-0, 00152 |
-0, 00146 |
-0, 00141 |
-0, 00135 |
Примечание - для промежуточных значений величину Y̅ следует принимать по интерполяции.
Таблица Г.50
|
Kse, МН/м3 |
Значения единичного прогиба Y̅, в расчетном сечении при колее колес | |||||||||
|
0, 1 |
0, 2 |
0, 3 |
0, 4 |
0, 5 |
0, 6 |
0, 7 |
0, 8 |
0, 9 |
1 | |
|
40 |
-0, 00709 |
-0, 00708 |
-0, 00706 |
-0, 00703 |
-0, 00700 |
-0, 00696 |
-0, 00692 |
-0, 00687 |
-0, 00681 |
-0, 00681 |
|
50 |
-0, 00619 |
-0, 00619 |
-0, 00617 |
-0, 00615 |
-0, 00612 |
-0, 00609 |
-0, 00605 |
-0, 00600 |
-0, 00595 |
-0, 00595 |
|
60 |
-0, 00551 |
-0, 00550 |
-0, 00549 |
-0, 00547 |
-0, 00544 |
-0, 00541 |
-0, 00538 |
-0, 00534 |
-0, 00529 |
-0, 00529 |
|
70 |
-0, 00496 |
-0, 00495 |
-0, 00494 |
-0, 00493 |
-0, 00490 |
-0, 00488 |
-0, 00484 |
-0, 00481 |
-0, 00477 |
-0, 00477 |
|
80 |
-0, 00452 |
-0, 00451 |
-0, 00450 |
-0, 00448 |
-0, 00446 |
-0, 00444 |
-0, 00441 |
-0, 00438 |
-0, 00434 |
-0, 00434 |
|
90 |
-0, 00415 |
-0, 00414 |
-0, 00413 |
-0, 00412 |
-0, 00410 |
-0, 00408 |
-0, 00405 |
-0, 00402 |
-0, 00399 |
-0, 00399 |
|
100 |
-0, 00384 |
-0, 00383 |
-0, 00382 |
-0, 00381 |
-0, 00379 |
-0, 00377 |
-0, 00375 |
-0, 00372 |
-0, 00369 |
-0, 00369 |
|
120 |
-0, 00335 |
-0, 00334 |
-0, 00333 |
-0, 00332 |
-0, 00331 |
-0, 00329 |
-0, 00327 |
-0, 00324 |
-0, 00322 |
-0, 00322 |
|
140 |
-0, 00297 |
-0, 00297 |
-0, 00296 |
-0, 00295 |
-0, 00293 |
-0, 00292 |
-0, 00290 |
-0, 00288 |
-0, 00285 |
-0, 00285 |
|
160 |
-0, 00267 |
-0, 00267 |
-0, 00266 |
-0, 00265 |
-0, 00264 |
-0, 00263 |
-0, 00261 |
-0, 00259 |
-0, 00257 |
-0, 00257 |
|
180 |
-0, 00243 |
-0, 00243 |
-0, 00242 |
-0, 00242 |
-0, 00241 |
-0, 00239 |
-0, 00238 |
-0, 00236 |
-0, 00234 |
-0, 00234 |
|
200 |
-0, 00224 |
-0, 00223 |
-0, 00223 |
-0, 00222 |
-0, 00221 |
-0, 00220 |
-0, 00218 |
-0, 00217 |
-0, 00215 |
-0, 00215 |
Продолжение таблицы Г.50
|
Kse, МН/м3 |
Значения единичного прогиба Y̅, в расчетном сечении при колее колес | |||||||||
|
1, 1 |
1, 2 |
1, 3 |
1, 4 |
1, 5 |
1, 6 |
1, 7 |
1, 8 |
1, 9 |
2, 0 | |
|
40 |
-0, 00668 |
-0, 00660 |
-0, 00652 |
-0, 00643 |
-0, 00634 |
-0, 00625 |
-0, 00615 |
-0, 00604 |
-0, 00594 |
-0, 00582 |
|
50 |
-0, 00584 |
-0, 00577 |
-0, 00570 |
-0, 00562 |
-0, 00554 |
-0, 00546 |
-0, 00537 |
-0, 00528 |
-0, 00518 |
-0, 00508 |
|
60 |
-0, 00519 |
-0, 00513 |
-0, 00507 |
-0, 00500 |
-0, 00493 |
-0, 00485 |
-0, 00477 |
-0, 00469 |
-0, 00460 |
-0, 00452 |
|
70 |
-0, 00467 |
-0, 00462 |
-0, 00456 |
-0, 00450 |
-0, 00444 |
-0, 00437 |
-0, 00430 |
-0, 00422 |
-0, 00414 |
-0, 00406 |
|
80 |
-0, 00426 |
-0, 00421 |
-0, 00415 |
-0, 00410 |
-0, 00404 |
-0, 00398 |
-0, 00391 |
-0, 00384 |
-0, 00377 |
-0, 00370 |
|
90 |
-0, 00391 |
-0, 00386 |
-0, 00382 |
-0, 00376 |
-0, 00371 |
-0, 00365 |
-0, 00359 |
-0, 00353 |
-0, 00346 |
-0, 00339 |
|
100 |
-0, 00362 |
-0, 00357 |
-0, 00353 |
-0, 00348 |
-0, 00343 |
-0, 00338 |
-0, 00332 |
-0, 00326 |
-0, 00320 |
-0, 00314 |
|
120 |
-0, 00315 |
-0, 00311 |
-0, 00307 |
-0, 00303 |
-0, 00299 |
-0, 00294 |
-0, 00289 |
-0, 00284 |
-0, 00279 |
-0, 00273 |
|
140 |
-0, 00280 |
-0, 00276 |
-0, 00273 |
-0, 00269 |
-0, 00265 |
-0, 00261 |
-0, 00256 |
-0, 00252 |
-0, 00247 |
-0, 00242 |
|
160 |
-0, 00252 |
-0, 00249 |
-0, 00246 |
-0, 00242 |
-0, 00239 |
-0, 00235 |
-0, 00231 |
-0, 00227 |
-0, 00222 |
-0, 00218 |
|
180 |
-0, 00229 |
-0, 00226 |
-0, 00224 |
-0, 00220 |
-0, 00217 |
-0, 00214 |
-0, 00210 |
-0, 00206 |
-0, 00202 |
-0, 00198 |
|
200 |
-0, 00211 |
-0, 00208 |
-0, 00205 |
-0, 00202 |
-0, 00199 |
-0, 00196 |
-0, 00193 |
-0, 00189 |
-0, 00185 |
-0, 00181 |
Примечание - для промежуточных значений величину Y̅ следует принимать по интерполяции.
Таблица Г.51
|
Kse, МН/м3 |
Значения единичного прогиба Y̅, в расчетном сечении при колее колес | |||||||||
|
0, 1 |
0, 2 |
0, 3 |
0, 4 |
0, 5 |
0, 6 |
0, 7 |
0, 8 |
0, 9 |
1 | |
|
40 |
-0, 00767 |
-0, 00766 |
-0, 00765 |
-0, 00763 |
-0, 00761 |
-0, 00759 |
-0, 00756 |
-0, 00753 |
-0, 00749 |
-0, 00749 |
|
50 |
-0, 00644 |
-0, 00644 |
-0, 00643 |
-0, 00641 |
-0, 00640 |
-0, 00638 |
-0, 00635 |
-0, 00633 |
-0, 00630 |
-0, 00630 |
|
60 |
-0, 00557 |
-0, 00557 |
-0, 00556 |
-0, 00555 |
-0, 00553 |
-0, 00552 |
-0, 00550 |
-0, 00547 |
-0, 00545 |
-0, 00545 |
|
70 |
-0, 00492 |
-0, 00492 |
-0, 00491 |
-0, 00490 |
-0, 00489 |
-0, 00487 |
-0, 00486 |
-0, 00483 |
-0, 00481 |
-0, 00481 |
|
80 |
-0, 00442 |
-0, 00442 |
-0, 00441 |
-0, 00440 |
-0, 00439 |
-0, 00437 |
-0, 00436 |
-0, 00434 |
-0, 00432 |
-0, 00432 |
|
90 |
-0, 00402 |
-0, 00401 |
-0, 00401 |
-0, 00400 |
-0, 00399 |
-0, 00398 |
-0, 00396 |
-0, 00394 |
-0, 00392 |
-0, 00392 |
|
100 |
-0, 00369 |
-0, 00369 |
-0, 00368 |
-0, 00367 |
-0, 00366 |
-0, 00365 |
-0, 00363 |
-0, 00362 |
-0, 00360 |
-0, 00360 |
|
120 |
-0, 00318 |
-0, 00318 |
-0, 00317 |
-0, 00317 |
-0, 00316 |
-0, 00315 |
-0, 00313 |
-0, 00312 |
-0, 00310 |
-0, 00310 |
|
140 |
-0, 00281 |
-0, 00281 |
-0, 00280 |
-0, 00280 |
-0, 00279 |
-0, 00278 |
-0, 00276 |
-0, 00275 |
-0, 00273 |
-0, 00273 |
|
160 |
-0, 00252 |
-0, 00252 |
-0, 00252 |
-0, 00251 |
-0, 00250 |
-0, 00249 |
-0, 00248 |
-0, 00247 |
-0, 00245 |
-0, 00245 |
|
180 |
-0, 00230 |
-0, 00229 |
-0, 00229 |
-0, 00228 |
-0, 00228 |
-0, 00227 |
-0, 00225 |
-0, 00224 |
-0, 00223 |
-0, 00223 |
|
200 |
-0, 00211 |
-0, 00211 |
-0, 00210 |
-0, 00210 |
-0, 00209 |
-0, 00208 |
-0, 00207 |
-0, 00206 |
-0, 00204 |
-0, 00204 |
Продолжение таблицы Г.51
|
Kse, МН/м3 |
Значения единичного прогиба Y̅, в расчетном сечении при колее колес | |||||||||
|
1, 1 |
1, 2 |
1, 3 |
1, 4 |
1, 5 |
1, 6 |
1, 7 |
1, 8 |
1, 9 |
2, 0 | |
|
40 |
-0, 00741 |
-0, 00736 |
-0, 00730 |
-0, 00725 |
-0, 00719 |
-0, 00712 |
-0, 00706 |
-0, 00698 |
-0, 00691 |
-0, 00683 |
|
50 |
-0, 00622 |
-0, 00618 |
-0, 00614 |
-0, 00609 |
-0, 00604 |
-0, 00598 |
-0, 00593 |
-0, 00587 |
-0, 00580 |
-0, 00574 |
|
60 |
-0, 00538 |
-0, 00535 |
-0, 00531 |
-0, 00527 |
-0, 00522 |
-0, 00517 |
-0, 00512 |
-0, 00507 |
-0, 00501 |
-0, 00496 |
|
70 |
-0, 00475 |
-0, 00472 |
-0, 00469 |
-0, 00465 |
-0, 00461 |
-0, 00457 |
-0, 00452 |
-0, 00447 |
-0, 00442 |
-0, 00437 |
|
80 |
-0, 00427 |
-0, 00424 |
-0, 00420 |
-0, 00417 |
-0, 00413 |
-0, 00409 |
-0, 00405 |
-0, 00401 |
-0, 00397 |
-0, 00392 |
|
90 |
-0, 00387 |
-0, 00385 |
-0, 00382 |
-0, 00379 |
-0, 00375 |
-0, 00372 |
-0, 00368 |
-0, 00364 |
-0, 00360 |
-0, 00356 |
|
100 |
-0, 00355 |
-0, 00353 |
-0, 00350 |
-0, 00347 |
-0, 00344 |
-0, 00341 |
-0, 00337 |
-0, 00334 |
-0, 00330 |
-0, 00326 |
|
120 |
-0, 00306 |
-0, 00304 |
-0, 00301 |
-0, 00299 |
-0, 00296 |
-0, 00293 |
-0, 00290 |
-0, 00287 |
-0, 00283 |
-0, 00280 |
|
140 |
-0, 00270 |
-0, 00267 |
-0, 00265 |
-0, 00263 |
-0, 00260 |
-0, 00258 |
-0, 00255 |
-0, 00252 |
-0, 00249 |
-0, 00245 |
|
160 |
-0, 00242 |
-0, 00240 |
-0, 00238 |
-0, 00235 |
-0, 00233 |
-0, 00230 |
-0, 00228 |
-0, 00225 |
-0, 00222 |
-0, 00219 |
|
180 |
-0, 00219 |
-0, 00217 |
-0, 00215 |
-0, 00213 |
-0, 00211 |
-0, 00209 |
-0, 00206 |
-0, 00204 |
-0, 00201 |
-0, 00198 |
|
200 |
-0, 00201 |
-0, 00199 |
-0, 00197 |
-0, 00195 |
-0, 00193 |
-0, 00191 |
-0, 00189 |
-0, 00186 |
-0, 00184 |
-0, 00181 |
Примечание - для промежуточных значений величину Y̅ следует принимать по интерполяции.
Таблица Г.52
|
Kse, МН/м3 |
Значения единичного момента M̅, в расчетном сечении при колее колес | |||||||||
|
0, 1 |
0, 2 |
0, 3 |
0, 4 |
0, 5 |
0, 6 |
0, 7 |
0, 8 |
0, 9 |
1 | |
|
40 |
1, 79580 |
1, 78730 |
1, 77330 |
1, 75350 |
1, 72780 |
1, 69680 |
1, 65990 |
1, 61700 |
1, 56860 |
1, 56860 |
|
50 |
1, 71320 |
1, 70500 |
1, 69160 |
1, 67240 |
1, 64790 |
1, 61790 |
1, 58230 |
1, 54090 |
1, 49420 |
1, 49420 |
|
60 |
1, 63900 |
1, 63110 |
1, 61810 |
1, 59960 |
1, 57600 |
1, 54710 |
1, 51250 |
1, 47280 |
1, 42750 |
1, 42750 |
|
70 |
1, 57190 |
1, 56440 |
1, 55180 |
1, 53380 |
1, 51110 |
1, 48300 |
1, 44950 |
1, 41110 |
1, 36720 |
1, 36720 |
|
80 |
1, 51100 |
1, 50370 |
1, 49150 |
1, 47410 |
1, 45210 |
1, 42480 |
1, 39240 |
1, 35510 |
1, 31240 |
1, 31240 |
|
90 |
1, 45540 |
1, 44840 |
1, 43650 |
1, 41970 |
1, 39830 |
1, 37170 |
1, 34040 |
1, 30400 |
1, 26230 |
1, 26230 |
|
100 |
1, 40450 |
1, 39770 |
1, 38610 |
1, 36980 |
1, 34900 |
1, 32310 |
1, 29270 |
1, 25720 |
1, 21660 |
1, 21660 |
|
120 |
1, 31460 |
1, 30820 |
1, 29710 |
1, 28170 |
1, 26190 |
1, 23730 |
1, 20830 |
1, 17440 |
1, 13590 |
1, 13590 |
|
140 |
1, 23760 |
1, 23150 |
1, 22090 |
1, 20630 |
1, 18720 |
1, 16380 |
1, 13610 |
1, 10360 |
1, 06680 |
1, 06680 |
|
160 |
1, 17100 |
1, 16520 |
1, 15490 |
1, 14090 |
1, 12260 |
1, 10020 |
1, 07340 |
1, 04230 |
1, 00680 |
1, 00680 |
|
180 |
1, 11270 |
1, 10710 |
1, 09720 |
1, 08380 |
1, 06600 |
1, 04450 |
1, 01860 |
0, 98869 |
0, 95429 |
0, 95429 |
|
200 |
1, 06130 |
1, 05590 |
1, 04630 |
1, 03340 |
1, 01610 |
0, 99539 |
0, 97022 |
0, 94135 |
0, 90791 |
0, 90791 |
Продолжение таблицы Г.52
|
Kse, МН/м3 |
Значения единичного момента M̅, в расчетном сечении при колее колес | |||||||||
|
1, 1 |
1, 2 |
1, 3 |
1, 4 |
1, 5 |
1, 6 |
1, 7 |
1, 8 |
1, 9 |
2, 0 | |
|
40 |
1, 47080 |
1, 42370 |
1, 37780 |
1, 33300 |
1, 28940 |
1, 24680 |
1, 20500 |
1, 16430 |
1, 12450 |
1, 08530 |
|
50 |
1, 39890 |
1, 35320 |
1, 30890 |
1, 26600 |
1, 22430 |
1, 18370 |
1, 14410 |
1, 10560 |
1, 06810 |
1, 03130 |
|
60 |
1, 33420 |
1, 28990 |
1, 24720 |
1, 20590 |
1, 16580 |
1, 12700 |
1, 08940 |
1, 05290 |
1, 01740 |
0, 98277 |
|
70 |
1, 27590 |
1, 23290 |
1, 19140 |
1, 15150 |
1, 11290 |
1, 07570 |
1, 03990 |
1, 00530 |
0, 97164 |
0, 93893 |
|
80 |
1, 22300 |
1, 18100 |
1, 14070 |
1, 10200 |
1, 06490 |
1, 02930 |
0, 99502 |
0, 96199 |
0, 93007 |
0, 89912 |
|
90 |
1, 17480 |
1, 13370 |
1, 09450 |
1, 05700 |
1, 02110 |
0, 98688 |
0, 95406 |
0, 92252 |
0, 89215 |
0, 86284 |
|
100 |
1, 13060 |
1, 09030 |
1, 05210 |
1, 01570 |
0, 98107 |
0, 94806 |
0, 91654 |
0, 88637 |
0, 85743 |
0, 82962 |
|
120 |
1, 05260 |
1, 01390 |
0, 97737 |
0, 94287 |
0, 91027 |
0, 87943 |
0, 85022 |
0, 82248 |
0, 79606 |
0, 77091 |
|
140 |
0, 98582 |
0, 94842 |
0, 91335 |
0, 88046 |
0, 84961 |
0, 82065 |
0, 79343 |
0, 76777 |
0, 74353 |
0, 72065 |
|
160 |
0, 92798 |
0, 89166 |
0, 85786 |
0, 82637 |
0, 79705 |
0, 76973 |
0, 74424 |
0, 72040 |
0, 69806 |
0, 67713 |
|
180 |
0, 87750 |
0, 84210 |
0, 80931 |
0, 77904 |
0, 75106 |
0, 72518 |
0, 70121 |
0, 67897 |
0, 65831 |
0, 63908 |
|
200 |
0, 83292 |
0, 79837 |
0, 76655 |
0, 73730 |
0, 71047 |
0, 68587 |
0, 66325 |
0, 64243 |
0, 62326 |
0, 60552 |
Примечание - для промежуточных значений величину M̅ следует принимать по интерполяции.
Таблица Г.53
|
Kse, МН/м3 |
Значения единичного момента M̅, в расчетном сечении при колее колес | |||||||||
|
0, 1 |
0, 2 |
0, 3 |
0, 4 |
0, 5 |
0, 6 |
0, 7 |
0, 8 |
0, 9 |
1 | |
|
40 |
1, 69200 |
1, 68580 |
1, 67550 |
1, 66100 |
1, 64240 |
1, 61950 |
1, 59250 |
1, 56130 |
1, 52570 |
1, 52570 |
|
50 |
1, 53260 |
1, 52670 |
1, 51680 |
1, 50290 |
1, 48510 |
1, 46320 |
1, 43730 |
1, 40740 |
1, 37330 |
1, 37330 |
|
60 |
1, 40950 |
1, 40380 |
1, 39420 |
1, 38080 |
1, 36350 |
1, 34240 |
1, 31730 |
1, 28830 |
1, 25530 |
1, 25530 |
|
70 |
1, 31150 |
1, 30590 |
1, 29660 |
1, 28350 |
1, 26670 |
1, 24610 |
1, 22160 |
1, 19340 |
1, 16120 |
1, 16120 |
|
80 |
1, 23160 |
1, 22610 |
1, 21700 |
1, 20410 |
1, 18760 |
1, 16740 |
1, 14350 |
1, 11580 |
1, 08430 |
1, 08430 |
|
90 |
1, 16510 |
1, 15970 |
1, 15070 |
1, 13810 |
1, 12180 |
1, 10190 |
1, 07840 |
1, 05110 |
1, 02010 |
1, 02010 |
|
100 |
1, 10880 |
1, 10350 |
1, 09460 |
1, 08220 |
1, 06610 |
1, 04650 |
1, 02330 |
0, 99635 |
0, 96576 |
0, 96576 |
|
120 |
1, 01870 |
1, 01350 |
1, 00480 |
0, 99257 |
0, 97685 |
0, 95760 |
0, 93480 |
0, 90842 |
0, 87844 |
0, 87844 |
|
140 |
0, 94957 |
0, 94441 |
0, 93581 |
0, 92376 |
0, 90824 |
0, 88925 |
0, 86675 |
0, 84073 |
0, 81116 |
0, 81116 |
|
160 |
0, 89468 |
0, 88956 |
0, 88104 |
0, 86909 |
0, 85372 |
0, 83489 |
0, 81261 |
0, 78684 |
0, 75756 |
0, 75756 |
|
180 |
0, 84992 |
0, 84483 |
0, 83636 |
0, 82449 |
0, 80921 |
0, 79051 |
0, 76837 |
0, 74277 |
0, 71370 |
0, 71370 |
|
200 |
0, 81262 |
0, 80756 |
0, 79912 |
0, 78730 |
0, 77209 |
0, 75347 |
0, 73144 |
0, 70597 |
0, 67704 |
0, 67704 |
Продолжение таблицы Г.53
|
Kse, МН/м3 |
Значения единичного момента M̅, в расчетном сечении при колее колес | |||||||||
|
1, 1 |
1, 2 |
1, 3 |
1, 4 |
1, 5 |
1, 6 |
1, 7 |
1, 8 |
1, 9 |
2, 0 | |
|
40 |
1, 44460 |
1, 40540 |
1, 36780 |
1, 33210 |
1, 29800 |
1, 26560 |
1, 23490 |
1, 20540 |
1, 17780 |
1, 15140 |
|
50 |
1, 29670 |
1, 26000 |
1, 22510 |
1, 19150 |
1, 15890 |
1, 12730 |
1, 09630 |
1, 06800 |
1, 04270 |
1, 01870 |
|
60 |
1, 18210 |
1, 14780 |
1, 11560 |
1, 08490 |
1, 05590 |
1, 02760 |
1, 00010 |
0, 97326 |
0, 94633 |
0, 91907 |
|
70 |
1, 09060 |
1, 05840 |
1, 02800 |
0, 99999 |
0, 97325 |
0, 94798 |
0, 92360 |
0, 89963 |
0, 87587 |
0, 85210 |
|
80 |
1, 01570 |
0, 98501 |
0, 95655 |
0, 93022 |
0, 90573 |
0, 88269 |
0, 86052 |
0, 83938 |
0, 81843 |
0, 79732 |
|
90 |
0, 95339 |
0, 92368 |
0, 89674 |
0, 87185 |
0, 84922 |
0, 82784 |
0, 80805 |
0, 78888 |
0, 77001 |
0, 75128 |
|
100 |
0, 90045 |
0, 87162 |
0, 84585 |
0, 82241 |
0, 80102 |
0, 78146 |
0, 76320 |
0, 74568 |
0, 72899 |
0, 71228 |
|
120 |
0, 81518 |
0, 78792 |
0, 76362 |
0, 74236 |
0, 72325 |
0, 70612 |
0, 69052 |
0, 67613 |
0, 66224 |
0, 64861 |
|
140 |
0, 74924 |
0, 72305 |
0, 70010 |
0, 68004 |
0, 66276 |
0, 64738 |
0, 63393 |
0, 62148 |
0, 61018 |
0, 59912 |
|
160 |
0, 69651 |
0, 67107 |
0, 64908 |
0, 63011 |
0, 61397 |
0, 60018 |
0, 58809 |
0, 57763 |
0, 56803 |
0, 55878 |
|
180 |
0, 65323 |
0, 62831 |
0, 60702 |
0, 58895 |
0, 57362 |
0, 56104 |
0, 55023 |
0, 54113 |
0, 53286 |
0, 52544 |
|
200 |
0, 61696 |
0, 59240 |
0, 57163 |
0, 55423 |
0, 53975 |
0, 52790 |
0, 51825 |
0, 51012 |
0, 50326 |
0, 49713 |
Примечание - для промежуточных значений величину M̅ следует принимать по интерполяции.
Таблица Г.54
|
Kse, МН/м3 |
Значения единичного момента M̅, в расчетном сечении при колее колес | |||||||||
|
0, 1 |
0, 2 |
0, 3 |
0, 4 |
0, 5 |
0, 6 |
0, 7 |
0, 8 |
0, 9 |
1 | |
|
40 |
1, 39830 |
1, 39190 |
1, 38270 |
1, 36960 |
1, 35230 |
1, 33080 |
1, 30550 |
1, 27720 |
1, 24450 |
1, 24450 |
|
50 |
1, 27100 |
1, 26470 |
1, 25560 |
1, 24260 |
1, 22550 |
1, 20420 |
1, 17930 |
1, 15120 |
1, 11900 |
1, 11900 |
|
60 |
1, 17920 |
1, 17300 |
1, 16390 |
1, 15110 |
1, 13410 |
1, 11290 |
1, 08810 |
1, 06030 |
1, 02820 |
1, 02820 |
|
70 |
1, 10960 |
1, 10340 |
1, 09430 |
1, 08150 |
1, 06450 |
1, 04340 |
1, 01880 |
0, 99101 |
0, 95906 |
0, 95906 |
|
80 |
1, 05450 |
1, 04830 |
1, 03930 |
1, 02650 |
1, 00950 |
0, 98846 |
0, 96396 |
0, 93621 |
0, 90431 |
0, 90431 |
|
90 |
1, 00960 |
1, 00350 |
0, 99450 |
0, 98168 |
0, 96474 |
0, 94366 |
0, 91924 |
0, 89152 |
0, 85965 |
0, 85965 |
|
100 |
0, 97221 |
0, 96602 |
0, 95708 |
0, 94427 |
0, 92732 |
0, 90625 |
0, 88191 |
0, 85419 |
0, 82233 |
0, 82233 |
|
120 |
0, 91277 |
0, 90658 |
0, 89768 |
0, 88486 |
0, 86791 |
0, 84683 |
0, 82262 |
0, 79490 |
0, 76304 |
0, 76304 |
|
140 |
0, 86712 |
0, 86092 |
0, 85206 |
0, 83924 |
0, 82228 |
0, 80120 |
0, 77710 |
0, 74938 |
0, 71753 |
0, 71753 |
|
160 |
0, 83047 |
0, 82427 |
0, 81545 |
0, 80263 |
0, 78568 |
0, 76460 |
0, 74061 |
0, 71290 |
0, 68107 |
0, 68107 |
|
180 |
0, 80006 |
0, 79387 |
0, 78508 |
0, 77227 |
0, 75534 |
0, 73427 |
0, 71039 |
0, 68271 |
0, 65090 |
0, 65090 |
|
200 |
0, 77419 |
0, 76801 |
0, 75926 |
0, 74647 |
0, 72955 |
0, 70852 |
0, 68473 |
0, 65709 |
0, 62533 |
0, 62533 |
Продолжение таблицы Г.54
|
Kse, МН/м3 |
Значения единичного момента M̅, в расчетном сечении при колее колес | |||||||||
|
1, 1 |
1, 2 |
1, 3 |
1, 4 |
1, 5 |
1, 6 |
1, 7 |
1, 8 |
1, 9 |
2, 0 | |
|
40 |
1, 17290 |
1, 14030 |
1, 11020 |
1, 08250 |
1, 05700 |
1, 03360 |
1, 01250 |
0, 99323 |
0, 97546 |
0, 95899 |
|
50 |
1, 04840 |
1, 01660 |
0, 98750 |
0, 96099 |
0, 93692 |
0, 91513 |
0, 89545 |
0, 87795 |
0, 86242 |
0, 84845 |
|
60 |
0, 95816 |
0, 92678 |
0, 89823 |
0, 87242 |
0, 84920 |
0, 82841 |
0, 80990 |
0, 79347 |
0, 77911 |
0, 76677 |
|
70 |
0, 88927 |
0, 85810 |
0, 82986 |
0, 80446 |
0, 78176 |
0, 76163 |
0, 74388 |
0, 72835 |
0, 71484 |
0, 70336 |
|
80 |
0, 83462 |
0, 80354 |
0, 77548 |
0, 75032 |
0, 72796 |
0, 70825 |
0, 69103 |
0, 67612 |
0, 66335 |
0, 65248 |
|
90 |
0, 78997 |
0, 75891 |
0, 73094 |
0, 70594 |
0, 68379 |
0, 66437 |
0, 64752 |
0, 63307 |
0, 62083 |
0, 61061 |
|
100 |
0, 75261 |
0, 72156 |
0, 69362 |
0, 66872 |
0, 64672 |
0, 62750 |
0, 61092 |
0, 59681 |
0, 58498 |
0, 57525 |
|
120 |
0, 69321 |
0, 66210 |
0, 63419 |
0, 60938 |
0, 58756 |
0, 56861 |
0, 55239 |
0, 53874 |
0, 52749 |
0, 51845 |
|
140 |
0, 64759 |
0, 61642 |
0, 58850 |
0, 56375 |
0, 54204 |
0, 52326 |
0, 50728 |
0, 49394 |
0, 48309 |
0, 47452 |
|
160 |
0, 61106 |
0, 57985 |
0, 55194 |
0, 52723 |
0, 50562 |
0, 48698 |
0, 47118 |
0, 45808 |
0, 44752 |
0, 43931 |
|
180 |
0, 58087 |
0, 54965 |
0, 52177 |
0, 49712 |
0, 47561 |
0, 45710 |
0, 44147 |
0, 42857 |
0, 41825 |
0, 41032 |
|
200 |
0, 55532 |
0, 52412 |
0, 49629 |
0, 47173 |
0, 45032 |
0, 43195 |
0, 41649 |
0, 40377 |
0, 39365 |
0, 38596 |
Примечание - для промежуточных значений величину M̅ следует принимать по интерполяции.
Таблица Г.55
|
Kse, МН/м3 |
Значения единичной поперечной силы Q̅, в расчетном сечении при колее колес | |||||||||
|
0, 1 |
0, 2 |
0, 3 |
0, 4 |
0, 5 |
0, 6 |
0, 7 |
0, 8 |
0, 9 |
1 | |
|
40 |
0, 91513 |
0, 91948 |
0, 92459 |
0, 93056 |
0, 93754 |
0, 94563 |
0, 95493 |
0, 96555 |
0, 97757 |
0, 97757 |
|
50 |
0, 89587 |
0, 89738 |
0, 89977 |
0, 90318 |
0, 90777 |
0, 91367 |
0, 92100 |
0, 92988 |
0, 94041 |
0, 94041 |
|
60 |
0, 87854 |
0, 87751 |
0, 87746 |
0, 87858 |
0, 88102 |
0, 88495 |
0, 89051 |
0, 89782 |
0, 90700 |
0, 90700 |
|
70 |
0, 86287 |
0, 85954 |
0, 85730 |
0, 85634 |
0, 85685 |
0, 85900 |
0, 86295 |
0, 86883 |
0, 87679 |
0, 87679 |
|
80 |
0, 84863 |
0, 84322 |
0, 83899 |
0, 83616 |
0, 83491 |
0, 83544 |
0, 83791 |
0, 84250 |
0, 84934 |
0, 84934 |
|
90 |
0, 83563 |
0, 82832 |
0, 82229 |
0, 81774 |
0, 81489 |
0, 81394 |
0, 81508 |
0, 81847 |
0, 82428 |
0, 82428 |
|
100 |
0, 82370 |
0, 81467 |
0, 80699 |
0, 80087 |
0, 79656 |
0, 79425 |
0, 79416 |
0, 79645 |
0, 80132 |
0, 80132 |
|
120 |
0, 80259 |
0, 79053 |
0, 77993 |
0, 77106 |
0, 76416 |
0, 75945 |
0, 75717 |
0, 75752 |
0, 76068 |
0, 76068 |
|
140 |
0, 78447 |
0, 76983 |
0, 75676 |
0, 74554 |
0, 73641 |
0, 72965 |
0, 72549 |
0, 72415 |
0, 72583 |
0, 72583 |
|
160 |
0, 76874 |
0, 75189 |
0, 73669 |
0, 72343 |
0, 71239 |
0, 70384 |
0, 69804 |
0, 69522 |
0, 69561 |
0, 69561 |
|
180 |
0, 75494 |
0, 73617 |
0, 71912 |
0, 70409 |
0, 69138 |
0, 68127 |
0, 67402 |
0, 66989 |
0, 66913 |
0, 66913 |
|
200 |
0, 74273 |
0, 72228 |
0, 70361 |
0, 68703 |
0, 67285 |
0, 66135 |
0, 65282 |
0, 64753 |
0, 64573 |
0, 64573 |
Продолжение таблицы Г.55
|
Kse, МН/м3 |
Значения единичной поперечной силы Q̅, в расчетном сечении при колее колес | |||||||||
|
1, 1 |
1, 2 |
1, 3 |
1, 4 |
1, 5 |
1, 6 |
1, 7 |
1, 8 |
1, 9 |
2, 0 | |
|
40 |
1, 00610 |
1, 02270 |
1, 04090 |
1, 06070 |
1, 08210 |
1, 10510 |
1, 12970 |
1, 15560 |
1, 18300 |
1, 21150 |
|
50 |
0, 96676 |
0, 98270 |
1, 00050 |
1, 02030 |
1, 04200 |
1, 06550 |
1, 09090 |
1, 11800 |
1, 14660 |
1, 17680 |
|
60 |
0, 93138 |
0, 94672 |
0, 96423 |
0, 98393 |
1, 00580 |
1, 02980 |
1, 05590 |
1, 08400 |
1, 11390 |
1, 14550 |
|
70 |
0, 89937 |
0, 91416 |
0, 93136 |
0, 95099 |
0, 97304 |
0, 99749 |
1, 02430 |
1, 05320 |
1, 08430 |
1, 11720 |
|
80 |
0, 87026 |
0, 88454 |
0, 90144 |
0, 92100 |
0, 94322 |
0, 96806 |
0, 99544 |
1, 02520 |
1, 05730 |
1, 09140 |
|
90 |
0, 84368 |
0, 85748 |
0, 87410 |
0, 89359 |
0, 91595 |
0, 94113 |
0, 96907 |
0, 99962 |
1, 03260 |
1, 06780 |
|
100 |
0, 81930 |
0, 83264 |
0, 84901 |
0, 86842 |
0, 89090 |
0, 91640 |
0, 94484 |
0, 97609 |
1, 01000 |
1, 04620 |
|
120 |
0, 77611 |
0, 78864 |
0, 80452 |
0, 82378 |
0, 84646 |
0, 87251 |
0, 90184 |
0, 93433 |
0, 96975 |
1, 00780 |
|
140 |
0, 73902 |
0, 75083 |
0, 76625 |
0, 78537 |
0, 80819 |
0, 83470 |
0, 86480 |
0, 89835 |
0, 93512 |
0, 97480 |
|
160 |
0, 70681 |
0, 71796 |
0, 73297 |
0, 75192 |
0, 77486 |
0, 80175 |
0, 83251 |
0, 86699 |
0, 90495 |
0, 94605 |
|
180 |
0, 67855 |
0, 68909 |
0, 70372 |
0, 72252 |
0, 74553 |
0, 77275 |
0, 80409 |
0, 83939 |
0, 87840 |
0, 92078 |
|
200 |
0, 65353 |
0, 66352 |
0, 67779 |
0, 69643 |
0, 71950 |
0, 74700 |
0, 77885 |
0, 81488 |
0, 85484 |
0, 89835 |
Примечание - для промежуточных значений величину Q̅ следует принимать по интерполяции.
Таблица Г.56
|
Kse, МН/м3 |
Значения единичной поперечной силы Q̅, в расчетном сечении при колее колес | |||||||||
|
0, 1 |
0, 2 |
0, 3 |
0, 4 |
0, 5 |
0, 6 |
0, 7 |
0, 8 |
0, 9 |
1 | |
|
40 |
0, 82319 |
0, 80806 |
0, 79313 |
0, 77844 |
0, 76398 |
0, 75106 |
0, 73921 |
0, 72839 |
0, 71868 |
0, 71868 |
|
50 |
0, 80782 |
0, 79225 |
0, 77693 |
0, 76186 |
0, 74707 |
0, 73257 |
0, 71836 |
0, 70444 |
0, 69084 |
0, 69084 |
|
60 |
0, 79563 |
0, 77964 |
0, 76393 |
0, 74851 |
0, 73339 |
0, 71859 |
0, 70412 |
0, 68998 |
0, 67619 |
0, 67619 |
|
70 |
0, 78565 |
0, 76926 |
0, 75317 |
0, 73739 |
0, 72195 |
0, 70686 |
0, 69214 |
0, 67778 |
0, 66380 |
0, 66380 |
|
80 |
0, 77727 |
0, 76049 |
0, 74403 |
0, 72791 |
0, 71216 |
0, 69679 |
0, 68181 |
0, 66723 |
0, 65307 |
0, 65307 |
|
90 |
0, 77009 |
0, 75293 |
0, 73611 |
0, 71966 |
0, 70361 |
0, 68796 |
0, 67273 |
0, 65794 |
0, 64359 |
0, 64359 |
|
100 |
0, 76382 |
0, 74629 |
0, 72913 |
0, 71236 |
0, 69601 |
0, 68010 |
0, 66463 |
0, 64963 |
0, 63511 |
0, 63511 |
|
120 |
0, 75329 |
0, 73507 |
0, 71726 |
0, 69988 |
0, 68297 |
0, 66655 |
0, 65062 |
0, 63522 |
0, 62035 |
0, 62035 |
|
140 |
0, 74466 |
0, 72580 |
0, 70738 |
0, 68944 |
0, 67200 |
0, 65510 |
0, 63875 |
0, 62297 |
0, 60778 |
0, 60778 |
|
160 |
0, 73735 |
0, 71789 |
0, 69890 |
0, 68042 |
0, 66250 |
0, 64515 |
0, 62841 |
0, 61228 |
0, 59678 |
0, 59678 |
|
180 |
0, 73099 |
0, 71096 |
0, 69143 |
0, 67246 |
0, 65408 |
0, 63632 |
0, 61921 |
0, 60276 |
0, 58698 |
0, 58698 |
|
200 |
0, 72534 |
0, 70478 |
0, 68475 |
0, 66532 |
0, 64651 |
0, 62837 |
0, 61090 |
0, 59415 |
0, 57812 |
0, 57812 |
Продолжение таблицы Г.56
|
Kse, МН/м3 |
Значения единичной поперечной силы Q̅, в расчетном сечении при колее колес | |||||||||
|
1, 1 |
1, 2 |
1, 3 |
1, 4 |
1, 5 |
1, 6 |
1, 7 |
1, 8 |
1, 9 |
2, 0 | |
|
40 |
0, 70296 |
0, 69712 |
0, 69273 |
0, 68988 |
0, 68863 |
0, 68905 |
0, 69122 |
0, 69519 |
0, 70102 |
0, 70874 |
|
50 |
0, 66455 |
0, 65632 |
0, 65024 |
0, 64580 |
0, 64308 |
0, 64217 |
0, 64314 |
0, 64606 |
0, 65099 |
0, 65800 |
|
60 |
0, 64966 |
0, 63692 |
0, 62454 |
0, 61250 |
0, 60778 |
0, 60578 |
0, 60576 |
0, 60780 |
0, 61198 |
0, 61837 |
|
70 |
0, 63701 |
0, 62420 |
0, 61177 |
0, 59973 |
0, 58808 |
0, 57680 |
0, 57579 |
0, 57708 |
0, 58060 |
0, 58645 |
|
80 |
0, 62601 |
0, 61311 |
0, 60064 |
0, 58859 |
0, 57695 |
0, 56573 |
0, 55491 |
0, 55180 |
0, 55474 |
0, 56009 |
|
90 |
0, 61626 |
0, 60328 |
0, 59076 |
0, 57868 |
0, 56706 |
0, 55588 |
0, 54513 |
0, 53481 |
0, 53300 |
0, 53789 |
|
100 |
0, 60751 |
0, 59444 |
0, 58186 |
0, 56976 |
0, 55814 |
0, 54700 |
0, 53631 |
0, 52608 |
0, 51629 |
0, 51890 |
|
120 |
0, 59224 |
0, 57900 |
0, 56630 |
0, 55415 |
0, 54253 |
0, 53144 |
0, 52086 |
0, 51079 |
0, 50121 |
0, 49211 |
|
140 |
0, 57918 |
0, 56577 |
0, 55297 |
0, 54076 |
0, 52913 |
0, 51808 |
0, 50760 |
0, 49767 |
0, 48827 |
0, 47939 |
|
160 |
0, 56773 |
0, 55417 |
0, 54126 |
0, 52899 |
0, 51736 |
0, 50635 |
0, 49595 |
0, 48614 |
0, 47691 |
0, 46823 |
|
180 |
0, 55750 |
0, 54381 |
0, 53080 |
0, 51848 |
0, 50684 |
0, 49586 |
0, 48554 |
0, 47584 |
0, 46676 |
0, 45828 |
|
200 |
0, 54825 |
0, 53443 |
0, 52133 |
0, 50897 |
0, 49732 |
0, 48638 |
0, 47612 |
0, 46654 |
0, 45760 |
0, 44929 |
Примечание - для промежуточных значений величину Q̅ следует принимать по интерполяции.
Таблица Г.57
|
Kse, МН/м3 |
Значения единичной поперечной силы Q̅, в расчетном сечении при колее колес | |||||||||
|
0, 1 |
0, 2 |
0, 3 |
0, 4 |
0, 5 |
0, 6 |
0, 7 |
0, 8 |
0, 9 |
1 | |
|
40 |
0, 80507 |
0, 78480 |
0, 77076 |
0, 75695 |
0, 74337 |
0, 73003 |
0, 71696 |
0, 70416 |
0, 69163 |
0, 69163 |
|
50 |
0, 79553 |
0, 77388 |
0, 75908 |
0, 74452 |
0, 73022 |
0, 71622 |
0, 70251 |
0, 68911 |
0, 67604 |
0, 67604 |
|
60 |
0, 78808 |
0, 76505 |
0, 74954 |
0, 73431 |
0, 71938 |
0, 70476 |
0, 69049 |
0, 67656 |
0, 66300 |
0, 66300 |
|
70 |
0, 78192 |
0, 75757 |
0, 74142 |
0, 72557 |
0, 71006 |
0, 69490 |
0, 68011 |
0, 66571 |
0, 65170 |
0, 65170 |
|
80 |
0, 77662 |
0, 75102 |
0, 73428 |
0, 71789 |
0, 70185 |
0, 68619 |
0, 67094 |
0, 65610 |
0, 64170 |
0, 64170 |
|
90 |
0, 77194 |
0, 74515 |
0, 72856 |
0, 71098 |
0, 69446 |
0, 67835 |
0, 66268 |
0, 64746 |
0, 63270 |
0, 63270 |
|
100 |
0, 76770 |
0, 73982 |
0, 72396 |
0, 70469 |
0, 68773 |
0, 67121 |
0, 65515 |
0, 63957 |
0, 62449 |
0, 62449 |
|
120 |
0, 76019 |
0, 73033 |
0, 71586 |
0, 69349 |
0, 67575 |
0, 65851 |
0, 64178 |
0, 62558 |
0, 60994 |
0, 60994 |
|
140 |
0, 75358 |
0, 72198 |
0, 70874 |
0, 68368 |
0, 66550 |
0, 64741 |
0, 63011 |
0, 61340 |
0, 59729 |
0, 59729 |
|
160 |
0, 74759 |
0, 71448 |
0, 70230 |
0, 67489 |
0, 65871 |
0, 63751 |
0, 61972 |
0, 60258 |
0, 58608 |
0, 58608 |
|
180 |
0, 74206 |
0, 70761 |
0, 69634 |
0, 66689 |
0, 65243 |
0, 62855 |
0, 61055 |
0, 59282 |
0, 57600 |
0, 57600 |
|
200 |
0, 73691 |
0, 70127 |
0, 69076 |
0, 65954 |
0, 64655 |
0, 62034 |
0, 60449 |
0, 58394 |
0, 56683 |
0, 56683 |
Продолжение таблицы Г.57
|
Kse, МН/м3 |
Значения единичной поперечной силы Q̅, в расчетном сечении при колее колес | |||||||||
|
1, 1 |
1, 2 |
1, 3 |
1, 4 |
1, 5 |
1, 6 |
1, 7 |
1, 8 |
1, 9 |
2, 0 | |
|
40 |
0, 66746 |
0, 65582 |
0, 64449 |
0, 63346 |
0, 62275 |
0, 61235 |
0, 60227 |
0, 59250 |
0, 58303 |
0, 57388 |
|
50 |
0, 65090 |
0, 63885 |
0, 62715 |
0, 61581 |
0, 60483 |
0, 59421 |
0, 58394 |
0, 57404 |
0, 56449 |
0, 55530 |
|
60 |
0, 63700 |
0, 62458 |
0, 61256 |
0, 60093 |
0, 58971 |
0, 57889 |
0, 56847 |
0, 55845 |
0, 54883 |
0, 53961 |
|
70 |
0, 62494 |
0, 61219 |
0, 59988 |
0, 58801 |
0, 57657 |
0, 56558 |
0, 55503 |
0, 54492 |
0, 53524 |
0, 52599 |
|
80 |
0, 61425 |
0, 60121 |
0, 58865 |
0, 57656 |
0, 56494 |
0, 55380 |
0, 54313 |
0, 53294 |
0, 52322 |
0, 51396 |
|
90 |
0, 60463 |
0, 59133 |
0, 57854 |
0, 56626 |
0, 55448 |
0, 54322 |
0, 53246 |
0, 52220 |
0, 51244 |
0, 50318 |
|
100 |
0, 59587 |
0, 58234 |
0, 56935 |
0, 55690 |
0, 54499 |
0, 53361 |
0, 52278 |
0, 51247 |
0, 50269 |
0, 49342 |
|
120 |
0, 58037 |
0, 56646 |
0, 55314 |
0, 54041 |
0, 52828 |
0, 51673 |
0, 50578 |
0, 49540 |
0, 48560 |
0, 47637 |
|
140 |
0, 56695 |
0, 55273 |
0, 53915 |
0, 52621 |
0, 51391 |
0, 50225 |
0, 49122 |
0, 48082 |
0, 47103 |
0, 46185 |
|
160 |
0, 55510 |
0, 54063 |
0, 52685 |
0, 51375 |
0, 50134 |
0, 48960 |
0, 47854 |
0, 46814 |
0, 45839 |
0, 44928 |
|
180 |
0, 54449 |
0, 52982 |
0, 51588 |
0, 50267 |
0, 49017 |
0, 47840 |
0, 46733 |
0, 45695 |
0, 44726 |
0, 43823 |
|
200 |
0, 53489 |
0, 52006 |
0, 50600 |
0, 49270 |
0, 48015 |
0, 46836 |
0, 45730 |
0, 44697 |
0, 43735 |
0, 42842 |
Примечание - для промежуточных значений величину Q̅ следует принимать по интерполяции.
Таблица Г.58
|
Kse, МН/м3 |
Значение единичного прогиба, Y̅ |
Значение единичного изгибающего момента, M̅ |
Значение единичной поперечной силы, Q̅ |
|
Длина обоймы омоноличивания 5 м | |||
|
40 |
-0, 01532 |
-0, 37676 |
0, 40301 |
|
50 |
-0, 01236 |
-0, 37226 |
0, 39997 |
|
60 |
-0, 01038 |
-0, 36788 |
0, 39701 |
|
70 |
-0, 00896 |
-0, 36362 |
0, 39413 |
|
80 |
-0, 00790 |
-0, 35946 |
0, 39131 |
|
90 |
-0, 00707 |
-0, 35540 |
0, 38857 |
|
100 |
-0, 00641 |
-0, 35144 |
0, 38589 |
|
120 |
-0, 00541 |
-0, 34381 |
0, 38072 |
|
140 |
-0, 00470 |
-0, 33653 |
0, 37579 |
|
160 |
-0, 00416 |
-0, 32958 |
0, 37108 |
|
180 |
-0, 00374 |
-0, 32294 |
0, 36657 |
|
200 |
-0, 00340 |
-0, 31660 |
0, 36226 |
|
Длина обоймы омоноличивания 7, 5 м | |||
|
40 |
-0, 01247 |
-0, 60956 |
0, 45303 |
|
50 |
-0, 01028 |
-0, 58343 |
0, 44072 |
|
60 |
-0, 00880 |
-0, 55981 |
0, 42955 |
|
70 |
-0, 00773 |
-0, 53834 |
0, 41936 |
|
80 |
-0, 00691 |
-0, 51873 |
0, 41001 |
|
90 |
-0, 00627 |
-0, 50074 |
0, 40140 |
|
100 |
-0, 00574 |
-0, 48417 |
0, 39343 |
|
120 |
-0, 00494 |
-0, 45617 |
0, 37915 |
|
140 |
-0, 00435 |
-0, 43383 |
0, 36667 |
|
160 |
-0, 00390 |
-0, 41418 |
0, 35565 |
|
180 |
-0, 00354 |
-0, 39674 |
0, 34583 |
|
200 |
-0, 00325 |
-0, 38113 |
0, 33699 |
|
Длина обоймы омоноличивания 10 м | |||
|
40 |
-0, 01195 |
-0, 68606 |
0, 52561 |
|
50 |
-0, 00999 |
-0, 63679 |
0, 50825 |
|
60 |
-0, 00863 |
-0, 59595 |
0, 49361 |
|
70 |
-0, 00762 |
-0, 56532 |
0, 48100 |
|
80 |
-0, 00684 |
-0, 54041 |
0, 46996 |
|
90 |
-0, 00622 |
-0, 51853 |
0, 46017 |
|
100 |
-0, 00571 |
-0, 49910 |
0, 45139 |
|
120 |
-0, 00493 |
-0, 46588 |
0, 43617 |
|
140 |
-0, 00435 |
-0, 43832 |
0, 42332 |
|
160 |
-0, 00390 |
-0, 41491 |
0, 41223 |
|
180 |
-0, 00354 |
-0, 39465 |
0, 40249 |
|
200 |
-0, 00324 |
-0, 37685 |
0, 39381 |
Примечание - для промежуточных значений длины обоймы омоноличивания и Kse величины Y̅, M̅ и Q̅ следует принимать по интерполяции.
Таблица Г.59
|
Kse, МН/м3 |
Значение единичного прогиба, Y̅ |
Значение единичного изгибающего момента, M̅ |
Значение единичной поперечной силы, Q̅ |
|
Длина обоймы омоноличивания 5 м | |||
|
40 |
-0, 00469 |
0, 47778 |
0, 39252 |
|
50 |
-0, 00382 |
0, 47259 |
0, 39077 |
|
60 |
-0, 00323 |
0, 46754 |
0, 38906 |
|
70 |
-0, 00282 |
0, 46261 |
0, 38740 |
|
80 |
-0, 00250 |
0, 45782 |
0, 38577 |
|
90 |
-0, 00226 |
0, 45314 |
0, 38419 |
|
100 |
-0, 00206 |
0, 44857 |
0, 38264 |
|
120 |
-0, 00176 |
0, 43978 |
0, 37966 |
|
140 |
-0, 00155 |
0, 43139 |
0, 37681 |
|
160 |
-0, 00139 |
0, 42340 |
0, 37408 |
|
180 |
-0, 00126 |
0, 41576 |
0, 37148 |
|
200 |
-0, 00116 |
0, 40845 |
0, 36898 |
|
Длина обоймы омоноличивания 7, 5 м | |||
|
40 |
-0, 00390 |
0, 66983 |
0, 40661 |
|
50 |
-0, 00327 |
0, 64353 |
0, 40223 |
|
60 |
-0, 00284 |
0, 61983 |
0, 39825 |
|
70 |
-0, 00252 |
0, 59838 |
0, 39463 |
|
80 |
-0, 00228 |
0, 57887 |
0, 39131 |
|
90 |
-0, 00208 |
0, 56103 |
0, 38825 |
|
100 |
-0, 00192 |
0, 54466 |
0, 38542 |
|
120 |
-0, 00167 |
0, 51566 |
0, 38035 |
|
140 |
-0, 00149 |
0, 49074 |
0, 37593 |
|
160 |
-0, 00135 |
0, 46908 |
0, 37201 |
|
180 |
-0, 00123 |
0, 45007 |
0, 36852 |
|
200 |
-0, 00113 |
0, 43325 |
0, 36537 |
|
Длина обоймы омоноличивания 10 м | |||
|
40 |
-0, 00384 |
0, 71391 |
0, 41238 |
|
50 |
-0, 00324 |
0, 66518 |
0, 40756 |
|
60 |
-0, 00282 |
0, 62560 |
0, 40353 |
|
70 |
-0, 00251 |
0, 59277 |
0, 40008 |
|
80 |
-0, 00226 |
0, 56506 |
0, 39708 |
|
90 |
-0, 00206 |
0, 54133 |
0, 39441 |
|
100 |
-0, 00190 |
0, 52074 |
0, 39202 |
|
120 |
-0, 00164 |
0, 48673 |
0, 38787 |
|
140 |
-0, 00146 |
0, 45969 |
0, 38434 |
|
160 |
-0, 00131 |
0, 43757 |
0, 38125 |
|
180 |
-0, 00119 |
0, 41908 |
0, 37850 |
|
200 |
-0, 00109 |
0, 40333 |
0, 37601 |
Примечание - для промежуточных значений длины обоймы омоноличивания и Kse величины Y̅, M̅ и Q̅ следует принимать по интерполяции.
Таблица Г.60
|
Kse, МН/м3 |
Значение единичного прогиба, Y̅ |
Значение единичного изгибающего момента, M̅ |
Значение единичной поперечной силы, Q̅ |
|
Длина обоймы омоноличивания 5 м | |||
|
40 |
-0, 00196 |
0, 89936 |
0, 45569 |
|
50 |
-0, 00186 |
0, 85801 |
0, 44754 |
|
60 |
-0, 00177 |
0, 82085 |
0, 44020 |
|
70 |
-0, 00168 |
0, 78728 |
0, 43355 |
|
80 |
-0, 00161 |
0, 75679 |
0, 42751 |
|
90 |
-0, 00154 |
0, 72898 |
0, 42199 |
|
100 |
-0, 00147 |
0, 70351 |
0, 41692 |
|
120 |
-0, 00136 |
0, 65850 |
0, 40793 |
|
140 |
-0, 00126 |
0, 61996 |
0, 40020 |
|
160 |
-0, 00118 |
0, 58659 |
0, 39348 |
|
180 |
-0, 00111 |
0, 55741 |
0, 38757 |
|
200 |
-0, 00104 |
0, 53168 |
0, 38233 |
|
Длина обоймы омоноличивания 7, 5 м | |||
|
40 |
-0, 00354 |
0, 84701 |
0, 41531 |
|
50 |
-0, 00310 |
0, 76729 |
0, 40749 |
|
60 |
-0, 00276 |
0, 70572 |
0, 40134 |
|
70 |
-0, 00248 |
0, 65669 |
0, 39633 |
|
80 |
-0, 00226 |
0, 61670 |
0, 39216 |
|
90 |
-0, 00208 |
0, 58343 |
0, 38860 |
|
100 |
-0, 00192 |
0, 55529 |
0, 38551 |
|
120 |
-0, 00167 |
0, 51022 |
0, 38038 |
|
140 |
-0, 00149 |
0, 47564 |
0, 37622 |
|
160 |
-0, 00134 |
0, 44819 |
0, 37273 |
|
180 |
-0, 00122 |
0, 42580 |
0, 36972 |
|
200 |
-0, 00112 |
0, 40715 |
0, 36706 |
|
Длина обоймы омоноличивания 10 м | |||
|
40 |
-0, 00383 |
0, 70018 |
0, 41246 |
|
50 |
-0, 00322 |
0, 63652 |
0, 40810 |
|
60 |
-0, 00279 |
0, 59065 |
0, 40465 |
|
70 |
-0, 00246 |
0, 55581 |
0, 40176 |
|
80 |
-0, 00221 |
0, 52828 |
0, 39926 |
|
90 |
-0, 00201 |
0, 50585 |
0, 39703 |
|
100 |
-0, 00185 |
0, 48714 |
0, 39501 |
|
120 |
-0, 00159 |
0, 45742 |
0, 39142 |
|
140 |
-0, 00141 |
0, 43459 |
0, 38826 |
|
160 |
-0, 00126 |
0, 41627 |
0, 38540 |
|
180 |
-0, 00115 |
0, 40106 |
0, 38276 |
|
200 |
-0, 00106 |
0, 38813 |
0, 38031 |
Примечание - для промежуточных значений длины обоймы омоноличивания и Kse величины Y̅, M̅ и Q̅ следует принимать по интерполяции.
Приложение Д
Д.1 Расчет расстояний Ls между дождеприемными колодцами в закрытом лотке шириной 300 мм (рисунок В.1) на участке ВПП аэродрома с бетонным покрытием шириной В0 = 60 м и длиной L = 3750 м. Исходные данные к расчету: район проектирования - Московская область, поперечный профиль ВПП - симметричный двускатный с уклонами: продольный il = 0, 006, поперечный ic = 0, 01.
Д.1.1 Исходные данные к расчету приведены в таблице Д.1, а расчетная схема - на рисунке Д.1.
Таблица Д.1
|
N п.п. |
Наименование |
Обозначение |
Размерность |
Значение |
Источник информации |
|
1. |
Площадь водосбора |
Аw |
га |
11, 25 |
расчет |
|
2. |
Расчетный уклон |
id |
- |
0, 0117 |
расчет п. 7.8 |
|
3. |
Расчетная ширина склона |
Ld |
м |
35 |
расчет п. 7.8 |
|
4. |
Коэффициент стока |
Р |
- |
0, 85 |
таблица 1 |
|
5. |
Показатель степени, характеризующий изменение расчетной интенсивности дождя по времени |
п |
- |
0, 59 |
таблица 2 |
|
6. |
Период однократного превышения расчетной интенсивности дождя |
Р |
год |
0, 5 |
таблица 3 |
|
7. |
Интенсивность дождя для данной местности продолжительностью 20 мин |
q20 |
л/с на 1 га |
80 |
рисунок 9 |
|
8. |
Показатель степени, учитывающий климатические особенности районов |
γ |
- |
1, 33 |
таблица 2 |
|
9. |
Среднее количество дождей за год |
mr |
- |
150 |
таблица 2 |
|
10. |
Коэффициент шероховатости покрытия и лотка |
nс |
- |
0, 014 |
таблица 4 |

Рисунок Д.1 - Расчетная схема к гидравлическому расчету
Д.1.2 Расчет осуществляется в следующей последовательности.
Д.1.2.1 Определяем параметр, равный максимальной интенсивности дождя продолжительностью 1 мин при принятом периоде однократного превышения расчетной интенсивности дождя, формула (3)
(мм/мин).
Д.1.2.2 По формуле (6) находим время добегания дождевых вод по поверхности склона до лотка τc
(мин).
Д.1.2.3 Время добегания дождевых вод по лотку τs определим по формуле (7) для значений Ld в диапазоне от 10 до 400 м с шагом в 10 м. Для этого определим скорость потока по формуле (8) и коэффициента Шези по формуле (9)
(м/с);
,
при
, R = 0, 10417 м, b = 0, 3 м,
h = 0, 335 - 0, 035 = 0, 3 м.
Д.1.2.4 Пропускная способность закрытого лотка рассчитывается по формуле (10)
qc=ωVc=0, 0803·1, 2357=0, 09923 м3/с,
где ω - площадь живого сечения потока в конце лотка
м2.
Д.1.2.5 По формулам (1) и (2) рассчитаем расчетный расход дождевых вод qr для площади водосбора Aw и времени добегания дождевых вод до рассматриваемого сечения лотка tr=τs+τc, соответствующих принятым значениям Ld.
Д.1.2.6 Результаты расчетов представлены на рисунке Д.2, из графика которого следует, что расстояние между дождеприемными колодцами следует принимать 325 м.

1 - расчетный расход с водосборной площади; 2 - пропускная способность лотка
Рисунок Д.2 - Номограмма для определения расстояний между дождеприемными колодцами
Д.2 Расчет монолитной железобетонной обоймы омоноличивания лотка 300 мм (рисунок В.1) на первую категорию нормативной нагрузки (таблица 6). Подшовные плиты проектом не предусмотрены. Расстояние между швами - 10 м. Эквивалентное значение коэффициента постели многослойного основания
.
Д.2.1 Исходные данные к расчету приведены в таблице Д.2.
Таблица Д.2
|
N п.п. |
Наименование |
Обозначение |
Размерность |
Значение |
Источник информации |
|
1. |
Класс бетона на растяжение при изгибе |
Btb |
- |
Btb 3.2 |
задание |
|
2. |
Класс бетона на сжатие |
B |
- |
B15 |
задание |
|
3. |
Расчетное сопротивление сжатию бетона |
Rb |
МПа |
8, 5 |
таблица Б.3 |
|
4. |
Расчетное сопротивление растяжению при изгибе бетона |
Rtb |
МПа |
2, 45 |
таблица Б.4 |
|
5. |
Начальный модуль упругости бетона |
Eb |
МПа |
2, 84·104 |
таблица Б.5 |
|
6. |
Расчетное сопротивление растяжению (сжатию) арматуры А-300 |
Rs |
МПа |
270 |
таблица Б.6 |
Д.2.2 Характеристики геометрии сечения (рисунок Д.3) приведены в таблице Д.3.

Yc - расстояние от подошвы обоймы омоноличивания лотка до центра тяжести сечения
Рисунок Д.3 - Поперечное сечение обоймы омоноличивания лотка
Таблица Д.3
|
N п.п. |
Наименование |
Обозначение |
Размерность |
Значение |
|
1. |
Площадь сечения |
A |
м2 |
0, 4375 |
|
2. |
Момент инерции сечения |
Jx |
м4 |
0, 0204 |
|
3. |
Момент сопротивления сечения |
W |
м3 |
0, 0536 |
|
4. |
Статический момент отсеченной части |
Sxотс |
м3 |
0, 0362 |
Д.2.3 Расчет на прочность бетонного сечения обоймы омоноличивания лотка выполняем как для схемы со свободным краевым опиранием при центральном приложении расчетной нагрузки (рисунок 14 б). Расчет выполняется в следующей последовательности.
Д.2.3.1 В соответствии с п. 8.3.2 рассчитаем величину одноколесной динамической нагрузки для первой категории Fd
КН.
Д.2.3.2 По таблицам Г.15 и Г.18 приложения Г определим максимальные значения внутренних усилий: положительного изгибающего момента и поперечной силы формулы (18) и (19) при двухколесном центральном загружении и колее 0, 7 м
Mmax = 0 + 0, 86857·210·10-3 = 0, 18183 МН·м;
Qmax = 0 + 0, 62859·210·10-3 = 0, 132 МН.
Д.2.3.3 По формулам (16) и (17) рассчитаем значения нормальных и касательных напряжений, выполним проверку прочности по формуле (15)
МПа;
МПа,
следовательно, необходим расчет железобетонного сечения.
Д.2.3.4 Расчет армирования сечения для положительного изгибающего момента в соответствии с п. 8.6.5:
- определение рабочей высоты сечения h0 по формуле (22) при принятом диаметре стержня арматуры 14 мм и защитном слое 5 см
h0 = 0, 66 - 0, 05 = 0, 61 м,
- расчет параметра am по формуле (23)
,
- так как am < aR = 0, 411, то достаточно одиночной (только растянутой) арматуры, параметры армирования сечения следующие:
;
х = 0, 12248·0, 61 = 0, 074713 м;
м2,
- требуемое число стержней растянутой арматуры
.
Д.2.3.5 Расчет армирования сечения для отрицательного изгибающего момента в соответствии со вторым этапом расчета п. 8.5.5 схема (рисунок 14 а):
- по таблице Г.6 приложения Г определим максимальное значение отрицательного изгибающего момента при Fd = 210 КН и колее 0, 7 м
M'max = 0 - 0, 63232·210·10-3 = -0, 13279 МН·м;
- найдем параметр am, для сечения с арматурой As, определенной на первом этапе расчета, формула (26)
;
- в данном случае значение площади дополнительной растянутой арматуры As1 = 0, следовательно, площадь арматуры, устанавливаемой в верхней зоне As2 = As.
Д.2.3.6 Армирование сечения обоймы омоноличивания лотка с учетом конструктивных стержней приведено на рисунке Д.4.

1 - стержни продольной расчетной арматуры А-300, d = 14 мм; 2 - стержни конструктивной арматуры
Рисунок Д.3 - Схема армирования сечения обоймы омоноличивания лотка
Д.2.4 Расчет на деформативность обоймы омоноличивания лотка выполняем как для схемы со свободным краевым опиранием при краевом приложении расчетной нагрузки (рисунок 14 а). Расчет выполняется в следующей последовательности.
Д.2.4.1 Определяется максимальное значение прогиба по формуле (21) с помощью таблиц приложения В и Г
Ymax = -0, 11828 - 0, 01221·210 = -2, 68 мм.
Д.2.4.2 Проверка условия предельно допускаемого прогиба по формуле (20)
;
;
условие выполнено.
Д.2.4.3 На рисунках Д.4 и Д.5 справочно приведены очертания эпюр деформаций и внутренних усилий.

а - эпюра прогибов Y, мм; б - эпюра углов поворота φ·10-4, рад; в - эпюра изгибающих моментов M, КН·м; г - эпюра поперечных сил Q, КН
Рисунок Д.4 - Эпюра деформаций и внутренних усилий от собственного веса и двухколесной нагрузки при центральном загружении

а - эпюра прогибов Y, мм; б - эпюра углов поворота φ·10-4, рад; в - эпюра изгибающих моментов M, КН·м; г - эпюра поперечных сил Q, КН
Рисунок Д.5 - Эпюра деформаций и внутренних усилий от собственного веса и двухколесной нагрузки при краевом загружении
Библиография
|
[1] |
Гражданские аэродромы. Под общей редакцией В.Н. Иванова, М.: Воздушный транспорт, 2010 - 280 с. |
|
[2] |
Актуальные вопросы проектирования, строительства и эксплуатации зданий, сооружений аэропортов. Сб. трудов НПК, посвященной 75-летию ФГУП ГПИ и НИИ ГА "Аэропроект", М.: Воздушный транспорт, 2009 - 112 с. |
|
[3] |
ВСП 32-03-04. Инструкция по проектированию водоотводных и дренажных систем на летных полях аэродромов, М.: МО РФ, 2004. - 116 с. |
|
[4] |
Г.И. Глушков, В.Ф. Бабков, В.Е. Тригони и др. "Изыскания и проектирование аэродромов" Учебник для вузов под редакцией Г.И. Глушкова. 2-е изд., перераб. и доп. - М.: Транспорт, 1992. - 463 с. |
|
[5] |
Пособие по проектированию бетонных и железобетонных конструкций из тяжелого бетона без предварительного напряжения арматуры (к СП 52-101-2003). М.: Ассоциация "Железобетон", 2003 - 150 с. |


