ОДМ 218.11.008-2024 ЭКРАНЫ АКУСТИЧЕСКИЕ. РЕКОМЕНДАЦИИ ПО ОЦЕНКЕ МЕХАНИЧЕСКИХ И ПРОЧНОСТНЫХ ХАРАКТЕРИСТИК С ПРИМЕНЕНИЕМ ВИРТУАЛЬНЫХ ИСПЫТАНИЙ
Издан на основании Распоряжения Федерального дорожного агентства от 19 декабря 2024 г. N 3124-р
ОКС 93.080.00
Предисловие
1 РАЗРАБОТАН Обществом с ограниченной ответственностью "Малое инновационное предприятие "Малое инновационное предприятие "НИИ Механики и проблем качества" (ООО "МиПК").
2 ВНЕСЕН Управлением научно-технических исследований и информационных технологий Федерального дорожного агентства.
3 ИЗДАН на основании распоряжения Федерального дорожного агентства от "19" декабря 2024 г. N 3124-р
4 ИМЕЕТ РЕКОМЕНДАТЕЛЬНЫЙ ХАРАКТЕР.
5 ВЗАМЕН ОДМ 218.11.008-2024 (РЕД. ОТ 26.09.2024).
1.1 Настоящий отраслевой дорожный методический документ (далее ОДМ) устанавливает рекомендации по оценке механических и прочностных характеристик акустических экранов (далее АЭ) с использованием виртуальных испытаний.
1.2 ОДМ предназначен для использования научно-исследовательскими организациями, предприятиями-изготовителями АЭ (для конструкторских, исследовательских, оптимизационных работах) для разработки и внедрения инновационных конструкций.
В настоящем отраслевом дорожном методическом документе использованы нормативные ссылки на следующие стандарты:
ГОСТ 32957-2014 Межгосударственный стандарт. Дороги автомобильные общего пользования. Экраны акустические. Технические требования;
ГОСТ 32958-2014 Межгосударственный стандарт. Дороги автомобильные общего пользования. Экраны акустические. Методы контроля;
ГОСТ 33128-2014 Межгосударственный стандарт. Дороги автомобильные общего пользования. Ограждения дорожные. Технические требования;
ГОСТ 33129-2014 Межгосударственный стандарт. Дороги автомобильные общего пользования. Ограждения дорожные. Методы контроля;
ГОСТ 33329-2015 Экраны акустические для железнодорожного транспорта. Технические требования;
ГОСТ Р ИСО 10303-1-2022 Система автоматизации производства и их интеграции. Представление данных об изделии и обмен этими данными. Часть 1. Общие представления и основополагающие принципы;
ГОСТ Р 57700.1-2017 Численное моделирование для разработки и сдачи в эксплуатацию высокотехнологичных промышленных изделий. Сертификация программного обеспечения. Требования;
ГОСТ Р 57700.11-2018 Численное моделирование физических процессов. Определение напряженно-деформированного состояния. Верификация и валидация численных моделей сложных элементов конструкций в упругой области;
ГОСТ Р 57700.14-2018 Численное моделирование физических процессов. Верификация получаемых сеточными методами численных решений задач механики сплошной среды;
ГОСТ Р 57700.25-2020 Национальный стандарт Российской Федерации. Компьютерные модели и моделирование. Процедуры валидации
В настоящем отраслевом дорожном методическом документе применены термины серии ГОСТ Р 57700, а также следующие термины с соответствующими определениями:
3.1
|
акустический экран: Искусственная преграда, устанавливаемая на пути распространения шума от автомобильного транспорта к защищаемому от шума объекту. [ГОСТ 32957-2014 п. 3.1] |
3.2 геометрически линейная модель: Модель, для которой перемещения настолько малы, что позволяют считать геометрию модели после деформации почти неизменной по сравнению с геометрией модели до деформации.
3.3 геометрия конечного элемента: Геометрическая форма конечных элементов, определяемая числом узловых точек, а также числом точек интегрирования элемента.
3.4 ортотропная модель материал: Модель материала, для которого свойства материала меняются по трем взаимно перпендикулярным осям, обладающим двойной вращательной симметрией.
3.5 контакт: Вид взаимодействия тел, соприкасающихся друг с другом по одной или множеству точек и сопровождаемый возникновением сил трения и давления в контакте.
3.6 линейная модель материала: Модель поведения материала, основанная на предположении линейной зависимости между напряжениями и деформациями.
3.7
|
метод конечных элементов: Сеточный метод численного решения задач математической физики, в котором дискретизация исходных краевых задач производится на основе вариационных или проекционных методов при использовании специальных конечномерных подпространств функций, определяемых выбранной сеткой. [ГОСТ Р 57188-2016, статья 2.3.6] |
3.8
|
модель: Сущность, воспроизводящая явление, объект или свойство объекта реального мира. [ГОСТ Р 57188-2016, статья 2.1.1] |
3.9
|
панель акустическая: Элемент конструкции акустического экрана, выполняющий функции защиты от транспортного шума. [ГОСТ 32957-2014 п. 3.1] |
3.10 переходный процесс: Вид процессов в динамических системах, характеризующих переход физических систем от одного стационарного состояния к другому по времени.
3.11 предварительная модель: Модель на стадии разработки изделия, исходными данными для которой является справочная литература, геометрические эскизы и другая косвенная информация.
3.12 стационарное состояние: Вид состояний статических или динамических систем с постоянными характеристиками в течение длительных промежутков времени.
3.13 точная модель: Физико-математическая модель изделия, содержащая свойства реальных материалов, полученных по результатам натурных испытаний материалов или частей изделия, основываться на окончательной геометрии и прошедшая процедуру валидации в соответствии с ГОСТ 57700.10.
3.14 формулировка конечного элемента: Совокупность ряда физических и численных допущений конечного элемента, определяющих его отклик на действие внешних нагрузок или изменение положения в пространстве.
В настоящем ОДМ приняты следующие сокращения:
АДУ - антидифракционное устройство;
АЭ - акустический экран;
КМ - компьютерное моделирование;
КЭМ - конечно элементная модель;
МКЭ - метод конечных элементов;
НДС - напряженно-деформированное состояние;
ОДМ - отраслевая дорожная методика;
ПО КМ - программное обеспечение компьютерного моделирования;
САПР - система автоматизированного проектирования.
5.1 Основным методом построения виртуальных моделей в настоящем ОДМ является МКЭ в трехмерной постановке. Приведенные ниже рекомендации справедливы, если АЭ остается геометрически линейным и стационарным в процессе нагружения, за исключением методик оценки их ударопрочности. Для оценки ударопрочности АЭ используются явные нелинейных методы динамики переходных процессов.
5.2 В документе выделено два вида моделей - предварительные и точные. Рекомендации к ним отличаются по достоверности исходных данных и отчетной документации.
5.3 Для примеров моделирования АЭ в ОДМ использовался свободно лицензируемый препроцессор LS-PrePost. Рассматриваемый препроцессор позволяет подготовить модели для большинства ПО КМ, включая ЛОГОС.
6.1 Основными этапами создания КЭМ являются:
- выбор ПО КМ (раздел 8);
- работа с геометрическими моделями (раздел 9);
- создание сетки (раздел 10);
- выбор и определение моделей материалов (раздел 11);
- задание нагрузок (раздел 12);
- задание граничных условий и контактов (разделы 13);
- формирование расчетных случаев и оценка прочности (раздел 14);
- составление отчета о виртуальных испытаниях;
- верификация и валидация модели.
6.2 Составление отчета о виртуальных испытаниях является одним из неотъемлемых этапов создания КЭМ. Отчет возможно формировать, как после проведения виртуальных испытаний, так и непосредственно в процессе их проведения.
6.3 Формат и структура отчета для предварительных моделей произвольны. Для точных моделей следует придерживаться требований пункта 7 ГОСТ Р 57700.11.
6.4 Верификацию и валидацию следует выполнять для материалов (пункт 11), деталей конструкции, сборок и конструкции в целом (пункт 14).
6.5 Верификация предварительных моделей осуществляется в соответствии с 10.1, а также требованиями ГОСТ Р 57700.14.
6.6 Процедуру валидации для предварительных моделей допускается не проводить.
6.7 Для точных моделей рекомендуется проводить, как процедуру верификации по 6.5, так и процедуру валидации согласно ГОСТ Р 57700.25.
7.1 В настоящем документе приведена классификация АЭ, имеющая непосредственное отношение к созданию КЭМ или оценке прочности АЭ. Более полная классификация указана в ГОСТ 32957 и [1, 2].
7.2 Материалы, из которых изготавливаются АЭ, подразделяются на следующие виды:
- металлические (сталь, алюминий);
- полимерные, например полиметилметакрилат, монолитный поликарбонат и т.д.;
- бетонные или каменные;
- деревянные (сосна, ель, лиственница);
- композиционные.
7.3 В соответствии с ГОСТ 32957 АЭ классифицируются по типу фундамента:
- без фундамента;
- с фундаментом.
7.4 По конструктивному решению верхней части АЭ рекомендуется подразделять на:
- вертикальные;
- дугообразные;
- без надстройки верхней граничной поверхности;
- с надстройкой верхней граничной поверхности.
Далее в ОДМ последние три вида АЭ по очертанию (дугообразные, ступенчатые и пилообразные) будут обозначаться, как криволинейные.
8.1 В целях подтверждения точности и правильности результатов расчетов рекомендуется, чтобы ПО КМ прошло процедуры валидации и верификации в соответствии с ГОСТ Р 57700.1 или имело сертификат одной из общепризнанных российских организаций: Росстандарт, Ростехнадзор или международных организаций: NAFEMS, ASME, ASTM International, ISO, V&V.
8.2 Построение геометрической модели, создание сетки, задания свойств материалов, задание нагрузок и граничных условий следует осуществлять в совместимом ПО КМ.
8.3 При работе с ПО КМ следует убедиться, что процедуры импорта и экспорта моделей выполняются корректно. Для этого следует убедиться, что программа имеет сертификат серии ГОСТ Р ИСО 10303-1 или международных аналогов этих документов.
8.4 Рекомендуется, чтобы ПО КМ для решения всех задач механической прочности АЭ имело возможность решения задач в области линейной и нелинейной статической прочности, контактных взаимодействий, динамике стабильных состояний, динамики переходных процессов. Для различных задач может быть использовано разное ПО КМ.
8.5 Рекомендуется применение следующих ПО КМ: Fidesys, ЛОГОС, APM FEM.
9.1 Основными геометрическими данными для создания КЭМ являются чертежи, САПР модели, твердотельные модели или другие источники информации, однозначно определяющие геометрию и материалы конструкций АЭ.
9.2 При подготовке геометрической модели рекомендуется сделать проверку на наличие геометрических дефектов модели САПР. Наиболее часто встречающимися дефектами геометрии САПР являются: тонкие или малые поверхности, разрывы между сопряженными поверхностями, частичные разрывы по границе поверхностей, наложение частей соседних поверхностей или дублирование поверхностей, наличие избыточных вершин на границах поверхностей.
9.3 Рекомендуется разделить геометрические поверхности или объемы на простые топологически квадратные или кубические тела. Это приведет к повышению регулярности стеки, уменьшит общее время расчета, а также повысит точности результатов КЭМ АЭ.
9.4 Рекомендуется проводить позиционирование элементов АЭ с учетом контактной толщины. Если контактная толщина не учитывается в модели, то обоснование этому рекомендуется привести в отчете к КЭМ по 6.2.
9.5 При подготовке к построению сетки из геометрической модели рекомендуется удалить мелкие отверстия, фаски и другие элементы, существенно не влияющие на жесткость конструкции, а также на нижние частоты и формы. Если влияние того или иного геометрического элемента не очевидно, то рекомендуется провести сравнительное моделирование с ним и без него. Для общих моделей допустимым является удаление элементов, определяющих локальное напряженно-деформированное состояние, но не влияющих на поведение конструкции в целом с проведением дальнейших уточняющих расчетов этой области.
Например, для акустической панели является допустимым упрощение модели в виде исключений отверстий креплений крышек (рисунок 1), что улучшает форму и однородность сетки. Результаты, полученные таким методом следует уточнить при моделировании детали.

Рисунок 1 - Модель акустической панели без упрощения (а) и с упрощением (б)
10.1.1 Создание сетки на элементах АЭ рекомендуется проводить с применением автоматизированных инструментов создания сеток препроцессоров.
10.1.2 Для предварительных моделей достаточно соблюдение критериев в соответствии с 10.1.3 - 10.1.4. Для точных моделей, помимо двух вышеперечисленных, также следует соблюсти один из критериев по 10.1.5 - 10.1.6.
10.1.3 Для общей оценки качества элементов рекомендуется использовать следующие критерии качества сетки: параметр отношения характерных размеров (далее AR, рисунок 2а), скошенность (рисунок 2б), конусность (рисунок 2в), коэффициент депланации (рисунок 2г), определитель Якоби.


а - AR; б - скошенность; в - конусность; г - депланация; l1, l2 - характерные размеры элемента; α - острый угол при медианах; α1 - α4 - углы от центра тяжести до вершин элемента; h - максимальное расстояние от вершины до плоскости элемента; l – минимальный характерный размер элемента
Рисунок 2 - Основные геометрические критерии качества сетки
10.1.3.1 Критерий соотношения сторон (рисунок 2а) определяется по формуле
, (1)
Критерий характеризует степень отклонения формы элемента от идеальной (квадрат, равнобедренный треугольник, куб, правильная пирамида и т.д.). Отклонение значения приводит к неправильному определению напряжений, особенно при сдвиге.
10.1.3.2 Критерий скошенности определяется (рисунок 2б) по формуле
, (2)
Критерий характеризует, насколько угловые размеры элемента отличаются от идеальных.
10.1.3.3 Критерий конусности (рисунок 2в) определяется по формуле
, 3)
где αmin - минимум из углов α1, α2, α3, α4
Критерий является нелинейной комбинацией двух предыдущих критериев.
10.1.3.4 Критерий депланации (рисунок 2 г) определяется по формуле
, (4)
Нарушение критерия приводит к неправильному определению, как напряженного состояния, так и собственных частот конструкции.
10.1.3.5 Якобиан [3] определяет переход от естественных координат элемента к физическим координатам. Его значение непосредственно влияет на точность результатов расчетов.
10.1.3.6 Общие рекомендации настоящего пункта по допустимым значениям геометрических параметров приведены в таблице 1.
|
Параметр качества сетки |
Рекомендуемое значение |
|
Соотношение сторон элемента (AR) |
не более 5 |
|
Скошенность (SA) |
не более 0,5 |
|
Конусность (T) |
не более 0,7 |
|
Депланация (W) |
не более 10 |
|
Якобиан |
не менее 0,6 |
Рекомендуется, чтобы количество элементов, не соответствующих приведенным выше критериям, не превышало 2,5% от общего количества элементов. Для зон концентрации напряжений приведенные рекомендации выполнялись в соответствующей зоне.
Пример использования критериев качества элементов смотри в А.1 (приложение А).
10.1.4 Критерий, основанный на изменении размеров элементов, заключается в проведении двух последовательных расчетов с различным характерный размером элементов. Рекомендуется, чтобы размер элементов в модели отличался в полтора или более раз. В результате проведения двух последовательных расчетов рекомендуется, чтобы разность напряжений КЭМ не превышала 5%.
Пример использования критерия, описанного выше, приведен в А.2 (приложение А).
10.1.5 Критерий непрерывности поля напряжений в точках интегрирования элемента показывает, разницу в точках интегрирования для соседних элементов. На рисунке 3 крестиками обозначены точки интегрирования элементов. Особенности использования критерия смотри в А.3 (приложение А).

Рисунок 3 - Точки интегрирования элементов
10.1.5.1 При использовании интегрирования по правилу трапеций рекомендуется, чтобы разница напряжений в соседних точках интегрирования не превышала 5%.
10.1.5.2 При использовании интегрирования по правилу Гаусса рекомендуется, чтобы разница напряжений не превышала 10%.
10.1.6 Критерий, основанный на изменении формулировки или геометрии конечных элементов.
Для проверки правильности выбора характерного размера сетки и формулировки элементов рекомендуется провести одну из следующих процедур:
- изменить формулировку элементов с редуцированных на полноинтегрируемые;
- заменить элементы первого порядка, на элементы более высоких порядков;
- изменить геометрию элементов (с балочного на оболочечный или объемный).
Рекомендуется, чтобы в результате такой замены, разница в напряжениях и перемещениях расчетов не превышала 10%.
Пример использования критерия приведен в А.3 (приложение А).
10.2.1.1 Сосредоточенные массы рекомендуется использовать с целью упрощения КЭМ путем замены отдельных элементов АЭ их массово-инерционными характеристиками. Такую замену рекомендуется проводить в случаях, если для рассматриваемого элемента АЭ в дальнейшем не будет производиться оценка прочности или жесткости.
Примером применения таких элементов являются мешки при оценке механической прочности АЭ в соответствии с ГОСТ 32958.
10.2.1.2 Рекомендуется добавлять сосредоточенные массы в узлы модели, если масса КЭМ элемента АЭ не соответствует массе реальной конструкции АЭ. Максимальная разница между массой КЭМ и реальной конструкции не может превышать 5%. Если превышение составляет более 5% рекомендуется сравнить параметры КЭМ с конструкторской документацией.
10.2.1.3 Примеры карт сосредоточенных масс и их параметров приведены в Б.1.1 (приложение Б).
10.2.2.1 Балочные элементы рекомендуется применять для элементов конструкций АЭ, в случаях, если длина элемента много больше, чем характерные размеры поперечного сечения элемента АЭ. Также рекомендуется соблюдение условия, что распределение напряжений по сечению, в области изменений формы сечения, местах приложения сил и граничных условиях не является критичным для рассматриваемого элемента конструкции АЭ. Рекомендуется чтобы отношение длины (L) к характерным размерам поперечного сечения (h) было не менее 5 (L/h ≥ 5).
Примерами применения балочных элементов являются стойки АЭ, арматурные стержни, болтовые или заклепочные соединения, сварные соединения.
10.2.2.2 Рекомендуется применять балки в формулировке Тимошенко [3], если длина балочных элементов находится в диапазоне от 5 ≤ L/h ≤ 10 (где L - длина балки, h - характерный размер сечения) характерных размеров поперечных сечений, граничными условиями на концах балки содержат ограничения на повороты и критичны при оценке прочности.
10.2.2.3 Рекомендуется применять результирующие балки Эйлера-Бернулли [3], если поперечное сечение балки больше длины в соотношении L/h ≥ 10 (где L - длина балки, h - характерный размер сечения), все размеры сечения одного порядка (не тонкостенное), распределение внутренних силовых факторов в области заделки не является определяющим.
10.2.2.4 В случаях, если L/h ≥ 10 (где L - длина балки, h - характерный размер сечения) сечение тонкостенное или в сечении балки могут произойти пластические деформации, то рекомендуется использовать интегрируемые балки Эйлера-Бернулли [3].
10.2.2.5 Не следует применять описанные выше элементы для нелинейно упругих материалов (см. 11.3), а также в случаях, когда функции напряжений сечения терпят разрывы (составные сечения). Если соблюдение этих рекомендаций не очевидно, следует сравнить результаты расчетов КЭМ с балочными элементами, с моделями с оболочечными или объемными элементами по 10.1.6.
10.2.2.6 Болтовые, заклепочные соединения и точечную сварку рекомендуется моделировать специализированными балочными элементами.
10.2.2.7 Примеры карт балочных элементов и их параметров приведены в Б.1.2 (приложение Б).
10.2.3.1 Оболочечные элементы рекомендуется применять в случаях, когда один из характерных размеров конструкции (толщина) много меньше, чем два других размера. Примерами использования оболочечных элементов являются стойки ограждения, акустические панели, выполненные из металлов или полимерных материалов.
10.2.3.2 Для всех дальнейших оболочек рекомендуется применять оболочки по теории Миндлина-Рейснера [3], расположенные на срединной поверхности тела. Геометрическим параметрам оболочечных и пластинчатых элементов следует удовлетворять рекомендациям в соответствии с 10.1.3.
10.2.3.3 При использовании сеток, полученных методами автоматической триангуляции, не рекомендуется использование элементов нулевого порядка. Также не рекомендуется использовать треугольные элементы первого порядка при наличии большого количества геометрических граничных условий.
10.2.3.4 Не рекомендуется, чтобы для случаев ударного нагружения общее количество треугольных элементов превышало 10% от общего количества элементов для каждой детали.
10.2.3.5 Для всех нагрузок в пункте 12, кроме ударных, рекомендуется применение четырех узловых оболочечных элементов первого порядка или элементов высоких порядков.
10.2.3.6 В задачах статики рекомендуется применять полноинтегрируемые [3] элементы высокого порядка.
10.2.3.7 Для задач ударных взаимодействий рекомендуется применять элементы в формулировке Белычко-Вонг-Ченга [3] с учетом изменения толщины элементов только от пластических деформаций.
10.2.3.8 Для задач ударных взаимодействий рекомендуется использовать контроль деформаций по виду песочных часов для соответствующей формулировки.
10.2.3.9 Рекомендуется проверить корректность результатов КЭМ путем сравнения с объемными элементами по 10.1.6 для случаев:
- резкого изменения толщин тела на одном участке;
- если эпюра нормальных напряжений в материале может отклоняться от прямой линии;
- для в случаях сложного распределения касательных напряжений по толщине.
10.2.3.10 Не рекомендуется применять менее четырех элементов в случае изгиба пластины или оболочки в плоскости. Не следует смещать оболочки от срединной поверхности без обоснования. Если было выполнено смещение от срединной поверхности, то обоснование этого записывается в отчет о модели.
10.2.3.11 В случае исследования моделей с упругопластическими деформациями рекомендуется использовать не менее 5 точек интегрирования по толщине.
10.2.3.12 Примеры карт оболочечных элементов и их параметров приведены в Б.1.3 (приложение Б).
10.2.4.1 Объемные элементы рекомендуется применять для случаев, если все характерные размеры элемента конструкции имеют один порядок или геометрия не может быть описана с использованием других типов элементов.
Примерами использования объемных элементов для АЭ являются: грунт, фундамент АЭ, головки болтов, бетонные акустические панели, бетонные стойки АЭ.
10.2.4.2 Рекомендуется использовать полноинтегрируемые формулировки объемных элементов [3]. Геометрическим параметрам объемных элементов следует соответствовать рекомендациям по 10.1.3.
10.2.4.3 Рекомендуется использовать объемные элементы в случаях сложных нагрузок или граничных условий, а также скачкообразных или быстрых изменений напряжений по толщине деталей.
10.2.4.4 Для объемных элементов, полученных методами автоматического построения сеток справедливы рекомендации по 10.2.3.3.
10.2.4.5 Рекомендуется применять не менее 4-х объемных элементов по толщине детали.
10.2.4.6 Для статических нагрузок определяемых в соответствии с 12.1 - 12.5, 12.7 рекомендуется применять полноинтегрируемые элементы высокого порядка.
10.2.4.7 Для динамических нагрузок определяемых в соответствии с 12.6, 12.8 - 12.9 рекомендуется применять элементы первого или нулевого порядка с контролем мод деформаций по виду песочных часов.
11.1.1 В настоящем разделе приведены основные рекомендации по моделям материалов для КЭМ, из которых изготавливаются АЭ и особенностям их использования для различных конструктивных элементов АЭ. Для наиболее распространенных материалов приведены рекомендуемые механические характеристики и даны ссылки на методики испытаний для построения предварительных и точных моделей.
11.1.2 Классификация материалов настоящего раздела соответствует классификации по 7.2. Также материалы классифицированы на несколько дополнительных групп:
- линейно-упругие;
- нелинейные;
- изотропные;
- ортотропные.
11.1.3 Рекомендуется использовать описанные далее методики и модели материалов до предела прочности материала, а также при значениях деформаций, не превышающих 10%.
11.1.4 Рекомендуется проводить испытания всех материалов с запасом в 20% по деформациям от предполагаемых рабочих значений. Не рекомендуется экстраполировать экспериментальные данные, полученные при испытаниях материалов.
11.1.5 После проведения испытаний материала и получения диаграмм деформирования материалов, константы материала рекомендуется получать обратным методом - оптимизацией свойств кривых под экспериментальные данные. Значения полученных констант рекомендуется проверить путем моделирования серии независимых экспериментов на независимых образцах.
11.1.6 Если данные по механическим характеристикам материалов получены из справочной литературы (включая настоящий документ), то модель считается предварительной.
11.2.1.1 Рекомендуется использовать линейно-упругую модель материалов для стальных и алюминиевых элементов АЭ в упругой области. Также линейно-упругая модель материала может быть использована для пластиков, грунтов, резин и других нелинейных материалов в случаях отладки модели, а также в тех случаях, когда проведено обоснование возможности использования этого вида материала.
11.2.1.2 Рекомендуется применить рассматриваемую модель материала для следующих видов нагрузок: собственный вес, временные нагрузки, аэродинамические нагрузки, оценка собственных форм и частот конструкции и другие расчетные случаи, при которых не будет происходить образование остаточных деформаций.
11.2.1.3 Линейно упругая работа материала описывается определяет тензор напряжений σij, МПа по формуле
σij = Eijklεkl, (5)
где Eijkl - упругие константы материала, МПа;
εij - тензор деформаций, мм/мм.
11.2.2.1 Изотропная модель материала рекомендуется для оценки прочности металлических и пластиковых АЭ. Бетонные АЭ, а также фундаменты (грунты, бетоны) возможно моделировать с использованием изотропного материала в соответствии с 11.2.1.1.
11.2.2.2 Рекомендованные параметры для материалов, наиболее часто применяемых в конструкциях АЭ приведены в таблице 2.
|
Параметр |
Плотность, кг/м3 |
Модуль упругости, МПа |
Коэффициент Пуассона, - |
|
Сталь |
7850 |
207 000 |
0,30 |
|
Алюминий |
2700 |
70 000 |
0,34 |
|
Полиэтилентерефталат * |
1400 |
2 700 |
0,34 |
|
Поликарбонат * |
1200 |
2 400 |
0,33 |
|
Полиметилметакрилат * |
1180 |
3 100 |
0,38 |
|
* Приведены значения характеристик материалов без примесей. | |||
11.2.2.3 Для бетонов рекомендуется принимать значения модуля упругости, плотности и коэффициента Пуассона в соответствии с [4].
11.2.2.4 Для грунтов рекомендуется принимать значения упругих констант материала в соответствии с [5].
11.2.2.5 В случае, если материал элемента АЭ не соответствует ни одному из описанных выше, рекомендуется использовать справочную литературу.
11.2.2.6 Пример карты изотропного линейного материала приведен в Б.2.1 (приложение Б).
11.2.3.1 Ортотропная модель материала рекомендуется при оценке прочностных характеристик деревянных АЭ и АЭ, выполненных из композиционных материалов.
11.2.3.2 Рекомендованные параметры для древесины, наиболее часто используемой в конструкциях АЭ приведены в таблицах 3 - 5. Приведенные механические характеристики справедливы только для дерева влажностью 12% и могут меняться, если произошло намокание древесины, а также в древесине присутствует большое количество дефектов - трещин, сучков, наростов и других.
11.2.3.3 Поведение дерева описывается двенадцатью константами материала, девять из которых независимы. Модули упругости в продольном EL, окружном ET и радиальном направлении ER, а также модули сдвига G приведены в таблице 3.
|
Модуль упругости, МПа |
Сосна |
Ель |
Лиственница |
|
EL |
12100 |
14500 |
12900 |
|
ET |
570 |
430 |
830 |
|
ER |
690 |
660 |
1020 |
|
GLR |
1210 |
- |
810 |
|
GLT |
780 |
- |
890 |
|
GRT |
- |
50 |
90 |
11.2.3.4 Рекомендованная плотность дерева представлена в таблице 4.
|
Сосна, кг/м3 |
Ель, кг/м3 |
Лиственница, кг/м3 |
|
500 |
470 |
725 |
11.2.3.5 Рекомендованные коэффициенты Пуассона (μ) между продольным (L), окружным (T) и радиальным (R) направлением [3] приведены в таблице 5.
|
Коэффициент Пуассона, - |
Сосна |
Ель |
Лиственница |
|
μLR |
0,490 |
0,440 |
0,340 |
|
μLT |
0,410 |
0,410 |
0,280 |
|
μRT |
0,030 |
0,017 |
0,390 |
|
μTR |
0,790 |
0,480 |
0,350 |
|
μRL |
0,037 |
0,031 |
- |
|
μTL |
0,038 |
0,025 |
- |
11.2.3.6 При задании композиционных материалов рекомендуется использовать линейную ортотропную модель материала. Механические характеристики композиционных материалов варьируются в большом диапазоне значений, поэтому, для получения их свойств рекомендуется проведение натурных испытаний материала или предварительное моделирование микромеханики. Свойства композитных материалов рекомендуется задавать по слоям с учетом ориентации волокон.
11.2.3.7 Пример карты ортотропного линейного материала приведен в Б.2.2 (приложение Б).
11.2.4.1 Для оценки прочности линейно упругих материалов в сложном напряженном состоянии рекомендуется использовать условие прочности, сравнивающее эквивалентные напряжения в модели σeq, МПа, с допустимыми напряжениями (σ), МПа, по формуле
σeq ≤ [σ], (6)
11.2.4.2 Эквивалентные напряжения рекомендуется определять в соответствии с особенностями работы материала по одной из следующих теорий прочности [3]:
- для пластичных изотропных материалов рекомендуется использовать четвертую теорию прочности (энергетическая теория прочности);
- для хрупких изотропных материалов первую теорию прочности (теория максимальных нормальных напряжений);
- для грунтов и других сыпучих материалов пятую теорию прочности (теория Кулона-Мора [3]);
- для ортотропных материалов теорию прочности Цая-Ву [3].
11.2.4.3 При использовании теории прочности, отличной от перечисленных, обоснование возможности ее применения следует занести в отчет.
11.3.1.1 Упругопластическую модель материала рекомендуется использовать для расчетов на ударное нагружение щебнем элементов АЭ и АЭ в сборе выполненных из стали, алюминия и пластиков, а также в случаях исследования работы конструкции в зоне общей текучести.
11.3.1.2 Механические характеристики материалов для точных моделей следует получать экспериментальным путем. Для предварительных моделей возможно использование справочных данных, характеризующих инженерные механические характеристики материалов.
11.3.1.3 Механические характеристики материалов, полученные в результате проведения испытаний или из справочных данных рекомендуется пересчитать в истинные напряжения σt, МПа, и истинные деформации εt, мм/мм, по формулам
εt = ln(1 + εe), (7)
σt = σe*ln(1 + εe). (8)
где εe - инженерные деформации, мм/мм;
σe - инженерные напряжения, МПа.
11.3.1.4 Для предварительных моделей, при отсутствии экспериментальных данных, материала рекомендованной является степенная зависимость, определяющая напряжения σ, МПа, в пластической области [3] по формуле
σ = kεn, (9)
где k - константа материала, МПа;
n - константа материала, -.
Характерный вид диаграммы деформирования материала приведен на рисунке 4.

Рисунок 4 - Характерный вид истинной диаграммы деформирования для степенного закона поведения материала
11.3.1.5 Для оценки ударной прочности при деформациях до предела прочности рекомендуется получать значения k и n через предел текучести и предел прочности. Для оценки ударной прочности за пределом текучести рекомендуется использовать условие равенства нулю угла наклона касательной к диаграмме деформирования материала при пределе прочности и значение предела прочности.
11.3.1.6 Рекомендуется принимать значение деформаций текучести, соответствующими 0,002 мм/мм. В справочных данных отсутствуют деформации, соответствующие пределу прочности. Рекомендуется принимать значения этого параметра в диапазоне от 0,1 до 0,4 значения относительного удлинения при разрыве в зависимости от пластичности стали.
11.3.1.7 Не рекомендуется применять степенную модель диаграммы деформирования, если у материала выражена площадка текучести.
11.3.1.8 Пример карты материала, определяемого степенной зависимостью, приведен в Б.2.3 (приложение Б).
11.3.1.9 При выраженной площадке текучести рекомендуется использовать модель материала с кусочно-линейной аппроксимацией диаграммы деформирования. Характерный вид диаграммы деформирования материала приведен на рисунке 5.

Рисунок 5 - Характерный вид истинной диаграммы деформирования для кусочно-линейного материала
11.3.1.10 Рекомендуется, чтобы диаграмма деформирования кусочно-линейного материала всегда возрастала. При использовании убывающей диаграммы рекомендуется привести обоснование техники, используемой для такой зависимости.
11.3.1.11 Пример карты материала, определяемого кусочно-линейной зависимостью, приведен в Б.2.4 (приложение Б).
11.3.2.1 Модель резины рекомендуется использовать для учета материалов прокладок и уплотнителей в конструкциях АЭ.
11.3.2.2 В случаях деформаций, не превышающих 10% поведение резины, возможно описывать законом Гука для изотропных материалов в соответствии с 11.2.
11.3.2.3 При наличии только справочных данных по одноосному растяжению-сжатию резины рекомендуется использовать однопараметрическую модель материала Нео-Гука [3] определяемую формулой
, (10)
где W - плотность энергий деформации, Дж/мм3;
λ - главные компоненты удлинения, мм/мм;
G - константа материала, Дж/мм3.
11.3.2.4 Не рекомендуется использовать модель Нео-Гука в случаях, если линейная деформаций превышает 0,5 мм/мм, а деформаций сдвига превышает 1 мм/мм.
11.3.2.5 Пример карты материала модели Нео-Гука [3] приведен в Б.2.5 (приложение Б).
11.3.2.6 При наличии экспериментальных данных по сдвигу и растяжению-сжатию образцов из резин рекомендуется использовать обобщенную модель Муней-Ривлина [3] определяемую формулой
, (11)
где W - плотность энергий деформации, Дж/мм3;
Ī1, Ī2 - первый и второй инварианты обратного модифицированного левого тензора деформаций Коши-Грина, -;
J - определить градиента деформации, -;
C01, C10 - константы материала, Дж/мм3.
11.3.2.1 Пример карты материала модели Нео-Гука [3] приведен в Б.2.6 (приложение Б).
11.3.3.1 Бетонные элемента АЭ рекомендуется рассчитывать с применением линейно-упругого материала на все нагрузки, кроме ударных и сейсмических. При оценке прочности рекомендуется учесть неодинаковости свойств бетона на растяжение и сжатие.
11.3.3.2 В расчетах сейсмических воздействий, а также ударных нагружениях, а также для случаев исследования остаточной прочности конструкций при наличии трещин или использовании предварительно напряженных конструкций рекомендуется применение модели CSCM (Continuous Surface Cap Model) [3].
11.3.3.3 Для CSCM модели бетона рекомендуемым является контроль мод по форме песочных часов.
11.3.3.4 Рекомендуется проведение дополнительных калибровок модели CSCM в случае чистого сдвига и при моделировании поведения бетона только в упругой области, так как базовые характеристики модели откалиброваны под описывать поведение бетона в нелинейной стадии.
11.3.3.5 При использовании стандартных свойств бетона в соответствии с [4] рекомендуется учесть разницу между цилиндрической и кубической прочностью бетона путем деления кубической прочности на соответствующий коэффициент.
11.3.3.6 При ударных нагружениях бетона следует использовать характерный размен сетки не более 5 мм.
11.3.3.7 Пример карты материала CSCM приведен в Б.2.7 (приложение Б).
11.3.4.1 Материал рекомендуется использовать для задания головок болтов и шпилек, а также других элементов АЭ, жесткость которых велика.
11.3.4.2 Модуль упругости и коэффициент Пуассона деталей АЭ для абсолютно жестких моделей материала рекомендуется задавать в соответствии характеристикам реальных материалов, так как они определяют жесткость в контакте.
11.3.4.3 Пример карты абсолютно жесткого материала приведен в Б.2.8 (приложение Б).
11.4.1 Температурные свойства материалов АЭ рекомендуется определять при оценке температурных нагрузок, действующих на конструкцию.
11.4.2 Для оценки механической прочности рекомендуется учитывать только два параметра температурных состояний: изменение температуры АЭ, а также коэффициент линейного температурного расширения.
11.4.3 В случае, если механические характеристики материала, например модуль упругости или предел текучести существенно варьируются в зависимости от температуры, рекомендуется учесть это в расчете. Для таких материалов рекомендуется в дополнение к механическим характеристикам определить кривую соответствия механических характеристик и температуры.
11.4.4 Значения коэффициента линейного температурного расширения рекомендуется брать из справочных материалов, т.к. его значение существенно варьируется в зависимости от материалов.
11.4.4.1 Пример карты, учитывающей температурные свойства материала приведен в Б.2.9 (приложение Б).
12.1.1 Нагрузку собственного веса рекомендуется прикладывать первой при нагружении конструкции для всех моделей АЭ.
12.1.2 Вес конструкции в КМ АЭ определяется исходя из величины плотности материала и геометрии элементов АЭ, а также ускорения свободного падения.
12.1.3 Для секций экрана, состоящих из акустических панелей и не имеющих жесткого крепления к стойкам, в КЭМ рекомендуется учесть действие веса верхних панелей на нижние. В случае наличия нежестких связей между панелями и стойками (уплотнителей, установленных в натяг и т.д.), которые перераспределяют часть веса панелей, с нижних панелей на стойки, рекомендуется проводить два расчета: с учетом перераспределения нагрузки на эти стойки и без учета последнего.
12.1.4 В случаях использования конструкций из пористых материалов (в том числе не подверженных намоканию, так как вода может попасть в поры) или материалов, впитывающих влагу, а также конструкций экранов, содержащих полости, куда может попасть вода, рекомендуется проводить два расчета: в сухом состоянии и с учетом намокания.
12.1.4.1 Вес конструкции с учетом намокания для предварительных моделей может быть определен исходя из данных справочников или других источников информации, а также опыта инженера. Обоснование веса намокшей конструкции следует привести в отчете по 6.2.
12.1.4.2 Для точных моделей вес следует определять путем натурных испытаний. Для определения веса после намокания рекомендуется элемент АЭ или его характерную часть погрузить в воду на 24 часа и через 10 минут после извлечения измерить вес. В случае расчетов с намоканием дополнительный вес конструкции рекомендуется прикладывать в виде сосредоточенных масс в соответствии с 10.2.1.
12.1.5 В КЭМ вес конструкции рекомендуется прикладывать в виде рампы (рисунок 6), постепенно возрастающей до своего полного значения, а потом действующей постоянно на продолжении оставшейся части расчета. Величину ускорения свободного падения (g) рекомендуется задавать в виде масштабирующего фактора для нагрузки.

Рисунок 6 - Закон изменения собственного веса конструкции в КЭМ
12.1.6 Для моделей, явно учитывающих динамику, время возрастания веса рекомендуется выбрать так, чтобы значение кинетической энергии в системе не превышало 3% от значения внутренней энергии для каждой детали.
12.1.7 Для устранений динамических эффектов от приложения собственного веса рекомендуется использование динамической релаксации или проведение предварительного статического расчета. Если используется одна из описанных выше методик, то в основном расчете гравитационную следует прикладывать сразу полностью. Динамическую релаксацию рекомендуется использовать только в случаях малых упругих деформаций (менее 10% от деформаций, характеризующих нелинейную области).
12.1.8 Пример карты задания веса конструкции приведен в Б.3.1 (приложение Б).
12.1.9 Расчет на действие собственного веса рекомендуется проводить с использованием неявных статических решений.
12.2.1 В соответствии с требованиями ГОСТ 32958 к верхней части АЭ должны быть подвешены грузы массой 25 кг. Схема нагружения представлена на рисунке Г.1 (приложения Г) рассматриваемого документа. Вес грузов рекомендуется задать одним из перечисленных ниже способов.
12.2.1.1 Вес грузов возможно задавать как сосредоточенные силы приложенные по линии к верхней кромке АЭ (рисунок 7). Для определения величины нагрузки рекомендуется эквивалентную силу веса груза P = 250 Н разделить на количество узлов - n, к которым прикладывается нагрузка. При необходимости, также рекомендуется учесть момент грузов.
Пример - бетонная панель АЭ, представленная на рисунке 7, состоит из 4 элементов по толщине, которые определяю пять узлов верхней грани. В результате на каждый узел следует приложить нагрузку в f = 250/5 = 50 Н.

Рисунок 7 - Приложение нагрузки от грузов в соответствии с ГОСТ 32958
12.2.1.2 Нагрузку от грузов возможно задать через сосредоточенные массы в соответствующих узлах. Величина каждой массы, приходящейся на узел, рассчитывается в соответствии с 12.2.1.1.
12.2.2 Пример карты задания нагрузки от грузов приведен в Б.3.2 (приложение Б).
12.2.3 Не рекомендуется заменять нагрузку от грузов силой в одном узле или распределять ее по большей площади без достаточного обоснования, так как это может привести к неправильному определению запаса по устойчивости.
12.2.4 Нагрузку рекомендуется прикладывать постепенно в соответствии с 2.1.5.
12.2.5 Расчет на действие грузов рекомендуется проводить с использованием неявных статических решений.
12.3.1.1 Значение ветровой нагрузки рекомендуется определять в соответствии с [7], а также с учетом рекомендаций настоящего документа. Для корректного задания основной ветровой нагрузки на первом этапе рекомендуется оценить собственные частоты конструкции с учетом предварительного нагружения собственным весом.
12.3.1.2 Для случаев моделирования элементов АЭ оболочечными или объемными элементами, ветровую нагрузку рекомендуется прикладывать в виде давления к поверхности АЭ параллельно дороге. Для балочных элементов рекомендуется использовать распределенную нагрузку.
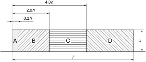
12.3.1.3 Ввиду неравномерного распределения ветровой нагрузки к концам экрана, а также при их наклоне рекомендуется выделить 4 области приложения ветровой нагрузки (A, B, C, D) по длине АЭ (рисунок 8). Область A находится ближе к концу экрана или в местах разрывов акустических экранов. Аварийные выходы не считаются разрывами, в случаях если их высота меньше, чем 1/3 высоты АЭ.

h - высота экрана; l - длина экрана
Рисунок 8 - Области различных значений ветровой нагрузки по длине АЭ
12.3.1.4 Для случаев изменения высоты АЭ (мест сопряжения высоких АЭ с более низкими АЭ) области A, B, C, D должны выбираться в соответствии с рисунком 9.

h - высота меньшего из экранов; Y - разница в высотах сопряженных АЭ; l - длина экрана
Рисунок 9 - Области различных значений ветровой нагрузки по высоте
12.3.1.5 Аэродинамический коэффициент (c) при расчете средней составляющей ветровой нагрузки для областей A, B, C, D рекомендуется приниматься в соответствии с таблицей 6.
|
Область АЭ |
Вертикальные (угол наклона менее 5°) |
Наклонные (угол наклона от 5° до 10°) |
Наклонные (угол наклона более 10°) |
|
A |
3,4 |
3,5 |
3,6 |
|
B |
2,8 |
2,9 |
3,0 |
|
C |
1,7 |
1,8 |
1,9 |
|
D |
1,2 |
1,3 |
1,4 |
12.3.1.6 При задании ветровой нагрузки рекомендуется использовать модель нагрузки на единицу площади (рисунок 10). Пример карты нагрузки приведен в Б.3.3 (приложение Б).

Рисунок 10 - Вид модели после приложения ветровой нагрузки
12.3.1.7 Закон приложения ветровой нагрузки рекомендуется выбирать в соответствии с 2.1.5.
12.3.1.8 Расчет на действие ветровой нагрузки рекомендуется проводить с использованием неявных статических решений.
12.3.2.1 Гололедные нагрузки рекомендуется учитывать в соответствии с регионами, где есть риск образования гололеда, особенно в северных приморских регионах.
12.3.2.2 Величина гололедных нагрузок определяется в соответствии с [6].
12.3.2.3 Учет гололедных нагрузок рекомендуется производить в соответствии с рекомендациями по 12.1. Дополнительную массу от льда рекомендуется задавать сосредоточенными массами, распределенными по внешней поверхности АЭ по 10.2.1.
12.3.3.1 Снеговые нагрузки рекомендуется учитывать в местностях, где существует возможность снегозаноса, а также в местах складирования снега на обочинах дорог.
12.3.3.2 Давление снежных масс и высоту приложения нагрузки рекомендуется принимать в соответствии с [7], таблица 6.
12.3.3.3 В КЭМ АЭ рекомендуется учитывать нагрузку от снежных масс, как внешнее давление, приложенное на соответствующей высоте в соответствии с рекомендациями по 12.3.1.
12.4.1 В районах, где снегоочистка автомобильных дорог производится с применением плужного снегоочистителя при расчетах АЭ рекомендуется учитывать нагрузку, возникающую при уборке снега.
12.4.2 Нагрузку рекомендуется прикладывать как силу, распределенную по области 2 x 2 м, так чтобы результирующая сила была на 1,5 м выше уровня проезжей части (рисунок 11). В случае если расстояние от кромки проезжей части до экрана более, чем 7 м, то нагрузку можно не учитывать.

L - расстояние до экрана
Рисунок 11 - Область приложения нагрузки, возникающие при уборке снега с использованием плужного снегоочистителя
12.4.3 Рекомендуемые значения силы для скоростей движения снегоуборочной техники более 50 км/ч приведены на рисунке 12. Для скоростей движения менее 50 км/ч нагрузку можно не учитывать.

A - значение силы; B - расстояние до экрана; V - скорость движения снегоуборочной техники
Рисунок 12 - Значения нагрузки, возникающие при уборке снега с использованием плужного снегоочистителя
12.4.4 Нагрузка, является распределенной нагрузкой по поверхности экрана поэтому в модели ее рекомендуется учитывать как внешнее давление в соответствии с рекомендациями 12.3.1.6. Пример приложения нагрузки показан на рисунке 13.

Рисунок 13 - Пример приложения нагрузки, возникающие при уборке снега с использованием плужного снегоочистителя
12.4.5 Нагрузку рекомендуется прикладывать в нескольких местах АЭ, особенно в области крайних стоек АЭ.
12.4.6 Расчет на нагрузку от уборки снега рекомендуется проводить с использованием неявных статических решений.
12.5.1 Расчет на действие аэродинамических автомобильных нагрузок рекомендуется проводить для случаев, если расстояние от АЭ до проезжей части автомобильной дороги не превышает 3-х м, а также существует возможность движения автопоездов, автобусов или других крупногабаритных автомобилей в непосредственной близости от АЭ.
12.5.2 Величина нагрузки определяются в зависимости от скорости потока и расстояния до АЭ в соответствии с таблицей 7. Если расчетный случай не соответствует ни одному из описанных рекомендуется использовать линейную интерполяцию значений.
|
Скорость, км/ч |
Величина давления, Па | |
|
Расстояние до АЭ 1,0 м |
Расстояние до АЭ 3,0 м | |
|
90 |
650 |
600 |
|
110 |
- |
800 |
|
130 |
- |
1200 |
12.5.3 Рекомендуется задавать нагрузку по всей поверхности АЭ в соответствии с 12.3.1. Такая модель нагрузки моделирует непрерывный поток автомобиля вдоль АЭ.
12.6.1 Сейсмические на АЭ рекомендуется учитывать в сейсмически опасных регионах. Значения сейсмических нагрузок определяются статистическими данными региона установки АЭ, а также требованиями [7].
12.6.2 Сейсмическая нагрузка для экранов без стоек прикладывается ко всей нижней поверхности АЭ. В случае использования в конструкции АЭ стоек рекомендуется прикладывать нагрузку к основанию стоек или фундаменту.
12.6.3 Сейсмический расчет рекомендуется производить одним из следующих способов в зависимости от исходных данных:
- если известна акселерограмма землетрясения, то с использованием явных решателей через задание вынужденных перемещений (см. 13.4);
- если известны спектральные плотности землетрясений, то рекомендуется производить расчет на неявных решателях предварительно выполнив расчет по оценке собственных форм и частот конструкции;
12.6.4 Пример карты задания сейсмической нагрузки приведен в Б.3.4 (приложение Б).
12.7.1 Температурные нагрузки определяются согласно статистическим данным района размещения и [8]. Расчет на действие температурных нагрузок рекомендуется проводить с шагом в 10 °C.
12.7.2 На действие температурных нагрузок должны быть проверены места соединения панель-панель, панель-стойка, деформационные швы бетонных АЭ, места соединения комбинированных ограждений.
12.7.3 Расчет на действие температурных нагрузок рекомендуется проводить неявными решателями без учета перераспределения температуры между деталями. При необходимости учета перераспределения температуры расчет рекомендуется вести комбинацией температурных и механических решателей.
12.7.4 Пример карты задания температурной нагрузки приведен в Б.3.5 (приложение Б).
12.8.1 Ударные нагрузки на акустические панели рекомендуется задавать в соответствии с требованиями ГОСТ 33329.
12.8.2 Для расчетных моделей рекомендуется ударник разместить в непосредственной близости от акустической панели и определить его начальную равной 7,75 м/с. Такая скорость соответствует скорости в момент удара при падении груза с высоты 3-х м (рисунок 14).

Рисунок 14 - КЭМ акустической панели на удар щебнем
12.8.3 Проверку ударопрочности акустической панели рекомендуется проводить с применением явных решателей и с учетом рекомендаций в соответствии с 10.2.
12.8.4 Для проверки ударопрочности панели рекомендуется использовать только нелинейные модели материалов по 11.3, т.к. линейные модели могут существенно увеличить жесткость модели.
12.8.5 В случае необходимости учета оценки разрушения панелей рекомендуемый размер сетки не должен превышать 1 мм.
12.9.1 Ударные нагрузки на АЭ от наезда автомобиля рассматриваются в случае, если АЭ является частью комбинированного ограждения. Например парапетное ограждение, на котором установлен АЭ.
12.9.2 Испытания по 12.9.1 проводятся в соответствии с ГОСТ 33128 и ГОСТ 33129 как для бокового ограждения комбинированного типа.
13.1.1 Ограничения перемещений рекомендуется использовать для элементов АЭ, которые остаются неподвижными в пространстве или могут перемещаться только в заданном направлении ввиду конструктивных особенностей АЭ. Примерами использования карты являются места крепления стойки анкерными болтами, фундаменты или грунт вокруг них.
13.1.2 Не рекомендуется использовать ограничения на перемещениях случаях, если элемент АЭ имеет тот же порядок жесткости, что и соединяемая деталь. В этом случае рекомендуется использовать податливые связи.
13.1.3 Пример карты задания граничных условий приведен в Б.3.6 (приложение Б).
13.2.1 Рекомендуется использовать карты контакта во всех случаях, когда необходимо ограничить проникновение одной из поверхностей деталей АЭ в другую деталь или в саму себя.
13.2.2 В моделях АЭ рекомендуется использовать автоматические алгоритмы поиска контактов, по причине того, что это устраняет ошибки с определением взаимного расположения контактных поверхностей друг относительно друга.
13.2.3 Рекомендуется проводить позиционирование контактных поверхностей друг относительно друга с учетом контактной толщины:
- для оболочек детали АЭ рекомендуется сместить на половину толщины оболочки от срединной поверхности, а также на полуцилиндр с радиусом равным половине толщины оболочки по краям оболочки;
- для балочных элементов контактная толщина формируется цилиндром диаметром равным характерному размеру сечения.
13.2.4 Не рекомендуется проводить расчет модели с начальными проникновениями, исключая случаи посадки с натягами или дополнительного обоснования возможности проникновений.
13.2.5 Не рекомендуется использовать контакты с плотностью сетки, отличающейся от расчетной более чем в 10 раз, также в случаях если, толщина контактирующих поверхностей менее 1 мм, так как это может привести к некорректной работе контакта.
13.2.6 В случае проведения температурных расчетов с необходимостью учета перераспределения температуры между контактируемыми деталями рекомендуется включить опцию передачи температуры при взаимодействии тел.
13.2.7 Пример карты контактов приведен в Б.3.7 (приложение Б).
13.2.8 Для связи тел друг относительно друга рекомендуется применение клеевых контактов.
13.2.9 Для корректного задания клеевых контактов рекомендуется использовать узлы или сегменты, а также проверять корректность задания через препроцессор.
13.2.10 Для корректной работы клеевых контактов рекомендуется, чтобы тела прилегали друг к другу без зазоров за исключением применения опции "смещение".
13.2.11 Для корректной работы клеевых контактов рекомендуется убедиться, что контакт ограничивает все необходимые степени свободы (некоторые типы клеевых контактов не ограничивают вращательные степени свободы оболочек и балок).
13.2.12 Клеевые контакты без задания опции возможности отсоединения могут убирать зазоры между панелями и балкой-стойкой. Поэтому рекомендуется делать дополнительные проверки модели при их использовании.
13.2.13 Пример карты контактов приведен в Б.3.8 (приложение Б).
14.1.1 Оценку прочности, жесткости и устойчивости конструкции АЭ рекомендуется провести для следующих случаев:
- собственного веса АЭ;
- комбинацию собственного веса АЭ и нагрузки от мешков в соответствии с ГОСТ 32958;
- комбинации собственного веса АЭ и ветровой нагрузки;
- удара щебнем акустической панели;
- температурные нагрузки.
14.1.2 Остальные расчетные случаи рекомендуется проверять, если условия установки АЭ подразумевают возможность действия той или иной нагрузки:
- комбинация собственного веса и кратковременных нагрузок: снеговых и гололедных;
- комбинация собственного веса, кратковременных нагрузок и нагрузок от уборки снега.
- комбинацию собственного веса и аэродинамических нагрузок;
- ударные нагрузки от автомобиля.
14.1.3 Анализ прочностных характеристик проводится на основе результатов расчетов, в соответствии с рекомендациями пунктов 8 - 13 настоящих рекомендаций. Напряжения, усилия и перемещения, используемые для оценки АЭ рекомендуется выводить в интерфейс постпроцессора или анализировать с использованием текстовых файлов результатов.
14.1.4 Помимо характеристик механической прочности АЭ современные ПО КМ позволяют оценивать акустические характеристики АЭ. Примеры акустических расчетов АЭ приведены в приложении Г.
14.2.1 При рассмотрении вопросов прочности, жесткости и устойчивости моделей АЭ, если не оговорено отдельно, ей следует соответствовать рекомендациями настоящего пункта.
14.2.2 Для моделей фундаментов должны выполняться требования по [7].
14.2.3 Перемещения элементов АЭ в модели следует измерять без учета перемещений фундамента.
14.2.4 При определение эквивалентных напряжений в элементах АЭ и расчете коэффициентов запаса рекомендуется учитывать рекомендации по 11.2.4.
14.2.5 Для моделей элементов АЭ, непосредственно воспринимающих нагрузки (стойки, панели, АДУ), рекомендуется, чтобы коэффициент запаса по прочности был не менее 1,0.
14.2.6 Для моделей крепежных элементов, сварных соединений и заклепочных соединений вертикальных рекомендуются следующие запасы прочности:
- для прямолинейных АЭ коэффициент запаса по нагрузке должен быть не менее 1,0;
- для всех остальных очертаний АЭ коэффициент запаса по прочности должен быть не менее 1,2.
14.2.7 Между любыми элементами в модели АЭ на одну секцию АЭ не рекомендуется, чтобы зазоры в конструкции в результате приложения нагрузок больше значений, указанных в таблице 8.
|
Проектное снижение уровня шума для АЭ, дБA |
Площадь зазоров по отношению к общей площади секции АЭ, % |
|
10 |
1,50 |
|
15 |
0,75 |
|
20 |
0,20 |
|
25 |
0,05 |
14.2.8 Коэффициент запаса по устойчивости элементов АЭ должен составлять не менее 1,5.
14.3.1 Моделирование собственного веса конструкции проводится в соответствии с рекомендациями по 12.1.
14.3.2 Для случая собственного следует соблюдать все рекомендации в соответствии с 14.2, а также следующие рекомендации:
- для горизонтальных перемещений dh, мм, элементов АЭ под действием собственного веса соблюдалось условие по формуле
, (12)
где h - высота элемента АЭ, мм.
- для вертикальных перемещений dv, мм, моделей элементов АЭ под действием собственного веса соблюдалось условие по формуле
, (13)
где L - длина элемента АЭ, мм.
14.3.3 Для конструкций, подверженных намоканию все рекомендации настоящего пункта, следует учитывать с весом АЭ после намокания. Более подробную информацию по моделированию намокания см. 12.1.
14.4.1 Ветровую нагрузку следует прикладывать в соответствии с 12.3.1, а также с учетом рекомендаций в соответствии с 12.1.
14.4.2 Для стоек прямолинейных АЭ прогиб не должен превышать величин, приведенных в таблице 9.
|
Длина стойки, м |
Горизонтальные перемещения, мм |
|
менее 3 м |
L */100 |
|
от 3,0 м до 4,5 м |
менее 30 мм |
|
более 4,5 м |
L */150 |
|
* L - длина стойки, мм. | |
14.4.3 Для стоек криволинейных АЭ рекомендуется, чтобы прогиб соответствовал по 14.4.2. Рекомендуется, чтобы вертикальные перемещения стоек не превышали длину стойки L/300.
14.4.4 Для акустических панелей моделей прямолинейных АЭ рекомендуется, чтобы прогиб не превышал значений, указанных в таблице 10.
|
Длина панели, м |
Максимально допустимые перемещения, мм | |
|
Абсолютные значения |
Относительные значения | |
|
менее 5 м включ. |
50 |
LA/40 |
|
более 5 м |
- |
LA/100 |
|
* LA - длина панели, мм | ||
14.4.5 Рекомендуется, чтобы перемещения в моделях акустических панелей криволинейных АЭ в горизонтальном направлении не превышали значений, в соответствии с 14.4.4.1. Не рекомендуется, чтобы значения вертикальных перемещений акустических панелей превышали длину панели LA/200.
14.5.1 Рассматриваемый случай нагружения задается в соответствии с 12.1, 12,3, 12.4 и 12.6.
14.5.2 Для рассматриваемых случаев нагружения не рекомендуется, чтобы в модели произошли:
- разрушение или потеря устойчивости панелей и стоек АЭ;
- отделение панелей АЭ друг от друга на величины большие указанных в таблице 8;
- необратимая деформация акустических панелей или стоек.
14.6.1 Ударные нагрузки щебнем в модели АЭ рекомендуется прикладывать в соответствии с 12.8. При ударе скорость щебня в момент удара должна отличаться от расчетной не более чем на 1,5%.
14.6.2 Рекомендуется, чтобы после удара повреждения акустической панели локализовались только на лицевой стороне и не распространились на заднюю часть панели.
14.6.3 Для пластичных материалов (сталь, алюминий и т.д.) не рекомендуется разрушение акустических панелей, а также, чтобы глубина проникновения ударника превышала 20 мм.
14.6.4 Для хрупких материалов возможно образование локальных не сквозных трещин длиной не более 50 мм, не влияющих на общую несущую способность панели, а также незначительные отколы материала.
14.7.1 Соударение АЭ с автомобилем рекомендуется производить в соответствии с 12.9.
14.7.2 Критерии приемки результатов соударения автомобиля по 12.9 должны соответствовать требованиям ГОСТ 33128 для бокового ограждения комбинированного типа.
Приложение А
(справочное)
А.1 Общая оценка качества элементов
А.1.1 Для проверки соответствия КЭМ критериям качества элементов по 10.1.3 были разработаны три модели с характерным размером элемента в 5 мм, 10 мм, 20 мм (рисунок А.1).

а - геометрическая; б - характерным размер элемента 20 мм; в - характерным размер элемента 5 мм
Рисунок А.1 - Модель стойки
А.1.2 Значения критериев по 10.1.3 для рассматриваемых сеток приведены в таблице А.1.
|
% элементов от общего количества не удовлетворяющий критерию | |||||
|
Критерий |
AR |
Якобиан |
SA |
W |
T |
|
Допуск |
менее 5,00 |
более 0,60 |
менее 0,5 |
менее 10 |
менее 0,7 |
|
5 мм |
0,00 |
0,00 |
0,00 |
0,00 |
0,00 |
|
10 мм |
0,17 |
0,03 |
0,00 |
0,00 |
0,03 |
|
20 мм |
0,68 |
0,10 |
0,00 |
0,00 |
0,10 |
А.1.3 По результатам виртуальных испытаний качество геометрии элементов стойки соответствует критериям по 10.1.3.
А.2 Оценка КЭМ путем изменения плотности сетки
А.2.1 Для оценки корректности плотности сетки каждая модель была сопоставлена с критериями по 10.1.4. Пример распределения напряжений от действия ветровой нагрузки и собственного веса на стойки приведен на рисунке А.2.

Рисунок А.2 - Распределение наибольших эквивалентах напряжений для стойки АЭ с характерным размером сетки 5 мм (а), 10 мм (б), 20 мм (в)
А.2.2 Значения максимальных напряжений, полученных в результате виртуальных испытаний, приведены в таблице А.2.
|
Характерный размер сетки, мм |
Максимальные эквивалентные напряжения, МПа |
Разница, % |
|
5 мм |
189,8 |
- |
|
10 мм |
187,8 |
1,1 |
|
20 мм |
156,3 |
16,7 |
А.2.3 По результатам виртуальных испытаний плотность сетки стойки с характерным размером элемента 5 мм и 10 мм соответствует критериям по 10.1.4 (разница между значениями напряжений составляет 1%).
А.2.4 По результатам виртуальных испытаний плотность сетки стойки с характерным размером элемента 20 мм не соответствует критериям по 10.1.4 (разница между значениями напряжений по сравнению с 10 мм составляет более 5%).
А.3 Оценка моделей путем сравнения значений в точках интегрирования и путем изменения геометрии элемента
А.3.1 Для проверки соответствия КЭМ акустической панели критериям качества элементов по 10.1.5 и 10.1.6 были рассмотрены значения напряжений в точках интегрирования (рисунок А.3).

а - акустической панели; б - крышки панели
Рисунок А.3 - КЭМ модель элементов АЭ
А.3.2 Для использования критерия по 10.1.5 следует найти значение напряжений в точках интегрирования (рисунок А.4). Значении напряжений в точках интегрирования следует выводить вручную, по причине того, что ПО КМ не записывают информацию о по умолчанию. В LS-PrePost следует использовать команду *DATABASE_EXTENT_BINARY и задать параметру Intout значение STRESS или ALL.

Рисунок А.4 - Распределения эквивалентных напряжений по акустической панели с характерным размером сетки 5 мм
А.3.3 Значения напряжений в точках интегрирования выводятся отдельным файлом и представляют собой наборы численных значений из номера элемента, номера точки интегрирования и тензора напряжений (таблица А.3).
|
N точки интегрирования * |
Напряжения. Элемент N 1, МПа |
Напряжения. Элемент N 2, МПа |
Разница, % менее |
|
1 |
354,6 |
354,1 |
1,0 |
|
2 |
354,6 |
354,1 |
1,0 |
|
3 |
354,0 |
352,1 |
1,0 |
|
* Приведены три из четырех точек, т.к. элемент находился на верхней границе акустической панели. | |||
А.3.4 По результатам виртуальных испытаний плотность сетки панели с характерным размером элемента 5 мм соответствует критериям по 10.1.5 (разница между значениями напряжений в точках интегрирования составляет менее 5%).
А.3.5 Для проверки критерия по 10.1.6 следует изменить геометрию элементов модели. На рисунке А.5 приведен пример расчета акустической панели со сменой геометрии элементов с прямоугольной (рисунок А.5а) на треугольную (рисунок А.5б).
А.3.6 По результатам виртуальных испытаний плотность сетки и формулировка элементов панели соответствует критерию по 10.1.6 (разница между значениями напряжений менее 5%).

а - прямоугольная сетка; б - треугольная сетка
Рисунок А.5 - Распределения эквивалентных напряжений по акустической панели с различной геометрией элементов сетки
Приложение Б
(справочное)
Б.1 Рекомендации к геометрии конечных элементов
Б.1.1 Сосредоточенные массы определяются картой *ELEMENT_MASS, обязательными параметрами которой являются NID - номер узла, в который будет добавлена масса и MASS - значение добавленной массы (рисунок Б.1).

Рисунок Б.1 - Карта задания сосредоточенных масс
Б.1.2 Балочные элементы определяются картой *SECTION_BEAM (рисунок Б.2). Обязательными для задания параметры: ELFORM, CST - вид поперечного сечения, а также геометрические параметры сечения, определяемые картой CST.

Рисунок Б.2 - Карта задания балочных элементов
Параметр ELFORM определят формулировку элементов. Для различных видов балочных элементов и связанных с ними пунктов, в зависимости от случаев нагружения АЭ рекомендуется выставлять различные формулировки (таблица Б.1).
|
Номер пункта |
Рекомендуемая формулировка ELFORM |
|
10.2.2.2 |
13 |
|
10.2.2.3 |
2 |
|
10.2.2.4 |
1 |
|
10.2.2.6 |
9 |
Б.1.3 Оболочечные элементы определяются картой *SECTION_SHELL (рисунок Б.3), обязательными параметрами которой являются ELFORM - формулировка элементов, а также толщина T.

Рисунок Б.3 - Карта задания оболочечных элементов
Параметр ELFORM определят формулировку оболочечных элементов. Для различных случаев нагружения рекомендуется использовать различные формулировки, приведенные в таблице Б.2.
|
Номер пункта |
Рекомендуемая формулировка | |
|
Сетка из треугольных элементов |
Сетка из прямоугольных элементов | |
|
10.2.3.5 |
17 |
16 |
|
10.2.3.6 |
24 |
23 |
|
10.2.3.7 |
4 |
10 |
В соответствии с 10.2.3.11 рекомендуется выставить значение NIP = 5 или более.
Б.1.4 Твердотельные элементы в ANSYS LS-DYNA определяются картой *SECTION_SOLID (рисунок Б.4), обязательным параметром которой является ELFORM.

Рисунок Б.4 - Карта объемных элементов в LS-DYNA
Параметр ELFORM определят формулировку объемных элементов. Для различных случаев нагружения рекомендуется использовать различные формулировки, приведенные в таблице Б.3.
|
Номер пункта |
Рекомендуемая формулировка | ||
|
Сетка из тетраэдральных элементов |
Сетка из призматических элементов |
Сетка из кубических элементов | |
|
10.2.4.6 |
26 |
25 |
20 |
|
10.2.4.7 |
4 |
2 |
2 |
Б.2 Модели материалов
Б.2.1 Линейно-упругий материал имеет обозначение *MAT_001_ELASTIC (рисунок Б.5). Обязательными параметрами модели материала являются модуль упругости - E, коэффициент Пуассона - PR и плотность - RO.

Рисунок Б.5 - Изотропный линейно-упругий материал
Б.2.2 Ортотропный материал имеет обозначение *MAT_002_ORTHOTROPIC (рисунок Б.6). Обязательными параметрами для задания являются модули упругости EA, EB, EC, модули сдвига GAB, GBC, GCA и коэффициенты Пуассона PRBA, PRCA, PRCB, а также плотность RO. Правильного ориентирования материала в пространстве следует определить параметр AOPT.

Рисунок Б.6 - Ортотропный линейно-упругий материал
Б.2.3 Степенной закон материала имеет обозначение *MAT_018_Powerlaw (рисунок Б.7). Обязательными параметрами являются модуль упругости (E), коэффициент Пуассона (PR), параметры формы диаграммы деформирования (k, n), а также плотность (RO).

Рисунок Б.7 - Карта материала со степенным законом упрочения
Б.2.4 Кусочно-линейный закон материала имеет обозначение *MAT_024_Piecewiseplasticity (Б.8). Обязательными параметрами являются модуль упругости (E), коэффициент Пуассона (PR), предел текучести (SIGY), а также диаграмма деформирования LCSS.

Рисунок Б.8 - Карта материала с кусочно-линейной зоной упрочнения
Б.2.5 Модель наиболее близкая к Нео-Гуку имеет обозначение *MAT_007_Blatz_Ko (рисунок Б.9). Обязательными параметрами модели являются плотность - RO и константа деформирования материала - G.

Рисунок Б.9 - Карта материала Нео-Гука
Б.2.6 Модель Муней-Ривлина имеет обозначение *MAT_027_Mooney-Rivlin (рисунок Б.10). Обязательными параметрами являются плотность - RO, коэффициент Пуассона - PR и константы деформирования материала (A и B).

Рисунок Б.10 - Карта материала Муней-Ривлина
Б.2.7 Модель CSCM имеет обозначение *MAT_159_CSCM (рисунок Б.11). Обязательными параметрами являются плотность - RO и цилиндрическая прочность бетона на сжатие - FPC.

Рисунок Б.11 - Карта материала CSCM
Б.2.8 Модель абсолютно жесткого материала имеет обозначение *MAT_020_Rigid (рисунок Б.12). Этот материал используется для тел, жесткость которых много больше, чем жесткость исследуемой конструкции. Необходимыми для задания параметрами материала являются плотность (RO), модуль упругости (E), коэффициент Пуассона (PR).

Рисунок Б.12 - Карта абсолютно жесткого материала
Б.2.9 В LS-DYNA коэффициент линейного температурного расширения является дополнительной опцией к большинству материалов и имеет обозначение *MAT_ADD_THERMAL_EXPANSION (рисунок 20). Материал определяется кривыми по 3м направлениям (LCID), а также значением коэффициента по времени.

Рисунок Б.13 - Карта добавления температурных свойств в модель
Б.3 Модели нагрузок
Б.3.1 Для задания собственного веса рекомендуется использовать карту *LOAD_BODY (рисунок Б.14). Обязательными полями карты являются LCID - закон возрастания нагрузки и SF - масштабирующий коэффициент нагрузки.

Рисунок Б.14 - Карта нагрузки от собственного веса LOAD_BODY
Б.3.2 Вес грузов рекомендуется задавать через карту *LOAD_NODE (рисунок Б.15). Обязательными параметрами карты являются NID - узел, в который прикладывается нагрузка, DOF - направление, по которому происходит нагружения, LCID - закон изменения нагрузки по времени, а также модуль нагрузки.

Рисунок Б.15 - Карта сосредоточенных сил
Б.3.3 Для задания ветровой нагрузки рекомендуется использовать карту *LOAD_SHELL (рисунок Б.16). Основными параметрами карты являются EID - идентификационный номер элемента, на который прикладывается нагрузка, LCID - закон изменения нагрузки по времени, а также величина нагрузки (SF). Например, для ветровой нагрузки SF - это значение будет составлять величину давления ветра.

Рисунок Б.16 - Карта нагрузки распределенной по площади
Б.3.4 Для задания нагрузки в виде плотности частот рекомендуется использовать карту *FREQUENCY_DOMAIN_RANDOM_VIBRATION (рисунок Б.17). Обязательными параметрами карты являются LDPSD - график значения спектральных плотностей, а также FNMIN и FMMAX - низшая и высшая частоты конструкции, определяемые решателем собственных форм и частот.

Рисунок Б.17 - Карта задания нагрузок через спектральные плотности
Б.3.5 Для задания температурных нагрузок рекомендуется использовать карту *LOAD_TERMAL_LOAD_CRUVE (рисунок Б.18). Обязательным параметром является только кривая изменения температуры по времени LCID.

Рисунок Б.18 - Карта температурных нагрузок
Б.3.6 Для ограничения перемещений в пространстве рекомендуется использовать карту *BOUNDARY_SPC (рисунок Б.19). Обязательными параметрами карты являются NSID - множество узлов, которые будут закреплены, а также DOF, которые определяет какая из степеней свободы, будет закреплена.

Рисунок Б.19 - Карта ограничений перемещений
Б.3.7 Для определения контактов между элементами АЭ рекомендуется использовать контакт, Automatic_single_surface SOFT=2. Для этого вида контактов обязательным параметром является множество из контактных поверхностей SURFA. Для случаев, если происходят множественные взаимодействия по граням элементов, то рекомендуется использовать контакт Automatic_single_surface_mortar (рисунок Б.20).

Рисунок Б.20 - Карта контактов в LS-DYNA
Б.3.8 Карта для задания клеевых контактов имеет название *CONTACT_TIED. Обязательными параметрами карты являются SURFA - поверхности которую присоединяют и SURFB - поверхность к которой присоединяют.

Рисунок Б.21 - Карта клеевых контактов
Приложение В
(справочное)
В.1 При оценке акустической эффективности АЭ рекомендуется решать задачу в плоской постановке. Моделирование акустических характеристик АЭ рекомендуется производить в соответствии с рисунком В.1, а также пунктам настоящего приложения.

S - источник звука; Гb - АЭ; Гs - земля; Гi - воздушная среда; r - расчетная точка; n - внешняя нормаль к границе
Рисунок В.1 - Расчетная область для определения акустической эффективности АЭ
В.2 Источник звука - S рекомендуется задавать в виде цилиндра. Нормали к цилиндру определяют направление распространения звуковой волны. Рекомендуется считать, что акустическая волна от потока автомобилей имеет цилиндрическую форму, а от единичного автомобиля сферическую.
В.3 Моделирование земли рекомендуется производить с учетом следующего:
- для сухой погоды землю - Гs рекомендуется моделировать, как полностью отражающую границу;
- для снега, дождя или при влажном грунте, землю - Гs рекомендуется моделировать, как отражающе-поглощающую границу. Частичное поглощение звуковой волны землей рекомендуется учитывать через коэффициент поглощения.
В.4 Для границы воздушной среды рекомендуется применять метод бесконечных элементов. Метод может быть использован только с сеточными методами, такими как метод конечных элементов и метод граничных элементов.
Для бесконечных элементов следует соблюдать следующие рекомендации:
- длина бесконечного элемента h, м, должна быть меньше значения по формуле (В.1). В противном случае бесконечные элементы будут давать существенно неточные результаты.
, (В.1)
где c - скорость звука в среде, м/с;
ωmax - максимальная частота волны, Гц.
- рекомендуется, чтобы расстояние от границы до источника звука l, мм, было более значения, рассчитанного по формуле
, (В.2)
где ωmin - минимальная частота волны, Гц.
В.5 Задачу распространения звуковых волн в среде рекомендуется решать методом конечных элементов.
В.6 Рекомендуется, чтобы сетка соответствовала рекомендациям 10.1 и имела характерный размер элемента h, мм, не превышающий указанного в формуле
, (В.3)
где λ - наибольшая длина волны, мм.
Значение параметра r рекомендуется принять равным 6.
Пример - для частот 1000 Гц и скорости звука в среде 340 м/с длина волны составляет
. Тогда размер элемента в рассматриваемой модели должен быть не более 85/6 = 14,16 мм.
Для воздуха рекомендуется принять температуру равную 20 °C, влажность 45%, плотность 1,2754 кг/м3, удельную теплопроводность 0,0259 Вт/(м·°C). При изменении внешних условий (температуры, влажности, атмосферного давления) рекомендуется учесть эти изменения в параметрах среды.
В.7 Для расчетов акустической эффективности АЭ рекомендуется использовать Direct Frequency Response. Пример расчетной области в программе показан на рисунке В.2.

Рисунок В.2 - Расчетная область в программе акустической эффективности АЭ
В.8 Для определения акустической эффективности АЭ необходимо сравнить уровень звукового давления в расчетной точке до установки АЭ и после его установки (рисунок В.3) на определенных частотах.

а - до установки АЭ; б - после установки АЭ
Рисунок В.3 - Распределение уровня звукового давления в области решения модели для частоты 1000 Гц
Сравнение производится для каждой расчетной частоты (Рисунок В.4).

Рисунок В.4 - График уровня звука в РТ в зависимости от частоты для прямого АЭ
В.9 Рекомендуется использовать методы компьютерного моделирования акустической эффективности АЭ для сложных расчетных случаев: сильно искривленные АЭ, АЭ с антидифракционными устройствами, в областях разрывов АЭ (Рисунок В.5).

а - криволинейный АЭ; б - АЭ с антидифракционным устройством; в - АЭ с проемом
Рисунок В.5 - Распределение звукового давления
Библиография
|
[1] |
Отраслевая дорожная методика ОДМ 218.8.011-2018 |
Методические рекомендации по определению характеристик и выбору шумозащитных конструкций автомобильных дорог |
|
[2] |
Отраслевая дорожная методика ОДМ 218.2.013-2011 |
Методические рекомендации по защите от транспортного шума территорий, прилегающих к автомобильным дорогам |
|
[3] |
Hallquist, J.O. LS-DYNA Theory manual - Livermore Software Technology Corporation (LSTC). - Livermore (USA), 2006. - 1576 с. | |
|
[4] |
Свод правил СП 63.13330.2018 |
Бетонные и железобетонные конструкции. Основные положения |
|
[5] |
Предварительный национальный стандарт ПНСТ 542-2021 |
Дороги автомобильные общего пользования. Нежесткие дорожные одежды. Правила проектирования |
|
[6] |
Свод правил СП 20.13330.2016 |
Нагрузки и воздействия |
|
[7] |
Свод правил СП 45.13330.2017 |
Земляные сооружения, основания и фундаменты |
|
[8] |
Свод правил СП 131.13330.2020 |
Строительная климатология |


