ОДМ 218.11.001-2021 МЕТОДИЧЕСКИЕ РЕКОМЕНДАЦИИ ПО ОБЕСПЕЧЕНИЮ АВТОМОБИЛЬНЫХ ДОРОГ АЛЬТЕРНАТИВНЫМИ ИСТОЧНИКАМИ ЭЛЕКТРИЧЕСКОЙ ЭНЕРГИИ И ТЕПЛА
Предисловие
1 Разработан ООО "СПбГАСУ-Дорсервис" в рамках государственного контракта от 02.09.2016 N ФДА 47/259.
2 Внесен Управлением научно-технических исследований и информационного обеспечения Федерального дорожного агентства.
3 Издан на основании распоряжения Федерального дорожного агентства от 17 февраля 2021 N 565-р.
4 Имеет рекомендательный характер.
5 Введен впервые.
Настоящий отраслевой дорожный методический документ (далее - методический документ) определяет методические рекомендации по обеспечению автомобильных дорог альтернативными источниками электрической энергии и тепла при проектировании, строительстве и реконструкции дорог в федеральных управлениях автомобильных дорог, управлениях автомобильных магистралей, дирекциях по дорожному строительству автомобильных дорог общего пользования федерального значения, предприятиях и учреждениях, подведомственных Росавтодору (далее - органы управления дорожным хозяйством).
Целью данного Методического документа является обеспечение опытно-экспериментального применения и широкомасштабного освоения в дорожном хозяйстве альтернативных источников энергии и основанных на них технических решений, направленных на снижение энергопотребления дорог в их эксплуатации, а также повышение энергонезависимости интеллектуальных транспортных систем, создание условий для использования систем автономного обеспечения объектов потребления дорожной инфраструктуры.
В настоящем методическом документе использованы нормативные ссылки и следующие документы:
ГОСТ Р 1.4-2004 Стандартизация в Российской Федерации. Стандарты организаций. Общие положения (утв. Приказом Ростехрегулирования от 30.12.2004 N 154-ст)
В настоящем методическом документе применены следующие термины и определения:
возобновляемые (альтернативные и неистощаемые) источники энергии: Источники энергии, образующиеся на основе постоянно существующих или периодически возникающих процессов в природе, а также жизненном цикле растительного и животного мира и жизнедеятельности человеческого общества.
возобновляемая энергетика: Область хозяйства, науки и техники, охватывающая производство, передачу, преобразование, накопление и потребление электрической, тепловой и механической энергии, получаемой за счет использования возобновляемых источников энергии.
интеллектуальные системы электро- и тепло снабжения потребителей: Системы, выключенные в ИТС и использующие принципы искусственного интеллекта, за счет реализации управляющих алгоритмов на основе моделирования реальных ситуаций, а также процессов их составления, тестирования и внедрения.
обеспечение возобновляемыми источниками энергии частичное (совещенное с сетевыми): Обеспечение автомобильных дорог и объектов транспортной инфраструктуры источниками энергии и/или тепла, использующим возобновляемые источники энергии совместно с основными местными источниками большей мощности с долей ВИЭ до 50%.
обеспечение возобновляемыми источниками энергии полное (автономное): Обеспечение автомобильных дорог и объектов транспортной инфраструктуры источниками энергии и/или тепла, использующим возобновляемые источники энергии без использования основных местных источников.
продукция использующая возобновляемые источники энергии: Конечный результат деятельности человека, основанный на применении возобновляемой энергии и получивший реализацию в виде нового или усовершенствованного продукта, реализуемого на рынке, нового или усовершенствованного технологического процесса, используемого в практической деятельности.
энергообъект: Автомобильная дорога или ее часть, а также отдельные объекты транспортной инфраструктуры, требующие обеспечения источниками энергии для осуществления своего функционального предназначения.
ГИС ВИЭР: Геоинформационная система "Возобновляемые источники энергии России"
ВИЭ: Возобновляемые источники энергии
ИТС: Интеллектуальная транспортная система
ФДА: Федеральное Дорожное Агентство
ЭК: Энергетический комплекс
5.1 Опытно-экспериментальное внедрение и широкомасштабное применение продукции, использующей ВИЭ (обеспечение ВИЭ), осуществляется на основании действующих методических рекомендаций по организации освоения инноваций при проектировании, строительстве, реконструкции, капитальном ремонте, ремонте и содержании автомобильных дорог и искусственных сооружений на них в системе ФДА.
5.2 По решению Росавтодора и (или) органов управления дорожным хозяйством в установленном порядке продукция, использующая ВИЭ, включается в проектную документацию на строительство, реконструкцию, капитальный ремонт и ремонт автомобильных дорог и искусственных сооружений на них.
5.3 После экспертизы и утверждения в установленном порядке проектной документации подрядные организации, получившие в установленном порядке госзаказ на выполнение дорожных работ, реализуют технические решения (продукцию использующую ВИЭ), предусмотренные утвержденной проектной документацией в соответствии с государственными контрактами на выполнение подрядных работ.
5.4 В ходе проведения дорожных работ на объекте в случае необходимости апробации продукции, использующей ВИЭ, на данном объекте в проектную документацию вносятся изменения и дополнения в установленном порядке.
5.5 Для организации опытно-экспериментального внедрения и широкомасштабного применения производители продукции использующей ВИЭ действуют в порядке предусмотренном Методическими рекомендациями по организации освоения инноваций при проектировании, строительстве, реконструкции, капитальном ремонте, ремонте и содержании автомобильных дорог и искусственных сооружений на них в системе ФДА.
5.6 В случае, если продукция использующая ВИЭ попадает под действие Постановления Правительства Российской Федерации от 27 декабря 1997 г. N 1636 "О правилах подтверждения пригодности новых материалов, изделий, конструкций и технологий для применения в строительстве", то производители данной продукции представляют в Росавтодор документы, предусмотренные данным постановлением, включая заключения органов государственных санитарноэпидемиологического и пожарного надзоров и экологического контроля.
5.7 На основании пункта 1 статьи 17 Федерального закона от 27 декабря 2002 г. N 184-ФЗ "О техническом регулировании" в случае, если продукция, использующая ВИЭ, предназначена для совершенствования производства и обеспечения качества продукции, выполнения работ, оказания услуг, а также для распространения и использования полученных в различных областях знаний результатов исследований (испытаний), измерений и разработок, то по ним организации разрабатывают стандарты организаций в порядке, установленном ГОСТ Р 1.4-2004 "Стандартизация в Российской Федерации. Стандарты организаций. Общие положения" и ОДМ 218.1.001-2020 "Рекомендации по разработке и применению документов технического регулирования в сфере дорожного хозяйства".
6.1 Рекомендуемые сферы объектов применения энергоустановок (различных типов), использующих ВИЭ, для применения на автомобильных дорогах и объектах дорожного сервиса в зависимости от объема потребления:
- до 100 Вт - автономные системы освещения (пешеходные переходы, железнодорожные переезды, опасные участки и т.п.);
- до 100 кВт - автономное питание систем управления движением, систем связи, телематики и малых и средних инженерных сооружений, элементов ИТС и др. объектов (мосты, туннели, скотопрогоны, объекты дорожного и придорожного сервиса и т.п.);
- до 300 кВт - интеллектуальные системы электро- и тепло снабжения малых потребителей, ИТС (объекты дорожного и придорожного сервиса, рабочие поселки, временные производственные объекты при строительстве);
- до 1 МВт - интеллектуальные системы электро- и тепло снабжения крупных потребителей (объекты дорожного и придорожного сервиса, пункты управления ИТС, временные заводы, рабочие поселки с производственными объектами и т.п.).
6.2 Факторы, влияющие на эффективность мер по обеспечению автомобильных дорог ВИЭ:
- климатические условия (скорость ветра (м/с), инсоляция л кВт/м ), наличие естественных и искусственных водотоков, наличие геотермальных источников и т.д.);
- технико-экономические (цена оборудования, стоимость транспортировки и монтажа оборудования, срок эксплуатации оборудования, плата за загрязнение окружающей среды, состояние энергогенерирующего оборудования, КПД, тарифы на электроэнергию по традиционным источникам энергии и т.д.);
- экологические (воздействие на животных и птиц от вращающихся лопастей ветроустановки, воздействие на морских животных от электромагнитных полей, размер вредных выбросов и парникового эффекта и т.д.);
- географические (удаленность от централизованной системы энергоснабжения, удаленность от поставщиков органического топлива, минимальное расстояние от установки до населенных пунктов и т.д.).
6.3 Выбор места установки каждой конкретной электроустановки, использующей энергию природных возобновляемых источников, должен производиться на основании проекта привязки к местности, который должен быть выполнен на основе анализа данных из ГИС ВИЭР или иных региональных ГИС по ВИЭ.
6.4 При обеспечении автомобильных дорог ВИЭ и повышения технико-экономических характеристик устройства, размещения и эксплуатации продуктов, использующих ВИЭ, рекомендуется руководствоваться следующими принципами:
- по ветровой энергии: предпочтительно располагать ветротурбины преимущественно в прибрежных и горных районах с адекватной скоростью, плотностью и постоянством ветра, интегрируя их в ветропарки при единичной мощности турбины не менее 2-5 КВт. В рамках проекта обеспечения необходимо обеспечить минимизацию шума от работы ветроэнергостанций. Следует отдавать предпочтение ветроэнергоустановкам, способным эффективно работать при самом слабом ветре. Шаг лопасти винта таких установок должен автоматически регулироваться таким образом, чтобы постоянно обеспечивалось максимально возможное использование энергии ветра, а при слишком большой скорости ветра лопасть должна иметь возможность автоматически переводится во флюгерное положение, для исключения аварий. В сложных климатических условиях, должна быть предусмотрена защита лопастей и оборудования от обледенения.
- по энергии солнца: применять оптимальные конструкций гелиоприемников, следующих за максимумом светового потока с совершенствованием их преобразующих покрытий, в т.ч. на базе нанотехнологий, интегрировать приемники в гелиопарки, наладить использование стандартных солнечных панелей, не располагать гелиоприемники башенного типа в сейсмоактивных районах;
- по мини-гидроэлектростанциям: применять варианты минигидроэлектростанциям бездамбового типа, в т.ч., в форме "гирляндных" или погруженных генераторов тока;
- по геотермальной энергии: для автомобильных дорог проходящих в районах раскаленных массивов предусмотреть использование глубинных, в т.ч. петротермальных источников и тепловых насосов для выработки электроэнергии;
- по энергии океана: наряду с приливными гидроэлектростанциями использовать волновые и погруженные гидротурбины и водные тепловые насосы для комплексного использования приливов, волн, течений и теплового градиента океана.
6.5 При полном (автономном) обеспечении ВИЭ энергобаланс децентрализованной системы электроснабжения определяется соотношением графика электрических нагрузок системы и изменением энергетического потенциала возобновляемого энергоресурса.
6.6 При согласовании энергоустановок возобновляемой энергетики с потребителем должны решаться следующие задачи:
- обеспечение максимально эффективного использования возобновляемого энергоресурса;
- согласование вырабатываемой и потребляемой электроэнергии, что, в большинстве случаев, требует включения в энергосистему накопителей энергии.
- управление режимами работы преобразователей энергии, регулирование параметров генерируемой электроэнергии.
7.1 Методология оценки оптимальных параметров автономного ЭК на основе ВИЭ для различных климатических условий представлена на рис. 1

Рисунок 1 - Методология оценки оптимальных параметров автономного энергокомплекса на основе ВИЭ
7.2 ЭК используемые при полном обеспечении ВИЭ должны оснащаться интеллектуальной системой управления (ИСУ), которая должна выполнять следующие задачи:
- ИСУ должна в реальном времени максимизировать выработку энергии ВИЭ и экономию топлива при использовании дизельных электростанций при покрытии требуемой нагрузки;
- аппаратно-программное обеспечение ИСУ должно обеспечивать дистанционный мониторинг параметров и режимов работы ЭК ВИЭ в том числе в случае аварийных ситуаций;
- ИСУ должна следить за состоянием оборудования, анализировать статистику режимов работы ЭК ВИЭ и обеспечивать прогнозирование ветрового, инсоляционного и/или гидрологического режима для планирования графика работы, технического обслуживания, оценки рисков и предупреждения аварийных ситуаций;
- ЭК ВИЭ, управляемая ИСУ, должна быть адаптируемая и поставлять энергию круглосуточно, в том числе при выходе из строя части генерирующего оборудования (например, при отказе дизельной электростанции).
7.3 Критериями оптимизации при создании автономного (при полном обеспечении ВИЭ) энергокомплекса на основе ВИЭ могут быть приняты: минимум удельной стоимости электроэнергии, минимум вредных выбросов в атмосферу в эквивалентом значении (при сопоставлении с обеспечением на базе дизельных электростанций), максимум времени автономности (время автономной работы без технического обслуживания), максимум полезной выработки возобновляемой энергии.
7.4 При автономном (полном) обеспечении ВИЭ для задач снабжения малых и крупных потребителей (в соответствии с п. 6.1 настоящих Методических рекомендаций) рекомендуется использование гибридных схем, сочетающих ветровую и солнечную, и/или геотермальную и/или гидроэнергию, а также для объектов снабжения в децентралированных регионах с дизельной электростанцией. Схемы гибридных ЭК с различным типом подключения показаны на рис. 2 - 4.
7.5 При частичном обеспечении ВИЭ (с потенциальным переходом на полное), для задач снабжения малых и крупных потребителей (в соответствии с п. 6.1 настоящих Методических рекомендаций) рекомендуется использование гибридной схемы показанной на рис. 5. Схема включает несколько источников электроэнергии: внешнюю сеть, ВИЭ, (ветроэлектрические установки (ВЭУ) и/или солнечную фотоэлектрическую станцию (СФЭС) и/или малую гидроэлектростанцию (МГЭС)) и традиционные автономные источники электроэнергии (АИЭ), дизельную и газопоршневую электростанции (ДЭС, ГПЭ). Статические преобразователи, используемые в составе СБЭ, инвертор (И), непосредственный преобразователь частоты (НПЧ) и выпрямители (В) выполняют функции не только согласования параметров источников электроэнергии с нагрузкой, но и функции стабилизаторов напряжения.

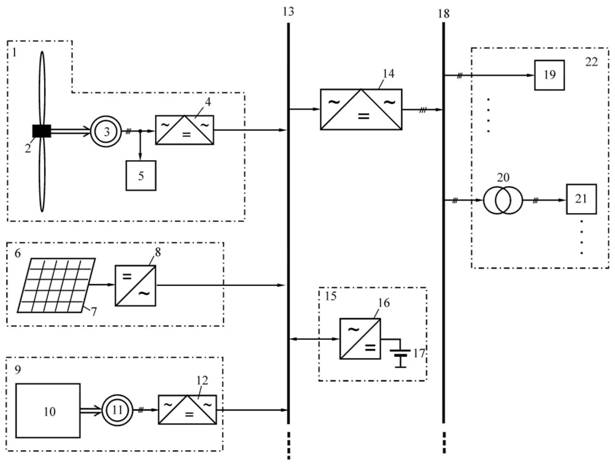
Рисунок 2 - Схема гибридной электростанции с непосредственным подключением генерирующих установок к распределительной сети объекта электроснабжения
1 - ветроэнергетическая установка; 2 - ветротурбина; 3 - редуктор-мультипликатор; 4, 14 - синхронный электромашинный генератор; 5, 15 - устройство плавного пуска; 5, 15- регулятор тока возбуждения синхронного генератора; 7 - блок балластных нагрузок; 8 - компенсатор реактивной мощности; 9 - фотоэнергетическая установка; 10 - солнечная панель; 11 - импульсный преобразователь постоянного напряжения в переменное напряжение (инвертор); 12 - дизель-генератор; 13 - дизельный двигатель; 17 - шина переменного тока 220/380В 50 Гц; 18 - потребители электроэнергии; 19 - силовой повышающий трансформатор; 20 - потребители электроэнергии напряжением 6 или 10 кВ; 21 - объект децентрализованного электроснабжения; 22 - двунаправленный преобразователь переменного напряжения в постоянное напряжение; 23 - блок аккумуляторных батарей; 24 - буферный накопитель электроэнергии

Рисунок 3 - Схема гибридной электростанции с подключением генерирующих установок к промежуточной шине постоянного тока (и при смешанном подключении)
1 - ветроэнергетическая установка; 2 - ветротурбина; 3, 11, 15 - синхронный электромашинный генератор; 4, 12 - управляемый выпрямитель; 5 - блок балластных нагрузок; 6 - фотоэнергетическая установка; 7 - солнечная панель; 8 - конвертор напряжения; 9, 13 - дизель-генератор; 10, 14 - дизельный двигатель; 16 - устройство плавного пуска; 17 - регулятор тока возбуждения; 18 - шина постоянного тока; 19 - инвертор напряжения; 20 - буферный накопитель электроэнергии; 21- двунаправленный импульсный преобразователь; 22 - блок аккумуляторных батарей; 23 - шина переменного тока 220/380В 50 Гц; 24 - потребители электроэнергии; 25 - силовой повышающий трансформатор; 26 - потребители электроэнергии напряжением 6 или 10 кВ; 27 - объект децентрализованного электроснабжения

Рисунок 4 - Схема гибридной электростанции с подключением генерирующих установок через высокочастотную шину переменного тока
1 - ветроэнергетическая установка; 2 - ветротурбина; 3, 11 - синхронный электромашинный генератор; 4, 12, 14 - статические преобразователи частоты; 5 - блок балластных нагрузок; 6 - фотоэнергетическая установка; 7 - солнечная панель; 8 - инвертор напряжения; 9 - дизель-генератор; 10 - дизельный двигатель; 13 - шина переменного тока высокой частоты; 15 - буферный накопитель электроэнергии; 16 - двунаправленный импульсный преобразователь; 17 - блок аккумуляторных батарей; 18 - шина переменного тока 220/380 В 50 Гц; 19 - потребители электроэнергии; 20 - силовой повышающий трансформатор; 21 - потребители электроэнергии напряжением 6 или 10 кВ; 22 - объект децентрализованного электроснабжения
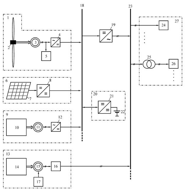
7.6 ЭК ВИЭ показанный на рис. 5 должен обеспечивать работу в трёх режимах: Первый режим (основной) - источниками электроэнергии для потребителей переменного и постоянного тока являются ВИЭ: ВЭУ, СФЭС или МГЭС, во втором режиме источником электроэнергии для потребителей является внешняя сеть; в третьем режиме источниками электроэнергии для потребителей являются дизельная или газопоршневая электростанции.

Рисунок 5 - Обобщенная структурная схема ЭК ВИЭ при частичном обеспечении
ВЭУ1 и ВЭУ2 - ветроэнергетические установки; СФЭС - солнечная фотоэлектрическая станция; МГЭС - малая гидроэлектростанция; АБ - аккумуляторные батареи; В1, В2 и В3 - выпрямители; И - инвертор; ЗУ - зарядное устройство; СН - стабилизатор напряжения; ДЭС - дизель-электрическая станция; ГПС - газопоршневая станция; Г1- Г4 - генераторы электроэнергии; М1 и М2 - тепловые приводные двигатели; ШГП1 и ШГП2 - шины гарантированного питания напряжения переменного тока и постоянного тока соответственно
7.7 Во всех режимах функционирования перечисленных в п. 7.6 аккумуляторные батареи должны находятся в режиме подзаряда. Аккумуляторные батареи используются только на время переключения питания потребителей от одного источника к другому.
8.1 Работы по обеспечению ВИЭ автомобильных дорог органы управления дорожным хозяйством начинают с организации разработки проектной документации на выполнение работ по строительству, реконструкции, капитальному ремонту и ремонту автомобильных дорог и искусственных сооружений на них.
8.2 При разработке проектной документации на выполнение дорожных работ обеспечение автомобильных дорог ВИЭ реализуется за счет:
- замены на основе технико-экономических расчетов типовых проектных решений новыми прогрессивными техническими решениями, обеспечивающими: снижение энергопотребления дорог в их эксплуатации, а также повышение энергонезависимости интеллектуальных транспортных систем, создание условий для использования систем автономного обеспечения объектов потребления дорожной инфраструктуры;
- применения ресурсо- и энергосберегающих технологий производства работ;
- применения современных информационных технологий, банков и баз данных, средств информатизации и связи.
8.3 Рассмотрение, экспертиза и утверждение проектной документации на выполнение работ по строительству, реконструкции и капитальному ремонту автомобильных дорог и искусственных сооружений на них, предусматривающей обеспечение ВИЭ, осуществляется в соответствии с действующим законодательством Российской Федерации.
8.4 В ходе проведения дорожных работ на объекте, апробация продукции, использующей ВИЭ, не включенной в проектную документацию, может быть проведена только после внесения изменений и дополнений в проектную документацию на выполнение работ на данном объекте в установленном порядке.
9.1 Контроль за ходом выполнения работ по освоению инноваций органы управления дорожным хозяйством осуществляют в рамках строительного контроля, предусмотренного ч. 1 и ч. 2 статьи 53 Градостроительного кодекса Российской Федерации, и в соответствии с установленным Росавтодором регламентом.
9.2 Для работ, предусмотренных разделом "Опытно-экспериментальное внедрение" в соответствии с Методическими рекомендациями по организации освоения инноваций при проектировании, строительстве, реконструкции, капитальном ремонте, ремонте и содержании автомобильных дорог и искусственных сооружений на них в системе ФДА, в процессе строительства, реконструкции, капитального ремонта и ремонта автомобильных дорог и искусственных сооружений на них заказчик - орган управления дорожным хозяйством осуществляет проверку соответствия выполняемых работ проектной документации в рамках авторского надзора.
9.3 В ходе эксплуатации опытного объекта (участка) органу управления дорожным хозяйством рекомендуется организовывать наблюдения за ним в сравнении с объектами (участками), выполненными по традиционным технологиям обеспечения электроэнергией и/или теплом.
9.4 Для работ, предусмотренных разделом "Внедрение новых технологий, техники, конструкций и материалов" в соответствии с Методическими рекомендациями по организации освоения инноваций при проектировании, строительстве, реконструкции, капитальном ремонте, ремонте и содержании автомобильных дорог и искусственных сооружений на них в системе ФДА, орган управления дорожным хозяйством осуществляет проверку соответствия выполняемых работ проектной документации, а наблюдения в ходе эксплуатации дорожного объекта (участка) выполняются при необходимости.
9.5 При выполнении работ в соответствии с проектной документацией в части обеспечения ВИЭ при строительстве, реконструкции, капитальном ремонте, ремонте и содержании автомобильных дорог и искусственных сооружений на них проводят следующие виды работ:
- проверка выполнения всех видов работ, предусмотренных проектной документацией по применению продукции использующей ВИЭ;
- проверка соблюдения организации проведения работ, связанных с применением продукции использующей ВИЭ;
- экспериментальные наблюдения, лабораторные испытания эксплуатации продукции использующей ВИЭ;
- приемка работ, связанных с освоением инновационной продукции.
10.1 Оценка эффективности применения нетрадиционных и возобновляемых источников энергии для электроснабжения, производится на основе сравнительного технико-экономического анализа всех возможных вариантов электрификации. При этом необходимо рассмотреть варианты электроснабжения не только от нетрадиционных источников энергии, но и вполне традиционных: централизованная энергосистема и жидко-топливные генераторы. Электроснабжение от энергосистемы предусматривает строительство линии электропередачи, а в качестве жидко-топливных генераторов наиболее распространены дизельные электростанции.
10.2 К возможным вариантам электроснабжения автономного объекта отнесены:
- централизованное электроснабжение (строительство ЛЭП);
- дизельные электростанции;
- микрогидроэлектростанции;
- ветроэнергетические установки;
- солнечные электростанции.
10.3 В качестве критериев оценки, применяются 3 группы показателей:
- технические;
- экономические;
- социально-экологические.
10.3.1 В группу технических показателей входят сведения об основных технических характеристиках первичного источника энергии. При электроснабжении от централизованной энергосистемы определяются: требуемой установленной мощностью объекта электроснабжения Р (кВт) и расстоянием до централизованной электрической сети L (км); для микро-гидроэлектростанций определяется исходя из минимальной скорости течения водотока в месте установки станции Vmin (м/с) и минимальном расходе воды Qmin (л/с); для ветроэнергетической установки является среднегодовая скорость ветра на уровне ступицы ветроколеса V ср (м/с); для солнечных электростанций - среднемесячная дневная энергетическая освещенность Е (кВт·ч/м2).
10.3.2 Основным критерием экономической эффективности являются приведенные годовые затраты на 1 кВт установленной мощности системы электроснабжения, которые определяются из выражения:
, (1)
Р - установленная мощность объекта электроснабжения (кВт);
К - общие капиталовложения (руб):
К=Куст+Кдр+Кстр, (2)
где Куст - стоимость комплектного оборудования (руб);
Кпр - стоимость проектных работ по определению места установки на местности (руб);
Кстр - стоимость строительных и монтажных работ по установке электростанции (подстанции) (руб).
рн=1/Т - нормативный коэффициент рентабельности, где Т - экономический срок службы оборудования (лет).
С - общие годовые эксплуатационные расходы (руб):
С=Сэкс+Срем+Стоп+Сд.топ, (3)
где Сэкс - годовые расходы на эксплуатацию системы электроснабжения (руб);
Срем - годовые расходы на плановый ремонт (руб);
Стоп - годовые расходы на топливо (руб);
Сд.топ - годовые расходы на доставку топлива (руб).
Себестоимость 1 кВтч электроэнергии:
, руб/кВт·ч (4)
где W - общее количество электрической энергии, вырабатываемое электростанцией в течение года.
10.3.3 В качестве социально-экологических критериев эффективности применения различных вариантов электроснабжения принимают следующие:
- потенциальная угроза жизни людей;
- наличие топливной составляющей;
- отчуждение земли;
- влияние на птиц и животных;
- акустическое воздействие и вибрация;
- электромагнитное излучение.
10.3.4 Если количественная оценка социально-экологических критериев крайне затруднительна, то при анализе производится только их качественная оценка, которая может служить в качестве дополнительного критерия при выборе наиболее рационального варианта электроснабжения автономного объекта.
10.4 Исходными данными для определения технических критериев являются кадастр нетрадиционных и возобновляемых источников рассматриваемого региона, технические и экономические показатели комплектующих и оборудования, выпускаемого ведущими российскими предприятиями, Государственные элементные сметные нормы (ГЭСН) на строительные и монтажные работы.
10.5 Экономическая эффективность того или иного инженерного решения определяется отношением затрат и результатов, связанных с его реализацией, и практически сводятся к оценке эффективности соответствующих капиталовложений. При оценке экономической эффективности должны также учитываться положения ОДМ "Руководство по оценке экономической эффективности использования в дорожном хозяйстве инноваций и достижений научно-технического прогресса".
10.6 Технико-экономическое обоснование делается путем сравнения трех альтернативных вариантов и имеет целью выбор оптимальных параметров, конструктивного исполнения энергообъекта и его отдельных элементов, установок, устройств. Этот выбор является результатом экономического сравнения вариантов. Критерием оптимальности энергообъекта является себестоимость 1 кВт·ч произведенной энергии.
10.6 Сравниваемые альтернативные варианты должны удовлетворять требованиям сопоставимости:
10.6.1 Обеспечения равенства энергетического эффекта, то есть необходимо соблюдать условия энергетической сопоставимости сравниваемых вариантов. Эти условия заключаются в одинаковых уровнях электропотребления, величины потребляемой мощности в системе, полезного отпуска электроэнергии.
10.6.2 Экономической сопоставимости, которые заключаются в учете всех затрат, относимых на энергетику, включая капитальные вложения в основные фонды и нормируемые оборотные средства, а также ежегодных издержек производства. В соблюдении равной точности всех используемых в расчетах материалов (один и тот же уровень цен, одинаковые по степени точности удельные показатели стоимости и др.); в учете фактора времени при разновременности капитальных вложений.
10.6.3 В учете ущерба в случае различной степени надежности вариантов.
10.6.4 В учете комплексного характера затрат в обеспечении одинаковых условий труда и быта.
10.7 Во всех сравниваемых вариантах должно учитываться влияние выбираемых объектов на показатели работы остальных связанных сними звеньев энергетического хозяйства и сопутствующих отраслей. Запрещается непосредственно сравнивать технико-экономические показатели на разных стадиях их проектирования.
10.8 Основным критерием выбора при сравнении вариантов должен являться минимум затрат.
Библиография
[1] Федеральный закон от 27 декабря 2002 г. N 184-ФЗ "О техническом регулировании" (в ред. от 28 ноября 2018 г.);
[2] Постановление Правительства Российской Федерации от 27 декабря 1997 г. N 1636 "О правилах подтверждения пригодности новых материалов, изделий, конструкций и технологий для применения в строительстве" (в ред. от 15 февраля 2017);
[3] ОДМ 218.1.001-2020 "Рекомендации по разработке и применению документов технического регулирования в сфере дорожного хозяйства" (Распоряжение ФДА от 27 июля 2020 г. N 2430-р);
[4] Методические рекомендации по организации освоения инноваций при проектировании, строительстве, реконструкции, капитальном ремонте, ремонте и содержании автомобильных дорог и искусственных сооружений на них в системе ФДА;
[5] ОДМ "Руководство по оценке экономической эффективности использования в дорожном хозяйстве инноваций и достижений научно-технического прогресса" (введено в действие распоряжением Минтранса России от 10.12.2002 N ОС-1109-р);
[6] Письмо Росавтодора от 15.02.2006 N 01-28/766-ис) "О соблюдении Регламента проверок качества строительства, реконструкции, капитального ремонта, содержания автомобильных дорог и искусственных сооружений на них";
[7] Решение Комиссии Таможенного союза от 18.10.2011 N 827 (ред. от 12.10.2015) "О принятии технического регламента Таможенного союза "Безопасность автомобильных дорог" (вместе с "ТР ТС 014/2011. Технический регламент Таможенного союза. Безопасность автомобильных дорог")";
[9] Федеральный закон от 10.01.2002 N 7-ФЗ (ред. от 31.07.2020) "Об охране окружающей среды";
[10] Федеральный закон от 10.12.1995 N 196-ФЗ (ред. от 30.07.2019) "О безопасности дорожного движения";
[11] Федеральный закон от 08.11.2007 N 257-ФЗ (ред. от 20.07.2020) "Об автомобильных дорогах и о дорожной деятельности в Российской Федерации и о внесении изменений в отдельные законодательные акты Российской Федерации".
ОКС
Ключевые слова: возобновляемые источники энергии, энергоэффективность, энергосбережение, строительство и эксплуатация автомобильных дорог
|
Руководитель организации-разработчика
|
Е.Е. Медрес |
СОИСПОЛНИТЕЛИ
|
Руководитель организации-соисполнителя
|
И.А. Пичугов |
|
Руководитель организации-соисполнителя
|
А.Н. Птюшкин |


