ОДМ 218.2.101-2019 МЕТОДИЧЕСКИЕ РЕКОМЕНДАЦИИ ПО ПРОЕКТИРОВАНИЮ ЭЛЕМЕНТОВ ПЛАНА, ПРОДОЛЬНОГО И ПОПЕРЕЧНОГО ПРОФИЛЯ АВТОМОБИЛЬНЫХ ДОРОГ
Предисловие
1 Разработан Обществом с ограниченной ответственностью "ТрансИнжПроект" (ООО "ТрансИнжПроект"). Авторский коллектив: д.т.н. Михайлов, к.т.н. Немчинов Д.М, к.т.н. Косцов А.В., к.т.н. Мартяхин Д.С.
2 Внесен Управлением научно-технических исследований и информационного обеспечения Федерального дорожного агентства.
3 Издан на основании распоряжения Федерального дорожного агентства от 29.07.2019 N 1984-р.
4 Имеет рекомендательный характер.
5 Введен впервые.
Настоящий отраслевой дорожный методический документ устанавливает рекомендации по проектированию плана, продольного и поперечного профилей автомобильных дорог общего пользования.
Настоящий документ распространяется на проектирование вновь строящихся и реконструируемых автомобильных дорог. Действие документа не распространяется на временные автомобильные дороги, автомобильные дороги с низкой интенсивностью движения, а также на проектирование улиц в населенных пунктах.
Документ предназначен для использования организациями-заказчиками, проектными, строительными и эксплуатирующими организациями, ведущих деятельность в сфере дорожного хозяйства.
В настоящем методическом документе использованы нормативные ссылки на следующие документы:
ТР ТС 014/2011 Технический регламент Таможенного союза "Безопасность автомобильных дорог"
TP ТС 018/2011 Технический регламент Таможенного союза "О безопасности колесных транспортных средств"
ГОСТ 32959-2014 Дороги автомобильные общего пользования. Габариты приближения
ГОСТ 32965-2014 Дороги автомобильные общего пользования. Методы учета интенсивности движения транспортного потока
ГОСТ 33062-2014 Дороги автомобильные общего пользования. Требования к размещению объектов дорожного и придорожного сервиса
ГОСТ 33063-2014 Дороги автомобильные общего пользования. Классификация типов местности и грунтов
ГОСТ 33100-2014 Дороги автомобильные общего пользования. Правила проектирования автомобильных дорог
ГОСТ 33149-2014 Дороги автомобильные общего пользования. Правила проектирования автомобильных дорог в сложных условиях
ГОСТ 33150-2014 Дороги автомобильные общего пользования. Проектирование пешеходных и велосипедных дорожек. Общие требования
ГОСТ 33151-2014 Дороги автомобильные общего пользования. Элементы обустройства. Технические требования. Правила применения
ГОСТ 33382-2015 Дороги автомобильные общего пользования. Техническая классификация
ГОСТ 33475-2015 Дороги автомобильные общего пользования. Геометрические элементы. Технические требования
Примечание - При пользовании настоящим документом целесообразно проверить действия ссылочных стандартов и сводов правил - на официальном сайте национального органа Российской Федерации по стандартизации в сети Интернет или ежегодно издаваемому информационному указателю "Национальные стандарты", который опубликован по состоянию на 1 января текущего года, и по соответствующим ежемесячно издаваемым информационным указателям, опубликованным в текущем году. Действие сводов правил можно проверить в Федеральном информационном фонде технических регламентов и стандартов. Если ссылочный документ заменен (изменен), то при пользовании настоящим стандартом следует руководствоваться замененным (измененным) документом. Если ссылочный документ отменен без замены, то положение, в котором дана ссылка на него, применяется в части, не затрагивающей эту ссылку.
В настоящем ОДМ применены следующие термины с соответствующими определениями:
3.1 автомагистраль: Автомобильная дорога, предназначенная только для скоростного автомобильного движения, имеющая раздельные проезжие части в обоих направлениях, пересекающая другие транспортные пути исключительно в разных уровнях; съезд-въезд на прилегающие участки запрещен.
[ГОСТ 33100-2014, п. 3.1]
3.2 автомобильная дорога: Комплекс конструктивных элементов, предназначенных для движения с установленными скоростями, нагрузками и габаритами автомобилей и иных наземных транспортных средств, осуществляющих перевозки пассажиров и (или) грузов, а также участки земель, предоставленные для их размещения.
[ГОСТ 33100-2014, п. 3.2]
3.3 автомобильные дороги с низкой интенсивностью движения: Автомобильные дороги со среднегодовой суточной интенсивностью движения не более 400 авт./сут, предназначенные для обеспечения движения транспортных средств к ближайшим автомобильным дорогам общего пользования и подъездам, а также до завершающей или начальной точки поездки.
[СП 243.1326000.2105, п. 3.1]
3.4 бровка земляного полотна: Линия сопряжения поверхности обочины и откоса насыпи.
3.5 биклотоида: Кривая из двух клотоид одинаковой кривизны, которые в точке сопряжения имеют одинаковые меньшие радиусы и общую касательную.
3.6 вираж: Односкатный поперечный профиль проезжей части, устраиваемый на кривой в плане с уклоном к ее центру для повышения удобства и безопасности движения.
[ГОСТ 33475-2015, п. 2.14]
3.7 габарит приближения: Предельное поперечное очертание свободного пространства в плоскости, перпендикулярной к продольной оси проезжей части, внутрь которого не должны заходить какие-либо элементы сооружения или расположенных на них устройств.
[ГОСТ 32959-2014, п. 3.2]
3.8 дополнительная полоса проезжей части: Полоса движения, устраиваемая дополнительно к основной полосе движения на отдельных участках дорог для повышения их пропускной способности, а также безопасности движения на них.
[ГОСТ 33475-2015, п. 2.16]
3.9 клотоида: Кривая, кривизна которой возрастает обратно пропорционально длине кривой.
[ГОСТ 33100-2014, п. 3.15]
3.10 клотоидное трассирование: Метод проектирования автомобильной дороги с применением сопрягающихся между собой клотоид как основного элемента плана трассы.
3.11 краевая полоса: Полоса обочины, предназначенная для защиты от разрушения кромки проезжей части и допускающая случайные заезды на нее транспортных средств.
[ГОСТ 33100-2014, п. 3.19]
3.12 кромка проезжей части: Линия сопряжения проезжей части и обочины.
3.13 обочина: Элемент дороги, примыкающий непосредственно к проезжей части и предназначенный для обеспечения устойчивости земляного полотна, повышения безопасности дорожного движения, организации движения пешеходов и велосипедистов, а также использования при чрезвычайных ситуациях.
[ГОСТ 33100-2014, п. 3.22]
3.14 отгон виража: Переход от двускатного поперечного профиля проезжей части на прямолинейном участке дороги к односкатному на кривой в плане и обратно.
[ГОСТ 33475-2015, п. 2.15]
3.15. перспективный период: Установленный на основании экономических обоснований и используемый при назначении проектировании автомобильных дорог период времени от планируемого года завершения строительства до года капитального ремонта автомобильной дороги.
3.16 продольный профиль: Проекция оси дороги или линии, параллельной ей, на вертикальную плоскость, развернутая в плоскости чертежа.
[ГОСТ 33100-2014, п. 3.34]
3.17 проезжая часть: Конструктивный элемент автомобильной дороги, предназначенный для движения транспортных средств.
[ГОСТ 33475-2015, п. 2.7]
3.18 переходная кривая: Кривая постепенно изменяющейся кривизны для обеспечения плавного перехода между участками трассы, располагающаяся в плане между прямолинейным участком и кривой или между двумя кривыми разной кривизны.
3.19 плавность трассы автомобильной дороги: Пространственное сочетание параметров геометрических элементов плана, продольного и поперечного профиля трассы, обеспечивающее равномерный режим движения автомобиля с максимальной безопасной скоростью движения, оптимальные условия зрительного восприятия водителем параметров дороги и безопасность движения (для оценки плавности трассы используют ряд методов: оценку плавности построением линейных графиков скорости движения, графиков изменения кривизны, перспективных изображений участков дороги).
3.20 разделительная полоса: Конструктивный элемент автомобильной дороги, разделяющий транспортные потоки по направлениям или составу движения.
[ГОСТ 33475-2015, п. 2.9]
3.21. расчетная скорость: Значение скорости движения одиночного автомобиля при нормальных условиях погоды и сцепления шин автомобилей с поверхностью проезжей части, используемое для определения допустимых параметров элементов плана, продольного и поперечного профиля на сложных участках трассы автомобильной дороги, исходя из условий обеспечения удобства и безопасности дорожного движения.
[ГОСТ 33475-2015, п. 2.8]
3.22 реконструкция автомобильной дороги: Комплекс работ, при выполнении которых осуществляется изменение параметров автомобильной дороги, ее участков, ведущий к изменению класса и (или) категории автомобильной дороги либо влекущий за собой изменение границы полосы отвода автомобильной дороги.
[ГОСТ 33100-2014, п. 3.40]
3.23 серпантина: Кривая в плане, описанная с внешней стороны угла поворота трассы и устраиваемая для развития трассы в горной и сильно пересеченной местности.
[ГОСТ 33475-2015, п. 2.13]
3.24 транспортная функция: Перевозка пассажиров, багажа, грузобагажа, грузов, почты и иного имущества от места посадки (погрузки) к месту высадки (выгрузки) или перегрузки, а также технологические процессы, которые ее обеспечивают.
3.25 трудные участки пересеченной местности: Рельеф, прорезанный часто чередующимися глубокими долинами, с разницей отметок долин и водоразделов более 50 м на расстоянии не свыше 0, 5 км, с боковыми глубокими балками и оврагами, с неустойчивыми склонами.
[ГОСТ 33100-2014, п. 3.47]
3.26 трудные участки горной местности: Участки перевалов через горные хребты и участки горных ущелий со сложными, сильно изрезанными или неустойчивыми склонами.
[ГОСТ 33100-2014, п. 3.48]
3.27 функциональная классификация автомобильных дорог: Процесс, посредством которого автомобильные дороги группируются по функциональным классам в дорожной сети в соответствии с транспортной функцией, которую они выполняют.
3.28 функциональный класс автомобильной дороги: Элемент функциональной системы в иерархии дорожной сети, обеспечивающий определенную транспортную функцию.
4.1.1 Проектирование элементов плана, продольного и поперечного профиля автомобильных дорог представляет собой процесс назначения параметров и выбор взаимного расположения геометрических элементов автомобильных дорог. Выполнением требований к параметрам геометрических элементов обеспечивается надлежащая безопасность и пропускная способность автомобильных дорог при движении автомобилей с расчетными скоростями.
4.1.2 При геометрическом проектировании автомобильных дорог необходимо обеспечивать выполнение требований законодательства Российской Федерации.
4.1.3 Восприятие и оценка дорожных условий водителем, основанная на закономерностях скоростного режима движения автомобилей является одним из основных факторов, определяющих безопасность дорожного движения на проектируемой дороге.
4.1.4 При проектировании проектной линии необходимо обеспечить ее соответствие ожиданиям водителя, которое позволило бы ему точно определять маршрут следования, и, используя возможность правильного визуального восприятия дороги, выбрать безопасный скоростной режим на каждом конкретном участке дороги.
4.1.5 Основной задачей при геометрическом проектировании автомобильной дороги является обеспечение согласованности параметров проектной линии с фактической скоростью движения, которую выбирает водитель, двигаясь на каждом участке автомобильной дороги. Для обеспечения согласованности параметров проектной линии, проводят оценку проектных решений по показателям скорости, безопасности движения и пропускной способности. При выполнении п. 5.2.2 и п. 7.3.3 и п. 7.4.6 такую проверку допускается не производить.
4.1.6 Значения параметров геометрических элементов автомобильной дороги должны приниматься с учетом ее расчетного срока службы. Перспективный период при назначении категорий дорог, выборе элементов плана, продольного и поперечного профилей принимают равным 20 годам. При этом за начальный год расчетного перспективного периода принимают год сдачи объекта (или самостоятельного участка дороги) в эксплуатацию. Геометрические элементы автомобильной дороги должны проектироваться таким образом, чтобы при заданной расчетной скорости обеспечивать безопасный пропуск транспортных потоков заданной интенсивности.
4.1.7 Проектирование плана, продольного и поперечного профиля автомобильных дорог с низкой интенсивностью движения (НИД) следует выполнять по соответствующим нормативно-техническим документам.
4.2.1 Автомобильные дороги классифицируют по потребительским свойствам, условиям проезда по ним и доступа на них транспортных средств, административному и функциональному назначению.
4.2.2 В зависимости от потребительских свойств и условий доступа автомобильные дороги подразделяют на [1]:
- автомагистрали;
- скоростные автомобильные дороги;
- обычные автомобильные дороги.
4.2.3 В зависимости от административного назначения автомобильные дороги общего пользования подразделяют на:
- автомобильные дороги федерального значения;
- автомобильные дороги регионального или межмуниципального значения;
- автомобильные дороги местного значения;
- частные автомобильные дороги.
4.2.4 По характеру обслуживаемых связей автомобильные дороги классифицируют по функциональному назначению.
4.2.5 Сеть автомобильных дорог состоит из системы взаимосвязанных автомобильных дорог, каждая из которых выполняет определённую транспортную функцию:
- обеспечение поездок на дальние расстояния;
- обеспечение подъезда к прилегающим территориям (конечной точкой маршрута);
- обеспечение перераспределения транспортных потоков между автомобильными дорогами.
4.2.6 Соотношение между указанными транспортными функциями автомобильной дороги и роль, которую автомобильная дорога играет в обеспечении перевозок по сети автомобильных дорог, определяет функциональный класс автомобильной дороги.
4.2.7 Функциональная классификация предусматривает объединение автомобильных дорог в функциональные классы в зависимости от роли автомобильной дороги в составе сети автомобильных дорог:
- Основные и второстепенные магистральные автомобильные дороги обеспечивают поездки на дальние расстояния.
- Основные распределительные автомобильные дороги, распределительные автомобильные дороги регионального значения обеспечивают перераспределение транспортных потоков между магистральными и местными автомобильными дорогами.
- Местные автомобильные дороги обеспечивают подъезд к прилегающим территориям.
4.2.8 Автомобильные дороги следует классифицировать как основные магистральные автомобильные дороги в соответствии с таблицей 1.
4.2.9 Автомобильные дороги следует классифицировать как второстепенные магистральные автомобильные дороги в соответствии с таблицей 1 при условии, что доля пробега (расчетная интенсивность движения) транспортных средств по автомобильной дороге в межрегиональном и международном сообщении превышает одну треть и вместе с пробегом (расчетной интенсивностью движения) во внутрирегиональном межмуниципальном сообщении они превышают две трети от общего пробега (расчетной интенсивности движения) по автомобильной дороге.
При соответствующем обосновании, к второстепенным магистральным автомобильным дорогам могут быть отнесены и другие дороги, соответствующие приведенному условию по доле пробега (расчетной интенсивности) транспортных средств.
4.2.10 Автомобильные дороги следует классифицировать как основные распределительные автомобильные дороги, распределительные автомобильные дороги регионального значения, согласно таблице 1, если доля пробега (расчетная интенсивность движения) во внутрирегиональном межмуниципальном сообщении превышает одну треть, а вместе с пробегом (расчетной интенсивностью движения) в межрегиональном сообщении - превышают две трети от общего пробега (расчетной интенсивности движения) по автомобильной дороге.
4.2.11 В остальных случаях автомобильные дороги следует классифицировать как местные.
|
Функциональный класс дороги |
Транспортная функция |
Соединяют |
|
Основные магистральные автомобильные дороги |
Обеспечивают международные и межрегиональные транспортные связи, включают непрерывные маршруты, обеспечивающие передвижения интенсивных транспортных потоков с высокими скоростями на большие расстояния. |
- столицу Российской Федерации г. Москву со столицами иностранных государств; - столицу Российской Федерации г. Москву с административными центрами субъектов Российской Федерации; - автомобильные дороги, включенные в перечень международных в соответствии с международными соглашениями Российской Федерации между собой или являются их частью; - автомобильные дороги, являющиеся международными транспортными коридорами, входящих в европейскую (Е) и азиатскую (А) сеть автомобильных дорог или являются их частью. |
|
Второстепенные магистральные автомобильные дороги |
Обеспечивают основные межрегиональные транспортные связи. Обеспечивают подъезд от магистральных автомобильных дорог или городов (административных центров субъектов РФ) к транспортным узлам (морским портам и речным портам, аэропортам, железнодорожным станциям и другим транспортным объектам), имеющим межгосударственное и федеральное значение. Обеспечивают подъезд к границам сопредельных государств. |
- административные центры субъектов Российской Федерации, крупные и крупнейшие города между собой; - магистральные автомобильные дороги с транспортными узлами (морские порты, речные порты, аэропорты, железнодорожные станции и другие транспортные объекты), имеющими международное и федеральное значение; - сеть автомобильных дорог общего пользования c границами сопредельных государств. |
|
Основные распределительные автомобильные дороги |
Обеспечивают перераспределение транспортных потоков между магистральными автомобильными дорогами и автомобильными дорогами местного значения; Обеспечивают транспортную связь сети магистральных автомобильных дорог с крупными и крупнейшими городами; Обеспечивают транспортную связь крупнейших городов Российской Федерации с обслуживающими их транспортными узлами (морскими, речными портами, аэропортами, железнодорожными станциями и другими транспортными объектами); Обеспечивают транспортную связь магистральных автомобильных дорог с объектами тяготения (в том числе специального назначения) федерального значения. |
- магистральные автомобильные дороги между собой; - магистральные автомобильные дороги с крупными и крупнейшими городами; - крупнейшие города Российской Федерации с обслуживающими их транспортными узлами (морскими и речными портами, аэропортами, железнодорожными станциями и другими транспортными объектами); - магистральные автомобильные дороги с объектами тяготения (в том числе специального назначения) федерального значения. |
|
Распределительные дороги автомобильные регионального значения |
Обеспечивают перераспределение транспортных потоков между магистральными автомобильными дорогами и автомобильными дорогами местного значения; Обеспечивают связь магистральных и распределительных автомобильных дорог с административными центрами субъектов Российской Федерации, с административными центрами муниципальных районов, городских округов; Обеспечивают транспортную связь административных центров субъектов Российской Федерации с административными центрами муниципальных районов, городских округов; Обеспечивают транспортную связь административных центров субъектов Российской Федерации, муниципальных районов, городских округов с транспортными узлами (аэропортами, морскими, речными портами и другими транспортными объектами) регионального и межмуниципального значения; Обеспечивают подъезд к объектам тяготения (в том числе специального назначения) регионального и межмуниципального значения. |
- магистральные автомобильные дороги c распределительными автомобильными дорогами; - магистральные автомобильные дороги c местными автомобильными дорогами; - распределительные автомобильные дороги c местными автомобильными дорогами; - магистральные и распределительные автомобильные дороги с административными центрами субъектов Российской Федерации, с административными центрами муниципальных районов, городских округов; - административные центры субъектов Российской Федерации с административными центрами муниципальных районов, городских округов; - административные центры субъектов Российской Федерации, муниципальных районов, городских округов с транспортными узлами (аэропортами, морскими, речными портами и другими транспортными объектами) регионального и межмуниципального значения; - сеть автомобильных дорог общего пользования с объектами тяготения (в том числе специального назначения) регионального и межмуниципального значения. |
|
Местные автомобильные дороги |
Обеспечивают прочие транспортные связи. |
- |
4.2.12 Категории и уровни обслуживания проектируемых автомобильных дорог должны соответствовать требованиям таблицы 2, устанавливающей соотношение между функциональными классами автомобильных дорог, классами автомобильных дорог по ГОСТ 33382, категориями автомобильных дорог согласно СП 34.13330, СП 243.1326000.2015 и допустимыми на автомобильных дорогах уровнями обслуживания.
|
Функциональный класс |
Класс автомобильной дороги по ГОСТ 33382-2015 |
Категория автомобильной дороги |
Уровень обслуживания движения** |
|
Основные магистральные автомобильные дороги |
Автомагистраль |
IA |
A, B |
|
Обычная дорога |
II, III |
A, B | |
|
Второстепенные магистральные автомобильные дороги |
Скоростная дорога |
IБ |
A, B |
|
Обычная дорога |
IB, II, III |
A, B | |
|
Основные распределительные автомобильные дороги |
Скоростная дорога |
IБ* |
A, B, C |
|
Обычная дорога |
IB*, II, III |
A, B, C | |
|
Распределительные автомобильные дороги регионального значения |
Обычные дороги |
II, III, IV, V, IVА-р, IVБ-р, IVА-п, IVБ-п, VА, VБ*** |
A, B, C |
|
Местные автомобильные дороги |
Обычные дороги |
III, IV, V, IVА-р, IVБ-р, IVА-п, IVБ-п, VА, VБ*** |
A, B, C |
|
* Выбор категории IБ или IВ для основных распределительных дорог следует выполнять на основании технико-экономических обоснований. ** Значения допустимого уровня обслуживания движения и коэффициента загрузки соответствуют расчетной интенсивности движения на последний год перспективного 20-ти летнего периода. *** - включая дороги с низкой интенсивностью движения (НИД) | |||
4.2.13 Назначение категории автомобильной дороги следует производить согласно функциональной классификации (таблица 1), соответствию функциональных классов (таблица 2), классам автомобильных дорог по ГОСТ 33382 и расчетной интенсивности движения транспортных средств согласно СП 34.13330.
4.3.1 Автомобильные дороги предназначены для движения автомобилей, основные геометрические параметры которых приведены в таблице 3.
|
Тип расчетного автомобиля |
Обозначение [6а] |
База/расстояния между осями, м |
Размеры, м | |||
|
общие |
свес | |||||
|
Длина ** |
Ширина*** |
передний |
задний | |||
|
Легковой автомобиль (Л) |
M1 |
2, 90 |
4, 90 |
1, 9 |
0, 90 |
1, 10 |
|
Грузовой автомобиль (Г) |
N3 |
5, 70/1, 40 |
12, 0 |
2, 50 |
1, 50 |
3, 70 |
|
Автобус (А) |
M3 |
6, 20 |
12, 0 |
2, 50 |
2, 75 |
3, 05 |
|
Сочлененный автобус (Ас) |
M3* |
5, 96/6, 05 |
18, 75 |
2, 55 |
2, 68 |
- |
|
Автопоезд (А20) |
N3+O4 |
5, 70/ 1, 40/ 6, 20/ 4, 30 |
19, 8 |
2, 50 |
1, 50 |
0, 70 |
|
* - Сочлененный автобус. ** - Допускается увеличение длин автомобилей: легкового автомобиля (Л) - до 12, 0м; автобуса (А) - до 13, 5м; автопоезда (А20) - до 20м [2]. *** - Максимальная ширина автомобиля категорий М, N, О не должна превышать 2, 55 м. Для изотермических кузовов автомобилей допускается максимальная ширина 2, 6 м [2]. | ||||||
4.4.1 Назначение геометрических параметров автомобильных дорог принято вести из условий обеспечения безопасных условий движения автомобиля с расчетной скоростью. Величину расчетной скорости принимают в зависимости от категории дороги и топографических условий местности по таблице 4 [13].
|
Категория дороги |
Расчетные скорости движения, км/ч | ||
|
Основные |
Допускаемые на трудных участках | ||
|
пересеченной местности |
горной местности | ||
|
IА |
150 |
120 |
80 |
|
IБ |
120 |
100 |
60 |
|
IВ |
100 |
100 |
60 |
|
II |
120 |
100 |
60 |
|
III |
100 |
80 |
50 |
|
IV |
80 |
60 |
40 |
|
V |
60 |
40 |
30 |
|
Примечание - При наличии вдоль трассы автомобильных дорог капитальных дорогостоящих сооружений и лесных массивов, а также в случаях пересечения дорогами земель, занятых особо ценными сельскохозяйственными культурами и садами, в пределах населенного пункта, при технико-экономическом обосновании допускается принимать расчетные скорости, установленные для трудных участков пересеченной местности. | |||
4.4.2 Выбор расчетной скорости в пределах установленных интервалов, следует производить на основе технико-экономического сравнения вариантов, шаг расчетной скорости рекомендуется принимать - 10 км/ч. По принятой расчетной скорости следует определять минимально допустимые значения основных геометрических элементов проектируемой автомобильной дороги.
4.4.3 Изменение расчетной скорости на проектируемой автомобильной дороге необходимо производить в случаях изменения рельефа местности, а также по инженерным, экономическим и экологическим соображениям. При этом переход следует осуществлять постепенно, с согласованием изменения фактических скоростей движения на смежных участках трассы по коэффициенту безопасности. Расчетные скорости движения на последовательно расположенных смежных участках автомобильной дороги не должны отличаться более чем на 20%.
4.4.4 Расчетные скорости, установленные в таблице 4 для трудных участков пересеченной и горной местности, допускается принимать только при технико-экономическом обосновании с учетом местных условий для каждого конкретного участка проектируемой дороги.
4.4.5 Расчетные скорости на смежных участках автомобильных дорог не должны отличаться более чем на 20%.
4.4.6 При разработке проектов реконструкции и капитального ремонта автомобильных дорог по нормам категорий IБ, IB и II допускается при технико-экономическом обосновании сохранять элементы плана, продольного и поперечного профилей (кроме числа полос движения) на отдельных участках существующих дорог, если они соответствуют расчетной скорости, установленной для дорог категории III, a по нормам категорий III, IV - на категорию ниже соответственно.
4.4.7 Для подъездных автомобильных дорог к промышленным предприятиям по нормам категорий IБ и II при наличии в составе движения более 70% грузовых автомобилей или при протяженности дороги менее 5 км следует принимать расчетные скорости, соответствующие категории III.
4.4.8 При наличии вдоль трассы автомобильных дорог капитальных дорогостоящих сооружений и лесных массивов, а также в случаях пересечения дорогами земель, занятых особо ценными сельскохозяйственными культурами и садами, в пределах населенного пункта, при технико-экономическом обосновании, допускается принимать расчетные скорости, установленные в таблице 6 для трудных участков пересеченной местности.
4.5.1 Общие положения
4.5.1.1 При проектировании автомобильных дорог необходимо обеспечивать следующие минимальные значения расстояний видимости:
- минимальное расстояние видимости для остановки;
- минимальное расстояние видимости встречного автомобиля (при обгоне);
- минимальное расстояние боковой видимости на кривых в плане.
4.5.1.2 При проектировании автомобильных дорог следует учитывать, что комфорт проезда вследствие отсутствия психологической утомляемости, а следовательно, и безопасность движения может быть обеспечена только при обеспечении расстояний видимости, значительно превышающих необходимые из условий экстренной остановки автомобиля перед препятствием.
4.5.2 Обеспечение видимости для остановки
4.5.2.1 Минимальное расстояние видимости проезжей части для остановки автомобиля перед препятствием должно быть обеспечено на всем протяжении дороги и предоставлять водителю возможность получать надежную и своевременную информацию, которая позволяет ему при необходимости совершить необходимый маневр и избежать дорожно-транспортного происшествия.
4.5.2.2 Минимальное расстояние видимости для остановки следует определять по формуле (1):
,
(1)
где Sост - расчетное расстояние видимости покрытия проезжей части для остановки;
Vрасч - расчетная скорость движения в начале торможения, км/ч;
φ - расчетный коэффициент продольного сцепления;
i - продольный уклон автомобильной дороги, в долях единицы.
tp - время реакции водителя, с, принимаемое в зависимости от категории дороги по таблице 5.
|
Категории улиц и дорог |
Время реакции водителя, tp, с |
|
Автомагистрали, скоростные дороги |
3, 0 |
|
Автомобильные дороги |
2, 0 |
4.5.2.3 При увеличении объёма поступающей водителю информации (наличие одновременно следующих факторов - число полос движения в каждом направлении три и более, наличие двух и более основных светофоров одновременно в поле видимости водителя, наличие пешеходов на примыкающих непосредственно к проезжей части тротуарах) время реакции водителя может быть увеличено.
4.5.2.4 Минимальное расстояние видимости для остановки должно обеспечивать видимость любых предметов, имеющих высоту 0, 2 м и более, находящихся на середине полосы движения, с высоты глаз водителя автомобиля 1, 0 м от поверхности проезжей части.
4.5.3 Минимальное расстояние видимости на кривых в плане
4.5.3.1 На кривых в плане необходимо обеспечивать боковую видимость, достаточную для обеспечения безопасных условий остановки автомобиля в крайней, внутренней по отношению к повороту оси трассы, полосе движения (при повороте налево - крайней левой полосе, при повороте направо - крайней правой полосе). Под минимальным расстоянием видимости, достаточным для остановки автомобиля, следует понимать расстояние, измеряемое по оси проезжей части, являющейся внутренней относительно радиуса кривой в плане (рисунок 1, дуга В-С). Минимальное расстояние видимости (рисунок 1, дуга В-С) определяют в соответствии с формулой (1).

В - положение глаз водителя; С - положение цели (предполагаемого препятствия) на проезжей части; b - расстояние от положения глаз водителя или от цели (предполагаемого препятствия) до кромки полосы движения (b = 1, 8 м); а - расстояние между кромкой полосы движения и препятствием (шумозащитный экран, барьерное ограждение и др.).
Рисунок 1 - Схема к определению расстояния боковой видимости на многополосной автомобильной дороге
4.5.3.2 Расположение препятствий (барьерных ограждений, шумозащитных экранов и пр.) должно обеспечивать видимость цели (точка "С", рисунок 1), имеющей высоту 1, 0 м и более, находящихся на середине полосы движения, являющейся внутренней относительно радиуса кривой в плане, с высоты глаз водителя автомобиля, равной 1, 0 м от поверхности проезжей части, находящегося на той же полосе движения на минимальном расстоянии видимости.
4.5.3.3 Оценку видимости на кривых в плане следует вести путем сопоставления минимального расстояния видимости с его фактическим значением. Определение фактического расстояния видимости представляет собой оценку видимости цели в плане. Оно (расстояние видимости) описывается лучом видимости между точкой взгляда и точкой цели в горизонтальной плоскости. Геометрическая модель для определения фактического расстояния боковой видимости показана на рисунке 1.
4.5.3.4 Оценку боковой видимости на кривых в плане следует выполнять для каждого из двух направлений движения.
4.5.3.5 В случае, если не представляется возможным обеспечить минимальное расстояние видимости с внутренней полосы проезжей части на кривой в плане малого радиуса и нет возможности проложения трассы с большим радиусом, минимальное расстояние видимости может быть обеспечено увеличением ширины разделительной полосы за счет увеличения ширины полосы безопасности (расстояние "а", рисунок 1), в том числе путем раздельного размещения проезжих частей (см. раздел "Раздельное трассирование"). В сложных условиях и условиях реконструкции, на участках кривых в плане с необеспеченной боковой видимостью допускается снижение расчетной скорости движения до значений, соответствующих минимальному расстоянию боковой видимости.
4.5.4 Минимальное расстояние видимости встречного автомобиля (при обгоне)
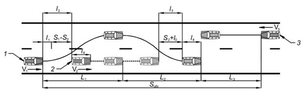
4.5.4.1 Минимальное расстояние видимости встречного автомобиля (при обгоне) должно быть обеспечено на тех участках двухполосных автомобильных дорог, где возможен маневр обгона автомобилей. Минимальное расстояние видимости встречного автомобиля при обгоне должно обеспечивать взаимную видимость автомобилей, имеющих высоту 1, 0 м и более, находящихся на середине полос движения, с высоты глаз водителей автомобилей, равной 1, 0 м от поверхности проезжей части. Значение минимального расстояния видимости для обгона определяется при расчётной скорости Vрасч движения автомобиля на рассматриваемом участке дороги методом моделирования. Значения расстояния видимости для обгона определяются на основании модели, показанной на рисунке 2 для различных значений скоростей с учетом расчетной скорости для данной категории дороги.

1 - автомобиль, совершающий обгон; 2 - обгоняемый автомобиль; 3 - встречный автомобиль; А - водитель, совершающий обгон, принимает решение начать ускорение и обгон; В - обгоняющий автомобиль пересекает разделительную линию; С - автомобиль, совершающий обгон, находится на встречной полосе; D - обгоняющий автомобиль возвращается на свою полосу; F- положение автомобиля, движущегося во встречном направлении, кода автомобиль, совершающий обгон находится в точке С; H - положение автомобиля, движущегося во встречном направлении, когда автомобиль, совершающий обгон, находится в точке А; G - положение автомобиля, движущегося во встречном направлении, кода автомобиль, совершающий обгон, находится в точке В; Е- положение автомобиля, движущегося во встречном направлении, когда автомобиль, совершающий обгон, находится в точке D.
Рисунок 2 - Схема для расчета расстояния видимости до встречного автомобиля при обгоне на двухполосной автомобильной дороге
4.5.4.2 Расстояние видимости, необходимое для совершения обгона слагается из пути совершения обгона и пути встречного автомобиля в течение времени маневра обгона и расстояния безопасности между этими двумя автомобилями в конце обгона. Поэтому расстояние видимости для обгона зависит от принятых расчётных скоростей движения всех автомобилей: обгоняющего, обгоняемого, встречного. Схема к обеспечению видимости при выполнении такого маневра указана на рисунке 3.

Рисунок 3 - Схема к определению расстояния видимости при обгоне
4.5.4.3 Процесс обгона состоит из следующих стадий:
а) обгон начинается в момент, когда автомобиль 1 приблизится к обгоняемому автомобилю 2 на расстояние, равное разности их тормозных путей (S1-S2) и пути, который автомобиль проходит с момента принятия водителем решения обгона (L1). Поэтому учитывая, что автомобиль 1 находится от автомобиля 2 на расстоянии (L2) и зная разность скоростей автомобилей (V1-V2, определим путь, который пройдет автомобиль 1 пока поравняется с автомобилем 2 (L1) на горизонтальном участке дороги (i = 0):
,
(2)
где V1 и V2 - скорость, соответственно, заднего и переднего автомобиля, м/с;
φ1 - коэффициент продольного сцепления;
kэ - коэффициент эксплуатационного состояния тормозов, принимаемый равным для обоих автомобилей;
l4 - длина автомобиля, м;
g - ускорение свободного падения, равно 9, 8 м/с2.
б) Автомобиль 1 возвращается на свою полосу впереди автомобиля 2 на безопасном расстоянии (l3), равном его тормозному пути (S2), увеличенному на зазор безопасности (l0) и длину автомобиля (l4). Тогда путь, проходимый автомобилем 2 до возвращения на свою полосу движения (L2), будет равен:
.
(3)
в) Обгон возможен тогда, когда автомобиль 1 возвращается на свою полосу к моменту встречи со встречным автомобилем 3, движущимся со скоростью V3. За период обгона этот автомобиль проходит путь (L3), равный:
.
(4)
Тогда расстояние видимости из условия обгона будет
.
(5)
4.5.4.4 Значения соотношений скоростей обгоняющих, обгоняемых и встречно движущихся автомобилей представлены в таблице 6.
|
Наименования показателя скорости |
Условное обозначение |
Значение показателя |
|
Скорость движения обгоняющего автомобиля |
V1 |
V2=1, 0Vрасч |
|
Скорость обгоняемого автомобиля |
V2 |
V2=0, 65Vрасч |
|
Скорость движения встречного автомобиля |
V3 |
V3=V2 |
4.5.4.5 В условиях, когда невозможно выполнение требований п. 4.5.3.2, необходимо предусмотреть выполнение минимально допустимых значений расстояний видимости, которые даны в таблице 7.
|
Расчётная скорость, км/ч |
Минимальное расстояние видимости встречного автомобиля [3] Sоб, м |
|
60 |
170 |
|
80 |
250 |
|
100 |
350 |
|
120 |
450 |
4.5.4.6 При определении минимального радиуса выпуклых вертикальных кривых на основе минимального расстояния видимости встречного автомобиля, значения высоты глаз водителя и высоты препятствия принимают соответственно равными 1, 0 м.
4.5.4.7 Примеры расчета расстояния видимости встречного автомобиля, выполняемые по формуле (5) для расчетных скоростей автомобилей в 60; 80; 100 и 120 км/ч представлены в приложении Б.
5.1.1 План автомобильной дороги является одним из ее важнейших элементов, определяющих транспортно-эксплуатационные качества дороги и уровень обеспечения безопасности движения по ней.
5.1.2 В плане дорогу следует проектировать, вписывая в главные формы рельефа, избегая резких изменений направления трассы. При этом следует избегать коротких прямых вставок между смежными кривыми и малых углов поворота трассы между большими углами.
5.1.3 Геометрические элементы плана дороги должны обеспечивать равномерность движения автомобиля. Объективным критерием для оценки равномерности движения автомобиля по дороге является плавность эпюры скоростей движения, построение которой рекомендуется производить в соответствии с [6].
5.1.4 При проектировании вновь строящихся автомобильных дорог категорий I-III их трассу прокладывают в обход населенных пунктов. В случаях, когда по технико-экономическим расчетам установлена целесообразность проложить трассу дороги категорий II-III через населенный пункт в целях обеспечения в дальнейшем ее реконструкции, принимают расстояние от бровки земляного полотна до линии застройки населенного пункта в соответствии с генеральным планом населенных пунктов, но не менее 200 м. При невозможности обеспечить данное требование категорию дороги в пределах населенного пункта и ее расчетные параметры назначают в соответствии с требованиями СП 42.13330. На дорогах категорий I и II, проектируемых на расстоянии менее 50 м от жилой застройки, должны быть предусмотрены защитные экраны на длину жилой застройки населенного пункта.
5.1.5 В целях обеспечения безопасности движения и сохранения популяций различных видов животных трассу дороги рекомендуется устраивать на расстоянии не менее чем в 1, 5 км от границ заповедных зон, природных парков и других мест обитания животных [10]. Трассу необходимо стремиться прокладывать по опушке лесов, без пересечения путей миграции животных, с максимальным сохранением рельефа и растительности.
5.1.6 При прохождении дороги вблизи заповедников, природных парков и других мест обитания животных ее положение определяется по результатам работы групп специалистов по охране окружающей среды.
5.1.7 В случае, когда при трассировании дороги не удается избежать пересечения путей миграции животных или когда дорога проходит в местах их обитания, для обеспечения свободного передвижения животных рекомендуется предусматривать специальные переходы через дорогу, которые рекомендуется проектировать в соответствии с [11].
5.1.8 Выбор вида мероприятий на стадии выработки решений об инженерном обустройстве путей миграции животных через дорогу рекомендуется использовать одну из следующих концепций:
- недопущение выхода диких животных на дорогу путем установки ограждений;
- пропуск диких животных через дорогу путем устройства надземных и/или подземных переходов;
- пропуск животных через дорогу в одном уровне в местах обозначенными дорожными знаками и информационными указателями;
- учет боковой видимости в местах пересечения автомобильной дороги с возможными путями миграций животных.
5.2.1 Радиусы кривых в плане рекомендуется назначать такими, чтобы они согласовывались с топографическими условиями и элементами окружающего ландшафта.
5.2.2 В целях обеспечения относительного постоянства скорости и благоприятных условий безопасности движения транспортного потока на всем протяжении дороги, снижения ограничений, потенциально накладываемых дорожными условиями на избираемые водителями режимы движения, а также учитывая возможности последующей реконструкции дороги за пределами перспективного периода радиусы кривых в плане рекомендуется принимать не менее 3000м.
5.2.3 Наименьшие радиусы кривых в плане, исходя из необходимости обеспечения безопасных условий движения одиночного автомобиля, следует принимать в зависимости от расчетной скорости движения по таблице 8.
Таблица 8
|
Расчетная скорость движения, км/час |
Наименьший радиус кривой в плане, м | |
|
Основные |
В горной местности | |
|
150 |
1200 |
1000 |
|
120 |
800 |
600 |
|
100 |
600 |
400 |
|
80 |
300 |
250 |
|
60 |
150 |
125 |
|
50 |
100 |
100 |
|
40 |
60 |
60 |
|
30 |
30 |
30 |
5.2.4 Для обеспечения согласованности элементов плана трассы, а также исходя из необходимости обеспечения безопасных условий движения со скоростями, не отличающимися более чем на 20% на смежных участках дороги, радиусы двух следующих друг за другом кривых, как правило, не должны различаться более, чем в 1, 3 раза.
5.3.1. Во всех случаях, когда смежные элементы плана трассы в месте их сопряжения отличаются по кривизне более чем 1/2000, предусматривают их плавное сопряжение кривыми с переменной кривизной - переходными кривыми.
5.3.2 Наименьшие длины переходных кривых следует назначать по таблице 9.
|
Радиус круговой кривой, м |
30 |
50 |
60 |
80 |
100 |
150 |
200 |
250 |
300 |
400 |
500 |
600 - 1000 |
1000 - 2000 |
|
Длина переходной кривой, м |
30 |
35 |
40 |
45 |
50 |
60 |
70 |
80 |
90 |
100 |
110 |
120 |
100 |
5.3.3 При индивидуальном обосновании длин переходных кривых рекомендуется пользоваться формулой (6).

(6)
где L - длина переходной кривой, м;
V - расчетная скорость, км/ч;
R - радиус круговой кривой, м;
Iдоп - допустимая скорость нарастания центробежного ускорения, принимаемая для автомагистралей и скоростных дорог 0, 8 м/с3, для всех остальных автомобильных дорог 1, 0 м/с3.
5.3.4 Минимальный параметр переходной кривой "А" следует назначать в зависимости от расчетной скорости по таблице 10.
|
Расчетная скорость, км/ч |
150 |
120 |
100 |
80 |
|
Минимальный параметр переходной кривой, А, м |
600 |
390 |
260 |
160 |
5.3.5 Параметры смежных переходных кривых не должны различаться более чем в 1, 5 раза. Из условий обеспечения возможности точной оценки водителями расстояний и скорости движения автомобиля максимальный параметр переходной кривой должен быть не более 1200 м.
5.3.6 Для упрощения разбивочных работ на дорогах категорий IV и V можно использовать переходные кривые с кривизной, меняющейся периодически, так называемые коробовые кривые, которые характерны тем, что
.
5.4.1 Длинные прямые в плане трассы, вызывающие снижение надежности работы водителя, монотонность движения, повышенную аварийность и нарушения зрительной плавности в продольном профиле, рекомендуется ограничивать в зависимости от плотности транспортного потока и скорости движения. Продолжительность движения в потоке малой интенсивности не должна превышать 3 мин (таблица 11).
Таблица 11
|
Категория дороги |
Расчетная продолжительности движения по прямой, мин |
Предельная длина прямой в плане, м, на местности | |
|
равнинной |
пересеченной | ||
|
I |
3, 0* ---- 1, 5 |
3500-5000 2200-3500 |
2000-3000 1500-2000 |
|
II |
3, 0 |
3000-3500 |
1500-2000 |
|
III |
2, 0 |
2000-2200 |
1500 |
|
IV |
1, 5 |
1500-1700 |
1600 |
|
* Над чертой приведены значения показателей для дорог I категории с расчетной интенсивностью движения свыше 20000 прив.ед/ч, под чертой - менее 20000 прив.ед./ч. Примечание - Большие значения длин прямых следует принимать при преимущественно легковом движении, меньшие - при грузовом. | |||
5.4.2 Длина криволинейного в плане участка дороги I категории должна составлять на равнинной местности более 5 км, на пересеченной - более 8 км; II - IV категорий - соответственно более 3 и более 5 км. Углы поворота трассы на этих участках должны быть более 6°.
5.4.3 Между двумя кривыми в плане, направленными в одну сторону, не рекомендуется проектировать прямую вставку менее 100 м, так как это приводит к появлению зрительного излома дороги. В этом случае целесообразно заменить эти кривые одной кривой большего радиуса. При длине 100-300 м прямую вставку следует заменять переходной кривой большего радиуса. Прямая вставка как самостоятельный элемент трассы допускается для дорог категорий I и II при ее длине более 700 м, для дорог категорий III и IV - более 300 м.
5.4.4 Если две прямые разделяются одной кривой в плане, из условия обеспечения безопасности движения радиус этой кривой принимают из условия R=(2, 5-3)Rmin. Значения наименьшего радиуса кривых в плане Rmin для каждой категории дороги принимают по таблице 8.
5.5.1 Раздельное трассирование проезжих частей характерно при проектировании автомагистралей и скоростных автомобильных дорог. Раздельное трассирование проезжих частей таких автомобильных дорог возможно как в продольном профиле, так и в плане. Автомагистраль (скоростная автомобильная дорога) воспринимается как две самостоятельные дороги при расстоянии между бровками земляного полотна более 25 - 30 м. Желательно, чтобы пространство между проезжими частями было свободным или плотность его заполнения (например, частота посадок) позволяла водителю периодически видеть противоположную проезжую часть.
5.5.2 К основным достоинствам раздельного трассирования следует отнести:
- Высокую степень безопасности движения за счет полного устранения слепящего воздействия света фар встречных автомобилей и малой вероятности встречных столкновений.
- Более полное сохранение естественного состояния поверхности земли и окружающего ландшафта.
- Возможность лучшего вписывания дороги в рельеф местности.
5.5.3 Раздельное трассирование часто применяется при проложении автомагистрали на косогорных участках. Если крутизна косогора не превышает 1:8 - 1:6, разделительную полосу можно устраивать без планировки ее поверхности.
5.5.4 Варианты размещения земляного полотна автомагистрали на косогоре при обычном трассировании даны на рисунок 4, а, раздельном - рисунок 4, б - г. Поперечные профили на рисунке 4, а - в соответствуют условиям раздельного трассирования лишь в продольном профиле, положение осей проезжих частей в плане остается неизменным. Поперечные профили, показанные на рисунке 4, г соответствуют самостоятельному трассированию автомагистрали как в продольном профиле, так и в плане. В этом случае, в зависимости от поперечного уклона поверхности между проезжими частями и расстояния между ними, а также превышение кромки одной проезжей части над другой рекомендуется принимать по таблице 12.

Рисунок 4 - Поперечные профили автомагистралей на косогоре
Таблица 12
|
Расстояние между кромками проезжих частей, м |
Превышение кромок смежных проезжих частей, м, при уклонах поверхности между ними | ||
|
1:6 |
1:4 |
1:3 | |
|
12 |
0, 9 |
1, 2 |
1, 5 |
|
15 |
1, 2 |
1, 8 |
2, 4 |
|
18 |
1, 8 |
2, 7 |
3, 6 |
|
21 |
2, 1 |
3, 3 |
4, 5 |
|
24 |
2, 7 |
4, 2 |
5, 4 |
|
30 |
3, 6 |
5, 7 |
7, 5 |
5.6.1 При классической технике проектирования автомобильных дорог с помощью кривых постоянного радиуса и прямых вставок между ними, переходные кривые выполняют вспомогательную роль - с их помощью сопрягаются прямые и круговые кривые. Длина таких переходных кривых рассчитывается из условия плавного нарастания центробежного ускорения.
5.6.2 Переходные кривые могут служить и основными элементами трассы, часто заменяя не только прямые, но и круговые кривые. Параметры переходных кривых не рассчитываются, а выбираются с ориентацией на возможности и особенности восприятия водителем и пассажирами перспективного изображения дороги. Эти кривые называют эстетическими и основное условие их выбора - обеспечение зрительной плавности дороги и устранение монотонности движения. Длины переходных кривых должны при этом превышать длины кривых, рассчитанных только с ориентацией на допустимую скорость нарастания центробежного ускорения.
5.6.3 Для закруглений с радиусами кривизны более 1000 м различия в очертаниях переходных кривых, имеющих уравнение клотоиды, параболы или составленных из дуг окружности, несущественны. Поэтому при трассировании можно использовать любую из переходных кривых, отвечающую условию плавного изменения кривизны линии по всей ее длине. Это обстоятельство позволило развить существующие методы проектирования трассы дороги и применить так называемые сплайн - линии - плавные линии свободных очертаний, укладываемые на плане местности в пределах ширины полосы варьирования с учетом рельефа и охраны среды. Координаты этой линии рассчитывают, опираясь на заданные характеристики по максимальной кривизне линии и скорости ее нарастания, с использованием цифровой модели местности. Параметры клотоид (
) выбирают из условия обеспечения безопасности движения, психологической уверенности водителя и обеспечения зрительной плавности дороги.
5.6.4 С точки зрения безопасности движения криволинейная трасса, частным случаем которой является клотоидная трасса, помимо исключения опасности ослепления водителя светом фар встречного автомобиля, имеет еще одно преимущество перед прямолинейной - обеспечение возможности оценки водителем расстояний до встречных и попутных автомобилей и их скоростей движения. Это преимущество обеспечивается наличием в относительном перемещении автомобилей тангенциальной составляющей. Размер этой составляющей определяется кривизной трассы - чем ближе трасса к прямолинейной, тем эта составляющая меньше.
5.6.5 Минимальный параметр клотоиды (А) выбирается из условия зрительной плавности дороги. Длина большого тангенса переходной кривой из условия обеспечения зрительной плавности дороги должна составлять не менее 100 м. С учетом этих требований минимальные параметры клотоид для разных скоростей движения имеют следующие значения:
Расчетная скорость, км/ч........... 80 100 120 150
Минимальный параметр А, м ......... 90 160 240 400
5.6.6 Последовательность элементов при применении клотоид приведена на рисунке 5. Простая клотоида образует переход между прямой и круговой кривой. Обратная клотоида состоит из двух ветвей клотоид, противоположно искривленных и стыкующийся в точке с нулевой кривизной, для которых остаются справедливыми требования для простых клотоид (п. 5.6.5). Для гармоничного трассирования и равномерного нарастания продольного уклона при отгоне поперечного уклона, обе клотоиды должны быть близки по своим параметрам. При неодинаковых параметрах для A2≤300 м должно соблюдаться условие A1≤1, 5 A2.
Овальная клотоида представляет собой отрезок клотоиды с односторонней кривизной различных радиусов. Круговые кривые должны находиться одна в другой. Такие кривые не должны иметь общий центр.
|
Соединение | |
|
Прямая с круговой кривой |
Простая клотоида
|
|
Две круговые кривые |
Обратная клотоида
|
|
Овальная клотоида
|
Рисунок 5 - Применение клотоид с прямыми и кривыми в плане
5.7.1 При проектировании плана трассу дороги, по возможности, следует располагать с использованием сложившихся направлений проселочных, полевых и лесных дорог, на сельскохозяйственных угодьях - по границам полей, в лесных массивах - с использованием направлений просек. Необходимо обходить встречающиеся препятствия (реки, овраги, балки, болота и т.д.), ведущие к увеличению стоимости возведения земляного полотна. При проектировании продольного профиля следует предусматривать выемки с продольным перемещением грунта из выемки в насыпь. Целесообразно использовать поперечное перемещение грунта из резервов и канав в насыпь. Площади ценных земельных угодий (земли сельскохозяйственного назначения), занимаемых под строительство дорог, должны быть минимальными.
5.7.2 Для обеспечения двухстороннего движения, а также для разворота автомобилей на автомобильных дорогах с однополосной проезжей частью должны быть запроектированы разъезды и карманы.
5.7.3 Расстояния между разъездами и карманами вне населенных пунктов следует принимать равными расстояниям видимости встречного автомобиля, но не более 0, 8 км. Разъезды следует проектировать на подъездах к промышленным предприятиям, месторождениям полезных ископаемых; карманы - на подъездах к жилой застройке, коттеджным и дачным поселкам, жилым районам, рекреационным зонам, фермам и сельскохозяйственным угодьям, а также в зоне примыканий (приложение В, рисунок В.1).
5.7.4 Ширину земляного полотна на разъездах следует принимать не менее 8 м для размещения двух полос движения (каждая 3, 0 м) и двух обочин по 1, 0 м, а наименьшую длину разъезда - не менее 30 м. Переход от однополосной проезжей части к двухполосной следует осуществлять на протяжении не менее 10 м.
5.7.5 На участках устройства разъездов и карманов продольные уклоны не должны превышать в пересеченной и горной местности - 40%о, в равнинной - 30%о. В конце тупиковых подъездов следует устраивать разворотные площадки, размер которых должен определяться минимальным радиусом поворота транспортного средства, но не менее12 м.
6.1.1 Проектирование поперечного профиля автомобильных дорог следует вести с учетом обеспечения заданного уровня удобства и безопасности дорожного движения, с учетом санитарно-гигиенических, противопожарных и экологических требований.
6.1.2 Состав элементов поперечного профиля, их взаимное расположение и пространственное решение определяются категорий дороги, особенностями района проектирования, интенсивностью транспортного и пешеходного движения, видами транспорта, использованием надземного и подземного пространства.
6.2.1 Габариты приближения автомобильных дорог общего пользования определяются минимальными габаритами приближения автомобильных дорог по ширине и высоте по ГОСТ 32959 [4].
6.2.2 Габариты приближения автомобильных дорог общего пользования по ширине определяются по ГОСТ 33475 [3], расстояниями установки на них технических средств организации дорожного движения или других конструкций по ГОСТ 33151 [5] и в соответствии с рекомендациями раздела 6 настоящего документа.
6.2.3 При определении габаритов приближения по ширине следует учитывать, что, при установке дорожных ограждений на разделительной полосе автомобильной дороги, расстояние от левой кромки проезжей части до лицевой стороны барьерного или парапетного ограждений должно быть не менее 1, 0 м.
6.2.4 Минимальные габариты приближения по высоте автомобильных дорог (Н) приведенные определяются с учетом высоты расчетного транспортного средства и зазоров безопасности:
- для автомобильных дорог категорий I-III, не менее 5, 0 м;
- для автомобильных дорог категорий IV-V не менее 4, 5 м.
6.2.5 В целях обеспечения безопасности дорожного движения, расстояния от поверхности проезжей части до нижнего края ТСОДД, расположенных над проезжей частью автомобильных дорог должны быть не менее габаритов приближения автомобильных дорог по высоте, как показано на рисунке 6 .

Рисунок 6
6.3.1 Расчет ширины проезжей части производят в следующей последовательности:
- Расчет количества полос движения;
- Определение расчётного автомобиля;
- Определение ширин полос движения;
- Определение ширин полос обочин и разделительных полос;
- Определение общей ширины проезжей части.
6.3.2 Положения по расчету указанных величин даны в п. 6.4, типовые решения - в п. 6.9.
6.4.1 Количество полос движения определяют исходя из перспективной интенсивности движения на срок службы дороги по формуле (7).
,
(7)
где: n - число полос движения, ед;
N - суммарная интенсивность движения по проектируемой автомобильной дороге, прив.авт./ч.
z - коэффициент загрузки дороги движением;
P - пропускная способность полосы движения, прив. авт./ч.
6.4.2 Общее количество полос допускается определять по таблице 13 [7].
Таблица 13
|
Рельеф местности |
Интенсивность движения, приведенных ед./сут |
Количество полос движения |
|
Равнинный и пересеченный |
14001 - 40000 |
4 |
|
40001 - 80000 |
6 | |
|
Св. 80000 |
8 | |
|
Горный |
14001 - 34000 |
4 |
|
34001 - 70000 |
6 | |
|
Св. 70000 |
8 |
6.4.3 Ширину полос движения на автомобильных дорогах I - II категорий в условиях наличия в составе транспортного потока менее 30% грузовых автомобилей рекомендуется назначать по таблице 14. При наличии в составе транспортного потока более 30% грузовых автомобилей, ширину всех полос принимают равной 3, 75 м.
Таблица 14
|
Категория дороги |
Расчетная скорость движения, км/ч |
Ширина полосы движения, м, на полосе (от обочины) | |||
|
1 |
2 |
3 |
4 | ||
|
4 полосы в одном направлении
| |||||
|
IА |
150 |
3, 75 | |||
|
IА, IБ, IВ |
60, 80, 100, 120 |
3, 75 |
3, 75 |
3, 50 |
3, 50 |
|
3 полосы в одном направлении
| |||||
|
IА |
150 |
3, 75 | |||
|
IА, IБ, IВ |
60, 80, 100, 120 |
3, 75 |
3, 75 |
3, 50 |
- |
|
2 полосы в одном направлении
| |||||
|
IА |
150 |
3, 75 | |||
|
IА, IБ, IВ |
60, 80, 100, 120 |
3, 75 |
3, 75 |
- |
- |
|
1 полоса в одном направлении
| |||||
|
II |
60, 100, 120 |
3, 75 |
- |
- |
- |
Ширину полос движения на автомобильных дорогах III-V категорий назначают по таблице 15.
Таблица 15
|
Категория дороги |
III |
IV |
V |
|
Ширина полосы движения, м |
3, 5 |
3, 0 |
4, 5 |
6.4.4 При необходимости индивидуального технико-экономического обоснования ширины полосы движения производится ее расчет. Расчет ширины полосы движения производят с учетом принятого расчетного автомобиля, который рекомендуется устанавливать:
- для двухполосных автомобильных дорог - грузовой;
- для автомагистралей и скоростных автомобильных дорог - по таблице 14.
6.4.5 При количестве грузовых автомобилей в составе транспортного потока более 30% - ширину всех полос движения рассчитывают на движение грузового автомобиля.
Таблица 16
|
Общее количество полос в двух направлениях |
Рекомендуемый расчетный автомобиль на полосе движения (от обочины) Г - грузовой, Л - легковой | |||
|
1 |
2 |
3 |
4 | |
|
4 |
Г |
Г |
- |
- |
|
6 |
Г |
Г |
Л |
- |
|
8 |
Г |
Г |
Л |
Л |
6.4.6 В процессе движения автомобиль движется по некоторой синусоидальной линии и занимает на дороге полосу несколько шире геометрических габаритов автомобиля. Отклонение траектории движения от прямой тем больше, чем выше скорость движения. С учетом этого водители стремятся выдержать определенный зазор между встречным (попутным) автомобилем, а также кромкой проезжей части. По результатам наблюдений установлены зависимости, характеризующие величину этих зазоров.
6.4.7 Определение ширин полос движения производят с учетом следующих положений:
- Ширину полосы движения двухполосной автомобильной дороги рассчитывают по формуле (8):
,
(8)
где
- ширина полосы движения, м;
A - ширина расчетного транспортного средства, принимаемая по таблице 22;
x, y - зазоры безопасности, м (см. рисунок 7).
x=0, 3+0, 005ν,
(9)
y=0, 5+0, 005ν,
(10)
где v - расчетная скорость движения, км/ч.
- Ширину крайней левой и крайней правой полосы многополосной дороги рассчитывают по формулам (11) и (12) соответственно:
,
(11)
,
(12)
где D - зазор безопасности на многополосных проезжих частях, м (см. рисунок 7).
6.4.8 При наличии вдоль крайней левой или правой полосы бортовых камней, а также барьерных ограждений, ширину такой полосы рассчитывают в соответствии с формулой (12). Ширину внутренней полосы движения многополосной автомобильной дороги рассчитывают по формуле (13):
,
(13)
где D - зазор безопасности на многополосных проезжих частях, м.
6.4.9 Окончательно ширину проезжей полосы движения принимают округляя полученное расчетом значение Впд до ближайшего значения, кратного 0, 25 м. Полученные расчетом значения ширин полос движения большие Bпд = 3, 75 м ограничивают этой величиной.

Рисунок 7 - Схема к определению ширин полос движения многополосных проезжих частей
Таблица 17
|
Расчетный автомобиль |
Значение зазора безопасности, D, м |
|
Легковой - легковой |
0, 9 |
|
Легковой - грузовой |
1, 0 |
|
Грузовой - грузовой |
1, 1 |
6.4.10 Общую ширину проезжей части устанавливают на основании данных о ширине полос движения и их количестве по формуле (14):
,
(14)
где B - общая ширина проезжей части, м;
Вiп.д. - ширина полосы движения i - ого ряда движения, м;
6.4.11 Полосы движения двухполосных дорог в пределах вертикальной вогнутой кривой, сопрягающей смежные участки с алгебраической разностью продольных уклонов 60 промилле и более следует уширять для дорог:
- II и III технических категорий на 0, 5 м;
- IV и V технических категорий на 0, 25 м.
6.5.1 На прямых участках дороги в плане поперечный профиль проезжей части принимают двухскатным с уклонами от оси проезжей части. Поперечные уклоны проезжей части для покрытий с усовершенствованным типом дорожных одежд, кроме участков кривых в плане, на которых предусматривается устройство виражей, принимают в зависимости от числа полос движения и климатических условий по таблице 18.
|
Категория дороги |
Поперечный профиль проезжей части |
Полоса движения |
Поперечный уклон в различных дорожно-климатических зонах, %о | ||||
|
I |
II и III |
IV |
V | ||||
|
I |
односкатный на каждом направлении движения |
Первая и вторая от разделительной полосы |
15 |
20 |
20 |
15 | |
|
Третья и последующие от разделительной полосы |
20 |
25 |
25 |
20 | |||
|
двускатный на каждом направлении движения |
Первая и вторая от оси проезжей части |
15 |
20 |
20 |
15 | ||
|
Третья и последующие от оси проезжей части |
20 |
25 |
25 |
20 | |||
|
II-IV |
двускатный |
каждая |
15 |
20 |
20 |
15 | |
6.6.1 Центральная разделительная полоса является элементом поперечного профиля автомобильных дорог I технической категории. Необходимость устройства центральных разделительных полос обусловлена необходимостью разделения встречных потоков транспорта высокой интенсивности, движущегося с большими скоростями.
6.6.2 Центральная разделительная полоса включает в себя две полосы безопасности шириной 1, 0 м и среднюю полосу, которая может иметь как твердое покрытие, которое рекомендуется устраивать при ширине таких полос менее 2, 0 м, так и одерновку (засев трав).
6.6.3 На центральной разделительной полосе возможно устройство: опор искусственных сооружений, опор дорожных знаков, ограждений, водосборных и водоотводных сооружений, устройств, препятствующих ослеплению водителей светом фар встречных автомобилей.
6.6.4 Ширину разделительной полосы между разными направлениями движения на дорогах IБ категории рекомендуется принимать равной - 5, 0 м, а на дорогах IА категории - 6, 0 м.
6.6.5 Ширину разделительной полосы допускается уменьшать до ширины, равной ширине полосы для установки ограждений плюс 2, 0 м на следующих участках автомобильных дорог:
- категории IВ;
- категорий IА и IБ, проложенных в горной местности, на искусственных сооружениях (мостов, путепроводах), при устройстве дорог в застроенных районах и т.п., при технико-экономическом обосновании.
6.6.6 Переход от уменьшенной ширины разделительной полосы к ширине полосы, принятой на дороге, следует осуществлять с обеих сторон с отгоном 100:1.
6.6.7 Разделительные полосы предусматривают с разрывами через 5-7 км для организации пропуска движения автотранспортных средств и для проезда специальных машин в периоды ремонта дорог. Величину разрыва устанавливают расчетом с учетом состава транспортного потока и радиуса поворота автомобиля или, если не производится расчет, величиной 30 м. В периоды, когда они не используются, их следует закрывать специальными съемными ограждающими устройствами.
6.6.8 Ширину разделительной полосы на участках дорог, где в перспективе может потребоваться увеличение числа полос движения принимают равной: не менее 13, 5 м - для дорог категории IA, не менее 12, 5 м - для дорог категории IБ.
6.6.9 Разделительную полосу допускается устраивать с вогнутым или выпуклым поперечным профилем, а также без поперечного уклона. Вогнутый поперечный профиль разделительной полосы рекомендуется принимать во всех случаях устройства двухскатного поперечного профиля проезжих частей, а также при одностороннем поперечном профиле проезжих частей автомагистрали, в зонах с осенне-весеннем и зимнем расчетном периоде. Выпуклый поперечный профиль и профиль без поперечного уклона можно устраивать: при ширине полосы до 5, 0 м, при наличии на разделительной полосе твердого покрытия, а также в районах с засушливым климатом. При уклоне поверхности разделительной полосы к середине предусматривают устройство специальных коллекторов для отвода воды.
6.6.10 Поперечные уклоны разделительной полосы с вогнутым и выпуклым поперечным профилем принимаются 20-50%о при устройстве твердого покрытия, и 100-150%о при укреплении засевом трав и одерновкой.
6.7.1 С целью повышения скоростей движения, пропускной способности, удобства и безопасности движения по автомобильных дорогам, их проезжую часть сопрягают с земляным полотном при помощи укрепленных обочин. В неблагоприятных грунтово-гидрологических условиях укреплением обочин защищают земляное полотно от проникновения поверхностных вод, предохраняют проезжую часть дороги от разрушения и загрязнения. Укреплением обочин обеспечивают более полный перенос снега в зимний период, облегчают содержание дороги, а также организацию движения при проведении на проезжей части ремонтных работ.
6.7.2 По своему назначению обочины (по ширине) разделяют на:
- краевую полосу, служащую упором для дорожной одежды проезжей части дороги;
- укрепленную часть обочины, вместе с краевой полосой образующую остановочную полосу, предназначенную для вынужденной остановки автомобилей. К ней относятся также специально устраиваемые на обочине или выносном участке для этой же цели остановочные площадки;
- грунтовую часть обочины, не имеющей дорожной одежды и служащую переходной зоной от обочины к откосу.

Рисунок 8 - основные элементы обочины: КП - краевая полоса; УО - укрепленная часть обочины; НО - неукрепленная часть обочины; ШО - общая ширина обочины; ПЧ - проезжая часть.
6.7.3 Ширины обочин принимают в соответствии с данными таблицы 19.
Таблица 19
|
Элемент поперечного профиля |
Категория автомобильной дороги | |||||||
|
А |
Б |
В |
I |
II |
V | |||
|
Ширина обочины, м |
3, 75 |
3, 75/ 3, 5 |
, 5 |
, 75 | ||||
|
Ширина укрепленной части обочины (стояночной полосы) |
Всего |
2, 5 |
, 0 |
, 5 | ||||
|
В том числе краевой полосы |
0, 75 |
0, 5 | ||||||
|
Примечание - значения даны: в числителе - для обычных условий проектирования, в знаменателе - для стесненных. | ||||||||
6.7.4 Поперечные уклоны обочин при двускатном поперечном профиле принимают на 10 - 30%о больше поперечных уклонов проезжей части. В зависимости от климатических условий и типа укрепления обочин допускаются следующие величины поперечных уклонов:
- 30 - 40%о - при укреплении с применением вяжущих;
- 40 - 60%о - при укреплении гравием, щебнем, шлаком или замощении каменными материалами и бетонными плитами;
- 50 - 60%о - при укреплении дернованием или засевом трав.
6.7.5 Для районов с небольшой продолжительностью снегового покрова и отсутствием гололеда для обочин, укрепленных дернованием, может быть допущен уклон 50-80%о. При устройстве земляного полотна из крупно - и среднезернистых песков, а также из тяжелых суглинистых грунтов и глин уклон обочин, укрепленных засевом трав, допускается принимать равным 40%о.
6.8.1 Крутизну откосов насыпей высотой до 3 м на дорогах категорий I - III назначают с учетом обеспечения безопасного съезда транспортных средств в аварийных ситуациях, как правило, не круче 1:4, а для дорог остальных категорий при высоте откоса насыпи до 2 м - не круче 1:3. Поверхность откоса должна быть ровной.
6.8.2 На откосе и в пределах полосы отвода на расстоянии 15 м от кромки проезжей части следует удалить все предметы или сооружения, с которыми может столкнуться автомобиль, съезжающий с дороги.
6.8.3 Пологие откосы способствуют беспорядочному съезду и въезду автомобилей на дорогу, места которых концентрируются на участках, проходящих вдоль сельскохозяйственных угодий, живописных мест, населенных пунктов. Для предотвращения этого на перечисленных участках необходимо особенно тщательно учитывать схему местных дорог и организацию подъездов, а при необходимости устраивать ограждения.
6.8.4 На участках ценных земель, а также на насыпях высотой более 3 м (на прочном основании) крутизну откосов назначают в соответствии с таблицей 20 с разработкой мероприятий по обеспечению безопасности движения (Раздел 8).
Таблица 20
|
Грунты насыпи |
Наибольшая крутизна откосов при высоте откоса насыпи, м | ||
|
До 6 |
До 12 | ||
|
в нижней части (0 - 6) |
в верхней части (6 - 12) | ||
|
Глыбы из слабовыветривающихся пород |
1:1 - 1:1, 3 |
1:1, 3 - 1:1, 5 |
1:1, 3 - 1:1, 5 |
|
Крупнообломочные и песчаные (за исключением мелких и пылеватых песков) |
1:1, 5 |
1:1, 5 |
1:1, 5 |
|
Песчаные мелкие и пылеватые, глинистые и лессовые |
1:1, 5 ----- 1:1, 75 |
1:1, 75 ------ 1:2 |
1:1, 5 ------- 1:1, 75 |
|
Примечания 1 В числителе даны значения для пылеватых разновидностей грунтов в дорожно-климатических зонах II и III и для одноразмерных мелких песков. 2 Высота откоса насыпи определяется разностью отметок верхней и нижней бровок откоса. При наличии косогорности высота откоса насыпи определяется разностью отметок верхней и нижней бровок низового откоса. 3 Наибольшую крутизну откоса насыпей из мелких барханных песков в районах с засушливым климатом назначают 1:2 независимо от высоты. | |||
6.8.5 Крутизна откосов насыпей, приведенная в пунктах 7.2.3 и 7.2.4 предполагает их укрепление методом травосеяния или одерновки. При применении более капитальных методов укрепления, например, с использованием геосинтетических материалов, крутизна может быть увеличена при соответствующем обосновании.
6.8.6 В случае слабых оснований, использования в насыпях глинистых грунтов повышенной влажности, а также в случае подтопляемых насыпей, конструкцию поперечного профиля насыпи назначают на основе расчетов или проверяют расчетом возможность применения типового поперечного профиля.
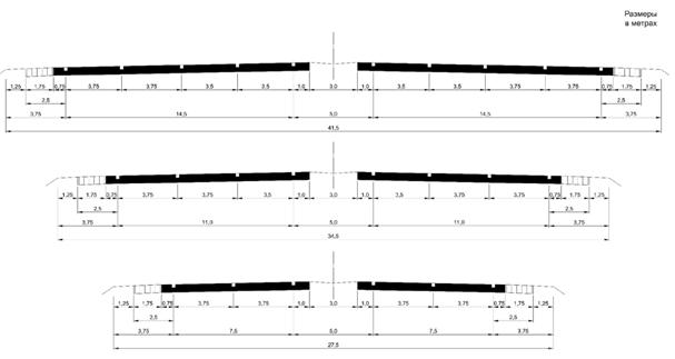
6.9.1 Поперечные профили автомобильных дорог различной технической категории приведены на рисунках 9 - 15. При наличии вдоль обочины барьерных ограждений, поперечный профиль следует проектировать в соответствии с узлом - рисунок 16.

Рисунок 9 - Типовые поперечные профили дорог категории IА для расчетной скорости - 150 км/ч: (а) - без ограждений, (б) - с ограждением (конструкция ограждения показана условно)

Рисунок 10 - Типовые поперечные профили дорог категории IА для расчетной скорости - 60-120 км/ч без ограждений

Рисунок 11 - Типовые поперечные профили дорог категории IА для расчетной скорости - 60-120 км/ч с ограждением (конструкция ограждения показана условно)

Рисунок 12 - Типовые поперечные профили дорог категории IБ - без ограждений

Рисунок 13 - Типовые поперечные профили дорог категории IБ - с ограждением
(конструкция ограждения показана условно)

Рисунок 14 - Типовые поперечные профили дорог категории IВ

Рисунок 15 - Типовые поперечные профили дорог категорий: (а) - II; (б) - III; (в) - IV; (г) - V

Рисунок 16
6.10.1 К обустройству дорог относятся технические средства организации дорожного движения (ограждения, знаки, разметка, направляющие устройства, сети освещения, светофоры, системы автоматизированного управления движением), озеленение, малые архитектурные формы.
6.10.2 Дорожные ограждения применяют в зависимости от назначения ограждений, их расположения, принципа работы. Ограждение должно соответствовать требованиям к уровню удерживающей способности, который выбирают с учетом степени сложности дорожных условий, а также прогибу, рабочей ширине и минимальной высоте.
6.10.3 Ограждения первой группы должны устанавливаться на обочинах участков автомобильных дорог категорий I-IV:
- проходящих по насыпям крутизной откоса 1:3 и более в соответствии с требованиями, приведенными в таблице 21;
- расположенных параллельно железнодорожным линиям, болотам типа III и водным потокам глубиной 2 м и более, оврагам и горным ущельям на расстоянии до 25 м от кромки проезжей части при перспективной интенсивности движения не менее 4000 приведенных ед/сут и до 15 м при перспективной интенсивности менее 4000 приведенных ед/сут;
- пролегающих на склонах местности крутизной более 1:3 (со стороны склона) при перспективной интенсивности движения не менее 4000 приведенных ед/сут;
- с пересечениями и примыканиями в разных уровнях;
- с недостаточной видимостью при изменении направления дороги в плане.
Таблица 21
|
Участки автомобильных дорог |
Продольный уклон, %о |
Перспективная интенсивность движения, приведенных ед/сут, не менее |
Минимальная высота насыпи, м |
|
Прямолинейные, кривые в плане радиусом более 600 м |
До 40 |
2000 |
3, 0 |
|
Кривые в плане радиусом менее 600 м на спуске или после него с внутренней стороны |
- |
1000 |
4, 0 |
|
Прямолинейные, кривые в плане радиусом более 600 м |
40 и более |
2000 |
2, 5 |
|
Кривые в плане радиусом менее 600 м на спуске или после него с внутренней стороны |
- |
1000 |
3, 5 |
|
С внешней стороны кривых в плане радиусом менее 600 м на спуске или после него |
До 40 |
2000 |
2, 5 |
|
С внешней стороны кривых в плане радиусом менее 600 м после спуска |
- |
1000 |
3, 5 |
|
На вогнутых кривых в продольном профиле, сопрягающих встречные уклоны с алгебраической разностью до 50%о |
- |
2000 |
2, 5 |
|
На вогнутых кривых в продольном профиле, сопрягающих встречные уклоны с алгебраической разностью более 50%о |
- |
1000 |
3, 5 |
|
С внешней стороны кривых в плане радиусом менее 600 м на спуске |
40 и более |
2000 |
2, 0 |
|
С внешней стороны кривых в плане радиусом менее 600 м после спуска |
- |
1000 |
3, 0 |
6.10.4 Предусматривают ограждение опор путепроводов, консольных и рамных опор информационно-указательных дорожных знаков, опор освещения и связи, расположенных на расстоянии менее 4 м от кромки проезжей части. На обочинах дорог ограждения первой группы должны быть расположены на расстоянии не менее 0, 5 м и не более 0, 85 м от бровки земляного полотна в зависимости от жесткости конструкции дорожных ограждений.
6.10.5 На разделительных полосах дорог категории I ограждения первой группы должны устанавливаться с учетом условий, указанных в таблице 22.
Таблица 22
|
Число полос движения в обоих направлениях |
Опасные препятствия на разделительной полосе |
Перспективная интенсивность движения, приведенных ед/сут, при ширине разделительной полосы, м, не менее | |
|
3-4 |
5-6 | ||
|
4 |
Отсутствуют |
30000 |
40000 |
|
Имеются |
20000 |
30000 | |
|
6 |
Отсутствуют |
40000 |
60000 |
|
Имеются |
30000 |
50000 | |
6.10.6 На разделительной полосе ограждения первой группы должны быть расположены по ее оси, а при наличии опасных препятствий - вдоль оси разделительной полосы на расстоянии не менее 1 м от кромки проезжей части. При ширине разделительной полосы более 3 м рекомендуется применять барьерные двусторонние металлические ограждения, а при ширине 3 м и менее - железобетонные ограждения парапетного типа.
6.10.7 При необходимости отклонения линии ограждения в плане его следует выполнять с отгоном не менее 10:1.
6.10.8 Ограждения второй группы должны:
- устанавливаться на разделительной полосе дорог категории I напротив автобусных остановок с пешеходными переходами (в том числе подземными и надземными) в пределах всей длины остановки и на протяжении не менее 20 м в каждую сторону за пределы ее границ;
- располагаться по оси разделительной полосы, а при наличии опор путепроводов, освещения, консольных и рамных опор информационно-указательных дорожных знаков - вдоль оси разделительной полосы на расстоянии не менее 1 м от кромки проезжей части для сеток и не менее 0, 5 м для ограждений перильного типа.
6.10.9 Автомобильные дороги категории I, а также опасные участки дорог категорий II-V, когда не требуются искусственное освещение и установка ограждений первой группы, должны быть оборудованы направляющими устройствами в виде отдельно стоящих сигнальных столбиков.
6.10.10 Сигнальные столбики на обочинах дорог категорий II-V устанавливают:
- в пределах кривых в продольном профиле и на подходах к ним при высоте насыпи не менее 2 м и интенсивности движения не менее 2000 приведенных ед/сут;
- в пределах кривых в плане и на подходах к ним при высоте насыпи не менее 1 м;
- на прямолинейных участках дорог при высоте насыпи не менее 2 м и интенсивности движения не менее 2000 приведенных ед/сут через 50 м;
- в пределах кривых на пересечениях и примыканиях дорог в одном уровне для внешней стороны кривой;
- на дорогах, расположенных на расстоянии менее 15 м от болот и водотоков глубиной от 1 до 2 м;
- у мостов и путепроводов;
- у водопропускных труб.
6.10.11 На дорогах категории I сигнальные столбики следует устанавливать:
- между развязками на всем протяжении участков дорог, не имеющих ограждающих устройств проезжей части;
- в пределах закруглений с двух сторон съездов.
6.10.12 Применение дорожных знаков должно соответствовать требованиям ГОСТ Р 52289.
6.10.13 Применение дорожной разметки должно соответствовать требованиям ГОСТ Р 52289.
6.10.14 Применение элементов обустройства должно соответствовать ГОСТ 33151, объектов дорожного сервиса ГОСТ 33062-2014.
6.11.1 Стационарное электрическое освещение на автомобильных дорогах следует предусматривать на участках в пределах населенных пунктов, а при наличии возможности использования существующих электрических распределительных сетей - также на больших мостах, автобусных остановках, пересечениях дорог I и II категорий между собой и с железными дорогами, на всех соединительных ответвлениях узлов пересечений и на подходах к ним на расстоянии не менее 250 м, на кольцевых пересечениях и на подъездных дорогах к промышленным предприятиям или их участках при соответствующем технико-экономическом обосновании. Если расстояние между соседними освещаемыми участками составляет менее 250 м, рекомендуется устраивать непрерывное освещение дороги, исключающее чередование освещенных и неосвещенных участков. Вне населенных пунктов средняя яркость покрытия участков автомобильных дорог, в том числе больших и средних мостов, должна быть 0, 8 кд/м на дорогах I категории, 0, 6 кд/м на дорогах II категории, а на соединительных ответвлениях в пределах транспортных развязок - 0, 4 кд/м2. Отношение максимальной яркости покрытия проезжей части к минимальной не должно превышать 3:1 на участках дорог I категории, 5:1 на дорогах остальных категорий. Показатель ослепленности установок наружного освещения не должен превышать 150. Средняя горизонтальная освещенность проездов длиной до 60 м под путепроводами и мостами в темное время суток должна быть 15 лк, а отношение максимальной освещенности к средней - не более 3:1.
6.11.2 Освещение участков автомобильных дорог в пределах населенных пунктов следует выполнять в соответствии с требованиями СП 52.13330, а освещение автодорожных тоннелей - в соответствии с требованиями СП 122.13330.
6.11.3 Осветительные установки пересечений автомобильных и железных дорог в одном уровне должны соответствовать нормам искусственного освещения, регламентируемым системой стандартов безопасности труда на железнодорожном транспорте.
6.11.4 Опоры светильников на дорогах следует, как правило, располагать за бровкой земляного полотна. Допускается располагать опоры на разделительной полосе шириной не менее 5 м с установкой ограждений.
6.11.5 В необходимых случаях для автомобильной дороги должна быть предусмотрена защита участков дороги от опасных геологических процессов (оползней, обвалов, селей, водной и ветровой эрозии и т.п. ). При этом следует руководствоваться положениями СП 116.13330.
7.1.1 Продольный профиль представляет собой проекцию оси автомобильной дороги на параллельную ей вертикальную поверхность. Проектирование проектной линии выполняют по принципу обертывающей или пользуются принципом секущей.
7.1.2 При проведении красной линии по способу секущей стремятся по возможности уравновесить объемы находящихся по соседству насыпей и выемок; это дает экономию на земляных работах, так как позволит использовать грунт из выемок (в зависимости от его качества) для отсыпки насыпей.
7.1.3 Если способ секущей полностью выдержать не удается, то земляное полотно лучше устраивать в форме насыпи, так как выемки в зимнее время во многих районах подвержены снежным заносам.
7.1.4 Условный план помогает увязать продольный профиль не только с поперечными профилями отдельных точек трассы, но и с ее положением в плане.
7.1.5 План и продольный профиль автомобильных дорог рекомендуется проектировать из условий наименьшего ограничения и изменения скорости движения транспортного потока, обеспечения безопасности, удобства движения, возможной реконструкции дороги за пределами перспективного периода.
7.1.6 Параметры геометрических элементов автомобильных дорог должны обеспечивать безопасное, удобное и комфортное движение транспортных средств: для одиночных автомобилей - с расчетными скоростями, для транспортного потока - с расчетной скоростью организации движения транспортного потока.
7.1.7 При проектировании автомагистралей, скоростных дорог, автомобильных дорог обычного типа I - IV категорий, проектные решения принимаются с учетом оценки по показателям скорости, безопасности движения и пропускной способности с учетом движения транспортного потока, в том числе в неблагоприятные периоды года.
7.1.8 Продольный профиль оформляют в соответствии с ГОСТ 21.701.
7.2.1 На начальных этапах проектирования необходимо определить руководящую отметку руководствуясь минимальным возвышением насыпи из условия сохранения воднотеплового режима земляного полотна и/или условия снегонезаносимости.
7.2.2 Поскольку сопротивление грунта сильно меняется при колебаниях влажности, для надежной работы дорожной одежды необходимо обеспечивать постоянство водного режима земляного полотна в течении всего года. Источники увлажнения верхних слоев земляного полотна и продолжительность их действия зависят от гидрологических условий и климата. Поэтому минимальное возвышение земляного полотна над источниками увлажнения в разных дорожно-климатических зонах не одинаковое.
7.2.3 Для обеспечения устойчивости и прочности рабочего слоя земляного полотна и дорожной одежды возвышение поверхности покрытия над расчетным уровнем грунтовых вод, верховодки или длительно (более 30 суток) стоящих поверхностных вод, а также над поверхностью земли на участках с необеспеченным поверхностным стоком или над уровнем кратковременно (менее 30 суток) стоящих поверхностных вод должно соответствовать требованиям таблицы 23.
7.2.4 При невозможности или нецелесообразности обеспечения требуемого возвышения должны быть предусмотрены специальные меры по регулированию водно-теплового режима рабочего слоя (замена грунта, устройство прослоек, в том числе из геосинтетических материалов, и т.п. ), обосновываемых соответствующими расчетами.
Таблица 23
|
Грунт рабочего слоя |
Наименьшее возвышение поверхности покрытия, м, в пределах дорожно-климатических зон | |||
|
II |
III |
IV |
V | |
|
Песок мелкий, супесь легкая крупная, супесь легкая |
1, 1 --- 0, 9 |
0, 9 --- 0, 7 |
0, 75 ---- 0, 55 |
0, 5 --- 0, 3 |
|
Песок пылеватый, супесь пылеватая |
1, 5 --- 1, 2 |
1, 2 --- 1, 0 |
1, 1 --- 0, 8 |
0, 8 --- 0, 5 |
|
Суглинок легкий, суглинок тяжелый, глины |
2, 2 --- 1, 6 |
1, 8 --- 1, 4 |
1, 5 --- 1, 1 |
1, 1 --- 0, 8 |
|
Супесь тяжелая пылеватая, суглинок легкий пылеватый, суглинок тяжелый пылеватый |
2, 4 --- 1, 8 |
2, 1 --- 1, 5 |
1, 8 --- 1, 3 |
1, 2 --- 0, 8 |
|
Примечание - Над чертой - возвышение поверхности покрытия над уровнем грунтовых вод, верховодки или длительно (более 30 суток) стоящих поверхностных вод, под чертой - то же, над поверхностью земли на участках с необеспеченным поверхностным стоком или над уровнем кратковременно (менее 30 суток) стоящих поверхностных вод | ||||
7.2.5 Необходимое возвышение земляного полотна обусловлено также высотой снежного покрова. Высоту насыпи на участках дорог, проходящих по открытой местности, по условию снегонезаносимости во время метелей определяют расчетом по формуле (15):
h=hs+Δh,
(15)
где h - высота незаносимой насыпи, м;
hs - расчетная высота снегового покрова в месте, где возводится насыпь, с вероятностью превышения 5%, м (при отсутствии указанных данных допускается упрощенное определение hs по метеорологическим справочникам);
Δh - возвышение бровки насыпи над расчетным уровнем снегового покрова, необходимое для обеспечения ее незаносимости, м.
Примечание - В случаях, когда Δh оказывается меньше возвышения бровки насыпи над расчетным уровнем снегового покрова по условиям снегоочистки Δh, в формулу вместо Δh вводится Δhs.
7.2.6 Возвышение бровки насыпи над расчетным уровнем снегового покрова необходимо назначать, не менее:
- 1, 2 м для дорог категории I;
- 0, 7 м для дорог категории II;
- 0, 6 м для дорог категории III;
- 0, 5 м для дорог категории IV;
- 0, 4 м для дорог категории V.
7.2.7 В районах, где расчетная высота снегового покрова превышает 1 м, необходимо проверять достаточность возвышения бровки насыпи над снеговым покровом по условию беспрепятственного размещения снега, сбрасываемого с дороги при снегоочистке, используя формулу (16):
Δhsc=0, 375 hsB/a,
(16)
где Δhsc - возвышение бровки насыпи над расчетным уровнем снегового покрова по условиям снегоочистки, м;
B - ширина земляного полотна, м;
a - расстояние отбрасывания снега с дороги снегоочистителем, м; для дорог с регулярным режимом зимнего содержания допускается принимать α = 8 м.
7.3.1 При нормировании величины продольного уклона исходят не из расчетных скоростей, которые даже на подъемах средней крутизны могут развивать только некоторые типы автомобилей, а из соображений минимума суммарных затрат на строительство дороги и на эксплуатацию автомобильного транспорта на построенной дороге. Таким образом, нормирование величины продольного уклона - задача технико-экономическая.
7.3.2 Оптимальное значение продольного уклона соответствует минимуму суммарных затрат и тем меньше, чем выше расчетная интенсивность движения (рисунок 17).

1 - строительные расходы на один автомобиль за срок окупаемости; 2 - эксплуатационные расходы на один автомобиль; 3 - суммарные затраты на один автомобиль за срок окупаемости
Рисунок 17 - Схема к обоснованию значений продольных уклонов
7.3.3 На дорогах низких категории? с невысокой интенсивностью движения возможно назначать большие продольные уклоны, т.к. удельные строительные затраты превышают эксплуатационные затраты на проезд одного автомобиля. На дорогах высоких категорий рекомендуется назначать небольшие продольные уклоны, ввиду того, что эксплуатационные затраты превышают удельные строительные затраты.
7.3.4 При назначении продольного уклона в соответствии с требованиями нормативных документов в качестве основного рекомендуется принимать продольные уклоны - не более 30%о.
7.3.5 Если по условиям местности не представляется возможным выполнить это требование или выполнение его связано со значительными объемами работ и стоимостью строительства дороги, при проектировании допускается снижать нормы на основе технико-экономического сопоставления вариантов. При этом предельно допустимые нормы надлежит принимать по таблице 24 исходя из расчетных скоростей движения по категориям дорог.
Таблица 24
|
Расчетная скорость, км/ч |
Наибольшие продольные уклоны, %о |
|
150 |
30 |
|
120 |
40 |
|
100 |
50 |
|
80 |
60 |
|
60 |
70 |
|
50 |
80 |
|
40 |
90 |
|
30 |
100 |
7.3.6 В особо трудных условиях горной и пересеченной местности (за исключением мест с абсолютными отметками более 3000 м над уровнем моря) для участков протяженностью до 500 м при обосновании допускается увеличение значений наибольших продольных уклонов, приведенных в таблице 24, но не более чем на 20%.
7.3.7 Наибольшие продольные уклоны на участках кривых в плане малых радиусов следует уменьшать согласно таблице 25.
Таблица 25
|
Радиус кривой в плане, м |
50 |
45 |
40 |
35 |
30 |
|
Уменьшение наибольших продольных уклонов по сравнению с указанными в таблице 19, %о, не менее |
10 |
15 |
20 |
25 |
30 |
7.3.8 Длину участка с затяжным уклоном определяют в зависимости от величины уклона, но она не должна превышать значений, приведенных в таблице 26 [12].
Таблица 26
|
Продольный уклон, %о |
Длина участка, м, при высоте над уровнем моря, м | |||
|
1000 |
2000 |
3000 |
4000 | |
|
60 |
2500 |
2200 |
1800 |
1500 |
|
70 |
2200 |
1900 |
1600 |
1300 |
|
80 |
2000 |
1600 |
1500 |
1100 |
|
90 |
1500 |
1200 |
1000 |
- |
7.3.9 При более длинных затяжных уклонах необходимо включение в продольный профиль участков с уменьшенными продольными уклонами (20%о и менее), а также площадок для остановки автомобилей с расстоянием между ними не более длин участков, указанных в таблице 27.
Таблица 27
|
Рельеф местности |
Продольный уклон, %о | |||||
|
40 |
50 |
60 |
70 |
80 |
90 | |
|
Предельная длина участка с затяжным уклоном, м | ||||||
|
Равнинный и слабохолмистый |
600 |
400 |
300 |
250 |
200 |
150 |
|
Сильно пересеченный |
1500 |
1200 |
700 |
500 |
400 |
350 |
7.3.10 Размеры площадок для остановки автомобилей определяются расчетом, но должны назначаться не менее чем на 3 -5 грузовых автомобилей, а выбор места их расположения определяют из условий безопасности стоянки, исключающей возможность появления осыпей, камнепадов и, по возможности, у источников воды.
7.4.1 Переломы проектной линии в продольном профиле следует сопрягать вертикальными кривыми.
7.4.2 Переломы продольного профиля рекомендуется располагать в пределах кривых в плане. Расстояния между переломами продольного профиля должны обеспечивать вписывание двух соседних вертикальных кривых. Для улучшения условий видимости направления трассы кривые в плане должны начинаться раньше кривых в продольном профиле.
7.4.3 Величина алгебраической разности уклонов зависит от знака уклона и его величины. При разных знаках это сумма абсолютных величин. При одинаковых знаках уклонов, это разность между большим и меньшим значением уклонов. По установленному значению радиуса вертикальной кривой вычисляют значения всех остальных ее параметров:
;
(17)
;
(18)
,
(19)
где K - длина кривой, принимаемая при расчете равной ее горизонтальной проекции, м;
- алгебраическая разность уклонов, доли единиц;
T - тангенс вертикальной кривой (горизонтальная проекция расстояния от вершины до начала или конца кривой), м.
7.4.4 Минимальные радиусы выпуклых вертикальных кривых определяют из условий обеспечения расчетной видимости поверхности дороги водителем автомобиля, движущегося с расчетной скоростью (рисунок 18).

Рисунок 18 - Схема к расчету радиуса вертикальной выпуклой кривой из условия видимости
;
(20)
где Sn - расчетное расстояние видимости дороги в метрах, определяемое в соответствие с расчетной скоростью автомобильной дороги или участка дороги;
h1 - высота глаза водителя над проезжей частью дороги (принимается равной 1, 0 м);
h2 - высота препятствия, видимость которого должна быть обеспечена (принимается равной 0, 2 м).
7.4.5 Минимальный радиус вогнутой вертикальной кривой определяется из условия обеспечения видимости поверхности дороги в свете фар автомобиля, двигающегося в темное время суток с расчетной скоростью (рисунок 19).

Рисунок 19 - Схема к расчету радиуса вертикальной вогнутой кривой

(21)

(22)
где: Sn - расчетное расстояние видимости поверхности дороги в метрах, определяемое в соответствие с расчетной скоростью автомобильной дороги или участка дороги по формуле выше;
hф - возвышение центра фар автомобиля над поверхностью проезжей части, принимается для легкового автомобиля 0, 7 м;
α - угол отклонения пучка света фар, принимается равной 1°.
7.4.6 При назначении параметров элементов продольного профиля автомобильных дорог в качестве основных параметров рекомендуется принимать:
для автомагистралей и скоростных дорог, автомобильных дорог категории II:
1) радиусы кривизны:
а) для кривых в продольном профиле:
- выпуклых - не менее 70000 м,
- вогнутых - не менее 8000 м;
2) длины криволинейных участков продольного профиля:
- непрерывно выпуклых - не менее 300 м,
- непрерывно вогнутых - не менее 100 м.
для автомобильных дорог обычного типа, кроме дорог категории II:
1) радиусы кривизны:
а) для кривых в продольном профиле:
- выпуклых - не менее 10000 м,
- вогнутых - не менее 3000 м;
2) длины криволинейных участков продольного профиля:
- непрерывно выпуклых - не менее 300 м,
- непрерывно вогнутых - не менее 100 м.
При этом следует обеспечить для кривых в профиле:
- расстояние видимости для остановки автомобилей - не менее 450 м;
- расстояние видимости встречного автомобиля - следует принимать в соответствии с таблицей 7.
7.4.7 Если по условиям местности не представляется возможным выполнить эти требования или выполнение их связано со значительными объемами работ стоимостью строительства дороги, допускается уменьшать параметры геометрических элементов до минимальных величин.
7.5.1 При назначении вертикальных вогнутых кривых необходимо выполнить проверку принятых радиусов на видимость препятствия за сооружениями, устраиваемыми над проезжей частью на расстоянии не меньшем расстояния до полной остановки автомобиля (рисунок 20). Проверку ведем по формулам (23) и (24).

Рисунок 20
При S<L:
;
(23)
При S>L:
;
(24)
Где:
L - длина вогнутой кривой, м;
S - расстояния до полной остановки автомобиля, м;
А - разность уклонов, %;
C - габарит по высоте проезжей части, м;
C = 5, 0 м (I и III техническая категория, 4.5 м для IV и V технических категорий);
h1 - высота глаз водителя грузового автомобиля, м.
h1 = 2, 4 м;
h2 - высота препятствия, м;
h2 = 0, 2 м;
Тогда зависимости (25) и (26) примут вид:
;
(25)
;
(26)
Таблица 28
|
N п/п |
Vp |
S, м |
A, % |
Потребная длина и радиус кривой при максимальной разности уклонов, м | |
|
L |
R | ||||
|
1 |
100 |
190 |
10 |
122 |
1219 |
|
2 |
80 |
135 |
12 |
74 |
615 |
|
3 |
60 |
85 |
14 |
34 |
244 |
|
4 |
40 |
50 |
18 |
15 |
84 |
|
5 |
30 |
35 |
20 |
9 |
41 |
7.5.2 Сравнение полученных результатов (таблица 28) с данными действующих нормативных документов ГОСТ 33375-2015 показывает, что требования к вертикальным вогнутым кривым по ГОСТ 33475-2015 обеспечивают видимость препятствия за сооружениями, устраиваемыми над проезжей частью на расстоянии не меньшем расстояния до полной остановки автомобиля.
7.5.3 При проектировании участков автомобильных дорог под искусственными сооружениями на участках вогнутых кривых их длину следует проверять на обеспечение расстояния видимости. По полученным формулам (23 - 26) значения длины вогнутой кривой устанавливается радиус продольной кривой по таблице 28.
7.5.4 Полученные данные по таблице 28 значения радиусов не должны превышать указанный в таблице 29 минимум размеров вогнутых кривых.
7.5.5 При проектировании плана и профиля следует учитывать возможность реконструкции трассы и не принимать минимально допустимые параметры трассы.
7.5.6 Если по условиям местности не представляется возможным выполнить данные требования или выполнение их связано со значительными объемами работ и стоимостью строительства дороги, при проектировании допускается снижать нормы на основе технико-экономического сопоставления вариантов. При этом предельно допустимые нормы надлежит принимать по таблице 29 исходя из расчетных скоростей движения по категориям дорог.
Таблица 29
|
Расчетная скорость, км/ч |
Наименьшие радиусы кривых, м | ||
|
в продольном профиле | |||
|
выпуклых |
вогнутых | ||
|
Основные |
В горной местности | ||
|
150 |
30000 |
8000 |
4000 |
|
120 |
15000 |
5000 |
2500 |
|
100 |
10000 |
3000 |
1500 |
|
80 |
5000 |
2000 |
1000 |
|
60 |
2500 |
1500 |
600 |
|
50 |
1500 |
1200 |
400 |
|
40 |
1000 |
1000 |
300 |
|
30 |
600 |
600 |
200 |
7.5.7 Минимальные радиусы вертикальной выпуклой кривой, необходимые по условиям видимости покрытия проезжей части для дорог с НИД, приведены в таблице 30.
|
Расчетная скорость, км/час |
В исключительных случаях |
Из условия обеспечения безопасности, удобства и комфортабельности движения |
Из условия обеспечения зрительной плавности и ясности дороги | |||
|
Минимальное расстояние видимости, м |
Минимальный радиус вертикальной выпуклой кривой, м |
Минимальное расстояние видимости, м |
Минимальный радиус вертикальной выпуклой кривой, м |
Минимальное расстояние видимости, м |
Минимальный радиус вертикальной выпуклой кривой, м | |
|
20 |
10 |
25 |
15 |
55 |
20 |
100 |
|
30 |
25 |
150 |
30 |
220 |
35 |
300 |
|
40 |
40 |
400 |
45 |
500 |
55 |
750 |
|
50 |
55 |
750 |
60 |
900 |
70 |
1200 |
|
60 |
80 |
1600 |
85 |
1800 |
115 |
3200 |
|
70 |
100 |
2500 |
110 |
3000 |
150 |
5500 |
|
80 |
125 |
3800 |
140 |
4800 |
175 |
7500 |
7.5.8 Недопустимы на участках прямых в плане длинные прямые вставки в продольном профиле. Их предельные длины приведены в таблице 31.
Таблица 31
|
Радиус вогнутой кривой в продольном профиле, м |
Алгебраическая разность продольных уклонов, %о | ||||||
|
20 |
30 |
40 |
50 |
60 |
80 |
100 | |
|
Наибольшая длина прямой вставки в продольном профиле, м | |||||||
|
Для дорог категорий I и II
| |||||||
|
4000 |
150 |
100 |
50 |
0 |
0 |
0 |
- |
|
8000 |
360 |
250 |
200 |
170 |
140 |
110 |
- |
|
12000 |
680 |
500 |
400 |
350 |
250 |
200 |
- |
|
20000 |
- |
- |
850 |
700 |
600 |
550 |
- |
|
25000 |
- |
- |
- |
- |
900 |
800 |
- |
|
Для дорог категорий III и IV
| |||||||
|
2000 |
120 |
100 |
50 |
0 |
0 |
0 |
0 |
|
6000 |
550 |
440 |
320 |
220 |
140 |
60 |
0 |
|
10000 |
- |
- |
680 |
600 |
420 |
300 |
200 |
|
15000 |
- |
- |
- |
- |
- |
800 |
600 |
7.5.9 При сопряжении выпуклой и вогнутой кривых в продольном профиле радиус выпуклой кривой не должен более чем в два раза превышать радиус вогнутой кривой.
7.5.10 Количество переломов в плане и профиле должно быть по возможности одинаковым. Дороги с частыми переломами продольного профиля на кривых и извилистые при постоянном уклоне продольного профиля небезопасны для движения (рисунки 21, 22).

Рисунок 21 - Обеспечение зрительной плавности дороги совмещением горизонтальных и вертикальных кривых

Рисунок 22 - Извилистость дороги, вызванная превышением числа углов поворота в плане над числом переломов в продольном профиле
7.5.11 Вершины кривых в плане и профиле рекомендуется совмещать. Кривые должны быть близкие друг другу по длине. Кривые в плане должны перекрывать выпуклые вертикальные кривые.
7.5.12 Недопустимы местные просадки продольного профиля, в которых теряется видимость поверхности дороги, а также местные взбугривания (рисунок 23).

Рисунок 23 - Нарушение зрительной ясности дороги
8.1.1 Полосы обгона применяются в основном на участках двухполосных дорог для улучшения условий движения по ним. Данный вид полос применяется в условиях равнинной или холмистой местности, при наличии большого процента грузовых транспортных средств в потоке, обгон которых без устройства специальных полос затруднен. Полосы обгона, как правило, не являются непрерывными и их применение в различных направлениях автомобильной дороги независимо. Назначение данного вида полос - улучшение уровня обслуживания в условиях интенсивности движения, которая еще не оправдывает расширение всей дороги до четырех полос. С точки зрения транспортных условий - обгон производится по левой полосе. Применение полос обгона оправдано в следующих случаях:
1. Недостаточно участков, разрешенных для обгона на двухполосной дороге.
2.Продолжающееся увеличение интенсивности приводит к ухудшению условий движения и снижению уровня обслуживания.
3. Изменения в сети дорог данного региона в скором времени приведут к увеличению потока на данном сегменте двухполосной дороги.
С точки зрения соотношения экономической эффективности стоит рассмотреть строительство полосы обгона в следующих случаях:
1. Резкое увеличение интенсивности движения в данном сегменте, увеличивающее вероятность образования длинных пачек транспортных средств.
2. Строительство полос обгона сможет отложить расширение сегмента дороги до четырех полос.
8.1.2 Отличие полос обгона от полос дополнительных полос на подъем:
- Полоса обгона назначается в зависимости от общего состояния длинного участка дороги, в то время, как дополнительная полоса на подъем назначается на основании расчета с учетом уклона участка дороги и его длины.
- Полосы обгона предназначены для всех типов автомобилей, в то время, как дополнительная полоса на подъем предназначена в основном для движения грузовых автомобилей.
8.1.3 Применение полос обгона призвано также повысить уровень безопасности и снизить количество аварий на двухполосных дорогах. С этой точки зрения, было бы разумным собрать статистику, включающую количество аварий на данном участке дороги, тип аварии, геометрические параметры дороги, влияющие на аварию, участок дороги, на котором произошла авария. На основании такой статистики будут понятны участки дорог, на которых введение полос обгона было бы целесообразным. Нельзя в данном вопросе полагаться только на данные об участках дороги с разрешенным обгоном, так как само разрешение обгона не дает полной картины безопасности движения на участке. Статистика говорит о том, что уменьшение процента участков с разрешенным обгоном, при тех же параметрах интенсивности приводит к увеличению аварийности на участке.
8.1.4 Следует применять данные виды полос на участках дорог без пересечений и примыканий в одном уровне. На подходе к пересечению рекомендуется вернуться к базовому поперечному сечению, который позволяет организовать стандартную схему пересечения, без создания дополнительных точек конфликта.
8.2.1 Интенсивности движения, при которых обосновано применение полос обгона приведены в таблице 32.
Таблица 32
|
Суточная интенсивность движения (в двух направлениях), прив. авт./ сут. при проценте грузовых автомобилей в потоке, % |
Процент длины участков обгона от общей длины дороги (%) | ||
|
20% и более |
10% - 20% |
Менее 10% | |
|
4300 |
5000 |
5700 |
70-100* |
|
3300 |
3700 |
4300 |
30-70 |
|
2500 |
2800 |
3100 |
10-30 |
|
1700 |
2000 |
2300 |
5-10 |
|
1100 |
1300 |
1500 |
0-5 |
|
700 |
800 |
900 |
0 |
|
* С устройством реверсивного движения по полосе обгона, чередуя направление движения по длине автомобильной дороги. | |||
8.2.2 Данное обоснование выполнено для интервала между полосами обгона на дороге в 3 -10 км. Обоснование основано на процентном соотношении участков с разрешенным обгоном к общей длине участка дороги, в зависимости от интенсивности движения по дороге и процента тяжелых транспортных средств в потоке. Рекомендуемые расстояния между участками с полосами обгона приведены в таблице 33. Желательно, чтобы общая длина участков ПО на данном сегменте не превышала 25% длины данного сегмента дороги.
Таблица 33
|
Суточная интенсивность движения (в двух направлениях), прив. авт./ сут. |
Рекомендуемые интервалы между полосами обгона (км) |
|
1001 - 3000 |
8 - 10 |
|
3001 - 5000 |
6, 5 - 8 |
|
5001 - 7000 |
4, 5 - 6, 4 |
|
7001 - 9000 |
4 - 4, 5 |
|
Более 9000 |
3 - 4 |
8.2.3 Длину зоны перехода от дополнительной полосы к основной проезжей части и обратно принимают в зависимости от скорости движения по правилам устройства переходно - скоростных полос.
8.3.1 Оптимальная длина полосы обгона (не включая отгоны) - 1500 - 2000 м. Такая длина дает достаточно возможностей для обгона. Включая обгон длинномерных автомобилей несколькими автомобилями подряд. Минимальная длина полосы обгона - 800 м.
8.3.2 Применение полос обгона следует осуществлять с каждого направления дороги в шахматном порядке. Не следует применять в параллельном режиме с обоих направлений, за исключением ситуации стесненных условий, где допускается "нахлест" участков завершения ПО с обеих сторон. Расположение ПО с двух сторон параллельно может дать водителю ощущения нахождения на 4-х полосной дороге, с разделенными проезжими частями и спровоцировать его на увеличение скорости, что нежелательно и небезопасно в условиях отсутствия разделительного барьера между направлениями движения.
9.1.1 Дополнительная полоса проезжей части на подъем предназначена для использования медленно движущимися транспортными средствами на участках автомобильных дорог с большими продольными уклонами. Основная потребность в данной полосе обусловлена тем, что на участках с высоким значением продольного уклона скорость транспортного средства значительно снижается, как результат, собираются очереди, вызывая задержки другим транспортным средствам. Эта задержка вызывает снижение способности участка уклона пропускать транспортные средства относительно пропускной способности всей дороги и снижения уровня обслуживание участка уклона по сравнению с уровнем обслуживания смежных плоских участков. Кроме того, существует опасность аварий из - за разницы скоростей между различными транспортными средствами и попыток обгона, в условиях ограниченного расстояния видимости.
9.1.2 Использование дополнительных полос проезжей части на подъем позволяет обеспечивать обгон медленного транспорта без конфликта с транспортом, идущим по встречной полосе движения. При прохождении грузовиками участков подъема его скорость постепенно снижается, по мере продвижения вперед и в зависимости от начальной скорости внизу подъема, от длины подъема и его уклона. На рисунке 25 показан график снижения скорости расчетного грузовика на подъеме, как функция длины и уклона подъема, для скорости грузового автомобиля в начале подъема - 90 км/ч. Снижение скорости рассчитано для расчетного грузового автомобиля, с минимальной удельной мощностью двигателя - 8, 0 лошадиных сил на 1000 кг максимального веса, включая разрешенную массу груза (5, 9 кВт/тонн).
9.2.1 Проверка необходимости устройства дополнительной полосы проезжей части на подъем на двухполосной автомобильной дороге производится на основании следующих критериев:
1. Интенсивность движения на автомобильной дороги не менее 2000 прив. авт. в сутки в обоих направлениях.
2. Длина подъема составляет не менее указанных в таблице 34 величин.
|
Уклон в промилле |
Минимальная длина дополнительной полосы проезжей части на подъем, м, при суточной интенсивности (прив. авт./сут) | |||
|
2000 |
6000 |
8000 |
12000 | |
|
40-50 |
Более 1000 |
1000 |
800 |
500 |
|
60-70 |
625 |
500 |
350 | |
|
80-90 |
440 |
300 |
220 | |
9.2.2 Метод измерения длины подъема - см. рисунок 24. Как правило, нет необходимости в дополнительной полосе проезжей части на подъем на участках подъема с уклоном менее 40%о и при длине подъема менее 500 м.

Рисунок 24 - Схема к определению длин участков уклонов для устройства дополнительной полосы проезжей части на подъем
9.3.1 Длинные участки подъемов на данном типе дорог приводят к меньшим задержкам, чем на двухполосных дорогах, в связи с возможностью обгона транспортных средств. Таким образом, необходимость устройства дополнительной полосы проезжей части на подъем (для четырехполосной дороги - третья полоса в одном направлении) появляется только при наличии высокой интенсивности, граничащей с пропускной способностью участка дороги и снижающей уровень обслуживания на участке уклона относительно других участков дороги.
9.3.2 Дополнительная полоса проезжей части на подъем на данной категории дорог устраивается при одновременном выполнении 2-х условий:
1. Уклон участка 40%о и более и длина участка соответствует приведенному в таблице 21 интенсивности движения - 8000 прив. авт/сут.
2. Значения часовой пиковой интенсивности в левой полосе должны быть выше значений, приведенных в таблице 35.
|
Уклон, промилле |
Часовая пиковая интенсивность в левой полосе (прив.ед.) | |
|
Автомагистраль |
Скоростная дорога | |
|
40 |
1900 |
2100 |
|
50-60 |
1800 |
2000 |
|
70-80 |
1700 |
1900 |
9.4.1 Дополнительную полосу следует начинать за 50-100 м до начала подъема и завершать за пределами подъема на расстоянии не менее приведенных в таблице 36.
Таблица 36
|
Интенсивность движения в сторону подъема, приведенная к легковому автомобилю, ед./сут. |
менее 4000 |
от 4000 до 5000 |
от 5000 до 8000 |
8000 и более |
|
Протяженность дополнительной полосы за пределами подъема, м |
50 |
100 |
150 |
200 |
9.4.2. В сложных условиях, при соответствующем технико-экономическом обосновании допускается устройство полос на подъем в соответствии с п. 9.4.3 - п. 9.4.5.
9.4.3 Начало дополнительной полосы проезжей части на подъем определяется длиной так называемого "критического участка", зависящей от уклона участка дороги (рисунок 25), являющейся расстоянием от начала подъема до точки, в которой скорость расчетного грузовика снижается на 20 км/ч от начальной - до 70 км/ч. Длины критического участка для различных уклонов подъема приведены в таблице 37. В точке, в которой расстояние от начала подъема равно длине критического участка, дополнительная полоса проезжей части на подъем должна быть выполнена в полную свою ширину.
9.4.4 Принимается следующее предположение при расчете: скорость вхождения грузовика в подъем соответствует разрешенной - 90 км/ч в случае уклона предыдущего участка менее 30%о. Если уклон предыдущего участка более 30%о (спуск), то снижение для расчета критического участка становится в этом случае - 30 км/ч. Если же на предшествующем подъему участке также существует подъем, начальная скорость определяется в соответствии с графиком на рисунке 25. В таком случае длина критического участка будет уменьшена. Для таких случаев следует определить значение снижения скорости на первом подъеме по графику, принять полученную скорость за начальную для второго подъема и продолжить определение снижения скорости для второго подъема, исходя из начальной скорости в конце первого подъема.
Таблица 37
|
Уклон, промилле |
Длина критического участка, м | |
|
После горизонтального участка (до 30%о) |
После участка спуска с уклоном более 3%о | |
|
40 |
400 |
600 |
|
50 |
270 |
400 |
|
60 |
200 |
300 |
|
70 |
170 |
260 |
|
80 |
150 |
220 |
|
90 |
140 |
200 |
9.4.5 Полная ширина дополнительной полосы проезжей части на подъем заканчивается после точки завершения подъема на расстоянии, на котором расчётный грузовик достигает скорости на 25 км/ч ниже скорости входа в подъем. Такое расстояние зависит от продольного уклона дороги после рассматриваемого участка дороги. Данное расстояние можно определить согласно графику на рисунке 26, на котором представлены средние значения ускорения расчетного грузовика на равнинных участках, подъемах и спусках. Начальная скорость разгона - это та скорость, которой достиг грузовик в конце подъема. Она зависит от длины участка подъема и его уклона и определяется по графику на рисунке 25.
9.4.6 Нецелесообразно продлевать дополнительную полосу проезжей части на подъем в случаях, когда грузовику необходим длительный разгон, например, в ситуациях длинного, но не крутого подъема после крутого подъема, оправдывающего применение дополнительной полосы. В таком случае рекомендуется прекратить дополнительную полосу проезжей части на подъем полной ширины через 300 метров после завершения крутого подъема, с условием, что на участке завершения соблюдаются условия видимости для обгона.
9.4.7 Длину зоны перехода от дополнительной полосы к основной проезжей части в начале и конце дополнительной полосы следует выполнять, соблюдая соотношение ее длины к ширине равное 30:1, а в стесненных условиях - на участке длиной не менее 60 м.
9.4.8 Ширина дополнительной полосы проезжей части на подъем соответствует ширине полосы движения до ее введения.
9.4.9 Ширина краевых полос и обочин соответствует ширине таких элементов до введения дополнительной полосы проезжей части на подъем.
9.4.10 На участке дороги, на котором существует дополнительная полоса проезжей части на подъем, нежелательно устройство пересечений и примыканий по нескольким причинам, в частности в связи с тяжелой организацией левого поворота со второстепенной дороги. В случае, когда существует острая необходимость в организации доступа, следует ограничится примыканиями только правых поворотов на участке дороги с дополнительной полосой проезжей части на подъем.
9.4.11 Закрывать для движения рекомендуется левую полосу движения, предусматривая надлежащие условия слияния транспортного потока, движущегося по левой полосе в транспортный поток, движущийся по правой, дополнительной полосе движения.

Рисунок 25 - График замедления расчетного грузового автомобиля на подъеме

Рисунок 26 - График разгона расчетного грузового автомобиля на подъемах и спусках
10.1 Наряду с устройством переходных кривых на кривых малого радиуса для обеспечения удобства и безопасности движения с расчетной скоростью предусматривают виражи и уширения проезжей части.
10.2 На кривых малых радиусов особенно неблагоприятные условия создаются для автомобилей, движущихся по внешней полосе проезжей части, имеющей уклон от центра кривой. Поэтому в таких случаях для повышения устойчивости автомобилей против заноса устраивают односкатный поперечный профиль проезжей части и обочин (по возможности) с уклоном к центру кривой. Такой профиль называют виражом (рисунок 27).
10.3 Поперечный уклон виража (iвир), необходимый для обеспечения проезда автомобиля со скоростью V (м/с) при заданном радиусе кривой R (м), может быть определен (27):
,
(27)
где φ2 - коэффициент поперечного сцепления шины с покрытием.

Рисунок 27 - Схема виража на дороге с двухскатной проезжей частью
10.4 Длину отгона виража (Lотг) назначают из условия, чтобы дополнительный продольный уклон на внешней кромке покрытия (iдоп=H/Lотг), не превышал, в зависимости от категории дороги, 5 - 20%о. Тогда минимальная длина отгона виража составляет:
.
(28)
10.5 Изменение поперечного уклона проезжей части на участке отгона виража может выполняться вращением плоскости проезжей части относительно:
- оси проезжей части;
- внутренней кромки проезжей части;
- внешней кромки проезжей части.
10.6 Выбор оси вращения плоскости проезжей части зависит от проектных решений принятых в плане и поперечном профиле (наличие направленных в одну сторону или разнонаправленных кривых в плане, общая или обособленная проезжая часть и т.д.). Способы вращения проезжих частей представлены на рисунках 29 - 32.
10.7 В случае вращения плоскости проезжей части относительно кромки и наличия полосы безопасности, вращение выполняют по внешней кромке линии полосы безопасности.
10.8 При проектировании автомобильных дорог с выделением проезжих частей под каждое направление движения, их поперечный уклон в пределах отгона виража следует изменять, как правило, вращением поверхности вокруг осей проезжих частей каждого направления (рисунок 28). С целью уменьшения объемов земляных работ, или при иных обоснованиях раздельные проезжие части допускается вращать вокруг своих кромок у разделительной полосы или вокруг оси дороги.

Рисунок 28 - Способы изменения поперечного профиля проезжей части при устройстве виража

Рисунок 29 - Преобразование двухскатного поперечного профиля в односкатный на виражах при вращении проезжей части вокруг оси

Рисунок 30 - Преобразование двухскатного поперечного профиля в односкатный на виражах при вращении внешней кромки проезжей части

Рисунок 31 - Преобразование двухскатного поперечного профиля в односкатный на виражах при вращении внутренней кромки проезжей части

Рисунок 32 - Преобразование односкатного поперечного профиля на виражах вращением относительно внутренней кромки проезжей части
10.9 При радиусах кривых в плане 1000 м и менее предусматривают уширение проезжей части с внутренней стороны за счет обочин, с тем чтобы ширина обочин была не менее 1, 5 м для дорог категорий I и II и не менее 1 м - для дорог остальных категорий. Величины полного уширения двухполосной проезжей части дорог на криволинейных участках плана переменной кривизны должны быть пропорциональны кривизне трассы в каждой ее точке в соответствии с таблицей 38.
10.10 При недостаточной ширине обочин для размещения уширений проезжей части с соблюдением этих условий предусматривают соответствующее уширение земляного полотна. Уширение проезжей части выполняют пропорционально расстоянию от начала криволинейного участка трассы, после которого радиусы кривизны меньше 2000 м. Полное уширение проезжей части для дорог с четырьмя полосами движения и более увеличивают соответственно числу полос, а для однополосных дорог - уменьшают в два раза по сравнению с указанными в таблице 38.
|
Радиусы кривых в плане, м |
Значение уширения, м, для автомобилей и автопоездов с расстоянием от переднего бампера до задней оси автомобиля или автопоезда, м | |||
|
до 11 |
от 11 до 13 |
от 13 до 15 |
от 15 до 18 | |
|
1000 |
- |
- |
- |
0, 4 |
|
850 |
- |
0, 4 |
0, 4 |
0, 5 |
|
650 |
0, 4 |
0, 5 |
0, 5 |
0, 7 |
|
575 |
0, 5 |
0, 6 |
0, 6 |
0, 8 |
|
425 |
0, 5 |
0, 7 |
0, 7 |
0, 9 |
|
325 |
0, 6 |
0, 8 |
0, 9 |
1, 1 |
|
225 |
0, 8 |
1, 0 |
1, 0 |
1, 5 |
|
140 |
0, 9 |
1, 4 |
1, 5 |
2, 2 |
|
95 |
1, 1 |
1, 8 |
2, 0 |
3, 0 |
|
80 |
1, 2 |
2, 0 |
2, 3 |
3, 5 |
|
70 |
1, 3 |
2, 2 |
2, 5 |
- |
|
60 |
1, 4 |
2, 8 |
3, 0 |
- |
|
50 |
1, 5 |
3, 0 |
3, 5 |
- |
|
40 |
1, 8 |
3, 5 |
- |
- |
|
30 |
2, 2 |
- |
- |
- |
10.11 В горной местности в виде исключения допускается размещать уширения проезжей части на кривых в плане частично с внешней стороны закругления. Целесообразность применения кривых с уширениями проезжей части более 2-3 м необходимо обосновывать сопоставлением с вариантами увеличения радиусов кривых в плане, при которых не требуется устройств таких уширений.
11.1 Выбор параметров трассы с ориентацией только на обеспечение технической безопасности движения одиночного автомобиля не гарантирует зрительную ясность и плавность дороги, удобство и безопасность движения. Критерии плавности дороги определяются прежде всего зрительным восприятием человеком пространственных соотношений и характеристик объектов (рисунки 33, 34, 35). Под зрительной плавностью дороги понимают такие сочетания ее элементов в плане и продольном профиле, при которых обеспечивается необходимое соотношение видимых элементов дороги и кривизны линии, образующих перспективное изображение дороги. Смежные элементы дороги должны иметь такие характеристики, чтобы возможная скорость движения на них различалась не более, чем на 20 %. Наилучшие условия движения - при обеспечении постоянной скорости и отсутствии необходимости частых торможений.
11.2 Одно из основных требований, которому должна удовлетворять трасса дороги - обеспечение постоянного скоростного режима транспортного потока. Это требование может удовлетворяться, если радиусы сопрягающихся круговых кривых в плане или параметры сопрягающихся клотоид различаются не более чем в 1, 5 раза, т.е. если R1:R2≤1:1, 5 и A1:A2≤1:1, 5.
11.3 Опасность для движения по кривым в плане, расположенных после длинных прямых, длиной более 2, 0 км, резко увеличивается. В таких случаях радиус кривой в плане рекомендуется принимать в зависимости от расчетной скорости:
Расчетная скорость движения, км/ч . . . . . . . 100 120 150
Минимальный радиус кривой после
прямой длиной более 2 км, м . . . . . . . . . . 1500 2000 3000
11.4 Между сопрягающимися кривыми постоянной кривизны необходимо иметь прямую вставку, достаточную для размещения на ней двух переходных кривых. При этом следует учитывать, что параметры этих переходных кривых значительно превышают минимальные, рассчитанные из условия ограничения нарастания поперечного ускорения, и выбираются с ориентацией на обеспечение зрительной плавности дороги. Рекомендуется выбирать параметр клотоид из условия R:3<A<R. Кроме этого, параметр клотоиды должен находиться в пределах Amin<A<Amax. Если R:3<Amin, то принимается A≥Amin. Из этого условия следует, что для размещения двух переходных кривых потребуется прямая вставка, длина которой (в метрах) удовлетворяет условию:
2ν≤Lвст<10ν,
(29)
где v - расчетная скорость движения, км/ч.
11.5 При использовании переходной кривой в качестве вспомогательного элемента, ее длину рекомендуется принимать более
от длины основной круговой кривой.
11.6 При клотоидном трассировании параметры смежных клотоид не должны сильно различаться. Следует стремиться, чтобы сопрягаемые клотоиды имели одинаковые параметры. Если обеспечить это не удается, параметры смежных клотоид рекомендуется выбирать из условия:
A1:A2≤1:1, 5.
(30)

Рисунок 33 - Перспективное изображение автомагистрали, устроенной: а - с учетом требований по обеспечению зрительной плавности трассы; б - без учета таких требований

Рисунок 34 - Перспективное изображение автомобильной дороги, устроенной: а - с учетом требований по обеспечению зрительной плавности трассы; б - без учета таких требований

Рисунок 35 - Принцип трассирования автомобильной дороги в плане с учетом (красная проектная линия) и без учета (черная проектная линия) существующих форм рельефа
11.7 План трассы и продольный профиль должны проектироваться одновременно, их элементы должны быть взаимно увязаны. Внешний вид дороги, ее зрительная ясность и плавность зависят не только от параметров плана и продольного профиля, но и от взаимного расположения элементов (таблица 39) . Следует избегать малых углов (менее 8°) поворота в плане. При таких углах поворот кажется зрительно резким и существенно улучшить его плавность не удается даже вписыванием кривых очень большого радиуса. При невозможности устранения такого угла закругление следует проектировать с использованием круговых кривых большого радиуса или двух симметричных переходных кривых:
Малый угол поворота . . . . 1 2 3 4 5 6 7
Минимальный радиус
круговой кривой, м . . . . 13 000 8500 6000 3500 2500 2200 2000
Минимальный параметр
клотоиды, м . . . . . . . 1 200 1200 1200 1000 800 700 600
Таблица 39
|
Расположение |
Перспективное изображение | |
|
В плане |
В профиле | |
|
Прямая |
Прямая |
|
|
Выпуклая кривая |
| |
|
Вогнутая кривая |
| |
|
Кривая |
Прямая |
|
|
Выпуклая кривая |
| |
|
Вогнутая кривая | ![]() | |
11.8 В свободных условиях трассирования автомобильных дорог, величину радиуса кривой и плане рекомендуется назначать по таблице 40.
Таблица 40
|
Угол поворота в плане, град |
Характеристика угла |
Кривые в плане |
|
До 1 |
Углы невидимые |
Без разбивки кривых |
|
1-8 |
Малые углы |
Чем меньше угол, тем больше радиусы кривой (2000-13000), длина кривой более 350 м |
|
8-20 |
Нормальные углы |
Круговые кривые с радиусом от 1000 м до 6000 м, клотоидное трассирование |
|
>20 |
Большие углы поворота |
Клотоидное трассирование |
11.9 В случаях, когда параметры, указанные в таблице 40, выполнить не удается, рекомендуется проверить возможность вписывания кривой, обеспечивающей зрительную плавность трассы (таблица 41). Если не удается выполнить и эти требования, тогда необходимо выполнить техническую безопасность движения по дороге путем вписывания минимально возможных радиусов кривых в плане, указанных в таблице 41.
|
Расчетная скорость движения, км/ч |
Радиусы кривых в плане, м |
|
минимальные из условия обеспечения зрительной ясности | |
|
150 |
2000 |
|
120 |
1200 |
|
100 |
800 |
|
80 |
400 |
11.10 Кроме требований к зрительной плавности трассы, рекомендуется выполнять также требования к зрительной ясности трассы. Зрительная ясность дороги - это ясность в направлении дороги на достаточно большом расстоянии, позволяющая водителю оценивать и прогнозировать дорожные условия. Видимые участки дороги и придорожной полосы должны заблаговременно сигнализировать об изменении направления дороги.
11.11 Расстояние, на котором необходимо обеспечивать зрительную ясность дороги, должно быть больше расстояния видимости при обгоне.
11.12 Наиболее опасны участки, неверно ориентирующие водителя о дальнейшем направлении дороги, и участки, на которых в течение даже короткого времени дальнейшее направление определить невозможно.
11.13 Следует также избегать расположения S -образных кривых в плане на участках с вертикальными кривыми минимальных радиусов (рисунок 36).

Рисунок 36 - Провалы на вогнутых формах рельефа
При неизбежности такого сочетания рекомендуется увеличивать радиус вертикальной выпуклой кривой до тех пор, пока не будет обеспечена видимость начального участка второй кривой в плане.
11.14 Нежелателен волнистый продольный профиль с глубокими провалами на вогнутых формах рельефа (рисунок 37). Улучшить такие участки можно за счет увеличения радиусов вертикальных кривых.

Рисунок 37 - Нарушение зрительной ясности дороги применением обертывающей линии с малыми радиусами вертикальных кривых, создающих волнистый продольный профиль на кривой в плане
11.15 Наиболее частая ошибка, вызывающая создание так называемого ложного хода и неверную ориентацию водителя о дальнейшем направлении дороги, связана с расположением примыканий дорог и проектированием обходов населенных пунктов (рисунок 38а). Для устранения ложного хода следует подчеркнуть посадками деревьев, установкой ограждений и направляющих сооружений главное направление дороги, а примыкание перенести на кривую (рисунок 38б).

Рисунок 38 - Ложный ход (а) и его устранение (б)
11.16 Следует избегать сочетаний элементов трассы, создающих впечатление зрительного провала. К ним относятся короткие (из-за малого радиуса) вертикальные вогнутые кривые, располагаемые на длинных прямых или кривых в плане (рисунок 39).

Рисунок 39 - Зрительный "провал", характерный для коротких вертикальных вогнутых кривых, располагаемых на длинных прямых
11.17 Неприятны на вид и опасны для движения мосты, с выпуклой проезжей частью, расположенные на прямой (рисунок 40), а также кривые малого радиуса в конце подъемов, расположенных на прямых в плане.

Рисунок 40 - Кривая малого радиуса в конце подъема, расположенного на прямой в плане
11.18 При проектировании проектной линии желательно, чтобы длина кривой в плане была больше длины вертикальной кривой или равна ей. Допустимое смещение кривых не должно превышать 1/4 длины меньшей из них.
11.19 При совмещении кривой в плане Rпл и выпуклой в вертикальном профиле Rвып рекомендуется из условия обеспечения зрительной плавности и ясности дороги выдерживать соотношение (31):
Rвып:Rпл≥8.
(31)
11.20 Совмещение кривой в плане и вогнутой вертикальной кривой допускается только в случае, если любой из продольных уклонов и алгебраическая разность сопрягаемых продольных уклонов менее максимального, допущенного на дороге. В этом случае рекомендуется соотношение (32):
Rвогн:Rпл≥6.
(32)
где Rвогн - радиус вогнутой вертикальной кривой, м;
Rпл - радиус кривой в плане, м.
11.21 При трассировании дороги углы поворота необходимо назначать там, где будут расположены выпуклые переломы в продольном профиле, в первую очередь, на резких выпуклых переломах поверхности земли.
11.22 Не рекомендуется размещать кривую в плане на прямой в продольном профиле вблизи от вертикальной выпуклой кривой. Угол поворота следует отнести к ближайшему понижению рельефа или к выпуклости.
11.23 Сочетания вогнутых и выпуклых кривых создают волнистость дороги в продольном профиле. Рекомендуется при сопряжении вогнутой и выпуклых кривых выдерживать соотношение (33):
Rвып:Rвогн≥2.
(33)
11.24 Наибольшая плавность дороги достигается при проектировании продольного профиля из вогнутых и выпуклых кривых большего радиуса непосредственно сопрягающихся друг с другом без прямых вставок. Если по условиям проектирования прямая вставка необходима, длина ее должна быть ограничена. Для прямолинейных в плане участков дорог допустимую длину прямой вставки в продольном профиле можно определить по графику на рисунках 41, 42.

Рисунок 41 - Наибольшая длина прямой вставки между двумя вертикальными кривыми на дорогах I технической категории. Цифры на кривых (20-80 %о) - алгебраическая разность уклона прямой вставки и точки стояния

Рисунок 42 - Наибольшая длина прямой вставки между двумя вертикальными кривыми на двухполосных дорогах II - V технической категории. Цифры на кривых - алгебраическая разность уклонов прямой вставки и точки стояния
12.1.1 В горной местности для развития линии во многих случаях приходится прокладывать трассу зигзагами, применяя кривые, описанные с внешней стороны угла поворота, так называемые серпантины.
12.1.2 Серпантины состоят из основной кривой малого радиуса с центральным углом б0 и обратных вспомогательных кривых (рисунок 43).
12.1.3 Устройство серпантины сопряжено с большими объемами земляных скальных работ, с возведением значительного количества подпорных стен или эстакад, поскольку серпантина занимает на горном склоне большую площадь с шириной от 45 до 80 м и более. Поэтому для разбивки серпантины по возможности следует выбирать пологие участки местности.
12.1.4 Серпантины подразделяют на два основных вида:
а) I рода, у которых вспомогательные кривые расположены выпуклостями в разные стороны. Они могут быть:
- симметричными, когда центр основной кривом находится на биссектрисе (рисунок 43, а);
- несимметричными, когда центр основной кривой располагается вне биссектрисы или основная кривая состоит из сопряженных круговых кривых разного радиуса (см. рисунок 43, б);
б) II рода, у которых вспомогательные кривые расположены вогнутостями в одну сторону (см. рисунок 43, в).
В основном на практике применяют серпантины I рода.
12.1.5 Рационально запроектировать серпантину можно по плану в горизонталях участка ее предполагаемой разбивки в результате вариантных проработок.
12.1.6 Проектирование серпантин с переходными кривыми существенно отличается от проектирования серпантин в виде круговых кривых с прямой вставкой между основной и вспомогательной кривыми, когда, задавшись величиной вставки и радиусами основной и вспомогательной кривых, можно определить угол поворота вспомогательной кривой (см. рисунок 43, а), затем рассчитать элементы серпантины.

Рисунок 43 - Схемы серпантины:
(а) - 1 рода симметричной; (б) - то же, несимметричной; (в) - II рода
12.1.7 На практике иногда применяют так называемые "полусерпантины", у которых с одной стороны центрального угла отсутствует вспомогательная кривая (рисунок 44, а), а также так называемые "петли", представляющие собой кривые малого радиуса (15 - 30 м), сопрягающие подходные, почти параллельные участки трассы (см. рисунок 44, б).

Рисунок 44 - Схема "полусерпантины" (а) и "петли" (б)
12.1.8 "Полусерпантины" и "петли" не рекомендуется применять при трассировании перевальных участков автомобильных дорог, так как на участках перехода от прямой к кривой малого радиуса при больших продольных уклонах при движении транспорта возникает аварийная ситуация.
12.1.9 Параметры элементов серпантина принимают по таблице 42.
Таблица 42
|
Параметры элементов серпантина |
Параметры серпантина при расчетной скорости движения, км/ч | ||
|
30 |
20 |
15 | |
|
Наименьший радиус кривых в плане, м |
30 |
20 |
15 |
|
Поперечный уклон проезжей части на вираже, %о |
60 |
60 |
60 |
|
Длина переходной кривой, м |
30 |
25 |
20 |
|
Уширение проезжей части, м |
2, 2 |
3, 0 |
3, 5 |
|
Наибольший продольный уклон в пределах серпантина, %о |
30 |
35 |
40 |
12.1.10 Серпантины радиусом менее 30 м допускаются только на дорогах категорий IV и V при запрещении движения автопоездов габаритом по длине свыше 11 м.
12.1.11 Расстояние между концом сопрягаемой кривой одного серпантина и началом сопрягающей кривой другого следует принимать возможно большим, но не менее 400 м для дорог категорий II и III, 300 м - для дорог категории IV и 200 м - для дорог категории V.
12.1.12 Проезжую часть на серпантине допускается уширять на 0, 5 м за счет внешней обочины, а остальную часть уширения предусматривают за счет внутренней обочины и дополнительного уширения земляного полотна.
12.2.1 Одним из мероприятий по повышению безопасности движения на дорогах расположенных в горной местности является устройство тормозных съездов на затяжных спусках. Тормозные съезды представляют собой тупик, продолжающий направление повернувшей дороги или примыкающий к дороге под острым углом и идущий на подъем с уклоном не менее 10% (рисунок 45).
Размеры в метрах

1 - тормозной путь; 2 - основная дорога
а, б - примеры решений в плане; в - продольный профиль съезда
Рисунок 45
12.2.2 Планировка зависит от рельефа местности. В конце тупика должен быть устроен участок повышенного сопротивления качению из вспаханного грунта, песчаной или гравийной засыпки.
12.2.3 Длину тормозного съезда рекомендуется вычислять по формуле (34):

(34)
где V - скорость движения автомобиля, м/с;
K - коэффициент использования тормозов;
fcp - коэффициент сопротивления качению;
φ - коэффициент продольного сцепления;
iпр - продольный уклон тормозного съезда.
13.1 Велосипедные дорожки устраивают за пределами проезжей части дорог при соотношениях интенсивностей движения автомобилей и велосипедистов, указанных в таблице 43.
|
Интенсивность движения автомобилей (суммарная в двух направлениях), авт./ч |
До 400 |
600 |
800 |
1000 |
1200 |
|
Расчетная интенсивность движения велосипедистов, вел./ч |
70 |
50 |
30 |
20 |
15 |
13.2 Велосипедное движение в составе проезжей части автомобильных дорог допускается предусматривать только на дорогах с интенсивностью движения по ним не более 2000 авт/сут (не более 150 авт/ч).
13.3 Велосипедные дорожки рекомендуется проектировать параллельно проезжей части автомобильной дороги, с отделением от нее разделительной полосой. Допускается устройство велосипедных дорожек независимо от трассы дороги в стороне от нее.
13.4 На участках дорог вне застроенных территорий, целесообразно отдавать предпочтение расположению велосипедных дорожек за пределами водоотводных устройств.
13.5 Геометрические параметры велосипедных дорожек и велосипедных полос в составе поперечного профиля автомобильных дорог должны отвечать требованиям ГОСТ 33150 (таблица 44), а их обустройство - ГОСТ 52289.
|
Нормируемый параметр |
Минимальные значения | |
|
при новом строительстве |
в стесненных условиях | |
|
Расчетная скорость движения, км/ч |
25 |
15 |
|
Ширина проезжей части велодорожки, м, не менее: | ||
|
однополосного одностороннего |
1, 0 |
0, 75 |
|
двухполосного одностороннего |
1, 75 |
1, 50 |
|
двухполосного со встречным движением |
2, 50 |
2, 00 |
|
Общая ширина велосипедной и пешеходной дорожки с разделением движения пешеходов и велосипедистов дорожной разметкой, м, не менее |
4, 0(1) |
3, 25(2) |
|
Ширина велопешеходной дорожки для совмещенного движения, м, не менее |
2, 5 (3) |
2, 0 (4) |
|
Ширина велосипедной полосы в составе проезжей части, м |
1, 20 |
0, 90 |
|
Ширина обочин велосипедной дорожки, м |
0, 5 |
0, 5 |
|
Наименьший радиус кривых в плане, м: | ||
|
при отсутствии виража |
30-50 |
15 |
|
при устройстве виража |
20 |
10 |
|
Наименьший радиус вертикальных кривых, м: | ||
|
выпуклых |
500 |
400 |
|
вогнутых |
150 |
100 |
|
Наибольший продольный уклон, %о | ||
|
в равнинной местности |
40-60 |
50-70 |
|
в горной местности |
- |
100 |
|
Поперечный уклон проезжей части, %о |
15-20 |
20 |
|
Уклон виража, %о, при радиусе: | ||
|
5-10 м |
более 30 |
30 |
|
10-20 м |
более 20 |
20 |
|
20-50 м |
более 15 |
15-20 |
|
50-100 м |
20 | |
|
Габарит по высоте, м |
2, 50 |
2, 25 |
|
Минимальное расстояние до бокового препятствия, м |
0, 50 |
0, 50 |
|
Примечания 1 Ширина пешеходной дорожки 1, 5 м, велосипедной - 2, 5 м. 2 Ширина пешеходной дорожки 1, 5 м, велосипедной - 1, 75 м. 3 При интенсивности движения не более 30 вел./ч и 15 пеш./ч. 4 При интенсивности движения не более 30 вел./ч и 50 пеш./ч. | ||
13.6 Длины подъемов велосипедных дорожек должны быть не более указанных в таблице 45.
|
Продольный уклон велосипедной дорожки, %о |
70 |
60 |
50 |
40 |
30 |
|
Предельная длина подъема, м |
30 |
60 |
150 |
250 |
500 |
13.7 Места пересечений велосипедных дорожек с автомобильными дорогами, имеющими не более трех полос движения в обоих направлениях, оборудуют дорожными знаками и разметкой.
13.8 Светофорное регулирование устанавливают при интенсивности велосипедного движения не менее 50 вел./ч.
13.9 На пересечениях с автомобильными дорогами велосипедные дорожки допускается совмещать с пешеходными переходами.
13.10 Велосипедные дорожки в районе пересечений должны быть освещены на расстоянии не менее 60 м от пересекаемой автомобильной дороги.
Велосипедные дорожки должны иметь твердое покрытие из асфальтобетона, бетона или каменных материалов, обработанных вяжущим.
14.1 Тип пересечения или примыкания выбирается исходя из класса и категории пересекающихся дорог, а также интенсивности движения по пересекающимся дорогам.
14.2 Область применения пересечений и примыканий автомобильных дорог в одном уровне представлена в таблице 46.
|
Тип пересечения или примыканий и способ регулирования |
Категория главной автомобильной дороги, с числом полос движения, шт. | |||||
|
IБ |
IB |
II |
III |
IV** |
V*** | |
|
4 и более |
4 |
2 |
2 |
2 |
1 | |
|
С отнесённым на разворот левым поворотом, светофорное регулирование |
- |
(+) |
(+) |
- |
- |
- |
|
С отнесённым на разворот левым поворотом, без светофорного регулирования |
(+)* |
(+)* |
+ |
- |
- |
- |
|
Канализированное, светофорное регулирование |
- |
(+) |
(+) |
(+) |
(+) |
- |
|
Канализированное, без светофорного регулирования |
- |
- |
+ |
+ |
+ |
- |
|
Частично канализированное, светофорное регулирование |
- |
(+) |
(+) |
(+) |
(+) |
- |
|
Частично канализированное, без светофорного регулирования |
(+)* |
(+)* |
+ |
+ |
+ |
- |
|
Не канализированное, без светофорного регулирования или со светофорным регулированием |
- |
(+)* |
(+)* |
(+)* |
+ |
+ |
|
+ - рекомендуемая область применения (+) - не рекомендуемая область применения, допускается при капитальном ремонте, а также в случае невозможности или отрицательных показателей экономической эффективности применения рекомендуемых типов пересечений или кольцевых пересечений, необходимости применения светофорного регулирования с увеличением задержек на пересечении для обеспечения безопасности движения при невозможности обеспечить безопасность другими методами - - не допускается (+)* - допускается только при примыкании автомобильных дорог IV и V категории, без пересечения главного направления движения, при интенсивности движения въезжающих и выезжающих автомобилей на дорогах I категории не более 50 автомобилей в сутки; на дорогах II категории не более 200 автомобилей в сутки, на дорогах III категории не более 200 автомобилей в сутки. ** - в том числе автомобильные дороги с низкой интенсивностью движения категории IVA-p, IVБ-р, IVA-п, IVБ-п *** - в том числе автомобильные дороги с низкой интенсивностью движения категории VA, VБ | ||||||
14.3 При проектировании строительства пересечений и примыканий рекомендуется устраивать пересечения и примыкания без светофорного регулирования.
14.4 При назначении типа пересечения или примыкания следует рассмотреть возможность применения кольцевого пересечения. На магистральных автомобильных дорогах II категории и основных распределительных автомобильных дорогах IВ категории устройство кольцевых пересечений за пределами населённых пунктов не рекомендуется.
14.5 Геометрическое проектирование пересечений в одном уровне рекомендуется выполнять с учетом требований ГОСТ Р "Дороги автомобильные общего пользования. Пересечения и примыкания автомобильных дорог. Технические требования".
14.6 Проектирование кольцевых пересечений рекомендуется вести с учетом ПНСТ 271-2018 "Дороги автомобильные общего пользования. Кольцевые пересечения. Правила проектирования".
15.1 Транспортные развязки следует устраивать на пересечениях между собой автомобильных дорог:
- категорий IA, 1Б - с автомобильными дорогами всех категорий;
- категории IB - с дорогами, расчетная интенсивность движения на которых превышает 1000 ед/сут;
- категории IB с числом полос движения шесть и более - с автомобильными дорогами всех категорий;
- категорий II и III - между собой при суммарной расчетной интенсивности движения более 12000 ед/сут.
15.2 В зависимости от планировочных решений транспортные развязки на пересечениях в разных уровнях следует подразделять на типы:
- полные - 1-го класса;
- неполные - 2-го класса.
15.3 Транспортные развязки 1-го класса следует предусматривать на пересечениях:
- автомагистралей между собой;
- скоростных автомобильных дорог между собой;
- автомагистралей с дорогами категорий IB и II;
- дорог категорий IB и II между собой.
Устройство транспортных развязок 2-го класса допускается на пересечениях с дорогами категорий III-V; при этом не допускаются пересечения в одном уровне основных направлений движения.
15.4 Проектирование транспортных развязок следует выполнять в соответствии с их стандартными схемами, приведенными в таблице 47 и таблице 48.
|
Наименование |
Схема транспортной развязки |
Условия применения |
|
Пересечения
| ||
|
Транспортная развязка типа "клеверный лист" | ![]() |
Интенсивность поворачивающих направлений в каждой из зон переплетений транспортных потоков не более 800 авт./ч. |
|
Транспортная развязка с направленными и петлевыми съездами | ![]() |
Соотношение интенсивностей поворачивающих направлений не позволяет выполнить устройство транспортных развязок типа "клеверный лист" |
|
Транспортная развязка с направленными съездами | ![]() |
Стесненные условия. Соотношение интенсивностей поворачивающих направлений не позволяет выполнить устройство транспортных развязок типа "клеверный лист" |
|
Примыкания
| ||
|
Примыкание типа "труба" | ![]() |
Во всех случаях, кроме рассмотренных ниже |
|
Примыкание с петлевыми съездами | ![]() |
Устройство примыканий с учетом перспективного развития |
|
Примыкание с направленными съездами | ![]() |
Стесненные условия для устройства примыкания типа "труба" |
|
Наименование |
Схема транспортной развязки |
Условия применения |
|
Пересечения
| ||
|
Пересечение типа "ромб" | ![]() |
Интенсивность каждого из левоповоротных направлений позволяет устройство пересечений в одном уровне на второстепенном направлении движения |
![]() |
Интенсивность каждого из левоповоротных направлений позволяет устройство кольцевых пересечений в одном уровне на второстепенном направлении движения | |
![]() | ||
|
Пересечение типа "совмещенный неполный клеверный лист" | ![]() |
Интенсивность каждого из левоповоротных направлений позволяет устройство пересечений в одном уровне и стесненные условия в диагональных четвертях |
![]() |
Интенсивность каждого из левоповоротных направлений позволяет устройство пересечений в одном уровне и стесненные условия в соседних четвертях | |
|
Пересечение типа "неполный клеверный лист" | ![]() |
Интенсивность одного из левоповоротных направлений не позволяет устройство пересечения в одном уровне |
![]() |
Интенсивность двух из левоповоротных направлений в диагональных четвертях не позволяет устройство пересечения в одном уровне | |
![]() |
Интенсивность двух из левоповоротных направлений в соседних четвертях не позволяет устройство пересечения в одном уровне* | |
![]() |
Интенсивность трех из левоповоротных направлений в соседних четвертях не позволяет устройство пересечения в одном уровне* | |
|
Примыкания
| ||
|
Примыкание типа "труба"** | ![]() |
Во всех случаях, кроме рассмотренных ниже |
|
Примыкание типа "ромб" | ![]() |
Стесненные условия либо устройство примыканий с учетом перспективного развития |
|
Примыкание с петлевыми съездами** | ![]() |
Устройство примыканий с учетом перспективного развития |
|
────────────────────────────── * С учетом обеспечения пропускной способности каждой из зон переплетения ** Относятся к примыканиям 1-го класса, используются для организации примыканий автомобильных дорог категории I-III (при обосновании - IV) к автомагистралям и скоростным автомобильным дорогам. | ||
15.5 Местоположение развязок на сети автомобильных дорог следует определять исходя из планировки дорожной сети, с учетом категорий дорог и топографических условий.
15.6 Располагать транспортные развязки следует на прямых участках или на кривых радиусом не менее 2000 м на дорогах категорий IA, IB, IB и II и с радиусами 800 м - на дорогах категорий III и IV.
15.7 Проектирование транспортных развязок следует вести из условий обеспечения безопасности и удобства движения по ним, а также с учетом санитарно-гигиенических, противопожарных и экологических требований.
15.8 Проектирование пересечений автомобильных дорог в разных уровнях рекомендуется вести с учетом ПНСТ 270-2018 "Дороги автомобильные общего пользования. Транспортные развязки. Правила проектирования".
16.1 Пересечения автомобильных дорог с инженерными коммуникациями следует предусматривать с учетом требований норм и правил по проектированию и эксплуатации соответствующих инженерных сетей, коммуникаций, зданий и сооружений. Основные документы по стандартизации приведены в приложении А.
17.1 Пересечения автомобильных дорог I - III технических категорий с железными дорогами следует проектировать в соответствии с СП 227.132600.2014 и предусматривать в разных уровнях.
17.2 Пересечения автомобильных дорог IV - V технических категорий следует проектировать в соответствии СП 227.132600.2014.
17.3 При проектировании железнодорожных переездов рекомендуется обеспечивать расстояния видимости поезда согласно таблицы 49 из автомобиля, находящегося на расстоянии 50 м до ближайшего рельса.
Таблица 49
|
Скорость поезда, км/ч |
121-140 |
81-120 |
41-80 |
26-40 |
25 и менее |
|
Расстояние видимости, м |
500 |
400 |
250 |
150 |
100 |
18.1 В отличие от проектирования нового строительства, проекты реконструкции часто исходят из расчетной интенсивности, определяемой путем экстраполяции данных учета движения предыдущих лет. Характер дорожных работ, необходимых для улучшения эксплуатационных качеств дороги зависит от закономерностей нарастания интенсивности движения. В практике проектирования могут встречаться несколько типовых случаев, требующих различного решения:
1. Равномерное нарастание интенсивности движения относительно малой величины - с ежегодным приростом до 5%.
2. Быстрое возрастание интенсивности движения, часто значительно опережающее технико-экономические прогнозы.
18.2 В первом случае в качестве в качестве основных мероприятий по реконструкции автомобильных дорог рекомендуется улучшение и перестройка отдельных участков дорог - случайных просчетов проектировщиков или сознательно допущенных по соображениям экономии средств неудачных элементов трассы, ухудшающих транспортные качества дороги. Постепенное и продуманное исправление отдельных участков дороги способно долгое время пропускать все возрастающие объемы движения с заданным уровнем безопасности проезда по ней без коренной перестройки дороги.
18.3 Во втором случае требуется коренная перестройка дороги, так как быстрый рост движения через непродолжительное время приведет к полному исчерпанию пропускной способности всей автомобильной дороги. В таком случае рекомендуется устройство новой параллельной дороги, наилучшим образом обслуживающей растущие объемы преимущественно транзитных транспортных потоков с оставлением существующей дороги для обслуживания местного движения. При недостаточной плотности дорожной сети рекомендовано прокладывать новую дорогу на большем расстоянии, чтобы обслужить одновременно и новые районы.
18.4 При реконструкции дороги, проводимой поэтапно, важно выбрать правильную очередность проведения работ. Очередность работ рекомендуется намечать на основании анализа наиболее опасных участков дороги и мест с наименьшей пропускной способностью. Такие места рекомендуются к реконструкции в первую очередь. Для выявления опасных участков и участков с наименьшей пропускной способностью рекомендуется использовать графики итоговых коэффициентов аварийности и коэффициентов загрузки соответственно (см. раздел 17).
19.1 Проектные решения автомобильных дорог следует оценивать по условиям безопасности движения. Для выявления опасных участков, в пределах которых следует в первую очередь предусматривать мероприятия по обеспечению безопасности движения, могут быть использованы следующие методы:
- метод, основанный на анализе данных о ДТП;
- метод коэффициентов аварийности;
- метод коэффициентов безопасности.
19.2 Возможность применения того или иного метода зависит от стадии разработки мероприятий (обоснование мероприятий для существующей дороги, проектирование реконструкции или нового строительства), а также от наличия и полноты данных о ДТП на существующей дороге. Методы выявления опасных участков на основе данных о ДТП применяют для оценки безопасности движения на существующих дорогах при наличии достаточно полной и достоверной информации о ДТП за период не менее 3 - 5 лет.
19.3 При отсутствии таких данных, а также для оценки проектных решений при проектировании новых и реконструкции существующих дорог используется метод коэффициентов аварийности, основанный на анализе и обобщении данных статистики ДТП, и метод коэффициентов безопасности, основанный на анализе графиков изменения скоростей движения по дороге. Эти методы позволяют оценить влияние на безопасность движения геометрических элементов дороги, состояния покрытия, интенсивность движения.
19.4 Оценку проектных решений при проектировании новых, а также реконструкции существующих дорог в условиях использования методов коэффициентов аварийности и коэффициентов безопасности рекомендуется производить в соответствии с [6].
Библиография
|
[1] |
Федеральный закон Российской Федерации от 08.11.2007 N 257-ФЗ |
"Об автомобильных дорогах и дорожной деятельности в Российской Федерации и о внесении изменений в отдельные законодательные акты Российской Федерации" |
|
[2] |
TP ТС 018/2011 |
Технический регламент Таможенного союза "О безопасности колесных транспортных средств" |
|
[3] |
ГОСТ 33475-2015 |
"Дороги автомобильные общего пользования. Геометрические элементы. Технические требования" |
|
[4] |
ГОСТ 32959-2014 |
"Дороги автомобильные общего пользования. Габариты приближения" |
|
[5] |
ГОСТ 33151-2014 |
"Дороги автомобильные общего пользования. Элементы обустройства. Технические требования. Правила применения" |
|
[6] |
ОДМ 218.4.005-2010 |
"Рекомендации по обеспечению безопасности движения на автомобильных дорогах" |
|
[7] |
ГОСТ 33475-2015 |
"Дороги автомобильные общего пользования. Геометрические элементы. Технические требования" |
|
[8] |
ГОСТ 33100-2014 |
"Дороги автомобильные общего пользования. Правила проектирования автомобильных дорог" |
|
[9] |
ГОСТ 52051-2005 |
"Механические транспортные средства и прицепы. Классификация и определения" |
|
[10] |
Приказ Минтранса России от 13.01.2010 N 4 |
"Об установлении и использовании придорожных полос автомобильных дорог федерального значения" |
|
[11] |
ОДМ 218.6.023-2017 |
"Методические рекомендации по обеспечению безопасности дорожного движения на участках пересечения автомобильными дорогами путей миграции животных" |
|
[12] |
СП 34.13330.2012 |
"Автомобильные дороги. Актуализированная редакция СНиП 2.05.02-85* (с Изменением N 1)" |
|
[13] |
СП 243.1326000.2015 |
"Проектирование и строительство автомобильных дорог с низкой интенсивностью движения" |
Приложение А
1. СП 31.13330.2012. "СНиП 2.04.02-84* "Водоснабжение. Наружные сети и сооружения"
2. СП 32.13330.2012 "СНиП 2.04.03-85 "Канализация. Наружные сети и сооружения"
3. СП 36.13330.2012 "СНиП 2.05.06-85* "Магистральные трубопроводы"
4. СП 41.13330.2012 "СНиП 2.06.08-87 "Бетонные и железобетонные конструкции гидротехнических сооружений"
5. СП 42.13330.2011 "СНиП 2.07.01-89* "Градостроительство. Планировка и застройка городских и сельских поселений"
6. СП 51.13330.2011 "СНиП 23-03-2003 "Защита от шума"
7. СП 52.13330.2011 "СНиП 23-05-95* "Естественное и искусственное освещение"
8. СП 58.13330.2012 "СНиП 33-01-2003 "Гидротехнические сооружения. Основные положения"
9. СП 61.13330.2012 "СНиП 41-03-2003 "Тепловая изоляция оборудования и трубопроводов"
10. СП 62.13330.2011 "СНиП 42-01-2012 "Газораспределительные системы"
11. СП 89.13330.2012 "СНиП II-35-76 "Котельные установки"
12. СП 90.13330.2012 "СНиП II-58-75 "Электростанции тепловые"
13. СП 98.13330.2012 "СНиП 2.05.09-90 "Трамвайные и троллейбусные линии"
14. СП 101.13330.2012 "СНиП 2.06.07-87 "Подпорные стены, судоходные шлюзы, рыбопропускные и рыбозащитные сооружения"
15. СП 102.13330.2012 "СНиП 2.06.09-84 "Туннели гидротехнические"
16. СП 116.13330.2012 "СНиП 22-02-2003 "Инженерная защита территорий, зданий и сооружений от опасных геологических процессов. Основные положения"
17. СП 120.13330.2012 "СНиП 32-02-2003 "Метрополитены"
18. СП 123.13330.2012 "СНиП 34-02-99 "Подземные хранилища газа, нефти и продуктов их переработки"
19. СП 124.13330.2012 "СНиП 41-02-2003 "Тепловые сети"
20. СП 125.13330.2012 "СНиП 2.05.13-90 "Нефтепродуктопроводы, прокладываемые на территории городов и других населенных пунктов"
Приложение Б
Исходные данные:
Категория автомобильной дороги - III;
Категория рельефа - равнинный;
Расчетная скорость движения - 100 км/ч;
Расчет рекомендуемого расстояния видимости встречного автомобиля (при обгоне)
Расчет рекомендуемого расстояния видимости () производился по формуле (Б.1):

(Б.1)
Где:
l0 - расстояние безопасности, принимаемое равным 5, 0 м;
l1 - расстояние для реакции, м;
l1=V1×tp;
l4 - длина автомобиля, м, для легкового автомобиля принимаемая равной 4, 90 м;
Kэ - коэффициент эксплуатационной надежности тормозов, для легкового автомобиля принимаемый равным 1, 0;
V1 - скорость движения обгоняющего автомобиля, м/с;
V2 - скорость движения обгоняемого автомобиля, м/с;
V3 - скорость движения встречного автомобиля, м/с;
φ1 - коэффициент продольного сцепления, принимаемый равным 0, 35;
Скорости движения V1, V2 и V3 определим из соотношений таблицы 9 c учетом заданной расчетной скорости движения (Б.2).
V1=V3=28, 3 м/с;
(Б.2)
V2=0, 65×27, 8=18, 0 м/с
(Б.3)
Найдем длину l1:
l1=V1×tp=27, 8×1, 0=27, 8 м ;
(Б.4)
Тогда, с учетом полученных значений, длина рекомендуемого расстояния видимости (S0):
м
(Б.5)
























