ОДМ 218.8.011-2018 МЕТОДИЧЕСКИЕ РЕКОМЕНДАЦИИ ПО ОПРЕДЕЛЕНИЮ ХАРАКТЕРИСТИК И ВЫБОРУ ШУМОЗАЩИТНЫХ КОНСТРУКЦИЙ АВТОМОБИЛЬНЫХ ДОРОГ
Предисловие
1 Разработан Федеральным государственным бюджетным образовательным учреждением высшего образования "Балтийский государственный технический университет "ВОЕНМЕХ" им. Д.Ф. Устинова" (БГТУ "ВОЕНМЕХ" им. Д.Ф. Устинова), Обществом с ограниченной ответственностью "Институт акустических конструкций" (ООО "Институт акустических конструкций") при участии Федерального государственного бюджетного образовательного учреждения "Научно-исследовательский институт строительной физики Российской академии архитектуры и строительных наук" (НИИСФ РААСН).
2 Внесен Управлением научно-технических исследований и информационного обеспечения Федерального дорожного агентства
3 Издан на основании распоряжения Федерального дорожного агентства Министерства транспорта Российской Федерации от 28.03.2019 N 699-р
4 Имеет рекомендательный характер
5 Введен впервые
1.1. Настоящий отраслевой дорожный методический документ "Методические рекомендации по определению характеристик и выбору шумозащитных конструкций автомобильных дорог" (далее - ОДМ) устанавливает рекомендации по выбору и проектированию конструкций, предназначенных для снижения транспортного шума на территории и в жилой застройке вдоль автомобильных дорог федерального, регионального и местного значения.
1.2. Методические рекомендации предназначены для использования:
- Федеральным дорожным агентством;
- подведомственными Федеральному дорожному агентству государственными учреждениями, осуществляющими функции государственного заказчика по строительству, реконструкции и капитальному ремонту федеральных автомобильных дорог;
- организациями, осуществляющими подготовку документации для строительства, реконструкции или ремонта автомобильных дорог общего пользования и дорожных сооружений;
- организациями, осуществляющими строительство автомобильных дорог общего пользования федерального значения и дорожных сооружений на них;
- производителями шумозащитных конструкций.
1.3. Применение методических рекомендаций на практике дорожного хозяйства даст возможность: повысить качество, надёжность и эффективность шумозащитных конструкций на автомобильных дорогах; оптимизировать расходы на реализацию шумозащитных мероприятий путём выбора оптимальных шумозащитных конструкций.
В настоящем ОДМ использованы нормативные ссылки на следующие документы:
ГОСТ 2.114-2016 Межгосударственный стандарт. Единая система конструкторской документации. Технические условия
ГОСТ 9.032-74 Межгосударственный стандарт. Единая система защиты от коррозии и старения. Покрытия лакокрасочные. Группы, технические требования и обозначения
ГОСТ 9.304-87 Межгосударственный стандарт. Единая система защиты от коррозии и старения. Покрытия газотермические. Общие требования и методы контроля
ГОСТ 9.307-89 (ИСО 1461-89) Межгосударственный стандарт. Единая система защиты от коррозии и старения. Покрытия цинковые горячие. Общие требования и методы контроля
ГОСТ 111-2014 Межгосударственный стандарт. Стекло листовое бесцветное. Технические условия
ГОСТ 4647-2015 Межгосударственный стандарт. Пластмассы. Метод определения ударной вязкости по Шарпи
ГОСТ 4648-2014 Межгосударственный стандарт. Пластмассы. Метод испытания на статический изгиб
ГОСТ 4670-2015 (ISO 2039-1:2001) Межгосударственный стандарт. Пластмассы. Определение твердости. Метод вдавливания шарика
ГОСТ 5781-82 Межгосударственный стандарт. Сталь горячекатаная для армирования железобетонных конструкций. Технические условия
ГОСТ 7473-2010 Межгосударственный стандарт. Смеси бетонные. Технические условия
ГОСТ 9550-81 Межгосударственный стандарт. Пластмассы. Методы определения модуля упругости при растяжении, сжатии и изгибе
ГОСТ 9573-2012 Межгосударственный стандарт. Плиты из минеральной ваты на синтетическом связующем теплоизоляционные. Технические условия
ГОСТ 13015-2012 Межгосударственный стандарт. Изделия бетонные и железобетонные для строительства. Общие технические требования. Правила приемки, маркировки, транспортирования и хранения
ГОСТ 15088-2014 (ISO 306:2004) Межгосударственный стандарт. Пластмассы. Метод определения температуры размягчения термопластов по Вика
ГОСТ 20022.6-93 Межгосударственный стандарт. Защита древесины. Способы пропитки
ГОСТ 21631-76 Межгосударственный стандарт. Листы из алюминия и алюминиевых сплавов. Технические условия
ГОСТ 23166-99 Межгосударственный стандарт. Блоки оконные. Общие технические условия
ГОСТ 23499-2009 Межгосударственный стандарт. Материалы и изделия звукоизоляционные и звукопоглощающе строительные. Общие технические условия
ГОСТ 24866-2014 Межгосударственный стандарт. Стеклопакеты клееные. Технические условия
ГОСТ 25820-2014 Межгосударственный стандарт. Бетоны легкие. Технические условия
ГОСТ 26020-83 Межгосударственный стандарт. Двутавры стальные горячекатаные с параллельными гранями полок. Сортамент
ГОСТ 26633-2015 Межгосударственный стандарт. Бетоны тяжелые и мелкозернистые. Технические условия
ГОСТ 27772-2015 Межгосударственный стандарт. Прокат для строительных конструкций. Общие технические условия
ГОСТ 30244-94 Межгосударственный стандарт. Материалы строительные. Методы испытаний на горючесть
ГОСТ 30247.0-94 (ИСО 834-75) Межгосударственный стандарт. Конструкции строительные. Методы испытаний на огнестойкость. Общие требования
ГОСТ 30403-2012 Межгосударственный стандарт. Конструкции строительные. Метод испытания на пожарную опасность
ГОСТ 30674-99 Межгосударственный стандарт. Блоки оконные из поливинилхлоридных профилей. Технические условия
ГОСТ 30698-2014 Межгосударственный стандарт. Стекло закаленное. Технические условия
ГОСТ 30826-2014 Межгосударственный стандарт. Стекло многослойное. Технические условия
ГОСТ 31295.2-2005 (ИСО 9613-2:1996) Межгосударственный стандарт. Шум. Затухание звука при распространении на местности. Часть 2. Общий метод расчета
ГОСТ 31704-2011 (EN ISO 354:2003) Межгосударственный стандарт. Материалы звукопоглощающие. Метод измерения звукопоглощения в реверберационной камере
ГОСТ 32603-2012 Межгосударственный стандарт. Панели металлические трехслойные с утеплителем из минеральной ваты. Технические условия
ГОСТ 32955-2014 Межгосударственный стандарт. Дороги автомобильные общего пользования. Лотки дорожные водоотводные. Технические требования
ГОСТ 32957-2014 Межгосударственный стандарт. Дороги автомобильные общего пользования. Экраны акустические. Технические требования
ГОСТ Р 1.4-2004 Национальный стандарт Российской Федерации. Стандарты организаций. Общие положения
ГОСТ Р 8.829-2013 Национальный стандарт Российской Федерации. Государственная система обеспечения единства измерений. Методика измерений оптической плотности (коэффициента пропуская) и мутности пластин и пленок из полимерных материалов
ГОСТ Р 21.1101-2013. Национальный стандарт Российской Федерации. Система проектной документации для строительства. Основные требования к проектной и рабочей документации
ГОСТ 10667-90 Государственный стандарт Союза ССР. Стекло органическое листовое. Технические условия
ГОСТ 11262-80 (СТ СЭВ 1199-78) Государственный стандарт Союза ССР. Пластмассы. Метод испытания на растяжение
ГОСТ 15139-69 Государственный стандарт Союза ССР. Пластмассы. Методы определения плотности (объемной массы)
ГОСТ 17622-72 Государственный стандарт Союза ССР. Стекло органическое техническое. Технические условия.
ГОСТ 19927-74 Государственный стандарт Союза ССР. Пластмассы. Методы определения показателя преломления
ГОСТ 24451-80. Государственный стандарт Союза ССР. Тоннели автодорожные. Габариты приближения строений и оборудования.
ГОСТ Р 52246-2016 Национальный стандарт Российской Федерации. Прокат листовой горячецинкованный. Технические условия
ГОСТ Р 52544-2006. Национальный стандарт Российской Федерации. Прокат арматурный свариваемый периодического профиля классов А500С и В500С для армирования железобетонных конструкций. Технические требования
СП 14.13330. 2014 Свод правил. Строительство в сейсмических районах.
СП 16.13330.2017 Свод правил. Стальные конструкции. Актуализированная редакция СНиП II-23-81*
СП 20.13330.2016 Свод правил. Нагрузки и воздействия
СП 22.13330.2016 Свод правил. Основания зданий и сооружений. Актуализированная редакция СНиП 2.02.01-83*
СП 24.13330.2011 Свод правил. Сварные фундаменты. Актуализированная редакция СНиП 2.02.03-85
СП 28.13330.2017 Свод правил. Защита строительных конструкций от коррозии. Актуализированная редакция СНиП 2.03.11-85
СП 52-101-2003 Свод правил по проектированию и строительству. Бетонные и железобетонные конструкции без предварительного напряжения арматуры.
СП 52-102-2004 Свод правил по проектированию и строительству. Предварительно напряженные бетонные и железобетонные конструкции.
СП 59.13330.2016 Свод правил. Доступность зданий и сооружений для маломобильных групп населения. Актуализированная редакция СНиП 35-01-2001
СП 63.13330.2012 Свод правил. Бетонные и железобетонные конструкции. Основные положения. Актуализированная редакция СНиП 52-01-2003
СП 64.13330.2017 Свод правил. Деревянные конструкции. Актуализированная редакция СНиП II-25-80.
СП 122.13330.2012 Свод правил. Тоннели железнодорожные и автодорожные. Актуализированная редакция СНиП 32-04-97
СП 276.1325800.2016 Свод правил. Здания и территории. Правила проектирования защиты от шума транспортных потоков
Технический регламент Таможенного союза ТР ТС 014/2011 "Безопасность автомобильных дорог"
Примечание - При пользовании настоящим ОДМ целесообразно проверить действие ссылочных стандартов в информационной системе общего пользования - на официальном сайте национального органа Российской Федерации по стандартизации в сети Интернет или по ежегодно издаваемому информационному указателю "Национальные стандарты", который опубликован по состоянию на 1 января текущего года, и по соответствующим ежемесячно издаваемым информационным указателям, опубликованным в текущем году. Если ссылочный документ заменен (изменен), то при пользовании настоящим стандартом следует руководствоваться замененным (измененным) документом. Если ссылочный документ отменен без замены, то положение, в котором дана ссылка на него, применяется в части, не затрагивающей эту ссылку.
В настоящем ОДМ применены следующие термины, с соответствующими определениями:
3.1 ГЗШ: Главная заземляющая шина.
3.2 звукоизолирующее остекление (ЗО): Устройство шумозащитных окон фасадов зданий или экранирование фасадов звукоизолирующим прозрачным материалом.
3.3 земляной (грунтовый) вал (ЗГВ): Протяжённое сооружение из насыпного грунта, верхняя часть которого находится выше уровня автомобильной дороги.
3.4 малошумный асфальт: Асфальтобетонное покрытие, обладающее свойствами звукопоглощения.
3.5 несущая стойка: Вертикально направленный элемент шумозащитного полотна, предназначенный для фиксации шумозащитных панелей и передачи нагрузок, воспринимаемых ими, на фундамент или конструктивные элементы искусственного сооружения.
Примечание - Положение несущей стойки шумозащитного полотна показано на рисунке 1.
3.6. расчётная точка (РТ): Точка, назначаемая для оценки соответствия уровней звука транспортного шума от автомобильных дорог в прилегающей нормируемой территории требованиям Санитарных норм.
3.7 шумозащитная выемка (ШВ): Земляное сооружение, выполненное путём срезки грунта по заданному профилю и имеющее откосы близкие к вертикальным; при этом вся поверхность земляного полотна автомобильной дороги расположена ниже поверхности земли.
3.8 шумозащитная галерея (ШГ): Надземное или наземное, полностью или частично закрытое, горизонтальное или наклонное протяжённое сооружение, устанавливаемое на пути распространения шума от автомобильного транспорта к защищаемому от шума объекту.
3.9. шумозащитные зелёные насаждения (ШЗН): Совокупность древесных, кустарниковых и травянистых растений на определённой территории между автомобильной дорогой и нормируемой территорией, предназначенных для выполнения функций снижения шума.
3.10 шумозащитное окно: Окно, обладающее повышенной звукоизоляцией и снабжённое специальным приточно-вытяжным элементом, обеспечивающим нормативный воздухообмен в помещении.
3.11 шумозащитная панель: Горизонтально направленный элемент шумозащитного полотна, выполняющий функции защиты от шума.
Примечание - Положение шумозащитной панели шумозащитного полотна показано на рисунке 1.

1 - несущая стойка, 2 - шумозащитная панель
Рисунок 1 - Положение элементов шумозащитного полотна
3.12 шумозащитное полотно: Сборная плоская сплошная конструкция, состоящая из несущих стоек и шумозащитных панелей.
3.13 шумозащитные устройства или конструкции: Устройства или конструкции, предназначенные для снижения шума от транспортного потока в расчётной точке.
3.14 шумозащитный экран (ШЭ): Протяжённая искусственная преграда, устанавливаемая на пути распространения шума от автомобильного транспорта к защищаемому от шума объекту, ширина (или толщина) которой много меньше её высоты, состоящая из фундамента и закреплённого на нём шумозащитного полотна.
4.1 Выбор и проектирование шумозащитных конструкций (устройств, сооружений) осуществляется при реализации мероприятий по охране окружающей среды в рамках разработки проектной документации:
- на новую автомобильную дорогу;
- на реконструируемый участок автомобильной дороги;
- на ремонтируемый участок автомобильной дороги;
- на мероприятия по повышению уровня обустройства автомобильных дорог.
4.2 При подготовке проектной документации на строительство, реконструкцию или капитальный ремонт автомобильной дороги, а также в ходе мероприятий по повышению уровня обустройства автомобильных дорог, шумозащитные конструкции относятся в соответствии с N 257-ФЗ [1] к защитным дорожным сооружениям, являющимся технологической частью автомобильной дороги.
4.3 Документация на шумозащитные конструкции разрабатывается в соответствии с требованиями, установленными в Постановлении Правительства РФ от 16 февраля .2008 г. N 87 [2]. Шумозащитные конструкции разрабатываются на основании шумозащитных мероприятий, рассчитываемых в составе раздела 7 "Мероприятия по охране окружающей среды". Шумозащитные мероприятия, являющиеся частью мероприятий по охране окружающей среды, назначаются на основании акустических расчётов, выполняемых в соответствии положениями, приведёнными в СП 276.1325800.2016 и ОДМ 218.2.013-2011 [3].
При разработке шумозащитных мероприятий производится выбор шумозащитных конструкций с учётом их акустических характеристик, определяется необходимость устройства дополнительных конструкций и сооружений, обеспечивающих защиту от шума (таких как шумозащитные экраны или земляные валы).
4.4 В зависимости от технических характеристик шумозащитные конструкции могут являться конструктивными элементами автомобильной дороги (например, шумозащитными выемками) или отдельными техническими сооружениями (например, шумозащитными экранами).
Детальную проработку шумозащитных конструкций, являющихся отдельными техническими сооружениями, рекомендуется включать в состав раздела 4 "Здания, строения и сооружения, входящие в инфраструктуру линейного объекта" и разрабатывать документацию в соответствии с требованиями для подобных сооружений.
4.5 Описание шумозащитных конструкций рекомендуется включать в текстовую часть Раздела 3 "Технологические и конструктивные решения линейного объекта. Искусственные сооружения"; технические решения шумозащитных конструкций, являющихся конструктивными элементами автомобильной дороги, или влияющих на объёмы земляных работ, систему отвода поверхностных вод, конструкцию дорожной одежды и пр. рекомендуется включать в графическую часть раздела в виде необходимых чертежей, отражающих конструктивные особенности шумозащитных сооружений и элементов автомобильной дороги (плановое положение, положение на характерных или индивидуальных профилях земляного полотна и др.).
4.6 Акустические расчёты с учётом методик, изложенных в СП 276.1325800.2016 и ОДМ 218.2.013-2011 [3], рекомендуется производить с помощью специализированных программных комплексов, в которых реализована действующая нормативная документация.
5.1 Снижение транспортного шума осуществляется за счёт шумозащитных мероприятий, которые делятся на два вида:
- пассивные;
- активные.
5.2 К пассивным шумозащитным мероприятиям относятся проектные решения автомобильной дороги (размещение её конструктивных элементов, дорожных сооружений и объектов дорожного сервиса, организация дорожного движения и пр.), которые способствуют снижению шума без дополнительных капитальных вложений.
5.3 В ходе акустических расчётов рекомендуется рассматривать все возможные пассивные мероприятия по снижению шума автотранспортного потока, указанные в таблице 1. Акустическую эффективность пассивных шумозащитных мероприятий рекомендуется определять по методикам, приведённым в СП 276.1325800.2016, ГОСТ 31295.2-2005 или ОДМ 218.2.013-2011 [3].
Таблица 1 - Оценочная эффективность пассивных шумозащитных мероприятий
|
N пп |
Наименование пассивного мероприятия |
Теоретическая оценка снижения уровня звука |
|
1 |
Трассирование автомобильной дороги на удалении от нормируемых объектов (защита расстоянием) |
до 3 дБА при каждом удвоении расстояния (от 3 дБА при расстоянии до 25 метров до 15 дБА при расстоянии 400 метров) |
|
2 |
Учёт существующего рельефа местности (прохождение автомобильной дороги в выемках, на холмистой местности и пр.) |
до 5 дБА (при прохождении автомобильной дороги в выемке высотой до 2 метров) и до 12 дБА (при прохождении автомобильной дороги в выемке высотой до 5 метров) |
|
3 |
Экранирование существующими постройками (зданиями, сплошными ограждениями и пр.) |
до 18 дБА |
|
4 |
Устройство участка автомобильной дороги в тоннеле |
до нормативных значений |
|
5 |
Сохранение существующих зелёных насаждений, соответствующих рекомендациям, приведённым в п.6.1 |
до 5 дБА |
|
6 |
Ограничение скорости движения |
до 2 дБА |
|
7 |
Применение в качестве дорожного покрытия малошумного асфальта |
до 3 дБА |
5.4 В качестве исходных данных для акустических расчётов с учётом пассивных мероприятий рекомендуется использовать:
- данные об интенсивности движения автотранспорта на всех участках автомобильной дороги при новом строительстве, реконструкции и капитальном ремонте или на участке дороги, где необходимо предусмотреть шумозащитные мероприятия в ходе работ по повышению уровня обустройства автомобильных дорог;
- инженерно-геодезические изыскания;
- данные о существующей и проектируемой полосе отвода земель и кадастровых границах смежных участков;
- чертежи плана автомобильной дороги;
- чертежи продольного профиля автомобильной дороги, при необходимости используются рабочие поперечные профили автомобильной дороги;
- схемы организации дорожного движения (скорость движения на определённых участках дороги, наличие светофорных объектов и пр.);
- сведения о местах с особыми требованиями в части виброакустического воздействия (наличие зон с особыми требованиями: обсерватории, научные центры и пр.);
- сведения о существующих и сохраняющихся шумозащитных мероприятиях;
- сведения о применяемом дорожном покрытии.
5.5 К активным шумозащитным мероприятиям относится устройство дополнительных экранирующих шумозащитных конструкций, осуществляемое за счёт капитальных вложений, направленных на соблюдение санитарных норм при эксплуатации автомобильной дороги.
5.6 Оценочная эффективность активных шумозащитных мероприятий приведена в таблице 2.
Таблица 2 - Оценочная эффективность активных шумозащитных мероприятий
|
N пп |
Наименование активного мероприятия |
Теоретическая оценка снижения уровня звука |
|
1 |
Устройство шумозащитных зелёных насаждений |
до 5 дБА |
|
2 |
Устройство земляных (грунтовых) валов или устройство шумозащитных выемок |
до 5 дБА (при высоте конструкции до 2 метров над проезжей частью) и до 15 дБА (при высоте конструкции до 5 метров над проезжей частью) |
|
3 |
Устройство шумозащитных экранов |
до 20 дБА |
|
4 |
Устройство шумозащитных галерей |
до нормативных значений |
|
5 |
Звукоизолирующее остекление |
до 10 дБА (на нормируемой территории) и до нормативных значений (внутри нормируемых помещений) |
6.1.1 Конструкция полосы шумозащитных зелёных насаждений в поперечном профиле приведена на рисунке 2.
Для гарантии акустической эффективности при посадке полос шумозащитных зелёных насаждений рекомендуется осуществлять плотное примыкание крон деревьев между собой и заполнение пространства под кронами до поверхности земли кустарником.
6.1.2 Оценку эффективности затухания шума рекомендуется производить согласно ГОСТ 31295.2-2005. Затухание может происходить вблизи источника шума (транспортного потока) или приёмника (нормируемой территории), или в обоих случаях. Для расчёта затухания вследствие дополнительных эффектов криволинейную траекторию распространения звука по ветру рекомендуется аппроксимировать дугой окружности с радиусом 5000 м (длина траектории звука через листву равна df=d1+d2). В качестве альтернативы аппроксимирующей дуге окружности траектория может быть представлена прямыми линиями на участках d1 и d2, наклоненными к земле под углом 15° (см. рисунок 2).
Оценку снижения шума зелёными насаждениями рекомендуется выполнять для деревьев высотой не менее 5 м и шириной полосы зелёных насаждений d не менее 10 м.
6.1.3 Оценку снижения шума зелёными насаждениями рекомендуется выполнять с учётом роста интенсивности в период перспективного развития (когда на период начала эксплуатации акустическими расчётами превышения шума в расчётных точках не наблюдается, но с учётом роста интенсивности к концу расчётного периода могут быть превышения шума в расчётных точках не более, чем расчётная эффективность зелёных насаждений).
6.1.4 Полосы шумозащитных зелёных насаждений рекомендуется предусматривать из пород быстрорастущих деревьев и кустарников, устойчивых к условиям воздушной среды в городах и других поселениях и произрастающих в соответствующей климатической зоне.

1 - источник шума, 2 - приёмник шума, 3 - высокорослые деревья, 4 - низкорослые кустарники
Рисунок 2 - Конструкция шумозащитных зелёных насаждений
6.1.5 Ширина и возможность посадки полосы зелёных насаждений может ограничиваться нормами отвода земель, необходимыми для определения границ полосы отвода автомобильных дорог, установленными Постановлением Правительства РФ от 2 сентября 2009 г. N 717 [4], а также наличием разрешения посадки за границами полосы отвода от собственника в соответствии с законодательством РФ.
6.2.1 Земляной (грунтовый) вал представляет собой планомерно возведённую насыпь, расположенную вдоль автомобильной дороги, вершина которой располагается выше проезжей части. Конструкция земляного вала приведена на рисунке 3.

1 - основание земляного вала, 2 - подошва откоса земляного вала, 3 - откос земляного вала, 4 - тело откоса земляного вала, 5 - бровка откоса земляного вала, 6 - высота откоса земляного вала, 7 - гребень откосов земляного вала, 8 - тело земляного вала
Рисунок 3 - Конструкция земляного вала
6.2.2 Акустическую эффективность земляного вала рекомендуется определять, используя все его геометрические параметры (форму, высоту и положение в плане и поперечном профиле). Расчёт эффективности рекомендуется производить в соответствии с положениями ОДМ 218.2.013-2011 [3] или ГОСТ 31295.2-2005.
Рекомендуемое размещение земляного вала в поперечном профиле в соответствии с ОДМ 218.2.013-2011 [3] приведено на рисунке 4.

а - на участках в нулевых отметках, б - на участках насыпи, в - на участках выемки
Рисунок 4 - Расположение земляных валов в поперечном профиле
6.2.3 Габариты земляного вала (форма и высота) ограничиваются устойчивостью его откосов и нормами отвода земель, необходимыми для определения границ полосы отвода автомобильных дорог, установленными Постановлением Правительства РФ от 2 сентября 2009 г. N 717 [4]. Рекомендованная ширина гребня откосов земляного вала составляет более 1 метра для удобства уплотнения грунта в теле земляного вала и его откосах.
6.2.4 Устойчивость откосов земляного вала рекомендуется рассчитывать в соответствии с положениями ВСН N 04-71 [5] с учётом свойств грунта, из которого устраивается земляной вал.
6.2.5 Несущую способность основания земляного вала рекомендуется определять в соответствии с требованиями СП 22.13330.
6.3.1 Шумозащитные выемки рекомендуется устраивать при невозможности добиться снижения шума до нормативных значений в расчётной точке при проложении автомобильной дороги в выемке с пологими откосами (недостаточность пассивных шумозащитных мероприятий).
Конструкция шумозащитной выемки представлена на рисунке 5.

1 - источник шума, 2 - расчётная точка, 3 - проектируемый откос выемки, 4 - укреплённый откос шумозащитной выемки, 5 - поверхность земли, a, b, c - соответствующие расстояния
Рисунок 5 - Конструкция шумозащитной выемки
6.3.2 Расчёт акустической эффективности шумозащитной выемки рекомендуется производить как для проложения автомобильной дороги в выемке в соответствии с положениями ОДМ 218.2.013-2011 [3].
6.3.3 Устойчивость неукреплённых откосов шумозащитной выемки рекомендуется рассчитывать в соответствии с положениями ВСН N 04-71 [5].
6.3.4 При необходимости заложения вертикального откоса его, как правило, укрепляют подпорными стенами из преимущественно местных материалов: армированный грунт, бетон, габионы, и т.п.
6.4.1 Шумозащитные экраны рекомендуется устанавливать в случаях, когда уровни шума в расчётных точках с учётом пассивных шумозащитных мероприятий значительно превышают нормативные значения, а другие экранирующие шумозащитные конструкции, невозможно устроить или их расчётной акустической эффективности недостаточно.
6.4.2 Расчёт акустической эффективности шумозащитных экранов с определением их высоты и протяжённости рекомендуется производить в соответствии с СП 276.1325800.2016, ОДМ 218.2.013-2011 [3] и ГОСТ 31295.2-2005.
6.4.3 Основные технические характеристики, рекомендации по выбору и проектированию шумозащитных экранов и их элементов приведены в разделе 8 настоящего ОДМ.
6.5.1 Шумозащитные галереи наиболее технически сложные из шумозащитных экранирующих конструкций, которые влияют на все конструктивные элементы и технологические части автомобильной дороги. Устройство данных сооружений рекомендуется предусматривать только в крайних случаях, когда невозможно добиться нормативных значений уровней шума всеми вышеперечисленными способами.
6.5.2 Технические требования для подобных сооружений ввиду отсутствия специализированной нормативной документации рекомендуется устанавливать, как для тоннелей в соответствии с СП 122.13330.2012, габариты приближения строений и рекомендуется принимать в соответствии с ГОСТ 24451-80.
6.5.3 Рекомендуемая акустическая эффективность шумозащитной галереи зависит от степени перекрытия проезжей части (см. рисунок 6). В таблице 3 приведены справочные значения эффективности шумозащитных галерей в зависимости от перекрытия проезжей части на основании данных ОДМ 218.2.013-2011 [3].
Таблица 3 - Справочные значения эффективности шумозащитных галерей в зависимости от перекрытия проезжей части
|
Степень перекрытия проезжей части, % |
25 |
50 |
75 |
100 |
|
Снижение уровня звука, дБА |
25 |
28 |
30 |
>30 |

а - перекрытие проезжей части на 25%, б - перекрытие проезжей части на 50%, в - перекрытие проезжей части на 75%, г - перекрытие проезжей части на 100%; 1 - источник шума, 2 - расчётная точка, 3 - несущие конструкции шумозащитной галереи, 4 - ограждающие конструкции шумозащитной галереи
Рисунок 6 - Шумозащитные галереи с различной степенью перекрытия проезжей части
6.5.4 В конструктивном исполнении шумозащитная галерея состоит, как правило, из несущих элементов П-образной формы и закреплённых на них ограждающих конструкций из шумозащитных панелей, которые обеспечивают степень перекрытия проезжей части и акустическую эффективность галереи.
6.5.5 При проектировании шумозащитных галерей рекомендуется учитывать тот фактор, что при движении автотранспорта внутри галереи происходит увеличение уровня звука за счёт внутреннего отражения звуковых волн до 10 дБА, для уменьшения подобного эффекта рекомендуется внутренние поверхности выполнять со звукопоглощением.
6.6.1 Для достижения нормативных значений шума внутри помещений и на защищаемой территории рекомендуется предусматривать звукоизолирующее остекление фасадов зданий (схемы и примеры звукоизолирующего остекления приведены на рисунках 7, 8).
6.6.2 Устройство конструкций данного мероприятия рекомендуется как в совокупности с другими экранирующими конструкциями, так и отдельно. При совокупности таких шумозащитных конструкций, как шумозащитный экран и остекление, возможно добиться акустического эффекта, как от устройства шумозащитных галерей.
Устройство звукоизолирующего остекления как отдельного и единственного шумозащитного мероприятия с учётом пассивных шумозащитных мероприятий, рекомендуется проводить при защите населённых пунктов с численностью населения менее 200 человек и интенсивностью движения менее 2000 авт./сут.

а) звукоизолирующее остекление с применением шумозащитных окон,
б) звукоизолирующее остекление экранированием фасада
1 - шумозащитное окно, снабжённое специальным приточно-вытяжным элементом, встраиваемым в раму окна (см. рисунок 9а), 2 - шумозащитное окно, снабжённое специальным приточно-вытяжным элементом, встраиваемым в стену (см. рисунок 9б), 3 - экранирование фасада здания звукоизолирующим прозрачным материалом
Рисунок 7 - Схемы применения звукоизолирующего остекления


а - устройство шумозащитных окон, снабжённых специальными приточно-вытяжными элементами, встраиваемыми в раму окна, б - устройство шумозащитных окон, снабжённых специальными приточно-вытяжными элементами, встраиваемыми в стену, в - экранирование фасада здания звукоизолирующим прозрачным материалом
Рисунок 8 - Примеры применения звукоизолирующего остекления

а) встраиваемых в раму окна, б) встраиваемых в стену
Рисунок 9 - Внешний вид специальных приточно-вытяжных элементов
6.6.3 Звукоизолирующее остекление не является технологической частью автомобильной дороги, технически оно имеет принадлежность к конструкциям защищаемых зданий, рекомендуется обеспечить их соответствие нормативной документации соответствующей отрасли с учётом расчётных акустических параметров.
6.6.4 Акустическую эффективность установки шумозащитных окон рекомендуется определять в соответствии с положениями СП 276.1325800.2016, конструкция окон с необходимой расчётной звукоизоляцией целесообразно назначать с учётом требований ГОСТ 23166-99 и/или ГОСТ 30674-99.
6.6.5 Акустическую эффективность экранирования фасада здания звукоизолирующим прозрачным материалом рекомендуется рассчитывать в соответствии с методиками, изложенными в СП 276.1325800.2016 и ОДМ 218.2.013-2011 [3], как для шумозащитного экрана с определёнными акустическими характеристиками.
6.6.6 При устройстве шумозащитных окон, если в ходе предпроектного осмотра сооружений выяснено, что конструкция существующего окна имеет удовлетворительную звукоизоляцию, рекомендуется ограничиться установкой приточно-вытяжной вентиляции, встраиваемой в стену.
Если помещения здания оборудованы автоматической системой кондиционирования воздуха и при этом имеют окна с необходимой звукоизоляцией, то в таком случае устройство шумозащитных конструкций нецелесообразно, подобное здание учитывается в расчёте в пассивных шумозащитных мероприятиях.
6.6.7 Устройство шумозащитных окон возможно по согласованию с собственниками помещений.
6.6.8 Устройство экранирования фасада прозрачным материалом рекомендуется осуществлять в зависимости от местоположения защищаемого здания:
- с согласия собственников помещений, если здание относится к частному домовладению на территории садоводческого некоммерческого товарищества или других подобных поселений;
- с согласия собственников помещений с учётом согласования изменения внешнего вида здания в структурах, определяющих градостроительную деятельность, если здание находится в крупных населённых пунктах и количество этажей в здании два и более.
7.1 Действующие нормативные документы в области шумозащиты на автомобильных дорогах (ГОСТ 32957-2014, СП 276.1325800.2016 и ОДМ 218.2.013-2011 [3]) для шумозащитных конструкций регламентируют:
- способность обеспечивать снижение уровней транспортного шума, проникающего на нормируемую территорию, до допустимых значений;
- конфигурацию шумозащитных конструкций в полосе отвода земель автомобильной дороги;
- способность препятствовать снегозаносимости проезжей части;
- обеспечение безопасности дорожного движения при размещении вдоль дороги и, при необходимости беспрепятственного доступа для оказания помощи и эвакуации пострадавших при дорожно-транспортных происшествиях;
- бесперебойную работу системы водоотвода с проезжей части с учётом обеспечения своей акустической эффективности;
- удобство в обслуживании и эксплуатации;
- доступ для эксплуатации других частей автомобильной дороги (обеспечение подхода к автобусным остановкам, пешеходным переходам, при производстве ремонтов частей дороги, очистке конструктивных элементов дороги и пр.);
- прочность и устойчивость в условиях эксплуатации;
- обеспечение долговечности с учётом агрессивности среды эксплуатации;
- мероприятия по обеспечению пожаробезопасности;
- транспортабельность, простота при их возведении, монтаже и эксплуатации, допускать быструю замену повреждённых в ходе эксплуатации элементов;
- доступность (достаточное количество на рынке и оптимальная стоимость с учётом их возведения);
- эстетичный вид, удачное сочетание с ландшафтом.
7.2 Оценка возможности выполнения шумозащитными конструкциями предъявляемых к ним требований представлена в таблице 4. В таблице 4 показана возможность обеспечения тех или иных требований и/или максимальный результат, которого возможно добиться с учётом различных конструктивных и технологических изменений.
В зависимости от значения критерия каждой шумозащитной конструкции рекомендуется присваивать определённое количество баллов от 1 до 5 согласно таблице 4. Для определения оптимальности устройства каждой шумозащитной конструкции баллы суммируются, оптимальной рекомендуется считать ту конструкция, которая имеет наибольшее число баллов.
7.3 При выборе определённой шумозащитной конструкции оценивают:
- необходимое значение акустической эффективности шумозащитной конструкции с учётом всех учтённых пассивных мероприятий;
- возможность устройства той или иной конструкции в имеющихся условиях;
- оптимальность устройства, определяемую по таблице 4.
7.4 Рекомендуемый алгоритм выбора оптимальной шумозащитной конструкции выглядит следующим образом:
- определяется необходимая акустическая эффективность конструкции на основании акустических расчётов, подбор попадающих под этот критерий конструкций допускается производить без детальных расчётов по таблице 2;
- определяется возможность устройства выбранных конструкций, производится оценка местности и расположения конструктивных элементов дороги;
- оставшиеся после двух этапов отбора конструкции рекомендуется оценивать по шкале оптимальности в соответствии с таблицей 4 для окончательного выбора оптимальной шумозащитной конструкции, способной обеспечить нормируемые уровни шума в расчётной точке.
7.5 При расчёте активных шумозащитных мероприятий рекомендуется делать упор на выбор одной шумозащитной конструкции, которая самостоятельно способна обеспечить необходимый уровень шума; при отсутствии возможности добиться необходимых норм с применением одной конструкции рекомендуется рассматривать варианты комплексного решения в совокупности нескольких шумозащитных конструкций.
7.6 Если в соответствии с акустическими расчётами предполагается устройство шумозащитной галереи (эффективность мероприятий должна быть более 30 дБА), то в таком случае рекомендуется сначала рассчитать комплексное решение шумозащитных конструкций (например, устройство шумозащитного экрана и звукоизолирующего остекления). Если для достижения санитарных норм расчётом предусматривается устройство в комплексе более трёх различных шумозащитных конструкций, в таком случае применение шумозащитной галереи неизбежно.
7.7 Ориентировочные размеры грунтовых валов и соответствующих им шумозащитных экранов для примера на основании данных ОДМ 218.2.013-2011 [3] приведены на рисунке 10.

Рисунок 10 - Сравнение размеров равных по эффективности шумозащитных конструкций
Таблица 4 - Критерии выбора различных шумозащитных конструкций
|
Критерий (требование) |
ШЗН |
ЗГВ |
ШВ |
ШЭ |
ШГ |
ЗО |
|
Максимальная акустическая эффективность и количество баллов по шкале оптимальности |
< 5 дБА |
< 15 дБА |
< 15 дБА |
< 20 дБА |
> 30 дБА |
< 10 дБА (+30 дБА в помещении) |
|
1 |
2 |
2 |
3 |
4 |
5 | |
|
Конструктивная ширина видимой части, влияющая на ширину полосы отвода и количество баллов по шкале оптимальности |
>10 м |
>5 м |
<0, 5 м |
<1 м |
>12 м |
н.п. |
|
2 |
3 |
5 |
4 |
1 |
0 | |
|
Обеспечение снегопереноса или отсутствие снегоотложений и количество баллов по шкале оптимальности |
+ |
- |
- |
- |
+ |
н.п.. |
|
5 |
1 |
1 |
1 |
5 |
0 | |
|
Отсутствие влияния на безопасность дорожного движения и количество баллов по шкале оптимальности |
+ |
+ |
+ |
+ |
± |
+ |
|
5 |
5 |
5 |
5 |
3 |
5 | |
|
Отсутствие необходимости устройства дополнительных элементов водоотведения и количество баллов по шкале оптимальности |
+ |
- |
+ |
- |
- |
+ |
|
5 |
1 |
5 |
1 |
1 |
5 | |
|
Удобство обслуживания и эксплуатации и количество баллов по шкале оптимальности |
+ |
± |
± |
± |
± |
+ |
|
5 |
3 |
3 |
3 |
3 |
5 | |
|
Возможность выполнения конструктивных мер для обеспечения обслуживания и эксплуатации элементов и сооружений автодороги и количество баллов по шкале оптимальности |
+ |
± |
+ |
+ |
± |
н.п. |
|
5 |
3 |
5 |
5 |
3 |
0 | |
|
Возможность обеспечения конструктивной прочности на весь период службы и количество баллов по шкале оптимальности |
± |
+ |
+ |
+ |
+ |
+ |
|
3 |
5 |
5 |
5 |
5 |
5 | |
|
Способность противостоять агрессивности среды эксплуатации и количество баллов по шкале оптимальности |
± |
+ |
+ |
+ |
+ |
+ |
|
3 |
5 |
5 |
5 |
5 |
5 | |
|
Выполнение требований пожарной безопасности конструкции и количество баллов по шкале оптимальности |
- |
+ |
+ |
+ |
± |
+ |
|
1 |
5 |
5 |
5 |
3 |
5 | |
|
Простота конструкции и количество баллов по шкале оптимальности |
± |
± |
- |
± |
- |
+ |
|
3 |
3 |
1 |
3 |
1 |
5 | |
|
Транспортабельность и удобство монтажа и количество баллов по шкале оптимальности |
- |
- |
- |
+ |
+- |
+ |
|
1 |
1 |
1 |
5 |
3 |
5 | |
|
Доступность и стоимость, и количество баллов по шкале оптимальности |
± |
+ |
+ |
+ |
± |
+ |
|
3 |
5 |
5 |
5 |
3 |
5 | |
|
Эстетичный вид готовой конструкции и количество баллов по шкале оптимальности |
+ |
+ |
± |
+ |
+ |
+ |
|
5 |
5 |
5 |
5 |
5 |
5 | |
|
Шкала оптимальности (общее количество баллов) |
47 |
47 |
53 |
55 |
45 |
55 |
Примечание - Критерии назначения максимального и минимального балла по шкале оптимальности
0 - конструкция по данному критерию не характеризуется (н.п. - не применяется);
1 - конструкция заданному критерию полностью не соответствует;
2 - конструкция заданному критерию соответствует в малой степени;
3 - конструкция заданному критерию частично не соответствует;
4 - конструкция заданному критерию соответствует не в полной мере;
5 - конструкция заданному критерию полностью соответствует.
8.1.1 Шумозащитные экраны, устанавливаемые вдоль автомобильных дорог, рекомендуется классифицировать по следующим признакам:
- физическому принципу снижения шума;
- конструктивному решению верхней части;
- материалу шумозащитных панелей;
- типу фундамента;
- области применения.
8.1.2 В зависимости от физического принципа снижения шума шумозащитные экраны рекомендуется подразделять на:
- отражающие;
- отражающе-поглощающие.
8.1.3 По конструктивному решению верхней части шумозащитные экраны рекомендуется подразделять на:
- шумозащитные экраны без надстройки верхней граничной поверхности;
- шумозащитные экраны с надстройкой верхней пограничной поверхности.
На рисунке 11 приведены примеры формы шумозащитных экранов в поперечном разрезе.

а - без надстройки верхней граничной поверхности, б - с надстройкой в виде наклонного козырька, в - с надстройкой в виде двойного горизонтального козырька, г - с надстройкой в виде двойного наклонного козырька, д - с надстройкой в виде протяжённой звукопоглощающей конструкции
Рисунок 11 - Форма шумозащитных экранов в поперечном разрезе
8.1.4 В зависимости от материала, из которого сделаны шумозащитные панели, шумозащитные экраны рекомендуется подразделять на:
- металлические (состоящие целиком из панелей из конструкционной стали с защитным покрытием, алюминия, нержавеющей стали, металлических сплавов и пр.);
- прозрачные (состоящие целиком из прозрачных панелей из полиметилметакрилата, поликарбоната, закалённого стекла и пр.);
- бетонные или каменные (состоящие целиком из панелей из бетона, железобетона, кирпича и пр.);
- деревянные (каркас которых состоит целиком из деревянных панелей);
- композитные;
- щепобетонные;
- комбинированные (состоящие из панелей из различных материалов, например, металлических и прозрачных) и др.
В соответствии с п. 8.1.2 шумозащитные экраны из вышеописанных и иных материалов могут быть как отражающими, так и отражающе-поглощающими. Критерием отнесения конкретных шумозащитных экранов к отражающее-поглощающим является наличие поглощающих свойств конструкции с коэффициентом звукопоглощения не менее 0, 3, подтвержденного протоколами испытаний сертифицированной лаборатории. Рекомендации к акустическим характеристикам шумозащитных панелей представлены в п. 8.9. Рекомендуемые коэффициенты звукопоглощения панелей в акустической камере представлены в таблице 7.
8.1.5 По типу фундамента шумозащитные экраны рекомендуется подразделять на:
- экраны с фундаментом глубокого заложения (свайное основание);
- экраны с фундаментами мелкого заложения (столбчатые или ленточные, сборные или монолитные фундаменты);
- экраны без фундамента (шумозащитное полотно, устанавливаемое на искусственные сооружения, или конструктивно выполненное таким образом, что самостоятельно без фундамента способно нести эксплуатационные нагрузки).
8.1.6 В зависимости от области применения шумозащитные экраны рекомендуется подразделять на:
- универсальные (с поверхностной плотностью не более 50 кг/м2), которые могут быть использованы без ограничений как на земляном полотне, так и на искусственных сооружениях;
- тяжёлые (с поверхностной плотностью более 50 кг/м2), которые могут иметь обоснованные расчётами ограничения по использованию на искусственных сооружениях.
8.2.1 Согласно установившимся определениям шумозащитные экраны (или придорожные шумозащитные экраны согласно определению СП 276.1325800.2016, или акустические экраны согласно определениям ГОСТ 32957-2014 и СТО АВТОДОР 2.9-2014 [6]) конструктивно представляют собой сплошное ограждение, состоящее из шумозащитных панелей, несущих стоек и фундамента.
8.2.2 Конструкция шумозащитного экрана подразделяется на два основных элемента в зависимости от их функционального назначения:
- шумозащитное полотно, функционально предназначенное для снижения шума от транспортного потока в расчётной точке;
- фундамент, функционально предназначенный для восприятия нагрузок от шумозащитного полотна и распределения его по основанию.
8.2.3 Шумозащитное полотно по своему составу без фундамента не имеет признаков капитальности и является конструктивным элементом комплексного инженерного сооружения (например, шумозащитного экрана). При необходимости обеспечения санитарных норм по шуму в определённых расчётных точках шумозащитное полотно может быть установлено на искусственных дорожных сооружениях (подпорных стенах, пролётных строениях мостов и эстакад и пр.). В случае установки на искусственных дорожных сооружениях шумозащитное полотно рассматривается как конструктивный элемент искусственного сооружения, который не несёт укрепительную функцию сооружения, но влияет на его конструктивные особенности и прочностные характеристики.
8.3.1 При устройстве шумозащитных экранов рекомендуется оценивать их возможный негативный вклад в безопасность дорожного движения (проверять ограничение видимости, оценивать возможность возникновения дорожно-транспортных происшествий в районе устройства и пр.), а также рекомендуется предусматривать конструктивные решения экранов, позволяющие при необходимости беспрепятственно оказывать помощь и эвакуацию пострадавших при дорожно-транспортных происшествиях.
8.3.2 При разработке планировочных технических решений шумозащитные экраны рекомендуется располагать как можно ближе к источнику шума (автодороге) с учётом обеспечения требований безопасности дорожного движения. Рекомендуемым местом для установки экранов является обочина автомобильной дороги. При проектировании шумозащитного экрана на обочине для обеспечения прочности и устойчивости экрана, а также для обеспечения прочности и устойчивости земляного полотна, являющегося основанием для фундамента экрана и воспринимающего нагрузки от экрана, обочина может быть выполнена шире установленных нормативных значений. Ширину обочины для расположения на ней шумозащитного экрана рекомендуется выбирать с учётом:
- расстояния между элементами шумозащитного экрана и элементами дороги (в том числе элементами обустройства) в соответствии с требованиями безопасности дорожного движения;
- ширины выступающей из земли части фундамента шумозащитного экрана;
- расстояния по горизонтали (в свету) между фундаментом шумозащитного экрана и бровкой (назначаемым не менее 0, 5 м).
8.3.3 Расстояния между элементами шумозащитных экранов и элементами автомобильной дороги вне населённых пунктов рекомендуется выдерживать следующим образом (см. рисунок 12):
- не менее 4 метров от кромки проезжей части (фактически центральной части линии разметки крайней полосы движения) до шумозащитного экрана (поверхности наиболее приближённого элемента шумозащитного полотна), если выезд транспортного средства на обочину не пресекается установкой специальных препятствий (металлического барьерного ограждения, бортового камня и пр.), при этом высота фундамента над поверхностью планировки должна быть не более 0, 3 м;
- не менее 2, 5 метров от кромки проезжей части (фактически центральной части линии разметки крайней полосы движения) до шумозащитного экрана (поверхности наиболее приближённого элемента шумозащитного полотна), если выезд транспортного средства на обочину пресекается установкой специальных препятствий. При этом если специальным препятствием является барьерное ограждение, расстояние от его наружной волны до шумозащитного экрана (поверхности наиболее приближённого элемента шумозащитного полотна) должно быть не менее максимальной рабочей ширины барьерного ограждения. Если специальным препятствием является бортовой камень, то расстояние от кромки асфальта до шумозащитного экрана должно быть не менее 1, 5 м;
- не менее 1, 0 метра в стеснённых условиях от кромки проезжей части (фактически центральной части линии разметки крайней полосы движения) до фундамента шумозащитного экрана в свету (по горизонтали), при этом фундамент шумозащитного экрана выполнен монолитным образом по типу бетонного ограждения DeltaBloc New-Jersey (односторонний).


а - устройство шумозащитного экрана без защиты от наезда транспортных средств, б - устройство шумозащитного экрана с защитной от наезда с помощью барьерного ограждения, в - устройство шумозащитного экрана с защитной от наезда с помощью бортового камня, г - устройство шумозащитного экрана на фундаменте в виде бетонного ограждения
Рисунок 12 - Схемы устройства шумозащитных экранов в поперечном профиле автомобильной дороги
8.3.4 При расчёте шумозащитных мероприятий и выборе в качестве шумозащитной конструкции экрана рекомендуется учитывать расстояние от проезжей части до места его установки:
- при ширине принятой или проектируемой обочины 1, 5 метра на особо трудных участках горной местности, на участках, проходящих по особо ценным земельным угодьям, а также в местах с переходно-скоростными полосами и с дополнительными полосами на подъем установка шумозащитного экрана не рекомендуется;
- при ширине принятой или существующей обочины до 2, 5 метров на автомобильных дорогах II-IV категорий шумозащитный экран рекомендуется устраивать на дополнительной берме без использования дорожных ограждений, при этом расстояние между проезжей частью и экраном должно быть не менее 4, 0 метров, а разница в отметках между гребнем бермы и обочиной дороги должны быть не более 0, 5 метра;
- при ширине принятой или существующей обочины более 3, 50 метров на автомобильных дорогах I-II категорий шумозащитный экран рекомендуется устраивать в пределах ширины присыпной обочины с использованием дорожных ограждений, при этом расстояние между проезжей частью и экраном должно быть не менее 2, 5 метров.
8.3.5 На искусственных сооружениях, подпорных стенах и в местах, где в непосредственной близости от экрана находятся пешеходная зона, пути ж/д транспорта и другие объекты, для которых экран при возникновении аварийных ситуаций представляет опасность, шумозащитные панели рекомендуется защищать от падения специальными удерживающими устройствами - проволочными тросами либо другими приспособлениями. Рекомендуется, чтобы улавливающие и удерживающие приспособления выдерживали нагрузку, равную четырёхкратному весу элементов с учётом увлажнения панелей на 20%. Удерживающие тросы рекомендуется устанавливать по четырём углам каждой панели или по двум верхним углам, или проходить внутри конструкции панели и иметь связь с несущей стойкой, обеспечивающей последовательную связь всех элементов экрана в единое полотно.
8.3.6 Для соблюдения указаний СП 34.13330 по обеспечению видимости на подъездах к примыканиям, перекрёсткам, на поворотах дороги, в зоне пешеходных переходов при любом положении экрана в плане акустическое полотно рекомендуется выполнять прозрачным на высоте от 1, 0 до 3, 0 м от уровня планировки.
В местах скопления людей на территории, примыкающей к шумозащитному экрану (автобусные остановки, пешеходные переходы, тротуары, магазины и т.д.) рекомендуется применять в составе экрана панели с прозрачными вставками и антивандальным покрытием.
8.3.7 При организации разрывов шумозащитных экранов в местах примыканий без устройства полос разгона и торможения (в местах устройства съездов к частной территории) для обеспечения безопасности въезда или выезда транспортных средств рекомендуется устанавливать дорожные зеркала (см. рисунок 13).

а - общий вид экрана с открытыми воротами, б - пример эксплуатации проезда
Рисунок 13 - Пример организация разрыва в шумозащитном экране с устройством ворот и установкой дорожного зеркала на автомобильной дороге II категории с двумя полосами движения
8.3.8 Для предотвращения образования бликов при попадании на них света фар во избежание эффекта ослепления водителей других транспортных средств, покрытия лицевой поверхности бетонных или металлических шумозащитных панелей рекомендуется выполнять гладкими (однотонными от глянцевых до полуматовых) или рельефными в соответствии с ГОСТ 9.032-74.
8.3.9 При применении шумозащитных экранов элементы обустройства автомобильной дороги рекомендуется располагать со стороны проезжей части (исключением могут быть опоры освещения и колонны рамных опор дорожных знаков и автоматизированных систем управления дорожным движением, тротуары, а также лестнично-пандусные узлы надземных пешеходных переходов).
8.3.10 При организации проходов в шумозащитном экране (дверные проёмы, обоснованные разрывы в районе пешеходных переходов, подходов к местам общественного доступа), рекомендуется предусмотреть мероприятия по обеспечению возможности использования таких проходов людьми с ограниченными возможностями в соответствии с указаниями СП 59.13330 (если подобное требование установлено техническом задании на проектирование).
8.3.11 Для снижения утомляемости водителей транспортных средств при движении по автомобильной дороге вдоль шумозащитного экрана протяжённостью более пяти километров рекомендуется данный экран выполнять наименее монотонным (экран рекомендуется выполнять с плавными переходами формы или цвета, из различных материалов и пр.).
8.4.1 При устройстве шумозащитных экранов рекомендуется обеспечить беспрепятственный проезд пожарной техники к защищаемым зданиям и сооружениям, дворовым территориям, пожарным водоёмам и пр..
Для обеспечения требований пожарной безопасности в шумозащитном экране рекомендуется устраивать пожарные проходы, совмещённые с прочими технологическими проходами, а при их отсутствии располагать пожарные проходы на расстоянии не более 500 м от края экрана и друг от друга. Пожарный проход рекомендуется выполнять в виде звукоизолирующей двери или проёма, защищённого контрэкраном. Пожарные проезды с устройством ворот рекомендуется устраивать в местах примыканий местных или других проездов с малой интенсивностью (проездов, используемых ограниченным кругом лиц).
8.4.2 При устройстве в шумозащитных экранах ворот размеры проёма для проезда пожарной техники рекомендуется устраивать не менее указанных в таблице 5.
Таблица 5 - Размеры проёмов при устройстве ворот в шумозащитных экранах
|
Высота защищаемой застройки, м |
Ширина проёма, м |
Высота проёма, м |
|
до 13 (5 этажей) |
3, 5 |
4, 25 |
|
от 13 до 46 (6-16 этажей) |
4, 2 | |
|
более 46 (17 этажей) |
6, 0 |
8.4.3 При высоте экрана H противопожарное расстояние от него до зданий и сооружений рекомендуется устанавливать не менее, чем 1, 5Н (исключением может быть прохождение шумозащитного экрана в районе устройства надземного пешеходного перехода, где расстояние между сооружениями, ввиду наличия стеснённых условий в границах полосы отвода, регулируется нормами по проектированию их конструктивных элементов).
При устройстве экрана, все элементы которого выполнены из материалов группы НГ, противопожарные расстояния не нормируются.
8.4.4 Шумозащитный экран рекомендовано классифицировать в соответствии с N 123-ФЗ Технический регламент о требованиях пожарной безопасности [7] по степени огнестойкости и конструктивной пожарной опасности сооружения, по функциональной пожарной опасности шумозащитные экраны не классифицируются. На основании принятой классификации шумозащитных экранов рекомендовано обеспечить соответствие строительных конструкций определённым требованиям в зависимости от места установки на основании указаний п. 8.4.5 и п. 8.4.6. Предел огнестойкости и класс пожарной опасности строительных конструкций экранов рекомендуется отражать в Сертификатах пожарной безопасности на продукцию (значения REI, установленные в соответствии с ГОСТ 30247.0, и значение К, установленное в соответствии с ГОСТ 30403).
8.4.5 Рекомендуемая степень огнестойкости шумозащитных экранов:
- не менее IV при проектировании и установке на искусственных сооружениях;
- не менее V при проектировании и установке на собственном фундаменте.
8.4.6 Рекомендуемый класс по конструктивной пожарной опасности к шумозащитным экранам:
- не менее С1 при проектировании и установке на искусственных сооружениях;
- не менее С3 при проектировании и установке на собственном фундаменте.
8.4.7 При использовании в составе шумозащитных экранов панелей, элементы которых полностью или частично выполнены из материалов групп Г1-Г4, несущие стойки и элементы крепления панелей в стойках для ограничения распространения возможного пожара по всей конструкции шумозащитного полотна рекомендуется выполнять из материалов группы НГ в соответствии с ГОСТ 30244.
8.4.8 При устройстве шумозащитного экрана в зоне возможного контакта его частей с проводами высокого напряжения (например, под линией электропередачи в случае её обрыва) рекомендуется устройство заземления элементов шумозащитного полотна.
8.4.9 Заземление шумозащитного экрана рекомендуется производить на специально спроектированные для этих целей металлические контуры. Конструкцию заземлителя (контура) и глубину заложения его частей рекомендуется определять в каждом конкретном случае отдельно согласно расчётам. По результатам расчётов рекомендуется прокладывать либо горизонтальный заземлитель, либо вертикальный, либо оба в совокупности (см. рисунок 14).

1 - несущие стойки шумозащитного экрана, 2 - соединение несущих стоек с главной заземляющей шины, 3 - главная заземляющая шина, 4 - соединение ГЗШ с заземлителем, 5 - горизонтальный заземлитель; 6 - вертикальный заземлитель
Рисунок 14 - Принципиальная схема заземления шумозащитного экрана
8.4.10 При выполнении заземления экрана рекомендуется учитывать:
- наличие единой главной заземляющей шины (ГЗШ), соединяющей все металлические элементы экрана, рекомендуется обеспечить визуальный контроль всех соединений;
- соединение ГЗШ с заземлителем рекомендуется производить в соответствии с расчётами заземляющего устройства экранов, при этом ГЗШ рекомендуется разбивать на участки длиной не более 100 метров каждый, в месте разрыва ГЗШ элементы экрана рекомендуется разделять диэлектриком;
- проводники, соединяющие ГЗШ с заземлителем, рекомендуется выполнять максимально короткими;
- заземляющие провода, соединяющие ГЗШ с индивидуальным заземлителем, рекомендуется выполнять двумя многожильными медными кабелями сечением не менее 25 мм2 каждый или двумя плоскими стальными полосами сечением не менее 100 мм2 каждый;
- заземляющие провода к заземлителю рекомендуется выполнять с использованием разборных контактных соединителей (разделительной перемычкой), обеспечивающих возможность отключения заземлителя от ГЗШ;
- ГЗШ и проводники рекомендуется выполнять из медных сплавов, а в их конструкции предусматривать возможность индивидуального отсоединения присоединённых к ним других проводников.
8.4.11 Шумозащитный экран, находящийся в зоне возможного контакта с проводами переменного тока, рекомендуется заземлять двумя проводниками наглухо. В зоне возможного контакта с проводами постоянного тока в цепь заземления рекомендуется включать диодные заземлители, заземление через которые в проводящем направлении эквивалентно глухому заземлению.
8.4.12 Контроль сопротивления заземляющего устройства рекомендуется осуществлять путём его измерения в соответствии с действующими нормативными правовыми и нормативными техническими документами в области электробезопасности.
8.5.1 Фундамент шумозащитного экрана при его устройстве визуально можно разделить на две части (см. рисунок 15):
- видимую;
- невидимую.
Видимая часть фундамента наряду с шумозащитным полотном по функциональному определению обеспечивает акустическую эффективность шумозащитного экрана за счёт перекрытия зазора, образующегося в условиях переменного продольного профиля автомобильной дороги, между нижним срезом шумозащитного полотна и поверхностью планировки.

1 - шумозащитное полотно, 2 - видимая часть фундамента, 3 - невидимая часть фундамента
Рисунок 15 - Определение визуальных частей фундамента шумозащитного экрана
8.5.2 Для обеспечения акустической эффективности шумозащитного экрана рекомендуется, чтобы видимая часть фундамента экрана была выполнена в виде ленты по всей протяжённости. Исходя из условия, определяемого акустической эффективностью, рекомендуются следующие виды фундаментов (см. рисунки 16 - 18):
- свайные фундаменты с низким ростверком;
- ленточные фундаменты;
- столбчатые фундаменты с низким ростверком.
Кроме классических вариантов фундаментов для обеспечения условий акустической эффективности допустимо применение точечных фундаментов со сборным железобетонным низким ростверком, в качестве которого могут выступать бетонные панели. Конструкция такого фундамента представлена на рисунке 19.

1 - видимая часть фундамента, 2 - уровень планировки поверхности, 3 - невидимая часть фундамента, 4 - свая, 5 - ступень видимой части фундамента, 6 - тело земляного полотна, 7 - несущее основание
Рисунок 16 - Схема устройства свайного фундамента с низким ростверком

1 - видимая часть фундамента, 2 - уровень планировки поверхности, 3 - невидимая часть фундамента, 4 - ступень видимой части, совмещённая с деформационным швом, 5 - тело земляного полотна, 6 - несущее основание
Рисунок 17 - Схема устройства ленточного фундамента

1 - видимая часть фундамента, 2 - уровень планировки поверхности, 3 - невидимая часть фундамента, 4 - столбчатый фундамент, 5 - ступень видимой части фундамента, 6 - тело земляного полотна, 7 - несущее основание
Рисунок 18 - Схема устройства столбчатого фундамента с низким ростверком

1 - шумозащитное полотно, 2 - видимая часть фундамента, 3 - уровень планировки поверхности, 4 - невидимая часть фундамента, 5 - точечная свая, 6 - бетонирование базовой части несущей стойки, 7 - тело земляного полотна, 8 - несущее основание
Рисунок 19 - Схема устройства точечного фундамента со сборным железобетонным низким ростверком
8.5.3 При определённом расчётном обосновании шумозащитное полотно может являться самостоятельной несущей конструкцией без применения фундамента (см. рисунок 20). Для осуществления подобных решений рекомендуется использовать два технологических принципа:
- защемление несущих стоек в теле земляного полотна путём их вдавливания, вибропогружения или вкручивания на определённую расчётную глубину (по принципу устройства стоек барьерного ограждения);
- изменение формы несущих стоек путём добавления горизонтальных конструктивных элементов в нижней части, опираемой на грунт.
Оба принципа имеют ряд достоинств и недостатков конструкции. Важнейшими достоинствами являются высокая технологичность и низкая стоимость, но при этом данные конструкции не имеют общедоступных методик расчёта, которые были бы описаны в действующих нормативных документах, и в соответствии с СП 28.13330 для них необходимы дополнительные антикоррозионные мероприятия.

а - защемление несущих стоек в теле земляного полотна, б - изменение формы несущих стоек в нижней части, 1 - шумозащитное полотно, 2 - видимая часть сборного железобетонного ростверка, 3 - уровень планировки, 4 - невидимая часть сборного железобетонного ростверка, 5 - невидимая часть несущей стойки, 6 - тело земляного полотна, 7 - несущее основание
Рисунок 20 - Схемы реализации шумозащитного экрана без фундамента
8.5.4 В случаях, когда предполагаемый срок эксплуатации шумозащитного экрана меньше, чем установленный срок службы для шумозащитных панелей, а также для экранов высотой до 3 метров, рекомендуется устраивать экраны на фундаментах мелкого заложения или без фундаментов, во всех остальных случаях - на фундаментах глубокого заложения.
8.5.5 Рекомендуемая глубина заложения подошвы фундамента - не менее глубины промерзания конструкции, в теле которой устраивается фундамент (тело земляного полотна или тело присыпной бермы).
8.5.6 Расчёты фундаментов мелкого заложения и их оснований рекомендуется производить в соответствии с требованиями СП 22.13330, нагрузки на фундаменты рекомендуется определять в соответствии с СП 20.13330.
8.5.7 При выборе фундаментов глубокого заложения рекомендуются следующие виды свай:
- буровые;
- трубобетонные;
- винтовые.
Забивные сваи для фундаментов шумозащитных экранов применять не рекомендуется или их следует проектировать с устройством лидерного бурения, поскольку технология погружения таких свай на практике нередко приводит к разрушению конструктивных элементов автомобильной дороги.
В случаях, когда предполагаемый срок эксплуатации шумозащитного экрана меньше, чем установленный срок службы для шумозащитных панелей и по расчёту или по конструктивным особенностям невозможно устройство фундаментов мелкого заложения, рекомендуется применять точечные фундаменты из винтовых свай со сборным железобетонным низким ростверком.
8.5.8 Расчёты фундаментов глубокого заложения и их оснований рекомендуется производить в соответствии с требованиями СП 24.13330 и СП 22.13330, нагрузки на фундаменты рекомендуется определять в соответствии с СП 20.13330.
8.5.9 Для достижения необходимого экономического эффекта устройства шумозащитных экранов на фундаментах в пределах земляного полотна рекомендуется учитывать, что земляное полотно возводится с послойным уплотнением, а следовательно, допустимо считать основание фундамента в виде насыпи слежавшимся (в соответствии с положениями Пособия по проектированию оснований зданий и сооружений к СНиП 2.02.01-83, таблица 132 [9]) и учитывать в расчёте в соответствии с требованиями СП 22.13330 и СП 24.13330, если:
- насыпь сложена крупнообломочными грунтами и между отсыпкой насыпи и началом строительства экранов прошло не менее 3 месяцев;
- насыпь сложена песчаными грунтами и между отсыпкой насыпи и началом строительства экранов прошло не менее 6 месяцев;
- насыпь сложена пылевато-глинистыми грунтами и между отсыпкой насыпи и началом строительства экранов прошло не менее 24 месяцев.
8.5.10 Учитывая допущение, изложенное в п. 8.5.8, рекомендуется для уменьшения стоимости строительства экранов при проектировании и реконструкции дороги с изменением свойств насыпи, возводить шумозащитные экраны и их фундаменты в последнюю очередь.
При устройстве шумозащитных экранов в рамках капитального ремонта дороги или мероприятий по повышению уровня обустройства автомобильных дорог, когда доподлинно известно, что существующее земляное полотно имеет возраст более двух лет, грунт в его теле считается слежавшимся и полноценно учитывается в расчёте фундаментов. При производстве инженерно-геологических изысканий, выполняемых для устройства экрана, рекомендуется определять все необходимые свойства грунта земляного полотна (рекомендуется данное требование вносить в Техническое задание на производство изысканий).
8.5.11 При устройстве шумозащитных экранов на рекомендованных выше фундаментах следует обращать внимание на существующую или проектируемую систему водоотвода с проезжей части. При проектировании шумозащитного экрана, устанавливаемого в пределах обочины или на берме, когда предполагается сток поверхностных вод в сторону экрана, рекомендуется принимать специальные меры для отвода воды с проезжей части. При организации специальных мер по водоотводу рекомендуется учитывать необходимость отсутствия сквозных отверстий или щелей в шумозащитном полотне и видимой части фундамента, негативно влияющих на акустическую эффективность экрана.
8.5.12 При устройстве шумозащитных экранов на участках автомобильных дорог с односкатным поперечным уклоном, когда сток поверхностных вод обеспечивается в противоположную от экрана сторону (например, на вираже - см. рисунок 21) специальные меры по водоотведению вдоль шумозащитного экрана не требуются.

1 - шумозащитный экран, 2 - обочина, 3 - проезжая часть
Рисунок 21 - Водоотведение с проезжей части при установке шумозащитного экрана на вираже
8.5.13 Для обеспечения эффективности экрана при организации водоотведения с проезжей части и/или обочины рекомендуются следующие решения (см. рисунки 22 - 25):
- устройство бетонных дорожных водоотводных лотков, закрытых ливнесточной решёткой, по ГОСТ 32955 вдоль кромки асфальта с отводом воды через ливнесточный колодец закрытым способом (в систему общей ливневой канализации или в кювет);
- устройство водоотводных лотков из полимерных композиционных материалов, изготавливаемых по технической документации производителей и закрытых ливнесточной решёткой, вдоль фундамента шумозащитного экрана со стороны проезжей части, сброс воды из которых осуществляется в кювет через соответствующие пескоулавливающие колодцы по трубам, проходящим в теле земляного полотна или бермы;
- устройство бортовых камней для сбора и направления воды вдоль кромки асфальта, сброс воды при этом осуществляется через ливнесточный колодец (в систему общей ливневой канализации или в кювет);
- иные решения, позволяющие производить отвод воды с проезжей части, не нарушая сплошности экрана и его фундамента (закрытые телескопические лотки, проходящие сквозь ниши фундамента, шумозащитные гасители, устанавливаемые сразу за фундаментом и пр.).

1 - шумозащитный экран, 2 - линейка пластиковых лотков с пластиковыми пескоулавливающими колодцами, 3 - водоотводная труба, проходящая через невидимую часть фундамента, 4 - укрепление обочины
Рисунок 22 - Пример организации водоотведения вдоль фундамента при установке шумозащитного экрана без защиты от наезда

1 - шумозащитный экран, 2 - линейка бетонных лотков с ливнесточными колодцами, 3 - водоотводная труба, проходящая через невидимую часть фундамента, 4 - укрепление обочины
Рисунок 23 - Пример организации водоотведения вдоль кромки асфальта при установке шумозащитного экрана без защиты от наезда

1 - шумозащитный экран, 2 - бортовой камень, 3 - ливнесточный колодец, 4 - канализация
Рисунок 24 - Пример организации водоотведения вдоль кромки асфальта совокупностью бортовых камней, ливнесточных колодцев и канализации

1 - шумозащитный экран, 2 - бортовой камень, 3 - ливнесточный колодец, 4 - водоотводная труба
Рисунок 25 - Пример организации водоотведения вдоль кромки асфальта совокупностью бортовых камней и ливнесточных колодцев
8.6.1 Шумозащитные экраны, устанавливаемые на искусственных сооружениях (подпорных стенах, мостах, эстакадах и пр.), рекомендуется классифицировать как экраны без фундамента, шумозащитное полотно при этом рассматривается как конструктивный элемент искусственного сооружения.
8.6.2 При необходимости установки экранов на искусственных сооружениях определяющим фактором является нагрузка от экранов, передающаяся на конструкции сооружения, в следствие чего высота экранов может быть ограничена или может быть выдан запрет на установку экранов. Решение об установке экранов и их возможных параметрах принимается коллегиально специалистами, разрабатывающими шумозащитные мероприятия, и специалистами, занимающимися проектированием искусственного сооружения.
8.6.3 Не рекомендуется устанавливать шумозащитное полотно на конструкциях пролётов мостов и эстакад, подпорных стенах, введённых в эксплуатацию и на которых при проектировании и экспертизе, не предполагалась установка подобных элементов, без проведения расчётов в рамках нового проекта и прохождения повторной экспертизы искусственного сооружения с учётом дополнительных конструктивных элементов.
8.6.4 При установке шумозащитных экранов на искусственных сооружениях рекомендуется выполнять п.8.3.5.
На искусственных сооружениях не рекомендуется установка бетонных и каменных шумозащитных экранов ввиду их значительного веса, а также удорожания конструкции за счёт применения средств защиты, соответствующих требованиям п.8.3.5.
8.6.5 На искусственных сооружениях непосредственно в пределах деформационного шва пролётов рекомендуется устраивать секцию экрана специальной конструкции.
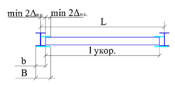
Данная секция в своём составе имеет стойки с увеличенными полками, обращёнными в сторону деформационного шва искусственного сооружения, и укороченные панели. Рекомендуемые величины, на которые увеличивают длину полки и уменьшают длину панели, составляют не менее двух величин перемещения элементов искусственного сооружения в деформационном шве и таким образом препятствовать возможности разрушения секции или панели при деформациях сооружения (см. рисунок 26).

Δи.с. - величина перемещения элементов искусственного сооружения в деформационном шве, L - шаг установки несущих стоек, 1 укор. - длина шумозащитных панелей, b - ширина полки расчётной несущей стойки, B - ширина полки несущей стойки у деформационного шва
Рисунок 26 - Схема конструкции стоек в районе деформационных швов искусственных сооружений
8.7.1 При принятой архитектурной форме шумозащитного экрана рекомендуется учитывать, что несущие стойки предназначены для передачи воспринимаемых усилий на фундамент без потери прочности и устойчивости экрана в целом, что отражается в их конструкции.
8.7.2 Подбор материала и конструкции для несущей стойки рекомендуется осуществлять таким образом, чтобы стойка органично сочеталась с шумозащитными панелями (например, для металлических панелей рекомендуется использовать стойки из металла, а для бетонных или каменных панелей - стойки из бетона).
8.7.3 Стойки экранов могут выполняться из различных материалов, расчёт стоек рекомендуется производить по соответствующим нормативным документам:
- стойки из стали проектируются в соответствии с СП 16.13330;
- стойки из железобетона проектируются в соответствии с СП 63.13330.2012, СП 52-101 и СП 52-102;
- стойки из древесины проектируются в соответствии с СП 64.13330;
- стойки из других материалов в соответствии с распространяющимися на них нормативными документами.
Стойки из любых материалов от коррозии рекомендуется защищать в соответствии с СП 28.13330.
8.7.4 Для широкого применения рекомендуются металлические стойки двутаврового сечения (по ГОСТ 26020, СТО АСЧМ 20 [10] и др.), рекомендуется отдавать предпочтение широкополочным и колонным двутаврам. Допускается изготавливать стойки сварные из листов и полос по чертежам конструкций металлических деталировочных на основании выполненных расчётов в соответствии с СП 16.13330.
8.7.5 Металлические стойки рекомендуется выполнять из стали с механическими характеристиками не ниже, чем С245 по ГОСТ 27772.
8.7.6 Для стальных стоек экранов рекомендуются следующие защитные покрытия в соответствии с СП 28.13330:
- горячие цинковые покрытия по ГОСТ 9.307 толщиной слоя не менее 80 мкм (без последующей окраски) или не менее 60 мкм (с последующей окраской);
- газотермическое напыление по ГОСТ 9.304, общая толщина покрытия для цинкового напыления - 120 - 180 мкм, для алюминиевого напыления - 200 - 250 мкм;
- опционально лакокрасочное покрытие I, II и III групп согласно общей толщиной не менее 60 мкм.
8.7.7 Рекомендуется выбирать те методы установки стоек, которые позволяют при необходимости демонтировать стойки без разрушения фундамента экрана.
8.7.8 Фиксацию панелей в стальных стойках двутаврового сечения рекомендуется производить (см. рисунок 27):
- без фиксирующих элементов (когда размер панели со сжатыми уплотнителями соответствует внутреннему размеру стойки);
- при помощи элементов, входящих в состав панели (адаптеры, уширители);
- при помощи элементов, входящих в состав стоек (уголки, планки);
- при помощи независимых элементов (пружинные скобы, распорки).

1 - стойка, 2 - фиксирующий элемент, 3 - шумозащитная панель, 4, 5 - уплотнители
Рисунок 27 - Варианты фиксации панелей в стальных двутавровых стойках
8.7.9 Проектировщик руководствуясь рекомендациями производителя самостоятельно назначает крепление панелей в стойках на основании обеспечения необходимой прочности и устойчивости экрана.
8.7.10 При выборе рекомендуемого производителем панелей вида крепления прочность и жёсткость крепления, а также устойчивость панели в составе шумозащитного экрана, как правило, гарантируется производителем, который при необходимости предоставляет всю имеющуюся техническую информацию проектировщикам.
8.7.11 Между стойками и панелями рекомендуется устанавливать звукоизолирующие и вибродемпфирующие прокладки (уплотнители), которые описываются в детальном проекте или входят в состав панелей.
8.7.12 В конструкции экрана не рекомендуется допускать прямой контакт между материалами, образующими недопустимую гальваническую пару (без защитного покрытия или резиновых и пластиковых уплотнителей).
8.8.1 Рекомендуется обеспечивать прочность и устойчивость шумозащитных экранов при приложении к ним нагрузок, рассчитываемых в соответствии с требованиями СП 20.13330 и действующих в процессе эксплуатации, в течение всего срока службы.
8.8.2 При проектировании, строительстве и эксплуатации шумозащитных экранов рекомендуется учитывать следующие виды нагрузок, действующих на них, в соответствии с СП 20.13330:
- постоянные нагрузки (вес всех элементов экрана);
- кратковременные нагрузки (климатические - ветровые, гололёдные, снеговые);
- сейсмические нагрузки, принимаемые с учётом требований СП 14.13330;
- особые нагрузки (при необходимости их описывают в техническом задании на проектирование, например, при установке экранов на аварийно-опасных участках дорог, конструкция экрана должна выдерживать нагрузки от столкновения с ним транспортных средств).
8.8.3 При определении весовых нагрузок на стадии проектирования шумозащитных экранов учитывается общая высота экранов. В секции экрана, состоящей из нескольких панелей, не имеющих жёсткого крепления к стойкам и расположенных одна на другой, рекомендуется учитывать, что на каждую из панелей приходится вес панелей, расположенных выше. В документации производителя рекомендуется приводить данные о максимально возможной нагрузке по линии сопряжения панелей в секции, а также вес панелей, эти данные учитываются при проектировании для выбора панелей, способных выдержать нагрузки при различной высоте экрана.
8.8.4 При расчёте конструкции шумозащитных экранов с учётом восприятия особых нагрузок рекомендуется производить трёхстадийный расчёт:
- расчёт на сочетание эксплуатационных нагрузок в соответствии с указаниями СП 20.13330;
- расчёт сейсмических нагрузок с учётом требований СП 14.13330;
- расчёт на восприятие особых нагрузок согласно условиям Технического задания с учётом воздействия кратковременных нагрузок, принимаемых с коэффициентом надёжности по нагрузке 0, 5.
Для дальнейших расчётов конструкции шумозашитных экранов рекомендуется выбирать наихудший расчётный вариант.
8.8.5 Конструкцию шумозащитных экранов и их фундаментов рекомендуется рассчитывать с учётом развития двух групп предельных состояний:
- предельная прочность (несущая способность при расчётных нагрузках);
- предельные деформации (максимальные отклонения элементов от их первоначального положения без потери несущей способности при нормативных нагрузках).
Оформление, хранение и предоставление расчётов рекомендуется определять требованиями ГОСТ Р 21.1101.
8.8.6 Для возможности проведения корректных расчётов шумозащитных экранов на ветровые нагрузки производителю шумозащитных панелей рекомендуется в документации на продукцию указывать значение максимального давления, которое способна воспринимать панель предлагаемой им конструкции, значение стрелы прогиба (деформации) панели при шарнирном опирании её концов в продольном направлении, эти значения рекомендуется увязать с типоразмерным рядом выпускаемых изделий.
8.8.7 Не рекомендуется использовать панели, максимальная деформация которых (значение стрелы прогиба) при указанном значении максимального давления превышает L/150 (где L - длина панели), характер деформаций должен быть упругим. При проектировании экранов и способах закрепления панелей в стойках рекомендуется учитывать деформации панелей, указанные производителем при различных типоразмерах его продукции, таким образом, чтобы обеспечить устойчивость панелей в стойках, несмотря на деформацию.
8.8.8 Рекомендуемая максимальная деформация свободных концов несущих стоек шумозащитных экранов не более H/75 (где H - высота стойки).
8.8.9 В соответствии с Федеральным законом N 384-ФЗ Технический регламент о безопасности зданий и сооружений [8] шумозащитные экраны, устанавливаемые в пределах полосы отвода автомобильных дорог, являются объектами транспортной инфраструктуры, по уровню ответственности зданий и сооружений относятся к нормальным. Другие идентификационные признаки шумозащитных экранов в соответствии с Федеральным законом N 384-ФЗ Технический регламент о безопасности зданий и сооружений [8] рекомендуется указывать по требованию Заказчика в задании на проектирование или устанавливаются Проектировщиком и указываются в текстовых материалах в составе проектной документации.
8.8.10 Рекомендуется обеспечение местной прочности шумозащитных экранов (от ударов щебня, снега, льда или других твёрдых предметов о поверхность экрана), в частности применяемых в их составе панелей, без образования значительных дефектов, включая нарушение защитного покрытия. В качестве имитации ударов твёрдых предметов для испытания может использоваться стальной шар массой 0, 5 кг, который сбрасывается с высоты 3 метра на панель в двух местах - в центральной части и в любой крайней части панели. Для непрозрачных панелей допускается образование небольших вмятин на поверхности глубиной не более 5 мм, для прозрачных панелей критерием местной прочности служит отсутствие разрушения (трещины допускаются).
8.8.11 При проектировании шумозащитных экранов, если подобное требование указывается в Задании на проектирование, рекомендуется учитывать возможное складирование снега на обочине и создаваемое им давление на нижний ярус панелей. Для этого в нижнем ярусе панелей устанавливаются панели, способные выдерживать нагрузки от снежных масс в соответствии с рекомендованными значениями, приведёнными в таблице 6. Указанные нагрузки не суммируются с давлением ветра и влияют только на местную прочность панелей нижнего яруса. Рекомендации к возможным деформациям в таком случае - в соответствии с п. 8.8.7.
При учёте складирования снега рекомендуется в нижнем ярусе шумозащитного экрана устанавливать бетонные панели или металлические панели без перфорации.
Таблица 6 - Нагрузка снежного покрова на шумозащитный экран (на основание ШЭ)
|
Высота нижнего яруса экрана от поверхности планировки (высота навала снега), м |
Расстояние от кромки проезжей части до шумозащитного экрана, м |
Давление снежных масс, кПа |
|
1, 5 |
1, 0 |
1, 95 |
|
1, 5 |
2, 0 |
1, 95 |
|
1, 0 |
2, 5 |
1, 30 |
|
1, 0 |
3, 0 |
1, 30 |
|
1, 0 |
4, 0 |
1, 30 |
8.9.1 Шумозащитные панели в соответствии с классификацией экранов могут быть:
- отражающие;
- отражающе-поглощающие.
8.9.2 К панелям, отражающим звук, рекомендуется относить любые панели, препятствующие распространению звука в сторону защищаемого объекта за счёт его отражения от сплошной преграды.
8.9.3 К панелям, отражающе-поглощающими звук, рекомендуется относить панели, которые содержат в своей структуре звукопоглощающий материал, открытый частично или полностью со стороны источника шума, и закрытый полностью со стороны защищаемого объекта.
8.9.4 В качестве звукопоглощающего материала рекомендуется использовать материал, соответствующий ГОСТ 23499 и имеющий группу горючести НГ.
8.9.5 Рекомендуемые значения звукопоглощения для отражающе-поглощающих панелей приведены в таблице 7.
Таблица 7 - Рекомендуемые коэффициенты звукопоглощения панелей в акустической камере
|
Наименование показателя |
Среднегеометрические значения частот, Гц | ||||||
|
125 |
250 |
500 |
1000 |
2000 |
4000 |
8000 | |
|
Контрольные коэффициенты звукопоглощения |
0, 3 |
0, 5 |
0, 8 |
0, 8 |
0, 7 |
0, 6 |
0, 5 |
8.9.6 Снижение уровня звука напрямую зависит от поверхностной плотности (кг/м2) отражающих панелей. Рекомендуемые значения поверхностной плотности отражающих панелей для обеспечения требуемого снижения звука приведены в таблице 8.
Таблица 8 - Минимальная поверхностная плотность конструкции экрана в зависимости от требуемого снижения уровня звука
|
Требуемое снижение уровня звука шумозащитным сооружением (экраном), дБА |
5 |
10 |
14 |
16 |
18 |
20 |
22 |
24 |
|
Минимальная поверхностная плотность конструкции шумозащитного сооружения (экрана), кг/м2 |
14, 5 |
17, 0 |
18, 0 |
19, 5 |
22, 0 |
24, 5 |
32, 0 |
39, 0 |
8.9.7 Акустические показатели панелей (индекс изоляции воздушного шума Rw и коэффициенты звукопоглощения αi) рекомендуется подтверждать соответствующими испытаниями в аккредитованной лаборатории. Испытания проводятся в соответствии с ГОСТ 31704 и ГОСТ 23499, результаты испытаний оформляются в протокол измерений, являющийся в дальнейшем неотъемлемой частью сопроводительной документации на панели.
8.9.8 Значение у панели индекса изоляции внешнего шума, производимого транспортным потоком (RAmpaрс), рекомендуется определять по формуле (1), исходя из индекса изоляции воздушного шума (Rw), устанавливаемого в ходе испытаний шумозащитной панели.
RAmpaрс=0, 75Rw+3, 7, дБА, (1)
где Rw - индекс изоляции воздушного шума, дБ.
Рекомендуется обеспечить превышение значения индекса изоляции внешнего шума, производимого транспортным потоком (RAmpaрс) над значением требуемой акустической эффективности экрана, устанавливаемого в ходе акустических расчётов, не менее чем на 10 дБА.
Значение RAmpaрс панели свыше 26, 2 дБА (или Rw свыше 30 дБ) не увеличивает эффективность экрана и является нецелесообразным (за исключением случаев устройства шумозащитных галерей).
8.9.9 При обоснованной необходимости (например, если стоимость продукции на момент строительства возросла по отношению к стоимости, заложенной в проекте или др.) допускается заменять на стадии разработки рабочей документации одни панели на другие, обладающие теми же (или более лучшими) свойствами звукоизоляции и звукопоглощения.
8.9.10 При выборе шумозащитных панелей для экрана рекомендуется учитывать не только акустические свойства панелей, но и свойства, диктуемые иными требованиями, отвечающими за акустическую эффективность экрана на весь период службы, такими как:
- коррозионная стойкость экранов;
- безопасность дорожного движения (наличие прозрачных панелей, заполнение дверных проёмов и пр.);
- отсутствие негативного вклада от переотражения звука (не рекомендуется ставить шумозащитные экраны, состоящие только из панелей, отражающих звук, друг напротив друга при защите селитебной территории по обеим сторонам от автомобильной дороги).
8.10.1 Особенности конструкции шумозащитных панелей, изготавливаемых в соответствии с чертежами производителей, технологическими и техническими требованиями, рекомендуется отражать в документах на изделие, разработанных в соответствии с требованиями стандартизации РФ (Технические условия, Стандарт организации и пр.).
Производителям рекомендуется предоставлять документацию на изделие в процессе проектирования или монтажа конструкций шумозащитных экранов.
8.10.2 Документацию на изделие рекомендуется оформлять в соответствии с требованиями действующей нормативной документации (ГОСТ 2.114, ГОСТ Р 1.4 и пр.).
8.10.3 Рекомендуется в документации на панели (Стандарт организации или Технические условия на продукцию) указывать:
- требования к внешнему виду панели;
- требования к размерам панели, её массе, а также указания о стыковке панелей в различных конфигурациях;
- полное наименование и условные обозначения панелей;
- требования к комплектующим и покупным изделиям, входящим в состав панели;
- требования к материалам и покрытиям;
- требования к технологическому процессу производства,
- требования по охране окружающей среды и технике безопасности в процессе производства;
- требования к акустическим характеристикам панелей;
- требования к упаковке и маркировке, а также к хранению панелей;
- требования к приёмке;
- указания по транспортировке, монтажу и эксплуатации панелей;
- срок службы и, если устанавливается, гарантийный срок для различных условий эксплуатации (стойкость к эксплуатации в различных агрессивных средах по СП 28.13330).
8.10.4 Акустические (звукоизоляция и звукопоглощение) и противопожарные свойства панелей рекомендуется отражать в документации на панели (ТУ, СТО и пр.) на основании имеющихся сертификатов соответствия и протоколов испытаний, выполненных в аккредитованных лабораториях.
8.10.5 При проектировании шумозащитных экранов основными документами для выбора определённого типа панелей рекомендуется считать:
- технические условия или стандарт организации, в соответствии с которыми производятся панели;
- протоколы испытаний панелей, выполненных в аккредитованной лаборатории, в котором приведены значения акустических свойств панелей;
- сертификат пожарной безопасности, в котором указаны показатели, позволяющие идентифицировать продукцию по признакам в соответствии с указаниями п. 8.4.4 настоящего ОДМ.
8.10.6 При приёмке панелей на строительной площадке основными сопроводительными документами рекомендуется считать:
- паспорт на партию панелей;
- заверенная поставщиком копия сертификата соответствия изделий документации, по которой они производятся;
- инструкция по монтажу от производителя, если в проектной документации имеется ссылка на неё.
8.10.7 В чертежах проектной и/или рабочей документации рекомендуется указывать:
- обозначение документации, по которой производятся панели (Технические условия, Стандарт организации и пр.);
- условное обозначение панелей в соответствии с принятыми производителем обозначениями.
8.10.8 К проектной и/или рабочей документации рекомендуется прикладывать копии документов, которые используются для расчётов шумозащитных мероприятий и выбора конструкций:
- при проектировании шумозащитных конструкций копию титульного листа документации, по которой они производятся (Технические условия, Стандарт организации и пр.);
- при проектировании шумозащитных конструкций копию сертификата пожарной безопасности;
- при расчёте шумозащитных мероприятий копии протоколов испытаний шумозащитных конструкций, в которых приведены значения акустических свойств.
8.11.1.1 Бетонные шумозащитные панели по физическому принципу снижения шума могут быть:
- отражающими;
- отражающе-поглощающими.
8.11.1.2 Бетонные шумозащитные панели по весовой характеристике рекомендуется разделять на:
- панели из тяжёлых бетонов;
- панели из лёгких бетонов.
8.11.1.3 Бетонные панели рекомендуется изготавливать в соответствии с требованиями распространяющихся на них стандартов по рабочей и технологической документации, минимальные требования к панелям, указанные в стандартах, должны соответствовать приложению А ГОСТ 13015.
8.11.1.4 Бетонные смеси для изготовления изделий рекомендуется проверять на соответствие ГОСТ 7473.
8.11.1.5 Технические требования к бетонам панелей, правила их приёмки, методы испытаний рекомендовано устанавливать:
- ГОСТ 26633, ГОСТ 13015 для тяжёлых бетонов;
- ГОСТ 25820, ГОСТ 13015 для лёгких бетонов.
8.11.1.6 Панели из тяжёлых бетонов допускается выполнять в зависимости от предъявляемых к панели требований по прочности и деформациям:
- без армирования;
- с напрягаемой арматурой;
- с ненапрягаемой арматурой.
Исполнение шумозащитных панелей из лёгких бетонов без армирования не рекомендуется.
8.11.1.7 Основные рекомендации по защите бетонных панелей от коррозии принимаются в соответствии с СП 28.13330 в зависимости от условий эксплуатации.
Для обеспечения устойчивости к коррозии при применении на автомобильных дорогах рекомендованы следующие соответствия:
- марка по морозостойкости бетона - F150;
- марка по водонепроницаемости - W4 для конструкций без предварительного напряжения и W6 мм для конструкций с предварительным напряжением;
- допустимая ширина непродолжительного раскрытия трещин - 0, 20 мм для конструкций без предварительного напряжения и 0, 15 мм для конструкций с предварительным напряжением;
- допустимая ширина продолжительного раскрытия трещин - 0, 15 мм для конструкций без предварительного напряжения и 0, 10 мм для конструкций с предварительным напряжением;
- образование трещин для конструкций без армирования не допускается;
- защитный слой бетона не менее 25 мм.
8.11.1.8 Для экранов, устанавливаемых вдоль автомобильных дорог, агрессивность среды допускается принимать одинаковой по всей высоте экрана.
8.11.1.9 Минимальные рекомендуемые параметры панелей из тяжёлых бетонов и их материалов:
- минимальная толщина панели - 80 мм;
- марка по прочности на сжатие - B15;
- марка по прочности на растяжение при изгибе (для неармированного бетона) - Btb 6, 4;
- армирование (при наличии) из прутьев класса А400 по ГОСТ 5781 или А500С по ГОСТ 52544 для конструкций без предварительного напряжения и А600 по ГОСТ 5781 для конструкций с предварительным напряжением.
8.11.1.10 Минимальные рекомендуемые параметры панелей из лёгких бетонов и их материалов:
- минимальная толщина панели - 150 мм;
- марка по прочности на сжатие - B12, 5.
8.11.1.11 Изготовление панелей из тяжёлых бетонов, устанавливаемых вдоль автомобильных дорог, рекомендуется предусматривать с учётом дополнительных требований согласно ГОСТ 26633, приложение А.3 "Бетоны для транспортного строительства".
8.11.1.12 Рекомендуемая категория к бетонной поверхности в соответствии с ГОСТ 13015 - А2. Рекомендуется панели подготавливать под возможную окраску на объекте в цвета архитектурного решения или по согласованию с потребителем окрашивать в заводских условиях.
8.11.1.13 Отражающе-поглощающие бетонные панели, как правило, состоят из двух или более слоёв, прочностные характеристики которых обеспечиваются наличием слоя армированного бетона толщиной не менее 80 мм для панелей из тяжёлых бетонов и 150 мм для панелей из лёгких бетонов.
8.11.1.14 Слой армированного бетона с одной или двух сторон покрывается слоем иного материала, обеспечивающего требуемые характеристики звукопоглощения. В качестве материалов такого слоя рекомендуются к использованию:
- древобетонная опалубка (конструкция твёрдой и прочной структуры из щепы древесины хвойных пород и цементного вяжущего с химическими добавками);
- резиновая или другая подобная крошка;
- керамзит;
- иной материал, обладающий звукопоглощающими свойствами и отвечающий рекомендациям настоящего ОДМ и ГОСТ 23499.
8.11.1.15 Толщина звукопоглощающего слоя может быть постоянной или переменной, рекомендованная минимальная толщина не менее 35 мм.
8.11.1.16 Для обеспечения прочного сцепления закрепление звукопоглощающего слоя на основании рекомендуется подходящими для этого способами и системами крепления (омоналичивание звукопоглощающего материала, использование нержавеющих элементов крепления и др.), способы и системы крепления рекомендуется подробно отражать в технической документации на панели.
8.11.1.17 К поверхности композитных панелей (звукопоглощающему слою) рекомендуется применять соответствующую защиту от воздействия атмосферных веществ, препятствующую проникновению дождевой воды, снижая, таким образом, риск образования льда и предотвращая размножение микроорганизмов внутри материала. После обработки звукопоглощающие свойства панелей должны оставаться неизменными. Любые применяемые системы защиты рекомендуется подробно описывать в технической документации на панели и иметь соответствующие сертификаты, подтверждающие их эффективность.
8.11.1.18 Рекомендованный срок службы (или эксплуатации) бетонных панелей, в течение которого сохраняются их акустические и прочностные свойства, составляет не менее 25 лет. Гарантийный срок рекомендуется определять производителю конкретного изделия в зависимости от условий поставки.
8.11.2.1 Металлические шумозащитные панели по физическому принципу снижения шума могут быть:
- отражающими;
- отражающе-поглощающими.
Принципиальная схема подобных панелей приведена на рисунке 27.

1 - несущий каркас, 2 - передняя облицовка, 3 - задняя облицовка, 4 - звукопоглощающее наполнение
Рисунок 27 - Пример исполнения металлической шумозащитной панели в поперечном сечении
8.11.2.2 Как правило многослойные панели в замкнутом корпусе состоят из следующих частей:
- несущий каркас;
- облицовка несущего каркаса, выполненная в виде профилированного листа;
- звукопоглощающее наполнение.
Основные отличия многослойных шумозащитных панелей от шумозащитных сэндвич-панелей следующие:
- наличие внутри корпуса воздушных камер между облицовками и звукопоглощающим наполнением;
- опциональное наличие дополнительной влагоотталкивающей защиты на звукопоглощающем наполнении;
- возможность усиления панелей за счёт применения дополнительных элементов (наличие несущего каркаса).
Для отражающе-поглощающих панелей передняя крышка, обращённая к источнику шума, выполняется с перфорацией, для отражающих - без перфорации.
8.11.2.3 Несущий каркас, как правило, выполняется одним из следующих вариантов:
- в виде отдельного элемента из гнутых или гнутосварных профилей;
- образовываться за счёт соединения верхней, нижней и боковых крышек панели;
- образовываться за счёт соединения боковых крышек и П-образных облицовок.
Несущий каркас из гнутых или гнутосварных профилей рекомендуется изготавливать из стальных элементов, допускается использовать в качестве материала алюминий, если предусмотрены соответствующие покрытия элементов панели (каркаса и стальных листов), предотвращающие коррозию.
8.11.2.4 Все элементы металлических шумозащитных панелей (кроме звукопоглощающего наполнения) рекомендуется проверять на соответствие СП 28.13330 по защите от коррозии, СП 16.13330 по прочностным и конструкционным характеристикам, если в качестве материала используется сталь, и СП 128.13330 по прочностным и конструкционным характеристикам, если в качестве материала используется алюминий или алюминиевый сплав.
8.11.2.5 В технической документации на продукцию рекомендуется учитывать распределение различных нагрузок на элементы панелей, которые производятся следующим образом:
- вертикальные (весовые) нагрузки от собственного веса элементов и от веса панелей, располагающихся выше, воспринимаются несущим каркасом;
- горизонтальные (ветровые) нагрузки воспринимаются облицовкой панели, и за счёт её жёсткости передаются на несущий каркас.
8.11.2.6 Все стальные элементы шумозащитной панели рекомендуется выполнять из стали с характеристиками не ниже, чем у стали С235 по ГОСТ 27772.
8.11.2.7 Для применения на автомобильных дорогах все стальные элементы панелей, в том числе ограждающие листы, рекомендуются со следующими защитными покрытиями:
- горячие цинковые покрытия по ГОСТ 9.307 согласно СП 28.13330 толщиной слоя не менее 60 мкм;
- лакокрасочное покрытие I, II и III групп согласно СП 28.13330 общей толщиной не менее 60 мкм.
Для отражающих стальных панелей (панелей без перфорации передней облицовки), имеющих в своей конструкции чётко выраженный несущий каркас из гнутых или гнутосварных профилей, в качестве ограждающих листов допускается использование листов из оцинкованной стали по ГОСТ 52246 (с классом покрытия 600), с лакокрасочным покрытием II или III группы по таблице Ц.7 СП 28.13330.2012.
8.11.2.8 Для применения на автомобильных дорогах рекомендуется на алюминиевые элементы панелей наносить следующие защитные покрытия:
- лакокрасочное покрытие II, III и IV групп согласно СП 28.13330 общей толщиной не менее 60 мкм.
Перед окраской панели поверхности рекомендуется предварительно обработать по следующей схеме:
- обезжиривание и промывка деионизированной водой;
- хромирование, антикоррозийная обработка поверхности, или фосфохромирование и промывка деионизированной водой.
Защитное лакокрасочное покрытие рекомендуется наносить только после предварительной обработки.
8.11.2.9 Для элементов панелей толщину стальных листов рекомендуется заранее выбирать такой, чтобы при изготовлении панелей обеспечивались требования по толщине цинкового покрытия в соответствии с рекомендуемой технологией по его нанесению (рекомендуемая минимальная толщина стальных листов для горячего цинкования 1, 5 мм).
8.11.2.10 Листовой материал для алюминиевых элементов панелей рекомендуется по ГОСТ 21631, толщина применяемого листа не менее 1, 2 мм.
8.11.2.11 Защитную обработку элементов панелей рекомендуется проводить после завершения всех этапов обработки металлического листа (нарезки, сгибания, сверления, перфорации и т. д.). В технической документации на панели рекомендуется выделять технологические этапы сборки и антикоррозийной обработки элементов с указанием количества, толщины и характера защитных слоёв.
8.11.2.12 Звукопоглощающее наполнение рекомендуется выбирать на основании положений ГОСТ 23499 и при применении конкретного материала (плиты из минеральной ваты) - ГОСТ 9573.
8.11.2.13 Рекомендуемая конструкция и соединения элементов панелей обеспечивают меры для предотвращения попадания дождевой воды внутрь панелей или имеют конструктивные особенности, позволяющие без задержки отводить попавшую воду наружу. Если конструкцией не предусмотрены меры по предотвращению попадания воды внутрь панели, то звукопоглощающий материал рекомендуется выполнять из влагоотталкивающего материала или облачать в герметичную влагоотталкивающую упаковку.
8.11.2.14 Если в качестве звукопоглощающего материала выступают минераловатные плиты, то их рекомендуемая плотность:
- не менее 90 кг/м3 при толщине материала менее 70 мм;
- не менее 65 кг/м3 при толщине - более 70 мм.
Рекомендуемая минимальная толщина плит наполнения не менее 50 мм. Плиты рекомендуется закреплять в панели с учётом того фактора, что со временем они могут просесть, что с свою очередь может привести к ухудшению акустических свойств панели.
8.11.2.15 Отклонения от прямолинейности, вогнутость, выпуклость, волнистость внешних профилей и другие возможные отклонения панели как без вертикально приложенных нагрузок на конструкцию каркаса, так и при наличии таких нагрузок (при установке панелей друг на друга в определённом количестве) рекомендуется указывать в Технических условиях или стандарте предприятия.
8.11.2.16 Элементы конструкции панели рекомендуется плотно скреплять друг с другом во избежание возникновения внутренних вибрационных процессов, все резьбовые соединения рекомендуется стопорить (контрованием, вязкой, пружинными элементами и другими общепринятыми способами).
8.11.2.17 Рекомендуется, чтобы шумозащитные панели в составе секции работали при приложении горизонтальных нагрузок как единое целое, для чего в конструкции панелей сверху и снизу предусматриваются специальные соединяющие элементы (канавки, штифты, зубья и пр. - см. рисунок 28) по прочности сопоставимые с основными элементами панели. Допускается применение панелей без подобных конструкционных особенностей, но при этом между панелями рекомендуется предусматривать уплотнитель для устранения акустического зазора между панелями по всей длине сопряжения.

Рисунок 28 - Пример сопряжения панелей с вилочной и розеточной частями (поперечный разрез панелей)
8.11.2.18 В качестве материала стальных панелей может быть использована коррозионностойкая сталь, минимальную толщину листа из такого материала рекомендуется выбирать исходя из обеспечения акустических и прочностных свойств панелей, при этом нанесение защитных покрытий не обязательно.
8.11.2.19 При устройстве перфорации передней облицовки рекомендуется следить, чтобы площадь перфорации по отношению к общей площади поверхности облицовки была в диапазоне от 30 до 50%.
8.11.2.20 Рисунок перфорации рекомендуется предварительно утвердить у Заказчика или Архитектора проекта. Перфорированные отверстия могут образовывать художественные элементы или иные фигуры, подчёркивающие облик экрана.
Рекомендуемый тип перфорации для шумозащитных панелей - Rv 5-8 (отверстия диаметром 5 мм, располагающиеся с шагом 8 мм в шахматном порядке). Допускается перфорация в виде жалюзи, квадратных отверстий и др.
8.11.2.21 Конструкцию панели с перфорацией рекомендуется применять такой, чтобы перфорация не влияла на заявленные прочностные свойства панели.
8.11.2.22 Не рекомендуется устанавливать вдоль автомобильных дорог шумозащитные экраны, панели которых в одном ряду выполнены в виде кластера (панели, разбитые на ячейки по длине), которые наиболее уязвимы при обслуживании дорожного полотна (мойка, сухая уборка, уборка снега и пр.).
8.11.2.23 В качестве отражающих металлических панелей допускается использовать панели металлические трёхслойные с утеплителем из минеральной ваты по ГОСТ 32603 с учётом следующих дополнений:
- рекомендации к металлическим листам, используемым в конструкции панели, и их покрытиям принять в соответствии с п. 8.11.2.4 - 8.11.2.11;
- для сохранения заявленных прочностных свойств необходимо обеспечить сохранность начальной конструкции панелей, для этого в конструкции сэндвич-панелей или секции из них рекомендуется предусматривать конструктивные элементы или мероприятия, препятствующие попаданию влаги на звукопоглощающий материал (корпус сэндвич-панели должен быть герметичным).
Для использования в составе шумозащитных экранов рекомендуется металлическую трёхслойную панель применять с профилированными металлическими облицовками с обеих сторон видов В, Т и Н по ГОСТ 32603, а плотность используемых минераловатных плит не рекомендуется принимать менее 105 кг/м3.
8.11.2.24 Срок службы (или эксплуатации) металлических многослойных панелей, в течение которого сохраняются их акустические и прочностные свойства, рекомендуется назначать не менее 25 лет. Гарантийный срок рекомендуется определять производителю конкретного изделия в зависимости от условий поставки.
8.11.3.1 По физическому принципу снижения шума данные панели относятся к отражающе-поглощающим. Подобные панели представляют собой каркасную систему (щит) прямоугольной формы, внутри которой располагается звукопоглощающий материал, со стороны источника шума щит закрывается звукопроницаемой защитной сеткой или перфорированным металлическим листом, со стороны защищаемой территории закрывается сплошным рядом шпунтованной доски определённой толщины (см. рисунок 29).

1 - несущий деревянный каркас, 2 - задняя облицовка из доски, 3 - звукопроницаемый материал, 4 - звукопоглощающий материал, 5 - деревянные элементы закрепления звукопроницаемого материала
Рисунок 29 - Основные элементы панели в деревянном корпусе - взрыв-схема
8.11.3.2 Учитывая особенности материала панели и его слабую стойкость к атмосферным осадкам, рекомендуется обеспечивать защиту древесины:
- в качестве материала для панелей рекомендуется использовать древесину только хвойных пород, влажность которой до обработки не превышает 20%;
- рекомендуется обеспечить устойчивость к гниению путём обработки по специальной процедуре согласно ГОСТ 20022.6. В частности элементы панели из древесины после окончательной механической обработки (но до сборки панели), подвергаются пропитке невымываемыми защитными средствами в автоклаве под давлением по методам ВАДВ (вакуум-атмосферное давление-вакуум) или ВДВ (автоклавная пропитка водорастворимыми защитными средствами под давлением). После указанных обработок древесина может считаться защищённой от атмосферных веществ, дополнительных покрытий или обработок не требуется, если иное не оговаривается договором на поставку.
8.11.3.3 Звукопоглощающий материал в составе панели рекомендуется использовать с параметрами, как для многослойных металлических панелей.
8.11.3.4 В качестве облицовок панели рекомендуется использовать:
- для стороны, обращённой к источнику шума, звукопроницаемые сетки (металлические, синтетические и др.) с деревянной обрешёткой или металлический перфорированный лист, отвечающий требованиям, как для многослойных металлических панелей;
- для стороны, обращённой к защищаемой территории, деревянную шпунтованную доску толщиной не менее 18 мм.
8.11.3.5 Особое внимание уделяется сочленению деревянных элементов конструкции, рекомендуется конструировать их таким образом, чтобы избежать попадания влаги в щели (во избежание образования льда) и растрескивания конструкции в местах расположения гвоздей или шурупов в ходе сборки и эксплуатации.
8.11.3.6 Во избежание образования налёта ржавчины на поверхности панелей метизы для сборки рекомендуется применять с цинковым покрытием или из нержавеющей стали.
8.11.4.1 С учётом архитектурных характеристик или условий безопасности дорожного движения возможно использование панелей, выполненных из прозрачного материала. По физическому принципу снижения шума данные панели относятся к отражающим. По конструкции подобные панели могут быть:
- однослойными (без воздушных камер);
- многослойными (с воздушными камерами).
8.11.4.2 В качестве прозрачных могут вступать следующие материалы:
- стекло закалённое по ГОСТ 30698;
- стекло многослойное (триплекс, без воздушных камер между слоями) по ГОСТ 30826;
- стекло органическое по ГОСТ 10667 или стекло органическое техническое по ГОСТ 17622;
- монолитный поликарбонат по техническим условиям производителей.
8.11.4.3 Для придания необходимой жёсткости листы из прозрачных материалов по периметру рекомендуется заключать в раму из таких материалов, чтобы обеспечить пожарную безопасность шумозащитного экрана.
8.11.4.4 Толщину листов из прозрачных материалов рекомендуется подбирать исходя из рекомендаций по прочности и акустической эффективности панелей в зависимости от плотности материала, акустическая эффективность для однослойных панелей может быть установлена в соответствии с данными таблицы 8.
8.11.4.5 Стекло закалённое и стекло многослойное для шумозащитных панелей рекомендуется изготавливать из особопрозрачного стекла листового по ГОСТ 111 марки М0 или М1.
8.11.4.6 Рекомендуемые технические характеристики панели из органического стекла или поликарбоната представлены в таблице 9.
Таблица 9 - Минимальные рекомендуемые технические характеристики материала однослойных прозрачных панелей из оргстекла
|
N пп |
Наименование показателя |
Требуемое значение |
Метод испытания |
|
1 |
Температура размягчения, °С |
120 |
ГОСТ 15088 |
|
2 |
Ударная вязкость, кДж/м2 |
17 |
ГОСТ 4647 |
|
3 |
Прочность при разрыве, МПа |
77, 5 |
ГОСТ 11262 |
|
4 |
Относительное удлинение при разрыве, % |
3, 3 |
ГОСТ 11262 |
|
5 |
Модуль упругости при растяжении, МПа |
3000 |
ГОСТ 9550 |
|
6 |
Коэффициент светопропускания, % |
89 |
ГОСТ Р 8.829 |
|
7 |
Светостойкость, % |
2, 2 |
ГОСТ 10667 |
|
8 |
Плотность, г/см3 |
1, 15 |
ГОСТ 15139 |
|
9 |
Показатель преломления |
1, 49 |
ГОСТ 19927 |
|
10 |
Твёрдость, МПа |
120 |
ГОСТ 4670 |
|
11 |
Максимальное напряжение при изгибе, МПа |
90 |
ГОСТ 4648 |
8.11.4.7 Рекомендуется предусматривать решения (особенности конструкции, цвета, наличия дополнительных элементов или покрытие прозрачных панелей), снижающие риск столкновения с панелями птиц (например наклейки силуэтов хищных птиц). При использовании наклеек, лаков или красок для отделки рекомендуется убедиться, что эти продукты совместимы с материалом панелей, а их применение не снижает светопропусные свойства прозрачного материала.
8.11.4.8 По согласованию с заказчиком при использовании панелей из оргстекла допускается его выполнять в различных цветовых гаммах, не нарушая требований по светопропусканию.
8.11.4.9 Для применения на автомобильных дорогах рекомендуется применять панели с поверхностной обработкой, предусматривающей самоочищение под дождём без вмешательства извне, при этом допускается снижение светопропускания панелей до 5%.
8.11.4.10 Многослойные прозрачные панели рекомендуется выполнять по типу оконного заполнения (стеклопакета) с воздушными камерами.
8.11.4.11 Многослойные панели должны соответствовать требованиям ГОСТ 24866, а также удовлетворять прочностным и акустическим требованиям настоящих рекомендаций.
8.11.4.12 Рекомендованный срок службы (или эксплуатации) прозрачных панелей, в течение которого сохраняются их акустические и прочностные свойства, составляет не менее 25 лет. Гарантийный срок рекомендуется определять производителю конкретного изделия в зависимости от условий поставки.
8.11.5.1 Допускается применять шумозащитные панели, изготовленные из материалов, отличных от указанных в настоящем ОДМ, или интегрированные с инновационными системами затухания шума, например:
- однослойные прозрачные панели в раме из композитных материалов на основе стеклопластиков;
- однослойные панели с заполнением из композитного листа;
- многослойные панели в замкнутом корпусе из композитных материалов на основе стеклопластиков или комбинированных каркасов (сочетание металлических элементов с композитными).
8.11.5.2 Подобные панели рекомендуется производить в соответствии с пунктами настоящего ОДМ и перед применением предварительно одобрить у Заказчика.
8.11.5.3 При внедрении инновационных панелей рекомендуется соблюдать все характеристики, необходимые для контроля качества материалов и/или дополнительных систем с целью создания долговечных структур, обладающих требуемыми акустическими свойствами и хорошо вписывающихся в пейзаж и окружающую среду, рекомендуется собрать и презентовать информацию о ситуациях, в которых они применялись, и сертификаты подрядных организаций.
8.12.1 При выборе шумозащитных панелей для экранов целесообразно опираться на следующие факторы:
- акустические характеристики панелей (звукоизоляция и звукопоглощение), принятые в расчётах шума и проекте по шумозащитным мероприятиям;
- архитектурное решение экрана (форма экрана в плане и поперечном профиле, состав панелей, цвета, материалы и пр.);
- планируемый срок эксплуатации шумозащитного экрана (например, до наступления реконструкции участка дороги), связанный с гарантийными сроками, сроками службы панелей и их акустической долговечностью;
- стоимость шумозащитных панелей.
8.12.2 Акустические характеристики панелей экранов рекомендуется определять акустическими расчётами на стадии разработки проектной документации в разделе 7 "Мероприятия по охране окружающей среды" в соответствии с Постановлением Правительства N 87 "О составе разделов проектной документации и требованиях к их содержанию" [2]. При проектировании конструкций шумозащитных экранов рекомендуется использовать шумозащитные панели с акустическими характеристиками не ниже, чем приняты в указанных расчётах. Следует отметить, что использование панелей с рекомендованными значениями, не является гарантией получения требуемой эффективности экрана, если будут нарушены иные требования к конструкции, но использование панелей с акустическими характеристиками, которые ниже расчётных, может быть основанием для отрицательного заключения экспертизы, если это проектная документация, или повторного прохождения экспертизы, если это рабочая документация. Также стоит отметить, что использование панелей с более высокими акустическими характеристиками, чем расчётные, не является гарантией получения требуемой эффективности экрана, если нарушены иные требования к конструкции (например образование щелей или устройство проёмов, не учтённых при расчёте шумозащитных мероприятий).
В случае замены панелей на стадии разработки рабочей документации и строительства, кроме акустических свойств, целесообразно учитывать массогабаритные свойства применяемых панелей, которые влияют на расчёт фундаментов, а также оценивать возможные изменения конструкции в целом. Заменять панели не рекомендуется, если расчётные нагрузки на экран и его фундамент превышают более, чем на 10% нагрузки, принятые в проекте. Данные допущения позволяют вносить при необходимости изменения в проектную документацию без повторного прохождения экспертизы.
8.12.3 Архитектурные решения шумозащитных экранов рекомендуется подготовить специалистам, занимающимся разработкой конструкций экранов, на стадии проектной документации с учётом акустических требований, их рекомендуется утвердить у главного архитектора проекта или заказчика, если должность главного архитектора проекта не предусмотрена. Архитектурные решения рекомендуется выполнять с подготовкой технико-экономического обоснования принятых решений.
В состав проектной документации, как приложение, рекомендуется включать эскиз экрана, утверждённый в установленном порядке. Аналитическое сравнение вариантов (технико-экономическое обоснование), являющееся обязательным элементом подготовки проектной документации, в состав проектной документации не включается. Его рекомендуется оформлять в соответствии с требованиями к текстовым документам, хранить в архиве организации и предоставлять заказчику или органам экспертизы по их требованию.
8.12.4 В технико-экономическое обоснование рекомендуется включать:
- мониторинг производителей элементов шумозащитных экранов с учётом стоимости изделий и затрат на доставку к месту установки;
- рассмотрение и сравнение подходящих по акустическим характеристикам шумозащитных панелей производителей, выявленных при мониторинге (от двух до пяти вариантов), с определением достоинств и недостатков продукции каждого;
- сбор и анализ стоимостей продукции, стоимости обслуживания при эксплуатации;
- сравнение заявленными производителями сроков службы и гарантийных сроков с планируемыми эксплуатационными сроками экранов;
- анализ объектов, на которых эксплуатируется рассматриваемая продукция.
8.12.5 Расчёт и проектирование несущих элементов экранов и их фундаментов рекомендуется производить на основании утверждённого эскиза экрана. В эскиз экрана, помимо графического представления, рекомендуется включать следующую информацию:
- сведения о материале панелей, их массогабаритные параметры;
- сведения о методах крепления панелей в стойках;
- сведения об акустических (звукоизоляция и звукопоглощение) и прочностных (значения максимальных нагрузок, воспринимаемых панелями, в различных направлениях) свойствах панелей.
8.13.1 Устройство фундаментов и монтаж шумозащитных экранов рекомендуется производить в соответствии с проектными решениями, утверждёнными органами исполнительной власти, уполномоченными на проведение государственной экспертизы проектной документации, требованиями настоящего ОДМ, действующими на момент строительства нормативными документами и справочными документами (стандартами организаций, регламентами работ, техническими условиями и пр.), предоставляемыми производителями шумозащитных конструкций.
Во избежание нештатных ситуаций при монтаже конструкций шумозащитного экрана рекомендуется при разработке Рабочей документации выполнить детальную проработку Проектных решений (элементы креплений, габаритные размеры изделий, величины допусков размеров и пр.) различных конструкций шумозащитного экрана. Если поставка их осуществляется не с одного предприятия, при необходимости рекомендуется провести согласования между производителями.
8.13.2 При проектировании шумозащитных экранов в составе рабочей документации рекомендуется составить полную ведомость контролируемых в процессе строительства параметров с указанием проводимой технологической операции, наименованием контролируемого параметра при проведении операции, величины предельного отклонения по контролируемому параметру, а также наименование нормативного документа, описывающего предельные отклонения (например, допуски на шаг стоек, отклонение от вертикальности или горизонтальности в процессе монтажа и пр.).
8.13.3 В рабочей документации по согласованию с Заказчиком рекомендуется устанавливать параметры, проверяемые по окончании монтажа шумозащитных экранов в процессе приёмки готовой конструкции, к таким параметрам могут относится:
- уровни шума на защищаемой территории после установки экрана (проведение контрольных замеров уровней шума в расчётных точках);
- отсутствие помех из-за установленного экрана визуальному наблюдению светофоров и других устройств сигнализации (визуально, в случае обнаружения нарушений принять меры по их устранению);
- отсутствие ослепляющего эффекта отражения света каких-либо источников от экрана (визуально путём освидетельствования эффекта от направленного луча света);
- отсутствие зазоров в нижней части экрана между панелями нижнего ряда и фундаментом или землёй (визуально по всей протяжённости экрана);
- наличие и качество установки шумозащитных дверей и контр-экранов в местах проходов через экран (визуально, если таковые имеются, они должны соответствовать материалам проектной и рабочей документации);
- наличие и качество исполнения водоотводных устройств (визуально на соответствие рабочей документации);
- расстояние элементов дороги до конструкций экрана (визуально с помощью измерительных приборов);
- соответствие типов и видов деталей и элементов приведённым спецификациям;
- крепление стоек к фундаментам, крепления и контровки гаек (манометрическим ключом выборочно);
- крепление панелей в несущих конструкциях (визуально на соответствие рабочей документации);
- шаг установки стоек ШЭ с заданными допусками (измерительными приборами выборочно, но не менее 5% от общего количества пролётов);
- качество сварки и покрытий стальных стоек (наружный осмотр основных швов выборочно, проверка актов входного контроля и сопроводительной документации на стойки);
- расположение и форма экранов (визуально на соответствие рабочей документации);
- целостность покрытия панелей и отсутствия нарушения лакокрасочного покрытия (визуально, а также проверка актов входного контроля и сопроводительной документации на панели);
- отсутствие зазоров между панелями (визуально на просвет);
- отсутствие не предусмотренных проектом проёмов в конструкции экранов (визуально по всей протяжённости экранов);
- наличие заземления стоек и других конструкций (если предусмотрено КД), а также качество выполнения работ, измерение параметров заземления;
- соответствие расцветки экрана проектной документации;
- качество скрытых работ (проверка актов освидетельствования скрытых работ, проверка журналов работ и журналов авторского надзора).
1. Сбор исходных данных (категория дороги, количество полос движения, рельеф местности, ширина дороги, ширина полосы отвода и др.).
2. Оценка наличия пассивных шумозащитных мероприятий и первичный акустический расчёт с учётом их размещения без применения активных мер шумозащиты.
3. Определение по таблице 2 перечня необходимых и возможных активных шумозащитных мероприятий (в отдельности или в комплексе), обеспечивающих требуемую эффективность.
4. Проверка возможности реализации подходящих шумозащитных конструкций (раздел 7 настоящего ОДМ).
5. Окончательный выбор шумозащитных конструкций по шкале оптимальности, приведённой в таблице 4. Выбор конструкции с наибольшим количеством баллов.
Пример 1
Исходные данные: По результатам акустических расчётов, выполняемых по нормативной документации, в т.ч. по ОДМ 218.2.013-2011, с учётом пассивных мероприятий в расчётной точке получено превышение на 12 дБА. Категория автомобильной дороги - II, количество полос движения - 2 шт., дорога проходит на насыпи высотой до 2 метров, средняя ширина полосы отвода в районе шумозащитных мероприятий - 50 м, ширина дороги - 15 м.
Решение: Согласно исходным данным требуемая эффективность шумозащитных мероприятий составляет 12 дБА. Согласно таблице 2 настоящего ОДМ такую эффективность могут обеспечить два мероприятия - устройство земляного вала и строительство шумозащитного экрана. В соответствии с исходными данными мы имеем достаточные размеры полосы отвода для устройства обеих конструкций (пространство между дорогой и границами полосы отвода с одной стороны равно b=(50-15)/2=17, 5 метров, что согласно рисунку 10 настоящего ОДМ позволит выполнить вал высотой более 6 метров). В соответствии с таблицей 4 определяется оптимальная конструкция. Так, согласно таблице 4 устройство земляного вала соответствует 47 баллам по шкале оптимальности, строительство шумозащитного экрана - 55 баллам. Наибольшее количество баллов по шкале оптимальности у шумозащитного экрана, значит, предпочтение отдается данной шумозащитной конструкции.
Вывод: в качестве конструкции активных мероприятий рекомендуется выбирать шумозащитный экран, акустическими расчётами в разделе МООС с учётом указаний п.8 ОДМ выбирается место его установки относительно источника шума, габаритные размеры - длина и высота. Детальные чертежи конструкции рекомендуется разрабатывать в разделе ИЛО, данные передаются для разработки индивидуальных поперечных профилей автодороги в разделе ТКР.
Пример 2
Исходные данные: По результатам акустических расчётов, выполняемых по нормативной документации, в т.ч. по ОДМ 218.2.013-2011, с учётом пассивных мероприятий в расчётной точке получено превышение на 22 дБА. Категория автомобильной дороги - Iв, количество полос движения - 4 шт., дорога проходит в выемке с пологими откосами.
Решение: Согласно исходным данным требуемая эффективность шумозащитных мероприятий составляет 22 дБА. Согласно таблице 2 настоящего ОДМ необходимую эффективность (22 дБА) самостоятельно может обеспечить только шумозащитная галерея. В соответствии с рекомендациями п.7.6 вместо шумозащитной галереи могут быть рассмотрены 3 варианта шумозащиты, которые возможно осуществить в проектных условиях:
- шумозащитная выемка (ШВ) + звукоизолирующее остекление (ЗО);
- шумозащитная выемка (ШВ) + шумозащитный экран (ШЭ);
- шумозащитный экран (ШЭ) + звукоизолирующее остекление (ЗО).
На основании данных таблицы 4 настоящего ОДМ определяем суммарное количество баллов по шкале оптимальности:
- ШВ (53 балла) + ЗО (55 баллов) = 108 баллов;
- ШВ (53 балла) + ШЭ (55 баллов) = 108 баллов;
- ШЭ (55 баллов) + ЗО (55 баллов) = 110 баллов.
Согласно выше представленным расчетам оптимальным вариантом из возможных для устройства является шумозащитное мероприятие в виде комплекса из одновременного устройства шумозащитного экрана и шумозащитного остекления.
Вывод: в качестве конструкции активных мероприятий выбираются шумозащитный экран, устанавливаемый ближе к источнику шума с учётом указаний п.8 ОДМ, и звукоизолирующее остекление первой линии застройки. В разделе МООС рассчитываются габаритные размеры экрана (длина и высота) с учётом его места установки относительно источника шума, а также конструкция эффективного остекления (определятся необходимый класс звукоизоляции). Детальные чертежи конструкций разрабатываются в разделе ИЛО, данные передаются для разработки индивидуальных поперечных профилей в разделе ТКР.
АКТ N___*
ПРЕДПРОЕКТНОГО ОСМОТРА СООРУЖЕНИЯ
(*составлен на _ стр. в 2 экз.)
"___" _____________________20__г.
Основание для выполнения работ:
1) Договор N____________________________________________________________;
2) Проектная документация по объекту ___________________________________;
3) Положительное заключение государственной экспертизы N________________.
Сведения о Заказчике и подрядных организациях:
1) Генеральный Заказчик - ________________________;
2) Генеральный подрядчик - _______________________;
3) Генеральная Проектная организация - ________________;
4) Субподрядчик - ____________________________________.
Адрес сооружения в соответствии с Проектной документацией:
_________________________________________________________________________
Кадастровый номер объекта:
_________________________________________________________________________
Фактический адрес объекта:
_________________________________________________________________________
Предмет осмотра сооружения:
Заполнение оконных проёмов жилых помещений сооружений со снятием
исполнительных размеров для устройства шумозащитного остекления.
Задание выдал ______________________________________ /________________/
ФИО собственника и документ, удостоверяющий личность:
_________________________________________________________________________
Наименование и номер документа о собственности:
_________________________________________________________________________
ФИО и подписи сторон:
Представитель проектной организации______________________________________
Собственник______________________________________________________________
Примечание: работы проводятся в рамках указанного Договора и УК РФ (ст.139)
Эскиз расположения фасадов в плане:

Эскизы фасадов и размер оконных проёмов:

Фотофиксация: (на отдельном листе)
Особые отметки:
материал оконных рам_____________________________________________________
кол-во воздушных камер в стеклопакетах___________________________________
наличие систем кондиционирования/систем проветривания____________________
Подписи сторон:
Представитель субподрядчика______________________________________________
Собственник______________________________________________________________
Таблица В1
|
Перечень основных данных и требований |
Содержание основных данных и требований |
|
1. Основание выполнения работ | |
|
2. Наименование объекта | |
|
3. Заказчик | |
|
4. Исполнитель | |
|
5. Статус работы и вид строительства | |
|
6. Проектируемое сооружение и стадия проектирования |
Автомобильная дорога, проектная документация или Шумозащитные конструкции, проектная документация или др. |
|
7. Источник финансирования | |
|
8. Выделение этапов работ и сроки выполнения работ по этапам | |
|
9. Категория автомобильной дороги | |
|
10. Количество и ширина полос движения | |
|
11. Ширина обочины (и разделительной полосы) | |
|
12. Начало и конец проектируемого участка |
(уточняется на стадии проектирования) |
|
13. Виды и объёмы работ, требования к конструкциям и их размещению, минимальный и/или максимальный срок эксплуатации шумозащитных конструкций | |
|
14. Исходные данные, передаваемые Заказчиком |
14.1 Данные об интенсивности движения автотранспорта и расчётных скоростях движения; 14.2 Инженерно-геодезические и инженерно-геологические изыскания (при необходимости Исполнитель получает сам); 14.3 Данные о существующей или проектируемой полосе отвода земель (и кадастровых границах смежных участков, если имеются); 14.4 Чертежи плана автомобильной дороги (при новом строительстве, реконструкции или капитальном ремонте); 14.5 Чертежи продольного профиля автомобильной дороги, рабочие поперечные профили автомобильной дороги (при новом строительстве, реконструкции или капитальном ремонте); 14.6 Схемы организации дорожного движения (скорость движения на определённых участках дороги, наличие светофорных объектов и пр.); 14.7 Сведения о местах с особыми требованиями в части виброакустического воздействия (при необходимости Исполнитель получает сам); 14.8 Сведения о существующих шумозащитных мероприятиях; 14.9 Сведения о применяемом дорожном покрытии. |
|
15. Исходные данные, получаемые Исполнителем | |
|
16. Требования к изысканиям | |
|
17. Основная нормативная документация для проектирования | |
|
18. Требования к составу работ, содержанию и оформлению проектной документации | |
|
19. Требования к определению сметной стоимости строительства | |
|
20. Требования к отчётной документации и порядку её предоставления | |
|
21. Дополнительные требования |
Библиография
[1] Федеральный закон от 8 ноября 2007 г. N 257-ФЗ "Об автомобильных дорогах и о дорожной деятельности в Российской Федерации и о внесении изменений в отдельные законодательные акты Российской Федерации" (с изменениями на 3 августа 2018 года).
[2] Постановление Правительства РФ от 16 февраля 2008 г. N 87 "О составе разделов проектной документации и требованиях к их содержанию".
[3] ОДМ 218.2.013-2011 Методические рекомендации по защите от транспортного шума территорий, прилегающих к автомобильным дорогам.
[4] Постановление Правительства РФ от 2 сентября 2009 г. N 717 "О нормах отвода земель для размещения автомобильных дорог и (или) объектов дорожного сервиса" (с изменениями на 11 марта 2011 года).
[5] ВСН от 21 января 1971 г. N 04-71 (Минэнерго СССР) Указания по расчету устойчивости земляных откосов (2-е издание).
[6] СТО АВТОДОР 2.9-2014 Стандарт Государственной компании "Автодор". Рекомендации по проектированию, строительству и эксплуатации акустических экранов на автомобильных дорогах государственной компании.
[7] Федеральный закон от 22.07.2008 N 123-ФЗ "Технический регламент о требованиях пожарной безопасности" (с изменениями на 29 июля 2017 года).
[8] Федеральный закон "Технический регламент о безопасности зданий и сооружений" от 30.12.2009 N 384-ФЗ
[9] Пособие по проектированию оснований зданий и сооружений (к СНиП 2.02.01-83) от 01.10.1984
[10] СТО АСЧМ 20-93 Стандарт ассоциации предприятий и организаций по стандартизации продукции черной металлургии. Прокат стальной сортовой фасонного профиля. Двутавры горячекатаные с параллельными гранями полок. Технические условия.


