ОДМ 218.5.011-2018 ТЕХНИЧЕСКИЕ ТРЕБОВАНИЯ К МОБИЛЬНОЙ СВЕТОТЕХНИЧЕСКОЙ ЛАБОРАТОРИИ. МЕТОДИКА ИЗМЕРЕНИЯ ОСВЕЩЕННОСТИ НА ДОРОЖНОМ ПОКРЫТИИ
Предисловие
1. Разработан Обществом с ограниченной ответственностью "Всесоюзный научно-исследовательский светотехнический институт имени С.И. Вавилова" (ООО "ВНИСИ")
2. Внесен Управлением научно-технических исследований и информационного обеспечения, Управлением строительства и эксплуатации автомобильных дорог Федерального дорожного агентства
3. Издан на основании распоряжения Федерального дорожного агентства от 23.07.2018 N 2788-р
4. Имеет рекомендательный характер
5. Введен впервые
Настоящий ОДМ устанавливает технические требования к мобильной светотехнической лаборатории, позволяющей проводить измерения освещенности дорожного покрытия мобильным методом, а также устанавливает совокупность и последовательность конкретно описанных операций, выполнение которых обеспечивает получение результатов измерений средней освещенности дорожного покрытия в диапазоне от 0, 1 до 100 лк и равномерности распределения освещенности в диапазоне от 0, 1 до 1.
В настоящем ОДМ использованы ссылки на следующие документы:
ГОСТ Р 12.1.019-2009 "Система стандартов безопасности труда. Электробезопасность. Общие требования и номенклатура видов защиты".
ГОСТ Р 55392-2012 "Приборы и комплексы осветительные. Термины и определения"
ГОСТ Р 55706-2013 "Освещение наружное утилитарное. Классификация и нормы"
ГОСТ Р 55707-2013 "Освещение наружное утилитарное. Методы измерений нормируемых параметров"
ГОСТ Р 55708-2013 "Освещение наружное утилитарное. Методы расчета нормируемых параметров"
ГОСТ Р 56228-2014 "Освещение искусственное. Термины и определения"
ГОСТ Р ИСО 5725-6-2002 "Точность (правильность и прецизионность) методов и результатов измерений. Часть 6. Использование значений точности на практике"
ГОСТ ИСО/МЭК 17025-2009 "Общие требования к компетентности испытательных и калибровочных лабораторий"
ГОСТ 12.1.005-88 "Система стандартов безопасности труда. Общие санитарно-гигиенические требования к воздуху рабочей зоны"
ГОСТ 12.1.018-93 "Система стандартов безопасности труда. Пожаровзрывобезопасность статического электричества. Общие требования"
ГОСТ 12.1.030-81 "Система стандартов безопасности труда. Электробезопасность. Защитное заземление, зануление"
ГОСТ 24940-2016 "Здания и сооружения. Методы измерения освещенности"
ГОСТ 32144-2013 "Электрическая энергия. Совместимость технических средств электромагнитная. Нормы качества электрической энергии в системах электроснабжения общего назначения"
ПНСТ 26-2015 "Автомобильные дороги общего пользования. Освещение искусственное. Методы измерений"
ПНСТ 27-2015 "Автомобильные дороги общего пользования. Освещение искусственное. Нормы и методы расчета"
СП 52.13330.2016 "Свод правил. Естественное и искусственное освещение. Актуализированная редакция СНиП 23-05-95*"
В настоящем ОДМ применены термины ГОСТ Р 55392, ГОСТ Р 56228 а также следующие термины с соответствующими определениями:
3.1 утилитарное наружное освещение: Стационарное освещение, обеспечивающее безопасное и комфортное движение транспортных средств и пешеходов на автомобильных дорогах, улицах, велосипедных дорожках и в пешеходных зонах парков и скверов в темное время суток
3.2 автомобильная дорога: Комплекс конструктивных элементов, предназначенных для движения с установленными скоростями, нагрузками и габаритами автомобилей и иных наземных транспортных средств, осуществляющих перевозки пассажиров и (или) грузов, а также участки земли, предназначенные для их размещения [1]
3.3 средняя освещенность, Еср, лк: Среднее арифметическое из всех измеренных значений освещенности в контрольных точках измерительного поля
3.4 равномерность освещенности, Uh: Отношение значения минимальной освещенности к значению средней освещенности поверхности [ГОСТ Р 56228, статья 2.41]
Примечание - В случае дорожного освещения равномерность освещенности определяют для всей ширины проезжей части
3.5 контрольный участок: Часть испытуемого объекта освещения (дороги, улицы, площади и т.п.), выбранная для проведения измерений, на которой расположено измерительное поле.
3.6 измерительное поле: Часть контрольного участка с установленными параметрами, на которой непосредственно измеряют распределение освещенности.
Примечание - Параметры измерительного поля принимают соответствующими параметрам расчетного поля освещенности по ГОСТ Р 55708.
В настоящем ОДМ применяют следующие сокращения:
АИИСКУЭ - автоматизированная информационно-измерительная система коммерческого учёта электроэнергии;
ДП - дорожное покрытие;
МСЛ (Е) - мобильная светотехническая лаборатория для измерения освещенности;
МСЛ-Софт (Е) - специализированное программное обеспечение для компьютера, предназначенное для работы измерительной системы (сбор, обработка, хранение информации об измерениях);
ОП - осветительный прибор;
ОУ - осветительная установка;
ПДД - правила дорожного движения;
ПК - персональный компьютер;
ПО - программное обеспечение;
ФПУ - фотоприемное устройство.
Мобильный метод заключается в проведении измерений непосредственно при движении/перемещении измерительного оборудования. Мобильный метод измерения освещенности ДП осуществляется с помощью мобильной светотехнической лаборатории. МСЛ (Е) представляет собой реализацию рекомендуемого в публикации МКО CIE194:2011 [2] мобильного метода измерения освещенности с помощью "разнесенных в плоскости измерения приемников", установленных на автомобиль.
Измерения освещенности ДП выполняют методом фиксации значений с помощью ФПУ, установленных определенным образом снаружи транспортного средства (рисунок 1), в процессе движения, с последующей математической обработкой этих данных с помощью ПО МСЛ-Софт (Е).
Процесс измерений мобильным методом состоит из двух этапов. Первый этап - проведение измерений освещенности с помощью ФПУ и сохранение полученных данных на жесткий диск компьютера. Второй этап процесса измерений - обработка полученных данных, в том числе попарное сведение результатов с передних и соответствующих им задних ФПУ в момент времени, когда они оба находились в одной и той же точке пространства, с целью получения данных о параметрах освещенности (значения средней освещенности и равномерности ее распределения на ДП) измеряемого участка дороги.

1-автомобиль; 2-передние ФПУ; 3-задние ФПУ
Рисунок 1 - Схема расположения ФПУ на автомобиле
Передние ФПУ, установленные на автомобиле согласно рисунку 1, реагируют на падающий на них световой поток от ОП, расположенных впереди машины в текущий момент времени, соответственно задние ФПУ - от ОП, оставшихся сзади автомобиля. Форма полученных сигналов в функции времени для передних ФПУ будет иметь плавно нарастающий вид с резким обрывом (фронтом) при прохождении опоры с ОП и для задних ФПУ начинаться с резкого подъема у опоры и плавного спада при дальнейшем от неё удалении. Такая форма обусловлена конструкцией ФПУ. При этом, чем полученный фронт будет круче, тем точнее будет произведено сведение результатов, полученных от переднего и соответствующего ему заднего ФПУ. Крутизна фронта зависит от конструктивных характеристик ФПУ.
Точность сведения результатов обеспечивается за счет точности определения скорости и места положения автомобиля в текущий момент времени с помощью датчика скорости и GPS-приемника.
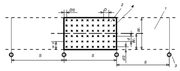
Контрольный участок для проведения измерений распределения освещенности ДП - это участок обследуемого объекта (дороги, улицы, площади и т.п.) длиной не менее четырех пролетов между опорами (при шаге опор освещения не менее 25 м). Измерительное поле представляет собой участок дороги, на котором располагаются измерительные точки, и длина которого ограничивается двумя соседними ОП одного ряда согласно действующей нормативной документации. При неравномерном расположении осветительных приборов длина измерительного поля определяется по наибольшему расстоянию между соседними осветительными приборами одного ряда. Ширина измерительного поля (поперек дороги) ограничивается шириной всей проезжей части для дорог без разделительной полосы и шириной проезжей части с движением в одну сторону для дорог с разделительной полосой.
Контрольные точки на измерительном поле располагаются равномерно. На рисунке 2 приведен пример расположения контрольных точек на измерительном поле для прямолинейного участка двухполосной дороги с односторонним расположением опор освещения. Шаг контрольных точек в продольном направлении определяется по ГОСТ Р 55708, ГОСТ 24940: по формуле
. Если S≤30 м, то количество точек N=10. Если S > 30 м то N - наименьшее целое число, при котором S/N≤3 м. Крайние поперечные ряды контрольных точек отстоят от поперечных границ измерительного поля на расстоянии D/2. В поперечном направлении шаг определяется по формуле
.

1 - контрольный участок; 2 - измерительное поле; 3 - ОП; 4 - контрольные точки измерений
Рисунок 2 - Пример расположения контрольных точек на измерительном поле
Что касается проведения измерений освещенности с помощью МСЛ (Е), шаг контрольных точек в поперечном направлении определяется установкой ФПУ на автомобиль (на расстоянии 1, 5 м друг от друга). Центральная линия между контрольными точками, идущая вдоль дороги, должна совпадать с центром измеряемой полосы проезжей части. Обоснованное уменьшение количества контрольных точек в поперечном направлении связано с необходимостью размещения измерительного оборудования в пределах габаритов машины в соответствии с требованиями ПДД.
6.1 Измерения проводят в темное время суток, когда естественная освещенность составляет не более 10% от минимальной освещенности на контрольном участке. При невозможности выполнения этого требования, например, в период "белых ночей", следует вводить поправку в результаты измерений на фоновую засветку.
6.2 В соответствии с ГОСТ Р 55707 и ПНСТ 27 измерения проводят при относительной влажности не более 90 % и отсутствии атмосферных осадков, тумана и задымления.
6.3 Температура окружающего воздуха должна находиться в диапазоне от -10 до +40°С.
6.4 Относительная влажность воздуха от 10 до 90 %.
6.5 Атмосферное давление в диапазоне от 80 до 110 кПа.
6.6 Температура воздуха в салоне автомобиля должна находиться в диапазоне от +15 до +30°С.
6.7 Относительная влажность воздуха в салоне автомобиля (без выпадения конденсата) в диапазоне от 10 до 90%.
6.8 Питание ФПУ и GPS-приемника осуществляется от портов USB-хаба с помощью специальных кабелей.
МСЛ (Е) должна отвечать следующему ряду требований:
1. Измерительная система МСЛ (Е) должна обеспечивать возможность измерения освещенности ДП улиц, дорог и площадей на соответствие требованиям ГОСТ Р 55706, СП 52.13330.2011, ПНСТ 27 и оснащена необходимым и достаточным набором технических средств для проведения измерений освещенности ДП мобильным методом с погрешностью, установленной требованиями ГОСТ Р 55707 и ПНСТ 26.
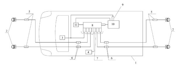
2. МСЛ (Е) должна включать в себя следующее оборудование: ФПУ (4 шт.), персональный компьютер (ноутбук) с установленным ПО МСЛ- Софт (Е), датчик скорости, GPS-приемник, приспособления для установки, 1. коммутации и питания элементов системы, источники питания, запасные части, инструменты, принадлежности. Функциональная схема МСЛ (Е) представлена на рисунке 3.

1 - автомобиль; 2 - ФПУ; 3 - GPS-приемник; 4-датчик скорости; 5 - герметичные разъемы HYF; 6 - разъемы XLR; 7-разъемы для подключения к USB-хабу; 8 - USB-хаб; 9 - СОМ-порт; 10 - персональный компьютер; 11 - инвертор 12/230 В
Рисунок 3 - Функциональная схема МСЛ (Е)
3. Измерительная система должна обеспечивать возможность автоматической записи результатов измерений в ПК, входящий в состав измерительной системы.
4. ПО системы для проведения мобильных измерений освещенности ДП должно обеспечивать возможность автоматического вычисления значения средней освещенности и ее распределения по измеренным данным для конкретного измерительного поля.
5. Полученные результаты измерений должны автоматически вноситься в протокол и при необходимости выводиться на печать.
7.2.1 Базовым элементом системы, позволяющей измерять освещенность ДП мобильным методом, является фотоголовка, входящая в состав ФПУ. Основные требования к фотоголовке:
- общая относительная погрешность измерений должна быть не более ±5%;
- диапазон измерений освещенности 0, 1-100 лк;
- фотоголовка должна обладать инерцией, позволяющей получать значения освещенности с частотой не менее 4 Гц, так как измерения производятся во время её движения;
- цифровой выходной сигнал с фотоголовки должен иметь формат (соответствующую кодировку), позволяющий проводить дальнейшую его обработку;
- площадь приемной поверхности фотоголовки должна быть оптимальна с точки зрения технологических особенностей её изготовления (например, равномерность чувствительности по приёмной поверхности), уменьшения методических погрешностей измерения (усреднение полученных значений по чувствительной поверхности фотоголовки) и составлять не более 10 мм. Такой размер приемной поверхности фотоголовки в сочетании с диаметром экранирующего элемента не менее 200 мм обеспечивает получение крутого фронта в полученных сигналах с ФПУ при измерениях;
- фотоголовка должна иметь косинусную угловую характеристику фотоприемника и коррекцию под относительную спектральную световую эффективность.
7.2.2 Требования к конструкции:
Оптические элементы ФПУ (защитные полусферические колпаки) должны быть выполнены из оптического стекла. Диаметр полусфер должен быть не более 100 мм, толщина стекла - не менее 3 мм.
Экранирующие элементы должны быть выполнены из прочного материала (металл) и покрыты черной матовой краской, стойкой к внешним воздействиям среды (влажность, вибрации и т.д.) и иметь размеры, обеспечивающие необходимую крутизну фронта при измерениях (диаметр не менее 200 мм).
Требования к устройствам крепления частей измерительной системы между собой и к автомобилю:
- возможность легкого демонтажа элементов системы, подлежащих чистке, обслуживанию или замене в процессе эксплуатации, без снижения безопасности их использования на автомобильных дорогах;
- надежное крепление съемных частей измерительной системы;
- стойкость к воздействию окружающей среды в соответствии с условиями эксплуатации при проведении измерений.
7.2.3 Требования к персональному компьютеру:
- операционная система: Microsoft Windows 7 и выше.
- оперативная память: не менее 1 Гб;
- жесткий диск: не менее 200 Мб свободного пространства;
- наличие СОМ и USB портов.
7.2.4 Требования к GPS приемнику:
- точность определения скорости - до 0, 1 м/сек;
- точность определения времени - до 1 мкс;
- частота считывания данных - не менее 4 Гц (период опроса устройства - 250 мс);
- точность определения координат места положения согласно используемому датуму WGS84 - менее 10 см;
- наличие ПО для ПК и возможности последнего считывания информации в текущий момент времени и сохранения её на жесткий диск компьютера;
- влагостойкость датчика GPS.
7.2.5 Требования к датчику скорости:
- точность определения текущей скорости автомобиля - до единиц км/ч;
- частота считывания данных - не менее 4 Гц (период опроса устройства - 250 мс);
- наличие USB интерфейса и ПО для ПК и возможности считывания информации в текущий момент времени.
7.2.6 Требования к преобразователю напряжения (инвертору):
- выходное напряжение синусоидальное 230 В, 50 Гц;
- мощность не менее 300 Вт;
- показатели качества выходного напряжения должны соответствовать требованиям ГОСТ 32144.
Преобразователь напряжения должен иметь встроенные защиты:
- от короткого замыкания;
- от перегрузки;
- от повышения напряжения питания;
- тепловая защита (защита от перегрева);
- защита аккумулятора от полной разрядки (от снижения напряжения).
7.2.7 Требования к USB-хабу:
- наличие внешнего питания;
- наличие не менее 6 USB-портов.
7.2.8 Требования к ПО системы:
ПО системы должно обеспечивать работу всех узлов системы МСЛ (Е) в целом. ПО должно иметь интуитивно понятный пользовательский интерфейс.
При работе системы мобильного измерения освещенности интерфейс ПО должен отображать на экране компьютера текущую информацию с датчиков системы.
Обработка результатов должна происходить автоматически. При обработке оператор МСЛ (Е) должен иметь возможность выбора действующего нормативного документа, определяющего требования к измеренному участку дороги или другого измеряемого объекта.
ПО должно создавать протокол с результатами измерений, представленными в табличной и графической форме. Результаты измерений должны записываться на жесткий диск компьютера с возможностью последующего обращения к ним с целью обработки. С целью передачи данных об измерениях на другое устройство ПО должно иметь возможность импортировать результаты измерений в отдельно создаваемый файл и соответственно обрабатывать информацию, полученную из внешнего файла.
Протокол, создаваемый на базе ПО должен содержать следующие сведения: дата и время проведения измерений; адрес измеряемого участка; геометрические параметры ОУ при наличии данных; тип осветительных приборов при возможности; тип источников света; номер измеряемой полосы; информация о датчиках, в том числе сведения об их поверке; вывод о соответствии измеренных параметров нормируемым.
7.2.9 Требования к транспортному средству, используемому при проведении измерений освещенности ДП мобильным методом:
- автомобиль должен быть дооснащен устройством крепления ФПУ снаружи автомобиля согласно схеме их размещения (рисунок 1). Высота установки ФПУ над плоскостью ДП должна быть минимально возможной для уменьшения возникающих погрешностей измерений. Крепление должно обеспечивать жесткое положение ФПУ относительно автомобиля;
- автомобиль должен быть дооснащен преобразователем напряжения для питания составных частей системы;
- для повышения уровня безопасности персонала и других участников движения автомобиль должен быть оборудован жёлтыми проблесковыми маячками, установленными на крыше автомобиля и не создающими дополнительной засветки ФПУ при проведении измерений. Также устройства крепления ФПУ к автомобилю (балки) должны быть оборудованы жёлтыми ограничительными огнями, определяющими габариты измерительной установки.
Измерения освещенности ДП по настоящему ОДМ проводят с помощью установленных в ФПУ фотоголовок люксметра, отвечающего требованиям Приказа Министерства здравоохранения и социального развития РФ МЗСР N 1034 от 09.09.2011 г. [3] и прошедшего испытания утверждения типа, внесенного в перечень утвержденных типов средств измерений Федерального информационного фонда по обеспечению единства измерений (Государственный реестр средств измерений), и допущенного к применению в Российской Федерации.
Определение координат места проведения измерений осуществляется с помощью GPS-приемника, отвечающего требованиям п. 7.2.4 настоящего ОДМ.
Скорость движения автомобиля при проведении измерений определяется с помощью специального адаптера (далее датчик скорости), подключаемого к диагностическому разъему автомобиля.
Подключение ФПУ и датчика скорости к ПК производится с помощью USB-хаба с внешним питанием.
Питание составных частей системы осуществляется от инвертора, отвечающего требованиям п. 7.2.6 настоящего ОДМ.
Управление работой ФПУ, обработка результатов измерений осуществляется с помощью программного обеспечения МСЛ-Софт (Е), установленного на ПК, входящий в состав системы МСЛ (Е). Защита ПО от непреднамеренных и преднамеренных изменений соответствует уровню "С". ПО МСЛ-Софт (Е) имеет свидетельство N 2014614480 о государственной регистрации программы для ЭВМ.
Для транспортировки ФПУ используют специально изготовленные кофры.
При проведении измерений необходимо соблюдать следующие требования:
1) для проведения измерений выбирают участок, по возможности не затененный деревьями, припаркованными автомобилями, элементами обустройства дороги и т.п. Наличие затеняющих объектов фиксируют в протоколе измерений;
2) при проведении измерений принимают меры по исключению или ограничению постороннего света. Если это затруднительно или невозможно, то влияние этого фактора учитывают при обработке результатов измерений. Наличие любых факторов, создающих посторонний свет, должно быть отражено в протоколе измерений. Источниками постороннего света могут быть витрины магазинов, рекламные щиты, сигнальные огни, фары транспортных средств, в том числе фары МСЛ (Е), свет, отраженный от поверхности снега на обочинах дороги. Влияние постороннего света снижают экранированием или проводят коррекцию измерениями при выключенном уличном освещении. Для исключения действия света фар проезжающих автомобилей, измерения проводят в отсутствие встречного транспорта. Для исключения влияния света фар МСЛ (Е) на результаты измерений, их проводят с выключенными фарами и при работающих проблесковых маячках и ограничительных огнях;
3) транспортное средство в процессе измерений должно двигаться строго по центру полосы движения, предназначенной для проезда транспорта, по траектории, параллельной оси полосы движения. Если на участке измерений две и более полосы движения, необходимо провести измерения на каждой из них;
4) скорость движения автомобиля в процессе измерений должна находиться в диапазоне от 20 до 80 км/ч. При этом при проведении измерений на контрольном участке мгновенная скорость автомобиля не должна изменяться более чем на 5 %.
По результатам разработки данной методики определены пределы допускаемой относительной погрешности измерений.
Пределы допускаемой относительной погрешности измерений по данной методике составляют:
- ±8, 7% при определении средней освещенности ДП в диапазоне измерений освещенности от 0, 1 до 100 лк;
- ±12, 5% при определении равномерности распределения освещенности в диапазоне измерений освещенности от 0, 1 до 100 лк.
9.3.1 При эксплуатации электрооборудования необходимо выполнять требования ГОСТ 12.1.030 и ГОСТ Р 12.1.019.
9.3.2 Микроклимат рабочего пространства в салоне автомобиля во время проведения измерений должен соответствовать требованиям СанПиН 4616 [4].
9.3.3 Необходимо выполнение санитарно-гигиенических требований к воздуху рабочей зоны по ГОСТ 12.1.005.
9.3.4 Необходимо выполнение требований ГОСТ 12.1.018 в части пожаровзрывобезопасности статического электричества.
9.3.5 Работающий персонал должен соблюдать требования инструкции по охране труда на рабочих местах.
9.3.6 ФПУ, а также используемое в процессе измерений вспомогательное оборудование, не оказывает опасных воздействий на окружающую среду и не требует специальных мер по защите окружающей среды.
К работе с оборудованием для измерения освещенности мобильным методом и ПО МСЛ-Софт (Е) допускаются работники не моложе 18 лет, имеющие среднее или высшее инженерно-техническое образование, прошедшие при поступлении на работу вводный инструктаж по охране труда, противопожарный инструктаж, проверку знаний требований охраны труда, проверку знаний в объеме группы III по электробезопасности и изучив настоящий ОДМ.
К управлению автомобилем допускаются лица не моложе 18 лет, имеющие соответствующее водительское удостоверение, прошедшие медицинское освидетельствование, инструктаж по охране труда и проверку знаний в объеме группы I по электробезопасности.
10.1.1 Измерения освещенности ДП проводятся на предварительно выбранном участке дороги. Обследуемый участок должен соответствовать требованиям действующей нормативной документации и должны выполняться условия раздела 9 настоящего ОДМ. Перед проведением измерений на контрольном участке следует провести замену перегоревших ламп или неработающих светильников и произвести чистку светильников. Измерение может проводиться без предварительной подготовки ОУ, что должно быть зафиксировано в протоколе измерений.
Перед и после проведения измерений необходимо знать значение напряжения питающей сети. Эти данные получают по записям в пункте питания линии освещения дистанционно или в форме отчётов (протоколов) систем технического учёта или АИИСКУЭ с привязкой ко времени начала и окончания измерений освещенности дорожного покрытия.
ФПУ устанавливаются на специальные крепления снаружи автомобиля (рисунок 4). Подключение ФПУ к ПК производится специальными кабелями, оканчивающимися с одной стороны герметичным разъёмом HYF-190 A (находится снаружи автомобиля) и USB-разёмом с другой стороны для подключения к ПК через USB-хаб. Перед началом измерений необходимо убедиться, что все провода жёстко закреплены, а разъёмы плотно соединены.
После подключения ФПУ следует произвести протирку их оптических деталей сухой тряпкой, чтобы удалить возможную пыль. Также ФПУ протирают после окончания проведения измерений.

Рисунок 4 - Расположение ФПУ на транспортном средстве для проведения измерений освещенности мобильным методом
10.1.2 Приемник GPS подключается к ПК с помощью COM и USB- кабелей согласно инструкции по эксплуатации. Программа автоматически идентифицирует устройство и присвоит ему номер COM-порта.
10.1.3 Датчик скорости подключается к диагностическому разъёму автомобиля и к ПК с помощью USB-кабеля. Программа автоматически идентифицирует устройство и присвоит номер виртуального COM-порта. В этом можно убедиться в меню "НАСТРОЙКИ" запущенной программы. В том же меню отобразится и номер COM-порта для GPS-приемника, а также значения скоростей передачи данных по COM-портам для подключенных устройств.
10.1.4 Диагностика работы устройств системы
Программа МСЛ-Софт запускается с помощью меню "Пуск": "Windows" -> "Все программы" -> "МСЛ-Софт" или двойного нажатия указателем мыши по соответствующему ярлыку программы.
После закрепления ФПУ на автомобиль и их подключения к ПК следует проверить работоспособность всех подключенных ФПУ. Для этого в запущенной программе МСЛ-Софт (Е) следует выбрать меню "УСТРОЙСТВА" -> нажать на кнопку "Начать запись данных ФГ"
убедиться, что в окне "Люксметры" появилось 2 зеленых и 2 красных столбца (рисунок 5), определяющих уровень создаваемой освещенности на соответствующих ФПУ. Зеленым и красным цветом обозначаются данные, полученные от передних и задних ФПУ соответственно. При этом правые столбцы отображают полученные значения от ФПУ, расположенных справа, а левые - от левых соответственно.

Рисунок 5 - Проверка работоспособности ФПУ
В случае если возникает ошибка или отображается работа не всех подключенных ФПУ, следует проверить плотность подключения разъемов, а после этого перезапустить программу.
После проверки для остановки записи с ФПУ необходимо нажать на кнопку "Остановить запись данных ФГ":
.
Для определения текущего места положения автомобиля необходимо нажать на кнопку "Начать запись данных GPS":
во вкладке меню "УСТРОЙСТВА". При этом в окне "GPS данные" начнут появляться данные о текущей дате, времени, широте и долготе места нахождения. Также признаком правильного обмена данными между GPS-приемником и ПК является появление значка земного шара на кнопке программы МСЛ-Софт в панели задач:
. Это говорит о том, что данные поступают в процессор ПК и записываются в его память.
Для остановки записи данных нажать кнопку "Остановить запись Остановить данных GPS": мписьданных GPS
.
Проверка датчика скорости производится на небольшой скорости. Для этого в меню программы "НАСТРОЙКИ" необходимо нажать на кнопку "Тест устройства":
В открывшемся окне для начала тестирования нажать на кнопку "Старт", когда автомобиль наберет скорость. Если устройство правильно подключено и работает, значение текущей скорости автомобиля будет отображено в этом же окне (рисунок 6) и будет меняться с изменением текущей скорости. После проверки устройства необходимо нажать кнопку "Отмена" и закрыть диалоговое окно.

Рисунок 6 - Диагностика работы датчика скорости
10.1.5 Поверка ФПУ должна производиться ежегодно.
После проверки работоспособности всех составных частей системы можно приступать к проведению самих измерений.
Для этого при подъезде к выбранному контрольному участку в программе МСЛ-Софт во вкладке меню "УСТРОЙСТВА" нажать кнопку "Начать запись данных ФГ". В правом окне начнут появляться новые данные о месте нахождения, времени и скорости с частотой, соответствующей значению, установленному в меню "НАСТРОЙКИ" -> "Период опроса" (по умолчанию это значение установлено 250 мс, что соответствует 4 значениям в секунду).
Требования к скорости и траектории движения транспортного средства в процессе проведения измерений описаны в п. 9.1 настоящего ОДМ. Согласно ГОСТ Р 55708 измерения освещенности проводят на каждой из полос движения измеряемого участка дороги, включая встречные полосы движения.
Так как все полученные в процессе измерений данные сохраняются на жесткий диск компьютера, их обработка может быть произведена позднее. Дополнительных действий для сохранения измеренных данных не требуется.
Если обработка полученных результатов будет проводиться на другом компьютере, то необходимо полученные данные записать в отдельные файлы, которые можно будет передать на другое устройство и открыть с помощью программы МСЛЛ-Софт. Для этого в меню "УСТРОЙСТВА" программы МСЛ-Софт необходимо нажать на кнопку "Экспорт данных"
в подразделах меню "Приемник GPS" и "Люксметры". В появившемся диалоговом окне выбрать адрес места хранения файлов. При сохранении данных с GPS-приемника и датчика скорости сгенерированный файл имеет расширение *.moblab_gps, а файл с результатами измерений освещенности - *.moblab_ph.
Выход из программы осуществляется нажатием символа
, расположенного в правом верхнем углу окна программы.
10.3.1 Подготовка к работе
Если измерения проводились не на том компьютере, на котором будет производиться обработка, то после открытия программы МСЛ-Софт, необходимо ввести в программу отснятые данные. Для этого необходимо в меню "УСТРОЙСТВА" нажать на кнопку "Импорт данных"
в разделах "Приемник GPS" и "Люксметры". В открывшемся диалоговом окне выбрать адрес расположения соответствующих файлов, которые были сгенерированы после окончания проведения измерений (см. раздел 13).
Если обработка будет производиться на том же ПК, с помощью которого производились измерения, то следует просто открыть программу. Все данные последних измерений отобразятся в программе автоматически.
10.3.2 Выбор данных для обработки
Чтобы выбрать контрольный участок, на котором будет проводиться дальнейшая обработка результатов, необходимо левой кнопкой мыши выбрать одну из точек в правом окне "GPS данные". Если компьютер подключен к сети Интернет, в нижнем правом окне программы МСЛ-Софт "Яндекс.Карты" появится карта с указанием места расположения выбранной точки измерения. Масштаб карты можно изменять вращением колеса прокрутки мыши (при этом окно "Яндекс.Карты" должно быть активным). Таким образом, по расположению точки на карте или по известному времени начала измерения выбирается начальная точка контрольного участка измерений. Конечная точка контрольного участка выбирается левой кнопкой мыши одновременно с нажатием кнопки Ctrl на клавиатуре. После этого в окне с картами появится маршрут движения между выбранными точками (рисунок 7). Участок измеряемого объекта, отображаемый на карте, должен отвечать требованиям действующей нормативной документации и требованиям к условиям проведения измерений настоящего ОДМ. Если выбранный участок не отвечает одному или нескольким требуемым параметрам, имеет слишком большую длину или время на его проезд заняло больше одной минуты, операцию по его выбору следует проделать заново.

Рисунок 7 - Выбор контрольного участка
10.3.3 Обработка результатов
После выбора подходящего контрольного участка следует нажать на кнопку "Статистика данных ФГ": 
В появившемся новом окне (рисунок 8) появятся графики изменения освещенности (по оси ординат) за выделенный промежуток времени (ось абсцисс) в секундах, полученные от каждого ФПУ, расположенного относительно автомобиля согласно приведенной рядом схеме, а также данные об изменении скорости за этот же отрезок времени.

Рисунок 8 - Первый шаг обработки результатов
Для следующего шага обработки нажать кнопку "Далее >" внизу окна. При этом появляются автоматически обработанные графики с результатами освещенности дороги на выделенном ранее временном отрезке после попарного сложения сигналов с передних и соответствующих им задних ФПУ в момент времени, когда они находились в одной точке пространства (рисунок 9). Здесь синим цветом обозначены значения освещенности как функции времени, полученные после сведения сигналов от ФПУ, расположенных слева от автомобиля, а красным - от расположенных справа соответственно, как показано на схеме справа от полученного графика.

Рисунок 9 - Второй шаг обработки результатов
На этом этапе необходимо выбрать измерительное поле для последующего вычисления значений средней освещенности и равномерности ее распределения. Длина измерительного поля определяется визуально по графикам, как расстояние между двумя соседними максимумами. Выбор границ измерительного поля осуществляется при помощи двух ползунков, расположенных ниже графиков с подписями - начало и конец отсчета. Для более четкого определения временных границ прохождения автомобилем контрольного участка, шкала времени на ползунках приведена в мс. На графиках границы выбранного измерительного поля отмечаются красными вертикальными пунктирными линиями.
На случай, если будет использован другой автомобиль, в текущем окне есть ползунок "База автомобиля", позволяющий программно задавать расстояние между передними и задними ФПУ при сведении результатов. По умолчанию это значение равно 6 м. При изменении этого значения графики будут автоматически перестроены.
Сетка расположения контрольных точек по измерительному полю измерения должна соответствовать требованию действующих нормативных документов. Зная изменение скорости на выбранном участке дороги (между двумя опорами освещения или между двумя максимумами на графике), программа автоматически вычисляет шаг опор и в соответствии с нормативными требованиями выбирает количество расчетных точек в продольном направлении для каждой линии измеренных значений освещенности. Это значение также можно поменять в случае необходимости, изменив с помощью мыши или клавиатуры соответствующее поле.
При обработке измерений могут быть видны скачки значений освещенности в пределах контрольного участка (что может быть связано с дефектами ДП или с другими причинами) и это может значительным образом сказаться на результатах измерений. Чтобы эти скачки не повлияли на результаты измерений, в программе предусмотрена возможность "сглаживания" получившихся графиков с помощью линейной фильтрации. Для выбора коэффициента сглаживания от 0 (отсутствие "сглаживания") до 10 (усреднение/"сглаживание" проводится по 21-й точке, то есть в диапазон усреднения вокруг каждой точки входят ближайшие 10 с каждой стороны) необходимо воспользоваться соответствующим ползунком.
Если по каким-либо причинам выбранное измерительное поле не устраивает оператора, есть возможность вернуться на предыдущий шаг обработки, нажав кнопку "< Назад" или выбрать другой участок для обработки, нажав кнопку "Отмена".
Для вычисления среднего значения освещенности и равномерности ее распределения по выбранному измерительному полю следует нажать на кнопку "Далее >" внизу окна. В новом окне (рисунок 10) отобразятся значения освещенности для выбранного на предыдущем этапе обработки измерительного поля во всех контрольных точках, максимальные, минимальные и средние значения освещенности для линий контрольных точек и для всего измерительного поля, а также аналогичные значения с учетом всех измеренных точек.

Рисунок 10 - Результат расчета
При нажатии на кнопку "Готово" программа автоматически создаст предварительный протокол измерений, который можно перенести в текстовый редактор для дальнейшей работы, например, в Office Word.
Проверку повторяемости результатов измерений проводят с учетом требований ГОСТ Р ИСО 5725-6 (п. 5.2). При оценке повторяемости проводят два измерения, результаты которых получают одним и тем же методом, одним и тем же оператором, с использованием одного и того же оборудования, в пределах короткого промежутка времени.
Результаты измерений считаются приемлемыми при условии:
|X1-X2|≤2, 77·σr,
(1)
где X1, X2 - значение двух повторных измерений,
σr - норматив среднего квадратического отклонения повторяемости при измерении;
При выполнении условия в качестве результата принимается среднеарифметическое значение:
,
(2)
В противном случае, выполняют еще два единичных измерения X3 и X4.
Располагают X1…X4 в порядке возрастания: X(1), X(2)., X(3), X(4).
Если выполняется условие X(4)-X(1)>3, 63σr, в качестве результата установить медиану:
,
(3)
в противном случае - установить среднее по четырем значениям:
.
(4)
Проверку воспроизводимости результатов измерений проводят с учетом требований ГОСТ Р ИСО 5725-6 (пункт 5.3). При оценке воспроизводимости проводят два измерения, результаты которых получают одним и тем же методом, на идентичных объектах испытаний, разными операторами, с использованием различного оборудования.
Результаты измерений считаются приемлемыми при условии:
|X'1-X'2|≤2, 77·σR,
(5)
где X'1, X'2 - значение двух параллельных измерений, полученных в двух различных лабораториях;
σR - норматив среднего квадратического отклонения воспроизводимости при измерении.
Если данное условие не выполняется, то выполняют процедуры в соответствии с требованиями ГОСТ Р ИСО 5725-6 (п. 5.3.3).
Результаты измерений средней освещенности ДП и равномерности её распределения оформляют в виде протокола измерений в соответствии с ГОСТ ИСО/МЭК 17025.
В протоколе должны быть приведены следующие сведения: метод измерений; дата, время и место измерений;
- тип освещаемого объекта (улица, магистраль, площадь, транспортная развязка, пешеходная зона и т.д.), категория и класс по освещению согласно действующей нормативной документации;
- назначение измерений (приемо-сдаточные испытания или инспекционный контроль);
- сведения о средстве измерений (тип, дата свидетельства о поверке);
- значения напряжения питания ОП до и после проведения измерений;
- параметры ОУ, при наличии данных (тип ОП, тип и мощность источников света, схема (однорядная, двухрядная, шахматная и т.п.) и способ (на опоре, мачте, подвесе) расстановки ОП, шаг и число ОП в линии, высоту их установки, вылет относительно края проезжей части и наклон относительно горизонта);
- наличие затеняющих объектов;
- сетка точек измерений;
- результаты измерений в табличном и графическом виде и их сопоставление с нормируемыми значениями;
- должности, фамилии и подписи всех сотрудников, проводивших измерения и обработку их результатов.
Пример протокола измерений приведен в приложении А.
Приложение А
(справочное)
─────────────────────────────────────────────────────────────────────────
"УТВЕРЖДАЮ"
____________________________
(должность)
____________________________
(подпись, фамилия)
ПРОТОКОЛ N 1/Е-17
измерения светотехнических характеристик установки наружного освещения
от 21 июня 2017 г.
Адрес объекта Москва, наб. Шитова
Дата измерения 07 июня 2017г.
Время измерения 22:55:35
Способ измерений мобильный с использованием
разнесенных приемников
Назначение измерений инспекционный контроль
Средство измерения фотоголовки люксметра "_____"
Свидетельство о поверке N _____________________
Очередной срок поверки __.__. _____г.
Категория объекта по ГОСТ P 55706-2013 Участок магистрали или улицы
районного значения категории Б,
расположенный в центральной
части города и относящийся к
классу Б2 (Основные дороги и
улицы районного значения)
Местоположение объекта широта - 55.805
долгота - 37.733
Наличие затеняющих объектов нет

Рисунок 1 - Карта местоположения контрольного участка измерений

Рисунок 2 - Сетка контрольных точек измерения
Напряжение питающей сети: перед измерениями - 228 В; после измерений - 231 В.
|
Результаты измерений: |
Значение |
Норма |
Соответствие |
|
средняя освещенность по объекту Еср, лк |
19.68 |
15.00 |
соответствует |
|
минимальная освещенность по объекту Емин, лк |
9.24 | ||
|
максимальная освещенность по объекту Емакс, лк |
35.89 | ||
|
общая равномерность по освещенности Емин/Еср |
0.47 |
0.35 |
соответствует |
Руководитель мобильной лаборатории
___________________________ /__________________/
(должность) (подпись) (фамилия)
Измерения проводил
___________________________ /__________________/
(должность) (подпись) (фамилия)
Обработку проводил
___________________________ /__________________/
(должность) (подпись) (фамилия)
Приложение
к Протоколу N 1

Рисунок 3 - Графики значений освещенности, полученных от всех ФПУ, при измерении по направлению движения 1
Зеленым цветом - для ФПУ спереди автомобиля; красным цветом - для ФПУ, расположенных сзади автомобиля

Рисунок 4 - График скорости движения автомобиля при проведении измерения по направлению движения 1

Рисунок 5 - Результирующий график значений освещённости по направлению движения 1 синим цветом - для ФПУ, расположенных справа относительно автомобиля; красным цветом - для ФПУ, расположенных слева
Таблица значений освещенности в контрольных точках измерений
|
Нумерация контрольных точек* |
Значения освещенности в контрольных точках, лк | |||||
|
А |
Б |
В |
Г |
Еср, лк |
Uh | |
|
1 | ||||||
|
2 | ||||||
|
3 | ||||||
|
4 | ||||||
|
5 | ||||||
|
6 | ||||||
|
7 | ||||||
|
8 | ||||||
|
9 | ||||||
|
10 | ||||||
|
* нумерация контрольных точек согласно координатной сетке рисунка 2 | ||||||
Библиография
[1] ТР ТС 014/2011 Технический регламент таможенного союза. Безопасность автомобильных дорог. Утвержден решением Комиссии Таможенного союза 18 октября 2011 г. N 827
[2] CIE194:2011 On site measurement of the photometric properties of road and tunnel lighting (Технический отчет МКО 194:2011 "Натурные измерения фотометрических характеристик освещения дорог и тоннелей")
[3] Приказ Министерства здравоохранения и социального развития РФ МЗСР N 1034 "Об утверждении Перечня измерений, относящихся к сфере государственного регулирования обеспечения единства измерений и производимых при выполнении работ по обеспечению безопасных условий и охраны труда, в том числе на опасных производственных объектах, и обязательных метрологических требований к ним, в том числе показателей точности" от 09.09.2011 г.
[4] СанПиН 4616-88 "Санитарные правила по гигиене труда водителей автомобилей"


