Постановление от 28.04.2020 г. № 468-ПП ОБ УТВЕРЖДЕНИИ ПРАВИЛ ТЕХНИЧЕСКОЙ ЭКСПЛУАТАЦИИ МЕТРОПОЛИТЕНА В ГОРОДЕ МОСКВЕ
ПРАВИТЕЛЬСТВО МОСКВЫ
ПОСТАНОВЛЕНИЕ
от 28 апреля 2020 г. N 468-ПП
ОБ УТВЕРЖДЕНИИ ПРАВИЛ ТЕХНИЧЕСКОЙ ЭКСПЛУАТАЦИИ МЕТРОПОЛИТЕНА В ГОРОДЕ МОСКВЕ
В соответствии с пунктом 2 статьи 7 и статьей 9 Федерального закона от 29 декабря 2017 г. N 442-ФЗ "О внеуличном транспорте и о внесении изменений в отдельные законодательные акты Российской Федерации", на основании приказа Министерства транспорта Российской Федерации от 21 декабря 2018 г. N 468 "Об утверждении Типовых правил технической эксплуатации метрополитена" Правительство Москвы постановляет:
1. Утвердить Правила технической эксплуатации метрополитена в городе Москве (приложение).
2. Настоящее постановление вступает в силу с 1 ноября 2020 г.
3. Контроль за выполнением настоящего постановления возложить на заместителя Мэра Москвы в Правительстве Москвы, руководителя Департамента транспорта и развития дорожно-транспортной инфраструктуры города Москвы Ликсутова М.С.
Мэр Москвы
С.С. Собянин
Приложение
к постановлению Правительства
Москвы
от 28 апреля 2020 г. N 468-ПП
ПРАВИЛА ТЕХНИЧЕСКОЙ ЭКСПЛУАТАЦИИ МЕТРОПОЛИТЕНА В ГОРОДЕ МОСКВЕ
I. Общие положения
1. Правила технической эксплуатации метрополитена в городе Москве (далее - Правила технической эксплуатации) устанавливают порядок движения подвижного состава и организации маневровой работы, функционирования объектов инфраструктуры метрополитена в городе Москве, систему сигналов, относящихся к движению подвижного состава и организации маневровой работы, типы сигнальных приборов, при помощи которых эти сигналы подаются, определяют действия работников юридических лиц и индивидуальных предпринимателей, осуществляющих перевозку пассажиров метрополитеном в городе Москве (далее - перевозчик), при технической эксплуатации метрополитена в городе Москве (далее - метрополитен).
2. Настоящие Правила технической эксплуатации разработаны в соответствии с приказом Министерства транспорта Российской Федерации от 21 декабря 2018 г. N 468 "Об утверждении Типовых правил технической эксплуатации метрополитена".
II. Порядок движения подвижного состава метрополитена и организации маневровой работы
3. Порядок движения подвижного состава метрополитена и организации маневровой работы устанавливает правила:
подготовки заключения о готовности электроподвижного состава и подвижного состава специального назначения к движению;
приема, отправления, пропуска поездов, производства маневров при различных устройствах сигнализации и связи при движении поездов как в нормальных условиях, так и в случаях неисправности;
движения подвижного состава, предназначенного для выполнения работ по эксплуатации метрополитена (далее - хозяйственный поезд);
предупреждения машинистов об особых условиях движения;
подачи поезда на пути строящихся участков.
4. Перечень лиц, управляющих приборами сигнализации, централизации и блокировки, открытием и закрытием сигналов светофоров (кроме автоматически действующих), устанавливается перевозчиком в соответствии с настоящими Правилами технической эксплуатации.
Уполномоченными работниками перевозчика, управляющими приборами сигнализации, централизации и блокировки, открытием и закрытием сигналов светофоров (кроме автоматически действующих), являются:
на станциях линий, не оборудованных диспетчерской централизацией, или на станциях линий, оборудованных диспетчерской централизацией, при местном управлении электрической централизацией стрелок и сигналов - работник, уполномоченный перевозчиком на осуществление функции по регулированию движения подвижного состава в соответствии с установленными графиками, в пределах одной станции или электродепо (далее - дежурный поста централизации);
на станциях линий, оборудованных диспетчерской централизацией, при диспетчерском управлении электрической централизацией стрелок и сигналов - работник, уполномоченный перевозчиком на осуществление функции по регулированию движения подвижного состава в соответствии с установленными графиками (далее - поездной диспетчер).
Перечень станций, на которых допускается исполнение обязанностей дежурного поста централизации и дежурного по станции одним лицом, утверждается в порядке, установленном перевозчиком.
5. Порядок организации следования к месту производства работ восстановительного подвижного состава (при его наличии) определяется перевозчиком.
6. Движение поездов при возникновении чрезвычайных ситуаций природного и техногенного характера, вызвавших прекращение действия основных средств сигнализации на линии (участке линии) метрополитена, осуществляется в соответствии с настоящими Правилами технической эксплуатации при обеспечении безопасности пассажиров. Порядок организации движения поездов при прекращении действия основных средств сигнализации на линии (участке линии) метрополитена определяется перевозчиком.
7. Перевозчик обязан установить порядок подготовки заключения о готовности подвижного состава и подвижного состава специального назначения к движению в соответствии с требованиями конструкторской и эксплуатационной документации.
8. Перевозчик обязан оснастить линии метрополитена, на которых основным средством сигнализации при движении поездов являются устройства автоматической локомотивной сигнализации с автоматическим регулированием скорости (система устройств, обеспечивающая непрерывный контроль свободности пути и скорости движения подвижного состава, а также передачу сигнальных показаний о допустимой скорости движения в кабину управления подвижным составом) (далее - АЛС-АРС), резервным средством сигнализации - автоматической блокировкой без защитных участков и без установленных на пути устройств, приводящих в действие систему экстренного торможения поезда в случае проезда светофора с запрещающим показанием (далее - путевой автостоп). Сигналы светофоров автоматического действия должны быть выключены в нормальном состоянии. Входные и выходные светофоры полуавтоматического действия должны быть постоянно включенными и иметь два режима работы: при отключенной и включенной автоблокировке.
Система торможения электроподвижного состава должна обеспечивать постоянство величины тормозного пути вне зависимости от загрузки, тормозное усилие, не вызывающее заклинивание колесных пар и гарантирующее остановку поезда при экстренном торможении или торможении системой автоматического регулирования скорости (далее - АРС) по команде устройств АЛС-АРС на расстоянии не более величин тормозных путей, приведенных в таблицах 1 и 2:
Таблица 1
|
Скорость в начале торможения, км/час |
Величина тормозного пути при экстренном торможении, м | ||||||||||||
|
Профиль пути, о/оо | |||||||||||||
|
60 |
50 |
40 |
30 |
20 |
10 |
0 |
-10 |
-20 |
-30 |
-40 |
-50 |
-60 | |
|
90 |
200 |
205 |
210 |
220 |
245 |
265 |
295 |
320 |
360 |
404 |
450 |
465 |
530 |
|
85 |
180 |
185 |
190 |
200 |
220 |
235 |
265 |
280 |
315 |
355 |
395 |
420 |
475 |
|
80 |
160 |
165 |
170 |
180 |
195 |
205 |
220 |
245 |
275 |
310 |
345 |
375 |
425 |
|
75 |
140 |
145 |
150 |
160 |
170 |
180 |
190 |
215 |
240 |
270 |
305 |
330 |
375 |
|
70 |
120 |
125 |
130 |
140 |
145 |
155 |
166 |
185 |
210 |
235 |
265 |
290 |
330 |
|
65 |
100 |
105 |
110 |
120 |
125 |
135 |
145 |
160 |
180 |
205 |
230 |
255 |
285 |
|
60 |
92 |
93 |
95 |
100 |
110 |
115 |
125 |
135 |
155 |
176 |
195 |
220 |
245 |
|
55 |
75 |
78 |
80 |
86 |
95 |
100 |
105 |
115 |
130 |
150 |
170 |
185 |
205 |
|
50 |
62 |
63 |
65 |
70 |
80 |
85 |
90 |
95 |
110 |
125 |
140 |
155 |
170 |
|
45 |
52 |
53 |
55 |
60 |
65 |
70 |
75 |
80 |
90 |
100 |
115 |
130 |
145 |
|
40 |
41 |
43 |
45 |
48 |
50 |
55 |
60 |
65 |
72 |
80 |
95 |
100 |
110 |
|
35 |
35 |
36 |
37 |
38 |
40 |
45 |
50 |
53 |
58 |
65 |
75 |
80 |
85 |
|
30 |
27 |
28 |
29 |
30 |
31 |
35 |
40 |
42 |
45 |
50 |
55 |
60 |
65 |
|
25 |
19 |
20 |
21 |
22 |
23 |
27 |
30 |
32 |
34 |
37 |
40 |
45 |
60 |
|
20 |
15 |
16 |
17 |
17 |
18 |
20 |
22 |
23 |
25 |
27 |
30 |
32 |
35 |
|
15 |
10 |
11 |
13 |
13 |
14 |
14 |
15 |
16 |
17 |
18 |
20 |
22 |
23 |
|
10 |
6 |
6 |
10 |
11 |
11 |
12 |
12 |
13 |
14 |
15 |
16 |
18 |
19 |
Величина тормозного пути при экстренном торможении для открытых наземных и приравненных к ним участков увеличивается на 50%.
Таблица 2
|
Скорость в начале торможения, км/час |
Величина тормозного пути при торможении АРС (с момента превышения скорости), м | ||||||||||||
|
Профиль пути, о/оо | |||||||||||||
|
60 |
50 |
40 |
30 |
20 |
10 |
0 |
-10 |
-20 |
-30 |
-40 |
-50 |
-60 | |
|
90 |
294 |
296 |
303 |
317 |
334 |
360 |
388 |
424 |
461 |
526 |
600 |
695 |
794 |
|
85 |
271 |
272 |
281 |
293 |
309 |
325 |
354 |
380 |
416 |
474 |
580 |
646 |
725 |
|
80 |
248 |
250 |
260 |
270 |
284 |
289 |
320 |
335 |
370 |
422 |
561 |
599 |
659 |
|
75 |
222 |
226 |
235 |
245 |
255 |
262 |
283 |
306 |
340 |
381 |
490 |
531 |
591 |
|
70 |
196 |
202 |
210 |
219 |
225 |
235 |
243 |
278 |
308 |
340 |
418 |
462 |
524 |
|
65 |
176 |
181 |
188 |
195 |
200 |
208 |
219 |
241 |
266 |
292 |
341 |
395 |
447 |
|
60 |
157 |
160 |
164 |
169 |
174 |
181 |
194 |
203 |
224 |
244 |
264 |
334 |
371 |
|
55 |
138 |
141 |
147 |
151 |
155 |
162 |
172 |
182 |
199 |
215 |
234 |
295 |
326 |
|
50 |
121 |
122 |
129 |
132 |
136 |
142 |
149 |
159 |
173 |
187 |
206 |
257 |
282 |
|
45 |
102 |
104 |
112 |
114 |
118 |
123 |
127 |
137 |
148 |
159 |
176 |
220 |
239 |
|
40 |
83 |
85 |
94 |
96 |
99 |
103 |
105 |
115 |
122 |
130 |
146 |
181 |
194 |
|
35 |
71 |
74 |
81 |
82 |
85 |
87 |
97 |
100 |
106 |
114 |
127 |
159 |
170 |
|
30 |
59 |
62 |
66 |
68 |
71 |
73 |
77 |
84 |
90 |
96 |
106 |
135 |
144 |
|
20 |
56 |
58 |
59 |
60 |
61 |
62 |
70 |
74 |
76 |
81 |
85 |
99 |
115 |
9. Движение поездов на линии метрополитена производится по сигнальным показаниям АЛС-АРС и показаниям светофоров полуавтоматического действия, а при включенных сигнальных огнях светофоров автоблокировки - по показаниям светофоров полуавтоматического и автоматического действия.
10. На линиях, на которых основным средством сигнализации при движении поездов является АЛС-АРС, оборудованных дублирующим автономным устройством АЛС-АРС, при неисправности поездных устройств АЛС-АРС поезд должен быть остановлен, отключены устройства АЛС-АРС и включено дублирующее автономное устройство АЛС-АРС, дальнейшее движение должно осуществляться по сигнальным показаниям АЛС-АРС.
При неисправности поездных устройств АЛС-АРС и дублирующего автономного устройства АЛС-АРС независимо от наличия сигнального показания АЛС-АРС поезд должен быть остановлен, отключены устройства АЛС-АРС и дублирующее автономное устройство АЛС-АРС. Машинист обязан затребовать у поездного диспетчера включение сигнальных огней светофоров автоблокировки.
После получения информации от поездного диспетчера о включении сигнальных огней светофоров автоблокировки, свободности пути перегона и ближайшей станции разрешается движение со скоростью не более 20 км/час при нажатой педали бдительности. На ближайшей станции из поезда должны быть высажены пассажиры. Дальнейшее движение поезда должно осуществляться по разрешающим показаниям светофоров автоблокировки со скоростью не более 45 км/час при следовании по главным путям перегонов и не более 35 км/час при следовании по станциям.
11. Движение поездов по линии метрополитена производится при разрешающих показаниях светофоров со скоростью не более указанной сигнальным показанием АЛС-АРС в кабине управления, а на линии метрополитена, не оборудованной устройствами АЛС-АРС, со скоростью не более допустимой на данном участке.
Если показание АЛС-АРС превышает скорость, разрешенную сигналом светофора, то выполняется требование сигнала светофора.
12. При запрещающем показании светофоров автоматического и полуавтоматического действия движение поездов осуществляется в соответствии с пунктами 53, 65 и 66 настоящих Правил технической эксплуатации.
13. При разрешающем показании светофоров автоматического и полуавтоматического действия и сигнальном показании АЛС-АРС "0" или "ОЧ" движение осуществляется в следующем порядке.
При сигнальном показании "О" машинист обязан:
остановить поезд (подвижной состав);
если в течение 30 секунд после остановки (при нахождении подвижного состава на главном пути перегона или главном станционном пути) показание АЛС не изменится на разрешающее, передать информацию о появлении показания "0" поездному диспетчеру;
после получения указания от поездного диспетчера о порядке дальнейшего следования продолжить движение со скоростью не более 20 км/час при нажатой педали бдительности до появления разрешающего показания АЛС.
При сигнальном показании "ОЧ" машинист обязан:
остановить поезд (подвижной состав);
передать информацию о появлении показания "ОЧ" поездному диспетчеру;
после получения указания от поездного диспетчера о порядке дальнейшего следования продолжить движение со скоростью не более 20 км/час при нажатой педали бдительности до появления разрешающего показания АЛС.
Если после проследования двух рельсовых цепей разрешающая частота не появится, машинист обязан остановить поезд (подвижной состав) и перейти на резервную (дублирующую) систему АЛС-АРС, при отсутствии дублирующей системы АЛС-АРС дать заявку на включение сигнальных показаний светофоров автоблокировки.
При сигнальных показаниях "0" или "ОЧ" в случае движения в пределах пассажирской платформы машинист обязан:
остановить поезд (подвижной состав) у сигнального знака "Остановка первого вагона";
если по истечении времени стоянки показание АЛС не изменится на разрешающее - передать информацию о появлении сигнального показания "0" ("ОЧ") поездному диспетчеру;
после получения указания от поездного диспетчера о порядке дальнейшего следования продолжить движение со скоростью не более 20 км/час при нажатой педали бдительности до появления разрешающего показания АЛС.
При появлении сигнального показания "ОЧ" машинист обязан сообщить поездному диспетчеру номер сигнального знака "Граница рельсовой цепи".
14. Порядок использования технических средств станции, оборудованной электрической централизацией стрелок и сигналов, в том числе регламентация обеспечения безопасности движения и порядка приема, отправления, проследования поездов по станции, а также маневровой работы, устанавливается перевозчиком в техническо-распорядительном акте станции. Форма такого акта, инструкция по его составлению и перечень приложений к нему утверждаются перевозчиком.
15. Порядок пользования устройствами централизации стрелок и сигналов, а также действий при приготовлении маршрутов следования (путей без стрелок или со стрелками, которые установлены и заперты в направлении предполагаемого следования подвижного состава) (далее - маршрут) для приема и отправления поездов устанавливается перевозчиком в инструкции о порядке пользования устройствами электрической централизации станции, являющейся неотъемлемым приложением к техническо-распорядительному акту станции, указанному в пункте 14 настоящих Правил технической эксплуатации.
16. Прием и отправление поездов разрешается производить после подтверждения свободности пути показаниями контрольных приборов.
17. Графиком движения поездов для пропуска первого поезда по линии (после перерыва в движении пассажирских поездов со снятием напряжения с контактной сети) должно быть предусмотрено увеличение времени хода не менее чем на 2 минуты. Перевозчик обязан обеспечить включение рабочего и аварийного освещения в тоннеле при проходе первого поезда, а также на наземных участках - в темное время суток и при плохой видимости.
18. При ведении первого (после перерыва в движении пассажирских поездов со снятием напряжения с контактной сети) поезда машинист обязан подавать оповестительные сигналы согласно установленным знакам, а также перед стрелочными переводами. Перевозчик обязан обеспечить предупреждение машинистов, управляющих первыми пятью поездами, о завершении выполнения следующих работ:
промывка станций, тоннелей, путей, дренажных и водоотводных устройств верхнего строения пути;
смена рельсов, рельсовых плетей, контррельсов, контактных рельсов, вырезка дефектного стыка или дефектного рельса, смазка рельсов;
смена стрелочного перевода или его отдельных частей (остряков, рамных рельсов, крестовин), перекрестного съезда или его отдельных частей, уравнительного прибора;
смена загрязненного щебня ниже постели шпал, разбивка путевого бетона;
смена переводных брусьев, шпал, коротышей;
работа на пути выправочно-подбивочно-рихтовочной машины;
подъемка пути более 20 мм или рихтовка пути более 60 мм;
окраска путевых тоннелей станции или перегонных тоннелей;
задействование перегонных металлоконструкций;
смена стрелочного электропривода, контактных колодок, монтажных проводов в схеме стрелки;
постановка стрелки на макет или снятие стрелки с макета;
реконструкция устройств автоматики и телемеханики для движения поездов (далее - АТДП) и автоведения;
во всех других случаях, если требуется предупредить машиниста об изменении режима ведения поезда после производства ремонтных работ.
19. На двухпутных перегонах каждый главный путь служит для движения поездов в одном определенном перевозчиком направлении (далее - правильное направление).
Для регулирования движения подвижного состава в случае невозможности отправить поезд в правильном направлении в течение более 1 часа допускается движение в направлении, противоположном правильному направлению (далее - неправильное направление), в порядке, установленном перевозчиком.
20. Путь перегона (участка), на котором производится движение в неправильном направлении, закрывается для движения всех подвижных единиц кроме той, которая следует по перегону (участку) в неправильном направлении.
Отправление подвижного состава со станции в неправильном направлении или возвращение подвижного состава с перегона на станцию осуществляется после закрытия пути перегона (участка), на котором будет происходить движение подвижного состава, а также пути приема на станцию назначения в соответствии с настоящими Правилами технической эксплуатации.
21. При прекращении движения пассажирских поездов по одному из путей двухпутного участка (перегона) для перевозки пассажиров разрешается организация движения по другому пути участка одним поездом в обоих направлениях (двухстороннего движения) при управлении локомотивной бригадой в соответствии с порядком, установленным пунктами 24 и 25 настоящих Правил технической эксплуатации.
Движение поезда в правильном направлении производится по сигнальным показаниям светофоров и (или) сигнальным показаниям АЛС-АРС со скоростью не более установленной перевозчиком для данного участка (перегона), а в неправильном направлении - со скоростью, определяемой перевозчиком в соответствии с настоящими Правилами технической эксплуатации.
22. Допускается организация двухстороннего движения подвижного состава на нескольких перегонах (участках) с использованием исправной части обоих путей.
23. При двухстороннем движении подвижного состава пассажирское движение разрешается:
на перегоне между станцией, на котором временно производится оборот подвижного состава, и станцией, ограничивающей путь перегона (участка), на котором организовано двухстороннее движение, подвижному составу, используемому для двухстороннего движения на закрытом пути;
на перегоне (участке) между станцией, на котором временно производится оборот подвижного состава, и смежной конечной станцией линии, подвижного состава, назначенного приказом поездного диспетчера.
24. Отправление подвижного состава на перегон (участок), на котором организовано двухстороннее движение, производится:
в правильном направлении по сигналам светофоров и (или) сигнальному показанию АЛС-АРС;
в неправильном направлении по приказу поездного диспетчера со скоростью не более 35 км/час, если нет других ограничений скорости.
25. Выдача приказа поездного диспетчера на отправление подвижного состава в неправильном направлении со станции, ограничивающей закрытый для двухстороннего движения участок, или с конечной станции линии на смежную станцию, на котором временно производится оборот подвижного состава, разрешается при:
закрытом входном светофоре полуавтоматического действия, ограждающем путь приема на станцию временного оборота со стороны правильного направления;
закрытом в установленном перевозчиком порядке перегоне, прилегающем к станции со стороны правильного направления (при отсутствии ограждения или ограждении пути приема на станцию временного оборота со стороны правильного направления светофором автоматического действия);
остановке встречного подвижного состава, следующего в правильном направлении, у переносного сигнала остановки на станции, смежной со станцией временного оборота.
26. При невозможности приведения поезда в движение и невозможности устранения неисправности в течение 5 минут должен быть предоставлен вспомогательный подвижной состав, назначаемый приказом поездного диспетчера.
В качестве вспомогательного может быть представлен как сзади идущий подвижной состав попутного направления, так и подвижной состав, отправленный со станции в неправильном направлении после высадки пассажиров. При расцепке вагонов подвижного состава назначаются два вспомогательных подвижных состава. Вспомогательный подвижной состав в неправильном направлении может быть назначен с перегона, если он следовал без пассажиров.
27. При неблагоприятных погодных условиях (туманах, ливнях, метелях), задымлениях и в других случаях, когда ограничивается видимость сигналов светофоров, скорость следования устанавливается каждым машинистом для своего поезда в зависимости от видимости и условий, обеспечивающих остановку поезда до возникшего препятствия. О выбранной скорости следования машинист обязан сообщить поездному диспетчеру в порядке, определенном перевозчиком.
При следовании по участку с ограниченной видимостью машинист обязан подавать оповестительные сигналы с периодичностью не менее 2 сигналов в минуту.
28. Если видимость сигналов светофоров и пути не превышает 10 м, то движение подвижного состава на участке (перегоне) должно быть прекращено. Подвижной состав, отправленный на участок до прекращения движения, должен проследовать его со скоростью не более 10 км/час.
29. При затоплении пути ниже уровня головки рельса подвижной состав должен проследовать по затопленному участку пути со скоростью не более 35 км/час, а на наземном участке пути - со скоростью не более 20 км/час. При затоплении пути до уровня головки рельса или выше движение поездов на данном участке должно быть прекращено по приказу поездного диспетчера. Подвижной состав, отправленный на этот участок до прекращения движения, должен проследовать его со скоростью не более 10 км/час.
30. На линии метрополитена, на которой АЛС-АРС является основным средством сигнализации при движении поездов, при неисправности двух и более смежных рельсовых цепей, наличии на указателе АЛС-АРС в пределах данных рельсовых цепей сигнальных показаний "0" или "ОЧ", исправном состоянии рельсов и фактической свободности расположенных впереди секций маршрута следования движение подвижного состава осуществляется при соблюдении следующих требований:
поездной диспетчер передает на все поезда устное предупреждение о неисправности путевых устройств АЛС-АРС;
включение светофоров автоблокировки для организации движения по неисправным рельсовым цепям не производится;
после получения предупреждения о неисправности путевых устройств АЛС-АРС каждый машинист останавливает поезд на первой неисправной по ходу движения рельсовой цепи, после чего осуществляет движение по участку с неисправными рельсовыми цепями со скоростью не более 20 км/час при нажатой педали бдительности;
если из-за неисправности рельсовых цепей светофоры полуавтоматического действия имеют запрещающие показания, их проследование осуществляется в соответствии с пунктами 53, 65, 66 настоящих Правил технической эксплуатации.
31. На линии метрополитена, на которой автоблокировка является основным средством сигнализации при движении подвижного состава, в случае неисправности двух и более смежных светофоров автоматического действия действие автоблокировки на участке (перегоне) должно быть прекращено, при этом:
поездной диспетчер обязан передать приказ о прекращении действия автоблокировки на пути перегона (участка);
при отправлении поезда со станции на перегон, на котором прекращено действие автоблокировки, машинист обязан соблюдать интервал между поездами не менее указанного в расписании;
при наличии на перегоне (участке), на котором прекращено действие автоблокировки, неисправных светофоров полуавтоматического действия их проследование после остановки перед ними разрешается в соответствии с пунктами 53, 65, 66 настоящих Правил технической эксплуатации;
после проследования перегона (участка), на котором прекращено действие автоблокировки, машинист обязан включить поездной автостоп и сообщить об этом поездному диспетчеру.
Опломбирование устройств отключения автостопной магистрали производится при заходе составов на плановый технический осмотр в электродепо или пункт технического обслуживания.
При наличии записи о восстановлении нормальной работы устройств в журнале осмотра путей, стрелочных переводов, устройств сигнализации, централизации и блокировки, связи, контактной сети по форме ДУ-12 (далее - Журнал ДУ-12) или телефонограммы, переданной работником по должности не ниже старшего электромеханика устройств сигнализации, централизации и блокировки, поездной диспетчер обязан дать приказ о восстановлении действия автоблокировки.
32. Маневры на станционных путях производятся по указанию уполномоченного перевозчиком работника.
Распределение обязанностей между работниками по распоряжению маневрами и обозначение границ маневровых маршрутов осуществляются перевозчиком.
33. На станциях и парковых путях с электрической централизацией стрелок и сигналов основным средством передачи указаний о выполнении маневровых передвижений служат сигналы светофоров (на линиях, оборудованных АЛС-АРС, - сигналы светофоров и сигнальные показания АЛС-АРС).
Маневровые передвижения производятся при разрешающем показании светофора, порядок производства маневровой работы при неисправности светофора (красный сигнал, погасшие сигналы, визуально неразличимое показание) определяется перевозчиком в соответствии с настоящими Правилами технической эксплуатации.
Маневры на путях станций линии метрополитена при неисправности светофора (красный сигнал, погасшие сигналы, визуально неразличимое показание) производятся по пригласительному сигналу.
При неисправности пригласительного сигнала производство маневровых передвижений допускается с разрешения:
поездного диспетчера - на линии, оборудованной диспетчерской централизацией (при диспетчерском управлении);
дежурного поста централизации - на линии, не оборудованной диспетчерской централизацией, а также на линии, оборудованной диспетчерской централизацией (при местном управлении), на парковых путях.
На парковых путях с нецентрализованными стрелками основным средством передачи указаний о выполнении маневровых передвижений служат ручные и звуковые сигналы. Подаваемый ручной или звуковой сигнал дублируется лицом, которому подан соответствующий сигнал, звуковым сигналом.
34. Производство маневровых передвижений одновременно с обеих сторон на один и тот же путь запрещается. Маневровые передвижения на один и тот же путь должны производиться после уведомления обоих машинистов о порядке производства маневров и очередности движения.
35. Маневровые передвижения на занятый путь станции допускаются с разрешения работника метрополитена, уполномоченного давать указания при осуществлении маневров, со скоростью не более 20 км/час при включенном пригласительном сигнале (пункт 129 настоящих Правил технической эксплуатации).
При неисправности пригласительного сигнала или отсутствии его по данному маршруту маневры производятся:
по распоряжению поездного диспетчера (дежурного поста централизации), переданному машинисту по поездной радиосвязи, поездной диспетчерской или тоннельной связи;
по сигналу дежурного по станции, подаваемому на основании распоряжения дежурного поста централизации, переданному по поездной диспетчерской, тоннельной связи.
До передачи машинисту распоряжения на маневровое передвижение поездной диспетчер (дежурный поста централизации) обязан убедиться в свободности пути и правильности установки стрелок в маршруте в соответствии с требованиями техническо-распорядительного акта станции.
При необходимости проследования нескольких попутных маневровых светофоров, имеющих запрещающее показание, поездным диспетчером (дежурным поста централизации) может быть дано одно распоряжение на маневровое передвижение.
36. Маневровые передвижения на занятый парковый или прочий путь производятся со скоростью не более 15 км/час, а при управлении не из головной кабины - не более 10 км/час по пригласительному сигналу. При неисправности пригласительного сигнала или отсутствии его по данному маршруту маневровые передвижения на занятый парковый или прочий путь производятся по распоряжению дежурного поста централизации, переданному машинисту по поездной радиосвязи, поездной диспетчерской или тоннельной связи.
37. О маневровых передвижениях на занятый путь машинист (локомотивная бригада) предупреждается в порядке, установленном перевозчиком.
38. Возвращение маневрового состава, локомотива, хозяйственного поезда на прежнее место стоянки после вынужденной остановки за маневровым светофором разрешается в порядке, установленном перевозчиком.
39. Порядок и условия обеспечения безопасности при перестановке подвижного состава с одного пути на другой определяются перевозчиком.
40. Маневровые передвижения в границах станции по маршрутам, не предусмотренным таблицей взаимозависимости стрелок, сигналов и маршрутов, производятся при наличии распоряжения поездного диспетчера (дежурного поста централизации), переданного машинисту по поездной радиосвязи или тоннельной связи, по ручному (звуковому) сигналу после закрытия на запрещающее показание светофоров полуавтоматического действия, ограждающих этот путь со стороны перегона.
При неисправности поездной радиосвязи и тоннельной связи маневровое передвижение производится после вручения машинисту копии приказа поездного диспетчера.
Маневровые передвижения поезда в границах станции по главному пути в неправильном направлении по маршрутам производятся после закрытия пути перегона, прилегающего со стороны правильного направления.
Маневровые передвижения хозяйственных поездов в границах станции после окончания движения пассажирских поездов по главному пути в неправильном направлении по маршрутам, не предусмотренным таблицей взаимозависимости стрелок, сигналов и маршрутов, в том числе за сигнал опасности, производятся без закрытия пути перегона после установки переносного сигнала остановки в месте, определенном техническо-распорядительным актом станции.
Маневровые передвижения электроподвижного состава за сигнал опасности производятся после закрытия пути перегона, прилегающего со стороны правильного направления.
41. На линиях метрополитена, на которых основным средством сигнализации при движении подвижного состава является АЛС-АРС, при включенной автоблокировке применяется один лунно-белый сигнал, разрешающий производство маневров в границах станции для подвижного состава с неисправными, отключенными или не оборудованными устройствами АЛС-АРС со скоростью не более 20 км/час. При необходимости движения на перегон включается автоблокировка.
Маневровые передвижения в границах станции с выездом на главный путь станции или с главного пути станции по маршрутам в случае неисправности маневрового светофора разрешается производить после закрытия на запрещающее показание светофоров полуавтоматического действия, ограждающих этот путь со стороны перегона.
42. На парковых путях могут производиться следующие виды маневровых передвижений:
выдача (подача) подвижного состава (хозяйственного поезда) для работы на линии и прием с линии;
перестановка подвижного состава (хозяйственного поезда) на путях с централизованными стрелками;
перестановка хозяйственного поезда, локомотивов на путях с нецентрализованными стрелками.
Выдача подвижного состава для работы на линии метрополитена и прием подвижного состава с линии метрополитена должны производиться в соответствии с графиком движения подвижного состава.
43. Перевозчик обязан производить маневровые передвижения в соответствии с графиком осуществления маневровых передвижений.
Стоящий на парковых и деповских путях подвижной состав, с которым не производятся маневры, должен быть закреплен от ухода тормозными башмаками, ручными или стояночными тормозами.
44. При взрезе стрелки перевозчик должен обеспечить:
остановку подвижного состава и принятие мер, исключающих его произвольный уход;
снятие напряжения с контактного рельса;
после снятия напряжения с контактного рельса - осмотр расположения колесных пар на стрелке и состояния остряков;
соблюдение запрета перевода взрезанной стрелки и производства отмены или разделки маршрута, в который входит взрезанная стрелка, без разрешения работника, непосредственно руководящего всеми лицами, участвующими в отдельных работах на эксплуатируемых путях, сооружениях и устройствах (далее - руководитель работ);
при отсутствии схода колесных пар с рельсов - передвижение подвижного состава по взрезанной стрелке только по распоряжению поездного диспетчера (дежурного поста централизации), которое дается на основании заявки руководителя работ;
освобождение взрезанной стрелки от подвижного состава под контролем руководителя работ со скоростью не более 10 км/час с готовностью остановиться по сигналу руководителя работ;
после освобождения взрезанной стрелки от подвижного состава - закрытие стрелки для движения поездов на период устранения последствий взреза.
45. Руководитель работ обязан:
исключить перевод стрелки опусканием курбельной заслонки;
при отсутствии препятствия для движения и прилегании к рамному рельсу остряка, отведенного до взреза стрелки, обеспечить его закрепление; после закрепления остряка дать заявку на передвижение подвижного состава в направлении от крестовины к острякам (далее - пошерстное направление) до полного освобождения стрелки;
при неприлегании к рамному рельсу остряка, отведенного до взреза стрелки, отсоединить тяги от стрелочного электропривода, обеспечить прилегание и закрепление остряка к рамному рельсу и дать заявку на передвижение подвижного состава в пошерстном направлении до полного освобождения стрелки;
если тележка вагона (локомотива) закрывает доступ к месту крепления тяг, при отсутствии препятствия дать заявку на передвижение подвижного состава в пошерстном направлении или в направлении от остряков к крестовине (далее - противошерстное направление) на расстояние не более 5 м.
Движение подвижного состава в противошерстном направлении разрешается после закрытия пути перегона (участка), станционного, паркового пути и в том случае, если первая колесная пара подвижного состава в момент взреза стрелки остановилась на остряке, отведенном до взреза стрелки, и не перекатилась через него.
46. При невозможности оперативного устранения последствий взреза открытие стрелочного перевода для движения поездов производится на основании записи в Журнале ДУ-12, являющейся также основанием для выдачи письменных предупреждений, оформленной работником, уполномоченным перевозчиком.
В записи должно быть указано:
направление, по которому разрешается движение;
допустимая скорость движения по стрелке.
Остряки запираются в требуемом положении на закладку и навесной замок, или же прижатый остряк зашивается.
При расположении стрелки на значительном расстоянии от поста централизации записи в Журнале ДУ-12 могут заменяться регистрируемыми телефонограммами, передаваемыми соответствующими работниками по тоннельной связи поездному диспетчеру (дежурному поста централизации) с последующей личной подписью телефонограмм.
47. После осмотра и устранения последствий взреза первый подвижной состав пропускается по этой стрелке при запрещающем показании светофора по распоряжению работника, уполномоченного перевозчиком, со скоростью не более 10 км/час.
В дальнейшем подвижной состав пропускается со скоростью, установленной перевозчиком для данного участка пути.
48. Движением на линии руководит уполномоченный перевозчиком поездной диспетчер.
49. При неисправности поездной диспетчерской связи регулирование движения подвижного состава производится с использованием электродиспетчерской связи или поездной радиосвязи.
50. При невозможности перевода централизованных стрелок с пульта они выключаются из электрической централизации для ручного перевода при помощи курбеля. Порядок и случаи перевода курбелем централизованных стрелок устанавливаются перевозчиком в соответствии с настоящими Правилами технической эксплуатации.
При переходе на ручное управление централизованными стрелками перевод и запирание их производятся по распоряжению дежурного поста централизации только одним работником, который является ответственным за правильность перевода стрелок. Указанное распоряжение передается лично или по телефону тоннельной связи или радиосвязи, а при неисправности или отсутствии указанных видов связи - по телефону стрелочной связи.
Перечень работников, которые могут быть назначены ответственными за перевод стрелок, утверждает перевозчик.
Перед переводом централизованной стрелки работник, осуществляющий управление стрелкой, обязан убедиться в свободности пути и положении стрелки в соответствии с техническо-распорядительным актом станции.
Курбели от электроприводов централизованных стрелок должны храниться в запломбированном ящике на посту централизации, а также заблокированными в аппаратах, расположенных около стрелочных переводов.
Запирание стрелочных закладок на навесные замки производится по распоряжению дежурного поста централизации или дежурного по путям, переданному работнику лично или по телефону стрелочной связи или радиосвязи.
Распоряжение о переводе стрелок должно быть повторено получившим его работником, немедленно после выполнения распоряжения работник обязан доложить об этом лицу, давшему распоряжение.
При отсутствии (потере) контроля положения стрелки она выключается из централизации, запирается в соответствующем маршруте на закладку и навесной замок. Перед запиранием стрелки на закладку и навесной замок курбельная заслонка стрелочного электропривода должна быть опущена. Перевозчик должен обеспечить проверку правильности положения и запирания таких стрелок в маршруте работником, уполномоченным перевозчиком.
51. При выключении стрелки для ремонта или устранения неисправности устройств сигнализации, централизации и блокировки, если остряки отсоединяются от стрелочного электропривода, но механическая связь между остряками сохраняется, остряки запираются в требуемом положении на закладку и навесной замок, прижатый остряк зашивается.
При ремонте или неисправности стрелки, если нарушается механическая связь между остряками (разъединение остряков), стрелка выключается из централизации, оба ее остряка зашиваются в требуемом положении.
52. При выключении централизованных стрелок и изолированных участков без сохранения пользования сигналами или при выключении централизованной одиночной стрелки (двух спаренных стрелок) с сохранением пользования сигналами проверка свободности пути, положения и замыкания каждой стрелки в маршруте производится дежурным станционного поста централизации по показаниям контрольных приборов (схема путей станции со световыми блоками, указывающими показание сигналов, положение стрелок и занятость путевых и стрелочных участков).
Проверка фактической свободности пути, положения и запирания (закрепления) выключенных стрелок в маршруте производится уполномоченным работником по распоряжению дежурного станционного поста централизации путем визуального осмотра.
Пользование указанными устройствами разрешается возобновить при устранении причин нарушения нормального действия устройств и наличии соответствующей записи в Журнале ДУ-12.
53. При запрещающем показании входного или выходного светофора полуавтоматического действия прием поезда на станцию или отправление поезда со станции допускается по пригласительному сигналу, а при его неисправности - по приказу (копии приказа) поездного диспетчера.
При одновременной неисправности на одной станции нескольких попутных входных или выходных светофоров полуавтоматического действия разрешение на их проследование подвижным составом дается поездным диспетчером.
При неисправности пригласительного сигнала и отсутствии всех видов связи с поездным диспетчером (невозможности вызова поездного диспетчера) прием поезда (состава) на станцию или отправление со станции производится в соответствии с техническо-распорядительным актом станции.
При запрещающем показании светофора автоматического действия машинист обязан остановить поезд перед указанным светофором, доложить об этом поездному диспетчеру и получить от него указание о порядке дальнейшего следования.
При запрещающем показании светофора автоматического действия и разрешающем сигнальном показании АЛС после остановки поезда перед светофором, доклада поездному диспетчеру и подтверждения диспетчером правильности восприятия информации движение разрешается со скоростью, не превышающей сигнального показания АЛС.
На линиях, не оборудованных устройствами АЛС-АРС, при запрещающем показании светофора автоматического действия машинист обязан:
остановить поезд (состав);
если в течение 30 секунд стоянки показание светофора не изменится на разрешающее при нахождении на главном пути перегона или главном станционном пути станции, сообщить поездному диспетчеру;
после получения указания от поездного диспетчера о порядке дальнейшего следования продолжить движение.
54. При частичной занятости стрелочного изолированного участка подвижным составом и необходимости перевода стрелки уполномоченный перевозчиком работник обязан убедиться путем проверки в свободности от подвижного состава самой стрелки, запретить машинисту производить какие-либо передвижения и уведомить его о предстоящем переводе стрелки, после чего перевести стрелку с помощью вспомогательной кнопки.
55. Стрелочный изолированный участок может иметь негабаритный изолирующий стык, расположенный между крестовиной и предельной рейкой (столбиком). Порядок действий при занятости или неисправности (показание занятости или свободности, не соответствующее фактическому наличию или отсутствию подвижного состава) такого стрелочного изолированного участка или смежного с ним изолированного участка, примыкающего к негабаритному изолирующему стыку, устанавливается перевозчиком.
56. Порядок выключения и включения устройств сигнализации, централизации и блокировки при их неисправности, осмотре и ремонте определяется перевозчиком в соответствии с настоящими Правилами технической эксплуатации.
Временные изменения зависимостей устройств сигнализации, централизации и блокировки допускаются в порядке, установленном перевозчиком.
57. Общий вес прицепных единиц хозяйственного поезда, сформированного для движения на участках пути с уклоном более 40о/оо, должен быть не более величины прицепного веса, указанного в технической документации на тяговую единицу, включенную в состав хозяйственного поезда.
Зумпфовые и промывочные агрегаты в груженом состоянии на участках пути с уклоном более 40о/оо должны транспортироваться двумя тяговыми единицами типа ДМм, МК 2/15, МТК-1 или другими с аналогичными характеристиками.
Скорость движения хозяйственных поездов на участках пути с уклоном более 40о/оо должна быть:
не более 15 км/час при движении хозяйственного поезда, оборудованного автоматическими пневматическими тормозами;
не более 10 км/час при движении локомотива с нетормозными прицепными единицами (при включенной передаче двигателя).
58. Для всех типов тяговых единиц при движении по различным уклонам с учетом конструктивных особенностей подвижного состава перевозчиком должен быть определен максимальный прицепной вес.
Нормы прицепного веса для различных локомотивов и тяговых единиц, порядок формирования хозяйственных поездов и количество прицепных единиц при движении по путям с уклонами до 40о/оо включительно определяются перевозчиком в соответствии с настоящими Правилами технической эксплуатации.
Формирование хозяйственного поезда с постановкой двух и более локомотивов, прицепляемых в голове и хвосте поезда, производится:
при перевозке рельсовых плетей на рельсовозных тележках;
при перевозке груза, не обеспечивающего нормальную видимость машинисту.
При формировании хозяйственного поезда, при погрузке и выгрузке грузов наиболее тяжелая прицепная единица (с учетом груза) должна быть прицеплена непосредственно к локомотиву, а остальные должны располагаться от локомотива по мере уменьшения веса.
59. При формировании хозяйственного поезда автоматические пневматические тормоза прицепных единиц должны быть включены в поездную тормозную магистраль.
60. Порядок обслуживания локомотивными бригадами хозяйственных поездов с прицепными единицами без автоматических тормозов устанавливается перевозчиком в соответствии с настоящими Правилами технической эксплуатации.
61. Находящийся на открытом подвижном составе груз (с учетом упаковки и крепления) должен размещаться в пределах установленного габарита погрузки. Выгруженные (подготовленные к погрузке) материалы (оборудование) должны быть уложены и закреплены, чтобы габарит приближения оборудования не нарушался.
62. Погрузка, размещение, крепление, перевозка и выгрузка хозяйственных грузов (в том числе негабаритных) производятся в соответствии с инструкцией перевозчика.
63. Порядок погрузки, выгрузки и перевозки рельсовых плетей и отдельных рельсов на рельсовозных тележках, комплектования рельсовозных тележек технологическим инструментом и инвентарем, расцепки рельсовозных тележек, их закрепления, передвижения и транспортировки порожних тележек устанавливается перевозчиком.
64. Движение и маневровые передвижения хозяйственных поездов, не оборудованных устройствами АЛС-АРС, должны выполняться при включенной автоблокировке по сигнальным показаниям светофоров.
Проследование светофора полуавтоматического действия с сигнальным показанием один синий сигнал хозяйственному поезду, не оборудованному устройствами АЛС-АРС, запрещается.
65. При запрещающем сигнале (красный сигнал, один красный и один желтый сигналы, погасшие сигналы, визуально неразличимое показание) входного, выходного, проходного светофора автоматического действия движение после остановки подвижного состава перед светофором разрешается со скоростью не более 20 км/час до следующего светофора, за исключением предупредительного.
На подъемах 20о/оо и более хозяйственному поезду разрешается безостановочное проследование светофоров автоматического действия с запрещающим сигналом со скоростью не более 20 км/час с готовностью применить экстренное торможение при возникновении препятствия для дальнейшего движения.
66. При запрещающем сигнале (красный сигнал, один красный и один желтый сигналы, погасшие сигналы, визуально неразличимое показание) входного или выходного светофора полуавтоматического действия прием подвижного состава на станцию или отправление подвижного состава со станции после остановки перед светофором допускается по пригласительному сигналу, а при его неисправности - по приказу уполномоченного перевозчиком работника со скоростью не более 20 км/час до следующего светофора, за исключением предупредительного.
При одновременной неисправности на одной станции нескольких попутных входных или выходных светофоров полуавтоматического действия их проследование разрешается в порядке, предусмотренном пунктом 53 настоящих Правил технической эксплуатации.
67. Предельно допускаемая скорость движения хозяйственных поездов устанавливается перевозчиком в соответствии с настоящими Правилами технической эксплуатации.
Перевозчик не вправе устанавливать скорость движения хозяйственных поездов более:
25 км/час:
- при движении в неправильном направлении;
- при транспортировке груженых рельсовозных тележек, а также порожних рельсовозных тележек, прицепленных в хвосте хозяйственного поезда;
- при транспортировке грузов двумя и более локомотивами в составе поезда, оборудованного автоматическими пневматическими тормозами;
- при проследовании платформы станции без остановки и наличии напряжения на контактном рельсе;
20 км/час:
- при проследовании светофора с запрещающим показанием;
- при маневровых передвижениях на станциях по разрешающим показаниям светофоров, пригласительному сигналу, распоряжению, ручному или звуковому сигналу;
- при движении по стрелочному переводу на отклоненный путь или с отклоненного пути, а также по глухому пересечению перекрестных съездов;
- при транспортировке порожних и груженых рельсовозных тележек, прицепленных в голове поезда;
- при затоплении пути в тоннеле и на наземном участке на уровне подошвы рельсов;
- при движении на закрытом пути перегона;
15 км/час:
- при движении хозяйственного поезда, оборудованного автоматическими пневматическими тормозами, на спуске более 40о/оо;
- при проследовании платформы станции без остановки и при снятом напряжении с контактного рельса;
- при проверке габаритов габаритным вагоном или габаритной рамой;
- при следовании с длинномерным грузом на платформах, прицепленных впереди локомотива;
- при следовании мимо снятых с пути съемных подвижных единиц, инструмента и стоящих у пути людей;
- при следовании с рельсовозными тележками по кривым радиусом 100 м и менее;
10 км/час:
- при следовании с негабаритным грузом;
- при въезде на занятый путь станции;
- при транспортировке работающего промывочного агрегата;
- при транспортировке подвижного состава на вспомогательных тележках;
- при транспортировке рельсовозных тележек с одной рельсовой плетью;
- при затоплении пути выше уровня головки рельса;
- при движении локомотива на спуске более 40о/оо с нетормозными прицепными единицами (при включенной передаче двигателя);
- при отправлении на один путь перегона двух хозяйственных поездов со смежных станций;
- при движении на закрытом пути перегона (участка), если на нем работает другой хозяйственный поезд;
5 км/час:
- при транспортировке подвижного состава на вспомогательных тележках по кривым малого радиуса и по стрелочным переводам;
- при размотке кабеля с платформы;
- при подходе на расстояние 10 м к подвижному составу, тупиковому упору или другому препятствию.
68. Допускается отправление хозяйственного поезда, следующего к месту работ, требующих закрытия, до закрытия пути перегона (участка), соединительной ветви в порядке, установленном пунктами 64, 65, 66 настоящих Правил технической эксплуатации, при этом приказ поездного диспетчера о закрытии пути передается машинисту по поездной радиосвязи или по тоннельной связи, а руководителю работ - по тоннельной связи.
69. При необходимости приема двух хозяйственных поездов с различных направлений на один главный путь станции очередность их приема устанавливается поездным диспетчером.
Перед приемом этих поездов дежурный по станции обязан оградить путь приема с обеих сторон переносными сигналами остановки. Прием поездов от места установки переносных сигналов производится по ручным (звуковым) сигналам, подаваемым дежурным по станции.
Прием второго поезда разрешается после остановки ранее принятого поезда и устного предупреждения:
машиниста ранее принятого поезда о запрещении передвижения;
машиниста принимаемого поезда о движении на путь, занятый другим поездом.
70. Расцепка хозяйственного поезда допускается по указанию руководителя работ после закрытия участка пути. Отцепленные платформы предварительно затормаживают ручным тормозом, закрепляют башмаками крепительными с обеих сторон и ограждают переносными сигналами остановки на расстоянии 50 м с обеих сторон. Ответственность за ограждение расцепленных платформ и нахождение их в заторможенном состоянии несет руководитель работ.
Расцепка рельсовозных тележек, расположенных между тяговыми подвижными единицами, может быть произведена без закрытия участка пути.
71. Передвижение прицепных единиц вручную допускается по указанию руководителя работ на закрытом пути перегона, станционном пути и должно производиться под его руководством при соблюдении следующих условий:
вес брутто прицепных единиц не превышает 6 тонн;
в месте предусмотренной остановки установлен тормозной башмак;
после остановки прицепная единица закреплена вторым тормозным башмаком с противоположной стороны и заторможена ручным тормозом;
уклон пути не более 3о/оо;
скорость передвижения не более 3 км/час;
бригада для передвижения состоит не менее чем из 4 человек.
72. Передвижение хозяйственного поезда на закрытом пути производится по указанию руководителя работ, в распоряжении которого находится подвижной состав.
Отправление хозяйственных поездов с перегона производится по указанию руководителя работ после согласования маршрута движения с поездным диспетчером.
73. При производстве работ, не требующих закрытия пути, на уклоне более 40о/оо пропуск хозяйственного поезда допускается по согласованию с руководителем работ.
74. Движение хозяйственных поездов в неправильном направлении производится по приказу поездного диспетчера в соответствии с установленными графиками без закрытия пути.
Право на следование хозяйственных поездов в неправильном направлении подтверждается выданной машинисту в установленном перевозчиком порядке копией приказа.
Движение хозяйственных поездов, на пути следования которых в неправильном направлении находятся стрелки, управляемые со станции, подчиняющейся иному уполномоченному перевозчиком работнику, осуществляется в порядке, установленном перевозчиком.
75. До отправления подвижного состава в неправильном направлении перевозчик письменно уведомляет машиниста об особых условиях на пути следования подвижного состава (в случае их наличия).
76. Порядок отправления в неправильном направлении нескольких хозяйственных поездов на уклон более 40о/оо и возвращения с перегона на ближайшую станцию устанавливается перевозчиком.
77. Маневровые передвижения на парковых, деповских и прочих путях разрешается производить круглосуточно без снятия напряжения с контактного рельса при обеспечении безопасности движения и безопасности работников.
78. Маневровые передвижения в дневное время при отсутствии перед тяговой подвижной единицей прицепных единиц разрешается производить машинисту.
79. Скорость маневровых передвижений на парковых, деповских и прочих путях устанавливается перевозчиком.
80. Порядок закрепления подвижного состава на парковых путях, а также на путях электродепо и мотодепо определяется перевозчиком.
81. Передвижение подвижного состава, имеющего габариты подвижного состава железных дорог общего пользования, разрешается на парковых и прочих станционных путях с расстоянием между осями путей не менее 4800 мм.
82. При необходимости подачи подвижного состава, имеющего габариты подвижного состава железных дорог общего пользования, на пути с контактным рельсом работник перевозчика обязан предварительно проверить габарит подвижного состава для определения возможности его пропуска по данным путям.
III. Порядок функционирования объектов инфраструктуры метрополитена
83. Перевозчик обязан содержать объекты инфраструктуры метрополитена в исправном техническом состоянии и обеспечивать соответствие объектов инфраструктуры метрополитена и специальных программных средств, используемых для организации перевозочного процесса, требованиям, установленным в соответствии с законодательством Российской Федерации о техническом регулировании, требованиям настоящих Правил технической эксплуатации, проектной, конструкторской и технической документации на объекты инфраструктуры метрополитена и специальные программные средства, используемые для организации перевозочного процесса.
84. Перевозчик обязан содержать сооружения и устройства метрополитена в состоянии, позволяющем обеспечивать пропуск подвижного состава с наибольшими установленными скоростями, если иное не предусмотрено законодательством Российской Федерации.
85. До ввода в эксплуатацию вновь построенных и реконструированных объектов инфраструктуры метрополитена перевозчиком должна быть утверждена документация, устанавливающая требования к пожарной безопасности, охране труда, безопасности движения и эксплуатации метрополитена, а также проведено обучение и проверены знания указанной документации работниками, непосредственно обслуживающими и эксплуатирующими указанные объекты инфраструктуры метрополитена.
86. В зависимости от конструкции и технического состояния участков путей максимально допустимые скорости движения поездов, соответствующие состоянию сооружений и устройств на этих участках, устанавливаются перевозчиком.
Длительные ограничения скорости в связи с производством ремонтных работ на путях метрополитена устанавливаются перевозчиком.
87. Техническое обслуживание, ремонт (включая межремонтные сроки) и содержание сооружений и устройств обеспечиваются перевозчиком в порядке, устанавливаемом законодательством Российской Федерации о техническом регулировании, актами технического регулирования, проектной, конструкторской и технической документацией на сооружения и устройства.
88. Перевозчик обязан содержать инженерно-технические сооружения и устройства в состоянии, обеспечивающем вентиляцию подплатформенных помещений подземных станций, эскалаторных тоннелей и лестничных маршей, кассовых залов, коридоров между станциями, перегонных и станционных тоннелей, закрытых галерей наземных участков и служебных помещений, реверсирование установок тоннельной вентиляции для изменения направления потоков воздуха, откачку грунтовых, атмосферных и производственных сточных вод от искусственных сооружений в водосточную сеть, удаление бытовых сточных вод в канализацию, бесперебойное обеспечение станций и тоннелей водой, отопление и водоснабжение объектов инфраструктуры.
89. Перевозчик не вправе привлекать к работе по проверке объектов инфраструктуры метрополитена и обеспечению качества их содержания, технического обслуживания и ремонта работников, не прошедших проверку знаний и навыков на рабочих местах.
90. Порядок проведения осмотров объектов инфраструктуры метрополитена, сроки и мероприятия по устранению обнаруженных неисправностей, а также учет результатов осмотра определяются перевозчиком в соответствии с настоящими Правилами технической эксплуатации.
Сооружения и устройства станции должны осматриваться не реже одного раза в месяц комиссиями, состав которых утверждается перевозчиком, под председательством уполномоченного перевозчиком работника.
Осмотр узлов крепления подвесных устройств должен проводиться не реже одного раза в квартал в соответствии с порядком, утвержденным перевозчиком.
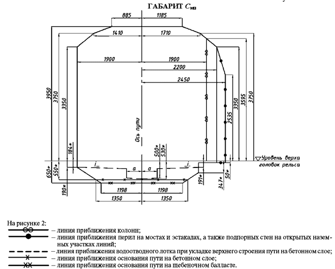
Перевозчик обеспечивает в соответствии с приложением к настоящим Правилам технической эксплуатации соблюдение:
требований к габариту приближения строений - предельному поперечному (перпендикулярному оси пути) очертанию, внутрь которого помимо подвижного состава и оборудования не должны заходить никакие части стационарных сооружений и строительных конструкций, кроме упоров тоннельных затворов, с учетом нормируемых допусков на их изготовление и монтаж (далее - габарит приближения строений);
требований к габариту приближения оборудования - предельному поперечному (перпендикулярному оси пути) очертанию, внутрь которого не должны заходить никакие части всех видов оборудования и устройств, за исключением частей устройств, предназначенных для непосредственного взаимодействия с соответствующими частями подвижного состава (далее - габарит приближения оборудования);
требований к габариту подвижного состава - предельному поперечному (перпендикулярному оси пути) очертанию, внутри которого должен помещаться подвижной состав (с учетом максимальных нормируемых допусков и износов, а также бокового наклонения на рессорах), установленный на прямом горизонтальном пути и в кривой расчетного радиуса как в ненагруженном, так и в нагруженном состоянии (далее - габарит подвижного состава).
Перевозчик обязан организовать проведение периодических инструментальных проверок плана, профиля пути и тоннельной обделки:
путеизмерителем или путеизмерительной тележкой не реже одного раза в месяц;
габаритным вагоном или габаритной рамой для проверки габаритов приближения оборудования не реже одного раза в год.
91. Перевозчик обеспечивает соответствие тоннельной обделки требованиям, установленным настоящими Правилами технической эксплуатации.
Материалы для обделок, ограждающих и внутренних несущих конструкций подземных сооружений метрополитена, их гидроизоляции, внутренних строительных конструкций, а также материалы архитектурной отделки должны отвечать требованиям прочности, долговечности, пожарной безопасности, устойчивости к химической агрессивности грунтовых вод, другим выявленным видам агрессивного воздействия внешней среды, в том числе к воздействию микроорганизмов, не должны выделять токсичных соединений в условиях эксплуатации сооружений.
В тоннелях метрополитена на всем протяжении перевозчиком должен быть обеспечен водоотвод от элементов верхнего строения пути, тоннельных конструкций, устройств и оборудования.
Перевозчик обязан организовывать плановую проверку целостности и исправности тоннельной обделки сплошным нивелированием при эксплуатации тоннелей сроком:
до 5 лет - не реже одного раза в год;
от 5 до 10 лет - не реже одного раза в три года;
более 10 лет - не реже одного раза в пять лет.
Эксплуатация тоннелей, тоннельная обделка которых повреждена и (или) не проверялась в установленные настоящими Правилами технической эксплуатации сроки, запрещается.
Перевозчик обязан проверять рельсы дефектоскопным вагоном и (или) дефектоскопными тележками по утвержденному перевозчиком графику.
Номинальный размер ширины колеи между внутренними гранями головок рельсов на прямых и кривых участках пути радиусом 1200 м и более должен составлять 1520 мм.
Ширина колеи менее 1512 мм и более 1548 мм не допускается.
На кривых участках пути ширина колеи должна составлять:
при радиусе свыше 600 м до 1200 м - 1524 мм;
при радиусе свыше 400 м до 600 м включительно - 1530 мм;
при радиусе свыше 125 м до 400 м включительно - 1535 мм;
при радиусе свыше 100 м до 125 м включительно - 1540 мм;
при радиусе менее 100 м - 1544 мм.
Порядок содержания участков пути, построенных по установленным ранее нормативам, устанавливается перевозчиком.
Величины отклонений от нормальных размеров ширины колеи, не требующих устранений, на прямых и кривых участках пути не должны превышать по сужению -4 мм, по уширению +8 мм, на парковых путях по уширению +10 мм.
Величина допускаемого бокового износа рельсов устанавливается перевозчиком.
На прямых участках пути на всем протяжении каждого из них разрешается содержание одной рельсовой нити не более чем на 6 мм выше другой.
Возвышение наружной рельсовой нити на кривых участках пути в зависимости от радиуса кривой и скорости движения по ней не должно превышать 120 мм. При проектировании новых участков в соответствии с разрешением перевозчика максимальное возвышение наружной рельсовой нити может быть более 120 мм при условии обеспечения габаритов.
Отклонение в уровне расположения рельсовых нитей от установленных норм на кривых участках пути допускается не более 4 мм.
Рельсы, элементы стрелочных переводов, уравнительных стыков (приборов) и перекрестных съездов в тоннелях, на наземных участках и парковых путях электродепо должны быть расположены на расстоянии не менее 30 мм от металлических конструкций, оборудования, трубопроводов и оболочек кабелей, путевого бетона и балласта.
Рельсы, уложенные на деповских путях, должны быть электрически изолированы от конструкций сооружений и заземленных устройств.
Конструкции токопроводящих стыков ходовых рельсов должны быть утверждены перевозчиком в зависимости от величины тягового тока и местных условий.
Перевозчик обеспечивает соответствие верхнего строения пути, плана и профиля пути, в том числе номинального размера ширины колеи, а также стрелочных переводов (устройства, служащего для перевода подвижного состава с одного пути на другой) и глухих пересечений требованиям настоящих Правил технической эксплуатации.
92. Перевозчик обеспечивает соответствие стрелочных переводов и глухих пересечений типу рельсов, уложенных в путь.
На всех путях, кроме парковых и прочих, разрешается эксплуатация стрелочных переводов с крестовинами не круче 1/9, на парковых и прочих путях - не круче 1/5. На всех путях, кроме главных, разрешается укладка стрелочных переводов марки 1/6.
Глухие пересечения перекрестных съездов должны иметь крестовины марки не круче 2/9.
93. Перевозчик обязан организовывать плановую проверку состояния стрелочных переводов не реже одного раза в месяц.
Стрелочные переводы и глухие пересечения должны содержаться в соответствии с конструкторской, эксплуатационной, технической документацией и актами технического регулирования.
Стрелочные переводы и глухие пересечения должны обеспечивать безопасное движение поездов (составов) с установленными в конструкторской, эксплуатационной и (или) технической документации скоростями.
Не допускается эксплуатация стрелочных переводов и глухих пересечений с неисправностями, которые могут привести к сходу подвижного состава (колесных пар) с рельсов или набеганию гребня на элементы стрелочных переводов и глухих пересечений, в том числе при наличии хотя бы одной из следующих неисправностей:
разъединение стрелочных остряков;
отставание остряка от рамного рельса на 4 мм и более, измеряемое против первой соединительной тяги;
выкрашивание остряка от острия до первой соединительной тяги глубиной более 3 мм, при котором создается опасность набегания гребня, и во всех случаях выкрашивания длиной:
- 200 мм и более на главных и станционных путях (кроме парковых и прочих);
- 400 мм и более на парковых и прочих станционных путях;
понижение остряка против рамного рельса на 2 мм и более, измеряемое в сечении, где ширина головки остряка поверху составляет 50 мм и более;
расстояние между рабочей гранью сердечника крестовины и рабочей гранью головки контррельса менее 1472 мм;
расстояние между рабочими гранями головки контррельса и головки усовика более 1435 мм;
излом остряка или рамного рельса;
излом крестовины (сердечника, усовика или контррельса);
разрыв контррельсового болта в одноболтовом или обоих в двухболтовом вкладыше;
излом контррельсового башмака контррельса безвкладышного крепления;
нарушение целостности (излом башмаков или подкладок, всех шурупов или болтов в креплении башмаков или подкладок, одного из двух анкеров на подкладках, отрыв подливочного состава от подкладок или путевого бетона) на трех подряд и более скреплениях.
Стрелочные переводы и глухие пересечения на наземных, надземных и парковых путях должны быть оборудованы устройствами для механизированной очистки или снеготаяния.
Стрелочные переводы в тоннелях (круглосуточно), на наземных и надземных участках (в темное время суток) должны освещаться дополнительно установленными светильниками.
Перед остряками на главных путях и путях для оборота и отстоя электроподвижного состава должны устанавливаться отбойные брусья.
Все стрелки должны быть включены в электрическую централизацию, за исключением неэлектрифицированных парковых путей.
Все стрелочные переводы на всех категориях пути должны быть оборудованы устройствами запирания их на закладку и навесной замок.
94. Перевозчик обязан обеспечить исправное состояние сигнального оборудования, перечисленного в разделе IV настоящих Правил технической эксплуатации.
95. Перевозчик обязан обеспечивать постоянную видимость показаний светофоров и маршрутных указателей, проверку взаимозависимостей стрелок и сигналов, правильности подачи частот АЛС-АРС в рельсовые цепи, а также установленные величины токов сигнальных частот АЛС-АРС в рельсовых цепях.
Перевозчик обязан обеспечить запирание остряков стрелочных переводов устройствами электрической централизации, соответствие таких устройств проектной и конструкторской документации и содержание их в соответствии с инструкцией по эксплуатации или плановому техническому обслуживанию, руководством по эксплуатации.
В устройствах электрической централизации не допускаются неисправности, которые могут привести к сходу подвижного состава (колесных пар) с рельсов, набеганию гребня на элементы стрелочных переводов и глухих пересечений или столкновению поездов (составов).
Для контроля за проходом людей по путям перевозчик обязан обеспечить установку в тоннелях автоматических сигнальных устройств.
Перевозчик обязан обеспечить работу комплекса технических средств автоматизации управления процессами перевозок, обеспечивающего установленную перевозчиком пропускную способность и безопасность движения поездов за счет:
задания маршрута, его замыкания и открытия светофора на разрешающее показание при постоянном контроле положения всех стрелок и свободности путевых участков, входящих в маршрут, и отсутствия заданных маршрутов, одновременное существование которых создает угрозу безопасности движения поездов (далее - враждебный маршрут);
обеспечения и поддержания минимального расстояния между попутно следующими поездами, превышающего расстояние тормозного пути при служебном торможении;
автоматического ограждения хвоста поезда;
постоянного автоматического контроля за соответствием фактической скорости поезда и обеспечения принудительной остановки движущегося поезда при превышении допустимой скорости в отсутствие подтверждения машинистом своей бдительности;
постоянного контроля за состоянием целостности рельсовой линии, стрелок;
бесконтактного контроля перегрева букс и контроля габарита подвагонного оборудования.
Устройства автоматической блокировки с автостопами и защитными участками не должны допускать смену запрещающего показания светофора (входного, выходного, проходного) на показание, разрешающее движение, до освобождения подвижным составом расположенной за этим светофором части перегона между двумя соседними светофорами (двумя проходными светофорами, входным светофором и выходным светофором, выходным светофором и проходным светофором) (далее - блок-участок) и защитного участка за следующим светофором, который должен перекрыться на красное показание, а его автостоп - принять заграждающее положение.
До смены показания светофора с запрещающего на разрешающее перевозчик обязан обеспечить переключение находящегося у такого светофора путевого автостопа в разрешающее положение.
Перевозчик должен обеспечить работу устройств автоматической блокировки без автостопов и защитных участков, не допускающую смену запрещающего показания светофора на показание, разрешающее движение, до освобождения подвижным составом участка пути перегона до следующей станции и главного станционного пути этой станции. Если на перегоне имеются полуавтоматические светофоры, то по ним должен быть задан маршрут приема на главный станционный путь.
Разрешается дополнение автоблокировки устройствами внепоездного контроля скорости движения поездов, допускающими открытие светофора на разрешающее показание при неполном освобождении поездом защитного участка за следующим светофором.
При включенных светофорах полуавтоматического действия перевозчик обязан обеспечить состояние устройств электрической централизации, при котором не допускается:
открытие светофора, ограждающего маршрут, если стрелки, включая охранные, не поставлены в соответствующее положение, а светофоры враждебных маршрутов не закрыты;
перевод входящей в маршрут стрелки или открытие светофора маршрута встречного направления при открытом светофоре, ограждающем установленный маршрут;
открытие светофора при маршруте, установленном на занятый путь;
перевод стрелки под подвижным составом.
При выключенных светофорах полуавтоматического действия перевозчик обязан обеспечить состояние устройств электрической централизации, при котором не допускается:
подача разрешающей сигнальной команды в рельсовую цепь, если стрелки в маршруте, включая охранные, не поставлены в соответствующее положение, а в рельсовые цепи враждебных маршрутов подаются разрешающие сигнальные команды;
перевод входящей в маршрут стрелки или выдача разрешающей сигнальной команды в рельсовую цепь враждебного маршрута при разрешающей сигнальной команде в рельсовой цепи установленного маршрута;
подача разрешающей сигнальной команды в рельсовую цепь при контроле занятости секции маршрута.
Устройства электрической централизации должны обеспечивать:
взаимное замыкание стрелок и сигналов;
контроль взреза стрелки с одновременным закрытием светофора, ограждающего маршрут;
контроль занятости путей и стрелок на аппарате управления.
Устройства диспетчерской централизации должны обеспечивать:
управление из одного пункта стрелками и сигналами станции;
контроль на аппарате управления за положением и занятостью стрелок, занятостью путей на станциях и на прилегающих к ним перегонах, а также повторением показаний светофоров (до реконструкции - на станциях с путевым развитием);
возможность перехода на местное управление стрелками и сигналами самой станции;
выполнение требований, предъявляемых к электрической централизации, автоматической блокировке и системе АЛС-АРС, применяемой в качестве самостоятельного средства сигнализации.
96. Освещение станций, тоннелей, путей, в том числе наземных и парковых, должно соответствовать требованиям, установленным настоящими Правилами технической эксплуатации, а также обеспечивать безопасность движения поездов и маневровых передвижений, безопасность пассажиров, бесперебойную и безопасную работу обслуживающего персонала и соответствовать архитектурному оформлению станций.
Освещение не должно влиять на видимость сигнальных огней светофоров, сигнальных указателей и знаков.
Перевозчик обязан обеспечить наличие рабочего и аварийного освещения перегонных, станционных путей и путей соединительных ветвей.
97. Перевозчик обязан обеспечить оборудование всех линий метрополитена следующими видами связи: поездной диспетчерской, поездной радиосвязью, тоннельной, электродиспетчерской, электромеханической диспетчерской, эскалаторной диспетчерской, стрелочной, служебной, административно-хозяйственной, местной (станционной) служебной связью между диспетчерскими пунктами и объектами АТДП, оперативной, связью ЕРИС-М (единая радиоинформационная сеть метрополитена), радиосвязью с восстановительными формированиями, громкоговорящим оповещением с возможностью включения с центральной усилительной станции.
Диспетчерские виды связи (поездная диспетчерская, электродиспетчерская, электромеханическая диспетчерская, эскалаторная диспетчерская) должны обеспечивать одновременную слышимость переговоров на всех аппаратах промежуточных пунктов. В состав устройств диспетчерских видов связи должны входить устройства звукозаписи.
Устройства поездной радиосвязи должны обеспечивать непрерывную двухстороннюю связь между поездным диспетчером и машинистами поездов (составов), находящихся в пределах линии, а также в пределах смежных с линией соединительных ветвей.
Перевозчик обеспечивает соответствие всех средств связи требованиям, установленным настоящими Правилами технической эксплуатации.
98. Перевозчик обеспечивает соответствие характеристик, параметров и размеров эскалаторов, пассажирских конвейеров (траволаторов) и лифтов требованиям, установленным нормативными правовыми актами в области промышленной безопасности.
Перевозчик обязан обеспечить эксплуатацию эскалаторов, пассажирских конвейеров (траволаторов) и лифтов в соответствии с настоящими Правилами технической эксплуатации.
Запрещается эксплуатация неисправных и (или) не соответствующих требованиям, установленным в соответствии с законодательством Российской Федерации о техническом регулировании, эскалаторов, пассажирских конвейеров (траволаторов) и лифтов.
Порядок постановки эскалаторов, пассажирских конвейеров (траволаторов) и лифтов на ремонт, а также их ввода в эксплуатацию после окончания ремонта устанавливается перевозчиком.
Пуск эскалатора, пассажирского конвейера (траволатора), лифта после перерыва в движении пассажирских поездов со снятием напряжения с контактной сети осуществляется в порядке, установленном перевозчиком.
Пуск эскалатора в обратном направлении должен производиться в отсутствие пассажиров на лестничном полотне.
В случае если сход пассажиров с лестничного полотна затруднен или если защемление одежды угрожает жизни пассажира и его необходимо освободить, пуск эскалатора (траволатора) с пассажирами в обратном направлении допускается на расстояние не более половины ступени, при этом перевозчик обязан предупредить пассажиров о предстоящем пуске.
99. При проведении ремонта объектов инфраструктуры метрополитена перевозчик обязан обеспечить безопасность движения и эксплуатации метрополитена, охрану труда без нарушения графика (расписания) транспортного обслуживания.
100. Перевозчик обязан определить руководителя работ.
101. Для ликвидации последствий сходов с рельсов и столкновений подвижного состава, извлечения людей с путей станций и перегонов в период движения поездов, устранения неисправностей в сооружениях и устройствах метрополитена перевозчиком должны быть организованы отдельные формирования.
Количество таких формирований должно быть определено перевозчиком исходя из времени прибытия на любой объект метрополитена в течение 30 минут после получения приказа поездного диспетчера о необходимости выезда. До создания необходимого количества указанных в настоящем пункте формирований время их прибытия на отдельные объекты метрополитена может быть увеличено перевозчиком на основании предполагаемых времени следования транспортных средств к таким объектам и дорожной обстановки.
Указанные в настоящем пункте формирования должны быть оснащены перевозчиком специальным автотранспортом, оборудованием и материалами.
Порядок организации работы формирований, указанных в настоящем пункте, места их дислокации, обслуживаемые участки, используемые ими специальный автотранспорт, оборудование, материалы и их количество определяются перевозчиком.
102. Для производства ремонтных и строительных работ перевозчик обязан предусмотреть перерывы в движении пассажирских поездов со снятием напряжения с контактной сети и установить ограничения скорости, необходимые для проведения работ.
Для выполнения работ по плановому техническому обслуживанию пути, искусственных сооружений, контактной сети, устройств сигнализации, централизации и блокировки, технологической электросвязи перевозчик обязан обеспечить ежесуточные перерывы в движении пассажирских поездов со снятием напряжения с контактной сети продолжительностью не менее 2 часов. При производстве таких работ комплексами машин и специализированными бригадами перерыв в движении пассажирских поездов должен составлять не менее 5 часов с закрытием участков линий для движения подвижного состава. Такое закрытие допускается только по согласованию с Департаментом транспорта и развития дорожно-транспортной инфраструктуры города Москвы и при наличии утвержденного перевозчиком приказа о производстве работ.
Работы по ремонту пути, контактной сети, устройств сигнализации, централизации и блокировки, технологической электросвязи, других сооружений и устройств, которые не предусмотрены в абзацах первом и втором настоящего пункта, должны производиться перевозчиком без закрытия пути, кроме аварийных работ, необходимых для восстановления нормальной работы инфраструктуры и подвижного состава.
103. Перевозчик по окончании проведения работ обязан производить проверки участков, на которых проводились работы по реконструкции или иные работы, вызывающие изменение плана или профиля пути.
104. Ввод устройств в действие по окончании работ производится на основании:
телефонограммы, переданной работником, уполномоченным на осуществление контроля за движением поездов, с последующей личной подписью руководителя работ;
телефонограммы с последующей личной подписью работника, уполномоченного перевозчиком осуществлять контроль и надзор за выполнением работ, в случае, если указанные работы осуществлялись подрядной организацией.
При выполнении работ с закрытием пути запрещается приступать к работам до получения руководителем работ приказа уполномоченного перевозчиком работника о закрытии пути и до ограждения сигналами места работ в порядке, установленном в разделе IV настоящих Правил технической эксплуатации.
Открытие перегона производится приказом поездного диспетчера после письменного уведомления, телефонограммы или телеграммы руководителя работ, назначенного перевозчиком ответственным за выполнение работ на эксплуатируемом пути, сооружении или устройстве, об окончании путевых работ или работ на искусственных сооружениях и отсутствии препятствий для бесперебойного и безопасного движения подвижного состава независимо от того, какая организация выполняла работы.
IV. Система сигналов, относящихся к движению подвижного состава и организации маневровой работы, а также типы сигнальных приборов, при помощи которых эти сигналы подаются
105. Перевозчик обеспечивает регулирование движения подвижного состава и организацию маневровой работы с помощью сигнальных приборов - служащих для подачи видимых сигналов светофоров, указателей АЛС-АРС, щитов, фонарей, дисков (в том числе ручных), флагов, сигнальных указателей и сигнальных знаков.
106. В тоннелях перевозчиком должны применяться видимые сигналы - сигналы, выражающиеся цветом, формой, положением и числом сигнальных показаний, цифрами и буквами:
ночные видимые сигналы - сигналы, подаваемые в тоннелях и в темное время суток на наземных путях;
круглосуточные видимые сигналы - сигналы, подаваемые в светлое и темное время суток сигналами светофоров предусмотренных настоящими Правилами технической эксплуатации цветов, сигнальными показаниями указателей АЛС-АРС, квадратными щитами желтого и зеленого цвета со светоотражателями (светоотражающей поверхностью), маршрутными и другими световыми указателями и сигнальными знаками.
107. На наземных путях ночные видимые сигналы должны применяться перевозчиком в дневное время суток при тумане, метели и других неблагоприятных условиях, если видимость дневных видимых сигналов - сигналов, подаваемых в светлое время суток на наземных и парковых путях, - составляет менее 200 м.
108. Перевозчик обязан не допускать нахождение в тоннелях и на наземных участках метрополитена объектов (конструкций), мешающих восприятию сигналов и (или) искажающих их сигнальные показания.
109. Перевозчик обязан устанавливать светофоры:
перед станциями - для подачи сигналов, разрешающих или запрещающих поезду следовать с перегона на станцию (входные светофоры);
на станциях - для подачи сигналов, разрешающих или запрещающих поезду отправиться со станции на перегон, впереди места, предназначенного для стоянки головного вагона отправляющегося поезда (выходные светофоры);
на перегонах - для подачи сигналов, разрешающих или запрещающих поезду проследовать с одного блок-участка на другой (проходные светофоры).
110. Для организации маневровой работы перевозчик обязан применять светофоры, предназначенные для подачи сигналов, разрешающих или запрещающих выполнение маневров (маневровые светофоры).
111. В случаях если видимость показания светофора не обеспечивается, перевозчик обязан установить светофор, дублирующий показания светофора, видимость показаний которого не обеспечивается (повторительный светофор).
В случаях если необходимо предупреждение о показании светофора, расположенного впереди, перевозчик вправе установить светофор, предупреждающий о показаниях впереди расположенного светофора (предупредительный светофор).
На правосторонних кривых в створе с основным левосторонним светофором допускается установка с правой стороны резервного светофора, который используется при отсутствии показаний на основном светофоре. При функционировании основного светофора резервный светофор должен быть выключен и не иметь сигнального значения.
112. Один светофор может совмещать несколько назначений (входной и маневровый, проходной и ограждения, выходной и ограждения).
113. Перевозчик вправе использовать светофоры автоматического действия, имеющие в качестве нормальных показаний разрешающие движение показания и изменяющие показания с разрешающих на запрещающие движение автоматически при воздействии поезда на участок пути, без непосредственного участия работников перевозчика, а также светофоры полуавтоматического действия, имеющие в качестве нормальных показаний запрещающие движение показания и изменяющие показания с запрещающих на разрешающие движение при непосредственном участии уполномоченных перевозчиком работников, а с разрешающих на запрещающие движение - автоматически при воздействии поезда на участок пути.
Перевозчик обязан ограждать металлоконструкции посредством установки светофоров ограждения, смена показаний которых не зависит от воздействия поезда на участок пути и происходит в зависимости от положения металлоконструкции (светофоры независимого действия).
114. Сигналы на светофорах подразделяются на:
нормально включенные и нормально выключенные;
немигающие и мигающие (периодически включающиеся и отключающиеся).
115. Светофоры автоблокировки (светофоры автоматического действия) обозначаются цифрами, светофоры полуавтоматического действия - буквами с цифрами или буквами. К обозначению светофоров, совмещенных со светофорами ограждения металлоконструкций, добавляется буква "М", к обозначению светофоров, связанных с контрольно-габаритными устройствами, добавляется буква "Г".
116. Светофоры ограждения обозначаются в зависимости от места установки:
устанавливаемые для ограждения металлоконструкций в правильном направлении движения обозначаются буквой "М" с добавлением цифрового номера металлоконструкции;
устанавливаемые для ограждения металлоконструкций в неправильном направлении обозначаются буквами "МК" с добавлением цифрового номера металлоконструкции.
117. Светофорами ограждения подается сигнал: один красный сигнал (допускается также подача двух красных сигналов) - "Стой! Запрещается проезжать сигнал".
Нормально сигналы светофоров ограждения сигнального показания и значения не имеют.
На светофорах ограждения, устанавливаемых в неправильном направлении, допускается применение дополнительного сигнального показания: один нормально горящий желтый сигнал - "Металлоконструкция находится в исправном состоянии, разрешается проезжать сигнал".
118. К основному обозначению светофоров, устанавливаемых для ограждения металлоконструкций на путях, по которым предусматривается двухстороннее движение, добавляется буква "Н" или "Ч" для обозначения нечетного или четного направления движения соответственно.
119. Повторительный светофор повторяет показания основного светофора, имеет обозначение того светофора, показания которого он повторяет, и обозначается табличкой с одной наклонной полосой на ней.
120. Резервный светофор нормально не имеет показаний, которые включаются при погасании сигналов на основном светофоре, а также имеет обозначение основного светофора с добавлением таблички с двумя наклонными полосами на ней. Допускается применение резервных светофоров, установленных на правосторонней кривой в створе с основным левосторонним светофором.
121. Предупредительный светофор применяется для предупреждения о показании основного светофора, имеет обозначение основного светофора с добавлением таблички с тремя наклонными полосами на ней и подает сигналы:
один зеленый сигнал - "Разрешается движение с установленной скоростью, основной светофор открыт";
один желтый сигнал - "Разрешается движение с готовностью остановиться, основной светофор закрыт".
122. Сигнал опасности обозначается табличкой "ОП" и устанавливается на станции с дополнительными группами путей помимо главных, предназначенных для обгона, скрещения, приема и отправления поездов (далее - путевое развитие), для указания конца маршрута подачи составов на главный путь в неправильном направлении, постоянно подает один красный сигнал - "Стой! Запрещается проезжать сигнал".
123. Дополнительный сигнал опасности может устанавливаться на промежуточных станциях с путевым развитием, на которых маршрут подачи составов на главный путь в неправильном направлении таблицей взаимозависимости стрелок, сигналов и маршрутов не предусмотрен.
Дополнительный сигнал опасности обозначается табличкой "ДОП" и при положении стрелки по главному пути выключен и сигнального значения не имеет. При положении стрелки не по главному пути и занятости изолированного участка пути перед дополнительным сигналом опасности подается сигнал: один красный мигающий сигнал - "Стой! Запрещается проезжать сигнал".
124. Недействующие светофоры должны быть выключены и закрещены двумя планками. Временное включение сигналов недействующих светофоров для их проверки должно производиться перед включением в режим постоянной эксплуатации. При временном включении сигналов недействующих светофоров для их проверки должны проверяться показания сигнала в зависимости от занятости рельсовых цепей, правильность изменений сигнальных показаний с разрешающих на запрещающие показания и видимость показаний.
125. Указатель АЛС-АРС должен обеспечивать индикацию показаний максимально допустимой скорости следования на пульте управления подвижным составом.
126. Указателями АЛС-АРС подаются сигналы:
цифровое показание - "Разрешается движение со скоростью, не превышающей указанную цифровым показанием";
показание "0" (ноль) - "Стой! Требуется остановка";
показание "ОЧ" - "Стой! Требуется остановка. Впереди путь занят, неисправность путевых, поездных устройств АЛС-АРС, излом рельса, не задан маршрут, некодируемая рельсовая цепь";
чередующиеся показания "0" и "ОЧ" - "Стой! Требуется остановка".
На линиях, где основным средством сигнализации является АЛС-АРС, может применяться дополнительное показание о допустимой скорости движения на следующем участке пути.
127. На линиях, на которых основным средством сигнализации при движении подвижного состава является автоматическая блокировка с путевыми автостопами и защитными участками, светофорами автоматического и полуавтоматического действия (независимо от назначения) подаются сигналы:
один зеленый сигнал - "Разрешается движение с установленной скоростью";
один желтый сигнал - "Разрешается движение с готовностью остановиться, следующий светофор закрыт";
один желтый и один зеленый сигналы - "Разрешается проследование светофора со скоростью не более 60 км/час, готовностью проследовать следующий светофор при наличии на нем показания один желтый сигнал со скоростью не более 35 км/час, а на наземных и приравненных к ним участках - со скоростью не более 25 км/час";
два желтых сигнала - "Разрешается проследование светофора со скоростью не более 35 км/час, подвижной состав следует с отклонением по стрелочному переводу, следующий светофор закрыт";
два желтых сигнала, из них верхний мигающий - "Разрешается проследование светофора со скоростью не более 35 км/час, подвижной состав следует с отклонением по стрелочному переводу, следующий светофор открыт";
один желтый мигающий сигнал - "Разрешается движение с установленной скоростью на парковые (деповские) пути, следующий попутный светофор открыт";
один красный и один желтый сигналы - "Стой! Запрещается проезжать сигнал";
один красный сигнал - "Стой! Запрещается проезжать сигнал".
Подвижной состав, оборудованный устройствами АЛС-АРС, должен следовать по сигналам светофоров со скоростью, не превышающей указанную сигнальным показанием АЛС-АРС. Если сигнальное показание АЛС-АРС превышает скорость, разрешенную показанием светофора, то скорость должна соответствовать требованиям сигнала светофора. Подвижной состав, не оборудованный устройствами АЛС-АРС, должен следовать по сигналам автоблокировки.
128. На линиях, где АЛС-АРС является основным средством сигнализации при движении подвижного состава, автоблокировка должна быть нормально отключена (сигналы светофоров автоматического действия отключены).
При отключенной автоблокировке входными и выходными светофорами полуавтоматического действия подаются сигналы:
один синий сигнал - "Разрешается движение по сигнальным показаниям указателя АЛС-АРС на пульте управления", при сигнальном показании АЛС-АРС "0" или "ОЧ" движение после остановки разрешается со скоростью не более 20 км/час до появления разрешающего сигнального показания АЛС-АРС;
один красный и один желтый сигналы - "Стой! Запрещается проезжать сигнал";
один красный сигнал - "Стой! Запрещается проезжать сигнал".
Для поезда с неисправными (отсутствующими) устройствами АЛС-АРС сигнал светофора - один синий сигнал - имеет значение "Стой! Запрещается проезжать сигнал. Требуется включение сигналов светофоров автоблокировки".
На линиях, на которых основным средством сигнализации при движении подвижного состава является АЛС-АРС, оборудованных автоматической блокировкой без путевых автостопов и защитных участков, светофорами автоматического и полуавтоматического действия (независимо от назначения) при включенной автоблокировке подаются сигналы, аналогичные указанным в пункте 127 настоящих Правил технической эксплуатации.
129. Пригласительный сигнал - один лунно-белый мигающий сигнал, разрешающий поезду после остановки проследовать светофор с запрещающим показанием (красный сигнал, один красный и один желтый сигналы, погасшие сигналы, визуально неразличимое показание) со скоростью не более 20 км/час до появления разрешающего сигнального показания АЛС-АРС на пульте управления, а для подвижного состава с неисправными (отсутствующими) устройствами АЛС-АРС, а также на линиях, не оборудованных устройствами АЛС-АРС, - до следующего светофора.
При маневрах пригласительный сигнал разрешает проследовать светофор с запрещающим показанием со скоростью не более 20 км/час до следующего светофора или до конца маневрового маршрута, определяемого техническо-распорядительным актом станции.
Допускается применение в тоннелях пригласительного сигнала в виде немигающего фонаря прямоугольной формы с надписью "20 км" на стекле молочно-белого цвета, устанавливаемого над маршрутным указателем или рядом с ним.
Пригласительные сигналы не должны открываться:
для передвижения на главный путь в неправильном направлении;
если входящие в маршрут стрелки не имеют контроля положения.
На парковых путях допускается применение маневровых светофоров без пригласительных сигналов.
При переходе на автоматическое действие по заданию маршрутов пригласительные сигналы светофоров, расположенных на главных путях, должны работать в автоматическом режиме.
130. Пригласительный сигнал размещается:
на карликовых светофорах и светофорах, размещаемых на кронштейнах и мостиках, в светофорной головке;
на мачтовых светофорах в дополнительной однозначной головке под основной головкой светофора.
На мачтовых светофорах, оборудованных маршрутным указателем, дополнительная однозначная головка пригласительного сигнала устанавливается под маршрутным указателем.
131. Световым указателем прямоугольной формы, установленным на подходе к станции, подается сигнал - один желтый сигнал - при открытых дверях станции. При желтом сигнале указателя машинист обязан до въезда на станцию снизить скорость поезда до 20 км/час, а при управлении хозяйственным поездом - до 10 км/час, следить за положением дверей станции, подать оповестительный сигнал, при необходимости принять меры к немедленной остановке поезда.
Нормально желтые сигналы указателей не горят, и в этом положении указатели сигнального значения не имеют.
132. Световым указателем, установленным у сигнального знака "Остановка первого вагона", подаются сигналы: один верхний молочно-белый сигнал при закрытых дверях станции и два нижних молочно-белых горизонтально расположенных сигнала при свободном пространстве между поездом и стеной пассажирского зала.
При разрешающем сигнале выходного светофора, разрешающем показании АЛС-АРС на пульте управления и трех молочно-белых сигналах светового указателя разрешается движение с установленной скоростью.
133. Световым указателем, установленным в пассажирском зале, подаются сигналы:
один прозрачно-белый сигнал - "Двери станции закрыты";
один желтый сигнал - "Двери станции открыты".
134. При неисправности автоматических дверей станции (одна или несколько створок остались в открытом положении), при отсутствии угрозы безопасности пассажиров включается верхний молочно-белый сигнал указателя, размещенного в тоннеле.
В случае неисправности сигнализации дверей сигнал "Поезд готов к отправлению" подается ручным диском.
При неисправности сигнализации контроля свободности пространства между поездом и стеной пассажирского зала в рельсовую цепь перед выходным светофором должна подаваться команда АЛС-АРС, запрещающая движение.
После проверки свободности указанного пространства и при разрешающем сигнале выходного светофора разрешается движение в порядке, установленном настоящими Правилами технической эксплуатации.
135. В тоннеле напротив сигнального знака "Остановка первого вагона" со стороны автоматических дверей станции должен быть установлен пульт дистанционного управления дверьми станции со световой сигнализацией, имеющей красный и зеленый сигналы. Управление этими сигналами производится работником, уполномоченным перевозчиком.
Сигнал "Открыть двери станции и поезда" подается красным сигналом сигнальной лампы пульта с одновременным включением сирены и требует немедленного открытия дверей поезда и станции.
136. Сигнал "Закрыть двери поезда и станции" подается зеленым сигналом сигнальной лампы пульта и дает машинисту разрешение на закрытие дверей поезда и станции.
137. При неисправности автоматических дверей станции (если двери не открылись и после нажатия соответствующей кнопки на пульте дистанционного управления) машинист должен подать звуковой сигнал - сигнал, подаваемый сигнальными устройствами подвижного состава, ручными свистками и рожками, сиренами и звонками и выражающийся числом и сочетанием звуков различной продолжительности, два длинных и два коротких. Уполномоченный перевозчиком работник должен открыть первую действующую дверь станции, убедиться в расположении дверей вагонов поезда напротив дверей станции и открыть двери станции.
138. Переносными сигналами обозначаются следующие сигналы:
прямоугольный щит красного цвета или диск красного цвета днем на наземных и парковых путях, красный сигнал фонаря ночью или в тоннеле - "Стой! Запрещается проезжать сигнал";
квадратный щит желтого цвета днем на наземных путях и желтый сигнал фонаря или квадратный щит желтого цвета со светоотражателями (светоотражающей поверхностью) ночью или в тоннеле - "Разрешается движение со скоростью, указанной в распорядительном документе перевозчика, впереди опасное место, а при отсутствии распорядительного документа - не более 20 км/час";
квадратный щит зеленого цвета (обратная сторона щита желтого цвета) днем на наземных путях и зеленый сигнал фонаря или квадратный щит зеленого цвета со светоотражателями (светоотражающей поверхностью) ночью или в тоннеле - "Поезд проследовал опасное место всем составом".
В тоннелях переносные сигналы остановки должны устанавливаться на треногах или шестах высотой 1,5 м на оси пути, а переносные сигналы уменьшения скорости - подвешиваться на стенах тоннеля на высоте 2 м от уровня головки рельса. В торце платформы станции, в том числе и у входных (выходных) светофоров, расположенных у торца платформы, переносные сигналы остановки допускается устанавливать на кронштейнах.
На наземных и парковых путях переносные сигналы остановки должны устанавливаться на треногах (шестах) высотой 2 м на оси пути, а сигналы уменьшения скорости - на таких же треногах (шестах) у пути.
При приближении подвижного состава к переносному сигналу остановки машинист обязан подать звуковой сигнал остановки и принять меры к немедленной остановке.
Переносные сигналы уменьшения скорости устанавливаются в правильном направлении движения от границы опасного участка на расстоянии:
90 м - при 3 вагонах длиной более 20 м в составе;
120 м - при 4 вагонах длиной более 20 м в составе или при 6 вагонах длиной 20 м и менее в составе;
140 м - при 7 вагонах длиной 20 м и менее в составе;
150 м - при 5 вагонах длиной более 20 м в составе;
160 м - при 8 вагонах длиной 20 м и менее в составе.
В неправильном направлении переносные сигналы уменьшения скорости устанавливаются на расстоянии 10 м от границ опасного участка.
Дополнительно к сигналам уменьшения скорости допускается применение других технических средств, таких как подача соответствующих частот АЛС-АРС в рельсовые цепи.
139. Для предупреждения работников о наличии напряжения в контактном рельсе после окончания движения поездов в торцах платформ станций устанавливаются щиты с надписью: "Стой! Контактный рельс под напряжением", обращенные надписью в сторону платформы. Такие щиты устанавливаются на треногах (шестах) высотой 1,5 м в тоннеле и 2 м на наземных участках на осях всех путей как в сторону перегона, на котором напряжение не снято, так и в сторону перегона, на котором напряжение снято, но с которого можно пройти на участок, на котором контактный рельс находится под напряжением.
140. Препятствие для движения (место, требующее остановки) на перегоне и станции, а также место производства работ, опасное для движения, требующее остановки или уменьшения скорости, должны ограждаться перевозчиком сигналами с обеих сторон.
141. Запрещается приступать к работам до ограждения сигналами препятствия или места производства работ, опасного для движения; снимать сигналы, ограждающие препятствие или место производства работ, до устранения препятствия, полного окончания работ, проверки состояния пути, контактной сети и соблюдения габарита.
142. Ограждение препятствий и мест производства работ производится в соответствии с системой сигналов, относящихся к движению подвижного состава и организации маневровой работы.
143. На путях запрещается производить работы, требующие ограждения сигналами остановки или уменьшения скорости, без разрешения уполномоченного перевозчиком работника.
144. Препятствия для движения подвижного состава на перегоне ограждаются с обеих сторон на расстоянии не менее 50 м от границ ограждаемого участка переносными сигналами остановки.
На кривых участках пути радиусом 300 м и менее препятствие ограждается с обеих сторон на расстоянии не менее 75 м от границ ограждаемого участка.
Первым сигнал устанавливается со стороны ожидаемого подвижного состава. На однопутных участках, если неизвестно, с какой стороны ожидается подвижной состав, первым сигнал устанавливается со стороны спуска к ограждаемому месту и со стороны кривой.
Места производства работ на перегонах, требующие остановки подвижного состава, должны ограждаться так же, как и препятствия для движения подвижного состава.
145. На закрытом однопутном перегоне, на одном закрытом пути двухпутного перегона препятствие ограждается переносными сигналами остановки с обеих сторон на расстоянии 50 м от границ ограждаемого участка и переносными сигналами остановки со стороны станций, ограничивающих данный перегон (путь перегона).
При наличии на закрываемых путях перегонов кривых участков радиусом 300 м и менее препятствие ограждается переносными сигналами остановки с обеих сторон на расстоянии 75 м от границ ограждаемого участка и переносными сигналами остановки в торцах станций, ограничивающих данный перегон (путь перегона); на уклоне более 40о/оо ограждение препятствия (места производства работ) производится аналогично указанному в настоящем абзаце порядку независимо от того, закрывается перегон или нет.
146. При ограждении на станционном пути места препятствия или производства работ переносными сигналами остановки все ведущие к этому месту стрелки устанавливаются в такое положение, чтобы на него не мог попасть подвижной состав, и запираются на навесной замок или зашиваются. На месте препятствия или производства работ на оси пути устанавливается переносной сигнал остановки.
При направлении любой из этих стрелок остряками в сторону места препятствия или производства работ и невозможности изолировать путь место препятствия с обеих сторон ограждается переносными сигналами остановки, устанавливаемыми на расстоянии не менее 50 м от его границ. При расположении остряков стрелки ближе 50 м от места препятствия или производства работ переносные сигналы остановки устанавливаются на каждом из сходящихся путей на расстоянии не менее 50 м от места препятствия или производства работ. На парковых путях переносные сигналы остановки устанавливаются на расстоянии не менее 20 м от места препятствия или производства работ.
При нахождении вблизи от стрелочного перевода, подлежащего ограждению, другой стрелки, которая может быть установлена в положение, исключающее попадание на ограждаемый стрелочный перевод подвижного состава, стрелка в таком положении запирается на навесной замок или зашивается. В этом случае переносной сигнал остановки со стороны этой стрелки не ставится.
На станциях закрытого типа места производства работ на автоматических дверях ограждаются переносными сигналами остановки как препятствие для движения подвижного состава.
147. При вынужденной остановке на перегоне поезда (в случае затребования вспомогательного поезда) машинист должен проверить исправность красных огней со стороны прибытия вспомогательного поезда, при приближении вспомогательного поезда машинист неисправного поезда должен подать сигнал остановки.
148. При вынужденной остановке на перегоне хозяйственного поезда ограждение его производится немедленно, при плановой остановке - если время стоянки превышает 5 минут.
Ограждение переносными сигналами остановки в случае остановки хозяйственного поезда производится:
при следовании в правильном направлении на расстоянии не менее 50 м от хвоста поезда;
при следовании в неправильном направлении, а также в случае ожидания вспомогательного поезда, следующего в неправильном направлении, на расстоянии не менее 50 м от головы и хвоста поезда.
На закрытом пути перегона хозяйственный поезд ограждается в соответствии с пунктом 145 настоящих Правил технической эксплуатации.
149. При вынужденной остановке хозяйственного поезда на перегоне двухпутного участка, если требуется оградить место препятствия для движения поездов, возникшего на смежном пути, ограждаются переносными сигналами остановки препятствия на обоих путях, начиная со смежного пути, и подается сигнал общей тревоги до установки переносных сигналов остановки.
150. Для передачи команд на подвижной состав применяются следующие ручные сигналы:
красный развернутый флаг днем на наземных путях, красный сигнал ручного фонаря ночью и в тоннелях - "Стой!";
круговое движение желтого флага, руки или любого предмета днем на наземных путях, круговое движение фонаря с сигналом любого цвета ночью и в тоннелях - "Стой!";
желтый развернутый флаг днем на наземных путях, желтый сигнал ручного фонаря ночью и в тоннелях - "Разрешается движение с уменьшенной скоростью, указанной в распорядительном документе перевозчика, а при отсутствии распорядительного документа перевозчика - со скоростью не более 20 км/час".
151. Требование о необходимости снижения скорости движения "Тише!" подается медленным движением вверх и вниз ручного фонаря с прозрачно-белым сигналом.
152. При опробовании автотормозов сигналы, обозначающие требование произвести торможение, днем на наземных путях подаются поднятой вертикально рукой, а ночью и в тоннелях - поднятым фонарем с прозрачно-белым сигналом. Работник, которому адресовано требование, должен подать один короткий звуковой сигнал и произвести торможение.
При опробовании автотормозов сигналы, обозначающие требование отпустить тормоза, днем на наземных путях подаются горизонтальным движением руки перед собой, а ночью и в тоннелях - горизонтальным движением фонаря с прозрачно-белым сигналом. Работник, которому адресовано требование, должен подать два коротких звуковых сигнала и произвести отпуск тормоза.
При опробовании тормозов во время приемки состава в электродепо или пункте технического обслуживания повторение принятого сигнала о торможении или отпуске тормозов не требуется.
Для передачи указаний при опробовании тормозов могут применяться радиосвязь или устройства громкоговорящего оповещения.
153. На станциях, на которых подача сигнала "Поезд готов к отправлению" установлена перевозчиком, такой сигнал подается работником, осуществляющим функции по контролю за движением поездов, или иным уполномоченным перевозчиком работником с помощью поднятого вертикально вверх в вытянутой руке ручного диска, окрашенного в белый цвет, с черным кругом в центре.
На станциях, оборудованных прямоугольным фонарем с белым сигналом, сигнал "Поезд готов к отправлению" может подаваться работником, осуществляющим функции по контролю за движением поездов, или иным уполномоченным перевозчиком работником путем его включения, а при неисправности фонаря - в порядке, предусмотренном в абзаце первом настоящего пункта.
На станциях закрытого типа в случае неисправности сигнализации положения станционных дверей сигнал "Поезд готов к отправлению" должен подаваться работником, осуществляющим функции по контролю за движением поездов, или иным уполномоченным перевозчиком работником через специально открываемую дверь.
Сигнал "Закрыть двери" для поезда, высадившего пассажиров и следующего с главного пути станции на путь оборота, отстоя, также подается работником, осуществляющим функции по контролю за движением поездов, или иным уполномоченным перевозчиком работником с помощью поднятого вертикально вверх в вытянутой руке ручного диска, окрашенного в белый цвет, с черным кругом в центре.
154. Для остановки поезда, проследующего станцию без остановки, работник, осуществляющий функции по контролю за движением поездов, или иной уполномоченный перевозчиком работник подает сигнал:
на станциях открытого типа - движением по кругу ручного диска;
на станциях закрытого типа - красным огнем ручного фонаря.
155. Для безостановочного пропуска поезда с пассажирами, имеющего по расписанию остановку на станции, работник, осуществляющий функции по контролю за движением поездов, или иной уполномоченный перевозчиком работник подает сигнал:
на станциях открытого типа - движением над головой ручного диска, окрашенного в белый цвет, с черным кругом в центре;
на станциях закрытого типа - ручным фонарем с прозрачно-белым сигналом.
156. Сигнал "Открыть двери в поезде" на станциях открытого типа подается работником, осуществляющим функции по контролю за движением поездов, или иным уполномоченным перевозчиком работником движением рук, сходящихся над головой, с ручным диском (обращенным красной стороной к машинисту) или без него.
157. При нахождении работников в тоннеле или в темное время суток на наземном участке наблюдающий, при нахождении работников вне габарита подвижного состава, подает сигнал "Внимание люди!" прозрачно-белым сигналом ручного фонаря в сторону приближающегося поезда. Машинист, получив сигнал, должен подать один длинный звуковой сигнал.
158. Для указания пути приема или направления следования поезда, в том числе при открытом пригласительном сигнале, применяются маршрутные световые указатели молочно-белого цвета (буквенные, цифровые, а также буквенные в сочетании с цифрами).
159. Маршрутные указатели должны устанавливаться в тоннелях в головке светофора или рядом с ней, на наземных путях под основной головкой светофора.
Допускается применение маршрутных указателей в виде стрел, одна из которых должна освещаться при открытом пригласительном сигнале:
светящаяся вертикальная стрела - маршрут установлен для движения по прямому пути;
светящаяся горизонтальная стрела - маршрут установлен для движения на отклоненный путь.
160. Освещаемыми стрелочными указателями одиночных стрелок в обе стороны подаются сигналы:
белый прямоугольник узкой стороной указателя днем, молочно-белый сигнал ночью - стрелка установлена по прямому пути;
широкая сторона указателя днем, желтый сигнал ночью - стрелка установлена на отклоненный путь.
161. Неосвещаемыми стрелочными указателями подаются сигналы:
стрелочный указатель расположен вдоль пути - стрелка установлена по прямому пути;
на белом фоне стрелочного указателя черная стрела, направленная в сторону отклоненного пути, - стрелка установлена на отклоненный путь.
162. Указателями путевого заграждения подаются сигналы:
белый круг с горизонтальной черной полосой днем, молочно-белый сигнал с горизонтальной черной полосой ночью - "Путь загражден";
белый круг или прямоугольник с вертикальной черной полосой днем, молочно-белый сигнал с вертикальной черной полосой ночью - "Заграждение с пути снято".
Указатели путевого заграждения на упорах размещаются на правом конце бруса и сигнализируют в сторону пути, указатели в тоннелях должны быть освещаемыми или со светоотражателями (светоотражающей поверхностью), на наземных путях допускается применение неосвещаемых указателей.
163. Для передачи указания о нарушении нижнего габарита подвижного состава применяются контрольно-габаритные устройства (далее - КГУ). Сигнал о нарушении габарита передается указателем КГУ. Указатель должен устанавливаться на светофоре рядом со светофорной головкой и иметь показание "КГУ" молочно-белого цвета, загорающееся при нарушении габарита. Светофор, связанный с КГУ, должен принимать запрещающее показание, а в рельсовую цепь передаваться сигнальная команда, запрещающая движение.
164. Предельные столбики или рейки должны указывать место, далее которого на пути запрещено оставление подвижного состава в направлении стрелочного перевода или глухого пересечения.
Предельные столбики должны устанавливаться посередине междупутья, а предельные рейки - в междупутье, в местах, где расстояние между осями сходящихся путей достигает размеров, предусмотренных актами технического регулирования.
165. Перевозчик обязан определить границы участка пути, относящегося к станции, и обозначить их знаками "Граница станции".
166. Предупредительные сигнальные знаки должны указывать:
"Предельно допускаемая скорость" - максимально допустимую скорость следования;
"Т сбор" - место начала торможения для поезда, оборудованного устройствами автоматического управления;
"С" - место подачи звукового сигнала хозяйственными поездами, первым поездом, а также всеми поездами при нахождении людей в тоннеле, при включенном освещении в тоннеле;
"Включить тяговые двигатели" и "Отключить тяговые двигатели" - места включения и отключения тяговых двигателей в зависимости от режима ведения поезда;
"Т" - место применения экстренного торможения при въезде на станцию или путь оборота, если не было своевременно применено служебное торможение;
"Т начало" и "Т конец" - места начала и окончания торможения на перегоне;
"Предельное место применения экстренного торможения" - конец участка пути, в пределах которого машинист должен применить экстренное торможение при обнаружении загорания в составе с целью последующего осаживания поезда на станцию;
"Остановка первого вагона" - место остановки головного вагона, при которой обеспечивается высадка из всех дверей поезда и обзор состава средствами наблюдения, расположенными на платформе; освещаемый знак "Остановка первого вагона" устанавливается с правой стороны по ходу движения на станциях закрытого типа, рядом с освещаемым знаком располагается табличка с названием станции и номером пути;
"3", "4", "5", "6", "7", "8" - места остановки первого вагона состава; указанные знаки также используются для остановки головного вагона при следовании сцепа объединенных поездов для высадки пассажиров на станции;
"Телефон" - место расположения ближайшего телефона связи;
"1уп" (указатель парковки) или "1о" (отстой), "2уп" или "2о", "Зуп" или "3о", "4уп" или "4о" - места остановки первого вагона для отстоя составов, указанные знаки устанавливаются в случаях, если на одном пути предусмотрен отстой составов, располагаемых один за другим;
"Граница рельсовой цепи" - номер проследованной рельсовой цепи и место возможной смены сигнального показания АЛС-АРС, устанавливается у изолирующих стыков, а на бесстыковых рельсовых цепях - в точках подключения оборудования к рельсам; на главных путях перегонов и станций знаки устанавливаются с правой стороны по ходу движения в правильном направлении, в пределах пассажирской платформы - на шпале между ходовыми рельсами; на остальных путях допускается установка знаков слева по ходу движения;
"Предел" - место остановки первого вагона на пути оборота; устанавливается на путях оборота, оборудованных дублирующими путевыми автостопами.
167. Знак "Опасно" размещается с правой стороны по ходу движения поезда (в правильном и неправильном направлениях) на подходах к станциям закрытого типа, а также в местах стесненного габарита, опасных для нахождения людей при прохождении по этим местам подвижного состава, цифра под знаком "Опасно" должна указывать длину опасной зоны. При нахождении людей в опасной зоне немедленно применяется экстренное торможение.
168. Знак "Ограждение сходного устройства на станционный путь" устанавливается в тоннеле на расстоянии 140 м от сходного устройства для 4-5-вагонного состава и 200 м для 6-8-вагонного состава, допускается установка знака между ходовыми рельсами на станции у сходных устройств.
169. Знак "Ограждение металлоконструкции (МК)" устанавливается перед металлоконструкцией с правой стороны по ходу движения в правильном направлении на расстоянии 100 м, а после металлоконструкции - на расстоянии 200 м.
170. На линиях, на которых основным средством сигнализации при движении поездов является автоблокировка с путевыми автостопами и защитными участками, маневровыми светофорами подаются сигналы:
один лунно-белый сигнал - "Разрешается производить маневры";
один красный сигнал - "Запрещается производить маневры";
один красный и один желтый сигналы - "Запрещается производить маневры".
Составы с включенными устройствами АЛС-АРС должны следовать по разрешающим показаниям маневровых светофоров со скоростью, не превышающей указанную сигнальным показанием на пульте управления.
171. На линиях, на которых основным средством сигнализации при движении поездов является АЛС-АРС, оборудованных автоматической блокировкой без путевых автостопов и защитных участков, маневровыми светофорами подаются сигналы:
один синий сигнал - "Разрешается производить маневры по сигнальным показаниям указателя АЛС-АРС на пульте управления";
один лунно-белый сигнал - "Разрешается производить маневры по сигнальным показаниям указателя АЛС-АРС на пульте управления";
один красный сигнал - "Запрещается производить маневры";
один красный и один желтый сигналы - "Запрещается производить маневры".
Для состава с неисправными (отсутствующими) устройствами АЛС-АРС один синий сигнал маневрового светофора имеет значение "Запрещается производить маневры".
На линиях, на которых основным средством сигнализации при движении поездов является АЛС-АРС, оборудованных автоматической блокировкой без путевых автостопов и защитных участков, маневровыми светофорами при включенной автоблокировке подаются сигналы:
один лунно-белый сигнал - "Разрешается производить маневры";
один красный сигнал - "Запрещается производить маневры".
172. На парковых путях допускается применение сигнала - два лунно-белых сигнала - "Разрешается производить маневры до следующего светофора в направлении главных путей".
173. Разрешение производить маневры может подаваться маневровыми светофорами, совмещенными с выходными и входными светофорами полуавтоматического действия, одним лунно-белым сигналом или одним синим сигналом.
174. Маневровые светофоры могут дополняться повторителями красного сигнала и лунно-белого сигнала. Повторители применяются в виде фонаря прямоугольной формы.
Повторитель красного сигнала маневрового светофора - красный мигающий сигнал - загорается при занятой рельсовой цепи перед светофором с красным сигналом.
Повторитель красного сигнала устанавливается на маневровых светофорах, ограждающих интенсивно используемые маневровые маршруты (оборот составов), у светофорной головки.
Повторитель лунно-белого сигнала маневрового светофора - молочно-белый сигнал - загорается одновременно с лунно-белым сигналом светофора и разрешает машинисту передать управление подвижным составом.
Повторитель лунно-белого сигнала маневрового светофора, ограждающего выход с пути для оборота подвижного состава, размещается у места остановки первого вагона подвижного состава, поданного на этот путь, и подает сигнал в обе стороны.
175. Светофоры, используемые для разделения пути на участки для отстоя подвижного состава, постоянно подают один красный сигнал, такие светофоры оборудуются пригласительными сигналами.
176. Работник, уполномоченный перевозчиком подавать сигналы, при подаче сигнала должен находиться в поле зрения машиниста и к нему лицом.
177. При маневрах подаются следующие ручные сигналы:
движение над головой развернутого желтого флага, ручного диска днем на наземных, парковых и деповских путях, ручного фонаря с прозрачно-белым сигналом ночью и в тоннелях или один длинный звуковой сигнал - "Разрешается движение в направлении подаваемого сигнала";
движение у ног развернутого желтого флага, ручного диска днем на наземных, парковых и деповских путях, ручного фонаря с прозрачно-белым сигналом ночью и в тоннелях или два длинных звуковых сигнала - "Разрешается движение от подаваемого сигнала";
медленное движение вверх и вниз развернутого желтого флага, ручного диска днем на наземных, парковых и деповских путях, ручного фонаря с прозрачно-белым сигналом ночью и в тоннелях или два коротких звуковых сигнала - "Тише";
движение по кругу красного или желтого флага, ручного диска, круговое движение рукой с любым предметом или без него днем на наземных, парковых и деповских путях, ручного фонаря с любым сигналом ночью и в тоннелях или три коротких звуковых сигнала - "Стой!".
178. Звуковые сигналы при маневрах подаются ручным свистком или рожком. Сигналы при маневрах должны повторяться звуковыми сигналами маневрирующего подвижного состава, подтверждающими принятие их к исполнению.
179. Прозрачно-белыми сигналами фонарей, расположенных в передней части кузова вагона, и прожектора (при его наличии) обозначаются:
голова поезда при движении в правильном и неправильном направлениях по пути тоннельного участка;
голова поезда при движении в правильном и неправильном направлениях по пути наземного участка в темное время суток;
голова поезда при выполнении маневровых передвижений в тоннелях, а также на наземных и парковых путях в темное время суток.
Голова поезда при движении в правильном и неправильном направлениях по пути наземного участка, голова поезда при движении по пути соединительной ветви наземного участка и при выполнении маневровых передвижений на парковых путях в светлое время суток может не обозначаться.
Голова хозяйственного поезда при движении в правильном направлении, при выполнении маневров на парковых путях (в темное время суток), при движении по пути соединительной ветви обозначается двумя прозрачно-белыми сигналами фонарей и прожектора (при его наличии).
Голова хозяйственного поезда при движении в неправильном направлении обозначается красным сигналом фонаря с левой стороны и прозрачно-белым сигналом фонаря с правой стороны и прожектора (при его наличии).
Голова хозяйственного поезда при выполнении маневровых передвижений на парковых путях в светлое время суток может не обозначаться.
Допускается оснащение поездов желтыми проблесковыми маячками, включаемыми на все время работы хозяйственного поезда.
180. Хвост поезда, а также хвост хозяйственного поезда при любых передвижениях обозначаются световыми сигналами красного цвета.
181. При движении поезда, управляемого машинистом не из головной кабины, голова обозначается световыми сигналами красного цвета и одним прозрачно-белым сигналом ручного фонаря в торцевой части кузова. При таком движении в тоннеле должно быть включено рабочее и аварийное освещение.
182. При движении поезда как в правильном, так и в неправильном направлении при управлении от резервного управления голова поезда обозначается прозрачно-белыми сигналами фонарей и прожектора (при его наличии) и световыми сигналами красного цвета.
183. Подвижной состав, находящийся в отстое на станционном пути или на пути перегона (соединительной ветви), с головы и хвоста обозначается световыми сигналами красного цвета.
184. Подвижной состав (вагон), находящийся в отстое на парковых путях, ограждается прямоугольным щитом красного цвета (или другими переносными красными сигналами), устанавливаемым у ограждаемого состава (вагона), или диском красного цвета, устанавливаемым на торцевой части кузова вагона.
185. Подвижные единицы отдельных формирований, указанных в пункте 101 настоящих Правил технической эксплуатации, и снегоуборочной техники, приспособленные для перемещения по путям, обозначаются как хозяйственный поезд.
186. Съемные тележки для перевозки рельсов, путеизмерительные, дефектоскопные, инструментальные и другие съемные подвижные единицы при нахождении на пути должны иметь:
в тоннелях - видимый спереди и сзади красный мигающий сигнал фонаря, установленный на высоте 1,8 м от уровня головки рельса;
на наземных путях днем - прямоугольный щит, окрашенный с обеих сторон в красный цвет, или развернутый красный флаг на шесте, ночью - видимый спереди и сзади красный сигнал фонаря, установленного на высоте 1,8 м от уровня головки рельса.
Работники, ограждающие съемные подвижные единицы и руководящие передвижением съемных единиц, для подачи сигналов о приближении поезда и сигналов для его остановки должны быть снабжены ручными свистками (рожками), а также ручными флагами - на наземных путях в светлое время суток, сигнальными фонарями - в темное время суток и в тоннеле.
187. Звуковые сигналы при движении поездов и маневровой работе подаются свистками поездов, локомотивов, ручными свистками, рожками, звонками в порядке, установленном настоящими Правилами технической эксплуатации.
188. Оповестительный сигнал (один длинный) подается машинистом подвижного состава при:
проследовании станции без остановки;
нахождении пассажиров у края платформы за линией ограничения;
нахождении людей в тоннеле;
приближении к группе людей с прозрачно-белым сигналом фонаря;
приближении к сигнальному знаку "С" хозяйственного поезда, первого поезда, каждого поезда при включенном освещении тоннеля;
приближении хозяйственного поезда к находящимся на пути людям, съемным подвижным единицам;
следовании в неправильном направлении, а также во время тумана, задымления и при других неблагоприятных условиях, снижающих видимость (повторяется периодически).
189. Сигналы остановки или уменьшения скорости, подаваемые с пути или с подвижного состава, должны повторяться звуковыми сигналами подвижного состава, подтверждающими принятие их к исполнению.
190. Сигналы тревоги подаются гудками силовых установок, звуковыми сигналами подвижного состава, сиренами, рожками.
191. Сигнал "Общая тревога" подается группами из одного длинного и трех коротких звуков при:
обнаружении на пути или в тоннеле препятствия или неисправности, угрожающей безопасности движения;
необходимости снятия напряжения с контактного рельса;
крушении (аварии) и в других случаях, когда требуется помощь;
потере тормозного эффекта подвижного состава, если создается угроза наезда на препятствие или людей.
192. Сигнал "Пожарная тревога" подается группами из одного длинного и двух коротких звуков.
193. Сигнал "Воздушная тревога" подается протяжным звучанием сирен, а также рядом коротких звуков непрерывно продолжительностью не менее 2 минут.
На станциях сигнал воздушной тревоги, поданный в городе сиренами или переданный по радиотрансляционной сети, немедленно повторяется сиренами, а на наземных путях - звуковыми сигналами подвижного состава и гудками силовых установок, а также объявляется по сети громкоговорящего оповещения.
194. Сигнал "Радиационная опасность" или "Химическая тревога" подается продолжительностью не менее 2 минут на наземных путях свистками поездов, подвижного состава, локомотивов группами из одного длинного и одного короткого звуков.
Сигнал "Радиационная опасность" или "Химическая тревога" на станциях, в электродепо и других объектах инфраструктуры подается по распоряжению уполномоченных перевозчиком работников и объявляется по сети громкоговорящего оповещения.
195. Сигнал об окончании воздушной тревоги, а также о миновании угрозы поражения радиоактивными или отравляющими веществами подается:
на станциях, электродепо и других объектах инфраструктуры по указанию уполномоченных перевозчиком работников по сети громкоговорящего оповещения и другим средствам связи;
в поездах по указанию работника, осуществляющего функции по регулированию движения подвижного состава в соответствии с установленными графиками, через устройство громкоговорящего оповещения.
196. Для предупреждения лиц, работающих в тоннеле, о предстоящей подаче напряжения на контактный рельс подаются сигналы:
"Сигнал времени" - однократное отключение рабочего освещения тоннеля длительностью 5 секунд за 10 минут до подачи первого предупредительного сигнала, требует завершения работ;
"Первый предупредительный сигнал" - двукратное отключение и включение рабочего освещения тоннеля с интервалами 5 секунд, требует прекращения всех работ и выхода людей из тоннеля;
"Второй предупредительный сигнал" - трехкратное отключение и включение рабочего освещения с интервалами 5 секунд, после подачи указанного сигнала контактный рельс считается под напряжением.
При неисправности рабочего освещения сигналы о предстоящей подаче напряжения подаются аварийным освещением в том же порядке.
197. На наземных участках сигналы о предстоящей подаче напряжения на контактный рельс могут подаваться звуковыми сигналами:
"Сигнал времени" - однократное включение звукового сигнала длительностью 5 секунд за 10 минут до подачи первого предупредительного сигнала;
"Первый предупредительный сигнал" - двукратное включение и отключение звукового сигнала с интервалами 5 секунд;
"Второй предупредительный сигнал" - трехкратное включение и отключение звукового сигнала с интервалами 5 секунд.
198. Сигнал о снятии напряжения с контактного рельса подается двумя длинными звуковыми сигналами ручного свистка (рожка) или объявлением по сети громкоговорящего оповещения.
199. Оповещение о предстоящей подаче напряжения на контактный рельс в электродепо производится:
по сети громкоговорящего оповещения словами "Подаю напряжение на деповской путь N...";
включением звонковой сигнализации на деповском пути в течение 10 секунд.
При наличии напряжения на соответствующем деповском пути должны включаться красным мигающим сигналом лампы над путем, в канаве (при ее наличии) и на сигнальном пульте разъединителя.
200. Аварийно-оповестительный сигнал служит для вызова определенных категорий работников, находящихся в тоннеле в период перерыва в движении пассажирских поездов со снятием напряжения с контактной сети.
201. Аварийно-оповестительный сигнал на перегон подается путем отключения и включения (мигания) рабочего освещения в течение 1 минуты.
По этому сигналу ответственные за производство любых работ работники, единолично производящие работы (осмотры), а также машинисты хозяйственных поездов, на которых отсутствует поездная радиосвязь, должны немедленно связаться с поездным диспетчером по тоннельной связи.
V. Действия работников метрополитена при технической эксплуатации метрополитена
202. Требования к рабочим местам работников перевозчика, используемым работниками перевозчика техническим средствам и порядок их содержания определяются перевозчиком с учетом требований трудового законодательства Российской Федерации, положений настоящих Правил технической эксплуатации.
203. Перевозчик обязан обеспечить эксплуатацию работниками метрополитена объектов инфраструктуры метрополитена в соответствии с правилами и инструкциями по охране труда, пожарной безопасности, установленными для выполняемой работы, и возможность немедленного извещения уполномоченного работника перевозчика о любой ситуации, угрожающей жизни и здоровью людей или безопасности движения.
204. Право управления подвижным составом, сигналами, аппаратами, механизмами, другими устройствами, связанными с обеспечением безопасности движения и эксплуатации метрополитена, а также перевода стрелки предоставляется перевозчиком уполномоченным на это работникам при исполнении ими своих служебных обязанностей.
205. Перевозчик не вправе предоставлять доступ в кабины управления (к устройствам управления) подвижным составом, к сигналам, стрелкам, аппаратам, механизмам и другим устройствам, связанным с обеспечением безопасности движения и эксплуатации метрополитена, а также в помещения, откуда производится управление сигналами и такими устройствами, не уполномоченным им лицам.
206. Перевозчик обязан обеспечить проверку на рабочих местах знаний и навыков работников метрополитена, непосредственно участвующих в организации движения подвижного состава и обслуживании пассажиров, не реже одного раза в три года, а также при поступлении на работу.
207. Перевозчику запрещается допускать к самостоятельному управлению подвижным составом, сигналами, аппаратами, механизмами, а также к переводу стрелок и к другим устройствам, связанным с обеспечением безопасности движения и эксплуатации метрополитена, работников метрополитена, не прошедших проверку на рабочих местах знаний и навыков в порядке, установленном перевозчиком.
208. Работники метрополитена, не прошедшие проверку знаний и навыков на рабочих местах, могут допускаться к управлению подвижным составом, сигналами, аппаратами, механизмами, а также к переводу стрелок и к другим устройствам, связанным с обеспечением безопасности движения и эксплуатации метрополитена, под наблюдением работника, непосредственно уполномоченного перевозчиком обслуживать эти устройства (или управляющего ими), за которым перевозчиком закреплен работник, проходящий проверку на рабочем месте знаний и навыков.
Порядок выдачи заключения о допуске работника метрополитена, прошедшего проверку на рабочем месте знаний и навыков, к самостоятельной работе определяется перевозчиком.
209. Порядок проведения проверки знаний и навыков для выдачи работникам метрополитена свидетельств на право управления соответствующим типом подвижного состава определяется перевозчиком.
210. Перевозчик обязан включить в локальные нормативные акты, с которыми машинисты должны быть ознакомлены перевозчиком под подпись, следующие запреты и обеспечить контроль за их соблюдением:
нарушения в пути следования скоростных ограничений, установленных настоящими Правилами технической эксплуатации, перевозчиком и показаниями сигналов;
отвлечения от управления подвижным составом, необходимости наблюдения за подаваемыми сигналами, свободностью и состоянием пути;
отключения исправных устройств, обеспечивающих безопасность движения подвижного состава, пользования без надобности устройством, позволяющим игнорировать сигнальные показания АЛС-АРС, при исправном действии АЛС-АРС.
211. Перевозчик обязан определить работников метрополитена, которые при технической эксплуатации метрополитена выполняют следующие действия: подают сигнал остановки подвижному составу и принимают другие меры к его остановке в случаях, угрожающих жизни и здоровью людей или безопасности движения; при обнаружении неисправности сооружений или устройств, создающей угрозу безопасности движения, немедленно принимают меры к устранению неисправности, а при необходимости - к ограждению опасного места для устранения неисправности.
Приложение
к Правилам технической эксплуатации
метрополитена в городе Москве
ТРЕБОВАНИЯ К ГАБАРИТУ ПРИБЛИЖЕНИЯ СТРОЕНИЙ, ГАБАРИТУ ПРИБЛИЖЕНИЯ ОБОРУДОВАНИЯ И ГАБАРИТУ ПОДВИЖНОГО СОСТАВА
1. Требования к габариту приближения строений
Габарит приближения строений должен соответствовать габаритам, указанным на рисунках 1 - 3, при расположении контактного рельса слева от оси пути.
Габарит приближения строений для тоннелей кругового очертания на перегонах (далее - габарит Смк) (рисунок 1) установлен для прямых участков пути и кривых радиусом 200 м и более, расположенных в тоннелях кругового очертания диаметром 5100-5200 мм.
Рисунок 1

Размер, отмеченный знаком "*" на рисунке 1, следует увеличить на 30 мм при укладке в путь рельсов типа Р65.
Размер в скобках на рисунке 1 следует принимать в случае укладки в путь рельсов типа Р65. Размер "а" на рисунке 1 следует устанавливать в зависимости от конструкции пути в пределах 450-550 мм.
Уклон i на рисунке 1 для прямых участков пути следует принимать равным 30о/оо, для кривых участков пути величину уклона i на рисунке 1 следует устанавливать в зависимости от возвышения наружного рельса.
За ось габарита на рисунке 1 следует принимать линию, проходящую через середину пути перпендикулярно к плоскости, касательной к головкам рельсов.
В кривых участках пути ось тоннеля должна быть смещена относительно оси пути во внутреннюю сторону кривой на величину q (мм), определяемую по следующей формуле:
q=1700(1670)tgα, где:
1700 (1670) - расстояние от центра габарита до точки, лежащей в плоскости, касательной к головкам рельсов посередине пути при рельсах типов Р50 и Р65 соответственно, мм;
tgα - тангенс угла наклона пути к горизонтали.
Для служебных веток в кривых участках пути радиусом менее 200 м размеры габарита Смк следует увеличивать, обеспечивая размещение между ним и габаритом приближения оборудования (Ом) необходимого оборудования и кабелей.
Габарит тоннелей кругового очертания диаметром более 5200 мм следует определять расчетом, но принимать не менее габарита Смк.
Очертание габарита приближения строений для тоннелей прямоугольного очертания, сооружений и устройств наземных и надземных участков на перегонах (далее - габарит Смп) (рисунок 2), расположенное выше уровня головок рельсов, установлено для прямых участков пути. Для кривых участков пути поперечные размеры этого очертания следует увеличивать. Очертание габарита Смп, расположенное ниже уровня головок рельсов, установлено для прямых и кривых участков пути.
Рисунок 2

Размер, отмеченный знаком "*" на рисунке 2, следует увеличить на 30 мм при укладке в путь рельсов типа Р65.
Размер "а" на рисунке 2 следует устанавливать в зависимости от конструкции пути в пределах 450-550 мм.
Уклон i на рисунке 2 для прямых участков пути следует принимать равным 30о/оо, для кривых участков пути величина уклона i на рисунке 2 следует устанавливать в зависимости от возвышения наружного рельса.
Очертание габарита приближения строений для станций (далее - габарит Смс) (рисунок 3), расположенное выше уровня головок рельсов (кроме линии приближения колонн), установлено для прямых участков пути. Поперечные размеры правой части этого очертания и расстояние до перил на платформах, расположенных в кривых участках пути, следует увеличивать.
Очертание габарита Смс, расположенное ниже уровня головок рельсов, а также расстояние по горизонтали до линии приближения колонн установлены для прямых и кривых участков пути.
Рисунок 3

Размер, отмеченный знаком "*" на рисунке 3, следует увеличить на 30 мм при укладке в путь рельсов типа Р65.
Размер "а" на рисунке 3 следует устанавливать в зависимости от конструкции пути в пределах 450-550 мм.
Уклон i на рисунке 3 для прямых участков пути следует принимать равным 30о/оо, для кривых участков пути величина уклона i на рисунке 3 следует устанавливать в зависимости от возвышения наружного рельса.
Размер 3150 мм на рисунке 3 допускается применять для стен служебных помещений, расположенных на пассажирских платформах, на длине до 10 м от их торца.
Расстояние между осями смежных путей на прямых участках, а также на кривых радиусом 500 м и более должно быть:
на главных путях в двухпутных тоннелях без промежуточных опор - не менее 3400 мм;
на мостах и эстакадах - не менее 3700 мм;
на главных путях наземных участков и в местах укладки перекрестных съездов, а также путях для оборота составов - не менее 4000 мм;
на парковых путях - не менее 4200 мм;
на парковых путях, предназначенных также для обращения подвижного состава железных дорог колеи 1520 мм, - не менее 4800 мм;
на деповских путях (в здании) - не менее 4500 мм.
Для кривых участков пути радиусом менее 500 м указанные расстояния, кроме расстояний на парковых путях, следует увеличивать с учетом максимально допускаемых скоростей движения поездов.
2. Требования к габариту приближения оборудования
Габарит приближения оборудования на прямых участках пути (далее - габарит Ом) должен соответствовать габариту, указанному на рисунках 4 и 5.
Размеры верхнего очертания, а также расстояние от оси пути до точки "р" нижнего очертания габарита Ом в кривых участках пути следует увеличивать на величины перемещений расчетного вагона (длина кузова - 18,2 м, база вагона - 12,6 м и база тележки - 2,1 м).
Рисунок 4

На рисунке 4 размеры по вертикали до точек "д", "е", "ж", "з" допускается принимать уменьшенными на 30 мм для тоннелей кругового очертания при обращении вагонов типов Е, 81-714, 81-717 в случае укладки в путь рельсов типа Р65.
Рисунок 5

Размер, отмеченный знаком "*" на рисунке 5, следует увеличить на 30 мм при укладке в путь рельсов типа Р65.
Размер, отмеченный знаком "**" на рисунке 5, допускается увеличивать до 890 мм в местах установки уплотнителей на порогах.
Нижнее очертание габарита по линии в-р-с-т следует применять в местах отсутствия контактного рельса, а при наличии контактного рельса - по линии а-б.
Ширина желоба δ между боковой рабочей гранью головки ходового рельса и устройствами, расположенными внутри колеи, должна быть не менее 90 мм. Ширина желоба δ между рельсом и контррельсом должна быть не менее 42 мм при условии обеспечения плавного отвода до ширины 90 мм в начале и конце контррельса.
Размеры нижнего очертания габарита Ом (кроме размеров до точки "р") действительны также и для кривых участков пути радиусом 200 м и более. Для кривых участков пути радиусом менее 200 м расстояния по горизонтали до точек нижнего очертания габарита со стороны внутренней нитки следует дополнительно увеличивать:
при радиусе кривой менее 100 м - на 20 мм;
при радиусе кривой от 100 до 124 м - на 16 мм;
при радиусе кривой от 125 до 149 м - на 11 мм;
при радиусе кривой от 150 до 199 м - на 6 мм.
В пространстве между габаритом Смк и габаритом Ом в кривых участках радиусом 350 м и менее не допускается переход кабелей по своду с одной стороны тоннеля на другую.
3. Требования к габариту подвижного состава
Габарит подвижного состава, а также путевых и других машин в транспортном положении, предназначенных для эксплуатации на линиях метрополитена (далее - габарит М), должен соответствовать габариту, указанному на рисунках 6 и 7.
Габариты путевых и других машин в рабочем положении устанавливаются перевозчиком с учетом технологии выполняемых ими работ, безопасности эксплуатационной работы и сохранности оборудования, расположенного в соответствии с габаритом приближения оборудования Ом.
Рисунок 6

Рисунок 7



