СП 40.13330.2012 (02.12.2019) ПЛОТИНЫ БЕТОННЫЕ И ЖЕЛЕЗОБЕТОННЫЕ Актуализированная редакция СНиП 2.06.06-85
С изменениями:
(30 ноября 2018 г., 2 декабря 2019 г.)
Concrete and reinforced concrete dams
Дата введения 1 января 2013 г.
Введение
Настоящий свод правил является актуализированной редакцией СНиП 2.06.06-85 "Плотины бетонные и железобетонные". Основанием для разработки нормативного документа является Федеральный закон от 30 декабря 2009 г. N 384-ФЗ "Технический регламент о безопасности зданий и сооружений".
Работа выполнена авторским коллективом Открытого акционерного общества "ВНИИГ им. Б.Е. Веденеева" в составе: канд. техн. наук А.П. Пак, доктора техн. наук Е.Н. Беллендир, В.Б. Глаговский, В.Б. Судаков.
Изменение N 2 подготовлено авторским коллективом Акционерного общества "ВНИИГ им. Б.Е. Веденеева" (канд. техн. наук М.С. Ламкин, А.В. Шипилов, д-р техн. наук В.Б. Глаговский, д-р техн. наук А.М. Юделевич).
Настоящий свод правил распространяется на проектирование строящихся и реконструируемых бетонных и железобетонных плотин, входящих в состав энергетических, воднотранспортных и мелиоративных гидроузлов, систем водоснабжения, водоочистки, переброски стока и борьбы с наводнениями, а также гидроузлов комплексного назначения.
При проектировании бетонных и железобетонных плотин, предназначенных для строительства в сейсмических районах, в условиях распространения просадочных, набухающих и закарстованных грунтов, в северной строительно-климатической зоне (ССКЗ) и приравненных к ней по природно-климатическим условиям районам (например, высокогорные районы) надлежит соблюдать дополнительные требования, предъявляемые к таким сооружениям в соответствующих нормативных документах.
В настоящем своде правил использованы нормативные ссылки на следующие документы:
ГОСТ 19185-73 Гидротехника. Основные понятия. Термины и определения
ГОСТ 26633-2015 Бетоны тяжелые и мелкозернистые. Технические условия
СП 14.13330.2018 "СНиП П-7-81* Строительство в сейсмических районах"
СП 23.13330.2018 "СНиП 2.02.02-85* Основания гидротехнических сооружений" (с изменением N 1)
СП 28.13330.2017 "СНиП 2.03.11-85 Защита строительных конструкций от коррозии" (с изменением N 1)
СП 39.13330.2012 "СНиП 2.06.05-84 Плотины из грунтовых материалов" (с изменениями N 1, N 2, N 3)
СП 41.13330.2012 "СНиП 2.06.08-87 Бетонные и железобетонные конструкции гидротехнических сооружений" (с изменением N 1)
СП 58.13330.2012 "СНиП 33-01-2003 Гидротехнические сооружения. Основные положения" (с изменением N 1)
СП 290.1325800.2016 Водопропускные гидротехнические сооружения (водосбросные, водоспускные и водовыпускные). Правила проектирования
СП 358.1325800.2017 Сооружения гидротехнические. Правила проектирования и строительства в сейсмических районах
Примечание - При пользовании настоящим сводом правил целесообразно проверить действие ссылочных документов в информационной системе общего пользования - на официальном сайте федерального органа исполнительной власти в сфере стандартизации в сети Интернет или по ежегодному информационному указателю "Национальные стандарты", который опубликован по состоянию на 1 января текущего года, и по выпускам ежемесячного информационного указателя "Национальные стандарты" за текущий год. Если заменен ссылочный документ, на который дана недатированная ссылка, то рекомендуется использовать действующую версию этого документа с учетом всех внесенных в данную версию изменений. Если заменен ссылочный документ, на который дана датированная ссылка, то рекомендуется использовать версию этого документа с указанным выше годом утверждения (принятия). Если после утверждения настоящего свода правил в ссылочный документ, на который дана датированная ссылка, внесено изменение, затрагивающее положение, на которое дана ссылка, то это положение рекомендуется применять без учета данного изменения. Если ссылочный документ отменен без замены, то положение, в котором дана ссылка на него, рекомендуется применять в части, не затрагивающей эту ссылку. Сведения о действии сводов правил целесообразно проверить в Федеральном информационном фонде стандартов.
В настоящем своде правил применены термины по ГОСТ 19185.
Основные буквенные обозначения, принятые в настоящем своде правил, приведены в приложении Б.
4.1 В зависимости от конструкции и технологического назначения бетонные и железобетонные плотины подразделяются на следующие основные виды, приведенные в таблице 1.
|
Отличительные признаки плотин |
Основные виды плотин |
|
А. По конструкции |
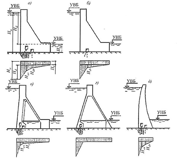
Гравитационные (рисунок 1, а-г): |
|
массивные, с наклонной напорной гранью с расширенными швами, | |
|
с продольной полостью у основания, | |
|
со ступенчатой низовой гранью. | |
|
Контрфорсные (рисунок 1, д-з): | |
|
с массивными оголовками контрфорсов (массивно-контрфорсные), | |
|
с арочными напорными перекрытиями (многоарочные), | |
|
с плоскими напорными перекрытиями. | |
|
Арочные и арочно-гравитационные (рисунок 1, и-м): | |
|
с защемленными пятами, | |
|
с контурным (периметральным) швом, | |
|
из трехшарнирных поясов, | |
|
с гравитационными устоями. | |
|
Б. По технологическому назначению |
Глухие. |
|
Станционные. | |
|
Водосбросные (рисунок 2): | |
|
с поверхностными водосливами, | |
|
с глубинными водосбросами, | |
|
многоярусные (с поверхностными водосливами и с глубинными водосбросами). |
4.2 Вид бетонной или железобетонной плотины следует выбирать в зависимости от топографических, инженерно-геологических и климатических условий с учетом сейсмичности района, компоновки гидроузла, намечаемых способов и сроков строительных работ, наличия местных строительных материалов и условий эксплуатации плотины на основании технико-экономических показателей вариантов, принимая во внимание также и экологические и социальные требования.
4.3 На скальных основаниях в условиях широких створов (при lch/h≥10, где lch - ширина ущелья по хорде на уровне гребня плотины, h - высота плотины) надлежит проектировать бетонные гравитационные и контрфорсные плотины, а в условиях узких створов (при lch/h≤5) предпочтение должно отдаваться арочным и арочно-гравитационным плотинам. При 5
В зависимости от топографических и геологических условий в одном створе могут одновременно применяться плотины разных видов.
На нескальных основаниях бетонные и железобетонные плотины следует проектировать, как правило, в качестве водосбросных; для глухих участков напорного фронта бетонные и железобетонные плотины могут проектироваться только при надлежащем обосновании.

Гравитационные: а - массивные; б - с расширенными швами; в - с продольной полостью у основания; г - со ступенчатой низовой гранью Контрфорсные: д - массивно-контрфорсные; ж - многоарочные; з - с плоским перекрытием Арочные: и - с защемленными пятами; к - с периметральным швом; л - из трехшарнирных поясов; м - с гравитационными устоями 1 - расширенный шов; 2 - продольная полость; 3 - ступени; 4 - массивные оголовки; 5 - контрфорсы; 6 - арочные перекрытия; 7 - плоские перекрытия; 8 - периметральный шов; 9 - трехшарнирные пояса; 10 - шарниры; 11 - гравитационные устои
Рисунок 1. Основные виды плотин на скальных основаниях
а)

б)

в)

а - водосливная; б - с глубинными водосбросами; в - двухъярусная
Рисунок 2. Основные виды плотин на нескальных основаниях
4.4 При проектировании плотин и их оснований в ССКЗ следует принимать один из следующих принципов строительства:
принцип I - многолетнемерзлые грунты в основании и береговых примыканиях сохраняются в процессе строительства и в течение всего периода эксплуатации, а талые грунты замораживаются, обеспечивая водонепроницаемость и фильтрационную прочность противофильтрационных элементов подземного контура плотины, в том числе на контакте плотины с основанием; предусматриваются меры по охлаждению основания в эксплуатационный период;
принцип II а - многолетнемерзлые грунты в основании и береговых примыканиях искусственно оттаиваются на определенную расчетную глубину до начала или в процессе возведения плотины;
принцип II б - допускается оттаивание многолетнемерзлых грунтов в процессе строительства и эксплуатации; сооружение возводится и эксплуатируется без искусственного охлаждения или подогрева основания.
4.5 При проектировании плотин для любых районов строительства, а для районов с многолетнемерзлыми грунтами в основании - в особенности следует предусматривать мероприятия, обеспечивающие минимальное нарушение окружающей природной среды.
4.6 Класс бетонных и железобетонных плотин следует устанавливать в соответствии с СП 58.13330.
Высота плотины определяется по разности отметок гребня (исключая парапет) и подошвы сооружения под верховой гранью без учета местных заглублений в основании для заделки забетонированных крупных трещин, пробок, служащих основанием расположенной на них плотины.
5.1 Строительные материалы для бетонных и железобетонных плотин и их элементов должны удовлетворять требованиям строительных норм проектирования бетонных и железобетонных конструкций СП 41.13330, национальных стандартов на строительные материалы и требованиям настоящего раздела.
5.2 В плотинах и их элементах в зависимости от условий работы бетона в отдельных частях плотины в эксплуатационный период надлежит различать четыре зоны (рисунок 3):
I - наружные части плотин и их элементов, находящиеся под атмосферным воздействием и не омываемые водой бьефов;
II - наружные части плотин в пределах колебания уровней воды в верхнем и нижнем бьефах, а также части и элементы плотин, периодически подвергающиеся действию потока воды: водосбросы, водоспуски, водовыпуски, водобойные устройства и др.;
III - наружные, а также примыкающие к основанию части плотин, расположенные ниже минимальных эксплуатационных уровней воды верхнего и нижнего бьефов;
IV - внутренняя часть плотин, ограниченная зонами I-III.


а - глухая плотина; б - водосливная плотина; I - IV - зоны плотины
Рисунок 3 - Распределение бетона в теле плотины по зонам
5.3 К бетону различных зон бетонных и железобетонных плотин всех классов необходимо предъявлять требования, приведенные в таблице 2.
Требования к бетону необходимо устанавливать дифференцированно, в соответствии с фактическими условиями работы бетона различных зон в период строительства и эксплуатации. При этом следует учитывать различие в уровне требований к бетону наружных и внутренних зон по высоте плотин.
5.4 Толщину наружных зон плотин следует принимать с учетом вида плотин, напряженного состояния, размеров конструктивных частей и элементов плотин, величины действующего напора, но не менее 1,0 м.
5.5 Возраст (срок твердения) бетона, соответствующий его проектному классу по прочности на сжатие и растяжение и марке по водонепроницаемости, следует назначать с учетом сроков возведения сооружения и наполнения водохранилища по СП 41.13330.
Как правило, возраст монолитного бетона плотин, отвечающий его классу по прочности и марке по водонепроницаемости, следует принимать равным 180 сут, возраст по морозостойкости - 28 сут.
Для бетонных плотин высотой более 60 м и объемом бетона более 500 тыс. м3 указанный возраст по прочности и водонепроницаемости следует принимать, как правило, равным одному году.
|
Параметр |
Зоны плотин | |
|
бетонных |
железобетонных | |
|
Прочность на сжатие |
I, II, III, IV |
I, II, III, IV |
|
Водонепроницаемость |
II, III |
II, III |
|
Морозостойкость |
I, II |
I, II |
|
Стойкость против агрессивного воздействия воды |
II, III |
II, III |
|
Сопротивляемость истиранию потоком воды при наличии взвешенных и влекомых наносов, а также стойкость против кавитации при скорости воды по поверхности бетона 15 м/с и более |
II |
II |
|
Тепловыделение при твердении бетона |
I, II, III, IV |
Предъявляется при соответствующем обосновании |
|
Примечание - Для плотин IV класса требование к бетону по тепловыделению допускается не предъявлять. | ||
5.6 Марки бетона по водонепроницаемости должны назначаться в зависимости от градиентов напора в соответствии с требованиями СП 41.13330.
При защите напорной грани гидроизоляцией (экраном) водонепроницаемость бетона зоны III следует принимать на марку ниже по сравнению с маркой при незащищенной напорной грани.
Для частей и элементов плотин, периодически омываемых водой (зона II), марка бетона по водонепроницаемости принимается не ниже W8; при действии на бетон потока воды с влекомыми наносами, а также при предъявлении к бетону требований по стойкости к кавитации марка бетона по водонепроницаемости принимается в соответствии с 5.14.
В агрессивной воде-среде марку бетона по водонепроницаемости следует принимать выше требуемой по СП 28.13330 на одну ступень.
5.7 В сооружениях, возводимых в северной строительно-климатической зоне, марки бетона по водонепроницаемости для зоны III должны быть не ниже: для бетонных конструкций - W4, для железобетонных конструкций - W6. При этом срок твердения (возраст) бетона, отвечающий его проектной марке по водонепроницаемости, следует принимать равным: для железобетонных конструкций - 28 сут, для массивных конструкций, возводимых в теплой опалубке, - 60 сут.
5.8 Марки бетона по морозостойкости следует назначать в зависимости от климатических условий района строительства плотины и расчетного числа циклов попеременного замораживания и оттаивания в год в соответствии с требованиями СП 41.13330.
5.9 Для сооружений в северной строительно-климатической зоне марки бетона по морозостойкости должны назначаться с учетом эффективности применения теплозащиты напорной или низовой грани плотины.
5.10 Классы бетонов по прочности на сжатие и растяжение следует принимать в соответствии с указаниями СП 41.13330 в зависимости от значений расчетных сопротивлений бетона, определенных согласно указаниям 5.13.
5.11 Число и зональное размещение различных классов бетона в сооружении должны приниматься так, чтобы на каждом этапе возведения плотины требовалась одновременная укладка не более четырех классов бетона; увеличение их числа допускается только при надлежащем обосновании.
5.12 Для бетона плотин с объемом бетона более 1,0 млн. м3 следует наряду с установленными в СП 41.13330 классами бетона по прочности на сжатие принимать промежуточные значения классов. Характеристики этих бетонов (расчетные и нормативные сопротивления, модуль упругости и др.) следует принимать интерполяцией.
Классы бетона по прочности определяются напряженным состоянием материала сооружений в конкретных сечениях, а составы бетона должны соответствовать предъявляемым требованиям к морозостойкости, прочности, водонепроницаемости и к прочности ко времени распалубки бетонного массива, если такое требование указано в проекте.
5.13 Расчетные сопротивления бетона плотин в возрасте 180 сут (или 1 год) следует определять исходя из устанавливаемых при проектировании расчетных сопротивлений бетона, требуемых ко времени нагружения сооружения эксплуатационными нагрузками, с учетом реального возраста, который будет иметь бетон к указанному времени, и условий возведения плотины, по формулам:
на сжатие
Rb=Rbτ/(γτcγη); (1)
Rb,ser=Rbτ,ser/(γτcγη); (1')
на растяжение
Rbt=Rbtτ/(γτtγη); (2)
Rbt,ser=Rbtτ,ser/(γτtγη); (2')
где Rb, Rbt, Rb,ser и Rbt,ser - расчетные сопротивления бетона на сжатие и растяжение соответственно для предельных состояний первой и второй групп в возрасте 180 сут (или 1 год);
Rbτ, Rbtτ, Rbτ,ser и Rbtτ,ser - сопротивления бетона на сжатие и растяжение соответственно для предельных состояний первой и второй групп, требуемые по расчетам плотины на прочность ко времени нагружения сооружений эксплуатационными нагрузками;
γτc, γτt - коэффициенты, учитывающие влияние возраста бетона на его прочность при сжатии и растяжении соответственно, определяемые по таблице 3;
γη - коэффициент, учитывающий различие в прочности бетона контрольных образцов и сооружений и принимаемый равным:
1,0 - при механизированном изготовлении, транспортировке и подаче с распределением и уплотнением бетонной смеси ручными вибраторами;
1,1 - при автоматизированном приготовлении бетонной смеси и полностью механизированных транспортировке, укладке и уплотнении бетонной смеси.
|
Возраст бетона ко времени нагружения сооружения, год |
Коэффициент γτc |
Коэффициент γτt | |
|
для районов со среднегодовой температурой наружного воздуха 0°С и выше |
для районов с отрицательной среднегодовой температурой наружного воздуха | ||
|
0,5 |
1,0/0,9 |
1,0/0,9 |
1,0/0,9 |
|
1,0 |
1,1/1,0 |
1,05/1,0 |
1,05/1,0 |
|
2,0 |
1,15/1,10 |
1,10/1,05 |
1,10/1,05 |
|
3,0 и более |
1,20/1,15 |
1,15/1,1 |
1,15/1,1 |
|
Примечания 1 В числителе приведены значения коэффициентов γτc и γτt при возрасте бетона 180 сут, в знаменателе - при возрасте бетона 360 сут. 2 При секционной разрезке коэффициент γτc следует принимать как для районов со среднегодовой температурой наружного воздуха 0°С и выше. 3 Для плотин I класса коэффициенты γτc и γτt следует уточнять путем экспериментальных исследований бетонов принятых составов. | |||
5.14 При предъявлении к бетону зоны II требований к сопротивляемости истиранию потоком воды с влекомыми наносами или стойкости к кавитации марка бетона по водонепроницаемости должна быть не ниже W10, по морозостойкости не ниже F200, а класс бетона по прочности на сжатие не ниже В25.
5.15 Прочность бетона конструкций, предназначенных для эксплуатации в особо суровых климатических условиях (со среднемесячной температурой наиболее холодного месяца - минус 20°С и ниже) к моменту замерзания бетона должна быть:
для немассивных элементов плотин в зоне переменного уровня воды и в зонах сооружения, контактирующих с мерзлым грунтом - не менее 100% проектной прочности; для других зон и частей плотины - не ниже 70% проектной прочности;
для массивных элементов плотин: в зонах переменного уровня воды и контакта бетона с мерзлым грунтом - не ниже 70% проектной прочности, а в надводной и подводной зонах - не ниже 50% проектной прочности.
5.16 Класс бетона и раствора омоноличивания должен быть не ниже класса бетона омоноличиваемых конструкций, если последний не ниже В25. В других случаях класс бетона и раствора омоноличивания должен быть на одну ступень выше класса бетона омоноличиваемой конструкции.
5.17 Для возведения плотин следует применять портландцемент, сульфатостойкий портландцемент с минеральными добавками и пуццолановый портландцемент, а для подводной (зона III) и внутренней (зона IV) зон, кроме того, - шлакопортландцемент. Рекомендуется ограничивать содержание в клинкере C3A величиной 8%.
Число видо-марок цемента должно быть, как правило, не более двух-трех, причем следует ограничиваться одним или двумя заводами-поставщиками цемента.
5.18 Для плотин I и II классов рекомендуется разрабатывать специальные технические условия на цемент, согласовывая и утверждая их в установленном порядке.
5.19 Для обеспечения требуемой морозостойкости бетона марок F200 и выше, а также для повышения плотности и водонепроницаемости бетона и его технологических свойств следует предусматривать применение поверхностно-активных и комплексных добавок в соответствии с ГОСТ 26633.
Для внутренних зон гравитационных и арочно-гравитационных плотин необходимо рассматривать возможность применения жестких бетонных смесей, уплотняемых укаткой (укатанных бетонов).
5.20 Металлические конструкции и механическое оборудование плотин, строящихся в северной строительно-климатической зоне, следует проектировать с учетом требований, предъявляемых к металлу, работающему в условиях низких отрицательных температур.
6.1 Конструкцию гребня глухой плотины следует принимать в зависимости от вида плотины, условий производства работ, использования гребня в эксплуатационный период для проезда, прохода или других целей, и шириной не менее 2 м.
6.2 Превышение гребня глухой плотины над уровнем воды в верхнем бьефе при ФПУ следует принимать 0,8 м; 0,7 м; 0,6 м и 0,5 м для плотин I, II, III и IV классов соответственно. При наличии на гребне плотины парапета, рассчитанного на воздействие волн, возвышение его верха над уровнем воды в верхнем бьефе следует принимать не ниже указанных выше значений.
6.3 Размеры быков водосбросных плотин следует назначать в зависимости от типа и конструкции затворов, размеров водосбросных отверстий, эксплуатационных и аварийных выходов из продольных галерей, размеров и конструкции мостовых пролетных строений. При этом толщина пазового перешейка быка во всех случаях должна назначаться не менее 0,8 м.
6.4 Отметку верха быка водосливной плотины со стороны верхнего бьефа следует назначать с учетом отметки гребня глухой плотины, типа затворов, условий маневрирования ими, подъемных и транспортных механизмов, наличия мостового перехода и его габаритов по высоте.
Отметку верха быков следует принимать наивысшей из определенных по каждому из перечисленных условий.
6.5 Очертания быков в плане со стороны верхнего бьефа должно обеспечивать плавный вход воды в водосбросное отверстие и минимальное сжатие потока.
В случае пропуска льда оголовок быка следует проектировать заостренной формы.
6.6 Очертание в плане и высота быков со стороны нижнего бьефа определяется общими конструктивными требованиями с учетом прочностных и гидравлических условий, расположения мостовых конструкций и других сооружений, а также незатопления верха быков.
6.7 Раздельные и береговые устои в пределах водосбросных участков плотин следует конструировать с учетом требований, предъявляемых к обтекаемым поверхностям быков.
6.8 К быкам и устоям автомобильных и железнодорожных мостов, проектируемым по быкам и устоям плотин, следует предъявлять дополнительные требования как к мостовым опорам.
6.9 Размещение турбинных водоводов приплотинных ГЭС внутри тела гравитационных плотин или по их низовой грани должно быть обосновано технико-экономическим сравнением вариантов с учетом климатических условий района строительства, технологии укладки бетона и монтажа оборудования.
6.10 При сопряжении отдельных частей плотины (водосбросной части с глухой и станционной) надлежит избегать выступов напорной грани одной части плотины по отношению к другой, за исключением быков и оголовков.
6.11 Исключен с 3 июня 2020 г. - Изменение N 2
6.12 Вдоль верховой грани плотин следует предусматривать устройство дренажа в виде вертикальных дрен (скважин), имеющих выходы в продольные галереи. Устройство горизонтальных дрен, приуроченных к ярусам бетонирования и имеющих выход в смотровые шахты, расположенные в межсекционных швах плотины, должно быть специально обосновано в проекте.
6.13 Диаметр вертикальных дрен следует принимать 10-30 см; расстояние между осями дрен - 2-3 м.
Горизонтальные дрены должны иметь площадь поперечного сечения 400-800 см2.
6.14 Расстояние от напорной грани плотины до оси дренажа adr, а также до верховой грани продольных галерей (6.16) должно назначаться не менее 2 м при соблюдении условия
(Hdγn/adr)≤Jcr,m; (3)
где Hd - напор над расчетным сечением;
Jcr,m - критический (предельный) градиент напора для бетона плотины;
γn - коэффициент надежности по ответственности сооружения, принимаемый в соответствии с 8.11.
Значение критического градиента напора надлежит принимать в зависимости от марки бетона по водонепроницаемости: от Jcr,m=10 при W4 до Jcr,m=50 при W20. При изменении марки бетона по водонепроницаемости на 1 ступень критический градиент напора увеличивается на 5 единиц.
Примечание - Для зон арочных и арочно-гравитационных плотин, а также арочных напорных перекрытий контрфорсных плотин, где бетон испытывает объемное сжатие, допускается принимать значение критического градиента напора на 25% больше приведенного выше.
6.15 Для уменьшения противодавления на плотину в ее основании, как правило, следует предусматривать устройство дренажа в виде вертикальных или наклонных скважин или горизонтальных дренажных устройств.
6.16 Как правило, дренажные устройства следует размещать в зонах тела плотины и основания, имеющих в период эксплуатации положительные температуры.
В тех случаях, когда дренажные устройства попадают в постоянные или сезонные зоны с отрицательными температурами, следует предусматривать эксплуатационный подогрев дренажных устройств или всего сооружения (например, полостей контрфорсной плотины с низовым перекрытием).
6.17 В теле плотины должны предусматриваться продольные и поперечные галереи. По высоте плотины галереи следует располагать через 15-40 м.
Одну из продольных галерей следует проектировать выше максимального уровня нижнего бьефа для обеспечения самотечного отвода воды из всей вышележащей части плотины. Из нижележащих галерей необходимо предусматривать откачку воды. Выпуск воды в нижний бьеф во всех случаях должен осуществляться ниже минимального уровня.
6.18 Пол галереи, предусмотренной для сбора и отвода воды, следует проектировать с уклоном не более 1/40 в сторону водосливного лотка.
Размеры галерей, устраиваемых для цементации основания и строительных швов плотины, создания и восстановления вертикального дренажа, должны приниматься минимальными, обеспечивающими провоз и работу бурового, цементационного и другого оборудования, с учетом размещения трубопроводов для охлаждения бетона и кабельных коммуникаций. Ширину галерей, предусмотренных для сбора и отвода воды, контроля за состоянием бетона плотины и уплотнением швов, размещением КИА и различного рода коммуникаций, следует назначать не менее 1,2 м, высоту не менее 2,0 м.
6.19 В плотинах, имеющих несколько ярусов галерей, необходимо предусматривать сообщение между ними путем устройства маршевых лестниц или лифтов.
Каждый нижележащий ярус галерей должен иметь аварийные выходы в вышележащий. Каждая продольная галерея должна иметь не менее двух аварийных выходов, расположенных на расстоянии не более 300 м друг от друга.
6.20 Конструкции бетонных плотин должны быть высокотехнологичны, т.е. рассчитаны на их возведение современными методами бетонирования с выполнением всех технологических операций высокопроизводительными машинами и механизмами. В целях повышения технологичности возведения плотин при их конструировании следует предусматривать:
применение наиболее простых по форме профилей плотин с минимальной площадью внешних поверхностей;
минимально необходимое число шахт, лестничных клеток и потерн;
разрезку плотин на укрупненные секции с устройством в необходимых случаях температурных швов-надрезов.
6.21 Размеры секций плотин и блоков бетонирования должны определяться в зависимости от:
вида и высоты плотин, размера секций зданий ГЭС, а также расположения в плотинах водопропускных отверстий, в том числе турбинных водоводов;
климатических условий района строительства в связи с обеспечением монолитности бетона секций плотины между швами;
методов возведения плотины;
формы поперечного сечения русла, геологического строения и деформационных свойств основания плотины.
6.22 При среднемесячной температуре наружного воздуха в наиболее холодном месяце года ниже минус 25°С в зоне переменного уровня воды следует рассматривать целесообразность устройства по бетонным поверхностям (кроме водосливных) теплогидроизоляции.
6.23 Для плотин, возводимых в северной строительно-климатической зоне, следует рассматривать целесообразность устройства постоянной теплоизоляции открытых поверхностей.
6.24 Толщину наружной зоны в пределах переменного уровня воды следует принимать не менее 1,5 м и не менее глубины проникновения отрицательной температуры за зимний сезон.
6.25 Толщину износостойких и кавитационностойких облицовок водосливов следует принимать в пределах 1,0-2,0 м, при этом, как правило, должна быть обеспечена возможность бетонирования облицовки одновременно с укладкой бетона в прилегающую часть тела плотины.
6.26 Толщину защитной зоны для наружных частей плотины, подвергающихся воздействию атмосферных осадков и знакопеременных температур, но не омываемых водой водоемов, следует принимать не менее 1,0 м.
6.27 При проектировании бетонных и железобетонных плотин следует предусматривать устройство деформационных (постоянных и временных) швов. Постоянные деформационные швы учитываются в расчетной схеме сооружения.
6.28 При выборе вида деформационных швов и расстояний между ними следует соблюдать требования СП 41.13330.
Ширину постоянного деформационного шва следует назначать на основе расчетных данных по ожидаемым деформациям смежных секций плотин с учетом предусматриваемой проектом конструкции шва, деформационных свойств материала его заполнения и обеспечения независимости перемещения секций плотины относительно друг друга.
При предварительном назначении конструкций постоянных деформационных швов их ширину следует принимать:
температурных - 0,5-1 см на расстоянии не более 5 м от лицевых граней и гребня, а внутри тела плотины - 0,1-0,3 см;
температурно-осадочных - 1-2 см в пределах фундаментной плиты плотины и водобоя при любых нескальных и полускальных грунтах основания;
выше фундаментной плиты плотины на нескальных грунтах основания - не менее 5 см.
6.29 В конструкциях постоянных деформационных швов следует предусматривать:
уплотнение, обеспечивающее его водонепроницаемость;
дренажное устройство для отвода профильтровавшейся через уплотнение или в его обход воды;
устройство смотровых шахт и галерей для наблюдения за состоянием шва и ремонта уплотнения.

1 - шов t = 0,5 - 1 см; 2 - шов t = 0,1 - 0,3 см; 3 - шов t = 1 - 2 см; 4 - шов t = или > 5 см; 5, 6, 7 - соответственно вертикальное, горизонтальное и контурное уплотнения; 8 - дренажное устройство; 9 - смотровая шахта; 10 - смотровая галерея
Рисунок 4. Схема расположения уплотнений в постоянных деформационных швах плотин на скальном (а, б) и нескальном (в, г) основаниях

а - диафрагмы из металла, резины и пластических масс; б - шпонки и прокладки из асфальтовых материалов; в - инъекционные (цементация и битумизация) уплотнения;
1 - металлические листы; 2 - профилированная резина; 3 - профилированный ПХВ; 4 - дренажная скважина в деформационном шве; 5 - деконцентратор (скважина) в шве-надрезе; 6 - асфальтовая мастика; 7 - железобетонная плита; 8 - скважины для цементации; 9 - цементационные клапаны
Рисунок 5. Схемы основных уплотнений деформационных швов бетонных и железобетонных плотин
6.30 Уплотнения постоянных деформационных швов плотин следует подразделять:
по расположению в шве - на вертикальные, горизонтальные и контурные (рисунок 4);
по конструкции и материалам - на диафрагмы из металла, резины и пластических масс (рисунок 5, а); шпонки и прокладки из асфальтовых материалов (рисунок 5, б); инъекционные (цементация и битумизация) (рисунок 5, в).
6.31 При проектировании конструкций уплотнения деформационных швов плотин необходимо соблюдать следующие условия:
материал уплотнения должен непосредственно примыкать к бетону образующих швов секций;
величина сжимающего напряжения на контакте асфальтового материала уплотнения с бетоном в рассматриваемом сечении должна быть не менее величины внешнего гидростатического давления воды в том же сечении;
средние градиенты фильтрационного напора через бетон по контуру уплотнений шва не должны превышать величин критических градиентов напора, приведенных в 6.14;
конструкция деформационного шва должна быть работоспособна во всем диапазоне температурных воздействий.
6.32 При определении действующего среднего градиента напора в уплотнениях постоянных швов плотин общий путь фильтрации следует принимать равным:
при изменении температуры бетона в зоне швов до 6°С - пути фильтрации в обход асфальтовых шпонок, металлических, полимерных или резиновых диафрагм с учетом пути фильтрации на длине цементируемых или битуминизированных участков швов между диафрагмами и шпонками;
при изменении температуры бетона в зоне швов свыше 6°С - только пути фильтрации в обход асфальтовых шпонок, металлических, полимерных или резиновых диафрагм без учета пути фильтрации на длине цементируемых или битуминизированных участков швов.
6.33 Омоноличивание временных вертикальных швов следует производить до подъема уровня воды перед плотиной, исходя из проектных требований к омоноличиванию бетонного массива.
При проектировании плотин следует предусматривать устройство временных широких швов (замыкающих блоков), сроки омоноличивания которых устанавливаются проектом.
6.34 Длину водосбросного фронта плотины, размеры и число пролетов поверхностных и глубинных водопропускных устройств следует принимать в зависимости от сбросного расхода основного расчетного случая, устанавливаемого в соответствии с СП 58.13330 и допустимых при данных геологических условиях удельных расходов воды.
При этом должны учитываться:
влияние потока на русло реки и работу других сооружений гидроузла;
требования к гидравлическому режиму руслового потока в бьефах и изменению уровней воды в нижнем бьефе, вызываемого деформациями русла и берегов.
Выбор оптимального варианта следует производить на основании анализа гидравлического режима в пределах водопропускного тракта, условий подхода в верхнем бьефе и условий сопряжения бьефов и гашения энергии в нижнем бьефе. Для плотин I и II классов обоснование оптимального варианта компоновки водопропускных сооружений в составе гидроузла и их конструкции должно подтверждаться результатами физического моделирования.
6.35 Основным профилем оголовков водосливных плотин всех классов следует принимать профиль криволинейного очертания, работающий в безвакуумном режиме при пропуске расхода основного расчетного случая. Оголовок должен плавно сопрягаться с водосливной гранью плотины. Уклон водосливной грани и ее протяженность следует назначать исходя из конструктивных особенностей профиля плотины.
При этом необходимо исключать возникновение кавитации и предотвращать срыв вакуума устройством плавно очерченных устоев и удлиненных быков, размещением пазов затворов за пределами зоны вакуума и т.п.
При проектировании поверхностных водосбросов следует рассматривать целесообразность гашения энергии в пределах водосливной грани за счет устройства ступенчатой поверхности, повышения ее шероховатости, расщепления и соударения струй.
6.36 При проектировании водосбросных сооружений плотин и элементов крепления нижнего бьефа, обтекаемых потоком воды со скоростью свыше 15 м/с, следует предусматривать мероприятия, направленные на защиту сооружений от кавитации и кавитационной эрозии:
плавное очертание обтекаемых поверхностей, обеспечивающее значения параметров кавитации больше критических;
подвод воздуха в зоны возможного возникновения кавитации путем устройства уступов, дефлекторов, пазов-аэраторов или их сочетаний с воздухоподводящими устройствами, обеспечивающими отрыв транзитного потока и воздухонасыщение его придонного и пристенных слоев;
использование защитного слоя бетонов с повышенной кавитационной стойкостью, а в необходимых случаях - металлической облицовки.
6.37 Ось глубинного водосброса следует, как правило, проектировать прямолинейной в плане. Криволинейную ось допускается принимать в случаях, когда это обусловлено общей компоновкой гидроузла.
Высотное положение оголовка и наклон оси глубинного водосброса следует назначать с учетом конструктивных особенностей плотины и концевого участка водосброса, диапазона изменения уровней воды в верхнем бьефе, определяемого по схеме пропуска расходов.
Кромки входного сечения глубинных водосбросов должны иметь плавное очертание. Площадь живого сечения глубинных водосбросов на выходном участке следует, как правило, плавно уменьшать.
При расположении камеры затворов во входном оголовке или в средней части тракта глубинного водосброса необходимо предусматривать подвод воздуха за затворы. Устье воздуховода следует максимально (по конструктивным условиям, водосброса) приближать к затвору; оно должно быть защищено от попадания струй и брызг воды.
6.38 Конструкцию концевых участков поверхностного и глубинного водосбросов следует выбирать в зависимости от удельного расхода воды на выходе, принимаемого с учетом характеристик грунтов в нижнем бьефе, а также требований, предъявляемых к основным гидравлическим режимам сопряжения берегов.
6.39 При поверхностном режиме сопряжения бьефов в конце водосброса следует предусматривать носок-уступ с горизонтальной или наклонной поверхностью, создающий незатопленный поверхностный режим, при этом прыжок должен быть устойчивым; поток не должен вызывать опасного размыва русла и берегов реки на прилегающем к сооружению участке. Поверхностный режим сопряжения следует принимать с учетом пропуска льда и других плавающих тел.
6.40 При донном режиме сопряжения бьефов следует предусматривать сопряжение водосливной поверхности с водобоем плавным или с небольшим уступом. Отметку поверхности водобоя и рисбермы, их длину и толщину следует назначать на основании гидравлических и гидродинамических исследований и технико-экономического сравнения вариантов с учетом всего комплекса мероприятий, влияющих на гидравлические условия в нижнем бьефе (гасители энергии, обеспечивающие образование затопленного прыжка на водобое и благоприятные условия для маневрирования затворами; переходные крепления от бетонной рисбермы к незакрепленному руслу, ковш за переходным креплением и др.). При необходимости следует предусматривать дополнительные мероприятия по пропуску воды и льда в период строительства плотины, а также мероприятия, исключающие повреждения элементов крепления твердыми материалами (камни и др.).
6.41 При сопряжении бьефов отбросом струи в конце водосброса следует предусматривать носок-трамплин, отбрасывающий поток воды в нижний бьеф на безопасное для сооружений расстояние, а в узких створах - исключающий опасное воздействие потока на берега.
6.41а При применении для возведения гравитационных водосливных плотин технологии укладки слоями малоцементного укатанного бетона следует оценить целесообразность устройства низовой грани плотины в виде ступенчатой поверхности (ступенчатый водослив). Высоту ступеней следует предусматривать кратной одному-трем слоям укатанного бетона при толщине каждого слоя 25-50 см.
Водосливную поверхность ступенчатого водосброса следует выполнять из вибрированного бетона или с использованием сборных железобетонных элементов.
В случае слаботрещиноватого основания в месте падения струи следует предусматривать мероприятия по предотвращению опасного распространения размывов: устройство водобойного колодца или искусственной ямы размыва, рассредоточение сбросного потока по большей площади посредством многоярусных носков-трамплинов, рассеивающих трамплинов, расщепителей и т.п.
6.42 При проектировании водопропускных сооружений следует предусматривать мероприятия, исключающие возможность замерзания воды, скапливаемой на пониженных участках тракта.
6.43 В составе механического оборудования водопропускных сооружений следует предусматривать основные, аварийно-ремонтные и ремонтные затворы. Отказ от установки аварийно-ремонтных или ремонтных затворов должен быть обоснован.
Для поверхностных водосбросов следует отдавать предпочтение затворам с незатопленными опорно-ходовыми частями, например, сегментными.
6.44 Удаление (съем) грунта в основании плотины должно быть минимальным и обосновано расчетами плотин на прочность и устойчивость с учетом мероприятий по укреплению грунта основания.
6.45 Выравнивание контактных поверхностей скальных оснований бетонных плотин не допускается. Сопряжение арочных, арочно-гравитационных и пространственно работающих гравитационных плотин с косогорными участками основания должно производиться, как правило, без уступов.
6.46 При проектировании бетонных и железобетонных плотин следует учитывать изменение свойств грунтов в процессе строительства и эксплуатации, в том числе в связи с изменением геокриологических условий; в случае необходимости следует предусматривать мероприятия по улучшению прочностных, деформационных и фильтрационных свойств грунтов оснований:
закрепление и уплотнение грунтов основания или его части цементационными или другими вяжущими растворами;
дренирование глинистых водонасыщенных грунтов;
устройство подпорных стен, поддерживающих склоны и откосы массивов, и анкеровка неустойчивых скальных массивов;
разделку горным способом крупных трещин, разломов и пустот в скальных массивах с последующим заполнением их бетоном или железобетоном в виде отдельных пробок, шпонок, сплошных полос и решеток;
сохранение грунтов в мерзлом состоянии или искусственное их промораживание;
предварительное протаивание с последующим закреплением и уплотнением;
предотвращение сплывов оттаивающих массивов рыхлых многолетнемерзлых грунтов в береговых примыканиях плотин (сохранение растительного покрова, удаление рыхлых многолетнемерзлых грунтов от краев скальной врезки плотин, уполаживание и утепление откосов рыхлых многолетнемерзлых грунтов).
6.47 Во всех случаях, когда основание плотины сложено фильтрующими слабоводоустойчивыми и быстрорастворимыми грунтами, необходимо предусматривать специальные противофильтрационные и дренажные устройства. При грунтах, устойчивых против химической и механической суффозии, такие устройства должны быть обоснованы технико-экономическими расчетами.
Противофильтрационные мероприятия для оснований, сложенных мерзлыми грунтами, следует проектировать с учетом прогноза изменения их температурного режима и свойств в процессе строительства и эксплуатации сооружений.
Противофильтрационные и дренажные устройства в основании плотины надлежит сопрягать с аналогичными устройствами в берегах и в примыкающих к плотине сооружениях гидроузла.
6.48 Противофильтрационную завесу следует предусматривать, как правило, до слабоводопроницаемых или практически водонепроницаемых грунтов. Глубина завесы при отсутствии водоупора определяется расчетом с учетом инженерно-геологических условий, степени проницаемости грунтов, величины противодавления в основании плотины, наличия дренажа и т.д.
При расчетном обосновании глубины противофильтрационной завесы следует учитывать прогноз геокриологических условий в основании сооружения.
6.49 Критические средние градиенты напора на противофильтрационной завесе Jcr,m следует принимать:
а) для нескальных грунтов основания - в соответствии с указаниями 9.41;
б) для скальных грунтов основания Jcr,m=Jadmγn, где Jadm - допустимый градиент напора на завесе, принимаемый в соответствии с СП 23.13330, γn - см. 8.11, 8.12.
7.1 Нагрузки, воздействия и их сочетания на бетонные и железобетонные плотины должны определяться согласно СП 58.13330, СП 39.13330, СП 23.13330, СП 14.13330, СП 358.1325800 и настоящему разделу.
7.2 При расчетах плотин на основные сочетания нагрузок и воздействий следует учитывать:
постоянные нагрузки и воздействия:
а) собственный вес сооружения, включая вес постоянного технологического оборудования (затворы, подъемные механизмы и пр.), месторасположение которого на сооружении не меняется в процессе эксплуатации;
б) силовое воздействие воды при нормальном подпорном уровне (НПУ) верхнего бьефа, уровне нижнего бьефа, соответствующем пропуску через сооружение минимального по технологическим и экологическим требованиям расхода и нормальной работе дренажных и противофильтрационных устройств;
давление воды на верховую и низовую грани плотины;
пригрузка основания со стороны верхнего и нижнего бьефов;
силовое воздействие фильтрующейся воды;
в) вес грунта, сдвигающегося с плотиной (находящегося между подошвой плотины и расчетной плоскостью сдвига), и боковое давление грунта со стороны верхнего и нижнего бьефов;
г) давление наносов, отложившихся перед плотиной;
д) температурные воздействия, определяемые для условий строительства и эксплуатации сооружения при среднемноголетних климатических характеристиках;
е) поровое давление в водонасыщенном грунте при нормальной работе дренажных и противофильтрационных устройств, НПУ в верхнем бьефе и уровне в нижнем бьефе, соответствующем минимальному по технологическим и экологическим требованиям расходу;
кратковременные нагрузки и воздействия:
ж) силовое воздействие воды при уровнях в верхнем и нижнем бьефах, соответствующих пропуску через сооружение расхода основного расчетного случая, устанавливаемого в соответствии с СП 58.13330, и нормальной работе дренажных и противофильтрационных устройств (взамен подпункта б):
давление воды на верховую и низовую грани плотины;
пригрузка основания водой со стороны верхнего и нижнего бьефов;
силовое воздействие фильтрующейся воды;
динамические нагрузки от потока сбрасываемой воды;
з) нагрузки и воздействия от волн, устанавливаемые в соответствии с их ежегодной вероятностью превышения в зависимости от класса сооружения;
и) нагрузки от льда толщиной, устанавливаемой в соответствии с их ежегодной вероятностью превышения в зависимости от класса сооружения;
к) нагрузки от подъемных, перегрузочных и транспортных устройств и других конструкций и механизмов (мостовых и подвесных кранов и т.п.);
л) нагрузки от плавающих тел.
7.3 При расчетах плотин на особые сочетания нагрузок и воздействий следует учитывать постоянные, временные длительные, кратковременные нагрузки и воздействия и одну из следующих особых нагрузок и воздействий:
а) силовое воздействие воды при форсированном подпорном уровне (ФПУ) верхнего бьефа, уровне нижнего бьефа, соответствующем пропуску через сооружение расхода поверочного расчетного случая, устанавливаемого в соответствии с СП 58.13330, и нормальной работе дренажных и противофильтрационных устройств (взамен 7.2, б, ж):
давление воды на верховую и низовую грани плотины;
пригрузка основания со стороны верхнего и нижнего бьефов;
силовое воздействие фильтрующейся воды;
динамические нагрузки от потока сбрасываемой воды;
б) силовое воздействие воды, обусловленное выходом из работы одного из противофильтрационных устройств (цементационной завесы, дренажа, шпунта, понура и т.п.) на участке длины плотины, равном не менее ширины одной секции (а для неразрезных плотин - на участке длины плотины не менее половины ее ширины по подошве), или нарушением проектного состояния подземного контура сооружения в случае строительства плотины на основании с многолетнемерзлыми грунтами по принципу I или II (см. 4.4), при НПУ и уровне в нижнем бьефе, соответствующим минимальному по технологическим и экологическим требованиям расходу (взамен 7.2, б, е, ж).
в) температурные воздействия, определяемые для года с максимальной амплитудой колебаний среднемесячных температур наружного воздуха (взамен 7.2, д);
г) давление льда, определяемое при максимальной многолетней толщине льда обеспеченностью 1% (взамен 7.2, и);
д) нагрузки воздействия от максимальных волн в расчетном шторме с редкой повторяемостью (взамен 7.2, з);
е) сейсмические воздействия;
ж) геодинамические воздействия.
7.4 Состав особых нагрузок, учитываемых в расчетах плотин на особое сочетание, определяется проектной организацией в зависимости от особенностей конструкции проектируемого сооружения и условий его строительства и эксплуатации.
В основные и особые сочетания нагрузок и воздействий следует включать только те из кратковременных нагрузок и воздействий (7.2, ж, з, и, к, л), которые могут действовать одновременно.
7.5 При определении величины пригрузки основания водой в верхнем бьефе (7.2, б, ж; 7.3, а, б) необходимо учитывать разницу в давлении воды на основание до и после возведения сооружения.
7.6 Нагрузки и воздействия для строительного периода плотины и ремонтного случая следует принимать по основному и особому сочетаниям, а величины этих нагрузок и воздействий должны определяться в зависимости от конкретных условий возведения и ремонта сооружения.
7.7 Нагрузки и воздействия должны приниматься в наиболее неблагоприятных, но возможных сочетаниях отдельно для эксплуатационного и строительного периодов.
7.8 Коэффициент надежности по нагрузкам при расчете плотины следует принимать в соответствии с СП 58.13330.
7.9 При расчете общей прочности и устойчивости плотин коэффициенты надежности по нагрузке для собственного веса, температурных, влажностных и динамических воздействий, а также для всех грунтовых нагрузок при расчетных значениях характеристик грунтов tgφI,II, cI,II, γI,II, определенных в соответствии с СП 23.13330, должны приниматься равными единице.
7.10 Плотность бетона для плотин I, II и III классов следует определять на основе результатов испытания образцов, изготовленных из подобранных составов бетона.
Плотность бетона для плотин IV класса - во всех случаях, а для плотин I, II и III классов - на предварительных стадиях проектирования, следует принимать по таблице 4.
При отсутствии данных о плотности заполнителя плотность бетона следует принимать при плотности заполнителя 2650-2700 кг/м3.
|
Плотность заполнителей, кг/м3 |
Плотность бетона, кг/м3, при максимальной крупности заполнителей, мм | |||
|
20 |
40 |
80 |
120 | |
|
2550-2600 |
2290 ---------- 2240 |
2330 ---------- 2290 |
2370 ---------- 2320 |
2390 ---------- 2340 |
|
2600-2650 |
2320 ---------- 2280 |
2370 ---------- 2320 |
2410 ---------- 2360 |
2430 ---------- 2380 |
|
2650-2700 |
2360 ---------- 2310 |
2400 ---------- 2360 |
2450 ---------- 2400 |
2470 ---------- 2420 |
|
2700-2750 |
2390 ---------- 2340 |
2440 ---------- 2390 |
2490 ---------- 2440 |
2500 ---------- 2460 |
|
A0, % |
2,0 |
1,0 |
0,5 |
0,3 |
|
Примечания 1 В числителе приведены значения плотности вибрированного бетона, в знаменателе - укатанного бетона. 2 При применении воздухововлекающих добавок (например, для бетона наружных зон плотины, где по условиям обеспечения морозостойкости предусмотрена марка бетона F200 и выше) приведенные значения плотности бетона следует умножать на величину
где A0 - содержание вовлеченного воздуха в бетоне без воздухововлекающих добавок, AB - содержание вовлеченного воздуха в бетоне с воздухововлекающими добавками. 3 В случаях применения заполнителей с плотностью 2500-2550, 2450-2500 и 2350-2450 кг/м3 приведенные в таблице значения плотности бетона с плотностью заполнителей 2550-2600 кг/м3 следует умножить на коэффициенты 0,98; 0,97 и 0,95 соответственно. 4 При отсутствии данных о плотности заполнителя плотность бетона следует принимать при плотности заполнителя 2650-2700 кг/м3. | ||||
7.11 Интенсивность давления воды на наружные грани плотины следует принимать равной p'(l-α2,d), где p' - гидростатическое давление, Па; α2,d - коэффициент эффективной площади противодавления в материале плотины, определяемый в соответствии с 7.15.
Примечание - При определении давления воды на наружные грани плотины следует принимать α2,d=0 в тех случаях, когда согласно указаниям 7.13 силовое воздействие фильтрующейся воды в водонасыщенных зонах плотины не учитывается.
7.12 Интенсивность давления воды на свободные поверхности основания в верхнем и нижнем бьефах (пригрузка основания) следует принимать равной p'(l-α2,f), где α2,f - коэффициент эффективной площади противодавления в грунте основания, 7.15.
Пригрузку основания в верхнем и нижнем бьефах допускается не учитывать в расчетах устойчивости и прочности:
плотин всех классов высотой менее 25 м, расположенных на скальном основании;
плотин I-III классов высотой более 25 м, расположенных на скальном основании, - на предварительных стадиях проектирования;
плотин IV класса, расположенных на нескальном грунте;
плотин I-III классов, расположенных на нескальных грунтах, - на предварительных стадиях проектирования.
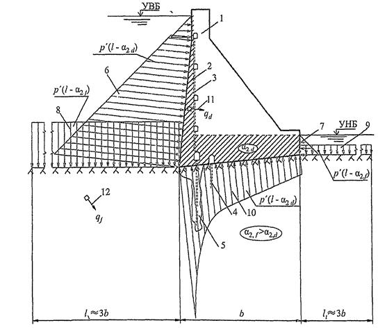
7.13 Силовое воздействие фильтрующейся воды следует учитывать в виде (рисунок 6):
а) поверхностных сил интенсивностью p(α2,f-α2,d), приложенных по нормали к подошве плотины (противодавление, рисунок 6, позиция 11), где p - гидродинамическое давление в потоке фильтрующейся воды, определенное в соответствии с 7.14;
б) объемных сил в основании плотины интенсивностью
, причем горизонтальная qfx и вертикальная qfy проекции вектора
равны:
;
.
При этом удельный вес грунта основания принимается в водонасыщенном состоянии.
При α2,f=const в расчетной области основания интенсивность объемных сил равна
, где
- градиент гидродинамического давления, 7.14;
в) объемных сил в водонасыщенных зонах плотины (рисунок 6, позиция 11), включающих части сооружения, расположенных между напорной гранью и дренажом и между подошвой плотины и уровнем нижнего бьефа интенсивностью q̅d, причем горизонтальная qdx и вертикальная qdy проекции вектора q̅d равны:
,
.
При этом удельный вес бетона принимается в водонасыщенном состоянии.
При α2,d=const в расчетной области водонасыщенных зон плотин интенсивность объемных сил равна q̅d=-I̅pα2,d.
Силовое воздействие фильтрующейся воды следует учитывать в полном объеме:
в расчетах прочности и устойчивости плотин I-III классов высотой более 25 м, расположенных на скальном основании;
допускается учитывать только в виде противодавления и объемных сил в основании:
в расчетах прочности и устойчивости плотин I-III классов, расположенных на нескальном основании,
допускается учитывать только в виде противодавления:
в расчетах прочности и устойчивости плотин всех классов высотой не более 25 м, расположенных на скальном основании;
в расчетах прочности и устойчивости плотин IV класса, расположенных на нескальном основании.
Примечания
1 В тех случаях, когда силовое воздействие фильтрующейся воды учитывается только в виде противодавления и объемных сил в основании или только в виде противодавления, следует принимать α2,d=0.
2 В тех случаях, когда силовое воздействие фильтрующейся воды учитывается только в виде противодавления, удельный вес грунта принимают во взвешенном состоянии.
Если в водонасыщенных частях плотины и основания значения коэффициента α2 изменяются скачкообразно от значения α'2 до значения α''2, причем α'2>α''2, то на границе областей с различными значениями α2 следует прикладывать нормальные к линии раздела областей поверхностные силы интенсивностью p(α'2-α''2), направленные в сторону области с α''2 (пример - контактное сечение, см. рисунок 6).
Примечание - Под коэффициентом α2 следует принимать коэффициент α2,d для водонасыщенных частей плотины и α2,f для водонасыщенных областей основания.

1 - сухая часть плотины; 2 - водонасыщенная часть плотины; 3 - дренаж плотины; 4 - дренаж основания; 5 - цементационная завеса; 6 - давление на верховую грань плотины; 7 - давление на низовую грань плотины; 8 - пригрузка основания со стороны верхнего бьефа; 9 - пригрузка основания со стороны нижнего бьефа; 10 - противодавление по подошве плотины; 11 – объемные силы фильтрующейся воды в водонасыщенных зонах плотины; 12 - объемные силы фильтрующейся воды в основании
Рисунок 6. Схема силового воздействия воды
7.14 Значения гидродинамического давления p и его градиента
в потоке фильтрующейся воды в расчетных областях фильтрации основания и тела плотины определяются фильтрационными расчетами согласно 8.20-8.25.
На наружных гранях плотины и свободных поверхностях основания в верхнем и нижнем бьефах значения p совпадают с величиной гидростатического давления.
На линии, разделяющей водонасыщенную и сухую части плотины (кривая депрессии), p=0.
На подошве плотины гидродинамическое давление, Па, определяется по формуле
p=(hν+hf)γw, (4)
где hν - ордината пьезометрического напора в рассматриваемой точке под взвешивающими воздействиями нижнего бьефа, м;
hf - то же при фильтрации под действием расчетного напора, м;
γw - удельный вес воды, Н/м3.
Значения hν определяются как разность отметок уровня воды в нижнем бьефе и рассматриваемой точке.
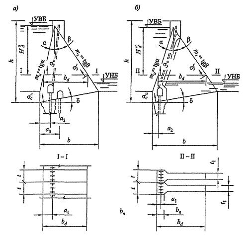
Для плотин высотой менее 60 м на скальных основаниях значения hf допускается находить по эпюрам, приведенным на рисунке 7, при этом величину hf по оси противофильтрационной завесы Hαs и по оси дренажных устройств Hdr следует принимать по таблице 5.
|
Виды плотин |
Значения Hαs/Hd и Hdr/Hd при сочетании нагрузок на плотины | |||||
|
основные и особые при ФПУ и нормальной работе противофильтрационных и дренажных устройств |
особые в случае нарушения нормальной работы противофильтрационных и дренажных устройств | |||||
|
плотины с цементационной завесой |
плотины без цементационной завесы |
плотины с цементационной завесой |
плотины без цементационной завесы | |||
|
Hαs/Hd |
Hdr/Hd |
Hdr/Hd |
Hαs/Hd |
Hdr/Hd |
Hdr/Hd | |
|
Гравитационные без полостей у основания (рисунок 7, а и б) классов: | ||||||
|
I |
0,40 |
0,20 |
0,20 |
0,50 |
0,30 |
0,40 |
|
II |
0,40 |
0,15 |
0,15 |
0,50 |
0,20 |
0,30 |
|
III и IV |
0,30 |
0,05 |
0,05 |
0,35 |
0,10 |
0,10 |
|
Гравитационные с продольной полостью у основания (рисунок 7, в) I-IV классов |
0,30 |
0,10 |
0,10 |
0,35 |
0,15 |
0,20 |
|
Гравитационные с расширенными швами и массивно-контрфорсные (рисунок 7, г) I-IV классов |
0,20 |
0,05 |
0,05 |
0,25 |
0,10 |
0,10 |
|
Арочные (рисунок 7, е) I-IV классов |
0,40 |
0,20 |
0,20 |
0,60 |
0,35 |
0,40 |
|
Примечание - Для контрфорсных плотин с плоским или арочным перекрытием эпюра пьезометрического напора при фильтрации под действием расчетного напора Hd принимается по треугольнику с ординатой hf=0 на низовой грани верхового клина плотины (рисунок 7, д). | ||||||
7.15 Значения коэффициентов α2,d и α2,f следует принимать по таблице 5а.
Следует принимать α2,d=0 в случаях:
расчетов устойчивости плотин всех классов и видов;
расчетов прочности плотин всех классов с гидроизолирующим экраном на напорной грани;
расчетов прочности плотин всех классов, расположенных на нескальном основании.
Допускается принимать α2,d=0 в расчетах прочности плотин II, III, IV классов, расположенных на скальном основании.
|
Характеристика бетона, грунтов основания и их напряженного состояния |
Коэффициенты α2,d и α2,f на стадии проектирования | |
|
Проект, рабочее проектирование |
Предварительная стадия | |
|
Бетон при наличии растягивающих напряжений |
1,0 |
1,0 |
|
Бетон в условиях осевого или двухосного сжатия |
По результатам экспериментальных исследований |
0,40 |
|
Бетон в условиях объемного сжатия |
По результатам экспериментальных исследований |
α2,d=0,5(1-σ1/Rb) |
|
Бетон мерзлый |
0,0 |
0,0 |
|
Крупнообломочные, песчаные, полускальные сильнотрещиноватые грунты (независимо от характера их напряженного состояния), а также скальные в растянутой зоне |
1,0 |
1,0 |
|
Трещиноватые скальные грунты в зоне сжатия |
По результатам экспериментальных исследований |
0,75 |
|
Слабо- и среднетрещиноватые скальные грунты в зоне сжатия |
По результатам экспериментальных исследований |
0,60 |
|
Плотные глинистые и суглинистые грунты |
По результатам экспериментальных исследований |
0,50 |
|
Любой грунт в мерзлом состоянии |
0,0 |
0,0 |
|
Примечание - Экспериментальные исследования по определению коэффициента α2,d для бетона и α2,f для грунтов основания следует проводить с учетом водопроницаемости исследуемых материалов, режима заполнения и колебаний уровня воды водохранилища, эффективности противофильтрационных устройств на напорной грани, в швах плотины и в основании, включая береговые примыкания. | ||
7.16 При расчете устойчивости плотины давление наносов Pws, кН, со стороны верхнего бьефа на 1 м длины сооружения допускается определять по формуле
, (5)
где γws - удельный вес грунта наносов во взвешенном состоянии, кН/м3;
hws - высота наносов перед плотиной, м;
φws - угол внутреннего трения грунта наносов, град.
При учете давления наносов рекомендуется учитывать изменение по глубине их физико-механических характеристик, определяемых для конкретного гидроузла на основании исследований или принимаемых по аналогу.
7.17 Температурные воздействия следует принимать по данным многолетних наблюдений за температурой воздуха и грунтов основания в створе плотины и прогноза температуры воды в водохранилище, выполненного по материалам наблюдений на водохранилищах-аналогах или расчета.
Температурные воздействия фильтрующейся воды в основании плотины разрешается принимать на основе линейной интерполяции между температурой воды придонного слоя водохранилища со стороны верхнего бьефа и температурой воды водотока со стороны нижнего бьефа.
При проектировании бетонных и железобетонных плотин на основаниях с многолетнемерзлыми грунтами в состав расчетного обоснования проектов следует включить:
а) температурные расчеты по определению эксплуатационного состояния плотины и основания без их искусственного подогрева или охлаждения в процессе эксплуатации независимо от выбора принципа строительства плотины (см. 4.4);
б) теплотехнические расчеты для назначения мер по эксплуатационному охлаждению или подогреву сооружения и основания в случае выбора строительства по принципу I или принципу II а (см. 4.4).
Расчеты выполняются с учетом зависимости теплофизических характеристик грунта от его температуры, теплового влияния фильтрующейся воды и теплоты фазовых преобразований в грунте.
Примечание - Полный состав температурных факторов, учитываемых в расчетах сооружения на температурные воздействия, включает: начальный режим твердения бетона, температуру омоноличивания строительных швов, остывание кладки до среднемноголетней эксплуатационной температуры плотины и сезонные колебания температуры наружного воздуха и воды в водохранилище.
7.18 Динамические нагрузки при осуществлении сбросов воды следует определять для плотин I и II классов по результатам расчетов и экспериментальных исследований, для плотин III и IV классов - по результатам расчетов или аналогам.
7.18а При проектировании бетонных и железобетонных плотин сейсмические воздействия следует учитывать в соответствии с СП 358.1325800.
7.18б Геодинамические воздействия представляют собой, в первую очередь, передачу на сооружение давления грунтовых массивов при следующих явлениях:
- тектонические движения по разломам скальных массивов, расположенных в основании сооружения или в непосредственной близости от него;
- крип и оползни береговых примыканий с навалом береговых грунтовых массивов на сооружение;
- циклические вертикальные и горизонтальные подвижки основания и береговых примыканий вследствие значительных сезонных изменений уровня верхнего бьефа.
При анализе влияния указанных выше процессов на состояние сооружения следует учитывать снижение значений параметров сопротивления сдвигу пород основания и береговых примыканий, происходящее вследствие деструктивных изменений в структуре горных пород при ежегодных колебаниях их напряженно-деформированного состояния и степени водонасыщения.
7.19 Поровое давление в грунтах учитывается при проверке устойчивости на сдвиг и прогнозе осадок плотины при возведении ее на глинистых грунтах со средним коэффициентом фильтрации менее 10-2 м/сут и коэффициентом водонасыщения более 0,8.

а - гравитационная плотина с противофильтрационной завесой и дренажом в основании; б - гравитационная плотина без противофильтрационной завесы, но с дренажом в основании; в - гравитационная плотина с широкими швами и массивно-контрфорсная плотина с противофильтрационной завесой и дренажом в основании; г - контрфорсная плотина с плоским перекрытием и с противофильтрационной завесой в основании; д - арочная плотина с противофильтрационной завесой и дренажом в основании
Рисунок 7 - Эпюры пьезометрического напора по подошве плотины
8.1 Расчеты бетонных и железобетонных плотин должны производиться в соответствии с СП 58.13330; СП 23.13330; СП 41.13330 и требованиями данного раздела.
8.2 Расчеты бетонных и железобетонных плотин надлежит производить по методу предельных состояний:
предельные состояния первой группы (по непригодности к эксплуатации) - расчеты сооружения на общую прочность и устойчивость, а также на местную прочность его элементов;
предельные состояния второй группы (по непригодности к нормальной эксплуатации) - расчеты сооружения по образованию трещин и деформациям, а также по раскрытию строительных швов в бетонных и трещин в железобетонных конструкциях.
8.3 Расчеты на общую прочность и устойчивость по деформациям и раскрытию трещин, а также по раскрытию строительных швов с учетом очередности возведения плотины должны выполняться для всей плотины в целом или для отдельных ее секций (или отдельных столбов).
8.4 Расчеты на местную прочность и по образованию трещин следует проводить для отдельных конструктивных элементов сооружения; для бетонных конструкций расчеты по образованию трещин следует выполнять для блоков бетонирования и отдельных конструктивных бетонных элементов, ограниченных строительными и конструктивными швами.
8.5 Расчеты плотин, их оснований и отдельных элементов на прочность и устойчивость должны производиться для наиболее неблагоприятных расчетных случаев эксплуатационного и строительного периодов с учетом последовательности возведения и нагружения плотины и прогноза изменения температурного состояния сооружения.
В проекте должна предусматриваться очередность возведения плотины и ее отдельных элементов, при которой усилия, возникающие в строительный период, не вызывают необходимости в дополнительном армировании или другом утяжелении сооружения.
8.6 В тех случаях, когда проектом предусмотрены возведение и сдача в эксплуатацию гидроузла отдельными очередями (пусковыми комплексами), плотину следует возводить на полный профиль по ширине до отметки верхнего бьефа, соответствующей уровню заполнения водохранилища на данном пусковом этапе. При этом подъем уровня верхнего бьефа допускается только после омоноличивания бетонной кладки до проектной отметки верхнего бьефа данного пускового комплекса.
Расчеты прочности и устойчивости части плотин (для пускового профиля) всех классов каждого пускового комплекса следует проводить на все нагрузки и воздействия, установленные для рассматриваемого этапа строительства. При этом на каждом пусковом комплексе должно обеспечиваться выполнение условий прочности и устойчивости плотины.
8.7 Расчеты плотин на полный состав нагрузок и воздействий эксплуатационного периода выполняются методами теории упругости и геомеханики с учетом возможного раскрытия строительных (горизонтальных) межблочных швов на низовой и верховой гранях сооружений и контактного шва сооружения с основанием.
8.8 При определении напряженно-деформированного состояния плотины и основания следует учитывать:
неоднородность основания и наличие в нем трещин и разломов, а также многолетнемерзлых пород (сплошная или островная мерзлота);
неоднородность свойств бетона в теле плотины (в том числе анизотропию укатанного бетона);
возможность раскрытия строительных швов и трещин в сооружении и нарушения сплошности основания в растянутых зонах;
очередность возведения, способы и сроки омоноличивания плотины;
наличие ориентированных вдоль оси плотины полостей (продольные галереи, помещения машинного зала гидроэлектростанций и т.д.) в случае, если максимальный из габаритных размеров поперечного сечения полости составляет более 10% ширины подошвы плотины;
наличие ориентированных в вертикальном направлении или вдоль потока полостей (расширенные швы, турбинные водоводы, поперечные галереи и т.д.) в случае, если площадь горизонтального сечения полости составляет более 5% площади горизонтального расчетного сечения плотины.
8.9 В тех случаях, когда в сооружении возможно раскрытие строительных швов, появление и раскрытие трещин, а в основании - нарушение сплошности в зонах растяжения, должен производиться расчет сооружения на прочность по образующимся вторичным схемам.
8.10 Зоны и величина раскрытия швов (деформационных и строительных) и трещин на верховой и низовой гранях плотины определяются с учетом собственного веса сооружения, гидростатического давления и температурных воздействий во время строительного и эксплуатационного периодов. При этом используются методы механики разрушения и соответствующие программные комплексы.
8.10а Расчеты бетонных и железобетонных плотин на сейсмические воздействия следует выполнять в соответствии с СП 358.1325800.
8.11 При расчетах общей прочности и устойчивости плотины, а также местной прочности отдельных элементов должно соблюдаться следующее условие, обеспечивающее недопущение наступления предельных состояний:
γnγlcF≤γcdR, (6)
где γn, γlc, γcd - коэффициенты, принимаемые согласно СП 58.13330;
F, R - соответственно расчетные значения обобщенного силового воздействия и обобщенной несущей способности сооружения.
8.12 При расчетах бетонных и железобетонных плотин необходимо вводить следующие коэффициенты:
коэффициент надежности по ответственности (назначению) сооружения γn и коэффициент сочетаний нагрузок γlc, принимаемые согласно СП 58.13330;
коэффициент условий работы γcd, принимаемый по таблице 6.
Для расчетного случая, определяющего объем сооружения, правая часть неравенства (6) должна превышать его левую часть не более чем на 10%.
|
Виды расчетов плотин и факторы, обуславливающие введение коэффициентов условий работы |
Коэффициент условий работы γcd |
|
1 Расчеты устойчивости бетонных и железобетонных плотин на полускальных и нескальных основаниях |
1 |
|
2 Расчеты устойчивости гравитационных и контрфорсных плотин на скальных основаниях: | |
|
а) для поверхностей сдвига, проходящих по трещинам в массиве основания |
1 |
|
б) для поверхностей сдвига, проходящих по контакту бетон-скала и в массиве основания частично по трещинам, частично по монолиту |
0,95 |
|
3 Расчеты устойчивости береговых упоров арочных плотин |
0,75 |
|
4 Расчеты общей и местной прочности бетонных и железобетонных плотин и их элементов для случаев, когда определяющей является прочность бетона в конструкциях: | |
|
а) бетонных: | |
|
для основного сочетания нагрузок и воздействий; |
0,9 |
|
для особых сочетаний нагрузок и воздействий без учета сейсмических; |
1 |
|
то же, с учетом сейсмических |
1,1 |
|
б) железобетонных - плитных и ребристых при толщине плиты (ребра) 60 см и более |
1,15 |
|
в) железобетонных - плитных и ребристых при толщине плиты (ребра) менее 60 см |
1 |
|
5 То же, для случаев, когда определяющей является прочность ненапрягаемой арматуры: | |
|
а) железобетонных элементов |
1,1 |
|
б) сталежелезобетонных конструкций |
0,8 |
|
Примечания 1 При расчете устойчивости плотин с учетом сейсмических воздействий на уровне MPЗ значения коэффициентов γcd в позициях 1 и 2 таблицы умножаются на коэффициент 1,10. 2 При расчетах прочности и устойчивости арочных и арочно-гравитационных плотин коэффициенты условий работы, приведенные в настоящей таблице, следует дополнительно умножать на коэффициент γcda, значения которого приведены в таблице 11. 3 При расчетах общей и местной прочности бетонных и железобетонных плотин всех видов для случаев, когда определяющей является прочность напрягаемой арматуры, а также при учете многократно повторяющихся нагрузок на элементы плотин, коэффициенты условий работы принимаются согласно СП 41.13330. | |
8.13 В расчетах бетонных плотин на общую прочность и по деформациям в случаях, когда в расчетной схеме профиля сооружения наличие швов не учитывается, расчетное значение модуля деформации бетонной кладки плотины Ebd следует принимать:
для плотин, возводимых столбчатыми массивами или с перевязкой блоков бетонирования
Ebd=Eb[1-0,04(nj-njs)]; (8)
для плотин, возведенных послойным методом бетонирования
; (9)
где Eb - начальный модуль упругости бетона, МПа;
nj - число вертикальных швов бетонирования на подошве плотины;
njs - число межстолбчатых или межсекционных швов, для которых применены меры их технологического обжатия;
hbl - высота блока бетонирования, м.
При этом в статических расчетах расчетный модуль деформации Ebd, МПа, должен быть в пределах 0,65Eb≤Ebd≤35000.
Для динамических расчетов модуль деформации бетонной кладки должен назначаться с учетом указаний СП 14.13330; при этом значение Ebd должно быть ограничено величиной 45000 МПа.
8.14 В расчетах бетонных плотин на общую прочность при включении раскрытых швов в расчетную схему сооружения расчетное значение модуля деформации бетонной кладки следует принимать равным Eb (или его значение определяется непосредственно в самом сооружении). Эти же значения модуля упругости бетона следует принимать также в расчетах термонапряженного состояния плотины и раскрытия трещин и строительных швов, а также в расчетах напряженного состояния сооружения по данным натурных наблюдений.
8.15 В расчетах прочности железобетонных элементов плотин расчетное значение модуля деформации Ebd следует принимать равным начальному модулю упругости бетона Eb, определяемому в соответствии с СП 41.13330.
8.16 Начальный модуль упругости бетона Eb в возрасте t менее 180 сут следует определять по формуле
, (10)
где a - безразмерный параметр, принимаемый по таблице 7.
При возрасте бетона 180 сут и более начальный модуль упругости бетона допускается принимать по таблице 8.
8.17 Расчетные сопротивления бетона снижаются (или повышаются) путем умножения на коэффициенты условий работы бетона γbi, учитывающие влияние на прочность бетона таких факторов, как сочетания нагрузок, градиенты деформаций по сечению, формы поперечного сечения элемента, сложное напряженное состояние, строительные швы, многократное повторение действия нагрузок и других. Значения коэффициентов γbi определяются в соответствии с СП 41.13330.
8.18 При проектировании поверхностных и глубинных водосбросных отверстий плотин следует выполнять расчет прочности опорных конструкций затворов (пазов, консолей и т.п.). Расчеты прочности этих конструкций следует выполнять методами теории упругости с учетом совместной работы стальных опорных деталей и бетонного основания.
|
Осадка конуса бетонной смеси, см |
Максимальный размер крупного заполнителя Dmax, мм |
Параметр a при проектном классе бетона по прочности на сжатие | |||||||||
|
В5 |
В7.5 |
В10 |
В12.5 |
В15 |
В20 |
В25 |
В30 |
В35 |
В40 | ||
|
40 |
27 |
37 |
45 |
54 |
62 |
77 |
90 |
106 |
126 |
146 | |
|
<4,0 |
80 |
32 |
44 |
56 |
66 |
77 |
98 |
116 |
133 |
154 |
171 |
|
120 |
37 |
52 |
66 |
77 |
90 |
116 |
139 |
162 |
191 |
216 | |
|
40 |
20 |
28 |
35 |
41 |
47 |
58 |
68 |
80 |
94 |
106 | |
|
4-8 |
80 |
25 |
37 |
42 |
50 |
58 |
71 |
86 |
102 |
121 |
139 |
|
120 |
29 |
40 |
50 |
60 |
68 |
86 |
102 |
116 |
139 |
154 | |
|
40 |
12 |
15 |
18 |
22 |
26 |
35 |
42 |
50 |
58 |
64 | |
|
>8 |
80 |
14 |
19 |
24 |
29 |
33 |
42 |
52 |
60 |
67 |
72 |
|
120 |
17 |
23 |
29 |
35 |
40 |
50 |
60 |
68 |
74 |
80 | |
|
Осадка конуса бетонной смеси, см |
Максимальный размер крупного заполнителя Dmax, мм |
Начальные модули упругости бетона при сжатии и растяжении Eb·10-3, МПа, при проектном классе бетона по прочности на сжатие | |||||||||
|
В5 |
В7.5 |
В10 |
В12.5 |
В15 |
В20 |
В25 |
В30 |
В35 |
В40 | ||
|
<4,0 |
40 |
23,5 |
28,0 |
31,0 |
33,5 |
35,5 |
38,5 |
40,5 |
42,5 |
44,5 |
46,0 |
|
80 |
26,0 |
30,5 |
34,0 |
36,5 |
38,5 |
41,5 |
43,5 |
45,0 |
46,5 |
47,5 | |
|
120 |
28,0 |
33,0 |
36,5 |
38,5 |
40,5 |
43,5 |
45,5 |
47,0 |
48,5 |
49,5 | |
|
4-8 |
40 |
19,5 |
24,0 |
27,0 |
29,5 |
31,5 |
34,5 |
37,0 |
39,0 |
41,0 |
42,5 |
|
80 |
22,5 |
28,0 |
30,0 |
32,5 |
34,5 |
37,5 |
40,0 |
42,0 |
44,0 |
45,5 | |
|
120 |
24,5 |
29,0 |
32,5 |
35,0 |
37,0 |
40,0 |
42,0 |
43,5 |
45,5 |
46,5 | |
|
>8 |
40 |
13,0 |
16,0 |
18,0 |
21,0 |
23,0 |
27,0 |
30,0 |
32,5 |
34,5 |
36,0 |
|
80 |
15,0 |
19,0 |
22,0 |
24,5 |
26,5 |
30,0 |
33,0 |
35,0 |
36,5 |
37,5 | |
|
120 |
17,5 |
21,5 |
24,5 |
27,0 |
29,0 |
32,5 |
35,0 |
37,0 |
38,0 |
39,0 | |
8.18а При назначении прочностных, деформационных и фильтрационных характеристик грунтов оснований бетонных и железобетонных плотин и при выборе расчетных схем следует обращать особое внимание на неоднородность основания и наличие в грунтовых массивах различных зон ослабления:
в основаниях из нескальных грунтов - областей из просадочных грунтов, из грунтов мягкопластичной или текучей консистенции, заторфованных грунтов, грунтов рыхлого сложения;
в многолетнемерзлых грунтах - горизонтов с повышенной льдистостью и зон контактов мерзлых и талых грунтов, а также пород (сплошная или островная мерзлота), оттаивающих в процессе эксплуатации;
в основаниях из скальных грунтов - наличие крупных трещин и разломов, систем мелких и средних трещин, выветрелых и сильно выветрелых областей и зон разгрузки, распученных зон в мерзлых грунтах.
8.19 Расчеты общей фильтрационной прочности грунтов основания следует производить при осредненных градиентах напора в расчетной области фильтрации в соответствии с СП 23.13330.
8.20 Расчеты местной прочности противофильтрационных элементов плотин (понура, зубьев, инъекционной завесы) и грунта основания следует производить в соответствии с СП 23.13330 при критических градиентах напора:
на участке выхода фильтрационного потока в нижний бьеф и в дренажные устройства;
на границе неоднородных грунтов;
в местах расположения крупных трещин;
на границе мерзлых и талых пород (в основании и берегах);
на участках расположения островной мерзлоты.
8.21 Проверку отсутствия высачивания подземных вод на склоны и подтопления окружающей сооружение территории следует производить посредством сопоставления расчетных и допустимых уровней депрессионной поверхности фильтрационного потока.
8.22 Фильтрационные расчеты тела плотины и основания допускается в большинстве случаев выполнять, считая фильтрацию подчиняющейся линейному закону и режим ее установившимся. При быстро изменяющихся уровнях воды в бьефах расчеты следует выполнять при неустановившемся режиме фильтрации. При расчетах фильтрации в трещиноватых бортах и основаниях необходимо рассматривать возможность возникновения турбулентной фильтрации.
8.23 Характеристики фильтрационного потока (уровни, давления, градиенты напора, расходы) для плотин I, II и III классов надлежит определять расчетом. При этом допускается принимать задачу:
для русловых участков плотины - двумерной в вертикальных разрезах;
для береговых участков - двумерной в плане и в вертикальных разрезах по линиям тока.
Для плотин IV класса и при предварительных расчетах плотин I, II и III классов характеристики фильтрационного потока допускается определять приближенными аналитическими методами (коэффициентов сопротивлений, фрагментов и др.).
8.24 При определении характеристик фильтрационного потока необходимо учитывать влияние:
дренажных и противофильтрационных устройств;
полостей и расширенных швов на контакте с основанием и потерн в теле плотины;
водопроницаемости бетона и строительных швов;
напряженно-деформированного состояния основания и тела плотины;
температуры подземных вод и их минерализации;
температурного режима основания и его прогноза и изменения фильтрационных характеристик грунтов во времени.
8.25 Гидравлические расчеты и исследования водопропускных (водосбросных, водовыпускных и водоспускных) сооружений выполняются для условий пропуска строительных и эксплуатационных расходов с целью:
определения пропускной способности;
обоснования рациональных очертаний, размеров и конструкций водопроводящих трактов и их механического оборудования;
установления режимов течения при различных расходах, уровнях верхнего и нижнего бьефов и открытиях затворов;
обоснования способов сопряжения бьефов и гашения энергии;
обоснования способов борьбы со сбойностью течения в нижнем бьефе;
определения гидродинамических нагрузок и воздействий на элементы трактов и механического оборудования;
обоснования способов пропуска льда, шуги, сора и других плавающих тел;
прогноза местных и общих деформаций русел в бьефах (включая заиление и занесение водохранилищ) и их влияния на изменение зависимости уровней воды от расходов;
разработки мероприятий по защите от опасного развития местных намывов, кавитации и кавитационной эрозии и, в необходимых случаях, мероприятий по борьбе с ними;
обоснования рациональных схем маневрирования затворами;
обоснования способов пропуска наносов;
разработки мероприятий по защите сооружений и оборудования от абразивного износа.
8.26 Гидравлические расчеты и исследования надлежит проводить на основной и поверочные расчетные случаи, устанавливаемые согласно СП 58.13330.
Другие расчетные случаи могут быть приняты при надлежащем обосновании.
8.27 Для обоснования технических решений, принимаемых при проектировании водопропускных устройств плотин I и II классов, в дополнение к расчетам следует проводить гидравлические исследования с использованием физических моделей, а для плотин III класса дополнительно к расчетам допускается использование объектов-аналогов.
9.1 Конструирование водосбросных бетонных и железобетонных плотин и их элементов на нескальных основаниях следует выполнять в соответствии с требованиями раздела 6 и указаниями настоящего раздела.
9.2 В водосбросных бетонных и железобетонных плотинах на нескальных основаниях надлежит различать следующие основные элементы (рисунок 8):
фундаментные плиты;
быки и устои;
водосливы и глубинные (донные) водосбросы;
деформационные швы и их уплотнения;
водобой, рисберма, переходное крепление;
противофильтрационные устройства (понур, шпунты, буробетонные сваи и стенки, зубья, противофильтрационные завесы);
дренажные устройства.
9.3 Водосбросные бетонные и железобетонные плотины на нескальных основаниях разбиваются температурно-осадочными швами на секции, включающие 1, 2, 3 и более водосбросных отверстий. Длина секций зависит от вида грунтов основания, его однородности и определяется на основании технико-экономического сопоставления вариантов.
Температурно-осадочные швы устраиваются, как правило, по оси быков.
При однородном основании допускается не разбивать плотину на секции, устраивая в отдельных случаях швы-надрезы.
9.4 Заглубление фундаментной плиты плотины в основание следует устанавливать с учетом требований статической устойчивости, гидравлических и фильтрационных условий.
При необходимости следует предусматривать устройство низового бетонного зуба или низового шпунтового ограждения.
9.5 Торец фундаментной плиты плотин с понуром из связных грунтов следует проектировать наклонным в сторону верхнего бьефа.
В пределах секции плотин следует предусматривать жесткое соединение быков с фундаментной плитой. Допускается предусматривать раздельное возведение быков и фундаментной плиты с последующим омоноличиванием швов.
9.6 Сопрягающий устой, входящий в состав береговой секции плотины, следует располагать, как правило, на общей с береговой секцией фундаментной плите. Допускается сопрягающий устой проектировать в виде подпорной стены, при этом в температурно-осадочном шве между устоем, водосливом и фундаментной плитой должны предусматриваться уплотнения.
9.7 Сопрягающие устои в пределах понура, водобоя и рисбермы следует проектировать в виде подпорных стен, с учетом использования их в качестве струенаправляющих конструкций.
9.8 При проектировании плотины, в зависимости от пролета водосливных отверстий, климатических и инженерно-геологических условий района строительства следует предусматривать жесткую заделку водослива в быки или устройство между ними температурных швов, прорезающих водослив в плоскости боковой грани быка от гребня до верха фундаментной плиты. При водосливных отверстиях пролетом более 30 м следует предусматривать устройство температурных швов в теле водослива.
9.9 Глубинные водосбросы плотин на нескальных основаниях надлежит проектировать в виде замкнутых железобетонных рам.
9.10 При проектировании водосбросных плотин на нескальных основаниях в качестве основной формы сопряжения бьефов следует принимать донный режим с затопленным гидравлическим прыжком, предусматривая в необходимых случаях устройство гасителей энергии и рассекателей потока.
При надлежащем обосновании допускается принимать поверхностный незатопленный или затопленный гидравлический прыжок.
9.11 При донном режиме сопряжения бьефов в качестве основных надлежит принимать следующие типы гасителей энергии:
сплошная водобойная стенка;
водобойный колодец;
водобойная стенка с расположенным ниже нее неглубоким водобойным колодцем;
прорезная водобойная стенка;
гаситель в виде нескольких рядов шашек или пирсов;
комбинированные из разных типов гасителей при надлежащем экспериментальном обосновании.
Конструкция гасителя и его размещение на водобое наряду с гашением энергии должны обеспечивать устойчивость потока и исключать опасность возникновения сбойных течений. Расстояние от сжатого потока до гасителя следует принимать равным от 3,0 до 4,5 высоты прыжка. Для обеспечения кавитационной безопасности гасителей следует предусматривать использование их безэрозионных форм или устанавливать их на большем расстоянии от сжатого сечения.
При поверхностном режиме сопряжения бьефов устойчивость режима течения в пределах крепления нижнего бьефа следует обеспечивать путем выбора соответствующих инженерных решений с использованием физической модели.
9.12 Окончательный выбор режима сопряжения бьефов необходимо выполнять на основании технико-экономического сравнения вариантов. Выбор должен производиться с учетом размещения и размеров гидроэлектростанции, судоходных и других сооружений, глубин в нижнем бьефе, конструкций водобоя, рисбермы и переходных креплений, условий возникновения кавитации, сбойности течения и прогноза деформаций русла в нижнем бьефе на различных этапах маневрирования затворами, а также условий пропуска строительных расходов.
9.13 Длина и профиль рисбермы, конструкция переходного крепления от рисбермы к незакрепленному руслу должны определяться на основе технико-экономического сопоставления вариантов, с учетом обеспечения неразмывающих скоростей потока в начале незакрепленного русла.
9.14 Для плотин I, II и III классов рисберму следует проектировать, как правило, в виде плит из монолитного бетона или железобетона.
Для плотин IV класса рисберму допускается предусматривать в виде каменной наброски, габионных сеток, сборных бетонных или железобетонных плит, соединенных между собой арматурой, металлическими плитами или другими компенсационными связями.
9.15 Толщина плит водобоя и рисбермы определяется расчетом из условия обеспечения их прочности и устойчивости против опрокидывания и всплытия и прочности под воздействием осредненных и пульсационных нагрузок. Необходимо предусматривать разрезку плит температурно-осадочными швами, дренирование подплитной области, устройство дренажных колодцев и др.
9.16 Тип и конструкцию дренажа подплитной области водобоя и рисбермы, размеры и размещение дренажных колодцев следует выбирать в зависимости от величины и распределения гидродинамического давления при различных сбросных расходах через плотину с учетом значений придонных скоростей. При этом должны быть исключены промораживание дренажных устройств, возникновение высокого осредненного и пульсационного давления в подплитной области и суффозионные явления в обратном фильтре и подстилающем грунте.
Допускается устраивать закрытые подплитные дренажи с выводом фильтрующейся воды в сопрягающих устоях, раздельных стенках, быках.
Выпуски дренажа должны размещаться в зонах пониженного давления, ниже минимального уровня нижнего бьефа.
В рисберме из сборных плит дренажные колодцы допускается не устраивать.
9.17 В конце бетонного крепления следует предусматривать устройства в виде вертикальной стены, предохранительного ковша, переходного деформируемого крепления или сочетания из этих конструкций (рисунок 8).
9.18 Вертикальные стены в конце рисбермы или водобоя (в виде бетонной или железобетонной стены, шпунтовой стены плоской или ячеистой конструкции буронабивных свай, ряжей, заполненных камнем и др.) следует проектировать на всю глубину возможного размыва грунта. Допускается устраивать вертикальную стену не на полную глубину размыва с участком переходного деформируемого крепления за ней.
9.19 Переходное деформируемое крепление надлежит проектировать в виде отдельных бетонных или железобетонных плит, шарнирно связанных между собой или с компенсационными связями; из гравийной или каменной наброски; габионных, фашинных креплений или иной конструкции тюфяков с пригрузкой их камнем или гравием, а также в виде сочетания этих типов креплений.
Тип крепления следует выбирать на основании сравнения технико-экономических показателей разработанных вариантов с учетом гидравлических условий, допустимой глубины размыва и других факторов, в частности, с учетом возможного криогенного пучения грунтов.
9.20 Подземный контур бетонных и железобетонных плотин на нескальных основаниях в зависимости от инженерно-геологических и геокриологических условий проектируется из следующих конструктивных элементов:
понура;
вертикальной преграды в виде шпунта, зуба или противофильтрационной завесы;
дренажа горизонтального или вертикального.
9.21 Надлежит рассматривать следующие основные схемы подземного контура:
1 - бездренажные фундаментная плита и понур;
2 - горизонтальный дренаж фундаментной плиты;
3 - горизонтальный дренаж под фундаментной плитой и понуром;
4 - вертикальная преграда, пересекающая водопроницаемое основание на всю его глубину;
5 - сочетание из понура, вертикальной преграды, не доходящей до водонепроницаемого слоя, и дренажа, устраиваемого за вертикальной преградой.
При наличии в основании плотины перемежающихся слоев песчаных и глинистых грунтов, а также напорных грунтовых вод следует рассматривать целесообразность устройства в подземном контуре плотины кроме дренажа под фундаментной плитой глубинных дренажных скважин.
9.22 Схему 1 следует применять при расположении плотины на песчаных грунтах и глубоком (более 20 м) залегании водоупора в случаях, когда общая устойчивость сооружения обеспечивается без специальных мер по снижению фильтрационного давления, а по условию фильтрационной устойчивости грунтов основания требуется предусматривать удлиненный подземный контур. В остальных случаях при указанных геологических условиях надлежит применять схему 2.
Схему 3 следует применять при наличии в основании глинистых грунтов, требующих для обеспечения устойчивости сооружения на сдвиг применения анкерного понура. При этом является обязательным устройство понурного шпунта или зуба.
Схему 4 надлежит применять при залегании водоупора на глубине не более 20 м. В этом случае понур допускается не предусматривать.
Схему 5 следует применять для плотин с напором более 10 м, возводимых на средних по проницаемости грунтах.

1 - паз ремонтного затвора; 2 - паз рабочего затвора; 3 - промежуточный бык; 4 - дренажная галерея; 5 – низовой участок фундаментной плиты; 6 - гасители энергии; 7 - водобой; 8 - рисберма; 9 - ковш; 10 – переходное деформируемое крепление; 11 - горизонтальный дренаж водобоя и рисбермы; 12 - дренажные колодцы; 13 - обратный фильтр; 14 - вертикальный дренаж основания; 15 – горизонтальный дренаж фундаментной плиты; 16 - верховой подплотинный шпунт; 17 - горизонтальный дренаж понура; 18 – понурный шпунт; 19 - надшпунтовая балка; 20 - крепление пригрузки; 21 - пригрузка понура; 22 - анкерный понур; 23 – гибкий участок анкерного понура; 24 - верховой участок фундаментной плиты; 25 - водослив; 26 - гребень водослива
Рисунок 8. Отдельные части и элементы водосливной плотины с анкерным понуром на нескальном основании
9.23 Понуры по конструкции следует принимать:
жесткими - в виде покрытий из бетона и железобетона;
гибкими - выполненные из грунтов, асфальтовых, полимерных и других материалов, отвечающих требованиям деформативности, водонепроницаемости, прочности, стойкости к химической агрессии;
смешанной конструкции из гибкого и жесткого участков (анкерные понуры).
9.24 Коэффициент фильтрации материала понура должен быть в 50 и более раз меньше коэффициента фильтрации грунтов основания.
Водонепроницаемые понуры следует предусматривать при грунтах основания из глины или суглинков.
Маловодопроницаемые понуры (с коэффициентом фильтрации К≤10-3 м/сут) - при песчаных грунтах и супесях.
Для плотин IV класса понур допускается устраивать преимущественно из местных материалов (суглинков, глин, торфа, разложившегося не менее чем на 50%).
9.25 Длину понура следует устанавливать на основании результатов расчетов фильтрационной прочности грунта основания и устойчивости плотины.
9.26 Толщина грунтового понура tα должна быть tα≥ΔHuαγn/Icr,m, но не менее 0,5 м,
где ΔHuα - потеря напора от начала подземного контура (от верхнего бьефа до рассматриваемого вертикального сечения понура);
Icr,m - критический средний градиент напора для материала понура, определяемый в соответствии с СП 39.13330;
γn - см. 8.11.
9.27 Гибкие водонепроницаемые понуры следует применять при возведении плотин на грунтах со значительной и неравномерной деформируемостью (лессовых, протаивающих, сильнольдистых и т.п.) и проектировать:
литыми - из последовательно наносимых слоев литого гидроизоляционного материала с прокладкой армирующей рулонной стеклоткани;
оклеенными - из рулонных гидроизоляционных материалов в несколько слоев, перекрывая каждым слоем стык нижерасположенного слоя.
9.28 Бетонные понуры следует проектировать в виде плит с гидроизоляцией по напорной грани и уплотнением швов между плитами и между понуром и граничащими сооружениями.
Для плотин IV класса при слабодеформируемых грунтах основания допускается применять бетонные понуры без гидроизоляционного покрытия. В этом случае толщину понура следует определять по критическому среднему градиенту напора для бетона Icr,m=30.
9.29 Анкерный понур, как правило, следует предусматривать для плотин, расположенных на глинистых грунтах.
Жесткие участки анкерного понура следует проектировать в виде железобетонной плиты с оклеенной или литой гидроизоляцией и с выпусками арматуры, заделываемой в анкеруемое сооружение.
Гибкий участок должен воспринимать все деформации (сдвиг и осадку), возникающие в месте контакта с анкеруемым сооружением, и сохранять при этом полную водонепроницаемость.
9.30 Для понуров всех видов, за исключением бетонных, следует предусматривать пригрузку их грунтом, предохраняемым от размыва креплением в виде бетонных плит или каменной наброски.
9.31 Подготовку основания под понур необходимо предусматривать:
для понуров из местных материалов при песчаных и супесчаных грунтах основания - уплотнением поверхности основания; в случае крупнообломочных грунтов основания - в виде песчаного переходного слоя толщиной не менее 10 см;
для бетонного или анкерного понуров - уплотнением поверхности основания и укладкой слоя бетона толщиной 5-10 см;
для понуров из асфальтовых или полимерных материалов - путем укладки слоя щебня или гравия, пропитанного битумом, или слоя бетона толщиной 5-10 см.
9.32 В сопряжениях понура с плотиной, с подпорными стенами, с раздельным устоем, с понурным шпунтом и в сопряжениях отдельных секций понура между собой необходимо предусматривать уплотнения согласно 6.29-6.31. При выборе конструкций уплотнений следует учитывать величины возможных деформаций граничащих сооружений.
9.33 Вид шпунта (металлического, железобетонного или деревянного) для устройства шпунтовой завесы следует выбирать в зависимости от инженерно-геологических условий, расчетного напора и глубины погружения.
При устройстве шпунтовой завесы в мерзлых грунтах основания необходимо предусматривать предварительное оттаивание грунтов.
Металлический шпунт для плотин, возводимых в северной строительно-климатической зоне, должен отвечать требованиям хладостойкости.
9.34 Общую глубину погружения шпунта следует принимать не менее 2,5 м, а глубину погружения шпунта в водонепроницаемый слой - не менее 1 м.
9.35 Передача силовых нагрузок от сооружения на противофильтрационные шпунтовые завесы не допускается.
9.36 Верховую подплотинную шпунтовую завесу следует предусматривать при отсутствии понура.
Применение бесшпунтовых схем подземного контура допускается в случае несвязных грунтов основания при наличии понура или при заглублении подошвы верхового зуба фундаментной плиты в водонепроницаемые грунты и при обеспечении низовым зубом фундаментной плиты фильтрационной прочности основания.
9.37 При применении в подземном контуре плотины висячих (не доходящих до водоупора) шпунтов расстояние между двумя смежными рядами шпунтов следует принимать не менее суммы глубин их погружения.
9.38 При проектировании плотин на нескальных основаниях следует предусматривать устройство бетонных и железобетонных верховых и низовых подплотинных зубьев в целях повышения их устойчивости.
Зубья как противофильтрационные преграды следует применять в случаях, когда применение шпунта невозможно по инженерно-геологическим условиям.
9.39 Температурно-деформационный шов между противофильтрационным зубом и фундаментной плитой плотины следует устраивать при надлежащем обосновании с учетом изменения свойств многолетнемерзлых грунтов при их оттаивании.
9.40 При песчаных и крупнообломочных грунтах основания следует предусматривать у верховой грани плотины противофильтрационную завесу или преграду, выполняемую в виде траншеи, заполненной бетоном или глинистым грунтом, буробетонной стенки.
Глубину противофильтрационной завесы, характеристики ее водонепроницаемости следует назначать в зависимости от напора на плотину, фильтрационных и суффозионных свойств грунта основания, требований по снижению противодавления на подошву плотины с учетом изменения свойств многолетнемерзлых грунтов при их оттаивании.
9.41 Толщина противофильтрационной завесы tc должна быть tc≥ΔHcγn/Icr,m, где ΔHc - потеря напора в данном сечении завесы;
γn - см. 8.11;
Icr,m - критический средний градиент напора на завесе.
В зависимости от вида грунтов основания величину Icr,m для завес следует принимать:
в мелкозернистых песках - 4;
в средне- и крупнозернистых песках - 5;
в гравийно-галечниковом грунте - 6.
9.42 Устройство горизонтального дренажа, выполняемого из крупнозернистого материала (щебня, гравия), геотекстильных материалов, пористого бетона и т.п., защищенных от заиления обратным фильтром, следует предусматривать: для плотин на глинистых грунтах основания, а также на песчаных грунтах в случаях, когда для обеспечения устойчивости плотин недостаточно устройства понура или вертикальной противофильтрационной преграды; под водобоем, рисбермой, плитами крепления откосов, особенно в зонах пульсационного и волнового воздействий, при наличии в основании плотины размыва.
9.43 Количество слоев обратного фильтра и зерновой состав надлежит определять согласно СП 39.13330.
Толщину слоя горизонтального дренажа следует назначать с учетом конструктивных особенностей плотины и производственных условий, но не менее 20 см.
9.44 Отвод воды из горизонтального дренажа следует предусматривать в дренах водобоя или посредством дренажной системы, проходящей через тело плотины, сопрягающий или раздельный устой, в нижний бьеф. Выходные отверстия дренажной системы следует предусматривать в местах со спокойным режимом потока и располагать ниже минимального уровня нижнего бьефа.
9.45 Расчеты плотин на нескальных основаниях на прочность и устойчивость следует производить в соответствии с указаниями раздела 8 и настоящего раздела.
9.46 Величины контактных напряжений по подошве плотин на нескальных основаниях, критерии и методы определения прочности основания следует определять согласно требованиям СП 23.13330 и настоящего раздела.
При раздельном возведении быков, устоев и фундаментной плиты плотины на основании из песчаных грунтов реакция основания полностью возведенного сооружения должна определяться с учетом последовательности возведения и загружения сооружения.
Для основания плотины из глинистых грунтов контактные напряжения следует определять с учетом перераспределения их во времени за счет ползучести грунтов и фильтрационной консолидации.
9.47 Секции плотин I, II и III классов следует рассчитывать на общую прочность как пространственные конструкции совместно с упругим основанием методами теории упругости с учетом перераспределения усилий вследствие трещинообразования в сооружении и деформаций в грунтах основания.
Предварительные расчеты прочности плотин I, II и III классов, а плотин IV класса - во всех случаях, допускается проводить, рассматривая их статическую работу, раздельно в поперечном (вдоль потока) и в продольном (поперек потока) направлениях в соответствии с требованиями 9.49.
9.48 В случаях, когда в схеме расчета плотины на общую прочность не учитываются особенности работы отдельных элементов (фундаментная плита, быки, водослив и др.) и приложения к ним местных нагрузок, указанные элементы следует дополнительно рассчитывать на местную прочность. Расчетные усилия, напряжения и количество арматуры в различных сечениях плотины следует определять с учетом результатов расчетов как общей прочности секции плотины, так и местной прочности отдельных элементов.
9.49 Расчет общей прочности плотины следует производить и в продольном, и в поперечном направлении.
9.50 Распределение полной горизонтальной сдвигающей силы между анкерным понуром и плотиной независимо от вида грунта основания надлежит определять с учетом упругой деформации грунта в их основании и растяжения арматуры понура. При этом на протяжении всей длины понура должно отсутствовать состояние предельного равновесия, т.е. должно соблюдаться условие
τmax<τlim=puatgφ+c,
где τmax - наибольшее касательное напряжение по подошве понура, МПа;
τlim - касательное напряжение по подошве понура, соответствующее состоянию предельного равновесия, МПа;
pua - интенсивность вертикального давления на понур, МПа;
φ, с - соответственно расчетные значения угла внутреннего трения, град, и удельного сцепления грунта основания, МПа.
В расчетах допускается принимать τmax=0,8τlim.
9.51 Горизонтальную силу, воспринимаемую понуром, следует учитывать при проверке устойчивости плотины на сдвиг при определения расчетного значения обобщенной силы предельного сопротивления сдвигу.
Плотина с анкерным понуром должна проектироваться таким образом, чтобы коэффициент запаса устойчивости плотины на сдвиг без учета усилия, воспринимаемого понуром, был не менее 1,0.
10.1 Конструирование гравитационных плотин и их элементов на скальных основаниях следует выполнять в соответствии с требованиями раздела 7 и указаниями настоящего раздела.
10.2 Исходный поперечный профиль гравитационной плотины должен иметь форму треугольника с вершиной на отметке нормального подпорного уровня воды.
10.3 При проектировании гравитационных плотин на скальных основаниях (рисунок 9) следует рассматривать техническую возможность и экономическую целесообразность применения наряду с массивными плотинами гравитационных плотин с расширенными швами (рисунок 1, б) и с продольной полостью у основания.
а)

б)

а - глухая плотина; б - водосливная плотина;
1 - гребень; 2 - напорная грань; 3 - низовая грань; 4 – противофильтрационная (обычно цементационная) завеса; 5 - дренаж скважины основания; 6 - дрены тела плотины; 7 – цементационная галерея; 8 - дренажная галерея; 9 - смотровые галереи; 10 - межсекционные швы; 11 – противофильтрационные уплотнения; 12 - гребень водослива; 13 – водосливная грань; 14 - носок-трамплин; 15 - промежуточный бык водосливной плотины; 16 - паз основного затвора; 17 - паз ремонтного (аварийно-ремонтного) затвора; 18 - подошва
Рисунок 9. Отдельные части и элементы гравитационных плотин на скальном основании
В плотинах с расширенными швами ширина шва должна быть не более половины ширины секции плотины.
Для массивных гравитационных плотин следует рассматривать возможность применения для внутренних зон малоцементного жесткого бетона, в том числе бетона, уплотняемого укаткой. Водонепроницаемость и долговечность такой плотины обеспечивается укладкой со стороны верхнего бьефа слоя из вибрированного бетона. Со стороны нижнего бьефа зона малоцементного жесткого бетона защищается слоем из вибрированного бетона или путем установки сборных бетонных блоков специальной формы.
Применение малоцементного укатанного бетона в районах с суровым климатом позволяет облегчить контроль над охлаждением бетонной смеси.
10.3а Исключен с 3 июня 2020 г. - Изменение N 2
10.3б Исключен с 3 июня 2020 г. - Изменение N 2
10.4 Для створов, в которых lch/h≤5 (где lch - ширина ущелья по хорде на уровне гребня плотины, h - высота плотины), следует рассматривать целесообразность применения наряду с плотинами с постоянными температурными швами (разрезные плотины) плотин с частично или полностью омоноличенными поперечными температурными швами или без швов (неразрезные плотины).
10.4а Для улучшения напряженного состояния наружных граней гравитационной плотины при надлежащем обосновании рекомендуется устраивать швы-надрезы. В этих случаях следует руководствоваться указаниями раздела 6.
Постоянные вертикальные швы-надрезы могут предусматриваться как дополнительное средство обеспечения трещиностойкости верховой и низовой граней разрезных плотин, имеющих межсекционные швы. Указанные швы-надрезы могут выполнять эту же роль в неразрезных плотинах.
10.5 Для повышения сейсмостойкости бетонных гравитационных плотин следует предусматривать:
уширение поперечного профиля плотины в нижних сечениях;
облегчение верхней части сооружений за счет применения оголовков облегченного типа (коробчатого, контрфорсного и т.п.);
использование топографии створа для устройства клиновой ("токтогульской") разрезки сооружения на секции;
армирование тела плотины.
Рекомендуется рассматривать возможность применения обжатия зоны напорной грани предварительно напряженными анкерами.
10.6 Для снижения фильтрационного противодавления в основании гравитационных плотин должно предусматриваться устройство дренажа основания.
10.7 В тех случаях, когда основание плотины сложено грунтами со средним коэффициентом фильтрации К≥0,1 м/сут, в составе подземного контура плотины должны предусматриваться противофильтрационные устройства (цементационная завеса, понур) и дренаж. При этом расстояние от напорной грани плотины до оси цементационной завесы должно быть, как правило, (0,10-0,25)b (где b - ширина подошвы плотины), если подземный контур плотины состоит только из цементационной завесы и дренажа.
Расстояние между дренажными и цементационными скважинами должно быть больше радиуса цементации и не менее 4 м.
С целью улучшения напряженного состояния приконтактной зоны плотины и основания рекомендуется рассматривать целесообразность устройства выносной цементационной завесы, короткого бетонного понура. Сопряжение понура с напорной гранью плотины следует осуществлять в соответствии с 9.33.
В тех случаях, когда грунты, слагающие основание плотины, водонепроницаемы или слабоводопроницаемы (К≤0,1 м/сут), рекомендуется рассмотреть целесообразность отказа от цементационной завесы. Решение об отказе от устройства цементационной завесы и, в таком случае, месте размещения дренажа основания должно обосновываться фильтрационными исследованиями.
Таблица 9
|
Относительная ширина створа |
Высота плотины, м |
Схема сопряжения бьефов |
|
lch/h>3 |
До 40 |
Донный гидравлический прыжок Незатопленный поверхностный прыжок* |
|
Св. 40 |
Отброс струй носками-трамплинами | |
|
lch/h≤3 |
Любая |
Донный гидравлический прыжок |
|
* Сопряжение бьефов с помощью незатопленного поверхностного прыжка для плотин высотой более 40 м допускается при гидравлическом обосновании | ||
10.8 Глубину заделки крупных разрывных нарушений в скальном основании следует определять по результатам расчетов напряженного состояния плотины совместно с неоднородным основанием из условия обеспечения прочности и устойчивости гравитационной бетонной плотины.
10.9 Проектирование гравитационных плотин на основаниях из полускальных грунтов выполняется так же, как плотин на основании из скальных грунтов; в расчетах таких плотин должны использоваться соответствующие характеристики полускальных грунтов.
10.10 Основные схемы сопряжения бьефов водосбросных гравитационных плотин всех классов в зависимости от высоты сооружения и ширины створа принимаются по таблице 9.
10.11 Конструктивное оформление водосбросов в виде поверхностных (водосливов) или глубинных должно приниматься с учетом способа сопряжения бьефов и в зависимости от условий пропуска расходов воды, а также льда и плавающих тел. Способ сопряжения бьефов за водосбросными гравитационными плотинами: отбросом струи носками-трамплинами, донным или поверхностным гидравлическим прыжком принимается в зависимости от высоты сооружения, ширины створа, общего и удельного сбросного расхода, диапазона колебаний уровня нижнего бьефа, компоновки гидроузла и размеров русловой или приплотинной гидроэлектростанции, судоходных или других сооружений, характеристик грунтов дна и берегов в русле нижнего бьефа.
10.11а В случаях существенного превышения поверочного расхода над основным в составе гидроузла целесообразно предусматривать вспомогательные водосбросы, автоматически включающиеся в работу при заданном уровне воды в верхнем бьефе.
Конструктивно вспомогательные водосбросы следует выполнять в виде нерегулируемых водосбросов (без затворов), водосбросов с вододействующими затворами или в виде плавких (размываемых переливающимся через гребень потоком) вставок. При проектировании вспомогательных водосбросов следует руководствоваться СП 290.1325800.
10.12 При сопряжении бьефов донным гидравлическим прыжком в качестве гасителей энергии надлежит принимать водобойные колодцы, водобойные стенки, при необходимости в сочетании с установленными на водобое гасителями. При скорости потока в сжатом сечении более 25-30 м/с следует предусматривать аэрацию придонной зоны потока и покрытие дна водобойного колодца бетонами с повышенной кавитационной стойкостью.
При проектировании креплений русел в нижнем бьефе необходимо учитывать возможность неравномерных деформаций оснований при промерзании, криогенном пучении и оттаивании полускальных пород.
Для уменьшения толщины водобоя следует предусматривать:
анкерное крепление плит к основанию - независимо от высоты плотины;
устройство в плитах дренажных колодцев в плотинах высотой до 25 м, а при гидравлическом обосновании - в плотинах высотой до 40 м с учетом 9.16 и 9.43;
придание водобойной плите цилиндрической формы с распором ее в боковые стенки-устои (для узких ущелий).
10.13 Расчеты плотины и ее элементов на прочность, устойчивость и трещиностойкость, а также ее железобетонных конструкций на раскрытие трещин надлежит выполнять согласно требованиям СП 41.13330, СП 23.13330, раздела 8 и указаниям настоящего раздела.
10.13а Исключен с 3 июня 2020 г. - Изменение N 2
10.14 Расчеты гравитационных плотин разрезной конструкции (рисунок 10), имеющих плоские постоянные поперечные швы, на прочность и устойчивость следует производить по схеме объемной задачи теории упругости для отдельно взятой секции. Напряженное состояние плотины следует определять для каждого вида секций (глухих, водосливных, станционных) с учетом специфики их возведения и статической работы.
Основной схемой расчета неразрезных гравитационных плотин на прочность и устойчивость является все сооружение в целом совместно с основанием и береговыми примыканиями. Расчеты выполняются методами теории упругости в рамках пространственной задачи.
10.15 Расчеты общей прочности бетонных гравитационных плотин выполняются в два этапа.
На первом этапе в расчетах, выполняемых приближенными методами (на основе сопротивления материалов), учитывают следующие факторы основного сочетания нагрузок и воздействий:
- собственный вес сооружения;
- давление воды на верховую и низовую грани плотины при НПУ верхнего бьефа, минимальном уровне нижнего бьефа и нормальной работе дренажных и противофильтрационных устройств;
- гидродинамическое давление на подошву плотины, определяемое по 7.15 с использованием данных таблицы 5.
В этих расчетах принимается, что коэффициент α2,d=0.
Задача расчетов первого этапа - определение профиля плотины, отвечающего условиям общей прочности по таблице 9а,
где γn, γcd, γlc - коэффициенты, принимаемые согласно 8.11;
σ3 - максимальные главные сжимающие напряжения, МПа;
Rbτ - расчетное сопротивление бетона сжатию, требуемое ко времени нагружения сооружения эксплуатационными нагрузками, МПа;
σuy - нормальные напряжения по горизонтальным площадкам у верховой грани;
σuc - нормальные напряжения, действующие по площадкам контактного сечения у верховой грани;
γw - удельный вес воды;
Hud - напор над расчетным сечением со стороны верхнего бьефа.
Полученный при этом профиль плотины (ее объем) не может быть сокращен в результате расчетов второго этапа (без технико-экономического обоснования).
На втором этапе расчетов профиль плотины, определенный по расчетам первого этапа, проверяют на общую прочность при расчете сооружения на полный состав нагрузок и воздействий в соответствии с указаниями 8.4-8.19 и 10.16-10.20. По результатам этих расчетов профиль плотины первого этапа может быть откорректирован, в том числе и за счет увеличения объема сооружения.
|
Элементы плотины | |
|
Во всех точках тела плотин всех видов | |
|
γnγlc|σ3|≤γcdRbτ* | |
|
Горизонтальные сечения тела плотины |
Контактное сечение плотины с основанием |
|
|σuy|≥0,25γwHud |
σuc<0 |
|
* При проверке прочности у низовой грани допускается осреднять значения σ3 на участке горизонтального сечения шириной 4,0 м. | |
10.16 Расчеты общей прочности бетонных гравитационных плотин на втором этапе расчетов выполняются на полный состав нагрузок и воздействий основных и особых сочетаний в соответствии с 7.2-7.4.
При этом:
температурные воздействия включают воздействия строительного периода, периода перехода к режиму постоянной эксплуатации и температурного режима в период постоянной эксплуатации;
силовое воздействие фильтрующейся воды в теле плотины и основании принимается в виде объемных и поверхностных сил согласно 7.13;
сейсмические воздействия определяются согласно указаниям СП 358.1325800.
При обосновании в полный состав нагрузок и воздействий эксплуатационного периода для основного сочетания допускается включать воздействия набухания бетона верховой грани плотины.
10.17 Расчеты общей прочности плотин на полный состав нагрузок и воздействий производятся:
а) для начального периода эксплуатации построенного сооружения, когда его остывание до среднемноголетних эксплуатационных температур еще не произошло;
б) для установившегося периода эксплуатации сооружения, когда оно полностью остыло до среднемноголетних температур.
10.18 Проверка условий общей прочности плотины в обоих случаях выполняется, как правило, для февраля и августа, а также на другие характерные даты, обусловленные режимом наполнения и сработки водохранилища.
10.19 Расчеты плотин на полный состав нагрузок и воздействий эксплуатационного периода выполняются методами теории упругости с учетом возможности раскрытия строительных (горизонтальных) межблочных швов на низовой и верховой гранях сооружения, включая и его контактное сечение с основанием в соответствии с указаниями 8.7-8.9.
10.20. Напряжения и усилия, возникающие в сооружении при сейсмических воздействиях, определяются согласно указаниям СП 358.1325800. В расчетах напряженно-деформированного состояния плотин с учетом сейсмических воздействий следует применять расчетные схемы, как правило, соответствующие таковым для расчета сооружения на нагрузки и воздействия основного сочетания.
10.20а Условия общей прочности гравитационных плотин, рассчитываемых на полный состав нагрузок и воздействий эксплуатационного периода, принимаются по таблице 9б, где указаны предельные значения глубины раскрытия швов и трещин на верховой грани сооружения. В таблице 9б:
lt - глубина раскрытия швов и трещин в горизонтальных сечениях плотины и в контактном сечении на верховой грани плотины, м;
γn, γcd, γlc - коэффициенты, принимаемые согласно 8.11;
σ3 - максимальные главные сжимающие напряжения, МПа;
Rbτ - расчетное сопротивление бетона сжатию, требуемое ко времени нагружения сооружения эксплуатационными нагрузками, МПа;
b - ширина плотины по основанию, м;
bd - ширина расчетного горизонтального сечения, м;
bh - толщина оголовка секции с расширенными швами по торцевому сечению, м;
a1 - расстояние от верховой грани до дренажа тела плотины, м;
a2 - расстояние от верховой грани плотины до оси цементационной завесы, м;
a3 - расстояние от верховой грани плотины до первого ряда дренажных скважин в основании, м;
η=4(t1/t-1/2)2 - безразмерный коэффициент, величина которого для монолитных гравитационных плотин составляет 1,0;
t - размер секции в направлении оси плотины, м;
t1 - толщина стенки секций в пределах расширенных швов (толщина контрфорсов), м.
Критерии прочности бетонных плотин, рассчитываемых на MPЗ, принимаются по таблице 9б (для случая расчета сооружения на особые сочетания нагрузок и воздействий, включающие сейсмическое воздействие). По этим критериям плотина должна воспринимать MPЗ без угрозы прорыва напорного фронта. При этом могут быть допущены иные повреждения плотины и основания, нарушающие нормальную эксплуатацию сооружения.
Примечание - В условиях прочности плотин (таблицы 9а, 9б, 9в, 9г) напряжения, взятые по модулю, - сжимающие.
|
Сочетания нагрузок и воздействий |
Элементы плотины | |
|
Основные и все особые |
Во всех точках тела плотин всех видов | |
|
γnγlc|σ3|≤γcdRbτ* | ||
|
Горизонтальные сечения тела плотины |
Контактное сечение плотины с основанием | |
|
Основные |
|
|
|
Особые, не включающие сейсмические воздействия |
|
|
|
Особые, включающие сейсмические воздействия |
lt≤0,20ηbd*** |
lt≤0,20ηb |
|
* При проверке прочности у низовой грани допускается осреднять значения σ3 на участке горизонтального сечения шириной 4,0 м. ** В тех случаях, когда подземный контур плотины не содержит цементационной завесы, вместо a2 принимают a3 для плотин без расширенных швов и bh для плотин с расширенными швами. *** При невыполнении данного условия общей прочности массивных плотин следует руководствоваться указаниями 10.21в. | ||
10.21 В тех случаях, когда в районе расположения плотины в основании не имеется многолетнемерзлых грунтов и амплитуда сезонных колебаний температуры наружного воздуха не превышает 17°С, расчеты прочности плотин IV класса допускается выполнять приближенными методами (на основе сопротивления материалов). В таких расчетах температурные воздействия исключаются из рассмотрения, сейсмические воздействия учитываются согласно указаниям СП 358.1325800, а силовое воздействие фильтрующей воды учитывается в виде сил противодавления, приложенных на контакте "бетон-скала.
10.21а Условия общей прочности гравитационных плотин, рассчитанных приближенными методами (на основе сопротивления материалов), принимаются по таблице 9в,
где γn, γlc, γcd, σ3, Rbτ, b, bd, lt, η - см. 10.20а;
σuy - нормальные напряжения по горизонтальным площадкам у верховой грани;
σuc - нормальные напряжения, действующие по площадкам контактного сечения у верховой грани;
γw - удельный вес воды;
Hud - напор над расчетным сечением со стороны верхнего бьефа.
|
Сочетания нагрузок и воздействий |
Элементы плотины | |
|
Основные и все особые |
Во всех точках тела плотин всех видов | |
|
γnγlc|σ3|≤γcdRbτ* | ||
|
Горизонтальные сечения тела плотины |
Контактное сечение плотины с основанием | |
|
Основные |
|σuy|≥0,25γwHud |
σuc<0 |
|
Особые, не включающие сейсмические воздействия |
σuy<0 |
σuc<0 |
|
Особые, включающие сейсмические воздействия |
lt≤0,20ηbd** |
lt≤0,20ηb |
|
* При проверке прочности у низовой грани допускается осреднять значения σ3 на участке горизонтального сечения шириной 4,0 м. ** При невыполнении данного условия общей прочности массивных плотин следует руководствоваться указаниями 10.21в. | ||
10.21б Расчеты плотины на полный состав нагрузок и воздействий эксплуатационного периода методами теории упругости допускается также выполнять по упрощенной расчетной схеме с раскрытием строительных швов только на низовой грани плотины. В этом случае материал у верховой грани плотины и в основании сооружения принимается монолитным, а возможность раскрытия швов на верховой грани плотины, включая контактное сечение, косвенно учитывается в критериях прочности назначением соответствующих предельных глубин зоны растяжения.
Условия общей прочности гравитационных плотин, рассчитываемых по схеме с раскрытием строительных швов только на низовой грани сооружения, принимаются по таблице 9г,
где γn, γlc, γcd, σ3, Rbτ, b, bd, bh, t, t1, a1, a2, a3, η - см. 10.20а;
dt - глубина зоны растяжения в горизонтальных сечениях плотины и в контактном сечении, определенная для монолитной конструкции.
|
Сочетания нагрузок и воздействий |
Элементы плотины | |
|
Основные и все особые |
Во всех точках тела плотин всех видов | |
|
γnγlc|σ3|≤γcdRbτ* | ||
|
Горизонтальные сечения тела плотины |
Контактное сечение плотины с основанием | |
|
Основные |
|
|
|
Особые, не включающие сейсмические воздействия |
|
|
|
Особые, включающие сейсмические воздействия |
dt≤0,20bd *** |
dt≤0,133b |
|
* При проверке прочности у низовой грани допускается осреднять значения σ3 на участке горизонтального сечения шириной 4,0 м. ** В тех случаях, когда подземный контур плотины не содержит цементационной завесы, вместо a2 принимают a3 для плотин без расширенных швов и bh для плотин с расширенными швами. *** При невыполнении данного условия общей прочности массивных плотин следует руководствоваться указаниями 10.21в. | ||
10.21в В тех случаях, когда при расчете общей прочности гравитационных плотин на особые сочетания нагрузок, включающие сейсмические воздействия, глубина раскрытия швов и трещин на верховой грани тела плотины lt превышает ее предельное значение, равное 0,32bd, следует армировать верховую грань сооружения, рассматривая сечение тела плотины как железобетонное с обеспечением прочности бетона сжатой зоны по условию
γnγlc|σ3|≤γcdRbτ.
Для облегчения напряженного состояния плотины при сейсмических воздействиях и уменьшения количества арматуры на верховой грани сооружения следует предусматривать конструктивные мероприятия, в том числе снижение массы оголовка плотины.
10.21г При расчете прочности верховых оголовков секций гравитационных плотин с расширенными швами, независимо от высоты плотины, во всех точках оголовка должны выполняться условия прочности:
γnγlcσz≤γcdRbtτ,
γnγlc|σz|≤γcdRbτ,
где σz - нормальные напряжения, действующие по вертикальным площадкам, перпендикулярным оси плотины;
γn, γlc, γcd - коэффициенты, принимаемые согласно 8.12;
Rbtτ, Rbτ - расчетные сопротивления бетона растяжению и сжатию соответственно, которые должны быть достигнуты ко времени нагружения сооружения эксплуатационными нагрузками.
В зонах оголовка, испытывающих растяжение в направлении оси плотины, при соответствующем обосновании допускается установка арматуры.
10.22 Местные напряжения в теле плотины вокруг отверстий потерн, проемов и полостей определяются расчетами.
Концентрация напряжений во входных углах проемов не учитывается при оценке прочности тела плотины и назначении количества арматуры.
10.23 Расчеты прочности элементов конструкции гравитационной плотины следует производить на те же сочетания нагрузок и воздействий, что и расчет общей прочности плотины, а условия прочности принимать согласно указаниям СП 41.13330.
10.24 Расчет устойчивости гравитационных плотин на сдвиг выполняется согласно СП 23.13330. Устойчивость плотины должна рассматриваться как по контакту сооружения с основанием, так и по другим возможным расчетным поверхностям сдвига, полностью или частично проходящим ниже подошвы плотины. При назначении таких возможных поверхностей сдвига следует учитывать наличие в основании слабых прослоек, полого падающих трещин, зон размыва, льдистых распученных грунтов, контакта талых и мерзлых грунтов, размещения в нижнем бьефе плотины каких-либо сооружений и т.д.
Наряду с расчетом устойчивости на сдвиг, должна рассматриваться устойчивость сооружения по схеме с разрушением основания в виде смятия в зоне низовой грани плотины.
10.25 При проверке устойчивости плотины следует учитывать совместную с ней работу на сдвиг здания ГЭС или других массивных сооружений, непосредственно примыкающих к плотине со стороны нижнего бьефа. Доля общего сдвигающего усилия, приходящаяся на здание станции или другое сооружение, определяется расчетом напряженного состояния контакта плотины и примыкающего к ней сооружения.
В расчетной схеме по определению сдвигающего усилия для здания станции следует учитывать конструкцию сопряжения здания станции с низовой гранью плотины.

а - массивной; б - с расширенными швами и контрфорсной;
h - напор над контактным сечением у верховой грани со стороны верхнего бьефа (высота плотины); b – ширина плотины по основанию; длина секции; t - длина секции; t1 - толщина секции в пределах расширенных швов (толщина контрфорса); bh - толщина торцевого сечения оголовка; a1 - расстояние от дренажа тела плотины до верховой грани; a2 - расстояние от оси цементационной завесы до верховой грани; a3 - расстояние от дренажа основания до верховой грани; Hud - напор над расчетным сечением; bd - ширина расчетного сечения; mu, mt - наклоны верховой и низовой граней плотины; σuy, σuc - нормальные напряжения по горизонтальным площадкам у верховой грани и по площадкам контактного сечения плотины с основанием у верховой грани; σt3 - максимальные сжимающие главные напряжения у низовой грани плотины
Рисунок 10. Обозначения к расчету плотин на прочность
10.26 Расчеты устойчивости неразрезных плотин следует выполнять как для всего сооружения в целом, так и для отдельных его частей, определяемых в зависимости от неоднородности инженерно-геологических условий, особенностей конструкции и условий возведения плотины. В расчетах необходимо также учитывать возможность сдвига совместно с сооружением и части скального основания, а также реакцию береговых упоров.
10.27 При расчете плотин на нагрузки и воздействия строительного периода во всех точках тела плотины должны выполняться условия прочности:
γnγlc|σ3|≤γcdRbτ,
γnγlcσ1≤γcdRbtτ,
где γn, γlc, γcd, Rbτ, Rbtτ - см. 10.21г;
σ3, σ1 - максимальные главные сжимающие и растягивающие напряжения соответственно.
10.28 Расчет плотин всех классов по образованию трещин от температурных воздействий выполняется для всех бетонных поверхностей, подверженных температурным воздействиям наружного воздуха в эксплуатационный период, а также для блоков бетонирования на температурные воздействия строительного периода.
Расчеты трещиностойкости производятся в соответствии с указаниями СП 41.13330. Как правило, расчеты выполняются с применением методов механики разрушения. Для плотин I-III классов на начальных стадиях проектирования, а для плотин IV класса - на всех стадиях проектирования оценку трещиностойкости бетонных конструкций при температурных воздействиях следует производить по СП 41.13330 упрощенными методами.
11.1 Конструирование контрфорсных плотин и их элементов следует выполнять в соответствии с разделом 6 и указаниями настоящего раздела.
11.2 При выборе контрфорсной плотины предпочтение следует отдавать массивно-контрфорсным плотинам (рисунок 11), особенно в районах с суровыми климатическими условиями.
11.3 Верховые оголовки контрфорсов массивно-контрфорсных плотин, как правило, следует проектировать с плоской напорной гранью. При обосновании допускается применение верховых оголовков контрфорсов с полигональным, круговым или иным выпуклым очертанием напорной грани. В теле оголовка следует предусматривать дренаж.
Напорные перекрытия многоарочных плотин, как правило, следует проектировать неразрезными в виде сводов, жестко соединенных с оголовком контрфорса. При обосновании допускается применение шарнирного или посредством конструктивного шва соединения арочных перекрытий с контрфорсами.
Плоские напорные перекрытия, как правило, надлежит проектировать разрезными в виде плит, свободно опертых на оголовки контрфорсов.
Толщина напорного перекрытия контрфорсных плотин должна определяться из условий обеспечения прочности, ограничения градиента напора фильтрационного потока допустимым пределом, размещения противофильтрационных устройств. При этом толщину напорного перекрытия допускается принимать переменной по высоте с сохранением непрерывного очертания верховой грани.
11.4 В случаях, когда необходимо создание поверхностных водосливов, следует предусматривать устройство низового перекрытия полостей между контрфорсами. Допускается использование низового перекрытия для поддержания напорных турбинных водоводов.
11.5 В случаях, когда в полостях сооружения требуется поддерживать температурный режим, обеспечивающий проектные условия эксплуатации сооружения, его прочность и надежность, должно быть предусмотрено устройство низового перекрытия или теплоизоляционной стенки в сочетании при целесообразности с горизонтальными перекрытиями полостей и искусственным подогревом воздуха в полостях плотины.
Конструкцию низового перекрытия или теплоизоляционной стенки, а также меры по регулированию температурного состояния сооружения следует принимать из условий обеспечения работы дренажа массивного оголовка контрфорса, ограничения разности сезонных температур воздуха в полостях плотины в допустимых проектом пределах и поддержания круглогодично постоянного по знаку температурного состояния.
11.6 При проектировании контрфорсных плотин для северной строительно-климатической зоны массивно-контрфорсные плотины, как правило, а плотины многоарочные и с плоскими напорными перекрытиями - во всех случаях должны снабжаться низовым перекрытием (или теплоизоляционной стенкой).
11.7 Толщину контрфорсов t1 рекомендуется назначать:
для массивно-контрфорсных плотин t1=(0,25-0,50)t, где t - размер секции в направлении оси плотины;
для плотин с арочным или плоским перекрытием t1=(0,15-0,25)t, но не менее 0,06acd, где acd - расстояние расчетного сечения от гребня плотины.
При выполнении указанных требований расчет устойчивости контрфорсов на продольный изгиб допускается не производить.
11.8 При проектировании контрфорсных плотин, расположенных в сейсмических районах, следует предусматривать конструктивные решения, повышающие жесткость сооружения в направлении поперек потока: балки и ребра жесткости, попарное омоноличивание контрфорсов и т.д.
11.9 Цементационную завесу в основании контрфорсных плотин следует проектировать, если основание сложено породами со средним коэффициентом фильтрации К≥0,1 м/сут.
В случае отказа от устройства цементационной завесы следует предусматривать цементацию контакта плотины с основанием.
Включение в состав подземного контура контрфорсной плотины дренажа основания должно быть обосновано фильтрационными исследованиями.
11.10 В плотинах I и II классов для устройства противофильтрационной завесы следует предусматривать в нижней части напорного перекрытия цементационную галерею. Проектами плотин III и IV классов, а в отдельных случаях и плотин II класса должна предусматриваться возможность выполнения цементационной завесы без устройства цементационной галереи непосредственно из полостей между контрфорсами.
11.11 При проектировании разрезки контрфорсов плотины строительными швами надлежит рассматривать возможность применения как цементируемых, так и объемных бетонируемых швов.
11.12 Способы сопряжения бьефов водосбросов принимаются как для водосбросов гравитационных плотин в соответствии с 10.10 и 10.11.
Для водосбросов, расположенных в пределах контрфорсов, при сопряжении бьефов отбросом струй конструкции носков-трамплинов должны обеспечивать распределение струй по площади русла в нижнем бьефе.
Низовые перекрытия контрфорсных плотин, используемые для пропуска сбросных расходов, должны проектироваться с учетом кавитационных воздействий и пульсационных нагрузок от сбрасываемого потока.
11.13 Проектирование конструкции водобоев контрфорсных плотин должно выполняться в соответствии с 10.12.
11.14 В случае пропуска строительных расходов воды через полости между контрфорсами, в зависимости от крепости скальных грунтов, слагающих основание, надлежит рассматривать необходимость крепления бетоном поверхности основания между контрфорсами. При этом следует предусматривать дренаж бетонного крепления.

1 - гребень; 2 - контрфорс; 3 - низовое перекрытие; 4 - противофильтрационные уплотнения; 5 – массивный оголовок; 6 - полости; 7 - низовой клин; 8 – перекрытия полостей; 9 - смотровые галереи; 10 - дренажная галерея; 11 - дренаж основания; 12 – противофильтрационная (обычно цементационная) завеса; 13 - цементационная галерея; 14 - верховой клин; 15 - дренаж плотины
Рисунок 11. Отдельные части и элементы массивно-контрфорсной плотины
11.15 Расчеты плотин и их элементов на прочность, устойчивость и трещиностойкость, а также железобетонных конструкций на раскрытие трещин надлежит выполнять согласно требованиям СП 41.13330, СП 23.13330, раздела 8 и указаниям настоящего раздела.
11.16 При проектировании контрфорсных плотин допускается расчеты прочности контрфорсных плотин производить по отдельности для контрфорсов и напорных перекрытий при их работе вдоль и поперек потока, как это указано в 11.17-11.26.
11.17 В расчетах контрфорсов на общую прочность в плоскости вдоль потока следует рассматривать (рисунок 12):
для массивно-контрфорсных плотин - отдельно стоящую секцию;
для плотин с неразрезным напорным перекрытием, монолитно соединенным с контрфорсом, - контрфорс с примыкающей к нему частью напорного перекрытия в пределах половины пролета с каждой стороны контрфорса;
для плотин с разрезным напорным перекрытием - отдельно стоящий контрфорс.
11.18 Расчеты общей прочности контрфорсов, как правило, выполняются на полный состав нагрузок и воздействий основных и особых сочетаний методами теории упругости.
11.19 Нагрузки и воздействия, учитываемые в расчетах по полному их составу, определяются в соответствии с 7.2 и 7.3.
При этом температурные и сейсмические воздействия определяются согласно указаниям 10.15.
11.20 Расчет общей прочности контрфорсов в плоскости вдоль потока на полный состав нагрузок эксплуатационного периода следует выполнять в соответствии с 10.19 и 10.20; условия прочности контрфорсов, относящиеся к основным и особым сочетаниям нагрузок и воздействий, принимаются по таблице 9д,
где γn, γlc, γcd, σ3, Rbτ, t, t1 - см. 10.20а;
σuc - см. 10.21а;
σu1 - максимальные растягивающие главные напряжения на верховой грани плотины, МПа;
bh - толщина торцевого сечения оголовка (рисунок 10);
bd - ширина расчетного сечения (рисунок 10);
a2 - расстояние от оси цементационной завесы до верховой грани (рисунок 10)..
11.21 В тех случаях, когда в районе расположения плотины в основании не имеется многолетнемерзлых грунтов и амплитуда сезонных колебаний наружного воздуха не превышает 17°С, на предварительных стадиях расчеты общей прочности контрфорсов плотин возможно выполнять методами сопротивления материалов. В таких расчетах температурные воздействия исключаются из рассмотрения, сейсмические воздействия учитываются согласно СП 358.1325800 во всех случаях представлены только на уровне ПЗ, а силовое воздействие фильтрующейся воды учитывается только в виде сил противодавления, приложенных на контакте "бетон-скала".
Условия общей прочности контрфорсов плотин, рассчитываемых приближенными методами (на основе сопротивления материалов) в плоскости вдоль потока, принимаются по таблице 10,
где γn, γlc, γcd, σ3, Rbτ, t, t1 - см. 10.20а;
σuy, σuc, γw, Hud - см. 10.21а;
σu1 - см. 11.20.
В таблицах 9д, 10 представлены условия прочности, относящиеся к контрфорсам, рассчитываемым в плоскости вдоль потока методами теории упругости и приближенными методами (на основе сопротивления материалов) на основные сочетания нагрузок и воздействий, а также на особые, не включающие сейсмическое воздействие.
|
Сочетания нагрузок и воздействий |
Условия прочности контрфорсов при различных значениях отношения t1/t | |
|
0,50≥t1/t≥0,25 |
t1/t≤0,25 | |
|
(массивно-контрфорсные плотины) |
(плотины с арочным или плоским напорным перекрытием) | |
|
Во всех точках контрфорса | ||
|
Основные и все особые |
γnγlc|σ3|≤γcdRbτ* |
γnγlc|σ3|≤γcdRbτ* |
|
Горизонтальные сечения контрфорса | ||
|
Основные |
σu1≤0 |
σu1≤0 |
|
Особые, не включающие сейсмические воздействия |
σu1≤0 |
σu1≤0 |
|
Особые, включающие сейсмические воздействия |
|
σu1≤0 |
|
Контактное сечение контрфорса с основанием | ||
|
Основные |
σuc≤0 |
σuc≤0 |
|
Особые, не включающие сейсмические воздействия |
σuc≤0 |
σuc≤0 |
|
Особые, включающие сейсмические воздействия |
|
σuc≤0 |
|
* При проверке прочности низовой грани значения σ3 допускается осреднять на участке расчетного горизонтального сечения шириной 4,0 м. ** При невыполнении данного условия общей прочности контрфорса следует руководствоваться указаниями 10.21в. *** В тех случаях, когда подземный контур плотины не содержит цементационной завесы, вместо a2 следует принимать bh. | ||
В указанной таблице представлены условия прочности, относящиеся к контрфорсам, рассчитываемым в плоскости вдоль потока методами сопротивления материалов на основные сочетания нагрузок и воздействий, а также на особые, не включающие сейсмическое воздействие.
|
Сочетания нагрузок и воздействий |
Условия прочности контрфорсов при различных значениях отношения t1/t | |
|
0,50≥t1/t≥0,25 (массивно-контрфорсные плотины) |
t1/t≤0,25 (плотины с арочным или плоским напорным перекрытием) | |
|
1 Во всех точках контрфорса
| ||
|
Основные и все особые |
γnγlc|σ3|≤γcdRbτ* |
γnγlc|σ3|≤γcdRbτ* |
|
2 Горизонтальные сечения контрфорса
| ||
|
Основные |
|σuy|≥0,25γwHud* |
|σuy|≥0,25γwHud* |
|
Особые, не включающие сейсмические воздействия |
σu1≤0 |
|σuy|≥0,25γwHud* |
|
3 Контактное сечение
| ||
|
Основные |
σuc≤0 |
σuc≤0 |
|
Особые, не включающие сейсмические воздействия |
σuc≤0 |
σuc≤0 |
|
При проверке прочности низовой грани значения σ3 допускается осреднять на участке расчетного горизонтального сечения шириной 4,0 м. | ||
11.22 Напряжения и усилия, возникающие в контрфорсах при сейсмических воздействиях, определяются в соответствии с требованиями 10.20.
11.23 Расчет прочности контрфорса в направлении поперек потока производится на сейсмические воздействия, направленные вдоль оси плотины, и на гидростатическую нагрузку, если между контрфорсами плотины располагаются водосбросы.
Контрфорсы плотин в расчетах на прочность при изгибе в направлении поперек потока рассматриваются как вертикальные плиты, защемленные в основание. При расчете контрфорса на основное и особые сочетания нагрузок и воздействий, не включающие сейсмические воздействия, верховая и низовая грани расчетной плиты принимаются свободными; при расчете на особое сочетание нагрузок, содержащее сейсмические воздействия, верховая грань, а при наличии низового перекрытия - и низовая грань плиты рассматриваются как свободно опертые. Жесткость плиты определяется с учетом верхового и низового оголовков.
При расчете контрфорсов на прочность в плоскости поперек потока независимо от высоты и класса сооружения для боковых граней контрфорсов следует соблюдать условия прочности:
а)

б)

в)

а - для массивно-контрфорсных плотин; б - для плотин с неразрывным арочным перекрытием; в - для плотин с разрезным напорным перекрытием; t1 - толщина контрфорса; t - длина секции; bd - ширина расчетного сечения
Рисунок 12. Схемы к расчету на прочность вдоль потока
при расчете на основные и особые сочетания нагрузок и воздействий, не включающие сейсмические воздействия
σuy≤0,
где σuy - суммарные нормальные напряжения по горизонтальным площадкам, определенные расчетами прочности контрфорса в плоскости вдоль потока и в плоскости поперек потока.
В схемах расчета контрфорсов на изгиб поперек потока следует учитывать конструкцию водосбросных устройств и других элементов, повышающих жесткость сооружения в этом направлении.
11.24 Расчет напорных перекрытий на прочность в зависимости от класса и высоты контрфорсной плотины следует выполнять на те же нагрузки и воздействия и их сочетания, что и расчет прочности контрфорсов.
11.25 При расчете верхового оголовка контрфорса массивно-контрфорсной плотины на прочность приближенным методом (на основе сопротивления материалов) принимается, что к оголовку на участке его примыкания к контрфорсу прикладываются равномерно распределенные нормальные силы, уравновешивающие внешнюю нагрузку на оголовок; при расчете оголовка методами теории упругости оголовок рассматривается как жестко защемленный в тело контрфорса.
При расчете верховых оголовков контрфорсов массивно-контрфорсных плотин на прочность, независимо от высоты сооружения, во всех точках оголовка должны выполняться условия прочности:
γnγlc|σz|≤γcdRbτ,
γnγlcσz≤γcdRbtτ,
где γn, γlc, γcd, Rbτ - см. 10.20а;
Rbtτ - см. 10.21г.
В зонах верхового оголовка контрфорса массивно-контрфорсной плотины, испытывающих растяжение в направлении оси плотины, следует предусматривать конструктивное армирование.
11.25а При расчете прочности арочного напорного перекрытия приближенными методами (на основе сопротивления материалов) рассматривается однопролетная арка, а при расчете методами теории упругости - однопролетная цилиндрическая оболочка. Расчеты выполняются с учетом реальной схемы опирания арочного напорного перекрытия на контрфорсы.
Плоские напорные перекрытия следует рассматривать при расчете приближенными методами (на основе сопротивления материалов) как однопролетную балку, а при расчете методами упругости - как однопролетную плиту.
Условия прочности арочных и плоских напорных перекрытий следует принимать согласно указаниям СП 41.13330.
11.26 Расчет элементов контрфорсной плотины на местную прочность следует производить на те же сочетания нагрузок и воздействий, что и расчет общей прочности плотины.
Расчет местной прочности водосливного носка, быков, раздельных и ограждающих стен, конструкций водоприемных отверстий турбинных водоводов и элементов строительных и эксплуатационных водосбросов, определение местных напряжений вокруг отверстий и других проемов в контрфорсах должен выполняться в соответствии с 10.22.
Расчет консольных выступов контрфорсов плотин с арочными и плоскими перекрытиями на местную прочность, а также расчет плит низового перекрытия надлежит производить согласно указаниям СП 41.13330.
11.27 Расчет устойчивости контрфорсных плотин надлежит производить в соответствии с 10.24-10.27.
Для массивно-контрфорсных плотин следует выполнять расчет устойчивости отдельно стоящих секций; для плотин с арочными и плоскими перекрытиями - отдельно стоящих контрфорсов.
11.28 Глубину заделки крупных разрывных нарушений в скальном основании следует определять по результатам расчета напряженного состояния плотины совместно со скальным основанием с учетом неоднородности основания.
11.29 Расчет прочности контрфорсных плотин и их элементов в строительный период следует выполнять в соответствии с указаниями 10.28.
11.30 Бетонные конструкции контрфорсных плотин всех классов, независимо от высоты сооружений, следует рассчитывать по образованию трещин от температурных воздействий в соответствии с 10.28.
12.1 Конструирование арочных и арочно-гравитационных плотин и их элементов следует выполнять в соответствии с указаниями раздела 6 и настоящего раздела.
12.2 Арочные и арочно-гравитационные плотины следует проектировать:
при lch/h<2 (где lch - длина хорды арки по гребню плотины, h - высота плотины) и треугольной форме ущелья - с арками кругового очертания постоянной толщины или с местными утолщениями у пят;
при 2≤lch/h≤3, при трапецеидальной или близкой к ней форме ущелья - двоякой кривизны с арками переменной толщины и кривизны;
при lch/h>3 - арочные и арочно-гравитационные плотины с арками переменной толщины, кривизна которых, как правило, уменьшается от ключа к пятам; выбор кривизны плотины как в горизонтальном, так и в вертикальном направлениях производится из условия оптимального напряженного состояния сооружения;
в несимметричных створах и на неоднородных основаниях - с арками некруглого очертания переменной толщины.
12.3 На начальных стадиях проектирования выбор конструкции и формы плотины допускается проводить на основании приближенных методов расчета и аналогов.
12.4 Кривизна арочной плотины в вертикальном направлении должна уточняться с учетом обеспечения устойчивости отдельно стоящих столбов и секций в строительный период. При этом учитываются схемы возведения плотины, конструкция межсекционных швов и сроки их омоноличивания, использование поддерживающих конструкций (временных или постоянных), график подъема уровня воды в верхнем бьефе плотины, а также возможность образования ледяных полей в верхнем бьефе плотины и давление льда.
12.5 В конструкции арочной плотины следует предусматривать разрезку на секции поперечными строительными швами для предотвращения температурного трещинообразования и неравномерных осадок. Швы необходимо омоноличивать перед заполнением водохранилища. Поверхности этих швов следует проектировать штраблеными; отказ от устройства штраб должен иметь обоснование.
В общем случае проектирование межсекционных швов арочных плотин определяется следующими конструктивными и прочностными требованиями:
линии пересечения поверхности шва с горизонтальными арками должны быть ортогональными осям последних, образуя геликоидальную форму поверхности шва;
траектории швов на срединной поверхности плотины должны быть максимально приближены к вертикали;
поверхность шва должна иметь минимальные удаления от вертикальной плоскости;
углы пересечения средних линий швов со средней линией поверхности контакта с основанием (или с периметральным швом) должны, по возможности, быть близки к прямым.
Для плотин небольшой высоты, а также имеющих форму, близкую к цилиндрической, межсекционные швы проектируются плоскими вертикальными.
12.5а Последовательность омоноличивания и температура замыкания швов должны определяться с учетом напряженного состояния плотины.
При проектировании следует рассматривать целесообразность регулирования не только средних температур, но и температурных градиентов при замыкании.
12.6 При сопряжении плотины с основанием в необходимых случаях следует предусматривать меры по укреплению основания:
- заделку разломов, крупных трещин и пустот путем устройства бетонных и железобетонных пробок или свай для передачи усилия от плотины вглубь скального массива;
- устройство подземных железобетонных стенок для передачи усилий от плотины вглубь скального массива;
- применение предварительно напряженных или ненапряженных анкеров, подпорных стен или их сочетание.
12.7 Опирание плотины на основание должно быть обеспечено по поверхности, нормальной к осям арок плотины. При этом по контуру плотины при необходимости надлежит предусматривать устройство конструкций, улучшающих условия опирания (береговые устои, седло, пробка, незамоноличенные строительные швы в верхней части береговых секций плотины и др.). Допускается очертание пяты арки принимать криволинейным или полигональным.
12.8 Рациональная глубина врезки должна определяться, исходя из условия обеспечения устойчивости береговых упоров и благоприятного напряженного состояния в теле плотины и скальных примыканиях.
Для уменьшения напряжений на контакте плотины с основанием следует рассматривать устройство местного утолщения плотины по опорному контуру.
Арочную плотину необходимо отделять конструктивным швом от пробки, расположенной в наиболее узкой щелевидной части ущелья.
12.9 При проектировании сопряжения плотины с основанием в случае возникновения растягивающих напряжений на контакте плотины с основанием в зоне верховой грани следует предусматривать:
наклон нижнего участка верховой грани путем смещения в нижний бьеф нижележащих горизонтальных сечений относительно вышележащих с целью компенсации растягивающих напряжений действием веса бетонной кладки;
устройство шва-надреза;
устройство выносной цементационной завесы, короткого бетонного понура с гидроизоляцией.
Следует также рассматривать целесообразность устройства в основании перед плотиной вертикальной прорези (щели) глубиной (5-10)% от высоты плотины.
12.10 Водосбросные устройства арочных и арочно-гравитационных плотин следует проектировать с учетом соответствующих требований разделов 6, 8 и 10.
При надлежащем обосновании допускается применять сопряжение бьефов свободным падением струи с водосливного оголовка (с устройством носка-трамплина или без него) на крепленое или некрепленое русло реки.
12.11 Расчеты арочных и арочно-гравитационных плотин следует производить в соответствии с требованиями разделов 7 и 8 и указаниями настоящего раздела.
12.12 Расчет напряженно-деформированного состояния арочных и арочно-гравитационных плотин следует производить с учетом последовательности возведения плотины, омоноличивания швов и наполнения водохранилища.
Расчеты плотин IV класса, а также предварительные расчеты плотин всех классов допускается выполнять упрощенными методами.
12.13 При расчете арочных и арочно-гравитационных плотин с учетом раскрытия строительных швов и трещин оценка прочности сооружения производится по прочности бетона сжатой зоны.
Оценку прочности следует выполнять с учетом повышения расчетного сопротивления бетона при всестороннем сжатии в соответствии с СП 41.13330.
12.14 Расчеты прочности и устойчивости плотин на сейсмические воздействия следует производить в соответствии с 10.15-10.17 для наиболее неблагоприятного направления этих воздействий, а при расчете по динамической теории сейсмостойкости - с учетом трех (при решении пространственных задач) или двух (при решении плоских задач) компонент сейсмического воздействия.
Расчеты прочности следует выполнять с учетом раскрытия строительных швов и трещин для различных уровней верхнего бьефа.
12.15 Для арочных и арочно-гравитационных плотин следует выполнять расчеты устойчивости береговых скальных упоров.
Для плотин в широких створах (при lch/h>3) дополнительно надлежит выполнять расчет общей устойчивости плотины совместно со скальным основанием. Во всех случаях следует выполнять расчет местной прочности (устойчивости) в основании плотины.
12.16 При расчете устойчивости береговых упоров и напряженно-деформированного состояния основания плотин учитываются следующие нагрузки и воздействия: усилия, передающиеся от плотины, собственный вес скального блока, фильтрационные и сейсмические воздействия.
12.17 Расчет устойчивости береговых упоров должен производиться, исходя из анализа предельного состояния отдельных скальных блоков, выделяемых с учетом инженерно-геологических, геокриологических и топографических условий. Устойчивость берегового упора определяется по результатам расчета наименее устойчивого скального блока.
Расчет общей устойчивости арочной и арочно-гравитационной плотины следует проводить исходя из наиболее вероятной кинематической схемы перемещения плотины совместно с основанием в предельном состоянии.
12.18 При расчетах прочности и устойчивости арочных и арочно-гравитационных плотин, кроме коэффициентов условий работы γcd, приведенных в таблице 6, следует учитывать коэффициенты условий работы γcda, приведенные в таблице 11.
12.19 При расчете плотины следует учитывать влияние на ее несущую способность водоприемных и водосбросных сооружений, расположенных в теле плотин.
При расчете арочной и арочно-гравитационной плотины на общую прочность без учета особенностей работы отдельных элементов (быки, гребень, водосливы, элементы водоприемника, напорные трубопроводы и др.) указанные элементы необходимо рассчитывать на местную прочность.
12.20 Расчеты напряженно-деформированного состояния и местной прочности основания арочных и арочно-гравитационных плотин следует производить в соответствии с СП 23.13330. При этом учитывается возможность образования областей пластических деформаций в береговых примыканиях плотины. Если условия прочности для поверхностей ослабления скального массива не выполняются, следует предусматривать мероприятия согласно 12.6.
При наличии достоверных данных рекомендуется учитывать в расчетах напряженного состояния и оценке прочности основания естественное (бытовое) поле напряжений.
|
Виды расчетов |
Коэффициент условий работы γcda |
|
1 Расчеты общей прочности арочных и арочно-гравитационных плотин: | |
|
по растяжению |
γtcda,1=2,4 |
|
по сжатию |
γccda,1=0,9 |
|
2 Расчеты устойчивости береговых упоров плотин при учете нагрузок основного и особого сочетания без сейсмических воздействий |
γcda,2=1,0 |
|
3 Расчеты общей устойчивости плотин в широких створах при учете нагрузок основного и особого сочетания без сейсмических воздействий |
γcda,3=1,1 |
|
4 Расчеты устойчивости береговых упоров и общей устойчивости плотин при учете сейсмических воздействий |
γcda,4=1,1 |
|
Примечание - При наличии нескольких факторов, действующих одновременно, в расчет вводится произведение соответствующих коэффициентов условий работы (например, при расчетах общей устойчивости плотин в широких створах с учетом сейсмических воздействий γcda=γcda,3×γcda,4=1,1×1,1=1,21. | |
13.1 Для обеспечения безопасности плотин необходимо предусматривать комплекс инженерно-технических и организационных мероприятий, в том числе:
установление в проекте критериев безопасности в виде критериальных значений диагностических показателей состояния сооружения, характеризующих его безопасность: перемещения, деформации, напряжения, фильтрационные расходы, пьезометрические напоры фильтрационных вод и др.;
оснащение гидротехнических сооружений техническими средствами, обеспечивающими контроль их состояния; организация и проведение натурных наблюдений за состоянием сооружений;
проведение регулярных обследований сооружений.
13.2 В проектах бетонных и железобетонных плотин I, II и III классов, в их основании и береговых примыканиях необходимо предусматривать установку контрольно-измерительной аппаратуры (КИА) для проведения натурных наблюдений за состоянием сооружений, их оснований и береговых примыканий как в период строительства, так и в процессе эксплуатации, с применением, как правило, автоматизированной системы опроса контрольно-измерительной аппаратуры (АСО КИА).
Для плотин IV класса установку КИА следует обосновать.
Визуальные наблюдения проводятся на каждой плотине, независимо от класса сооружения.
13.3 Натурные наблюдения на бетонных и железобетонных плотинах следует проводить по программе, разработанной при проектировании и уточняемой в процессе строительства, временной и постоянной эксплуатации сооружения. Программа натурных наблюдений должна содержать состав и объем натурных наблюдений и исследований, системы размещения КИА, методику сбора и обработки данных измерений, способы их анализа для диагностирования состояния сооружения на различных этапах его строительства и эксплуатации.
13.4 В процессе строительства основными целями натурных наблюдений должны быть:
оценка технологии возведения бетонных массивов (трещиностойкость бетона, температурный режим, соблюдение проектного графика бетонных работ);
качество омоноличивания профиля плотины;
соответствие используемых составов бетона проектным.
По результатам наблюдений строительного периода должны корректироваться технологические мероприятия, выявляться дефектные зоны (плохо проработанный бетон, некачественная цементация межстолбчатых швов, температурное трещинообразование).
13.5 Натурными наблюдениями в период наполнения водохранилища должно устанавливаться:
водопроницаемость бетона напорной грани (выявляются очаги фильтрации и дефектные зоны бетона);
закономерности формирования напряженно-деформированного состояния плотины на каждом этапе подъема уровня верхнего бьефа.
13.6 При постоянной эксплуатации сооружения по данным натурных сооружений необходимо:
определить фактическую схему статической работы системы плотина-основание и ее отличие от расчетной схемы по проекту;
уточнить состав диагностических параметров, используемых для оценки безопасной работы плотины;
уточнить критериальные значения диагностических показателей надежной эксплуатации.
13.6а Натурные наблюдения на бетонных и железобетонных плотинах подразделяются на контрольные и специальные.
13.6б Контрольные наблюдения организуются для систематической оценки состояния сооружения, в том числе безопасности плотины в условиях ее нормальной эксплуатации, возможности возникновения аварийной ситуации в результате каких-либо чрезвычайных воздействий и принятия мер, адекватных степени выявленной опасности, а в период строительства - для внесения, при необходимости, корректировки в условия производства строительных работ.
13.7 Состав контролируемых на объекте параметров должен позволять оценивать прочность, устойчивость и водонепроницаемость плотины, а также действующие на сооружение нагрузки и воздействия.
В общем случае при осуществлении контрольных натурных наблюдений за работой бетонных плотин в состав наблюдаемых параметров должны входить:
уровень воды в верхнем и нижнем бьефах;
уровень наносов в водохранилище и физико-механические характеристики наносов;
противодавление воды по контакту сооружения с основанием и в теле плотины;
температура наружного воздуха (среднесуточная) в створе гидроузла, воды в водохранилище и в нижнем бьефе;
динамические воздействия (работа гидроагрегатов, воздействие сбросных водных потоков);
сейсмические воздействия (параметры сейсмических колебаний основания и сооружения);
вертикальные (осадка) и горизонтальные (сдвиг, прогиб, наклон) перемещения характерных точек плотины и основания;
раскрытие деформационных швов и взаимное смещение секций;
раскрытие шва по контакту плотины с основанием;
раскрытие строительных швов и трещин в бетонной кладке;
параметры геодинамические;
фильтрационный расход через тело плотины, основание и береговые примыкания;
химический состав воды водохранилища и профильтровавшейся воды; температура фильтрующейся воды;
химическая и механическая суффозия грунтов основания;
физико-механические характеристики бетона различных зон плотины (прочность, водонепроницаемость, морозостойкость, статический и динамический модули упругости и др.);
механические повреждения бетонной кладки;
температурное состояние плотины и основания;
напряженное состояние плотины;
напряженное и деформированное состояние береговых склонов;
гидравлика потока на водосбросных сооружениях и в бьефах;
повреждения бетонных поверхностей водосливных граней, пазов затворов и зон переменного уровня воды;
повреждения водобойных устройств (водобой, рисберма, переходное крепление);
размывы основания в нижнем бьефе гидроузлов.
В состав контрольных натурных наблюдений за работой железобетонных плотин или железобетонных элементов бетонных плотин, кроме перечисленных выше показателей состояния, должны включаться также:
напряжения в арматуре (соответствующие конструкции железобетонных плотин, анкерный понур, железобетонная оболочка водоводов и т.д.);
напряжения в металлической оболочке напорных водоводов и спиральных камер гидроагрегатов;
трещины в бетоне железобетонных конструкций;
трещины в защитном слое бетона вдоль стержней арматуры; отслоение защитного слоя бетона;
коррозия арматуры и бетона;
коррозия металла оболочки напорных водоводов и спиральных камер;
механические повреждения арматуры.
13.8 Специальные наблюдения организуются с исследовательскими целями для получения данных, связанных с необходимостью подтверждения проектных решений, совершенствования методов расчетов, модельных исследований, определения в натурных условиях основных механических характеристик бетона и грунтов основания, выбора оптимальных методов производства работ и условий эксплуатации. Объем и содержание специальных натурных наблюдений определяются программами исследований в соответствии с изучаемыми на данной плотине вопросами.
13.9 В проектах бетонных и железобетонных плотин I и II классов следует предусматривать систему геодинамического мониторинга согласно указаниям СП 358.1325800.
13.10 В соответствии со статьей 9 [1] в целях выполнения контроля за состоянием гидротехнических сооружений, в том числе плотин, должны проводиться регулярные обследования сооружений с привлечением специализированных организаций.
13.11 Результаты обследований гидротехнических сооружений должны оформляться в виде Акта обследования установленной формы с заключением об уровне безопасности гидротехнических сооружений (соответствии сооружений нормативным критериям безопасности) и перечнем мер (в случае необходимости) повышения надежности и обеспечения безопасности гидротехнических сооружений.
13.12 Оценка безопасности бетонных и железобетонных плотин должна осуществляться путем сопоставления:
контролируемых нагрузок и воздействий с принятыми в проекте;
значений контролируемых показателей состояния плотины по условиям ее прочности, устойчивости и долговечности с критериальными значениями диагностических показателей.
13.13 Критериальные значения контролируемых показателей состояния сооружения (перемещения, напряжения, раскрытия швов, пьезометрический напор, фильтрационный расход и др.) должны разрабатываться в проекте и уточняться в процессе эксплуатации сооружения на основе ретроспективной математической модели, учитывающей специфику работы системы "плотина-основание" по результатам натурных наблюдений.
13.14 Для обеспечения постоянного мониторинга состояния сооружения на плотинах I, II и III классов должны быть установлены автоматизированные системы диагностического контроля, включающие автоматизированную систему опроса контрольно-измерительной аппаратуры и информационно-диагностическую систему по контролю безопасности сооружения.
Приложение А
(обязательное)
Исключено с 3 июня 2020 г. - Изменение N 2
Приложение Б
А - площадь подошвы секции плотины;
Ared - площадь приведенного горизонтального сечения контрфорса;
As - площадь сечения арматуры;
Eb - начальный модуль упругости тяжелого бетона;
Ebd - расчетное значение модуля упругости тяжелого бетона;
Es - модуль упругости арматуры;
F - расчетное значение обобщенного силового воздействия;
Hu - напор со стороны верхнего бьефа;
Ht - напор со стороны нижнего бьефа;
Hd - напор над расчетным сечением;
Hdr - остаточный фильтрационный напор по оси дренажа;
Hos - остаточный фильтрационный напор по оси цементационной завесы;
Icr,m - критический средний градиент напора;
Iadm - допускаемый градиент напора;
Ired - момент инерции приведенного горизонтального сечения контрфорса;
М - момент силы, изгибающий момент;
N - нормальная сила;
Pws - давление наносов со стороны верхнего бьефа;
Q - сила сдвига;
R - расчетное значение обобщенной несущей способности;
Rb - призменная прочность бетона;
Rbt - сопротивление бетона осевому растяжению;
Utot - полное противодавление воды на подошву плотины;
Uf - фильтрационное противодавление на отдельных участках подземного контура плотины;
Uν - взвешивающее противодавление;
Wx, Wy - моменты сопротивления сечения относительно осей х-х и у-у;
adr - расстояние от напорной грани плотины до оси дренажа;
b - ширина плотины по основанию;
t - длина секции плотины;
t1 - толщина секции в пределах расширенных швов (толщина контрфорса);
dt - глубина зоны растяжения в горизонтальных сечениях тела плотины и контактном сечении;
dt,lim - предельная глубина зоны растяжения у верховой грани плотины;
g - ускорение свободного падения;
h - высота плотины;
hws - высота наносов перед плотиной;
К - коэффициент фильтрации;
ky - коэффициент постели грунтов при сжатии;
kx - коэффициент постели грунтов при сдвиге;
lu, lut - расчетная длина действия давления воды со стороны соответственно верхнего и нижнего бьефа;
mu, ml - наклоны верховой и низовой граней плотины на уровне расчетного сечения;
α2 - коэффициент эффективной площади противодавления;
γlc - коэффициент сочетания нагрузок;
γn - коэффициент надежности по назначению сооружения;
γcd - коэффициент условий работы плотин;
γcda - коэффициент условий работы арочных плотин;
γws - удельный вес грунта наносов во взвешенном состоянии;
ρw - плотность воды;
ν - коэффициент Пуассона материала основания;
σ - нормальные напряжения;
τ - касательные напряжения;
ССКЗ - северная строительная-климатическая зона;
ССБ - сульфитно-спиртовая бражка;
С-3 - суперпластификатор марки С-3;
СНВ - смола нейтрализованная воздухововлекающая;
ЛХД - лесохимическая добавка;
ХК - хлорид кальция.
Библиография
[1] Федеральный закон РФ от 21 июля 1997 г. N 117-ФЗ "О безопасности гидротехнических сооружений".

**


**

**

