СП 362.1325800.2017 (27.12.2021) ОГРАЖДАЮЩИЕ КОНСТРУКЦИИ ИЗ ТРЕХСЛОЙНЫХ ПАНЕЛЕЙ. ПРАВИЛА ПРОЕКТИРОВАНИЯ
Утв. Приказом Министерства строительства и жилищно-коммунального хозяйства РФ от 14 ноября 2017 г. N 1538/пр
Свод правил СП-362.1325800.2017
"ОГРАЖДАЮЩИЕ КОНСТРУКЦИИ ИЗ ТРЕХСЛОЙНЫХ ПАНЕЛЕЙ. ПРАВИЛА ПРОЕКТИРОВАНИЯ"
Fencing structures made of sandwich panels. Design rules
С изменениями:
(27 декабря 2021 г.)
Предисловие
Сведения о своде правил
1 ИСПОЛНИТЕЛЬ - Закрытое акционерное общество "Центральный ордена Трудового Красного Знамени научно-исследовательский и проектный институт строительных металлоконструкций им. Н.П. Мельникова" (ЗАО "ЦНИИПСК им. Мельникова")
2 ВНЕСЕН Техническим комитетом по стандартизации ТК 465 "Строительство"
3 ПОДГОТОВЛЕН к утверждению Департаментом градостроительной деятельности и архитектуры Министерства строительства и жилищно-коммунального хозяйства Российской Федерации (Минстрой России)
4 УТВЕРЖДЕН приказом Министерства строительства и жилищно-коммунального хозяйства Российской Федерации от 14 ноября 2017 г. N 1538/пр и введен в действие с 15 мая 2018 г.
5 ЗАРЕГИСТРИРОВАН Федеральным агентством по техническому регулированию и метрологии (Росстандарт)
6 ВВЕДЕН ВПЕРВЫЕ
В случае пересмотра (замены) или отмены настоящего свода правил соответствующее уведомление будет опубликовано в установленном порядке. Соответствующая информация, уведомление и тексты размещаются также в информационной системе общего пользования - на официальном сайте разработчика (Минстрой России) в сети Интернет
Введение
Настоящий свод правил обеспечивает соблюдение требований федеральных законов от 27 декабря 2002 г. N 184-ФЗ "О техническом регулировании", от 30 декабря 2009 г. N 384-ФЗ "Технический регламент о безопасности зданий и сооружений", от 22 июля 2008 г. N 123-ФЗ "Технический регламент о требованиях пожарной безопасности".
Настоящий свод правил содержит требования по расчету и проектированию ограждающих конструкций из трехслойных панелей в развитие СП 16.13330.2017 и СП 128.13330.2016.
Настоящий свод правил разработан с целью совершенствования технологий проектирования, производства и устройства ограждения из трехслойных панелей с различными утеплителями.
Свод правил выполнен авторским коллективом ЗАО "ЦНИИПСК им. Мельникова" (руководитель разработки - Е.А. Понурова; исполнители - канд. техн. наук В.Ф. Беляев, С.И. Бочкова, Н.Ю. Ладзь, М.С. Парфенов).
Изменение N 1 к настоящему своду правил разработано авторским коллективом ЗАО "ЦНИИПСК им. Мельникова" (канд. техн. наук В.Ф. Беляев, С.И. Бочкова, Д.Е. Голубев, К.М. Софронов, В.В. Косенков, А.В. Шуринов).
Настоящий свод правил распространяется на проектирование и расчет ограждающих конструкций крыш, наружных стен, а также подвесных потолков и внутренних перегородок с применением трехслойных панелей типа "сэндвич" со слабопрофилированными или гофрированными обшивками из стального холоднокатаного тонкого листа толщиной от 0,5 до 2,0 мм, защищенного цинковым или алюмоцинковым покрытием, или из алюминиевых лент толщиной не менее 0,55 мм и сердцевиной толщиной не более 300 мм.
В настоящем своде правил использованы нормативные ссылки на следующие документы:
ГОСТ 380-2005 Сталь углеродистая обыкновенного качества. Марки
ГОСТ 4784-2019 Алюминий и сплавы алюминиевые деформируемые. Марки
ГОСТ 5582-75 Прокат тонколистовой коррозионно-стойкий, жаростойкий и жаропрочный. Технические условия
ГОСТ 13726-97 Ленты из алюминия и алюминиевых сплавов. Технические условия
ГОСТ 14918-2020 Прокат листовой горячеоцинкованный. Технические условия
ГОСТ 15588-2014 Плиты пенополистирольные теплоизоляционные. Технические условия
ГОСТ 16523-97 Прокат тонколистовой из углеродистой стали качественной и обыкновенного качества общего назначения. Технические условия
ГОСТ 19904-90 Прокат листовой холоднокатаный. Сортамент
ГОСТ 21562-76 Панели металлические с утеплителем из пенопласта. Общие технические условия
ГОСТ 23486-79 Панели металлические трехслойные стеновые с утеплителем из пенополиуретана. Технические условия
ГОСТ 27751-2014 Надежность строительных конструкций и оснований. Основные положения
ГОСТ 30403-2012 Конструкции строительные. Метод испытаний на пожарную опасность
ГОСТ 30247.1-94 (ИСО 834-75) Конструкции строительные. Методы испытаний на огнестойкость. Несущие и ограждающие конструкции
ГОСТ 32314-2012 (EN 13162:2008) Изделия из минеральной ваты теплоизоляционные промышленного производства, применяемые в строительстве. Общие технические условия
ГОСТ 32603-2021 Панели трехслойные с металлическими облицовками и сердечником из минеральной ваты. Технические условия
ГОСТ 34180-2017 Прокат стальной тонколистовой холоднокатаный и холоднокатаный горячеоцинкованный с полимерным покрытием с непрерывных линий. Технические условия
ГОСТ Р 56148-2014 (EN 13163:2009) Изделия из пенополистирола ППС (EPS) теплоизоляционные, применяемые в строительстве. Технические условия
ГОСТ Р 56590-2016 (EN 13165:2012) Плиты на основе пенополиизоцианурата теплозвукоизоляционные. Технические условия
ГОСТ Р ИСО 12491-2011 Материалы и изделия строительные. Статистические методы контроля качества
СП 12.13130.2009 Определение категорий помещений, зданий и наружных установок по взрывопожарной и пожарной опасности (с изменением N 1)
СП 16.13330.2017 "СНиП II-23-81* Стальные конструкции" (с изменениями N 1, N 2)
СП 20.13330.2016 "СНиП 2.01.07-85* Нагрузки и воздействия" (с изменениями N 1, N 2, N 3)
СП 28.13330.2017 "СНиП 2.03.11-85 Защита строительных конструкций от коррозии" (с изменениями N 1, N 2)
СП 109.13330.2012 "СНиП 2.11.02-87 Холодильники" (с изменениями N 1, N 2, N 3)
СП 128.13330.2016 "СНиП 2.03.06-85 Алюминиевые конструкции"
СП 131.13330.2020 "СНиП 23-01-99* Строительная климатология"
Примечание - При пользовании настоящим сводом правил целесообразно проверить действие ссылочных документов в информационной системе общего пользования - на официальном сайте федерального органа исполнительной власти в сфере стандартизации в сети Интернет или по ежегодному информационному указателю "Национальные стандарты", который опубликован по состоянию на 1 января текущего года, и по выпускам ежемесячного информационного указателя "Национальные стандарты" за текущий год. Если заменен ссылочный документ, на который дана недатированная ссылка, то рекомендуется использовать действующую версию этого документа с учетом всех внесенных в данную версию изменений. Если заменен ссылочный документ, на который дана датированная ссылка, то рекомендуется использовать версию этого документа с указанным выше годом утверждения (принятия). Если после утверждения настоящего свода правил в ссылочный документ, на который дана датированная ссылка, внесено изменение, затрагивающее положение, на которое дана ссылка, то это положение рекомендуется применять без учета данного изменения. Если ссылочный документ отменен без замены, то положение, в котором дана ссылка на него, рекомендуется применять в части, не затрагивающей эту ссылку. Сведения о действии сводов правил целесообразно проверить в Федеральном информационном фонде стандартов.
В настоящем своде правил применены термины по ГОСТ 32603, а также следующие термины с соответствующими определениями:
3.1 местное выпучивание: Образование местных волн потери устойчивости сжатой обшивки панели при продольном изгибе.
3.2 трехслойная панель: Самонесущая конструкция, состоящая из двух обшивок (облицовок) из стали или алюминиевой ленты и сердечника, соединенных между собой посредством адгезии.
3.3 несущая панель: Панель, рассчитанная на то, чтобы выдерживать собственный вес и все возможные эксплуатационные нагрузки и передавать эти нагрузки на несущие элементы каркаса.
3.4 плоская обшивка: Обшивка в виде гладкого листа из стали или алюминиевых лент без гофрированной поверхности.
3.5 слабопрофилированная обшивка: Обшивка из стали или алюминиевых лент с прокатной гофрировкой различного профиля высотой Hсп не более 5 мм.
3.6 профилированная обшивка: Гофрированная обшивка из стали или алюминиевых лент с прокатной гофрировкой различного профиля высотой Hсп до 55 мм.
3.7 самонесущая панель: Панель, рассчитанная на то, чтобы выдерживать собственный вес, ветер, перепады температур и внутреннее воздушное давление.
3.8 стык: Сопряжение по продольным кромкам панелей, обеспечивающее влаго- и воздухонепроницаемое соединение панелей в одной плоскости.
Примечания
1 Стыки могут включать дополнительные элементы, которые усиливают механические свойства конструкции, а также улучшают тепловые, акустические и противопожарные свойства и ограничивают движение воздуха.
2 Термин "стык" в данной трактовке не охватывает сопряжение разрезных панелей или сопряжение, в котором панели не смонтированы в одной и той же плоскости.
3.9 температурное воздействие: Возникновение внутренних сил в панели от воздействия разности температур на ее обшивках.
4.1.1 Проверку несущей способности панелей следует производить путем расчетов и/или испытаний так, чтобы удовлетворялось условие формулы (1). Внутренние напряжения от эксплуатационных или особых нагрузок должны быть равны или менее расчетных напряжений, деформации от нагрузок должны быть менее расчетных. Предельное состояние по потере несущей способности вычисляют по формуле
, (1)
где γf - коэффициент надежности по нагрузкам;
γc - коэффициент условий работы;
γn - коэффициент надежности по ответственности сооружений;
ψ - коэффициент сочетаний нагрузок;
S1d - обобщенное значение внешних силовых воздействий;
Ryn - нормативное или экспериментальное значение сопротивления материала;
γm - коэффициент надежности по материалу.
Правила расчета, приведенные в настоящем своде правил, применены для панелей с облицовками из листовой стали толщиной от 0,5 до 2,0 мм или алюминиевых лент толщиной не менее 0,55 мм при общей толщине панелей от 50 до 300 мм без учета высоты гофра.
Внутренний слой (сердцевина) может быть изготовлен из полимерного пенопласта, например: полиуретана, полистирола, полиизоцианурата, фенолальдегида, минеральной ваты и другого материала, обладающего достаточной механической прочностью и жесткостью, а также высокими теплоизоляционными характеристиками.
Панели должны представлять собой единое целое обшивок и сердечника, надежно соединенных клеевым слоем и способное воспринимать как кратковременные, так и длительные нагрузки с минимальным изменением механических свойств во времени.
При расчете панелей следует учитывать:
- коэффициенты надежности по ответственности сооружений γn, принимаемые по ГОСТ 27751;
- коэффициенты условий работы элементов панелей γc, принимаемые по таблице 1.
Таблица 1
|
Наименование проверок |
Коэффициент условий работы γc |
|
1 Проверка работы обшивки на смятие у промежуточной опоры |
0,9 |
|
2 Проверка на сдвиг и разрушение сердечника панели |
0,9 |
|
3 Проверка прочности крепления панелей к несущим элементам каркаса здания от отрывающей реакции на опорах |
0,8 |
Для ограждающих конструкций из трехслойных панелей, эксплуатируемых в условиях температур ниже минус 45 °C в обшивках, работающих в контакте с отрицательными температурами, следует применять сталь групп прочности ОК300В, ОК360В и ОК400В по ГОСТ 16523-97 из стали марок Ст3сп, Ст3Гпс и Ст3Гсп по ГОСТ 380-2005.
Для изготовления алюминиевых обшивок трехслойных панелей, предназначенных для эксплуатации во всем интервале температур по СП 131.13330, а также в зданиях низкотемпературных холодильников и помещений для охлаждения по СП 109.13330 следует применять сплавы марок 3XXX и 5XXX серии, физико-механические свойства и химический состав которых указан в ГОСТ 13726 и ГОСТ 4784.
4.2.1 Для изготовления стальных плоских, слабопрофилированных и профилированных обшивок из оцинкованной стали следует применять стальной тонколистовой рулонный холоднокатаный прокат толщиной от 0,5 до 2,0 мм, горячеоцинкованный с защитно-декоративным полимерным покрытием по ГОСТ 34180, с пределом текучести не менее 230 МПа. Механические свойства стальных листов должны соответствовать ГОСТ 14918. Предельные отклонения по толщине стальных листов нормируются по высокой точности по ГОСТ 14918. Значения расчетных сопротивлений определяют делением нормативного значения предела текучести на коэффициенты γm, приведенные в СП 16.13330.
Для изготовления плоских, слабопрофилированных и профилированных обшивок из коррозионно-стойкой стали следует применять прокат толщиной от 0,5 до 2,0 мм по ГОСТ 5582, с пределом текучести не менее 205 МПа, модулем упругости материала не менее 1,9·105 Н/мм2. Предельные отклонения по толщине проката нормируются по высокой точности по ГОСТ 19904.
Для изготовления алюминиевых плоских, слабопрофилированных и профилированных обшивок следует применять тонколистовой алюминиевый прокат толщиной не менее 0,55 мм с химическими составами по ГОСТ 4784 с пределом текучести не менее 145 МПа без покрытия (только для марок АД1М, АМцМ, АМг2М) или с защитно-декоративным полимерным покрытием. Механические свойства должны соответствовать требованиям ГОСТ 13726 для лент. Предельные несимметричные отклонения по толщине алюминиевых лент нормируются по повышенной точности согласно ГОСТ 13726. Допускается поставка с симметричными отклонениями по ширине. Значения расчетных сопротивлений определяют с учетом коэффициентов γm и γu, приведенных в СП 128.13330. Для алюминиевых обшивок следует применять сплавы марок, для которых расчетное сопротивление по пределу текучести Ry меньше, чем расчетное сопротивление по временному сопротивлению Ru, и выполняется условие: Ryn/γm < Run/γmγu.
Значения несущей способности панели, необходимые для расчета, должны быть определены в соответствии с принятым предельным состоянием панели согласно настоящему пункту. Для выполнения расчетов проектировщику необходимы параметры панели, приведенные на рисунках 1 и 2 и в таблице 2.
В миллиметрах

Рисунок 1 - Параметры гладких и слабопрофилированных обшивок

Рисунок 2 - Параметры профилированных обшивок
|
Слой |
Размеры |
Свойство материала |
Структурное свойство |
|
Обшивка 1 |
t1, d1, d11, d12, b11, b12, AF1, lF1 |
EF1, aF1 |
BF1 |
|
Сердцевина |
ds |
ES, GS |
S |
|
Обшивка 2 |
t2, d2, d21, d22, AF2, lF2 |
EF2, aF2 |
BF2 |
Геометрические характеристики панелей t1, d1, d11, d12, b11, b12, AF1, lF1, dc, t2, d2, d21, d22, b22, b21, AF2, lF2, φ1, φ2.
4.2.2 Механические свойства материала сердцевины принимаются в соответствии с ГОСТ 15588, ГОСТ 21562, ГОСТ 23486, ГОСТ 32314, ГОСТ 32603, ГОСТ Р 56148, ГОСТ Р 56590. Значения механических свойств сердцевины панели из различных материалов приведены в таблицах 3, 4 и 5.
|
Наименование показателя |
Требуемое значение показателя для панелей по ГОСТ 32603 класса <*> | |
|
1-го |
2-го | |
|
Плотность, кг/м3, не менее |
105,0 |
95,0 |
|
Предел прочности на сжатие материала сердцевины Rycc, МПа, не менее |
0,06 |
0,05 |
|
Предел прочности на растяжение (отрыв слоев) материала сердцевины Rypc, МПа, не менее |
0,10 |
0,08 |
|
Предел прочности на сдвиг (срез) материала сердцевины Rcc, МПа, не менее |
0,05 |
0,04 |
|
Предел текучести стальных оцинкованных обшивок Ryn, МПа |
230 |
230 |
|
Модуль упругости стальной оцинкованной обшивки Ef, МПа |
2,1·105 |
2,1·105 |
|
Предел текучести обшивок из коррозионно-стойкой стали Ryn, МПа |
205 |
205 |
|
Модуль упругости обшивки из коррозионно-стойкой стали Ef, МПа |
1,9·105 |
1,9·105 |
|
Предел текучести алюминиевых обшивок Ryn, МПа |
145 |
145 |
|
Модуль упругости алюминиевой обшивки Ef, МПа |
0,71·105 |
0,71·105 |
|
Модуль упругости материала сердцевины при растяжении Ep, МПа, не менее |
4,0 |
3,5 |
|
Модуль упругости материала сердцевины при сжатии Ec, МПа, не менее |
4,0 |
2,7 |
|
Модуль сдвига материала сердцевины GS, МПа, не менее |
1,4 |
0,9 |
|
Коэффициент ползучести <**> (только для панелей крыши и потолка): | ||
|
φ2000 |
1,5 |
1,5 |
|
φ100000 |
4,0 |
4,0 |
|
Прочность клеевого соединения на образцах "сталь-сталь", МПа, не менее |
1,0 |
1,0 |
|
<*> Область применения и условия эксплуатации панелей 1-го и 2-го класса с сердечником из минеральной ваты приведены в пунктах 5.1.3 и 5.1.4 ГОСТ 32603-2021. <**> Определение коэффициента ползучести приведено в разделе 12. | ||
|
Наименование показателя |
Требуемое значение показателя для панелей с сердечником из пенополистирола по ГОСТ 15588 марки ППС 17 |
|
Плотность, кг/м3, не менее |
17,0 |
|
Предел прочности на сжатие материала сердцевины Rycc, МПа, не менее |
0,08 |
|
Предел прочности на растяжение (отрыв слоев) материала сердцевины Rypc, МПа, не менее |
0,1 |
|
Предел прочности на сдвиг (срез) материала сердцевины Rcc, МПа, не менее |
0,08 |
|
Предел текучести стальных обшивок Ryn, МПа |
230 |
|
Модуль упругости материала обшивки Ef, МПа |
2,1·105 |
|
Предел текучести обшивок из коррозионно-стойкой стали Ryn, МПа |
205 |
|
Модуль упругости обшивки из коррозионно-стойкой стали Ef, МПа |
1,9·105 |
|
Предел текучести алюминиевых обшивок Ryn, МПа |
145 |
|
Модуль упругости алюминиевой обшивки Ef, МПа |
0,71·105 |
|
Модуль упругости материала сердцевины при растяжении Ep, МПа, не менее |
2,4 |
|
Модуль упругости материала сердцевины при сжатии Ec, МПа, не менее |
3,5 |
|
Модуль сдвига материала сердцевины Gs, МПа |
1,6 |
|
Коэффициент ползучести <*> (только для панелей крыши и потолка): | |
|
φ2000 |
2,4 |
|
φ100000 |
7,0 |
|
Прочность клеевого соединения на образцах "сталь-сталь", МПа |
1,0 |
|
<*> Определение коэффициента ползучести приведено в разделе 12. | |
|
Наименование показателя |
Требуемое значение показателя для панелей с сердечником из пенополиуретана и пенополиизоцианурата | |
|
ППУ |
ППИ/ПИР | |
|
Плотность, кг/м3, не менее |
35,0 |
37,0 |
|
Предел прочности на сжатие материала сердцевины Rycc, МПа, не менее |
0,1 |
0,1 |
|
Предел прочности на растяжение (отрыв слоев) материала сердцевины Rypc, МПа, не менее |
0,06 |
0,08 |
|
Предел прочности на сдвиг (срез) материала сердцевины Rcc, МПа, не менее |
0,10 |
0,12 |
|
Предел текучести стальных обшивок Ryn, МПа |
230 |
230 |
|
Модуль упругости материала обшивки Ef, МПа |
2,1·105 |
2,1·105 |
|
Предел текучести обшивок из коррозионно-стойкой стали Ryn, МПа |
205 |
205 |
|
Модуль упругости обшивки из коррозионно-стойкой стали Ef, МПа |
1,9·105 |
1,9·105 |
|
Предел текучести алюминиевых обшивок Ryn, МПа |
145 |
145 |
|
Модуль упругости алюминиевой обшивки Ef, МПа |
0,71·105 |
0,71·105 |
|
Модуль упругости материала сердцевины при растяжении Ep, МПа, не менее |
1,7 |
1,8 |
|
Модуль упругости материала сердцевины при сжатии Ec, МПа, не менее |
1,6 |
1,7 |
|
Модуль сдвига материала сердцевины GS, МПа |
1,5 |
1,8 |
|
Коэффициент ползучести <*> (только для панелей крыши и потолка): | ||
|
φ2000 |
2,4 |
2,4 |
|
φ100000 |
7,0 |
7,0 |
|
Прочность клеевого соединения на образцах "сталь-сталь", МПа |
1,0 |
1,0 |
|
<*> Определение коэффициента ползучести приведено в разделе 12. | ||
4.2.3 Указанные в таблицах 3 - 5 значения физико-механических характеристик материалов для изготовления панелей являются минимальными, за исключением справочных показателей плотности. При проведении расчетов следует использовать фактические значения указанных показателей, декларируемых изготовителем согласно документу, по которому проводят изготовление панелей (национальный стандарт, технические условия, стандарт организации), и подтвержденных изготовителем в паспорте качества либо протоколом испытаний.
4.2.4 Применяемый клей должен обеспечивать предел прочности клеевого соединения облицовок с сердцевиной, превышающий предел прочности сердцевины на разрыв при испытании образца сердцевины на растяжение.
Предельные состояния первой и второй групп определяют несущую способность панелей, противодействующую разрушению конструкции под внешними силовыми воздействиями, а также невозможность их дальнейшей эксплуатации при достижении предельных прогибов.
Сочетания нагрузок приняты в соответствии с СП 20.13330. Однако при назначении коэффициентов сочетания и частных коэффициентов материала следует учитывать специфичные для трехслойных панелей погодные факторы и их влияние на нагрузки и напряженное состояние, а также значительную изменчивость механических характеристик материала сердцевины вследствие ползучести слоя утеплителя.
Предельное состояние первой группы определяет несущую способность панелей, вследствие возникновения повреждений конструкций под внешними воздействиями, при которых дальнейшая эксплуатация панели невозможна. В панелях могут возникать следующие предельные состояния:
- текучесть в обшивках панелей с последующим их разрушением;
- выпучивание обшивок панели с последующим разрушением панели;
- разрушение профилированной обшивки вследствие местной потери устойчивости стенок и полок профиля;
- разрушение сердечника в результате сдвига утеплителя;
- разрушение профилированной обшивки вследствие сдвига;
- разрушение сердечника или профилированной обшивки на контакте с сосредоточенной линейной нагрузкой;
- разрушение панелей в месте контакта с опорной конструкцией.
Проверку предельного состояния по деформациям панелей проводят путем расчета на воздействие нормативных нагрузок. Прогибы панелей не должны превышать значений расчетных прогибов по СП 20.13330.
При расчете панелей следует пользоваться одним из двух методов:
- расчет в стадии упругих деформаций;
- расчет с учетом пластического шарнира.
При расчете панелей по предельным состояниям первой и второй групп необходимо учитывать податливость сердечника при сдвиге. Для этого следует применять постоянный модуль сдвига материала сердцевины, соответствующий среднему значению при нормальной температуре внутри помещения. Главные векторы напряжений должны быть определены по 6.2.
Расчет с учетом развития пластических деформаций следует проводить только тогда, когда проверяются изгибные напряжения над промежуточной опорой. Данный расчет не следует применять, когда первое предельное состояние - разрушение заполнителя при сдвиге.
Внутренние силы в сечениях панели (изгибающие моменты, нормальная и сдвигающая силы) - результат комбинации всех воздействий, приложенных к трехслойным панелям, следует находить применением теории упругости с учетом податливости материала заполнителя при сдвиге.
Формулы расчета панелей должны соответствовать приведенным в таблице А.1 для панелей с гладкими и слабопрофилированными поверхностями и в таблице А.2 для панелей с профилированными поверхностями (приложение А).
6.2.1 Распределение изгибающих моментов в предельном состоянии при потере несущей способности в сплошном многослойном элементе может быть выбрано произвольно при условии, что главные векторы внутренних напряжений находятся в равновесии с внешними воздействиями, которые должны быть равны или выше самой неблагоприятной комбинации расчетных воздействий. Эти напряжения никогда не должны превышать сопротивление пластической деформации поперечного сечения.
6.2.2 При расчете предельного состояния в пластической стадии работы с учетом развития пластических деформаций сплошная многопролетная многослойная панель может быть заменена схемой разрезных балочных систем, с опорами по концам панелей, с нулевым сопротивлением изгибу на промежуточных опорах. В этой расчетной схеме в многослойных панелях с плоскими или слегка профилированными поверхностями напряжения, вызванные перепадом температур между поверхностями, можно не учитывать.
6.3.1 Расчет трехслойных панелей проводят исходя из следующих предположений:
- материалы заполнителя и поверхностей для диапазона рассматриваемых деформаций остаются линейно упругими;
- продольные деформации сердцевины настолько малы в сравнении с деформациями обшивок, что влиянием продольных нормальных напряжений в заполнителе можно пренебречь, за исключением случая, когда расчет проводят в пластической стадии и пластические шарниры допускаются в расчетной схеме панели;
- внутренний слой панели (сердцевина) настолько податлива, что при определении равнодействующих напряжений нельзя пренебрегать влиянием деформаций сдвига;
- при длительном воздействии поперечных нагрузок (постоянная и временная нагрузки, снег и т.п.) в покрытиях и перекрытиях зданий, в потолочных панелях ползучесть внутренних слоев панелей от напряжений сдвига вызывает образование дополнительных прогибов и изменение внутреннего напряженного состояния. Это следует принимать во внимание при расчетах по предельным состояниям первой и второй групп;
- в трехслойных панелях температура представляет собой, в ряде случаев, доминирующий случай нагрузки, что создает изгибающие моменты в сечениях панелей. При расчете панелей стен и кровли следует обязательно учитывать температурные воздействия вследствие разности температур на наружной и внутренней обшивках. Температуры на внешней и внутренней обшивках определяют в соответствии с СП 20.13330.
Примечание - Требования по определению температурных нагрузок для панелей зданий холодильников приведены в СП 109.13330.
6.3.2 Для панелей с плоскими или слабопрофилированными обшивками изгибная жесткость поверхностей (BF1 = EF1IF1, BF2 = EF2IF2) мала и оказывает незначительное влияние на распределения напряжений и прогибы панели. В этом случае изгибной жесткостью поверхностей следует пренебречь (BF1 = BF2 = 0). Расчеты внутренних сил следует основывать только на главных векторах напряжений и определять по формуле
MS = eNF1 = eNF2 и QS. (2)
Примечания
1 Нормальные силы NF1 и NF2 вызывают равномерное распределение сжимающих и растягивающих напряжений во внешних и внутренних слоях панели, в то время как изгибающие моменты MF1 и MF2 вызывают нормальные напряжения, которые изменяются линейно по глубине слоя сердцевины. Местная потеря устойчивости сжатой обшивки панели делает распределение нормальных напряжений на поверхности нелинейным.
2 Поперечная сила QS вызывает равномерное распределение сдвигающих напряжений τc по высоте сердцевины панели. В этом случае жесткость слоя сердцевины при сжатии и растяжении в направлении вдоль трехслойной панели не принимается во внимание. Поперечные силы QF1 и QF2 вызывают сдвигающие напряжения τF1 и τF2 на слоях обшивки с конечной изгибной жесткостью.
6.3.3 Несущую способность многослойной панели следует определять по двум расчетным схемам (рисунки 3 и 4):
- от изгибающих моментов:
- момента MF на стальных или алюминиевых обшивках панели и момента MS (многослойная часть), который возникает от нормальных сил NF1 и NF2 на поверхностях, умноженных на расстояние между центрами тяжести e;
- от поперечных сил:
- сдвигающей силы QF на стальных или алюминиевых обшивках панели и компонента сдвигающей силы QS в многослойной части профиля.
Следует допустить, что сдвигающие напряжения τF1 и τF2 постоянны по высоте стенок профилей стальной или алюминиевой обшивки (рисунок 6).

Рисунок 3 - Схема внутренних усилий в сечении панели со слабопрофилированными обшивками

Рисунок 4 - Схема внутренних напряжений в сечении панели со слабопрофилированными обшивками
6.3.4 В панелях с одной или обеими профилированными (толстыми) поверхностями следует учитывать изгибную жесткость этих поверхностей (BF1 + BF2 ≠ 0). Главные внутренние силы в поперечном сечении определяют по формуле
M = MS + MF1 + MF2 и Q = QS + QF1 + QF2, (3)
где MS и QS - изгибающий момент и поперечная сила в сердцевине панели;
MF1 и QF1 - изгибающий момент и поперечная сила в верхней обшивке панели;
MF2 И QF2 - изгибающий момент и поперечная сила в нижней обшивке панели.
См. также рисунки 5 и 6 и формулы (7) - (9).

Рисунок 5 - Схема внутренних усилий в сечении панели с профилированными обшивками

Рисунок 6 - Схема внутренних напряжений в сечении панели с профилированными обшивками
6.3.5 После определения расчетной схемы изгибные напряжения на поверхностях обшивок должны быть определены с помощью формул (4) - (6):
;
; (4)
;
; (5)
;
, (6)
где AF1, AF2 - площади поперечного сечения профилированных обшивок;
IF1, IF2 - моменты инерции профилированных обшивок.
Касательные напряжения в сердцевине и на обшивках должны быть вычислены по формулам (7) и (8) соответственно:
; (7)
; (8)
, (9)
где sw1 и sW2 - высота стенок профилированных обшивок;
t1 и t2 - толщина стенок профилированных обшивок;
n1 и n2 - число стенок в гофрах профилированных обшивок панели на единицу ширины панели.
7.1.1 Статическая схема, используемая в расчете многослойных панелей, должна быть согласована с числом и местоположением опор в проекте. Значения длины пролетов определены как расстояния между средними линиями опор.
7.1.2 Размеры панелей, которые важны для определения статических параметров сечения, такие как толщина и ширина, а также размеры профилей обшивок должны соответствовать реальным размерам продукции с учетом допусков.
Расчетную толщину стального поверхностного листа следует принимать как td = tном - tцинк - 0,5tдопуск, где tном - номинальная толщина стального листа, tцинк - общая толщина цинковых слоев (или аналогичного защитного покрытия) и tдопуск - нормальный или высокий допуск согласно ГОСТ 19904. Расчетную толщину обшивок из других металлов: алюминия, нержавеющей стали или меди, должны определять таким образом, чтобы они представляли статистически надежные минимальные значения толщины. Расчетную толщину алюминиевого поверхностного листа следует принимать как td = tном - tпок - 0,5tдопуск, где tпок - толщина защитного покрытия; tдопуск - допуск по толщине для повышенной точности согласно ГОСТ 13726.
7.2.1 Однопролетные панели
7.2.1.1 Трехслойные панели при эксплуатации в составе ограждающих конструкций зданий и сооружений испытывают преимущественно воздействие внешних сил в виде равномерно распределенной нагрузки и воздействие разности температур на обшивках. Однопролетные панели с плоскими или слабопрофилированными обшивками на практике преимущественно испытывают воздействие внешних сил в виде равномерно распределенной нагрузки. Воздействия разности температур на обшивках не вызывают развития в поперечных сечениях однопролетных панелей внутренних изгибающих моментов продольных и поперечных сил и создают лишь дополнительный прогиб в середине пролета. Внутренние силы в сечениях панели определяют далее на единицу ширины панели.
7.2.1.2 Параметры, характеризующие жесткости элементов панели:
- жесткость обшивок:
BF1 = EFIF1; BF2 = EFIF2;
- жесткость панели:
;
; (10)
GS - модуль сдвига материала сердцевины панели;
Bs - жесткость при изгибе на единицу ширины панели;
As - площадь сердцевины на единицу ширины панели As = e;
B - ширина панели;
kt - коэффициент сдвиговой податливости слоев панели с тонкими обшивками.
Для панелей с одинаковым материалом обшивок жесткость панели на единицу ширины определяют по формуле
при As = e. (11)
7.2.1.3 Изгибающие моменты и поперечные силы в сечениях панели определяются по формулам:
MF1 = MF2 = 0; QF1 = QF2 = 0;
;
. (12)
7.2.2 Неразрезные многопролетные панели с тонкими обшивками
7.2.2.1 Внутренние силы в сечениях неразрезных трехслойных панелей следует определять посредством выражений для изгибающего момента, опорной реакции и сдвигающей силы на промежуточной опоре и прогибов в пролетах, вызванных равномерно распределенной нагрузкой и перепадом температур на сплошной двух- или трехпролетной панели.
7.2.2.2 Внутренние силы, возникающие в сечениях двухпролетной панели от воздействия внешней равномерно распределенной нагрузки, вычисляют по формулам:
MF1 = MF2 = 0; QF1 = QF2 = 0;
;
; (13)
;
, (14)
где MF1 = MF2 - изгибающие моменты в обшивках;
MS - изгибающий момент в сечении панели в пролете;
MSB - изгибающий момент в сечении панели на промежуточной опоре B;
FB - опорная реакция на промежуточной опоре;
QSB - поперечная сила на промежуточной опоре B;
kt - см. формулу (10).
7.2.2.3 Максимальные внутренние силы, возникающие в сечениях двухпролетной панели от воздействия разности температур на обшивках панели, определяются по формулам:
MF1 = MF2 = 0; QF1 = QF2 = 0;
;
; (15)
;
, (16)
где
;
kt - см. формулу (10).
7.2.2.4 Внутренние силы, возникающие в сечениях трехпролетной панели от воздействия внешней равномерно распределенной нагрузки, вычисляют по формулам:
MF1 = MF2 = 0; QF1 = QF2 = 0;
;
; (17)
;
, (18)
где kt - см. формулу (10).
7.2.2.5 Внутренние силы, возникающие в сечениях трехпролетной панели от воздействия разности температур на обшивках панели, вычисляют по формулам:
MF1 = MF2 = 0; QF1 = QF2 = 0;
;
; (19)
;
, (20)
где
;
kt - см. формулу (10).
7.3.1 Однопролетные панели
7.3.1.1 При расчете однопролетных панелей жесткость профилированных листов обшивки существенно влияет на распределение усилий в сечениях панели. В общем случае применяются численные методы расчета, например, с помощью метода конечных элементов.
7.3.1.2 При расчете панелей с профилированными обшивками принимают следующие характеристики жесткости обшивок и панелей в целом:
- при профилированных обшивках различной формы с обеих сторон панелей жесткость на единицу ширины панели:
BF1p = EFIF1; BF2p = EFIF2; (21)
; (22)
- при одной профилированной и одной гладкой или слабопрофилированной обшивках панелей
; (23)
- коэффициент сдвиговой податливости слоев панели с профилированными обшивками
, (24)
где G - модуль сдвига слоев панели.
7.3.1.3 Изгибающие моменты и поперечные силы от равномерно распределенной нагрузки для однопролетных панелей с жесткими обшивками вычисляют по формулам:
;
; (25)
; (26)
MF = BSpθ, (27)
где kp - см. формулу (24).
7.3.2 Неразрезные многопролетные панели с профилированными обшивками
7.3.2.1 Напряжения в сечениях панелей и прогибы сплошных многослойных панелей с толстыми обшивками можно определить аналитически для часто встречающихся простых случаев.
7.3.2.2 Эпюры внутренних сил от воздействия внешней равномерно распределенной нагрузки и разности температур на обшивках в двухпролетных панелях приведены на рисунке 7.

а - усилия в панели от постоянной нагрузки; б - усилия в панели от разности температур на обшивках; 1, 2 - пролеты
Рисунок 7 - Эпюры M и Q в трехслойных панелях и их обшивках от равномерно распределенной нагрузки
7.3.2.3 Изгибающие моменты и поперечные силы в сечениях двухпролетной неразрезной панели, в пролетах и на опорах A (крайняя) и B (промежуточная) от равномерно распределенной нагрузки вычисляют по формулам:
;
; (28)
; (29)
;
; (30)
FB = -2QSB1,
где kp - см. формулу (24);
MS1 - изгибающий момент в пролете панели с профилированной обшивкой;
MSB - изгибающий момент на опоре панели с профилированной обшивкой;
MFB - изгибающий момент в профилированной обшивке панели;
QSA - поперечная сила в панели на опоре A;
QSB1 - поперечная сила в панели на опоре B;
BSp - жесткость на единицу ширины панели;
BF1p - жесткость профилированной обшивки на единицу ширины панели;
FA и FB - опорные реакции на опорах A и B.
7.3.2.4 Изгибающие моменты и поперечные силы в сечениях двухпролетной неразрезной панели, в пролетах и на опорах A (крайняя) и B (промежуточная) от разности температур на обшивках панели вычисляют по формулам:
;
; (31)
;
, (32)
где
;
kp - см. формулу (24).
7.3.2.5 Эпюры внутренних сил от воздействия равномерно распределенной нагрузки и разности температур на обшивках в трехпролетных панелях приведены на рисунке 8. Изгибающие моменты и поперечные силы в сечениях трехпролетной неразрезной панели, в пролетах и на опорах A (крайняя) и B (промежуточная) от равномерно распределенной нагрузки определяются по формулам:
;
; (33)
; (34)
;
;
; (35)
, (36)
где kp - см. формулу (24).

а - усилия в панели от постоянной нагрузки; б - усилия в панели от разности температур на обшивках; 1, 2, 3 - пролеты
Рисунок 8 - Эпюры M и Q в трехслойных панелях и их обшивках от поперечной равномерно распределенной нагрузки и разности температур на обшивках панели
7.3.2.6 Изгибающие моменты и поперечные силы в сечениях трехпролетной неразрезной панели, в пролетах и на опорах A (крайняя) и B (промежуточная) от разности температур вычисляют по формулам:
; (37)
, (38)
, (39)
где
;
kp - см. формулу (24).
8.1.1 Сжатая плоская поверхность обшивки панели в предельном состоянии может потерять устойчивость из плоскости панели (образуются складки); подобное может произойти как в пролете, так и над опорами. Максимальное напряжение от изгибающего момента Mu, которое может выдержать обшивка, может быть вычислено по формуле
, (40)
где e - расстояние между центрами тяжести обшивок панелей;
b - ширина панели;
t1 - толщина сжатого стального или алюминиевого листа обшивки.
8.1.2 Критические напряжения потери местной устойчивости плоской обшивки для панелей с двумя плоскими или слабопрофилированными обшивками вычисляют по формуле
, (41)
где kd - коэффициент, зависящий от начальных дефектов и значений коэффициента Пуассона, при отсутствии экспериментальных данных, принимается равным 0,6 - для панелей с сердцевиной из качественного полиуретана и 0,5 - для панелей из других видов утеплителя;
- среднее значение модуля упругости сердцевины при растяжении и сжатии;
GS - среднее значение модуля сдвига сердцевины;
EF - модуль упругости стальной или алюминиевой обшивки;
Ec - модуль упругости материала сердцевины при сжатии;
Ep - модуль упругости материала сердцевины при растяжении.
8.1.3 Значение уточненного коэффициента kd, постоянного для однотипных трехслойных панелей с одинаковыми обшивками и видом утеплителя, определяют экспериментальным путем.
8.1.4 Местная устойчивость (выпучивание) плоских и слабопрофилированных обшивок зависит от первоначальных дефектов формы обшивок, дефектов сердечника и клеевого слоя. Значения σkr рекомендуется определять на основании проведения испытаний на полноразмерных панелях, отобранных из партии продукции.
8.2.1 Для сильнопрофилированной сжатой обшивки критические напряжения следует определять для сжатых элементов сечения обшивки, рассматривая ее как полку или стенку ничем не подкрепленного профилированного листа. Допускается учитывать также упругое подкрепляющее влияние сердцевины.
8.2.2 Профилированная стальная или алюминиевая обшивка панели в сжатой зоне трехслойной панели при определенной приведенной гибкости λ̅ пластинки поперечного сечения профиля, подкрепленная с двух сторон, может терять устойчивость, и гофрированный профиль обшивки может участвовать в работе панели только эффективной частью своего сечения, не потерявшей устойчивости. Это положение можно учесть снижением значения расчетного сопротивления профилированной обшивки, которое вычисляют по формуле
Ry,ef = ρRy. (42)
Понижающий коэффициент ρ следует вычислять с допущением, что напряжения сжатия в обшивке равны расчетному сопротивлению материала (σcom = Ry). В этом случае для пластинок, защемленных по двум продольным сторонам, понижающий коэффициент ρ должен быть получен из следующих выражений:
а) для стальной обшивки коэффициент ρ определяют по формулам:
при λ̅p > 0,673; (42а)
ρ = 1,0 при λ̅p ≤ 0,673; (42б)
б) для алюминиевой обшивки коэффициент ρ определяют по формулам:
при λ̅p > 0,517; (42в)
ρ = 1,0 при λ̅p ≤ 0,517. (42г)
Значения приведенной гибкости λ̅p и критического напряжения потери устойчивости σcr для стальной или алюминиевой обшивки вычисляют по формулам:
, (43)
, (44)
где b - ширина пластинки;
t - расчетная толщина пластинки;
kσ - коэффициент, зависящий от граничных условий и характера напряжений в пластинке.
Понижающий коэффициент ρ допускается вычислять с учетом фактических значений напряжений сжатия в обшивке при условии, что напряжения сжатия в обшивке меньше расчетного сопротивления материала (σcom < Ry). В этом случае значение приведенной гибкости должно быть скорректировано по формуле
. (44а)
Коэффициент влияния напряженного состояния полок и стенок профилированной обшивки на местную устойчивость kσ для стальных и алюминиевых обшивок без учета упругого подкрепления внутренним слоем панели принимают с допущением, что полки и стенки обшивок полностью сжаты. В этом случае kσ = 4,0.
8.2.3 При учете упругого подкрепления внутренним слоем панели коэффициент влияния напряженного состояния полок и стенок профилированной обшивки на местную устойчивость kσ вычисляют по формуле
;
. (45)
8.2.4 Достижение критических напряжений устойчивости не зависит от ползучести материала сердцевины. На практике ползучесть сердцевины приводит лишь к увеличению прогиба плиты и снижению прочности панели при работе на сжатие.
8.3.1 Несущую способность поперечного сечения от действия поперечной силы Qw вычисляют по формуле
, (46)
где γc - коэффициент условий работы;
hw - высота стенки между срединными плоскостями полок;
Rs - расчетное сопротивление при сдвиге стальной или алюминиевой обшивки, учитывающее потерю устойчивости стенки обшивки, приведенное в таблице 6;
α - угол наклона стенки относительно полок.
Таблица 6
|
Условная гибкость стенки |
Расчетные сопротивления по сдвигу |
|
λ̅w ≤ 1,83 |
0,58Ry |
|
0,83 < λ̅w < 1,40 |
0,48Ry/λ̅w |
|
λ̅w ≥ 1,40 |
0,67Ry/λ̅w2 |
8.3.2 Условную гибкость стенки вычисляют по формуле
, (47)
где sw - наклонная высота стенки гофрированного профиля.
9.1 Несущую способность панели по сопротивлению опорной реакции на поверхности контакта с опорной поверхностью при разрезной и неразрезной схеме работы панели в случае, когда поверхность панели плоская или слабопрофилированная, определяют по 9.4.
9.2 Расчетное значение сопротивления сердцевины панели опорной реакции в зоне контакта элементов каркаса и панели рекомендуется определять экспериментальным путем на полноразмерных образцах.
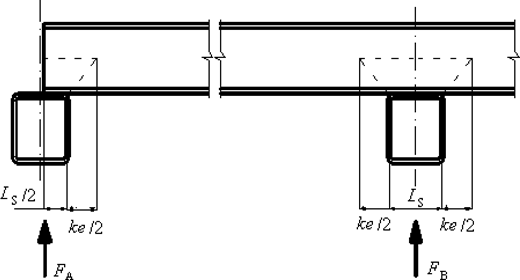
9.3 Несущую способность панели с плоскими обшивками на концевых опорах разрезной или неразрезной панели в предположении, что касательные напряжения, воспринимающие опорную реакцию в сердечнике, действуют только до середины толщины панели (рисунок 9), вычисляют по формуле
FA = γcB·0,5(Ls + kne)Rycc, (48)
где kn - поправочный коэффициент распределения напряжений по площади сердцевины, который следует определять с помощью испытаний; при отсутствии экспериментальных данных рекомендуется применять следующие значения:
- kn = 0 - для минераловатной сердцевины;
- kn = 0,5·102 - для сердцевины из пенопласта (ППУ, ППИ, ППС) при e ≥ 100 мм;
- kne = 0,5·e - для сердцевины из пенопласта (ППУ, ППИ, ППС) при e < 100 мм.

Рисунок 9 - Призма смятия утеплителя сердцевины над опорой
9.4 Несущую способность сердечника на средних опорах неразрезной панели следует вычислять по формуле
FB = γcB(LS + kne)Rycc, (49)
где γc - коэффициент условий работы;
B - ширина панели;
LS - ширина опоры;
e - расстояние между центрами тяжести обшивок;
Rycc - расчетное значение прочности на сжатие материала сердцевины.
9.5 Приведенные выше формулы действительны в предположении, что опорный профиль или опорная пластина обладают достаточной жесткостью, которая может быть обеспечена горячекатаными или гнутыми профилями из листа толщиной более 3 мм. В случае применения открытых тонкостенных гнутых профилей следует допускать, что давление, передаваемое опорой на панель, распределяется на меньшую площадь kpLS + kne, где kp < 1,0.
9.6 При расчете сердцевины панели на сжатие с Rycc в пределах 0,06 - 012 Н/мм2 под действием опорной реакции и момента при нагрузке, направленной вниз, значение Ry,ef следует снижать на 10%.
10.1 Элементы крепления панелей к несущим конструкциям зданий и сооружений испытывают усилия растяжения от ветра и градиента температур, сдвига от собственного веса панелей и действия перемещений от изменения температуры.
10.2 Расчетные значения сопротивления винтовых креплений на срез и растяжение принимают на основании нормативных документов (НД) или определяют экспериментальным путем.
10.3 Несущую способность сдвигу соединения на самонарезающем винте по смятию основного металла обшивки вычисляют по формулам:
- для обшивок из стального листа
; (50)
- для обшивок из алюминиевого листа
при tsup/t = 1,0; (50а)
при tsup/t ≥ 2,5, (50б)
где α - коэффициент, определяемый по таблице 6.1;
Run - нормативное сопротивление стали (или алюминиевого сплава), принимаемое равным минимальному значению временного сопротивления σв по НД и техническим условиям на сталь (алюминий);
d - диаметр винта;
t - расчетная толщина обшивки;
tsup - толщина опорного элемента;
e1 - расстояние от центра отверстия под самонарезающий винт до края листа в направлении действия усилия;
γm2 - коэффициент безопасности по материалу метиза (см. таблицу 6.2);
γc - коэффициент условий работы (см. 10.7).
Для толщин 1,0 < tsup/t ≤ 2,5 несущая способность по смятию Nzp может быть определена линейной интерполяцией.
Для формул (50а) и (50б) должны быть использованы следующие условия:
- самонарезающие и самосверлящие винты должны быть изготовлены из стали или нержавеющей стали с диаметром d ≥ 5,5 мм;
- Run > 260 Н/мм2 не следует учитывать;
- при t > tsup принимают t = tsup.
|
Наименование крепежного элемента |
Формулы для определения коэффициента α | |
|
Самонарезающие винты |
При t = t1 |
|
|
При t1 ≥ 2,5t и t < 1,0 мм |
| |
|
При t1 ≥ 2,5t и t ≥ 1,0 мм |
α = 2,1 | |
|
При t < t1 ≤ 2,5t |
α - по линейной интерполяции | |
|
Примечание - В настоящей таблице приняты следующие обозначения: t - толщина наиболее тонкого из соединяемых элементов; t1 - толщина наиболее толстого из соединяемых элементов. | ||
|
Характер работы соединения |
γm2 | |
|
Самонарезающие винты | ||
|
Для обшивок, выполненных из стального листа | ||
|
Смятие соединяемых элементов |
0,5 ≤ t ≤ 0,7 мм |
1,6 |
|
0,7 < t |
1,45 | |
|
Для обшивок, выполненных из алюминиевого листа | ||
|
Смятие соединяемых элементов |
0,55 ≤ t ≤ 0,7 мм |
1,6 |
|
0,7 < t |
1,45 | |
|
Примечание - Если нормативная несущая способность метиза определена по результатам испытаний, γm2 = 1,25. | ||
10.4 Расчетное значение прочности на растяжение Fn соединений на самонарезающих винтах принимают на основании НД или значений нормативной прочности Fnn на растяжение в соответствии с данными изготовителя или по формуле
, (51)
где Fnn - нормативное сопротивление метиза на растяжение;
γm - коэффициент безопасности по материалу метиза, γm = 1,25.
10.5 Несущую способность на срез соединений на самонарезающих винтах Fs принимают на основании данных НД или по полученному в результате испытаний нормативному значению разрушающей нагрузки на срез Fsn, или определяют по формуле
,
где γm - см. формулу (51).
10.6 Несущую способность самонарезающих винтов по вырыванию из металла основы Fvw вычисляют по формуле
при tsup/s <1 Fνw = 0,45γcdtsupRsup/γm; (52)
при tsup/s ≥ 1 Fνw = 0,65γcdtsupRsup/γm, (53)
где tsup - толщина опорного элемента, к которому крепится винт или дюбель;
s - шаг резьбы;
Rsup - временное сопротивление стали метиза.
10.7 Несущую способность самонарезающих винтов крепления панели с преимущественным сжатием определяют с использованием коэффициента условий работы γc = 0,8, если число элементов крепления панели на 1 м ширины менее или равно 3. Если число винтов более 3, то несущую способность многовинтового крепления панели на срез Fsm, растяжение Fnm, вырыв из материала основы
умножают на коэффициент kn, определяемый по формуле
kn = 0,125(11 - n) при n > 3, (54)
где n - число винтов на панели шириной 1 м.
11.1 При контакте гофрированной обшивки с линейной сосредоточенной нагрузкой или линейной промежуточной опорой несущую способность стальной или алюминиевой обшивки вычисляют по прочностным показателям стенок профиля обшивки:
- для крайней опоры
; (55)
- для промежуточной опоры или линейной нагрузки в пролете
, (56)
где n - число стенок на 1 м панели;
φ - угол наклона стенки относительно опорной балки 45° ≤ φ ≤ 90°;
r - радиус изгиба на стыке полки и стенки гофра;
b - длина контакта с опорной частью или местной линейной нагрузкой;
h - высота плоской части стенки профиля;
t - толщина стенки.
11.2 Допускается ограничение по разности между абсолютными значениями поперечных сил не более 20%:
. (57)
Если соотношение поперечных сил не соответствует формуле (57), необходимо изменить параметры площади контакта панели с каркасом.
11.3 При проверке на совместное действие момента и поперечной силы на промежуточной опоре в зоне контакта профилированного листа с опорой или сосредоточенной линейной нагрузкой допускается не учитывать влияние сопротивления материала сердцевины панели:
, (58)
где MF2 - несущая способность профилированного листа по моменту;
FF2 - несущая способность профилированного листа на сосредоточенную линейную нагрузку.
12.1 Стандартные материалы для сердцевины, особенно пенопласты - вязкоупругие материалы, в которых при постоянных нагрузках деформации увеличиваются с течением времени. В первую очередь это касается кровельных и потолочных панелей.
12.2 В сердцевине панели продолжительное нагружение вызывает сдвиговую ползучесть, которую можно рассматривать как уменьшение модуля сдвига GC заполнителя.
12.3 Ввиду сдвиговой ползучести заполнителя при расчете панелей напряжения и прогибы требуют проведения дополнительного расчета с использованием приведенного значения модуля сдвига GCt.
12.4 Для кровельных панелей приведенное значение модуля сдвига GCt следует определять для каждой местности при снеговой нагрузке за время, в сутках, при средней температуре воздуха за сутки t ≤ 0 °C. Для постоянной нагрузки принимается срок воздействия примерно за 15 лет эксплуатации. Приведенный модуль сдвига для длительно действующих нагрузок вычисляют по формуле
, (59)
где φt - коэффициент ползучести; φt следует определять испытанием либо используя следующие значения:
- для жесткого пенопласта (пенополистирола, пенополиуретана, пенополиизоцианурата) при времени присутствия снеговой нагрузки на кровле:
φt = 2,4 для t = 50 - 85 сут;
φt = 2,7 для t = 86 - 125 сут;
φt = 2,9 для t = 126 - 165 сут;
φt = 3,2 для t = 166 - 210 сут;
φt = 3,6 для t = 211 - 265 сут;
φt = 7,0 для постоянных нагрузок;
- для минеральной ваты:
φt = 1,5 для t = 50 - 85 сут;
φt = 1,7 для t = 86 - 125 сут;
φt = 2,0 для t = 126 - 165 сут;
φt = 2,1 для t = 166 - 210 сут;
φt = 2,2 для t = 211 - 265 сут;
φt = 4,0 для постоянных нагрузок.
В тех регионах, где снег выпадает нерегулярно и лежит в течение нескольких дней (не более недели), ползучестью от снеговой нагрузки допускается пренебречь.
13.1.1 Прогиб в середине пролета под действием равномерно распределенной нагрузки вычисляют по формуле
, (60)
где
;
GS - модуль сдвига материала сердцевины панели;
BS - жесткость при изгибе на единицу ширины панели,
;
AS - площадь сердцевины на единицу ширины панели.
Прогиб в середине пролета fT от действия разности температур ∆T = T2 - T1 на обшивках вычисляют по формуле
, (61)
где
.
13.2.1 Максимальный прогиб в пролете панели с двумя пролетами от равномерно распределенной нагрузки вычисляют по формуле
, (62)
где k - см. формулу (60).
13.2.2 Максимальный прогиб от разности температур на обшивках неразрезной панели с двумя пролетами вычисляют по формуле
, (63)
где
;
k - см. формулу (60);
α - коэффициент линейного расширения материала обшивки.
13.2.3 Максимальный прогиб в пролете неразрезной панели с тремя пролетами от равномерно распределенной нагрузки вычисляют по формуле
, (64)
где
.
Максимальный прогиб в пролете панели с тремя пролетами от разности температур на обшивках панели вычисляют по формуле
, (65)
где
;
k - см. формулу (60);
α - коэффициент линейного расширения материала обшивки.
13.3.1 Прогиб в середине однопролетной панели от действия равномерно распределенной нагрузки вычисляют по формуле
, (66)
где
- жесткость поперечного сечения панели;
;
BF1 = EF1IF1 - жесткость верхней обшивки панели;
Gs - модуль сдвига материала сердцевины панели;
e - расстояние между центрами тяжести стальных или алюминиевых обшивок.
Примечание - Для панелей с верхней жесткой профилированной обшивкой и нижней гладкой или слабопрофилированной IF2 = 0.
13.3.2 Прогиб панелей, возникающий от разности температур на внешней и внутренней обшивках панелей, вычисляют по формуле
, (67)
где
.
13.4.1 Максимальный прогиб двухпролетной неразрезной панели от равномерно распределенной нагрузки вычисляют по формуле
. (68)
13.4.2 Максимальный прогиб двухпролетной неразрезной панели от разности температур на обшивках панели вычисляют по формуле
. (69)
13.4.3 Максимальный прогиб трехпролетной неразрезной панели от воздействия равномерно распределенной нагрузки вычисляют по формуле
. (70)
13.4.4 Максимальный прогиб трехпролетной неразрезной панели от разности температур на обшивках панели вычисляют по формуле
. (71)
13.5.1 Увеличение деформаций кровельных и потолочных панелей с плоской обшивкой под действием постоянных или длительных нагрузок за счет ползучести сердцевины панели может быть определено исходя из начального прогиба панели fp, который вызван упругими деформациями стальных или алюминиевых обшивок fb и деформацией сердцевины панели fv и вычислен по формуле
fP = fb + fv. (72)
13.5.2 При длительном воздействии нагрузок дополнительный прогиб от деформаций сердечника может быть вычислен по формуле
, (73)
где
;
.
Коэффициент ползучести φt определяют на основании экспериментальных исследований по длительному загружению панелей.
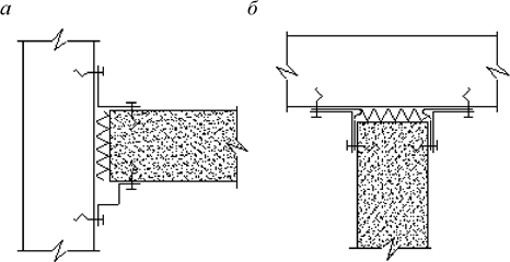
14.1 При конструировании узлов сопряжения панелей следует учитывать деформации панелей для того, чтобы изгиб панели мог происходить свободно и не влиять на примыкающие панели. Важный элемент узлов этого типа - специальные доборные элементы из тонколистовой стали или алюминиевых лент, с овальными отверстиями, с тем, чтобы они могли свободно деформироваться. В узлах примыкания следует применять также эластичные сжимаемые прокладки. Примеры узлов представлены на рисунке 10.
14.2 Ширина полки профилей прогонов, стеновых ригелей, балок, стоек или колонн должна быть достаточной для опоры стеновых, потолочных и кровельных панелей. На полках этих конструктивных элементов должна размещаться контактная площадь опоры с шириной контакта для стеновых панелей не менее 50 мм на крайней опоре и 60 мм для промежуточной, а для кровельных и потолочных панелей не менее 55 мм для крайней опоры и 70 мм для промежуточной.
14.3 При конструировании и расчете стен из трехслойных панелей необходимо учитывать проектируемые отверстия и вырезы. Эти отверстия для устройства дверей, окон, пропуска коммуникаций и т.п. в зависимости от их размера и положения существенно снижают несущую способность стеновых панелей. Отверстия в стенах следует разделить на две группы: сравнительно небольшие отверстия для пропуска коммуникаций и большие отверстия для стен и окон.


а - потолок - внешняя стена; б - внутренняя стена – потолок (эластичной лентой); в - внутренняя стена - потолок; г - внутренняя стена - внешняя стена (вариант)
Рисунок 10 - Примеры узлов, с учетом деформации панелей
14.4 При использовании трехслойных панелей в ограждающих конструкциях холодильников возможны поперечные деформации конструкций; во избежание дополнительных нагрузок на элементы крепления панелей следует применять конструктивные решения, не препятствующие температурным деформациям, аналогично креплению, приведенному на рисунке 11.

Рисунок 11 - Крепление панели к каркасу в холодильниках
Требования к узлам крепления трехслойных панелей для ограждающих конструкций зданий холодильников и помещений для охлаждения приведены в СП 109.13330.
14.5 При креплении кровельных панелей самонарезающие винты следует устанавливать по оси нижней полки гофрированного листа. В этом случае несущая способность винта на растяжение используется полностью. При смещении винта с оси полки гофра (рисунок 12) несущая способность винта на растяжение должна быть снижена на 10%. При установке в полке гофра двух винтов несущая способность каждого винта должна быть снижена на 30%.

Рисунок 12 - Крепление кровельных панелей самонарезающими винтами
Допускается устанавливать винты по оси верхней полки гофрированного листа. При этом следует использовать трапециевидную накладку на гофр в месте крепления винтом.
14.6 Небольшие отверстия в панелях (максимальный размер отверстия до 0,3b ширины панели) не требуют дополнительных конструктивных мероприятий. Тем не менее в общем случае панель следует вычислять с учетом ослаблений отверстиями по формуле
или
, (74)
где a - размер отверстия по ширине панели (рисунок 13);
b - ширина панели;
qp - несущая способность панели, определенная расчетом;
qf - фактическая несущая способность панели.

Рисунок 13 - Влияние небольших отверстий на несущую способность панелей
14.7 Если фактическая несущая способность панели с ослаблением недостаточна, рекомендуется принимать следующие решения:
- применять панели с большей несущей способностью;
- проверять возможность перераспределения нагрузки на соседние панели в соответствии с рисунком 14, особенно при размерах отверстий, равных ширине панели;
- устанавливать дополнительные элементы стенового фахверка и кровли (ригели стойки и дополнительные прогоны), разгружающие панели стен и кровли.

Рисунок 14 - Схема переноса нагрузок от панелей с большими отверстиями
14.8 Для случаев больших проемов, соизмеримых с шириной панели или превосходящих ее, особенно если отверстия расположены в ряд (окна, двери), необходимо предусматривать дополнительные опорные конструкции, на которые передается нагрузка с панелей и далее на несущие конструкции здания.
14.9 При установке кровельных панелей с верхней обшивкой, профилированной в форме трапециевидных гофров, следует соблюдать минимальные значения уклонов кровли, для длины нахлестов профилированного листа обшивки, приведенные в таблице 7.
|
Тип теплоизоляции, заложенной в сердечник панели |
Предельные уклоны и концевые нахлесты | |||
|
Одна панель по всей длине ската кровли |
Длина концевого нахлеста (выпуска), мм |
Две и более панели, стыкуемые по скату кровли |
Длина концевого нахлеста (выпуска), мм | |
|
Пенопласты PU, PIR, IPN |
≥ 4° (7%) |
200 |
≥ 6° (10%) |
150 |
|
Минеральная вата |
≥ 5° (8,5%) |
200 |
≥ 8° (14%) |
150 |
|
Примечание - При уклоне кровли ≥ 20° (36%) длина концевого нахлеста - 100 мм. | ||||
15.1.1 Ввиду того, что представленные ранее в настоящем своде правил формулы основаны на упрощенных моделях с ограничениями по пролетам и нагрузкам, в ряде случаев требуется применение более совершенных численных методов расчетов или проведение испытаний полноразмерных панелей.
15.1.2 Отбор образцов для испытаний, схемы загружения панелей при испытаниях, проведение испытаний и обработку результатов испытаний следует проводить в соответствии с приложением А ГОСТ 32603-2020 и ГОСТ Р ИСО 12491. Для испытаний следует отбирать образцы, параметры которых не должны отличаться от нормативных параметров в указанных ниже пределах:
- от плюс 2% до минус 4% - по толщине сердечника;
- ± 10% - по плотности внутреннего слоя;
- ± 10% - по толщине материала обшивки;
- от минус 5% до плюс 25% - по пределу текучести металла обшивки.
15.1.3 Испытания полноразмерных однопролетных панелей должны выполняться в соответствии с ГОСТ 32603 в лабораторных условиях при нормальных температуре и влажности.
15.1.4 Для проведения испытаний, при отсутствии других рекомендаций, отбирают три образца.
15.1.5 Обработку результатов испытаний и порядок отбора образцов следует проводить в соответствии с ГОСТ Р ИСО 12491.
15.1.6 Подготовку образцов к испытаниям полноразмерных панелей, установки для проведения испытаний, порядок проведения испытаний, обработку результатов испытаний следует проводить в соответствии с ГОСТ Р ИСО 12491.
15.2.1 Испытания на определение коэффициента ползучести φt следует проводить при неизменной постоянной нагрузке на протяжении минимум 1000 ч (около 42 сут). Нагрузка не должна превышать 30% средней нагрузки, вызывающей разрушение панели в результате сдвига. Испытание проводят при температуре 20 °C.
15.2.2 Во время приложения постоянной нагрузки панель должна быть вывешена на временных (не менее двух) промежуточных опорах, которые плавно и быстро убирают при достижении испытательных расчетных значений. Сразу же после удаления опор измеряют первое значение прогиба панели. Начальный прогиб можно определять по наклону кривой прогибов, измеряемой при нагрузке панели ступенями до достижения расчетной постоянной длительной нагрузки.
15.2.3 Коэффициент ползучести для сердцевины панели с плоскими и слабопрофилированными обшивками вычисляют по формуле
, (75)
где f1 - прогиб, измеренный на конец испытаний;
fp - начальный прогиб, измеренный при t = 0;
fb - прогиб, вызываемый упругим удлинением обшивок.
15.2.4 Коэффициенты ползучести для панелей с одной или двумя профилированными обшивками следует проверять на основе прогибов, измеряемых через примерно равные промежутки времени.
15.2.5 На основе результатов испытаний при разрушающих нагрузках должна быть построена кривая прямолинейной регрессии (рисунок 18), для того чтобы показать зависимость средней длительной прочности на сдвиг от начальной прочности на сдвиг (кратковременной прочности) как функцию времени нагружения, графически нанесенную по логарифмической шкале.

t - время, ч; τ - напряжение сдвига в образце; Rs - прочность на сдвиг (кратковременная)
Рисунок 18 - Пример прямолинейной регрессии
15.2.6 На основе результатов испытаний в пределах t1 ≥ 300 ч (12 сут), t ≥ 1400 ч (60 сут) коэффициенты ползучести можно экстраполировать, используя линейное экстраполирование в полулогарифмической схеме. На основе экспериментальных значений коэффициентов ползучести φ1э, φ2э, полученных за периоды времени t1 и t2, можно вычислить значение φt для времени воздействия нагрузки t > t2 по формуле
, (76)
где kw = 1,2 - коэффициент, учитывающий невосстанавливаемую часть деформаций материала сердцевины при снятии нагрузки.
15.2.7 Для определения коэффициентов ползучести достаточно проводить испытание одного образца панели с материалом сердечника соответствующего вида. Испытание панели с наиболее толстым сердечником позволяет экстраполировать этот результат и на панели меньшей толщины.
15.3.1 Испытание проводится на двухпролетной полноразмерной панели по схеме, показанной на рисунке 19.

а - при использовании надувного воздушного мешка или вакуумной камеры; б - при использовании сосредоточенных линейных нагрузок, создаваемых гидравлическими домкратами
Рисунок 19 - Схема приложения нагрузки при испытаниях
15.3.2 Испытания гидравлическими домкратами или нагрузками, имитирующими их воздействие, проводят по всей ширине панели с нагрузкой, направленной вниз. Крепления концевых и промежуточных опор должны быть подвижными, т.к. исключение подвижности на опорах приводит к завышенной оценке напряжений от действия нагрузок, имитирующих ветровой отсос и разность температур на обшивках панели.
15.3.3 Элементы крепления панели на опорах должны удерживать панель на опорах в процессе испытания, в том числе и от действия сил растяжения, возникающих в обшивках панели при изгибе.
15.3.4 Момент появления постоянных пластических деформаций, соответствующих появлению текучести в поверхностных слоях или разрушению сердечника вблизи промежуточной опоры, следует определять методом разгрузки на ступенях нагрузки, соответствующих моменту появления разрушения. После загружения соответствующей ступенью нагрузки и выдержки под нагрузкой панель полностью разгружается.
15.3.5 В случае экспериментального исследования панелей одного типа, но разной толщины обшивки, когда испытаны только панели с самой тонкой обшивкой, напряжения местного изгиба для более толстых обшивок следует вычислять по формуле
σk2 = kyσk1, (77)
где σk2 - напряжение местного изгиба более толстой обшивки толщиной t2;
σk1 - напряжение местного изгиба самой тонкой обшивки толщиной t1;
ky - коэффициент уменьшения, определяемый по формуле
, (78)
A1, I1 - площадь поперечного сечения и момент инерции обшивки толщиной t1;
A2, I2 - площадь поперечного сечения и момент инерции обшивки толщиной t2.
15.3.6 При испытании разрушения профилированной стальной или алюминиевой обшивки от потери устойчивости (местном изгибе) индивидуальные результаты испытаний следует вычислять согласно формуле
, (79)
где kki - результат i-го номера испытания;
kmi - результат испытания, модифицированный для достижения соответствия расчетным значениям толщины и напряжения пластического течения;
Ryn - предел текучести стальной или алюминиевой обшивки;
Ry0 - предел текучести стали или алюминия, измеренный в опытном образце;
t - расчетная толщина стальной или алюминиевой обшивки;
to - толщина стали или алюминия, измеренная в опытном образце;
α = 0, если Ry0 < Ryn;
α = 1, если Ry0 > Ryn.
α = 0,5, если Ry0 > Ryn и
.
Обычно β = 1,0, если to ≤ t
β = 1,0, если to > t и
;
β = 2,0, если to > t и
,
где
= отношение ширины к толщине самой широкой полки профилированной обшивки.
15.3.7 Значения kmi следует применять для оценки индивидуальных результатов испытаний при определении расчетных прочностей и сопротивлений.
15.3.8 Критические напряжения потери устойчивости при изгибе панели, полученные в ходе испытаний, следует корректировать с помощью коэффициента коррекции kф, чтобы получить расчетное значение напряжений.
15.3.9 Коэффициент kф учитывает снижение критического напряжения сжатой обшивки, вызванное более высокими температурами k1, и дополнительное изменение в случае низкой прочности поперек панели на растяжение k2 и определяется по формуле
kф = k1k2. (80)
15.3.10 Для панелей наружного применения по конечному назначению с использованием слабопрофилированной или плоской обшивки при местной потере устойчивости с температурой обшивки выше 20 °C индивидуальные результаты испытаний должны быть уменьшены согласно формуле
, (81)
где E80 - модуль упругости поперек панели при растяжении при температуре 80 °C;
E20 - модуль упругости поперек панели при растяжении при температуре 20 °C.
Во всех других случаях k1 = 1,0.
15.3.11 При разрушении слабопрофилированной или плоской панели при потере устойчивости сжатой обшивки индивидуальные результаты испытаний должны быть дополнительно вычислены по формуле
k2 = (6,10Rypc + 0,39), (82)
где Rypc - прочность на растяжение поперек панели, МПа.
Коэффициент k2 следует использовать только в случае испытаний при равномерно распределенной нагрузке, т.е. при применении вакуумной камеры, воздушного мешка или аналогичного устройства.
15.4.1 Испытания панелей на образование отслоений и местную потерю устойчивости облицовок при воздействии температуры проводят путем нагревания поверхности наружного слоя до температуры (85 ± 3) °C. Панели выдерживают при этой температуре в течение 2 ч. В начале охлаждения поверхности панели ее следует тщательно осмотреть на предмет обнаружения волн вспучивания поверхности наружной обшивки. Панель считается выдержавшей испытания, если не обнаружено волн вспучивания.
15.4.2 При разработке новых конструктивных решений панелей следует проводить испытания на тепловой удар (быстрое изменение температуры внешней обшивки). На тепловой удар испытывают двухпролетную панель с пролетами не менее 3 м, прикрепленную к жесткой стальной раме. Температуру внешнего поверхностного слоя поэтапно, с интервалом 10 °C, повышают до 80 °C. Температура внутренней обшивки панели поддерживается на уровне 20 °C. Когда стабилизируется максимальная температура внешней обшивки, ее поверхность охлаждают разбрызгиванием воды температурой менее 20 °C.
15.4.3 Во время испытаний фиксируют возникающие повреждения, образование вздутий и волн вспучивания на обшивке.
15.4.4 Образцы панелей с сердечником из пенопласта размерами 100 x 100 мм испытывают на температуру плюс 80 °C и минус 20 °C. Перед испытанием толщину образцов измеряют. Половину образцов серии на 3 ч помещают в нагревательную камеру, а вторую половину - в холодильную. После выдержки в камерах образцы доводят до температуры окружающей среды и снова измеряют их толщину. Образцы признают выдержавшими испытания, если толщина образцов, испытавших повышение температуры, изменилась менее чем на 3%, а толщина образцов, испытавших понижение температуры, - не менее чем на 1%.
15.5.1 Панели, подвергаемые действию сосредоточенных нагрузок
15.5.1.1 Испытания позволяют проверить безопасность и эксплуатационную надежность панелей крыш и потолков при воздействии сосредоточенной нагрузки, например: от веса одного человека, нерегулярно передвигающегося по крыше, во время монтажа и при эксплуатации.
15.5.1.2 Опытным образцом должна быть штучная панель полной ширины. Пролет панели должен быть максимальным из применяемых в практике строительства. К наружной поверхности панели следует прикладывать нагрузку 1,5 кН в середине пролета на заднем ребре или на кромке плоской панели через деревянный блок размерами 100 x 100 мм. Между деревянным блоком и металлической обшивкой панели следует поместить слой резины или войлока толщиной 10 мм.
15.5.1.3 При испытании панели на сосредоточенную нагрузку возможны три результата:
- если панель выдерживает приложенную нагрузку без видимого внешнего повреждения, то ограничения для случайного доступа на крышу или потолок как во время, так и после монтажа отсутствуют;
- если панель выдерживает нагрузку, но возникают неустраняемые видимые повреждения, следует рекомендовать дополнительные конструктивные мероприятия, чтобы избежать повреждений во время монтажа (например, использовать пешеходные настилы). Доступ на крыши или потолки после завершения строительных работ должен быть запрещен;
- если панель разрушается при приложении нагрузки, то ее следует использовать только на крышах или потолках, куда невозможен (не разрешен) доступ. Это ограничение следует указать на панели (или в сопроводительной документации).
15.6.1 Для элементов крепления на концевой и промежуточной опорах следует проводить отдельные испытания. Испытания проводят для наименьшей и наибольшей толщин панелей. Значения для промежуточных толщин панелей можно интерполировать.
15.6.2 Схема проведения испытаний на вырывающую силу в элементе крепления приведена на рисунках 20 и 21. Схема проведения испытания элементов крепления панелей на сдвиг приведена на рисунке 22.
15.6.3 В процессе испытания следует строить кривую зависимости "нагрузка - перемещение" и отмечать характер разрушения: разрыв крепежного элемента, продавливание крепежного элемента внутрь панели, выдавливание крепежного элемента наружу.
15.6.4 При проведении испытаний необходимо контролировать перемещения в соединении, возникающие при приложении нагрузки. Нагрузку прикладывают ступенями до момента разрушения соединения. Для фиксации начала пластических деформаций используется полная разгрузка испытуемого образца на соответствующих ступенях загружения.

а - крепление на крайней опоре; б - крепление на средней опоре; e1 - минимальное расстояние от кромки панели; e2 ≥ 100 мм; e3 ≥ B/4; B - ширина панели; e4 ≥ 100 мм
Рисунок 20 - Схема испытания крепления панели винтами, проходящими сквозь панель


а - крепление на крайней опоре; б - крепление на средней опоре; e1 - минимальное расстояние от кромки панели; e2 ≥ 100 мм; e3 ≥ B/4; B - ширина панели; e4 ≥ 100 мм
Рисунок 21 - Схема испытания специального крепления панели в стыках

а - крепление винтом; б - специальное крепление панели
Рисунок 22 - Схема испытания панели на сдвиг
16.1 Стальные обшивки панелей должны быть защищены цинковым покрытием класса не ниже 275 по ГОСТ 14918, а также лакокрасочным покрытием по ГОСТ 34180.
16.2 Область применения панелей с цинковым и лакокрасочным покрытиями в средах с различной степенью агрессивности определяется в соответствии с СП 28.13330.
16.3 Допускаются другие виды защитного металлизированного покрытия, если его защитные свойства не ниже указанных в 16.1.
17.1 При проектировании объектов строительства с применением в ограждающих конструкциях трехслойных панелей с минераловатным утеплителем, а также утеплителем из пенополистирола, пенополиуретана, пенополиизоцианурата следует учитывать их огнестойкость, класс пожарной опасности панелей и пожароопасность объектов строительства согласно СП 12.13130 и [1].
17.2 Для панелей каждого типа в соответствии с видом утеплителя в сердцевине панелей и типом стыков панелей должны быть проведены испытания на огнестойкость и пожарную опасность в соответствии с ГОСТ 30403 и ГОСТ 30247.1.
18.1 Требования к транспортированию, погрузочно-разгрузочным работам и складированию панелей, упакованных в пакеты, должны соответствовать ГОСТ 32603.
18.2 Панели упаковывают в транспортные пакеты. Высота штабеля из пакетов при хранении и транспортировании не должна превышать 2,4 м (не более трех транспортных пакетов по высоте). Транспортные пакеты необходимо устанавливать с небольшим уклоном 2% - 3% для свободного стока с них воды.
18.3 При погрузочно-разгрузочных работах следует применять только текстильные стропы. В местах подвеса под пакет устанавливаются деревянные обрезиненные распорки с упорами или металлические профили. Во избежание повреждений продольных кромок панелей при подъеме упаковки, ветви стропов не должны обхватывать или воздействовать на верхние панели пачки, что должно обеспечиваться конструкцией траверсы или распорками.
18.4 Панели следует хранить в заводской упаковке, обеспечивающей водонепроницаемость пакета, в неотапливаемых складах закрытого типа или под навесом не более 6 мес с момента производства.
Приложение А
|
Расчетная схема |
Нагрузка |
Поперечная сила у крайней опоры |
Поперечная сила у промежуточной опоры |
Реакция промежуточной опоры |
Изгибающий момент в крайнем пролете |
Изгибающий момент у промежуточной опоры |
Максимальный прогиб конструкции |
|
Однопролетная панель пролетом L |
p |
|
- |
- |
|
- |
|
|
∆t |
- |
- |
- |
- |
- |
| |
|
Двухпролетная панель с равными пролетами L |
p |
|
|
|
|
|
|
|
∆t |
|
|
|
|
|
| |
|
Трехпролетная панель с равными пролетами L |
p |
|
|
|
|
|
|
|
∆t |
|
|
|
|
|
| |
|
Примечание - где EF1, AF1 и EF2, AF2 - модуль упругости и площадь поперечного сечения верхней (наружной) и нижней (внутренней) обшивок панели соответственно; GC и AC - модуль сдвига и площадь поперечного сечения наполнителя; α - коэффициент температурного расширения металла; e - расстояние между центрами тяжести обшивок. | |||||||
|
Расчетная схема |
Нагрузка |
Поперечная сила у крайней опоры |
Поперечная сила у промежуточной опоры |
Изгибающий момент в крайнем пролете |
Изгибающий момент у промежуточной опоры |
Максимальный прогиб конструкции |
|
Однопролетная панель пролетом L |
p |
|
- |
|
- |
|
|
∆t |
- |
- |
- |
- |
| |
|
Двухпролетная панель с равными пролетами L |
p |
|
|
|
|
|
|
∆t |
|
|
|
|
| |
|
Трехпролетная панель с равными пролетами L |
p |
|
|
|
|
|
|
∆t |
|
|
|
|
| |
|
Примечание - где EF1, AF1 и EF2, AF2 - модуль упругости и площадь поперечного сечения верхней (наружной) и нижней (внутренней) обшивок панели соответственно; G - модуль сдвига слоев панели; α - коэффициент температурного расширения металла; e - расстояние между центрами тяжести обшивок. | ||||||
Библиография
[1] Федеральный закон от 22 июля 2008 г. N 123-ФЗ "Технический регламент о требованиях пожарной безопасности"


















;
; 




















;
; 

