СП 351.1325800.2017 (30.01.2026) БЕТОННЫЕ И ЖЕЛЕЗОБЕТОННЫЕ КОНСТРУКЦИИ ИЗ ЛЕГКИХ БЕТОНОВ. ПРАВИЛА ПРОЕКТИРОВАНИЯ
Утв. Приказом Министерства строительства и жилищно-коммунального хозяйства РФ от 25 ноября 2017 г. N 1584/пр
Свод правил СП-351.1325800.2017
"БЕТОННЫЕ И ЖЕЛЕЗОБЕТОННЫЕ КОНСТРУКЦИИ ИЗ ЛЕГКИХ БЕТОНОВ. ПРАВИЛА ПРОЕКТИРОВАНИЯ"
С изменениями:
(15 декабря 2020 г., 30 января 2026 г.)
Concrete and reinforced concrete designs from light concrete. Rules of design
Дата введения 26 мая 2018 г.
Введен впервые
Предисловие
Сведения о своде правил
1 ИСПОЛНИТЕЛЬ - АО "НИЦ "Строительство" - Научно-исследовательский, проектно-конструкторский и технологический институт бетона и железобетона (НИИЖБ) им. А.А. Гвоздева
2 ВНЕСЕН Техническим комитетом по стандартизации ТК 465 "Строительство"
3 ПОДГОТОВЛЕН К УТВЕРЖДЕНИЮ Департаментом градостроительной деятельности и архитектуры Министерства строительства и жилищно-коммунального хозяйства Российской Федерации (Минстрой России)
4 УТВЕРЖДЕН приказом Министерства строительства и жилищно-коммунального хозяйства Российской Федерации от 25 ноября 2017 г. N 1584/пр и введен в действие с 26 мая 2018 г.
5 ЗАРЕГИСТРИРОВАН Федеральным агентством по техническому регулированию и метрологии (Росстандарт)
6 ВВЕДЕН ВПЕРВЫЕ
В случае пересмотра (замены) или отмены настоящего свода правил соответствующее уведомление будет опубликовано в установленном порядке. Соответствующая информация, уведомление и тексты размещаются также в информационной системе общего пользования - на официальном сайте разработчика (Минстрой России) в сети Интернет
Введение
Настоящий свод правил разработан в соответствии с Федеральным законом от 30 декабря 2009 г. N 384-ФЗ "Технический регламент о безопасности зданий и сооружений".
Свод правил разработан авторским коллективом АО "НИЦ "Строительство" - НИИЖБ им. А.А. Гвоздева (руководитель работы - д-р техн. наук В.Ф. Степанова, д-р техн. наук А.Н. Давидюк, канд. техн. наук Т.А. Кузьмич, канд. техн. наук В.И. Савин, канд. техн. наук В.Н. Строцкий, канд. техн. наук С.А. Зенин, инж. С.Г. Зимин).
Изменение N 1 разработано авторским коллективом ОАО "НИЦ "Строительство" - НИИЖБ им. А.А. Гвоздева (д-р техн. наук В.Ф. Степанова, канд. техн. наук В.И. Савин, канд. техн. наук В.Н. Строцкий, канд. техн. наук С.С. Жоробаев, С.Г. Зимин, М.Ю. Зимина).
Изменение N 2 разработано авторским коллективом АО "НИЦ "Строительство" - НИИЖБ им. А.А. Гвоздева (д-р техн. наук Т.А. Мухамедиев, канд. техн. наук С.А. Зенин, канд. техн. наук В.Н. Строцкий).
1 Область применения
1.1 Настоящий свод правил распространяется на проектирование бетонных и железобетонных конструкций из легких бетонов, удовлетворяющих требованиям ГОСТ 25820 (далее - бетон), для зданий и сооружений различного назначения, эксплуатируемых в климатических условиях Российской Федерации (при систематическом воздействии температур не выше 50 °C и не ниже минус 70 °C), в среде с неагрессивной степенью воздействия.
1.2 Требования настоящего свода правил не распространяются на проектирование конструкций: фибробетонных, сборно-монолитных; пустотных плит, конструкций с подрезками и капителей; бетонных и железобетонных конструкций гидротехнических сооружений, мостов, покрытий автомобильных дорог и аэродромов и других специальных сооружений, а также на конструкции, изготовляемые из бетонов средней плотностью свыше 2000 кг/м3.
2 Нормативные ссылки
В настоящем своде правил использованы ссылки на следующие нормативные документы:
ГОСТ 8736-2014 Песок для строительных работ. Технические условия
ГОСТ 13015-2012 Изделия бетонные и железобетонные для строительства. Общие технические требования. Правила приемки, маркировки, транспортирования и хранения
ГОСТ 22263-2025 Щебень и песок из пористых горных пород. Технические условия
ГОСТ 25820-2021 Бетоны легкие. Технические условия
ГОСТ 27751-2014 Надежность строительных конструкций и оснований. Основные положения
ГОСТ 32496-2013 Заполнители пористые для легких бетонов. Технические условия
СП 2.13130.2020 Системы противопожарной защиты. Обеспечение огнестойкости объектов защиты (с изменением N 1)
СП 16.13330.2017 "СНиП II-23-81* Стальные конструкции" (с изменениями N 1, N 2, N 3, N 4, N 5, N 6)
СП 20.13330.2016 "СНиП 2.01.07-85* Нагрузки и воздействия" (с изменениями N 1, N 2, N 3, N 4, N 5, N 6)
СП 28.13330.2017 "СНиП 2.03.11-85 Защита строительных конструкций от коррозии" (с изменениями N 1, N 2, N 3, N 4)
СП 50.13330.2024 "СНиП 23-02-2003 Тепловая защита зданий"
СП 63.13330.2018 "СНиП 52-01-2003 Бетонные и железобетонные конструкции. Основные положения" (с изменениями N 1, N 2)
СП 70.13330.2012 "СНиП 3.03.01-87 Несущие и ограждающие конструкции" (с изменениями N 1, N 3, N 4, N 5, N 6, N 7)
СП 131.13330.2025 "СНиП 23-01-99* Строительная климатология"
СП 295.1325800.2017 Конструкции бетонные, армированные полимерной композитной арматурой. Правила проектирования (с изменениями N 1, N 2)
СП 297.1325800.2017 Конструкции фибробетонные с неметаллической фиброй. Правила проектирования (с изменениями N 1, N 2)
СП 339.1325800.2017 Конструкции из ячеистых бетонов. Правила проектирования (с изменением N 1)
Примечание - При пользовании настоящим сводом правил целесообразно проверить действие ссылочных документов в информационной системе общего пользования - на официальном сайте федерального органа исполнительной власти в сфере стандартизации в сети Интернет, на официальном сайте федерального органа исполнительной власти, разработавшего и утвердившего настоящий свод правил, или по ежегодному информационному указателю "Национальные стандарты", который опубликован по состоянию на 1 января текущего года, и по выпускам ежемесячного информационного указателя "Национальные стандарты" за текущий год. Если заменен ссылочный документ, на который дана недатированная ссылка, то рекомендуется использовать действующую версию этого документа с учетом всех внесенных в данную версию изменений. Если заменен ссылочный документ, на который дана датированная ссылка, то рекомендуется использовать версию этого документа с указанным выше годом утверждения (принятия). Если после утверждения настоящего свода правил в ссылочный документ, на который дана датированная ссылка, внесено изменение, затрагивающее положение, на которое дана ссылка, то это положение рекомендуется применять без учета данного изменения. Если ссылочный документ отменен без замены, то положение, в котором дана ссылка на него, рекомендуется применять в части, не затрагивающей эту ссылку. Сведения о действии сводов правил целесообразно проверить в Федеральном информационном фонде стандартов.
3 Термины и определения
В настоящем своде правил применены термины и определения по ГОСТ 25820, ГОСТ 27751, СП 63.13330 и другим нормативным документам.
4 Общие указания
4.1 Бетонные и железобетонные конструкции, согласно ГОСТ 27751, должны быть обеспечены с требуемой надежностью расчетом от возникновения всех видов предельных состояний, выбором материалов, назначением размеров и конструированием.
4.2 Выбор конструктивных решений должен производиться исходя из технико-экономической целесообразности их применения в конкретных условиях строительства с учетом максимального снижения материалоемкости, энергоемкости, трудоемкости и стоимости строительства, достигаемого путем:
- применения эффективных строительных материалов и конструкций;
- снижения веса конструкций;
- наиболее полного использования физико-механических свойств материалов;
- применения местных строительных материалов;
- соблюдения требований по экономному расходованию основных строительных материалов.
4.3 При проектировании зданий и сооружений должны приниматься конструктивные схемы, обеспечивающие их необходимую прочность, устойчивость и пространственную неизменяемость в целом, а также отдельных конструкций на всех стадиях возведения и эксплуатации.
4.4 Элементы сборных конструкций должны соответствовать условиям механизированного изготовления на специализированных предприятиях.
Целесообразно укрупнять элементы сборных конструкций, насколько это позволяют грузоподъемность монтажных механизмов, условия изготовления и транспортирования.
4.5 Для монолитных конструкций следует предусматривать унифицированные размеры, позволяющие применять инвентарную опалубку и укрупненные пространственные арматурные каркасы.
4.6 В сборных конструкциях особое внимание должно быть обращено на прочность и долговечность соединений.
Конструкции узлов и соединений элементов должны обеспечивать надежную передачу усилий, прочность самих элементов в зоне стыка, а также связь дополнительно уложенного бетона в стыке с бетоном конструкции с помощью различных конструктивных и технологических мероприятий.
4.7 Бетонные элементы применяются:
- преимущественно в конструкциях, работающих на сжатие при эксцентриситетах продольной силы, не превышающих значений, указанных в 7.1.2;
- в отдельных случаях в конструкциях, работающих на сжатие с большими эксцентриситетами, а также в изгибаемых конструкциях, когда их разрушение не представляет непосредственной опасности для жизни людей и сохранности оборудования (элементы, лежащие на сплошном основании и др.)
4.8 Расчетная зимняя температура наружного воздуха принимается как средняя температура воздуха наиболее холодной пятидневки в зависимости от района строительства согласно СП 131.13330. Расчетные технологические температуры устанавливаются заданием на проектирование.
Влажность воздуха окружающей среды определяется как средняя относительная влажность наружного воздуха наиболее жаркого месяца в зависимости от района строительства согласно СП 131.13330 или как относительная влажность внутреннего воздуха помещений отапливаемых зданий.
4.9 Общие требования к бетонным и железобетонным конструкциям должны соответствовать СП 63.13330 и настоящему своду правил.
5 Требования к расчету бетонных и железобетонных конструкций
5.1 Бетонные и железобетонные конструкции должны удовлетворять требованиям расчета по несущей способности (предельные состояния первой группы) и по пригодности к нормальной эксплуатации (предельные состояния второй группы) согласно ГОСТ 27751.
Расчетом по предельным состояниям первой группы должна быть исключена возможность:
- хрупкого, вязкого или иного характера разрушения (расчет по прочности с учетом, в необходимых случаях, прогиба конструкции перед разрушением);
- потери устойчивости формы конструкции (расчет на устойчивость тонкостенных конструкций и т.д.) или ее положения (расчет на опрокидывание и скольжение подпорных стен; расчет на всплывание заглубленных или подземных резервуаров, насосных станций и т.п.);
- усталостного разрушения (расчет на выносливость конструкций, находящихся под воздействием многократно повторяющейся нагрузки - подвижной или пульсирующей: подкрановых балок, шпал, рамных фундаментов, перекрытий и т.п.);
- разрушения под совместным воздействием силовых факторов и неблагоприятных влияний внешней среды (периодического или постоянного воздействия агрессивной среды, действия попеременного замораживания и оттаивания, воздействия пожара и т.п.).
Расчетом по предельным состояниям второй группы должна быть исключена возможность:
- образования трещин, а также их чрезмерного или продолжительного раскрытия (если по условиям эксплуатации образование или продолжительное раскрытие трещин недопустимо);
- чрезмерных перемещений (прогибов, углов перекоса и поворота, колебаний).
5.2 Расчет по предельным состояниям конструкции в целом и отдельных ее элементов должен производиться для всех стадий - изготовления, транспортирования, возведения и эксплуатации, при этом расчетные схемы должны соответствовать принятым конструктивным решениям.
Расчет по раскрытию трещин и по деформациям допускается не производить, если на основании опытной проверки или практики применения железобетонных конструкций установлено, что раскрытие в них трещин не превышает допустимых значений и жесткость конструкций в стадии эксплуатации достаточна.
5.3 Значения нагрузок и воздействий, коэффициентов надежности по нагрузке, коэффициентов сочетаний, разделение нагрузок на постоянные и временные должны приниматься в соответствии с СП 20.13330.
Значения нагрузок необходимо умножать на коэффициенты надежности по назначению, принимаемые согласно СП 20.13330.
Нагрузки, учитываемые при расчете по предельным состояниям второй группы (эксплуатационные) в соответствии с СП 20.13330, принимаются равными единице, если при проектировании конструкций не установлены другие значения.
В соответствии с СП 20.13330 для конструкций, не защищенных от суточных и сезонных изменений температуры, следует учитывать изменение во времени средней температуры и перепад температуры по сечению элемента, за исключением случаев, предусмотренных проектом. Для конструкций, защищенных от суточных и сезонных изменений температуры, температурные климатические воздействия не учитываются.
Огнестойкость бетонных и железобетонных конструкций должна быть обеспечена в соответствии с СП 2.13130.
5.4 При расчете элементов сборных конструкций на воздействие усилий, возникающих при их подъеме, транспортировании и монтаже, нагрузку от веса элемента следует вводить с коэффициентом динамичности, равным:
- 1,6 - при транспортировании,
- 1,4 - при подъеме и монтаже.
Для указанных коэффициентов динамичности допускается принимать более низкие значения, обоснованные в установленном порядке, но не ниже 1,25.
5.5 Сборно-монолитные конструкции должны рассчитываться по прочности, образованию и раскрытию трещин и по деформациям для двух стадий работы конструкций:
- на воздействие веса бетона и других нагрузок, действующих при возведении конструкции, до приобретения бетоном заданной прочности;
- на нагрузки, действующие при возведении и при эксплуатации конструкции, после приобретения бетоном заданной прочности.
5.6 Усилия в статически неопределимых железобетонных конструкциях от нагрузок и вынужденных перемещений (вследствие изменения температуры, влажности бетона, смещения опор и т.п.) и усилия в статически определимых конструкциях при расчете их по деформированной схеме следует определять с учетом неупругих деформаций бетона и арматуры и наличия трещин.
Для конструкций, методика расчета которых с учетом неупругих свойств железобетона не разработана, и для промежуточных стадий расчета с учетом неупругих свойств железобетона усилия допускается определять в предположении их линейной упругости.
5.7 Предельно допустимую ширину раскрытия трещин acrc,ult следует устанавливать исходя из эстетических соображений, наличия требований к проницаемости конструкций, а также в зависимости от длительности действия нагрузки, вида арматурной стали и ее склонности к развитию коррозии в трещине (с учетом СП 28.13330).
5.8 Для железобетонных слабоармированных элементов, характеризуемых тем, что их несущая способность исчерпывается одновременно с образованием трещин в бетоне растянутой зоны (8.1.7), площадь сечения продольной растянутой арматуры должна быть увеличена по сравнению с требуемой из расчета по прочности не менее чем на 15%.
5.9 При расчете по прочности бетонных и железобетонных элементов на действие сжимающей продольной силы должен приниматься во внимание случайный эксцентриситет e0, обусловленный не учтенными в расчете факторами. Эксцентриситет e0 в любом случае принимается не менее 1/600 длины элемента или расстояния между его сечениями, закрепленными от перемещения, 1/30 высоты сечения и 10 мм. Кроме того, для конструкций, образуемых из сборных элементов, следует учитывать возможное взаимное смещение элементов, зависящее от вида конструкций, способа монтажа и т.п.
Для элементов статически неопределимых конструкций значение эксцентриситета продольной силы относительно центра тяжести приведенного сечения e0 принимается равным эксцентриситету, полученному из статического расчета конструкции, но не менее e0. В элементах статически определимых конструкций эксцентриситет e0 находится как сумма эксцентриситетов - определяемого из статического расчета конструкции и случайного эксцентриситета.
5.10 Расчет по прочности многослойных (трехслойных, двухслойных) элементов следует выполнять в соответствии с 7.2.32 - 7.2.34.
5.11 Расчет по прочности многослойных элементов из легкобетонных блоков несъемной опалубки на действие продольного сжимающего усилия следует выполнять в соответствии с 7.2.35, 7.2.36.
5.12 Расчет по трещиностойкости и деформациям трехслойных и двухслойных элементов следует проводить в соответствии с 8.1.9, 8.1.10, 8.2.2 и 8.3.2.
5.13 Расчеты конструкций с композитной полимерной арматурой по предельным состояниям первой и второй групп следует проводить в соответствии с разделом 4 настоящего свода правил и пунктами 6.1, 7.2, 6.2, 7.3 СП 295.1325800.2017, а также в соответствии с 8.2.1, 8.3.1, 9.1.11, 9.2.2 при условии, что к конструкциям не предъявляются требования по огнестойкости и иные специальные требования.
5.14 Расчеты конструкций с дисперсным армированием (неметаллической фиброй) по предельным состояниям первой и второй групп следует выполнять в соответствии с пунктом 4.5 и подразделами 6.1, 6.2, 7.2, 7.3 СП 297.1325800.2017 при условии, что к конструкциям не предъявляются требования по огнестойкости и иные специальные требования.
5.15 Расчет по образованию трещин и деформациям (жесткости) элементов прямоугольного сечения с распределенным по контуру армированием при косом изгибе рекомендуется выполнять согласно 8.1.11 и 8.3.3.
6 Материалы для бетонных и железобетонных конструкций
6.1 Бетон
6.1.1 Для бетонных и железобетонных конструкций, проектируемых в соответствии с настоящим сводом правил, следует предусматривать бетоны по ГОСТ 25820:
- плотной структуры средней плотностью от 400 до 2000 кг/м3 включительно;
- поризованной структуры средней плотностью от 300 до 1400 кг/м3.
6.1.2 Основные нормируемые и контролируемые показатели качества бетона:
- класс по прочности на сжатие B;
- класс по прочности на осевое растяжение Bt;
- марка по средней плотности D;
- марка по морозостойкости F;
- марка по водонепроницаемости W.
При необходимости устанавливают дополнительные показатели качества бетона, связанные с теплопроводностью, температуростойкостью, огнестойкостью, коррозионной стойкостью (как самого бетона, так и находящейся в нем арматуры), биологической и радиационной защитой и с другими требованиями, предъявляемыми к конструкции (СП 28.13330, СП 50.13330, СП 2.13130).
Нормируемые показатели качества бетона должны быть обеспечены соответствующим проектированием состава бетонной смеси (на основе характеристик материалов для бетона и требований к бетону), технологией приготовления бетонной смеси и производства бетонных работ при изготовлении бетонных и железобетонных изделий и возведении монолитных конструкций. Нормируемые показатели качества бетона должны контролироваться как в процессе производства работ, так и непосредственно при изготовлении изделий.
Необходимые нормируемые показатели качества бетона следует устанавливать при проектировании бетонных и железобетонных конструкций в соответствии с расчетом и условиями изготовления и эксплуатации конструкций с учетом различных воздействий окружающей среды и защитных свойств бетона по отношению к принятому виду арматуры.
6.1.3. Для бетонных и железобетонных конструкций следует предусматривать бетоны классов и марок, приведенных в таблице 6.1.
Таблица 6.1
|
Вид бетона |
Класс по прочности на сжатие | |
|
1 Бетон плотной структуры марок по средней плотности |
D400, D500 |
B1; B1,5; B2,5; B3,5 |
|
D600, D700 |
B1,5; B2,5; B3,5; B5 | |
|
D800, D900 |
B2,5; B3,5; B5; B7,5 | |
|
D1000, D1100 |
B2,5; B3,5; B5; B7,5; B10; B12,5 | |
|
D1200, D1300 |
B2,5; B3,5; B5; B7,5; B10; B12,5; B15; B20 | |
|
D1400, D1500 |
B3,5; B5; B7,5; B10; B12,5; B15; B20; B25; B30 | |
|
D1600, D1700 |
B7,5; B10; B12,5; B15; B20; B25; B30; B40 | |
|
D1800, D1900 |
B5; B7,5; B10; B12,5; B15; B20; B25; B30; B35; B40 | |
|
D2000 |
B25; B30; B35; B40 | |
|
2 Бетон поризованной структуры марок по средней плотности |
D300, D400 |
B1; B1,5; B2,5 |
|
D500, D600 |
B1,5; B2,5; B3,5 | |
|
D700, D800 |
B1,5; B2,5; B3,5; B5 | |
|
D900, D1000 |
B2,5; B3,5; B5; B7,5 | |
|
D1100, D1200 |
B3,5; B5; B7,5; B10 | |
|
D1300, D1400 |
B5; B7,5; B10; B12,5 | |
|
3 Бетон плотной структуры марок по средней плотности на пористом заполнителе марки по прочности П400 - П600 |
D1400, D1500 |
B20; B25; B30 |
|
D1600, D1700 |
B25; B30; B35; B40; B45 | |
|
D1800, D1900 |
B25; B30; B35; B40; B45; B50; B55; B60 | |
|
D2000 |
B30; B35; B40; B45; B50; B55; B60 | |
6.1.4 Для бетонных и железобетонных конструкций следует предусматривать бетоны следующих классов и марок:
- классов по прочности на осевое растяжение: Bt0,4; Bt0,8; Bt1,2; Bt1,6; Bt2; Bt2,4; Bt2,8; Bt3,2;
- марок по морозостойкости: F125; F135; F150; F175; F1100; F1150; F1200; F1300; F1400; F1500;
- марок по водонепроницаемости: W2; W4; W6; W8; W10; W12; W14; W16.
6.1.5 Проектный возраст бетона, т.е. возраст, в котором бетон должен приобрести все нормируемые для него показатели качества, назначают по СП 63.13330.
Значения нормируемых отпускной и передаточной прочности бетона в элементах сборных изделий следует назначать в соответствии с ГОСТ 13015 и нормативными документами (НД) на изделия конкретных видов, для монолитных конструкций - по СП 70.13330.
6.1.6 Для железобетонных конструкций не допускается применять:
- бетон класса по прочности на сжатие ниже B2,5 - для однослойных и ниже B1 - для двухслойных и трехслойных конструкций.
Рекомендуется принимать класс бетона по прочности на сжатие:
- не ниже B15 - для железобетонных элементов из бетонов плотной структуры, рассчитываемых на воздействие многократно повторяющейся нагрузки;
- не ниже B15 - для железобетонных сжатых стержневых элементов из бетонов плотной структуры;
- не ниже B25 - для сильнонагруженных железобетонных сжатых стержневых элементов (например, для колонн, воспринимающих значительные крановые нагрузки, и для колонн нижних этажей многоэтажных зданий).
6.1.7 Для предварительно напряженных железобетонных конструкций класс бетона по прочности на сжатие следует принимать в зависимости от вида и класса напрягаемой арматуры по таблице 6.2.
Таблица 6.2
|
Вид и класс напрягаемой арматуры |
Класс бетона, не ниже |
|
1 Проволочная арматура классов: | |
|
Вр1200 (при наличии анкеров) |
B20 |
|
Вр1600 (без анкеров) диаметром, мм: | |
|
до 5 включ. |
B20 |
|
6 и более |
B30 |
|
К1400, К1500, К1600, К1700 |
B30 |
|
2 Стержневая арматура (без анкеров) диаметром, мм: | |
|
от 10 до 18 включ., классов: | |
|
А-600 |
B15 |
|
А-800 |
B20 |
|
А-1000 |
B30 |
|
20 и более, классов: | |
|
А-600 |
B20 |
|
А-800 |
B25 |
|
А-1000 |
B30 |
|
Примечания 1 При расчете железобетонных конструкций в стадии предварительного обжатия расчетные характеристики бетона принимаются как для класса бетона, численно равного передаточной прочности бетона (по линейной интерполяции). 2 При проектировании ограждающих однослойных сплошных конструкций, выполняющих функции теплоизоляции, допускается применять напрягаемую арматуру класса A600 диаметром не более 14 мм при классах бетона B7,5 - B12,5, при относительном значении обжатия бетона σbp/Rbp не более 0,30, передаточная прочность бетона Rbp при этом должна составлять не менее 80% класса бетона. 3 При стержневой арматуре класса A1000 или арматурных канатах классов К1400 - К1700 значения передаточной прочности бетона Rbp принимают не менее 11 МПа, но не менее 50% принятого класса бетона. 4 При проволочной арматуре без высаженных головок значение передаточной прочности бетона должно быть не менее 15,5 МПа. 5 При проектировании железобетонных конструкций с применением проволочной напрягаемой арматуры и стержневой напрягаемой арматуры класса A600 независимо от диаметра или класса A800 диаметром 10 - 18 мм, рассчитываемых на воздействие многократно повторяющейся нагрузки, класс бетона по прочности на сжатие повышается на одну ступень с соответствующим повышением передаточной прочности. 6 При проектировании конструкций конкретных видов допускается установленное расчетом снижение класса бетона и передаточной прочности, приведенных в настоящей таблице. | |
6.1.8 Для замоноличивания стыков элементов сборных железобетонных конструкций класс бетона следует устанавливать в зависимости от условий работы соединяемых элементов, но не ниже B7,5.
6.1.9 Марки бетона по морозостойкости и водонепроницаемости бетонных и железобетонных конструкций в зависимости от режима их эксплуатации и значений расчетных зимних температур наружного воздуха в районе строительства должны приниматься в соответствии с СП 28.13330.
Для надземных конструкций, подвергаемых атмосферным воздействиям окружающей среды при расчетной отрицательной температуре наружного воздуха в холодный период от минус 5 °C до минус 40 °C, принимают марку бетона по морозостойкости не ниже F175. При расчетной температуре наружного воздуха выше минус 5 °C для надземных конструкций марку бетона по морозостойкости не нормируют.
6.1.10 Основные прочностные характеристики бетона - нормативные значения:
- сопротивления бетона осевому сжатию Rb,n;
- сопротивления бетона осевому растяжению Rbt,n.
Нормативные значения сопротивления бетона осевому сжатию (призменная прочность) и осевому растяжению принимают, в зависимости от класса бетона по прочности B, по таблице 6.3.
Таблица 6.3
|
Вид сопротивления |
Вид бетона |
Нормативные сопротивления бетона Rb,n, Rbt,n и расчетные сопротивления бетона для предельных состояний второй группы Rb,ser и Rbt,ser при классе бетона по прочности на сжатие, МПа | ||||||||||||||||||
|
B1 |
B1,5 |
B2 |
B2,5 |
B3,5 |
B5 |
B7,5 |
B10 |
B12,5 |
B15 |
B20 |
B25 |
B30 |
B35 |
B40 |
B45 |
B50 |
B55 |
B60 | ||
|
Сжатие осевое (призменная прочность) Rb,n и Rb,ser |
Бетон плотной структуры |
0,8 |
1,2 |
1,6 |
1,9 |
2,7 |
3,5 |
5,5 |
7,5 |
9,5 |
11,0 |
15,0 |
18,5 |
22,0 |
25,5 |
29,0 |
- |
- |
- |
- |
|
Бетон плотной структуры на пористом заполнителе марки по прочности П400 - П600 |
- |
- |
- |
- |
- |
- |
- |
- |
- |
- |
- |
- |
- |
- |
- |
32,0 |
36,0 |
39,5 |
43,0 | |
|
Конструкционно-теплоизоляционный бетон на ПСКГ поризованной структуры |
- |
1,5 |
- |
2,1 |
2,7 |
- |
- |
- |
- |
- |
- |
- |
- |
- |
- |
- |
- |
- |
- | |
|
Растяжение осевое Rbt,n и Rbt,ser |
Бетон плотной структуры при мелком заполнителе: | |||||||||||||||||||
|
- плотном |
- |
- |
- |
0,29 |
0,39 |
0,55 |
0,70 |
0,85 |
1,00 |
1,15 |
1,40 |
1,55 |
1,75 |
1,95 |
2,10 |
- |
- |
- |
- | |
|
- пористом |
0,09 |
0,14 |
0,21 |
0,29 |
0,39 |
0,55 |
0,70 |
0,85 |
1,00 |
1,10 |
1,20 |
1,35 |
1,50 |
1,65 |
1,80 |
- |
- |
- |
- | |
|
Бетон плотной структуры на пористом заполнителе марки по прочности П400 - П600 |
- |
- |
- |
- |
- |
- |
- |
- |
- |
- |
- |
- |
- |
- |
- |
2,25 |
2,45 |
2,60 |
2,75 | |
|
Конструкционно-теплоизоляционный бетон на ПСКГ поризованной структуры |
- |
0,17 |
- |
0,25 |
0,35 |
- |
- |
- |
- |
- |
- |
- |
- |
- |
- |
- |
- |
- |
- | |
|
Примечания 1 Для бетонов поризованной структуры и керамзитоперлитобетона на вспученном перлитовом песке значения Rbt,n и Rbt,ser принимают, как для легкого бетона на пористом песке с умножением на коэффициент 0,85. 2 В настоящей таблице применено следующее сокращение: ПСКГ - пеностеклокерамика гранулированная. | ||||||||||||||||||||
6.1.11 Расчетные значения сопротивления бетона осевому сжатию Rb и осевому растяжению Rbt рассчитывают по СП 63.13330 с учетом значения коэффициента надежности по бетону.
Расчетные значения сопротивления бетона Rb, Rbt, Rb,ser, Rbt,ser (с округлением) в зависимости от класса бетона по прочности на сжатие и осевое растяжение приведены: в таблицах 6.4 и 6.5 для предельных состояний первой группы, в таблице 6.3 - второй группы.
Таблица 6.4
|
Вид сопротивления |
Вид бетона |
Расчетные сопротивления бетона для предельных состояний первой группы Rb и Rbt при классе бетона по прочности на сжатие, МПа | ||||||||||||||||||
|
B1 |
B1,5 |
B2 |
B2,5 |
B3,5 |
B5 |
B7,5 |
B10 |
B12,5 |
B15 |
B20 |
B25 |
B30 |
B35 |
B40 |
B45 |
B50 |
B55 |
B60 | ||
|
Сжатие осевое (призменная прочность) Rb |
Бетон плотной структуры |
0,6 |
0,9 |
1,2 |
1,5 |
2,1 |
2,8 |
4,5 |
6,0 |
7,5 |
8,5 |
11,5 |
14,5 |
17,0 |
19,5 |
22,0 |
- |
- |
- |
- |
|
Бетон плотной структуры на пористом заполнителе марки по прочности П400 - П600 |
- |
- |
- |
- |
- |
- |
- |
- |
- |
- |
- |
- |
- |
- |
- |
24,7 |
27,4 |
30,0 |
32,7 | |
|
Конструкционно-теплоизоляционный бетон на ПСКГ поризованной структуры |
- |
1,2 |
- |
1,8 |
2,3 |
- |
- |
- |
- |
- |
- |
- |
- |
- |
- |
- |
- |
- |
- | |
|
Растяжение осевое Rbt |
Бетон плотной структуры на мелком заполнителе: | |||||||||||||||||||
|
- плотном |
- |
- |
- |
0,20 |
0,26 |
0,37 |
0,48 |
0,56 |
0,66 |
0,75 |
0,90 |
1,05 |
1,15 |
1,30 |
1,40 |
- |
- |
- |
- | |
|
- пористом |
0,07 |
0,11 |
0,16 |
0,20 |
0,26 |
0,37 |
0,48 |
0,56 |
0,66 |
0,74 |
0,80 |
0,90 |
1,00 |
1,10 |
1,20 |
- |
- |
- |
- | |
|
Бетон плотной структуры на пористом заполнителе марки по прочности П400 - П600 |
- |
- |
- |
- |
- |
- |
- |
- |
- |
- |
- |
- |
- |
- |
- |
1,54 |
1,60 |
1,70 |
1,80 | |
|
Конструкционно-теплоизоляционный бетон на ПСКГ поризованной структуры |
- |
0,15 |
- |
0,20 |
0,26 |
- |
- |
- |
- |
- |
- |
- |
- |
- |
- |
- |
- |
- |
- | |
|
Примечание - Для бетонов поризованной структуры и керамзитоперлитобетона на вспученном перлитовом песке значения Rb и Rbt принимают, как для бетона на пористом песке с умножением на коэффициент 0,85. | ||||||||||||||||||||
Таблица 6.5
|
Вид сопротивления |
Расчетные сопротивления бетона для предельных состояний первой группы при классе бетона по прочности на осевое растяжение, МПа | ||||||
|
Bt0,8 |
Bt1,2 |
Bt1,6 |
Bt2,0 |
Bt2,4 |
Bt2,8 |
Bt3,2 | |
|
Растяжение осевое |
0,62 |
0,93 |
1,25 |
1,55 |
1,85 |
2,15 |
2,45 |
Расчетные значения сопротивления бетона для предельных состояний первой группы Rb и Rbt снижаются (или повышаются) путем умножения на коэффициенты условий работы бетона γbi, учитывающие особенности свойств бетона, длительность действия, многократную повторяемость нагрузки, условия и стадию работы конструкции, способ ее изготовления, размеры сечения и т.п. Значения коэффициентов условий работы γbi приведены в приложении Б.
Расчетные значения сопротивления бетона для предельных состояний второй группы Rb,ser и Rbt,ser вводят в расчет с коэффициентом условий работы бетона γbi = 1,0. Для отдельных видов бетонов допускается принимать иные значения расчетных сопротивлений, согласованные в установленном порядке.
При использовании в расчетах промежуточных классов бетона по прочности на сжатие согласно 6.1.3, значения характеристик, приведенных в таблицах 6.2, 6.3 и 6.7, принимаются по линейной интерполяции.
6.1.12 Основные деформационные характеристики бетона:
- предельные относительные деформации бетона при осевом сжатии и растяжении (при однородном напряженном состоянии бетона) εb0 и εbt0;
- начальный модуль упругости Eb;
- модуль сдвига G;
- коэффициент (характеристика) ползучести φb,cr;
- коэффициент поперечной деформации бетона (коэффициент Пуассона) νb,P;
- коэффициент линейной температурной деформации бетона αbt.
6.1.13 Значения предельных относительных деформаций следует принимать по соответствующим НД. Допускается принимать значения предельных относительных деформаций при продолжительном действии нагрузки по СП 63.13330 с понижающим коэффициентом [(0,4 + 0,6ρ/2200) ≥ 0,7] (здесь ρ - плотность бетона).
6.1.14 Значения начального модуля упругости бетона Eb при сжатии и растяжении принимают по таблице 6.6. Для не защищенных от солнечной радиации конструкций, согласно СП 131.13330, значения Eb, указанные в таблице 6.6, следует умножать на коэффициент 0,85.
Таблица 6.6
|
Бетон |
Начальные модули упругости бетона при сжатии и растяжении Eb·10-3, МПа, при классе бетона | ||||||||||||||||
|
B1,5 |
B2,5 |
B3,5 |
B5 |
B7,5 |
B10 |
B12,5 |
B15 |
B20 |
B25 |
B30 |
B35 |
B40 |
B45 |
B50 |
B55 |
B60 | |
|
Плотной структуры, марки по средней плотности: | |||||||||||||||||
|
D400 |
2,1 |
2,6 |
3,5 |
- |
- |
- |
- |
- |
- |
- |
- |
- |
- |
- |
- |
- |
- |
|
D600 |
2,7 |
3,5 |
5,1 |
5,5 |
- |
- |
- |
- |
- |
- |
- |
- |
- |
- |
- |
- |
- |
|
D800 |
3,5 |
4,3 |
5,7 |
6,3 |
5,5 |
- |
- |
- |
- |
- |
- |
- |
- |
- |
- |
- |
- |
|
D1000 |
- |
5,0 |
6,2 |
6,9 |
7,2 |
8,0 |
8,7 |
9,3 |
- |
- |
- |
- |
- |
- |
- |
- |
- |
|
D1200 |
- |
6,1 |
6,7 |
7,6 |
8,7 |
9,5 |
10,2 |
10,8 |
11,3 |
11,8 |
- |
- |
- |
- |
- |
- |
- |
|
D1400 |
- |
7,0 |
7,8 |
8,8 |
10,0 |
11,0 |
11,7 |
12,5 |
13,5 |
14,5 |
15,5 |
- |
- |
- |
- |
- |
- |
|
D1600 |
- |
- |
9,0 |
10,0 |
11,5 |
12,5 |
13,2 |
14,0 |
15,5 |
16,5 |
17,5 |
18,0 |
- |
- |
- |
- |
- |
|
D1800 |
- |
- |
- |
11,2 |
13,0 |
14,0 |
14,7 |
15,5 |
17,0 |
18,5 |
19,5 |
20,0 |
20,5 |
- |
- |
- |
- |
|
D2000 |
- |
- |
- |
- |
14,5 |
16,0 |
17,0 |
18,0 |
19,5 |
21,0 |
21,5 |
22,5 |
23,5 |
- |
- |
- |
- |
|
Поризованной структуры, марки по средней плотности: | |||||||||||||||||
|
D300 |
1,5 |
- |
- |
- |
- |
- |
- |
- |
- |
- |
- |
- |
- |
- |
- |
- |
- |
|
D400 |
1,8 |
2,5 |
- |
- |
- |
- |
- |
- |
- |
- |
- |
- |
- |
- |
- |
- |
- |
|
D500 |
2,1 |
2,5 |
2,9 |
- |
- |
- |
- |
- |
- |
- |
- |
- |
- |
- |
- |
- |
- |
|
D600 |
- |
2,8 |
3,6 |
3,8 |
4,7 |
- |
- |
- |
- |
- |
- |
- |
- |
- |
- |
- |
- |
|
D700 |
- |
3,4 |
4,1 |
4,4 |
5,5 |
5,8 |
- |
- |
- |
- |
- |
- |
- |
- |
- |
- |
- |
|
D800 |
- |
3,8 |
4,7 |
5,2 |
6,1 |
6,7 |
- |
- |
- |
- |
- |
- |
- |
- |
- |
- |
- |
|
Плотной структуры на высокопрочном пористом заполнителе, марки по прочности: П400 - П600, марки по плотности: | |||||||||||||||||
|
D1600 |
- |
- |
- |
- |
- |
- |
- |
- |
- |
- |
- |
- |
- |
20,8 |
- |
- |
- |
|
D1800 |
- |
- |
- |
- |
- |
- |
- |
- |
- |
- |
- |
- |
- |
25,8 |
27,6 |
30,1 |
31,5 |
|
D2000 |
- |
- |
- |
- |
- |
- |
- |
- |
- |
- |
- |
- |
- |
26,5 |
28,5 |
30,6 |
33,6 |
При наличии данных о качестве материалов, составах бетона, условиях изготовления (например, центрифугированный бетон) и т.д. допускается принимать другие значения Eb, согласованные в установленном порядке.
6.1.15 Коэффициент линейной температурной деформации αbt при изменении температуры от минус 40 °C до плюс 50 °C, в зависимости от вида бетона, принимается равным:
- 1·10-5 °C-1 - для бетона при мелком плотном заполнителе;
- 0,8·10-5 °C-1 - для бетона при мелком пористом заполнителе;
- 0,9·10-5 °C-1 - для бетона поризованной структуры.
6.1.16 Значение коэффициента ползучести бетона φb,cr допускается принимать по СП 63.13330 с понижающим коэффициентам (ρ/2200)2, где ρ - плотность бетона.
6.1.17 Начальный коэффициент поперечной деформации бетона ν (коэффициент Пуассона) принимается равным 0,2, а модуль сдвига бетона G - равным 0,4 соответствующих значений Eb, указанных в таблице 6.6.
6.1.18 При расчете элементов по нелинейной деформационной модели диаграммы деформирования бетона принимают по СП 63.13330. При этом значения предельных относительных деформаций бетона при осевом сжатии рассчитывают по формуле
, (6.1)
где B - класс бетона по прочности на сжатие;
Eb - модуль упругости при сжатии;
λ - безразмерный коэффициент, рассчитываемый по формуле
λ = D/240, (6.2)
где D - средняя плотность бетона, кг/м3.
В качестве рабочих диаграмм состояния бетона, определяющих связь между напряжениями и относительными деформациями, используют упрощенные трехлинейную и двухлинейную диаграммы (рисунок 6.1 а, б) по типу диаграмм Прандтля.

а - трехлинейная диаграмма состояния сжатого бетона; б - двухлинейная диаграмма состояния сжатого бетона
Рисунок 6.1 - Диаграммы состояния сжатого бетона
При трехлинейной диаграмме (рисунок 6.1, а) сжимающие напряжения бетона в зависимости от относительных деформаций укорочения бетона определяют по формулам:
при 0 ≤ εb ≤ εb1
σb = Ebεb,
при εb1 ≤ εb ≤εb0

при εb0 ≤ εb ≤ εb2
σb = Rb.
Значения напряжений σb1 принимают
σb1 = 0,6Rb,
а значения относительных деформаций εb1 принимают
εb1 = σb1/Eb.
Значение εb0 определяют при непродолжительном действии нагрузки по формуле (6.1) с безразмерным коэффициентом λ, определяемым по формуле (6.2).
Значения предельных относительных деформаций бетонов εb2 при продолжительном действии нагрузки допускается принимать по СП 63.13330.
При двухлинейной диаграмме (рисунок 6.1, б) сжимающие напряжения бетона в зависимости от относительных деформаций определяют по формулам:
при 0 ≤ εb ≤ εb1
σb= Eb,red·εb,
при εb0 ≤ εb≤ εb2
σb= Rb.
Значения приведенного модуля деформации бетона Eb,red определяют по формуле
Eb,red = Rb/εb1,red,
где εb1,red - значение относительных деформаций при непродолжительном действии нагрузки, принимаемое равным εb1,red = 0,0022, а при продолжительном действии нагрузки - по СП 63.13330.2018 (таблица 6.10) с учетом 6.1.13.
Параметры диаграмм состояния бетона при растяжении следует принимать по СП 63.13330.
6.1.19 Расчетные теплофизические характеристики керамзитобетона поризованной структуры без песка (керамзитопенобетона) и крупнопористого (беспесчаного) керамзитобетона следует принимать по таблицам 6.7 и 6.8.
Таблица 6.7 - Расчетные теплотехнические показатели керамзитобетона поризованной структуры без песка (керамзитопенобетона)
|
Наименование показателя, ед. изм. |
Значения показателя | ||||||
|
Марка по средней плотности D |
400 |
500 |
600 |
700 |
800 |
900 |
1000 |
|
Коэффициент теплопроводности, Вт/(м·°C): | |||||||
|
- в сухом состоянии (λ0) |
0,11 |
0,12 |
0,13 |
0,15 |
0,17 |
0,20 |
0,23 |
|
- в условиях эксплуатации А (λа) |
0,12 |
0,14 |
0,16 |
0,19 |
0,21 |
0,24 |
0,27 |
|
- в условиях эксплуатации Б (λб) |
0,15 |
0,18 |
0,21 |
0,24 |
0,26 |
0,31 |
0,36 |
|
Удельная теплоемкость в сухом состоянии C0, кДж/(кг·°C) |
0,84 | ||||||
|
Коэффициент паропроницаемости μ, мг/(м·ч·Па) |
0,275 |
0,245 |
0,215 |
0,195 |
0,185 |
0,165 |
0,125 |
|
Коэффициент теплоусвоения при периоде 24 ч, Вт/(м2·ч): - в условиях эксплуатации А (sа) |
2,03 |
2,36 |
2,86 |
2,99 |
3,36 |
3,87 |
4,58 |
|
- в условиях эксплуатации Б (sб) |
2,46 |
2,93 |
3,35 |
3,74 |
4,45 |
5,03 |
5,99 |
|
Расчетное массовое отношение влаги в материале, %: | |||||||
|
- в условиях эксплуатации А (ωа) |
4 | ||||||
|
- в условиях эксплуатации Б (ωб) |
8 | ||||||
Таблица 6.8 - Теплофизические характеристики крупнопористого (беспесчаного) керамзитобетона
|
Наименование показателя, ед. изм. |
Значения показателя | |||||
|
Марка по средней плотности D |
200 |
300 |
400 |
500 |
600 |
700 |
|
Коэффициент теплопроводности, Вт/(м·°C): | ||||||
|
- в сухом состоянии (λ0) |
0,085 |
0,095 |
0,105 |
0,120 |
0,130 |
0,135 |
|
- в условиях эксплуатации А (λа) |
0,095 |
0,105 |
0,115 |
0,130 |
0,140 |
0,145 |
|
- в условиях эксплуатации Б (λб) |
0,100 |
0,110 |
0,125 |
0,140 |
0,150 |
0,155 |
|
Удельная теплоемкость в сухом состоянии C0, кДж/(кг·°C) |
0,84 | |||||
|
Коэффициент паропроницаемости μ, мг/(м·ч·Па) |
0,195 |
0,195 |
0,175 |
0,165 |
0,155 |
0,145 |
|
Коэффициент теплоусвоения при периоде 24 ч, Вт/(м2·ч): | ||||||
|
- в условиях эксплуатации А (sа) |
1,51 |
1,51 |
1,82 |
2,16 |
2,46 |
2,70 |
|
- в условиях эксплуатации Б (sб) |
1,62 |
1,62 |
1,99 |
2,36 |
2,68 |
2,94 |
|
Расчетное массовое отношение влаги в материале, %: | ||||||
|
- в условиях эксплуатации А (ωа) |
3,5 | |||||
|
- в условиях эксплуатации Б (ωб) |
6 | |||||
Теплотехнические показатели керамзитобетона на керамзитовом песке следует принимать по СП 50.13330.
6.2 Арматура
6.2.1 При проектировании железобетонных зданий и сооружений в соответствии с требованиями, предъявляемыми к бетонным и железобетонным конструкциям, должны быть установлены вид арматуры, ее нормируемые и контролируемые показатели качества, принимаемые по СП 63.13330.
6.2.2 Требования к нормативным и расчетным характеристикам композитной полимерной арматуры и дисперсного армирования (неметаллической фибры) следует принимать в соответствии с подразделом 5.2 СП 295.1325800.2017, а также пунктами 5.2.10 и 5.2.11 СП 339.1325800.2017.
7 Расчет элементов бетонных и железобетонных конструкций по предельным состояниям первой группы
7.1 Расчет бетонных элементов по прочности
7.1.1 Расчет бетонных элементов по прочности производят на действие продольных сжимающих сил, изгибающих моментов, поперечных сил и на местное действие нагрузки (местное сжатие, продавливание).
Расчет по прочности бетонных элементов при действии продольной сжимающей силы и изгибающего момента следует производить для сечений, нормальных к их продольной оси.
Расчет бетонных элементов по прочности нормальных сечений следует производить по нелинейной деформационной модели на основе диаграмм деформирования бетона. Расчет по прочности элементов прямоугольного и таврового сечений при действии усилий в плоскости симметрии нормального сечения допускается производить по предельным усилиям.
Бетонные элементы в зависимости от условий их работы и предъявляемых к ним требований рассчитывают по предельным усилиям без учета или с учетом сопротивления бетона растянутой зоны.
Расчет внецентренно сжатых элементов при расположении продольной сжимающей силы в пределах поперечного сечения элемента выполняют без учета сопротивления бетона растянутой зоны (рисунок 7.1), принимая, что достижение предельного состояния характеризуется разрушением сжатого бетона. Сопротивление бетона сжатию условно представляют напряжениями, равными Rb, равномерно распределенными по сжатой зоне бетона с центром тяжести, совпадающим с точкой приложения продольной силы.
Расчет элементов, работающих на сжатие при расположении продольной сжимающей силы за пределами поперечного сечения элемента, изгибаемых элементов и элементов, в которых не допускают трещины по условиям эксплуатации конструкций, выполняют с учетом сопротивления бетона растянутой зоны (рисунок 7.2). При этом расчете принимают, что предельное состояние характеризуется достижением предельных усилий в бетоне растянутой зоны (разрушением или появлением трещин).

Рисунок 7.1 - Схема усилий и эпюра напряжений в сечении, нормальном к продольной оси внецентренно сжатого бетонного элемента, рассчитываемого по прочности без учета сопротивления бетона растянутой зоны
Предельные усилия (рисунок 7.2) определяют исходя из условий, что:
- сечения после деформаций остаются плоскими;
- наибольшее относительное удлинение крайнего растянутого волокна бетона равно 2Rbt/Eb;
- напряжения в бетоне сжатой зоны определяются с учетом упругих (а в некоторых случаях и неупругих) деформаций бетона;
- напряжения в бетоне растянутой зоны распределены равномерно и равны Rbt.

Рисунок 7.2 - Схема усилий и эпюра напряжений в сечении, нормальном к продольной оси изгибаемого (внецентренно сжатого) бетонного элемента, рассчитываемого по прочности с учетом сопротивления бетона растянутой зоны
7.1.2 При расчете внецентренно сжатых бетонных элементов должен приниматься во внимание случайный эксцентриситет продольного усилия, определяемый согласно 5.9.
7.1.3 При гибкости элементов l0/i> 14 необходимо учитывать влияние на их несущую способность прогибов в плоскости эксцентриситета продольного усилия путем умножения значений e0 на коэффициент η (7.1.6). В случае расчета из плоскости эксцентриситета продольного усилия значение e0 принимается равным значению случайного эксцентриситета.
Применение бетонных внецентренно сжатых элементов не допускается при эксцентриситетах приложения продольной силы с учетом прогибов e0η, превышающих:
- в зависимости от сочетания нагрузок:
0,9y - при основном сочетании;
0,95y - при "особом" сочетании;
- в зависимости от вида и класса бетона:
y - 1 - для бетона класса выше B7,5;
y - 2 - для других классов бетона,
где y - расстояние, см, от центра тяжести сечения до наиболее сжатого волокна бетона.
7.1.4 Во внецентренно сжатых бетонных элементах в случаях, приведенных в 10.10.2, необходимо предусмотреть конструктивную арматуру.
7.1.5 Расчет внецентренно сжатых бетонных элементов (рисунок 7.1) должен производиться из условия
N ≤ RbAb, (7.1)
где Ab - площадь сжатой зоны бетона, определяемая из условия, что ее центр тяжести совпадает с точкой приложения равнодействующей внешних сил.
Для элементов прямоугольного сечения Ab определяется по формуле
. (7.2)
Внецентренно сжатые бетонные элементы, в которых появление трещин не допускается, должны быть проверены с учетом сопротивления бетона растянутой зоны (7.1.1, рисунок 7.2) из условия
. (7.3)
Для элементов прямоугольного сечения условие (7.3) имеет вид
, (7.4)
где φ - см. формулу (8.14).
7.1.6 Значение коэффициента η, учитывающего влияние прогиба на значение эксцентриситета продольного усилия e0, следует определять по формуле
, (7.5)
где Ncr - условная критическая сила, определяемая по формуле
, (7.6)
где φl - коэффициент, учитывающий влияние длительного действия нагрузки на прогиб элемента в предельном состоянии, определяемый по формуле
, (7.7)
но не более 1 + β (β - коэффициент, принимаемый в зависимости от вида бетона по таблице 7.1);
M - момент относительно растянутой или наименее сжатой грани сечения от действия постоянных, длительных и кратковременных нагрузок;
Ml - то же, от действия постоянных и длительных нагрузок;
l0 - определяется по таблице 7.2;
δe - коэффициент, принимаемый равным e0/h, но не менее δe,min, определяемый по формуле
. (7.8)
Таблица 7.1
|
Вид бетона |
Коэффициент β в формуле (7.7) |
|
1 Бетон плотной структуры: | |
|
на крупном пористом заполнителе по ГОСТ 32496 |
1,0 |
|
мелком заполнителе: | |
|
- плотном по ГОСТ 8736 |
1,0 |
|
- пористом по ГОСТ 32496 |
1,5 |
|
на заполнителе из пористых горных пород по ГОСТ 22263 |
2,5 |
|
2 Бетон поризованной структуры на пористом заполнителе по ГОСТ 32496 |
2,0 |
Таблица 7.2
|
Характер опирания стен и столбов |
Расчетная длина l0 внецентренно сжатых бетонных элементов |
|
1 С опорами вверху и внизу: | |
|
- при шарнирах на двух концах независимо от величины смещения опор |
H |
|
- при защемлении одного из концов и возможном смещении опор для зданий: | |
|
многопролетных |
1,25H |
|
однопролетных |
1,50H |
|
2 Свободно стоящие |
2,00H |
|
Обозначение - "H" - высота столба (стены) в пределах этажа за вычетом толщины плиты перекрытия или высота свободно стоящей конструкции. | |
Если изгибающие моменты (или эксцентриситеты) от полной нагрузки и от суммы постоянных и длительных с разными знаками, то при абсолютном значении эксцентриситета полной нагрузки e0, превышающем 0,1h, принимают φ = 1,0; если это условие не удовлетворяется, значение φl принимают равным
, (7.9)
где φl1 определяют по формуле (7.7), принимая M равным произведению продольной силы N от действия постоянных, длительных и кратковременных нагрузок на расстояние от центра тяжести до растянутой или наименее сжатой от действия постоянных и длительных нагрузок грани сечения.
7.1.7 Расчет изгибаемых бетонных элементов по предельным усилиям следует производить из условия
M ≤ Rbt·W, (7.10)
где W - момент сопротивления сечения элемента для крайнего растянутого волокна, для элементов прямоугольного сечения равный
. (7.11).
7.1.8 Расчет бетонных элементов на основе нелинейной деформационной модели производят согласно 7.2.14, принимая в расчетных зависимостях площадь арматуры равной нулю.
7.2 Расчет железобетонных элементов по прочности
Расчет железобетонных элементов по прочности производят на действие изгибающих моментов, продольных сил, поперечных сил, крутящих моментов и на местное действие нагрузки (местное сжатие, продавливание).
Расчет по прочности железобетонных элементов на действие изгибающих моментов и продольных сил
7.2.1 Расчет по прочности железобетонных элементов при действии продольной сжимающей силы и изгибающего момента следует производить для сечений, нормальных к их продольной оси.
Расчет по прочности нормальных сечений железобетонных элементов следует производить по нелинейной деформационной модели на основе диаграмм деформирования бетона и арматуры. Расчет элементов прямоугольного и таврового сечений при действии усилий в плоскости симметрии нормального сечения допускается производить по предельным усилиям.
Расчет по прочности нормальных сечений по предельным усилиям
7.2.2 Предельные усилия в сечении, нормальном к продольной оси элемента, следует определять исходя из следующих предпосылок:
- сопротивление бетона растяжению принимается равным нулю;
- сопротивление бетона сжатию представляется напряжениями, равными Rb и равномерно распределенными по сжатой зоне бетона;
- деформации (напряжения) в арматуре определяются в зависимости от высоты сжатой зоны бетона;
- растягивающие напряжения в арматуре принимаются не более расчетного значения сопротивления растяжению Rs;
- сжимающие напряжения в арматуре принимаются не более расчетного значения сопротивления сжатию Rsc.
7.2.3 Расчет сечений, нормальных к продольной оси элемента, когда внешняя сила действует в плоскости оси симметрии сечения и арматура сосредоточена у перпендикулярных к указанной плоскости граней элемента, следует производить в зависимости от соотношения между значением относительной высоты сжатой зоны бетона ξ = x/h0, определяемой из соответствующих условий равновесия, и значением относительной высоты сжатой зоны бетона ξR, при котором предельное состояние элемента наступает одновременно с достижением в растянутой арматуре напряжения, равного расчетному значению сопротивления.
7.2.4 Значение ξR определяется по формуле
, (7.12)
где ω - характеристика сжатой зоны бетона, определяемая по формуле
ω = α - 0,008Rb, (7.13)
здесь α - коэффициент, принимаемый равным 0,80;
Rb и R, МПа;
σsc,u = 400 МПа.
7.2.5 Расчет прямоугольных сечений изгибаемых элементов, указанных в 7.2.3 (рисунок 7.3), при
должен производиться из условия
M ≤ Rbbx(h0 - 0,5x) + RscA's(h0 - α'), (7.14)
при этом высота сжатой зоны определяется из формулы
RsAs- RscA's= Rbbx. (7.15)

Рисунок 7.3 - Схема усилий и эпюра напряжений в сечении, нормальном к продольной оси изгибаемого железобетонного элемента, при расчете его по прочности
7.2.6 Расчет сечений с полкой в сжатой зоне бетона, при ξ = x/h0 ≤ ξR, должен производиться в зависимости от положения границы сжатой зоны:
если граница проходит в полке (рисунок 7.4, а), т.е. соблюдается условие
RsAs ≤ Rbb'fh'f + RscA's, (7.16)
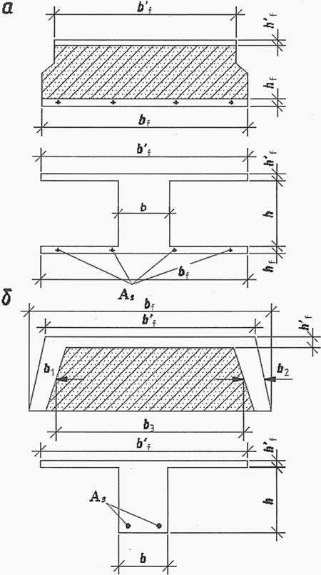
расчет производится как для прямоугольного сечения шириной b'f согласно 7.2.5;
если граница проходит в ребре (рисунок 7.4, б), т.е. условие (7.16) не соблюдается, расчет производится из условия
M ≤ Rbbx(h0 - 0,5x) + Rb(b'f- b)h'f(h0 - 0,5h'f) + RscA's(h0 - α'); (7.17)
при этом высота сжатой зоны бетона x определяется из формулы
RsAs - RscA's = Rbbx + Rb(b'f - b)h'f. (7.18)

а - в полке; б - в ребре
Рисунок 7.4 - Положение границы сжатой зоны в сечении изгибаемого железобетонного элемента
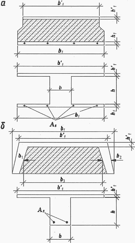
Значение b'f, вводимое в расчет, принимается из условия, что ширина свеса полки в каждую сторону от ребра должна быть не более 1/6 пролета элемента при отсутствии поперечных ребер и не более:
- 1/2 расстояния в свету между продольными ребрами - при наличии поперечных ребер или при h'f ≥ 0,1h;
- при консольных свесах полки:
6h'f - при h'f ≥ 0,1h;
3h'f - при 0,05h ≤ h'f <0,1h;
свесы не учитываются - при h'f <0,05h.
7.2.7 При расчете по прочности изгибаемых элементов рекомендуется соблюдать условие x ≤ ξRh0. В случае, когда площадь сечения растянутой арматуры по конструктивным соображениям или из расчета по предельным состояниям второй группы принята большей, чем это требуется для соблюдения условия x ≤ ξRh0, расчет следует производить по формулам 7.2.14.
7.2.8 При расчете внецентренно сжатых железобетонных элементов необходимо учитывать случайный эксцентриситет (5.9) и влияние прогиба на их несущую способность согласно 7.2.10.
7.2.9 Расчет прямоугольных сечений внецентренно сжатых элементов следует производить:
- при ξ = x/h0 ≤ ξR (рисунок 7.5) из условия
Ne ≤ Rbbx(h0 - 0,5x) + RscA's(h0 - α'), (7.19)
при этом высота сжатой зоны определяется по формуле
N + RsAs - RscA's = Rbbx, (7.20)
где e - расстояние от точки приложения продольной силы N до центра тяжести сечения или наименее сжатой арматуры при полностью сжатом сечении элемента
, (7.21)
η - см. 7.1.6.
- при ξ = x/h0 > ξR - также из условия (7.19), но при этом высота сжатой зоны бетона определяется:
для элементов из бетона класса B30 и ниже с ненапрягаемой арматурой классов A240, A400, A500 - по формуле
N + σsAs - RscA's = Rbbx, (7.22)
где
. (7.23)

Рисунок 7.5 - Схема усилий и эпюра напряжений в сечении, нормальном к продольной оси внецентренно сжатого железобетонного элемента, при расчете его по прочности
7.2.10 При расчете внецентренно сжатых элементов допускается производить расчет конструкций по недеформированной схеме, учитывая при гибкости l0/i> 14 влияние прогиба элемента на его прочность, определяемую из условий (7.19), путем умножения e0 на коэффициент η. При этом условная критическая сила в формуле (7.6) для вычисления η принимается равной
, (7.24)
где l0 - принимается согласно 7.2.11;
δe - коэффициент, принимаемый согласно 7.1.6;
φl - коэффициент, определяемый по формуле (7.7), при этом моменты M и Ml определяются относительно оси, параллельной линии, ограничивающей сжатую зону и проходящей через центр наиболее растянутого или наименее сжатого (при целиком сжатом сечении) стержня арматуры, соответственно от действия полной нагрузки и от действия постоянных и длительных нагрузок. Если изгибающие моменты (или эксцентриситеты) от действия полной нагрузки и от действия постоянных и длительных нагрузок с разными знаками, то следует учитывать 7.1.6;
φp - коэффициент, учитывающий влияние предварительного напряжения арматуры на жесткость элемента; при равномерном обжатии сечения напрягаемой арматурой φp определяется по формуле
, (7.25)
σbp - определяется при коэффициенте γsp <1,0;
Rb - принимается без учета коэффициентов условий работы бетона;
в формуле (7.25) значение e0/h принимается не более 1,5;
α = Es/Eb.
При расчете из плоскости действия изгибающего момента эксцентриситет продольной силы e0 принимается равным значению случайного эксцентриситета.
7.2.11 Расчетную длину l0 внецентренно сжатых железобетонных элементов рекомендуется определять, как для элементов рамной конструкции с учетом ее деформированного состояния при наиболее невыгодном для этих элементов расположении нагрузки, принимая во внимание неупругие деформации материалов и наличие трещин.
Для элементов наиболее часто встречающихся конструкций допускается принимать расчетную длину l0:
- для колонн многоэтажных зданий при числе пролетов не менее двух и соединениях ригелей и колонн, рассчитываемых как жесткие, при конструкциях перекрытий:
сборных - равной H;
монолитных - равной 0,7H,
где H - высота этажа (расстояние между центрами узлов);
- по таблице 7.3 - для колонн одноэтажных зданий с шарнирным опиранием несущих конструкций покрытий, жестких в своей плоскости (способных передавать горизонтальные усилия), а также для эстакад;
- по таблице 7.4 - для элементов ферм и арок.
Таблица 7.3
|
Характеристика зданий и колонн |
Расчетная длина l0 колонн одноэтажных зданий при расчете их в плоскости | ||||||
|
поперечной рамы или перпендикулярной к оси эстакады |
перпендикулярной к поперечной раме или параллельной оси эстакады | ||||||
|
при наличии |
при отсутствии | ||||||
|
связей в плоскости продольного ряда колонн или анкерных опор | |||||||
|
Здания |
С мостовыми кранами |
При учете нагрузки от кранов |
Подкрановая (нижняя) часть колонн при подкрановых балках |
Разрезных |
1,5H1 |
0,8H1 |
1,2H1 |
|
Неразрезных |
1,2H1 |
0,8H1 |
0,8H1 | ||||
|
Надкрановая (верхняя) часть колонн при подкрановых балках |
Разрезных |
2,0H2 |
1,5H2 |
2,0H2 | |||
|
Неразрезных |
2,0H2 |
1,5H2 |
1,5H2 | ||||
|
Без учета нагрузки от кранов |
Подкрановая (нижняя) часть колонн зданий |
Однопролетных |
1,5H |
0,8H1 |
1,2H | ||
|
Многопролетных |
1,2H |
0,8H1 |
1,2H | ||||
|
Надкрановая (верхняя) часть колонн при подкрановых балках |
Разрезных |
2,5H2 |
1,5H2 |
2,0H2 | |||
|
Неразрезных |
2,0H2 |
1,5H2 |
1,5H2 | ||||
|
Без мостовых кранов |
Колонны ступенчатые |
Нижняя часть колонн зданий |
Однопролетных |
1,5H |
0,8H |
1,2H | |
|
Многопролетных |
1,2H |
0,8H |
1,2H | ||||
|
Верхняя часть колонн |
2,5H2 |
2,0H2 |
2,5H2 | ||||
|
Колонны постоянного сечения зданий |
Однопролетных |
1,5H |
0,8H |
1,2H | |||
|
Многопролетных |
1,2H |
0,8H |
1,2H | ||||
|
Эстакады |
Крановые |
При подкрановых балках |
Разрезных |
2,0H1 |
0,8H1 |
1,5H1 | |
|
Неразрезных |
1,5H1 |
0,8H1 |
H1 | ||||
|
Под трубопроводы |
При соединении колонн с пролетным строением |
Шарнирном |
2,0H |
H |
2,0H | ||
|
Жестком |
1,5H |
0,7H |
1,5H | ||||
|
Обозначения: "H" - полная высота колонны от верха фундамента до горизонтальной конструкции (стропильной или подстропильной, распорки) в соответствующей плоскости; "H1" - высота подкрановой части колонны от верха фундамента до низа подкрановой балки; "H2" - высота надкрановой части колонны от ступени колонны до горизонтальной конструкции в соответствующей плоскости. Примечание - При наличии связей до верха колонн в зданиях с мостовыми кранами расчетная длина надкрановой части колонн в плоскости оси продольного ряда колонн принимается равной H2. | |||||||
Таблица 7.4
|
Наименование элемента |
Расчетная длина элементов ферм и арок, м |
|
1 Элементы ферм: | |
|
- верхний пояс при расчете: | |
|
в плоскости фермы: | |
|
при e0 <1/8h1 |
0,9l |
|
при e0 ≥ 1/8h1 |
0,8l |
|
из плоскости фермы: | |
|
для участка под фонарем (при ширине фонаря 12 м и более) |
0,8l |
|
в остальных случаях |
0,9l |
|
- раскосы и стойки при расчете: | |
|
в плоскости фермы |
0,8l |
|
из плоскости фермы: | |
|
при b1/b2 <1,5 |
0,9l |
|
при b1/b2 ≥ 1,5 |
0,8l |
|
2 Арки: | |
|
- при расчете в плоскости арки: | |
|
трехшарнирной |
0,580L |
|
двухшарнирной |
0,540L |
|
бесшарнирной |
0,365L |
|
- при расчете из плоскости арки (любой) |
L |
|
Обозначения: "l" - длина элемента между центрами примыкающих узлов, а для верхнего пояса фермы при расчете из плоскости фермы - расстояние между точками его закрепления; "L" - длина арки вдоль ее геометрической оси; при расчете из плоскости арки - длина арки между точками ее закрепления из плоскости арки; "h1" - высота сечения верхнего пояса; "b1", "b2" - ширина сечения соответственно верхнего пояса и стойки (раскоса) фермы. | |
7.2.12 При расчете сечений центрально растянутых железобетонных элементов должно соблюдаться условие
N ≤ RsAs,tot, (126)
где As,tot - площадь сечения всей продольной арматуры.
7.2.13 Расчет прямоугольных сечений внецентренно растянутых элементов должен производиться в зависимости от положения продольной силы N:
- если продольная сила N приложена между равнодействующими усилий в арматуре S и S' (рисунок 7.6, а) - из условий:
Ne ≤ RsA's(h0 - α'), (7.27)
Ne' ≤ RsAs(h0 - α'), (7.28)
- если продольная сила приложена за пределами расстояния между равнодействующими усилий в арматуре S и S' (рисунок 7.6, б) - из условия
Ne ≤ Rbbx(h0 - 0,5x) + RscA's(h0 - α'), (7.29)
при этом высота сжатой зоны бетона определяется по формуле
RsAs- RscA's- N = Rbbx. (7.30)
Если полученное из расчета по формуле (7.30) значение x> ξRh0, в условие (7.29) подставляется x = ξRh0, где ξR определяется согласно 7.2.4.
Расчет по прочности нормальных сечений на основе нелинейной деформационной модели
7.2.14 При расчете по прочности усилия и деформации в сечении, нормальном к продольной оси элемента, определяют на основе нелинейной деформационной модели.
Для железобетонных элементов, на которые действуют изгибающие моменты двух направлений и продольная сила (рисунок 7.7), деформации бетона εb,max и арматуры εs,max в нормальном сечении произвольной формы определяют по зависимостям (7.31) для вычисления относительных деформаций i-го участка бетона εbi и j-го стержня арматуры εsj с использованием значений кривизн и относительных деформаций продольной оси Z, определенных из решения системы уравнений (7.32):
(7.31)
(7.32)
где Mx, My - изгибающие моменты от внешней нагрузки относительно выбранных и располагаемых в пределах поперечного сечения элемента координатных осей (соответственно действующих в плоскостях XOZ и YOZ или параллельно им), определяемые по формулам:
(7.33)
здесь Mxd, Myd - изгибающие моменты в соответствующих плоскостях от внешней нагрузки, определяемые из статического расчета конструкции;
N - продольная сила от внешней нагрузки;
ex, ey - расстояния от точки приложения продольной силы N до соответствующих выбранных осей;
Dij(i, j = 1, 2, 3) - жесткостные характеристики, вычисляемые по формулам:
; (7.33а)
; (7.33б)
; (7.33в)
; (7.33г)
; (7.33д)
, (7.33е)
где Abi, Zbxi, Zbyi, σbi - площадь, координаты центра тяжести i-го участка бетона и напряжение на уровне его центра тяжести;
Asj, Zsxj, Zsyj, σsj - площадь, координаты центра тяжести j-го стержня арматуры и напряжение в нем;
ε0 - относительная деформация волокна, расположенного на пересечении выбранных осей (в точке 0);
,
- кривизна продольной оси в рассматриваемом поперечном сечении элемента в плоскостях действия изгибающих моментов Mx и My соответственно;
Eb - начальный модуль упругости бетона;
Esj - модуль упругости j-го стержня арматуры;
νbi - коэффициент упругости бетона i-го участка;
νsj - коэффициент упругости j-го стержня арматуры.

Рисунок 7.7 - Расчетная схема нормального сечения железобетонного элемента
Коэффициенты νbi и νsj вычисляют по соответствующим диаграммам состояния бетона и арматуры, принимая их для рассматриваемой точки диаграмм равными отношению упругих деформаций к полным деформациям.
Для железобетонных элементов, на которые действуют только изгибающие моменты двух направлений Mx и My (косой изгиб), в системе уравнений (7.32) принимают N = 0.
Для внецентренно сжатых в плоскости симметрии поперечного сечения железобетонных элементов и расположения оси X в этой плоскости в системе уравнений (7.32) принимают My = 0 и D12 = D22 = D23 = 0.
Для изгибаемых в плоскости симметрии поперечного сечения железобетонных элементов и расположения оси X в этой плоскости в системе уравнений (7.32) принимают N = 0, My = 0, D12 = D22 = D23 = 0.
Расчет по прочности нормальных сечений железобетонных элементов производят из условий:
(7.34)
где εb,max - относительная деформация наиболее сжатого волокна бетона в нормальном сечении элемента от действия внешней нагрузки;
εs,max - относительная деформация наиболее растянутого стержня арматуры в нормальном сечении элемента от действия внешней нагрузки;
εb,ult - предельное значение относительной деформации бетона при сжатии;
εs,ult - предельное значение относительной деформации удлинения арматуры.
Расчет по прочности нормальных сечений внецентренно сжатых бетонных элементов при расположении продольной сжимающей силы в пределах поперечного сечения элемента производят из условия (7.34), принимая в формулах (7.33а - 7.33е) для определения Dij площадь арматуры Asj = 0.
Для изгибаемых и внецентренно сжатых бетонных элементов, в которых не допускаются трещины, расчет производят с учетом работы растянутого бетона в поперечном сечении элемента из условия
εbt,max ≤ εbt,ult, (7.34а)
где εbt,max - относительная деформация наиболее растянутого волокна бетона в нормальном сечении элемента от действия внешней нагрузки;
εbt,ult - предельное значение относительной деформации бетона при растяжении.
Предельные значения относительных деформаций бетона εb,ult(εbt,ult) принимают равными:
- при двузначной эпюре деформаций (сжатие и растяжение) в поперечном сечении бетона элемента (изгиб, внецентренное сжатие или растяжение с большими эксцентриситетами) - εb2(εbt2);
- при внецентренном сжатии или растяжении элементов и распределении в поперечном сечении бетона элемента деформаций только одного знака - в зависимости от соотношения деформаций бетона на противоположных гранях сечения элемента ε1 и ε2:
; (7.34б)
; (7.34в)
где εb0, εbt0, εb2 и εbt2 - деформационные параметры расчетных диаграмм состояния бетона, принимаемые по 6.1.18.
Предельные значения относительных деформаций арматуры εs,ult принимают равными:
0,025 - для арматуры с физическим пределом текучести;
0,015 - для арматуры с условным пределом текучести.
Расчет по прочности наклонных сечений
7.2.15 Расчет по прочности железобетонных элементов при действии поперечных сил следует производить для обеспечения прочности:
- по бетонной полосе между наклонными сечениями;
- по наклонному сечению на действие поперечных сил;
- по наклонному сечению на действие момента.
7.2.16 Расчет изгибаемых железобетонных элементов по бетонной полосе между наклонными сечениями производят из условия
Q ≤ φb1·Rb·b·h0, (7.35)
где Q - поперечная сила в нормальном сечении элемента;
φb1 - коэффициент, принимаемый равным 0,3.
7.2.17 Расчет изгибаемых элементов по наклонному сечению (рисунок 7.8) на действие поперечной силы производят из условия
Q ≤ Qb + Qsw, (7.36)
где Q - поперечная сила в наклонном сечении с длиной проекции C на продольную ось элемента, определяемая от всех внешних сил, расположенных по одну сторону от рассматриваемого наклонного сечения; при этом учитывают наиболее опасное загружение в пределах наклонного сечения;
Qb - поперечная сила, воспринимаемая бетоном в наклонном сечении;
Qsw - поперечная сила, воспринимаемая поперечной арматурой в наклонном сечении.

Рисунок 7.8 - Схема усилий при расчете железобетонных элементов по наклонному сечению на действие поперечных сил
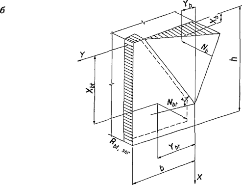
Поперечную силу Qb определяют по формуле
, (7.37)
но принимают для бетонов всех марок по средней плотности - не более 2,5Rbtbh0 и не менее:
0,5Rbtbh0 - для бетонов при марке по средней плотности D1900 и более;
0,4Rbtbh0 - для бетонов при марке по средней плотности D1800 и менее.
φb2 - коэффициент, учитывающий влияние вида бетона, принимаемый равным для бетонов марок по средней плотности:
D1900 и более - 1,4;
D1800 и менее:
при плотном мелком заполнителе - 1,3;
при пористом мелком заполнителе - 1,1.
Усилие Qsw для поперечной арматуры, нормальной к продольной оси элемента, определяют по формуле
Qsw = φsw·qsw·C, (7.38)
где φsw - коэффициент, принимаемый равным 0,75;
qsw - усилие в поперечной арматуре на единицу длины элемента, принимаемое по формуле
. (7.39)
Расчет производят для ряда расположенных по длине элемента наклонных сечений при наиболее опасной длине проекции наклонного сечения C. При этом длину проекции C в формуле (7.38) принимают не менее 1,0h0 и не более 2,0h0.
Допускается производить расчет наклонных сечений, не рассматривая наклонные сечения при определении поперечной силы от внешней нагрузки, из условия
Q1 ≤ Qb1 + Qsw,1, (7.40)
где Q1 - поперечная сила в нормальном сечении от внешней нагрузки;
Qb1 = 0,5Rbt·b·h0; (7.41)
Qsw,1 = qsw·h0. (7.42)
При расположении нормального сечения, в котором учитывают поперечную силу Q1, вблизи опоры на расстоянии a менее 2,5h0 расчет из условия (7.40) производят, умножая значения Qb1, определяемые по формуле (7.41), на коэффициент, равный
, но принимают значение Qb1 не более 2,5Rbt·b·h0.
При расположении нормального сечения, в котором учитывают поперечную силу Q1, на расстоянии a менее h0 расчет из условия (7.40) производят, умножая значение Qsw,1, определяемое по формуле (7.42), на коэффициент, равный a/h0.
Поперечную арматуру учитывают в расчете, если соблюдается условие
qsw ≥ 0,25Rbt·b. (7.43)
Допускается учитывать поперечную арматуру также и при невыполнении этого условия, если значение Qb в условии (7.36) определять по формуле
Qb = 4φb2·h02·qsw/C, (7.44)
и принимать его с учетом ограничений к поперечной силе Qb (см. формулу (7.37)).
Шаг поперечной арматуры, учитываемой в расчете,
должен быть не больше значения
.
При отсутствии поперечной арматуры или нарушении вышеуказанных требований, а также приведенных в 10.6 конструктивных требований расчет производят из условия (7.36) или (7.40), принимая усилие Qsw или Qsw,1 равным нулю.
Поперечная арматура должна соответствовать конструктивным требованиям, приведенным в 10.6.
7.2.18 Влияние напряжений при расчете по полосе между наклонными сечениями и по наклонным сечениям следует учитывать с помощью коэффициента φn, на который умножают правую часть условий (7.35), (7.37) или (7.41) - при сжимающих напряжениях и условия (7.37) или (7.41) - при растягивающих напряжениях.
При расчете по наклонным сечениям изгибаемых конструкций без предварительного напряжения арматуры значение коэффициента φn принимают равным 1. В остальных случаях значения коэффициента φn принимают равными:
- при действии сжимающей продольной силы
(7.45)
- при действии растягивающей продольной силы
, (7.46)
где σcp - среднее сжимающее или среднее растягивающее напряжение в бетоне от воздействия продольных сил, принимаемое положительным и определяемое расчетом на основе нелинейной деформационной модели или по формуле
; (7.47)
здесь
- площадь приведенного поперечного сечения элемента, определяемая с учетом неупругих свойств бетона при сжатии и растяжении;
νb - коэффициент упругости бетона при сжатии или растяжении.
Допускается величину Ared определять, принимая значение коэффициента νb равным:
- при действии сжимающей продольной силы
; (7.48)
- при действии растягивающей продольной силы
, (7.49)
εb0 и εbt0 принимают по 6.1.18 для непродолжительного действия нагрузки.
Допускается величину σcp определять без учета арматуры при содержании продольной арматуры не более 3%.
7.2.19 Расчет железобетонных элементов с наклонными сжатыми гранями (рисунок 7.9) на действие поперечной силы для обеспечения прочности по наклонной трещине производится согласно 7.2.17 и 7.2.18. При этом в качестве рабочей высоты в пределах рассматриваемого наклонного сечения в расчете используется наибольшее значение h0 - для элементов с поперечной арматурой, среднее значение h0 - для элементов без поперечной арматуры.

Рисунок 7.9 - Схема для расчета железобетонных балок с наклонными сжатыми гранями
7.2.20 Расчет коротких консолей колонн при l1 ≤ 0,9h0 (рисунок 7.10) на действие поперечной силы для обеспечения прочности по наклонной сжатой полосе между грузом и опорой следует производить из условия
Q ≤ 0,8Rbblsupsin2θ(1 + 5αμw), (7.50)
в котором правая часть принимается не более 3,5Rbtbh0 и не менее 2,5Rbtbh0.
lsup - длина площадки опирания нагрузки вдоль вылета консоли;
θ - угол наклона расчетной сжатой полосы к горизонтали, определяемый из уравнения
;
- коэффициент армирования хомутами, расположенными по высоте консоли;
здесь sw - расстояние между хомутами, измеренное по нормали к ним.
При расчете учитывают горизонтальные и наклонные хомуты под углом не более 45° к горизонтали.
Напряжение сжатия в местах передачи нагрузки на консоль должно быть не более расчетного сопротивления бетона смятию Rb,loc.

Рисунок 7.10 - Расчетная схема для короткой консоли при действии поперечной силы
7.2.21 Расчет железобетонных элементов по наклонным сечениям на действие моментов (рисунок 7.11) производят из условия
M ≤ Ms + Msw, (7.51)
где M - момент в наклонном сечении с длиной проекции C на продольную ось элемента, определяемый от всех внешних сил, расположенных по одну сторону от рассматриваемого наклонного сечения, относительно конца наклонного сечения (точка 0), противоположного концу, у которого располагается проверяемая продольная арматура, испытывающая растяжение от момента в наклонном сечении; при этом учитывают наиболее опасное загружение в пределах наклонного сечения;
Ms - момент, воспринимаемый продольной арматурой, пересекающей наклонное сечение, относительно противоположного конца наклонного сечения (точка 0);
Msw - момент, воспринимаемый поперечной арматурой, пересекающей наклонное сечение, относительно противоположного конца наклонного сечения (точка 0).

Рисунок 7.11 - Схема усилий при расчете железобетонных элементов по наклонному сечению на действие моментов
Момент Ms определяют по формуле
Ms = Ns·zs, (7.52)
где Ns - усилие в продольной растянутой арматуре, Ns = Rs·As, а в зоне анкеровки определяемое согласно 10.4;
zs - плечо внутренней пары сил; допускается принимать zs = 0,9h0.
Момент Msw для поперечной арматуры, нормальной к продольной оси элемента, определяют по формуле
Msw = 0,5·Qsw·C, (7.53)
где Qsw - усилие в поперечной арматуре, принимаемое равным qsw·C;
qsw - определяют по формуле (7.39), а C принимают в пределах от 1,0h0 до 2,0h0.
Расчет производят для наклонных сечений, расположенных по длине элемента на его концевых участках и в местах обрыва продольной арматуры, при наиболее опасной длине проекции наклонного сечения C, принимаемой в указанных выше пределах.
Допускается производить расчет наклонных сечений, принимая в условии (7.51) момент M в наклонном сечении при длине проекции C на продольную ось элемента, равной 2,0h0, а момент Msw - равным 0,5qsw·h02.
7.2.22 При расчете пространственных сечений усилия определяются исходя из следующих условий:
- сопротивление бетона растяжению принимается равным нулю;
- сжатая зона пространственного сечения условно представляется плоскостью, расположенной под углом θ к продольной оси элемента, а сопротивление бетона сжатию - напряжениями Rb·sin2θ, равномерно распределенными по сжатой зоне;
- растягивающие напряжения в продольной и поперечной арматуре, пересекающей растянутую зону рассматриваемого пространственного сечения, принимаются равными расчетным сопротивлениям Rs и Rsw соответственно;
- напряжение в арматуре, расположенной в сжатой зоне, принимается равным Rsw.
7.2.23 При расчете элементов на кручение с изгибом должно соблюдаться условие
T ≤ 0,1Rbb2h, (7.54)
где b, h - ширина и высота граней элемента.
При этом значение Rb для бетона классов выше B30 принимается как для бетона класса B30.
7.2.24 Расчет по прочности пространственных сечений (рисунок 7.12) должен производиться из условия
. (7.55)

Рисунок 7.12 - Схема усилий в пространственном сечении железобетонного элемента, работающего на изгиб с кручением, при расчете его по прочности
Высота сжатой зоны x определяется по формуле
RsAs-RscA's = Rbbx. (7.56)
Расчет должен производиться для трех расчетных схем расположения сжатой зоны бетона пространственного сечения:
1-я - у сжатой от изгиба грани элемента (рисунок 7.13, а);
2-я - у грани элемента, параллельной плоскости действия изгибающего момента (рисунок 7.13, б);
3-я - у растянутой от изгиба грани элемента (рисунок 7.13, в).

а - у сжатой от изгиба грани элемента; б - у грани элемента, параллельной плоскости действия изгибающего момента; в - у растянутой от изгиба грани элемента
Рисунок 7.13 - Схема расположения сжатой зоны пространственного сечения
В формулах (7.55) и (7.56):
As, A's - площади поперечного сечения продольной арматуры, расположенной для конкретной расчетной схемы соответственно в растянутой и сжатой зонах;
b, h - ширина и высота граней элемента, соответственно параллельных и перпендикулярных к линии, ограничивающей сжатую зону бетона;
, (7.57)
, (7.58)
где c - длина проекции линии, ограничивающей сжатую зону бетона, на продольную ось элемента; расчет производится для наиболее опасного значения, определяемого последовательным приближением и принимаемого не более 2h + b.
В формуле (7.55) значения æ и φq, характеризующие соотношение между действующими усилиями T, M и Q, принимаются:
|
при отсутствии изгибающего момента: |
æ = 0 |
φq= 1; |
|
при расчете по 1-й схеме |
|
φq= 1; |
|
при расчете по 2-й схеме: |
æ = 0 |
|
|
при расчете по 3-й схеме: |
|
φq= 1. |
Крутящий момент T, изгибающий момент M и поперечная сила Q принимаются в сечении, нормальном к продольной оси элемента и проходящем через центр тяжести сжатой зоны бетона пространственного сечения.
Значения коэффициента φw, характеризующего соотношение между поперечной и продольной арматурами, определяются по формуле
, (7.59)
где Asw - площадь сечения одного стержня хомута, расположенного у растянутой грани, для рассматриваемой расчетной схемы;
s - расстояние между указанными выше хомутами.
При этом значения φw принимаются:
не менее
, (7.60)
и не более φw,max = 1,5(1 - M/Mu), (7.61)
где M - изгибающий момент, принимаемый для 2-й схемы равным нулю, для 3-й схемы - со знаком "минус";
Mu - предельный изгибающий момент, воспринимаемый нормальным сечением элемента.
Если значение φw, подсчитанное по формуле (7.59), меньше φw,min, то значение усилия RsAs, вводимое в формулы (7.55) и (7.56), умножается на отношение φw/φw,min.
В случае, когда выполняется условие
T ≤ 0,5Qb, (7.62)
вместо расчета по 2-й схеме производится расчет из условия
. (7.63)
В формулах (7.62) и (7.63):
b - ширина грани сечения, перпендикулярной к плоскости изгиба;
Qsw + Qb - определяются согласно 7.2.17.
7.2.25 При расчете на местное сжатие (смятие) элементов без поперечного армирования должно удовлетворяться условие
N ≤ ψRb,locAlocl, (7.64)
где N - продольная сжимающая сила от местной нагрузки;
Alocl - площадь смятия (рисунок 7.14);
ψ - коэффициент, зависящий от характера распределения местной нагрузки по площади смятия и принимаемый равным 0,75;
Rb,loc - расчетное значение сопротивления бетона смятию, определяемое по формуле
Rb,loc = αφbRb, (7.65)
где αφb ≥ 1,0;
α = 1,0 для бетона класса ниже B25;
для бетона класса B25 и выше;
,
но не более следующих значений:
при схеме приложения нагрузки (рисунок 7.14, а, в, г, е) и для бетона классов:
выше B7,5 - 2,5;
B3,5; B5; B7,5 - 1,5;
B2,5 и ниже - 1,2;
при схеме приложения нагрузки (рисунок 7.14, б, д, ж)
независимо от класса бетона - 1,0;
Rb, Rbt - принимаются как для бетонных конструкций (пункт 6 таблицы Б.1);
Aloc2 - расчетная площадь смятия, определяемая согласно 7.2.26.
7.2.26 В расчетную площадь Aloc2 включается участок, симметричный по отношению к площади смятия (рисунок 7.14).
При этом должны выполняться следующие условия:
- при местной нагрузке по всей ширине элемента b в расчетную площадь включается участок длиной не более b в каждую сторону от границы местной нагрузки (рисунок 7.14, а);
- при местной краевой нагрузке по всей ширине элемента расчетная площадь Aloc2 равна площади смятия Aloc1 (рисунок 7.14, б);
- при местной нагрузке в местах опирания концов прогонов и балок в расчетную площадь включается участок шириной, равной глубине заделки прогона или балки, и длиной не более расстояния между серединами пролетов, примыкающих к балке (рисунок 7.14, в);
- если расстояние между балками превышает двойную ширину элемента, длина расчетной площади определяется как сумма ширины балки и удвоенной ширины элемента (рисунок 7.14, г);
- при местной краевой нагрузке на угол элемента (рисунок 7.14, д) расчетная площадь Aloc2 равна площади смятия Aloc1;
- при местной нагрузке, приложенной на части длины и ширины элемента, расчетная площадь принимается согласно рисунку 7.14, е. При наличии нескольких нагрузок указанного типа, расчетные площади ограничиваются линиями, проходящими через середину расстояний между точками приложения двух соседних нагрузок;
- при местной краевой нагрузке, расположенной в пределах выступа стены (пилястры) или простенка таврового сечения, расчетная площадь Aloc2 равна площади смятия Aloc1 (рисунок 7.14, ж);
- при определении расчетной площади для сечений сложной формы не должны учитываться участки, связь которых с загруженным участком не обеспечена с необходимой надежностью (рисунок 7.14, и).
Примечание - При местной нагрузке от балок, прогонов, перемычек и других элементов, работающих на изгиб, учитываемая в расчете глубина опоры при определении Aloc1 и Aloc2 принимается не более 20 см.

а - при местной нагрузке по всей ширине элемента; б - при местной краевой нагрузке по всей ширине элемента; в, г - при местной нагрузке в местах опирания концов прогонов и балок; д - при местной краевой нагрузке на угол элемента; е - при местной нагрузке, приложенной на части длины и ширины элемента; при местной краевой нагрузке, расположенной в пределах выступа стены или простенка; ж - при местной краевой нагрузке, расположенной в пределах выступа стены (пилястры); и - сечений сложной формы; 1 - площадь смятия; 2 - расчетная площадь смятия; 3 - минимальная зона армирования сетками
Рисунок 7.14 - Схемы для расчета железобетонных элементов на местное сжатие
7.2.27 Расчет на продавливание плитных конструкций (без поперечной арматуры) от действия сил, равномерно распределенных на ограниченной площади, должен производиться из условия
F ≤ αRbtumh0, (7.66)
где F - продавливающая сила;
α - коэффициент, принимаемый равным 0,80;
um - среднеарифметическое значений периметров верхнего и нижнего оснований пирамиды, образующейся при продавливании в пределах рабочей высоты сечения.
При определении um и F предполагается, что продавливание происходит по боковой поверхности пирамиды, меньшим основанием которой служит площадь действия продавливающей силы, а боковые грани наклонены под углом 45° к горизонтали (рисунок 7.15, а).
Продавливающая сила F принимается равной силе, действующей на пирамиду продавливания, за вычетом нагрузок, приложенных к бóльшему основанию пирамиды продавливания (считая по плоскости расположения растянутой арматуры) и сопротивляющихся продавливанию.
Если схема опирания такова, что продавливание происходит только по поверхности пирамиды с углом наклона боковых граней более 45° (например, в свайных ростверках, рисунок 7.15, б), правая часть формулы (7.68) определяется для фактической пирамиды продавливания с умножением на h0/c. При этом значение несущей способности принимается не более значения, соответствующего пирамиде при c = 0,4h0, где c - длина горизонтальной проекции боковой грани пирамиды продавливания.

а - при наклоне боковых граней пирамиды продавливания под углом 45°; б - то же, более 45°
Рисунок 7.15 - Схемы для расчета железобетонных элементов на продавливание
При установке в пределах пирамиды продавливания хомутов, нормальных к плоскости плиты, расчет должен производиться из условия
F ≤ Fb + 0,8Fsw, (7.67)
но не более 2Fb. Усилие Fb принимается равным правой части условия (7.66), а Fsw определяется как сумма всех поперечных усилий, воспринимаемых хомутами, пересекающими боковые грани расчетной пирамиды продавливания, по формуле
Fsw = ∑RswAsw, (7.68)
где Rsw не должно превышать значения, соответствующего арматуре класса А-I.
При учете поперечной арматуры значение Fsw должно быть не менее 0,5Fb.
При расположении хомутов на ограниченном участке вблизи сосредоточенного груза производится дополнительный расчет на продавливание пирамиды с верхним основанием, расположенным по контуру участка с поперечной арматурой, из условия (7.66).
Поперечная арматура должна соответствовать требованиям 10.6.8.
Расчет на продавливание плит перекрытия выполняют по СП 63.13330.
7.2.28 Расчет железобетонных элементов на отрыв от действия нагрузки, приложенной к их нижней грани или в пределах высоты их сечений (рисунок 7.16), должен производиться из условия
, (7 69)
где F - отрывающая сила;
hs - расстояние от уровня передачи отрывающей силы на элемент до центра тяжести сечения продольной арматуры;
∑RswAsw - сумма поперечных усилий, воспринимаемых хомутами, устанавливаемыми дополнительно по длине зоны отрыва, a, равной
a = 2hs + b, (7.70)
здесь b - ширина площадки передачи отрывающей силы.

Рисунок 7.16 - Схема для расчета железобетонных элементов на отрыв
Значения hs и b устанавливаются в зависимости от характера и условий приложения отрывающей нагрузки на элемент (через консоли, примыкающие элементы и др.).
7.2.29 Расчет анкеров, приваренных втавр к плоским элементам стальных закладных деталей, на действие изгибающих моментов, нормальных и сдвигающих сил от статической нагрузки, расположенных в одной плоскости симметрии с закладной деталью (рисунок 7.17), должен производиться по формуле
, (7.71)
где Aan - суммарная площадь поперечного сечения анкеров наиболее напряженного ряда;
Nan - наибольшее растягивающее усилие в одном ряду анкеров, определяемое по формуле
, (7.72)
Qan - сдвигающее усилие, приходящееся на один ряд анкеров, определяемое по формуле
, (7.73)
N'an - наибольшее сжимающее усилие в одном ряду анкеров, определяемое по формуле
. (7.74)

Рисунок 7.17 - Схема усилий, действующих на закладную деталь
В формулах (7.71) - (7.74):
M, N, Q - соответственно изгибающий момент, нормальная и сдвигающая силы, действующие на закладную деталь. Момент определяется относительно оси, расположенной в плоскости наружной грани пластины и проходящей через центр тяжести всех анкеров;
nan - число рядов анкеров вдоль направления сдвигающей силы; если не обеспечивается равномерная передача сдвигающей силы Q на все ряды анкеров, то при определении сдвигающего усилия Qan учитывается не более четырех рядов;
z - расстояние между крайними рядами анкеров;
λ - коэффициент, определяемый для анкерных стержней диаметром 8 - 25 мм для бетона классов B12,5 - B30 по формуле
, (7.75)
но принимаемый не более 0,7 нормируемой прочности; для бетона классов выше B30 - как для класса B30;
где Aan1 - площадь анкерного стержня наиболее напряженного ряда, см2;
β - коэффициент, принимаемый равным ρm/2400 (ρm - средняя плотность бетона, кг/м3);
δ - коэффициент, определяемый по формуле
, (7.76)
но принимаемый не менее 0,15;
где
при Nan> 0 (прижатие);
- при N'an≤ 0 (нет прижатия); если в анкерах отсутствуют растягивающие усилия, коэффициент δ принимается равным 1,0.
Площадь сечения анкеров остальных рядов должна приниматься равной площади сечения анкеров наиболее напряженного ряда.
В формулах (7.72) и (7.74) нормальное усилие считается положительным, если направлено от закладной детали (рисунок 7.17), и отрицательным - если направлена к ней. В случаях, когда нормальные усилия Nan и N'an, а также сдвигающее усилие Qan при вычислении по формулам (7.71) - (7.73) получают отрицательные значения, в формулах (7.71) - (7.72) и (7.76) их принимают равными нулю. Кроме того, если Nan получает отрицательное значение, то в формуле (7.73) принимается Nan = N.
При расположении закладной детали на верхней (при бетонировании) поверхности изделия коэффициент λ уменьшается на 20%, а значение принимается равным нулю.
7.2.30 В закладной детали с анкерами, приваренными внахлестку под углом от 15° до 30°, наклонные анкеры рассчитываются на действие сдвигающей силы (при Q> N, где N - отрывающая сила) по формуле
, (7.77)
где Aan,inc - суммарная площадь поперечного сечения наклонных анкеров;
Nan - см. 7.2.29.
При этом должны устанавливаться нормальные анкеры, рассчитываемые по формуле (7.71) при λ = 1,0 и при значениях Qan, равных 0,1 сдвигающего усилия, определяемого по формуле (7.73).
7.2.31 Конструкция сварных закладных деталей с приваренными к ним элементами, передающими нагрузку на закладные детали, должна обеспечивать включение в работу анкерных стержней в соответствии с принятой расчетной схемой. Внешние элементы закладных деталей и их сварные соединения рассчитываются согласно СП 16.13330. При расчете пластин и фасонного проката на отрывающую силу принимается, что они шарнирно соединены с нормальными анкерными стержнями. Кроме того, толщина пластины t расчетной закладной детали, к которой привариваются втавр анкеры, должна проверяться из условия
, (7.78)
где dan - диаметр анкерного стержня, требуемый по расчету;
Rsq - расчетное сопротивление стали на срез, принимаемое согласно СП 16.13330.
При применении сварных соединений, обеспечивающих большую зону включения пластины в работу при вырывании из нее анкерного стержня, и соответствующем обосновании возможна корректировка формулы (7.77) для таких сварных соединений.
Толщина пластины должна также соответствовать технологическим требованиям по сварке.
7.2.32 Расчет по прочности многослойных элементов с жесткими связями выполняется по приведенному (однородному, т.е. из материала одной прочности) поперечному сечению.
В расчет следует принимать площадь приведенного сечения Ared и расчетное сопротивление слоя, к которому приводится сечение. При приведении сечения к одному материалу толщину слоев принимают фактической, а ширина слоев (по длине элемента) изменяется пропорционально отношению расчетных сопротивлений прочности слоев по формуле
bred = bi(R'bi/Rb), (7.79)
где bred - приведенная ширина слоя;
bi - фактическая ширина i-го слоя;
Rb - расчетное сопротивление прочности слоя, к материалу которого приводят сечение;
R'bi - расчетное сопротивление прочности любого другого i-го слоя элемента.
Расчет приведенного сечения как бетонных, так и железобетонных элементов выполняют по формулам, приведенным в 7.1 и 7.2.1 - 7.2.15.
7.2.33 Прочность изгибаемых трехслойных и двухслойных элементов с теплоизоляционным и несущими слоями (рисунок 7.18) рассчитывают по нормальным сечениям и на сдвиг слоев относительно друг друга.

а - плита перекрытия трехслойная; б - плита перекрытия с боковыми несущими гранями
Рисунок 7.18 - Схемы поперечных сечений трехслойного (а) и двухслойного (б) элементов
Расчет по прочности нормальных сечений трехслойных и двухслойных элементов с жесткими связями между слоями выполняют по приведенному поперечному сечению в соответствии с 7.2.32. При этом форма приведенного поперечного сечения может быть как двутавровой (рисунок 7.18, а), так и тавровой (рисунок 7.18, б).
При этом ширина (толщина) b вертикальной стенки (теплоизоляционного слоя из легкого крупнопористого (поризованного) легкого бетона или пенополистиролбетона) приведенного двутаврового сечения будет определяться по формуле
, (7.80)
где bf и b'f - ширина нижней и верхней полок соответственно двутаврового поперечного сечения, являющихся несущими слоями (из конструкционного легкого или тяжелого бетона) трехслойного элемента;
Rb - расчетное сопротивление прочности при сжатии несущего слоя из конструкционного легкого или тяжелого бетона;
R'b - расчетное сопротивление прочности при сжатии теплоизоляционного слоя из легкого крупнопористого (поризованного) легкого бетона или пенополистиролбетона.
Для таврового сечения двухслойного элемента с боковыми несущими гранями (рисунок 7.18, б)
b = b1 + b2 + b3(R'b/Rb), (7.81)
где b1 и b2 - средние значения ширины боковых несущих граней;
b3 - среднее значение ширины теплоизоляционного слоя.
7.2.34 Прочность изгибаемых трехслойных элементов на сдвиг слоев рассчитывают из условия
Q ≤ 0,6Rbtb'fh0, (7.82)
где Rbt - расчетное сопротивление прочности бетона слоя на растяжение.
Прочность по наклонным сечениям на сдвиг слоев изгибаемых элементов с боковыми несущими гранями (рисунок 7.18, б) рассчитывают по формуле
Q ≤ 0,8Rbtbh0, (7.83)
где b = b1 + b2 - суммарная ширина боковых граней.
При невыполнении условия (7.83) в боковых несущих гранях предусматривается поперечная арматура (хомуты), и прочность по наклонным сечениям боковых граней рассчитывают как для таврового элемента без учета теплоизоляционного слоя.
Для двухслойных элементов, армированных стержневой арматурой, должна быть осуществлена проверка прочности по наклонным сечениям от сдвига несущего слоя плотного бетона относительно слоя теплоизоляционного бетона из условия
Nxy ≤ atbRbt, (7.84)
где Nxy - сдвигающее усилие, воспринимаемое несущим слоем двухслойного элемента;
b - ширина площади сопряжения двух слоев бетона в сечении элемента, в котором определяют прочность на сдвиг;
Rbt - расчетное сопротивление теплоизоляционного бетона на растяжение, принимаемое в зависимости от его класса по прочности на сжатие, но не более 0,15 МПа (1,5 кгс/см2);
at - расстояние от оси опоры до первой косой трещины (до наиболее опасного наклонного сечения), определяемое по формуле
at = Mpl/Q, (7.85)
здесь Mpl - момент появления трещин, определяемый с учетом сжатой и растянутой арматуры для опорного сечения;
Q - расчетная поперечная сила, определяемая в сечении на расстоянии at от опоры. Допускается принимать максимальное значение величины Q, соответствующее опорному сечению.
Значение предельного сдвигающего усилия по бетону в слое элемента определяется по формуле
Nxy,ult = 0,3RbAb, (7.86)
где Ab - рабочая площадь поперечного сечения бетона в слое элемента.
7.2.35 Расчет многослойных ограждающих конструкций из легкобетонных блоков несъемной опалубки (рисунки 7.19 и 7.20) на действие продольного сжимающего усилия (с бетонным или железобетонным ядром) выполняют по приведенному поперечному сечению (рисунок 7.21).

Рисунок 7.19 - Примеры блоков опалубки из легких бетонов без интегрированной дополнительной теплоизоляции

Рисунок 7.20 - Примеры блоков опалубки из легких бетонов с интегрированной дополнительной теплоизоляцией (термовкладышами)

Рисунок 7.21 - Приведенное поперечное сечение ограждающих конструкций
Приведенную ширину bred = b'red (рисунок 7.21) крайних слоев легкобетонных блоков опалубки из легкого бетона с их фактической толщиной, а также приведенную ширину поперечных стенок и диафрагм (перемычек) bred этой опалубки определяют по формуле (7.79).
При этом в данной формуле принимают следующие обозначения:
- bi = b - ширина фрагмента ограждающей конструкции, в пределах которого выполняют расчет, или общая ширина (толщина) всех поперечных стенок и диафрагм - bi= ∑bст + ∑bдиафр в пределах этого фрагмента;
- R'bi - расчетное сопротивление при сжатии легкого бетона несъемной опалубки;
- Rb - расчетное сопротивление при сжатии бетонного ядра (из тяжелого бетона).
Ширину среднего слоя из бетонного ядра принимают фактической за вычетом поперечных диафрагм легкобетонных блоков опалубки b* = b-(∑bст + ∑bдиафр) в пределах фрагмента ограждающей конструкции.
Далее расчет приведенного сечения из легкобетонных блоков несъемной опалубки с бетонным (железобетонным) ядром выполняют как внецентренно сжатых бетонных или железобетонных элементов по формулам, приведенным в 7.1.1 - 7.1.7 и 7.2.8 - 7.2.11.
7.2.36 Сжатые элементы ограждающей конструкции прямоугольного сечения из пустотелых (без бетонного ядра) легкобетонных блоков с термовкладышами (рисунок 7.20) допускается рассчитывать на вертикальные нагрузки (при величине эксцентриситета 0
N ≤ 0,75φKmRbAψb, (7.87)
где A - площадь поперечного сечения однослойного элемента;
ψb - коэффициент, учитывающий влияние эксцентриситета e0 и принимаемый равным
; (7.88)
φ - коэффициент, учитывающий влияние гибкости и длительного действия нагрузки, принимаемый по таблице 7.5;
Таблица 7.5 - Значения коэффициента φ в зависимости от соотношения усилий Nдл/N и гибкости l0/h
|
Nдл/N |
Коэффициент φ при l0/h | ||||||
|
4 |
6 |
8 |
10 |
12 |
14 |
15 | |
|
0 |
1 |
1 |
0,9 |
0,83 |
0,76 |
0,7 |
0,66 |
|
0,5 |
0,95 |
0,85 |
0,77 |
0,7 |
0,63 |
0,57 |
0,55 |
|
1,0 |
0,8 |
0,72 |
0,63 |
0,55 |
0,47 |
0,38 |
0,35 |
|
Примечания 1 При промежуточных значениях l0/h и Nдл/N коэффициенты φ определяются по интерполяции. 2 В настоящей таблице применены следующие обозначения: Nдл - продольная сжимающая сила от действия постоянных и длительных нагрузок; N - продольная сила от действия всех нагрузок (постоянных, длительных и кратковременных). | |||||||
Km - коэффициент, учитывающий влияние монтажных контактных швов на снижение расчетного сопротивления Rb и определяемый по формуле
, (7.89)
здесь Kз - коэффициент, учитывающий влияние монтажа в зимних условиях на несущую способность ограждающей конструкции в любом возрасте; при монтаже стен в зимних условиях Kз = 0,8, в летних условиях Kз = 1;
B' и B - класс легкого бетона и раствора соответственно по прочности на сжатие.
8 Расчет элементов железобетонных конструкций по предельным состояниям второй группы
8.1 Расчет железобетонных элементов по образованию трещин
8.1.1 Железобетонные элементы рассчитываются по образованию трещин нормальных и наклонных к продольной оси элемента.
8.1.2 Усилия, воспринимаемые нормальными к продольной оси сечениями при образовании трещин для изгибаемых, растянутых и внецентренно сжатых железобетонных элементов, определяются исходя из следующих положений:
- сечения после деформации остаются плоскими;
- наибольшее относительное удлинение крайнего растянутого волокна бетона равно 2Rbt,ser/Eb;
- напряжения в бетоне сжатой зоны (при наличии) определяются с учетом упругих или неупругих деформаций бетона, при этом наличие неупругих деформаций учитывается уменьшением ядрового расстояния r (8.1.4);
- напряжения в бетоне растянутой зоны распределены равномерно и равны значению Rbt,ser;
- напряжения в арматуре равны алгебраической сумме напряжений, соответствующих приращению деформаций окружающего бетона, и напряжений, вызванных усадкой и ползучестью бетона.
8.1.3 Расчет элементов при центральном растяжении силой N должен производиться из условия
N ≤ Ncrc, (8.1)
где Ncrc - усилие, воспринимаемое сечением, нормальным к продольной оси элемента, при образовании трещин и определяемое по формуле
Ncrc = Rbt,ser(A + 2αAs), (8.2)
где
.
8.1.4 Расчет изгибаемых внецентренно сжатых, а также внецентренно растянутых элементов по образованию трещин производится из условия
Mr ≤ Mcrc, (8.3)
где Mr - момент внешних сил, расположенных по одну сторону от рассматриваемого сечения, относительно оси, параллельной нулевой линии и проходящей через ядровую точку, наиболее удаленную от растянутой зоны, трещинообразование которой проверяется;
Mcrc - момент, воспринимаемый сечением, нормальным к продольной оси элемента, при образовании трещин и определяемый по формуле
Mcrc = Rbt,serWp1 ± Mrp, (8.4)
здесь Mrp - момент усилия P относительно той же оси, что и при определении Mr; знак момента определяется направлением вращения ("плюс" - когда направления вращения моментов Mrp и Mr противоположны; "минус" - когда направления совпадают).
Усилие P рассматривают как внешнюю растягивающую силу, определяемую по формуле (9.8), принимая напряжения σ's и σs в ненапрягаемой арматуре численно равными значениям потерь от усадки бетона по пункту 8 таблицы 9.1 (как для арматуры, натягиваемой на упоры).
Значение Mr определяется по формуле:
для изгибаемых элементов (рисунок 8.1, а)
Mr = M; (8.5)
для внецентренно сжатых элементов (рисунок 8.1, б)
Mr = N(e0 - r); (8.6)
для внецентренно растянутых элементов (рисунок 8.1, в)
Mr = N(e0 + r). (8.7)
Значения Mrp определяются:
при расчете по образованию трещин в зоне сечения, растянутой от действия внешних нагрузок, но сжатой от действия усилия предварительного обжатия (рисунок 8.2), по формуле
Mrp = P(eop + r); (8.8)
при расчете по образованию трещин в зоне сечения, растянутой от действия усилия предварительного обжатия (рисунок 8.2), по формуле
Mrp = P(eop - r). (8.9)

а - при изгибе; б - при внецентренном сжатии; в - при внецентренном растяжении; 1 - ядровая точка; 2 - центр тяжести приведенного сечения
Рисунок 8.1 - Схемы усилий и эпюры напряжений в поперечном сечении элемента при расчете его по образованию трещин, нормальных к продольной оси элемента, в зоне сечения, растянутой от действия внешних нагрузок

1 - ядровая точка; 2 - центр тяжести приведенного сечения
Рисунок 8.2 - Схема усилий и эпюра напряжений в поперечном сечении элемента при расчете его по образованию трещин, нормальных к продольной оси элемента, в зоне сечения, растянутой от действия усилия предварительного обжатия
В формулах (8.6) - (8.9):
r - расстояние от центра тяжести приведенного сечения до ядровой точки, наиболее удаленной от растянутой зоны, трещинообразование которой проверяется.
Значение r определяется для элементов:
внецентренно растянутых, если выполняется условие
N ≤ P, (8.10)
по формуле
; (8.11)
внецентренно растянутых по формуле
, (8.12)
изгибаемых по формуле
. (8.13)
В формулах (8.11) и (8.12):
, (8.14)
но принимается не менее 0,7 и не более 1,0,
где σb - максимальное напряжение в сжатом бетоне от внешней нагрузки и усилия предварительного напряжения, вычисляемое как для упругого тела по приведенному сечению;
Wpl - определяется по 8.1.5;
- отношение соответствующих модулей упругости арматуры Es и бетона Eb.
8.1.5 Момент сопротивления приведенного сечения для крайнего растянутого волокна (с учетом неупругих деформаций растянутого бетона) Wpl определяется в предположении отсутствия продольной силы N и усилия предварительного обжатия P по формуле
. (8.15)
Положение нулевой линии определяется из условия
. (8.16)
8.1.6 В конструкциях, армированных предварительно напряженными элементами (например, брусками), при определении усилий, воспринимаемых сечениями при образовании трещин в предварительно напряженных элементах, площадь сечения растянутой зоны бетона, не подвергаемая предварительному напряжению, в расчете не учитывается.
8.1.7 При проверке возможности исчерпания несущей способности одновременно с образованием трещин (5.8) усилие, воспринимаемое сечением при образовании трещин, определяется по формулам (8.2) и (8.4) с заменой значения Rbt,ser на 1,2Rbt,ser при коэффициенте γsp.
8.1.8 Расчет по образованию трещин, наклонных к продольной оси элемента, должен производиться при условии
σmt ≤ γb4Rbt,ser, (8.17)
где γb4 - коэффициент условий работы бетона (см. таблицу Б.1), определяемый по формуле
, (8.18)
но не более 1,0;
здесь α - коэффициент, принимаемый равным 0,02;
B - класс бетона по прочности на сжатие, МПа.
Значение αB следует принимать не менее 0,3.
Значения главных растягивающих и главных сжимающих напряжений в бетоне определяют по формуле
, (8.19)
где σx - нормальное напряжение в бетоне на площадке, перпендикулярной к продольной оси элемента, от внешней нагрузки и усилия предварительного обжатия;
σy - нормальное напряжение в бетоне на площадке, параллельной продольной оси элемента, от местного действия опорных реакций, сосредоточенных сил и распределенной нагрузки;
τxy - касательное напряжение в бетоне от внешней нагрузки и усилия обжатия вследствие предварительного напряжения отогнутых стержней.
Напряжения σx, σy и τxy определяются как для упругого тела, за исключением касательных напряжений от действия крутящего момента, определяемых по формулам для пластического состояния элемента.
Значения напряжений σx и σy подставляют в формулу (8.19) со знаком "плюс", если они растягивающие, и со знаком "минус", если сжимающие. Напряжение σmc в формуле (8.18) принимается по абсолютному значению.
8.1.9 Расчет по образованию трещин изгибаемых трехслойных и двухслойных элементов выполняют по приведенным двутавровым и тавровым поперечным сечениям (рисунок 7.18).
При этом ширину (толщину) b вертикальной стенки (среднего теплоизоляционного слоя из легкого крупнопористого (поризованного) легкого бетона) приведенного двутаврового поперечного сечения определяют по формуле
. (8.20)
Ширина (толщина) b вертикальной стенки таврового сечения двухслойного элемента с боковыми несущими гранями (рисунок 7.18, б) будет равна
b = b1 + b2 + b3(E'b/Eb). (8.21)
В формулах (8.20) и (8.21):
Eb - модуль упругости несущего слоя из конструкционного легкого или тяжелого бетонов;
E'b - модуль упругости теплоизоляционного среднего слоя из крупнопористого (поризованного) легкого бетона.
Расчет по образованию трещин в общем случае выполняют из условия
M ≤ Rbt,serWpl, (8.22)
где Wpl - упругопластический момент сопротивления двутаврового и таврового приведенных поперечных сечений, определяемый по формуле
Wpl= (0,292 + 0,075γ1 + 0,75γ2)bh2. (8.23)
Использованные в формуле (8.23) коэффициенты γ1 и γ2 определяют по следующим зависимостям:
и
, (8.24)
где bf - ширина нижней полки двутаврового поперечного сечения, являющегося несущим слоем (из конструкционного легкого или тяжелого бетона) трехслойного элемента;
b'f - ширина верхних полок двутаврового и таврового поперечных сечений, являющихся несущими слоями (из конструкционного легкого или тяжелого бетона) трехслойного и двухслойного элементов;
hf - толщина нижней полки (несущего слоя) двутаврового поперечного сечения;
h'f - толщина верхней полки (несущего слоя) двутаврового и таврового поперечных сечений;
b - толщина вертикальной стенки двутаврового и таврового приведенных поперечных сечений.
8.1.10 Расчет по образованию трещин изгибаемых трехслойных элементов со средним теплоизоляционным слоем из пенополистиролбетона, жестко связанным с крайними несущими слоями, выполняют в соответствии с приложением В.
8.1.11 Расчет по образованию трещин элементов прямоугольного сечения с распределенным по контуру армированием при косом изгибе допускается выполнять в соответствии с приложением Г.
8.2 Расчет железобетонных элементов по раскрытию трещин
Расчет железобетонных элементов по раскрытию трещин выполняется в соответствии с СП 63.13330.
8.2.1 Расчет железобетонных элементов по раскрытию трещин выполняют в соответствии с СП 63.13330.
При этом коэффициент ψs, определяемый по формуле (8.138) СП 63.13330.2018, при вычислении ширины раскрытия нормальных трещин по формуле (8.128) СП 63.13330.2018 следует увеличивать для изгибаемых элементов из легкого бетона на литоидной пемзе со стеклопластиковой арматурой на 10%.
8.2.2 Ширину раскрытия трещин трехслойных и двухслойных элементов, нормальных к продольной оси элемента acrc, мм, допускается определять по формуле
, (8.25)
где σs - напряжение в арматуре, определяемое в предположении, что высота сжатой зоны равна толщине верхнего слоя
; (8.26)
lcrc - расстояние между трещинами, принимаемое по таблице 8.1;
Таблица 8.1
|
h'f, см |
lcrc, см, при μ = As/Ab, % | ||||
|
0,15 |
0,2 |
0,25 |
0,3 |
0,35 и выше | |
|
2,5 |
30 |
25 |
22 |
20 |
17 |
|
3 |
25 |
20 |
18 |
16 |
14 |
|
4 |
20 |
16 |
15 |
14 |
13 |
|
Примечание - Для промежуточных значений h'f и μ значение lcrc принимают по интерполяции. | |||||
Ab - полная площадь поперечного сечения элемента;
K - коэффициент, зависящий от класса бетона нижнего слоя, принимаемый:
|
- для бетона класса В15 |
1; |
|
- для бетона класса В20 |
0,85; |
|
- для бетона класса В25 |
0,7; |
η - коэффициент, зависящий от вида продольной растянутой арматуры, равный:
- для стержней периодического профиля η = 0,7;
- для сварных каркасов и сеток η = 1,25;
α1 - коэффициент, учитывающий длительное действие нагрузки, определяемый из выражения
, (8.27)
где Mдл - момент от длительно действующей части нагрузки;
M - общий момент от кратковременной и длительной нагрузки.
8.3 Расчет элементов железобетонных конструкций по деформациям
Расчет элементов железобетонных конструкций по деформациям выполняется в соответствии с СП 63.13330.
8.3.1 Расчет элементов железобетонных конструкций по деформациям выполняют в соответствии с СП 63.13330.
Коэффициент ψs, определяемый по формуле (8.138) СП 63.13330.2018, при вычислении приведенного модуля деформаций растянутой арматуры по формуле (8.159) СП 63.13330.2018 следует увеличивать для изгибаемых элементов из легкого бетона на литоидной пемзе со стеклопластиковой арматурой на 10%.
8.3.2 При расчете многослойных элементов по деформациям (прогибам) ширину теплоизоляционных слоев bred приведенного поперечного сечения принимают пропорционально отношению модулей упругости слоев по формуле
bred = bi·(E'bi/Eb), (8.28)
где Eb - модуль упругости несущего слоя из конструкционного легкого или тяжелого бетонов;
E'bi - модуль упругости теплоизоляционного i-го слоя из крупнопористого (поризованного) легкого бетона, пенополистиролбетона и др.
8.3.3 Расчет по деформациям (жесткости) элементов прямоугольного сечения с распределенным по контуру армированием при косом изгибе допускается выполнять в соответствии с приложением Д.
9 Предварительно напряженные железобетонные конструкции
9.1 Предварительное напряжение арматуры
9.1.1 Предварительные напряжения арматуры σsp принимают не более 0,9Rs,n для горячекатаной и термомеханически упрочненной арматуры и не более 0,8Rs,n для холоднодеформированной арматуры и арматурных канатов.
9.1.2 Предварительные напряжения σsp и σ'sp в напрягаемой продольной арматуре S и S' следует назначать с учетом допустимых отклонений значения предварительного напряжения p таким образом, чтобы для стержневой и проволочной арматуры выполнялись условия
σsp + p ≤ Rs,ser; σsp – p ≥ 0,3Rs,ser. (9.1)
Значение p, МПа, при механическом способе натяжения арматуры принимается равным 0,05σsp, а при электротермическом и электротермомеханическом способах определяется по формуле
, (9.2)
где l - длина натягиваемого стержня (расстояние между наружными гранями упоров), м.
При автоматизированном натяжении арматуры значение над чертой "360" в формуле (9.2) заменяется на "90".
9.1.3 Значения напряжений σcon1 и σ'con1 соответственно в напрягаемой арматуре S и S', контролируемые по окончании натяжения на упоры, принимаются равными σsp и σ'sp (9.1.2) за вычетом потерь от деформации анкеров и трения арматуры (9.1.4).
Значения напряжений в напрягаемой арматуре S и S', контролируемые в месте приложения усилия при натяжении арматуры на затвердевший бетон, принимаются равными соответственно σcon2 и σ'con2, определяемым из условия обеспечения в расчетном сечении напряжений σsp и σ'sp по формулам:
; (9.3)
. (9.4)
В формулах (9.3) и (9.4):
σsp, σ'sp - определяются без учета потерь предварительного напряжения;
P, e0p - определяются по формулам (9.8) и (9.9) при значениях σsp и σ'sp с учетом первых потерь предварительного напряжения;
ysp, y'sp - см. 9.1.7;
α = Es/Eb.
В конструкциях из бетона классов B7,5 - B12,5 значения σcon1 и σcon2 должны быть не более 400 и 550 МПа соответственно.
9.1.4 При расчете предварительно напряженных элементов следует учитывать потери предварительного напряжения арматуры.
При натяжении арматуры на упоры следует учитывать:
- первые потери (до передачи натяжения на бетон) - от деформации анкеров, трения арматуры об огибающие приспособления, от релаксации напряжений в арматуре, температурного перепада, деформации форм (при натяжении арматуры на формы), от быстронатекающей ползучести бетона;
- вторые потери (после передачи натяжения на бетон) - от усадки и ползучести бетона.
При натяжении арматуры на бетон следует учитывать:
- первые потери - от деформации анкеров, трения арматуры о стенки каналов или поверхность бетона конструкции;
- вторые потери - от релаксации напряжений в арматуре, усадки и ползучести бетона, смятия бетона под витками арматуры, деформации стыков между блоками (для конструкций, состоящих из блоков).
Потери предварительного напряжения арматуры следует определять по таблице 9.1, при этом суммарное значение потерь при проектировании конструкций необходимо принимать не менее 100 МПа.
Таблица 9.1
|
Наименование фактора, вызывающего потери предварительного напряжения арматуры |
Значения потерь предварительного напряжения, МПа, при натяжении арматуры | ||
|
на упоры |
на бетон | ||
|
Первые потери | |||
|
1 Релаксация напряжений арматуры: при механическом способе натяжения арматуры: | |||
|
а) проволочной |
|
- | |
|
б) стержневой при электротермическом и электротермомеханическом способах натяжения арматуры |
0,1σsp- 20 |
- | |
|
в) проволочной |
0,05σsp |
- | |
|
г) стержневой |
0,03σsp |
- | |
|
σsp принимается без учета потерь. Если вычисленные значения потерь окажутся отрицательными, их следует принимать равными нулю | |||
|
2 Температурный перепад (разность температур натянутой арматуры в зоне нагрева и устройства, воспринимающего усилие натяжения при прогреве бетона) |
Для бетона классов B15 - B40 - 1,25∆t |
- | |
|
Для бетона класса B45 и выше - 1,0∆t Δt - разность между температурой нагреваемой арматуры и неподвижных упоров (вне зоны нагрева), воспринимающих усилие натяжения, °C. При отсутствии точных данных принимается ∆t = 65°C |
- | ||
|
3 Деформации анкеров, расположенных у натяжных устройств |
где Δl - обжатие опрессованных шайб, смятие высаженных головок и т.п., принимаемое равным 2 мм; смещение стержней в инвентарных зажимах, определяемое по формуле ∆l = 1,25 + 0,15d; d - диаметр стержня, мм; l - длина натягиваемого стержня (расстояние между наружными гранями упоров формы или стенда), мм. При электротермическом способе натяжения потери от деформаций анкеров в расчете не учитываются, так как они учтены при определении значения полного удлинения арматуры |
где Δl1 - обжатие шайб или прокладок, расположенных между анкерами и бетоном элемента, принимаемое равным 1 мм; Δl2 - деформация анкеров стаканного типа, колодок с пробками, анкерных гаек и захватов, принимаемая равной 1 мм; l - длина натягиваемого стержня (элемента), мм | |
|
4 Трение арматуры: | |||
|
а) о стенки каналов или о поверхность бетона конструкций |
- |
где e - основание натуральных логарифмов; ω, δ - коэффициенты, определяемые по таблице 9.2; x - длина участка от натяжного устройства до расчетного сечения, м; θ - суммарный угол поворота оси арматуры, рад; σsp - принимается без учета потерь | |
|
б) об огибающие приспособления |
где e - основание натуральных логарифмов; δ - коэффициент, принимаемый равным 0,25; θ - суммарный угол поворота оси арматуры, рад; σsp - принимается без учета потерь |
- | |
|
5 Деформация стальной формы при изготовлении предварительно напряженных железобетонных конструкций |
где η - коэффициент, определяемый по формулам: при натяжении арматуры домкратом
при натяжении арматуры намоточной машиной электротермомеханическим способом (50% усилия создается грузом)
n - число групп стержней, натягиваемых неодновременно; Δl - сближение упоров по линии действия усилия P, определяемое из расчета деформации формы; l - расстояние между наружными гранями упоров. При отсутствии данных о технологии изготовления и конструкции формы потери от ее деформации принимаются равными 30 МПа. При электротермическом способе натяжения потери от деформации формы в расчете не учитываются, так как они учтены при определении полного удлинения арматуры |
- | |
|
6 Быстронатекающая ползучесть для бетона: | |||
|
а) естественного твердения |
где α и β - коэффициенты, принимаемые: α = 0,25 + 0,025Rbp, но не более 0,8; 1,1<β = 5,25 - 0,185Rbp <2,5; σbr - определяются на уровне центров тяжести продольной арматуры S и S' с учетом потерь по пунктам 1 - 5. При передаточной прочности 11 МПа и ниже вместо множителя 40 принимается множитель 60. |
- | |
|
б) подвергнутого тепловой обработке |
Потери вычисляются по формулам пункта 6 а настоящей таблицы с умножением полученного результата на коэффициент, равный 0,85 |
- | |
|
Вторые потери | |||
|
7 Релаксация напряжений арматуры: | |||
|
а) проволочной |
- |
| |
|
б) стержневой |
- |
0,1σsp - 20 (см. пояснения к пункту 1) | |
|
8 Усадка бетона (9.1.5), МПа: |
Бетон | ||
|
естественного твердения |
подвергнутый тепловой обработке при атмосферном давлении |
Независимо от условий твердения бетона | |
|
при мелком заполнителе: | |||
|
а) плотном |
50 |
45 |
40 |
|
б) пористом |
70 |
60 |
50 |
|
9 Ползучесть бетона (9.1.5): а) при плотном мелком заполнителе |
150ασbp/Rbp при σbp/Rbp ≤ 0,75; 300α(σbp/Rbp - 0,375) при σbp/Rbp > 0,75, где σbp - см. пункты 1 - 6; α - коэффициент, принимаемый равным для бетона: естественного твердения - 1,00; подвергнутого тепловой обработке при атмосферном давлении - 0,85 | ||
|
б) при пористом мелком заполнителе |
Потери вычисляются по формулам пункта 9 а настоящей таблицы с умножением полученного результата на коэффициент, равный 1,2 | ||
|
10 Смятие бетона под витками спиральной или кольцевой арматуры (при диаметре конструкции до 3 м) |
- |
70 - 0,22dext, где dext - наружный диаметр конструкции, см | |
|
11 Деформация обжатия стыков между блоками (для конструкций, состоящих из блоков) |
- |
где n - число швов конструкции и оснастки по длине натягиваемой арматуры; Δl - обжатие стыка, принимаемое равным для стыков, заполненных бетоном, - 0,3 мм; при стыковании насухо - 0,5 мм; l - длина натягиваемой арматуры, мм | |
|
Примечание - Потери предварительного напряжения в напрягаемой арматуре S' определяются так же, как в арматуре S. | |||
Таблица 9.2
|
Тип канала или поверхности |
Значение коэффициентов для определения потерь от трения арматуры (пункт 4 таблицы 9.1) | ||
|
ω |
δ для арматуры в виде | ||
|
пучков, канатов |
стержней периодического профиля | ||
|
1 Канал: | |||
|
- с металлической поверхностью |
0,0030 |
0,35 |
0,40 |
|
- с бетонной поверхностью, образованный жестким каналообразователем |
0 |
0,55 |
0,65 |
|
- то же, с гибким каналообразователем |
0,0015 |
0,55 |
0,65 |
|
2 Бетонная поверхность |
0 |
0,55 |
0,65 |
9.1.5 При определении потерь предварительного напряжения от усадки и ползучести бетона по пунктам 8 и 9 таблицы 9.1 необходимо учитывать следующее:
- при заранее известном сроке загружения конструкции потери следует умножать на коэффициент φl, определяемый по формуле
, (9.5)
где t - время, сут, отсчитываемое при определении потерь от ползучести со дня обжатия бетона, от усадки - со дня окончания бетонирования;
- для конструкций, предназначенных для эксплуатации при влажности воздуха ниже 40%, потери должны быть увеличены на 25%;
- допускается применять более точные методы определения потерь, обоснованные в установленном порядке, если известны вид и качество цемента, состав бетона, условия изготовления и эксплуатации конструкции и т.п.
9.1.6 Значение предварительного напряжения в арматуре вводится в расчет с коэффициентом точности натяжения арматуры γsp, определяемым по формуле
γsp= 1 ± Δγsp. (9.6)
Знак "плюс" принимается при неблагоприятном влиянии предварительного напряжения (т.е. на конкретной стадии работы конструкции или на рассматриваемом участке элемента предварительное напряжение снижает несущую способность, способствует образованию трещин и т.п.), знак "минус" - при благоприятном.
Значения Δγsp при механическом способе натяжения арматуры принимаются равными 0,1, а при электротермическом и электротермомеханическом способах натяжения определяются по формуле
, (9.7)
но принимаются не менее 0,1;
где p, σsp - см. 9.1.2;
np - число стержней напрягаемой арматуры в сечении элемента.
При определении потерь предварительного напряжения арматуры, а также при расчете по раскрытию трещин и по деформациям значение Δγsp допускается принимать равным нулю.
9.1.7 Условия определения напряжений в бетоне и арматуре, а также усилия предварительного обжатия бетона, вводимых в расчет предварительного напряжения конструкций, приведены ниже.
Напряжения в сечениях, нормальных к продольной оси элемента, определяются по правилам расчета упругих материалов. При этом принимают приведенное сечение, включающее сечение бетона с учетом ослабления его каналами, пазами и т.п., а также сечение всей продольной (напрягаемой и ненапрягаемой) арматуры, умноженное на отношение модулей упругости арматуры и бетона. Если части бетонного сечения выполнены из бетонов разных классов или видов, их приводят к одному классу или виду, исходя из отношения модулей упругости бетона.
Усилие предварительного обжатия P и эксцентриситет его приложения e0p относительно центра тяжести приведенного сечения (рисунок 9.1) определяются по формулам:
P = σspAsp + σ'spA'sp - σsAs - σ'sA's; (9.8)
, (9.9)
где σs, σ's - напряжения в ненапрягаемой продольной арматуре S и S' соответственно, вызванные усадкой и ползучестью бетона;
γsp, γ'sp, γs, γ's - расстояния от центра тяжести приведенного сечения до точек приложения равнодействующих усилий соответственно в напрягаемой и ненапрягаемой продольной арматуре S и S' (рисунок 9.1).

Рисунок 9.1 - Схема усилий предварительного напряжения в арматуре в поперечном сечении железобетонного элемента
При криволинейной напрягаемой арматуре значения σsp и σ'sp умножают соответственно на cosθ и cosθ', где θ и θ' - углы наклона оси арматуры к продольной оси элемента (для рассматриваемого сечения).
Напряжения σsp и σ'sp принимают с учетом:
- первых потерь - в стадии обжатия бетона;
- первых и вторых потерь - в стадии эксплуатации элемента.
Напряжения σs и σ's принимают численно равными:
- потерям напряжений от быстронатекающей ползучести по пункту 6 таблицы 9.1 - в стадии обжатия бетона;
- сумме потерь напряжений от усадки и ползучести бетона по пунктам 6, 8 и 9 таблицы 9.1 - в стадии эксплуатации элемента.
9.1.8 Сжимающие напряжения в бетоне в стадии предварительного обжатия σbp должны быть не более значений (в долях от передаточной прочности бетона Rbp), указанных в таблице 9.3.
Таблица 9.3
|
Напряженное состояние сечения |
Способ натяжения арматуры |
Значение сжимающего напряжения в бетоне в стадии предварительного обжатия, в долях от передаточной прочности бетона σbp/Rbp не более | |||
|
при расчетной зимней температуре наружного воздуха, °C | |||||
|
минус 40 и выше |
ниже минус 40 | ||||
|
при обжатии | |||||
|
центральном |
внецентренном |
центральном |
внецентренном | ||
|
1 Напряжения уменьшаются или не изменяются при действии внешних нагрузок |
На упоры |
0,85 |
0,95 * |
0,70 |
0,85 |
|
На бетон |
0,70 |
0,85 |
0,60 |
0,70 | |
|
2 Напряжения увеличиваются при действии внешних нагрузок |
На упоры |
0,65 |
0,70 |
0,50 |
0,60 |
|
На бетон |
0,60 |
0,65 |
0,45 |
0,50 | |
|
* Для элементов, изготовляемых с постепенной передачей усилия обжатия, при наличии стальных опорных деталей и косвенной арматуры с объемным коэффициентом армирования μu≥ 0,5% (10.4.3) на длине не менее длины зоны передачи напряжений lp (9.1.10) допускается принимать значение σbp/Rbp= 100. Примечания 1 Значения σbp/Rbp, указанные в настоящей таблице, для бетона в водонасыщенном состоянии при расчетной температуре воздуха ниже минус 40 °C следует принимать на 0,05 меньше. 2 Расчетные зимние температуры наружного воздуха принимаются согласно СП 131.13330. 3 Для бетона классов B7,5 - B12,5 значения σbp/Rbp следует принимать не более 0,30. | |||||
Напряжения σbp определяются на уровне крайнего сжатого волокна бетона с учетом потерь предварительного напряжения по пунктам 1 - 6 таблицы 9.1 и при коэффициенте точности натяжения арматуры γsp, равном единице.
9.1.9 Для предварительно напряженных конструкций, в которых предусматривается регулирование напряжений обжатия бетона в процессе их эксплуатации (например, в реакторах, резервуарах, телевизионных башнях), напрягаемая арматура применяется без сцепления с бетоном, при этом необходимо предусматривать эффективные мероприятия по защите арматуры от коррозии по СП 28.13330.
9.1.10 Длину зоны передачи напряжений lp для напрягаемой арматуры без анкеров следует определять по формуле
, (9.10)
где ωp и λp принимаются по таблице 9.4.
Таблица 9.4
|
Вид и класс арматуры |
Диаметр арматуры, мм |
Коэффициенты для определения длины зоны передачи напряжений lp напрягаемой арматуры, применяемой без анкеров | |
|
ωp |
λp | ||
|
1 Стержневая периодического профиля независимо от класса |
Независимо от диаметра |
0,25 |
10 |
|
2 Высокопрочная арматурная проволока периодического профиля класса Вр1600 |
5 |
1,40 |
40 |
|
4 |
1,40 |
50 | |
|
3 |
1,40 |
60 | |
|
3 Арматурные канаты классов: К1600 | |||
|
15 |
1,00 |
25 | |
|
12 |
1,10 |
25 | |
|
9 |
1,25 |
30 | |
|
6 |
1,40 |
40 | |
|
Примечание - Для элементов из бетона классов B7,5 - B12,5 значения ωp и λp увеличиваются в 1,4 раза против приведенных в настоящей таблице. | |||
К значению Rbp при необходимости вводятся коэффициенты условий работы бетона, кроме γb1.
Значение σsp в формуле (9.10) принимается равным:
- большему из значений Rs и σsp - при расчете элементов по прочности;
- значению σsp - при расчете элементов по трещиностойкости. Здесь σsp принимается с учетом первых потерь по пунктам 1 - 5 таблицы 9.1.
При мгновенной передаче усилия обжатия на бетон для стержневой арматуры периодического профиля значения ωp и λp увеличиваются в 1,25 раза. При диаметре стержней более 18 мм мгновенная передача усилий не допускается.
Для стержневой арматуры периодического профиля всех классов значение lp принимается не менее 15d.
Начало зоны передачи напряжений при мгновенной передаче усилия обжатия на бетон для проволочной арматуры (за исключением высокопрочной проволоки класса Вр1200 с внутренними анкерами по длине заделки) принимается на расстоянии 0,25lp от торца элемента.
9.1.11 Длину зоны передачи напряжений lp для напрягаемой стеклопластиковой арматуры без анкеров в изгибаемых элементах из легкого бетона на литоидной пемзе следует определять по формуле
. (9.11)
9.2 Расчет предварительно напряженных железобетонных конструкций по предельным состояниям первой и второй групп
9.2.1 Расчет предварительно напряженных элементов производят для стадии эксплуатации на действие изгибающих моментов и поперечных сил от внешних нагрузок и для стадии предварительного обжатия на действие усилий от предварительного натяжения арматуры и усилий от внешних нагрузок, действующих в стадии обжатия, по предельным состояниям первой и второй группы по СП 63.13330.2018 (раздел 9).
9.2.2 Расчет прямоугольных сечений изгибаемых предварительно напряженных элементов из легкого бетона на литоидной пемзе со стеклопластиковой арматурой в растянутой зоне выполняют из условия
M ≤ Rbbh02ξR(1 - ξR), (9.12)
где
, (9.13)
здесь σsp - предварительное напряжение в арматуре с учетом всех потерь.
10 Конструктивные требования
При проектировании бетонных и железобетонных конструкций для обеспечения условий их изготовления, требуемой долговечности и совместной работы арматуры и бетона следует выполнять конструктивные требования, изложенные в настоящем разделе. При проектировании бетонных и железобетонных конструкций с композитной полимерной арматурой и дисперсным армированием следует руководствоваться требованиями СП 295.1325800.2017 (раздел 8) и СП 297.1325800.2017 (раздел 8).
10.1 Минимальные размеры сечения элементов
10.1.1 Минимальные размеры сечения бетонных и железобетонных элементов, определяемые из расчета по действующим усилиям и соответствующим группам предельных состояний, должны назначаться с учетом экономических требований, необходимости унификации опалубочных форм и армирования, условий принятой технологии изготовления конструкций.
Кроме того, размеры сечения элементов железобетонных конструкций должны приниматься такими, чтобы соблюдались требования в части расположения арматуры в сечении (толщины защитных слоев бетона, расстояния между стержнями и т.п.) и анкеровки арматуры.
10.1.2 Минимальная толщина сборных плит должна определяться из условия обеспечения требуемой толщины защитного слоя бетона и условий расположения арматуры по толщине плиты (10.2.1 - 10.2.6). Толщина монолитных плит должна приниматься не менее 70 мм.
Размеры сечений внецентренно сжатых элементов должны приниматься такими, чтобы их гибкость l0/i, в любом направлении, не превышала:
200 - для железобетонных элементов;
120 - для колонн, являющихся элементами зданий;
90 - для бетонных элементов.
10.2 Защитный слой бетона
10.2.1 Защитный слой бетона для рабочей арматуры должен обеспечивать совместную работу арматуры с бетоном на всех стадиях работы конструкции, защиту арматуры от внешних атмосферных, температурных и других агрессивных воздействий.
Минимально допустимые значения защитных слоев бетона до арматуры и марку бетона по водонепроницаемости назначают по СП 28.13330.
10.2.2 Для напрягаемой арматуры, размещаемой в закрытых каналах, защитный слой бетона определяют относительно поверхности канала.
Для каналов диаметром 11 см защитный слой назначают не менее 50 мм. При диаметрах каналов свыше 11 см принимаемую толщину защитного слоя проверяют расчетом на силовые воздействия и давление раствора при инъецировании канала.
10.2.3 В конструкциях из монолитного бетона толщину защитного слоя увеличивают на 5 мм.
10.2.4 При применении самозаанкеривающейся оцинкованной арматуры или арматуры с защитой другими покрытиями протекторного действия, не снижающими сцепление арматуры с бетоном, толщина защитного слоя бетона может быть уменьшена на 5 мм.
10.2.5 Увеличение эффекта защитных свойств бетона по отношению к стальной арматуре достигают введением в бетон добавок - ингибиторов коррозии стали, которые усиливают защитное действие бетона.
10.2.6 Напрягаемую арматуру сборных железобетонных конструкций с натяжением на бетон располагают в закрытых каналах, образуемых извлекаемыми каналообразователями из полимерных материалов.
При устройстве каналов с неизвлекаемыми каналообразователями рекомендуется применять неоцинкованные гибкие стальные рукава и гофрированные трубы из полимерных материалов (полиэтилен высокой плотности, полипропилен). Исключение оцинкованных каналообразователей вызвано опасностью наводороживания напрягаемой арматуры при контакте стали с цинковой поверхностью каналообразователей в результате образования коррозионных макропар, в которых стальная арматура служит катодом.
Неизвлекаемые каналообразователи из цельнотянутых стальных или полимерных труб допускается применять только на коротких участках в стыках между сборными блоками составных по длине пролетных строений и в местах перегибов и анкеровки напрягаемой арматуры.
Каналообразователи монолитных конструкций должны быть водонепроницаемыми по длине и сечению с возможностью создавать перегиб радиусом> 4 м. Внутреннюю поверхность стальных каналообразователей на время хранения и транспортирования рекомендуется защищать от коррозии с последующим удалением защитного состава. В качестве защиты можно использовать водорастворимую смазку типа СОЖ, удаляемую перед инъецированием, или другие материалы ингибирующего действия.
10.3 Минимальные расстояния между стержнями арматуры
10.3.1 Расстояния в свету между стержнями арматуры (или оболочками каналов) по высоте и ширине сечения должны обеспечивать совместную работу арматуры с бетоном и назначаться с учетом удобства укладки и уплотнения бетонной смеси; для предварительно напряженных конструкций должны также учитываться степень местного обжатия бетона и размеры натяжного оборудования (домкратов, зажимов и т.п.). В элементах, изготовляемых с помощью виброштампующих машин или штыковых вибраторов, должно быть обеспечено свободное прохождение между арматурными стержнями элементов таких машин или наконечников вибраторов, уплотняющих бетонную смесь.
10.3.2 Расстояния в свету между отдельными стержнями продольной ненапрягаемой арматуры или напрягаемой арматуры, натягиваемой на упоры между продольными стержнями соседних плоских сварных каркасов, должны приниматься не менее наибольшего диаметра стержней и:
- не менее 25 мм - для нижней арматуры, 30 мм - для верхней; при расположении нижней арматуры более чем в два ряда по высоте расстояние между стержнями в горизонтальном направлении (кроме стержней двух нижних рядов) должно быть не менее 50 мм - если стержни при бетонировании занимают горизонтальное или наклонное положение;
- не менее 50 мм; при систематическом контроле фракционирования заполнителей бетона это расстояние может быть уменьшено до 35 мм, но при этом должно быть не менее полуторакратного наибольшего размера крупного заполнителя - если стержни при бетонировании занимают вертикальное положение.
При стесненных условиях допускается располагать стержни арматуры попарно (без зазора между ними).
В элементах с напрягаемой арматурой, натягиваемой на бетон (за исключением непрерывно армированных конструкций), расстояние в свету между каналами для арматуры должно быть не менее диаметра канала, но не менее 50 мм.
Примечание - Расстояние в свету между стержнями периодического профиля принимается по номинальному диаметру стержня без учета выступов и ребер.
10.4 Анкеровка ненапрягаемой арматуры
10.4.1 Стержни периодического профиля, а также гладкие стержни, применяемые в сварных каркасах и сетках, выполняются без крюков. Растянутые гладкие стержни вязаных каркасов и сеток должны заканчиваться крюками, лапками или петлями.
10.4.2 Продольные стержни растянутой и сжатой арматуры должны быть заведены за нормальное к продольной оси элемента сечение, в котором они учитываются с полным расчетным значением сопротивления, на длину не менее lan, определяемую по формуле
, (10.1)
но не менее λan= Δλand,
где значения ωan, Δλan и λan и допускаемые минимальные значения lan определяются по таблице 10.1. При этом гладкие арматурные стержни должны оканчиваться крюками или быть с приваренной поперечной арматурой по длине заделки. К значению Rb допускается вводить коэффициенты условий работы бетона, кроме γb1 (таблица Б.1, приложение Б).
Таблица 10.1
|
Условие работы ненапрягаемой арматуры |
Значения коэффициентов для определения анкеровки ненапрягаемой арматуры | |||||||
|
периодического профиля |
гладкой | |||||||
|
ωan |
Δλan |
λan |
lan, мм |
ωan |
Δλan |
λan |
lan, мм | |
|
не менее |
не менее | |||||||
|
1 Заделка арматуры: | ||||||||
|
а) растянутой в растянутом бетоне |
0,70 |
11 |
20 |
250 |
1,20 |
11 |
20 |
250 |
|
б) сжатой или растянутой в сжатом бетоне |
0,50 |
8 |
12 |
200 |
0,80 |
8 |
15 |
200 |
|
2 Стыки арматуры внахлестку: | ||||||||
|
а) в растянутом бетоне |
0,90 |
11 |
20 |
250 |
1,55 |
11 |
20 |
250 |
|
б) в сжатом бетоне |
0,65 |
8 |
15 |
200 |
1,00 |
8 |
15 |
200 |
В случае, когда анкеруемые стержни поставлены с запасом по площади сечения против требуемой расчетом по прочности с полным расчетным значением сопротивления, вычисленным по формуле (10.1), длину анкеровки lan допускается уменьшать, умножая на отношение необходимой по расчету и фактической площадей сечения арматуры.
Если по расчету вдоль анкеруемых стержней образуются трещины от растяжения бетона, то стержни должны быть заделаны в сжатую зону бетона на длину lan, определяемую по формуле (10.1).
При невозможности выполнения указанных требований должны быть приняты меры по анкеровке продольных стержней для обеспечения их работы с полным расчетным значением сопротивления в рассматриваемом сечении (постановка косвенной арматуры, приварка к концам стержней анкерующих пластин или закладных деталей, отгиб анкерующих стержней). При этом значение lan должно быть не менее 10d.
Для закладных деталей должны учитываться следующие особенности. Длину растянутых анкерных стержней закладных деталей, заделанных в растянутом или в сжатом бетоне, при
или
следует определять по формуле (10.1), пользуясь значениями ωan, Δλan и λan по пункту 1 а таблицы 10.1. В остальных случаях указанные значения следует принимать по пункту 1 б таблицы 10.1. Здесь σbc - сжимающие напряжения в бетоне от постоянных нагрузок, действующих перпендикулярно к анкерному стержню и определяемые как для упругого материала по приведенному сечению.
При действии на анкерные стержни закладной детали растягивающих и сдвигающих усилий правая часть формулы (10.1) умножается на коэффициент δ, определяемый по формуле
, (10.2)
где Nan1, Qan1 - растягивающее и сдвигающее усилие соответственно в анкерном стержне.
При этом длина анкерных стержней должна быть не меньше минимальных значений lan согласно настоящему пункту.
Анкеры из гладкой арматуры класса А240 следует применять только при наличии усилений на их концах в виде пластинок, высаженных головок и поперечных коротышей. Длина этих анкеров определяется расчетом на выкалывание и смятие бетона.
10.4.3 Для обеспечения анкеровки всех продольных стержней арматуры, заводимых за грань опоры, на крайних свободных опорах изгибаемых элементов должны выполняться следующие требования:
- если соблюдается условие 7.2.18, длина запуска растянутых стержней за внутреннюю грань свободной опоры должна составлять не менее 5d;
- если условие 7.2.18 не соблюдается, длина запуска стержней за внутреннюю грань свободной опоры должна быть не менее 10d.
Длина зоны анкеровки lan на крайней свободной опоре, на которой снижаются расчетные сопротивления арматуры, определяется согласно 10.4.2 и пункту 1 б таблицы 10.1.
Напряжение сжатия бетона на опоре σb определяется делением опорной реакции на площадь опирания элемента и принимается не более 0,5Rb.
Косвенное армирование распределяется по длине зоны анкеровки от торца элемента до ближайшей к опоре нормальной трещины.
Длина запуска стержней за внутреннюю грань опоры уменьшается против требуемой настоящим пунктом, если значение lan <10d, и принимается равным lan, но не менее 5d. В этом случае, а также при приварке концов стержней к надежно заанкеренным стальным закладным деталям снижение расчетного значения сопротивления продольной арматуры на опорном участке не производится.
10.5 Продольное армирование элементов
10.5.1 Значение площади сечения продольной арматуры в железобетонных элементах должно приниматься не менее приведенного в таблице 10.2.
Таблица 10.2
|
Условия работы арматуры |
Минимальная площадь сечения продольной арматуры в железобетонных элементах, % площади сечения бетона |
|
1 Арматура S в изгибаемых, а также во внецентренно растянутых элементах при расположении продольной силы за пределами рабочей высоты сечения |
0,05 |
|
2 Арматура S, S' во внецентренно растянутых элементах при расположении продольной силы между арматурой S и S' |
0,05 |
|
3 Арматура S, S' во внецентренно сжатых элементах при: | |
|
l0/i <17 |
0,05 |
|
17 ≤ l0/i ≤ 35 |
0,10 |
|
35 |
0,20 |
|
l0/i> 83 |
0,25 |
|
Примечание - Минимальная площадь сечения арматуры, приведенная в настоящей таблице, относится к площади сечения бетона, равной произведению ширины прямоугольного сечения или ширины ребра таврового (двутаврового) сечения на рабочую высоту сечения h0. В элементах с продольной арматурой, расположенной равномерно по контуру сечения, а также в центрально-растянутых элементах указанное значение минимального армирования относится к полной площади сечения бетона. | |
В элементах с продольной арматурой, расположенной равномерно по контуру сечения, а также в центрально-растянутых элементах значение минимальной площади сечения всей продольной арматуры должно приниматься вдвое больше значений, приведенных в таблице 10.2.
Минимальный процент содержания арматуры S и S' во внецентренно сжатых элементах, несущая способность которых при расчетном эксцентриситете используется менее чем на 50%, независимо от гибкости элементов принимается равным 0,05.
Значения, приведенные в таблице 10.2, не распространяются на армирование, определяемое расчетом элемента для стадий транспортирования и возведения; в этом случае площадь сечения арматуры определяется только расчетом по прочности. Если расчетом установлено, что несущая способность элемента исчерпывается одновременно с образованием трещин в бетоне растянутой зоны, то для слабоармированных элементов должны учитываться требования 5.8.
Требования настоящего пункта не учитываются при назначении площади сечения арматуры, устанавливаемой по контуру плит (панелей) из расчета на изгиб в плоскости плиты (панели).
10.5.2 Диаметр, мм, продольных стержней сжатых элементов должен быть не более:
16 - для бетона класса B12,5 и ниже;
25 - для бетона класса B15 - B25;
40 - для бетона класса B30 и выше.
В изгибаемых элементах с арматурой класса А600 и ниже, диаметр продольных стержней, мм, должен быть не более:
16 - для бетона классов B12,5 и ниже;
25 - для бетона классов B15 - B25;
32 - для бетона классов B30 и выше.
Для арматуры более высоких классов предельные диаметры стержней должны быть согласованы в установленном порядке.
Диаметр продольных стержней внецентренно сжатых элементов монолитных конструкций должен быть не менее 12 мм.
10.5.3 В линейных внецентренно сжатых элементах расстояния между осями стержней продольной арматуры должны приниматься: не более 400 мм - в направлении, перпендикулярном к плоскости изгиба, не более 500 мм - в направлении плоскости изгиба.
10.5.4 Во внецентренно сжатых элементах, несущая способность которых при заданном эксцентриситете продольной силы используется менее чем на 50%, а также в элементах гибкостью l0/i <17 (например, подколонниках), где по расчету сжатая арматура не требуется, а число растянутой арматуры не превышает 0,3%, согласно 10.5.3, 10.6.1 и 10.6.2, по граням, параллельным плоскости изгиба, допускается не устанавливать продольную и поперечную арматуру. При этом армирование по граням, перпендикулярным к плоскости изгиба, производится сварными каркасами и сетками с защитным слоем бетона толщиной не менее 50 мм.
10.5.5 В балках шириной более 150 мм должно быть не менее двух продольных рабочих стержней, заводимых за грань опоры. В ребрах сборных панелей, настилов, часторебристых перекрытий и т.п. шириной 150 мм и менее допускается доведение до опоры одного продольного рабочего стержня.
В плитах расстояние между стержнями, заводимыми за грань опоры, должно быть не более 400 мм, причем площадь сечения этих стержней на 1 м ширины плиты должна составлять не менее 1/3 площади сечения стержней в пролете, определенной расчетом по наибольшему изгибающему моменту.
При армировании неразрезных плит сварными рулонными сетками все нижние стержни вблизи промежуточных опор допускается переводить в верхнюю зону.
Расстояния между осями рабочих стержней в средней части пролета плиты и над опорой (вверху) должны быть не более 200 мм при толщине плиты до 150 мм и не более 1,5h при толщине плиты свыше 150 мм, где h - толщина плиты.
10.5.6 В изгибаемых элементах при высоте сечения свыше 700 мм у боковых граней должны устанавливаться конструктивные продольные стержни с расстояниями между ними по высоте не более 400 мм.
10.6 Поперечное армирование элементов
10.6.1 У всех поверхностей железобетонных элементов, вблизи которых устанавливается продольная арматура, должна предусматриваться поперечная арматура, охватывающая крайние продольные стержни. При этом расстояния между поперечными стержнями у каждой поверхности элемента должны быть не более 600 мм, но не более удвоенной ширины грани элемента.
Во внецентренно сжатых элементах с центрально-расположенной напрягаемой продольной арматурой (например, в сваях) установка поперечной арматуры не требуется, если сопротивление действию поперечных сил обеспечивается бетоном.
Поперечную арматуру допускается не устанавливать у граней тонких ребер изгибаемых элементов (шириной 150 мм и менее), по ширине которых располагается один продольный стержень или сварной каркас.
Во внецентренно сжатых линейных элементах и в сжатой зоне изгибаемых элементов при наличии учитываемой в расчете сжатой продольной арматуры хомуты должны быть на расстоянии:
При Rsc ≤ 400 МПа - не более 500 мм и не более:
20d сварных; 15d при вязаных каркасах;
при Rsc ≤ 450 МПа - не более 400 мм и не более:
15d - сварных; 12d - при вязаных каркасах.
При этом конструкцией поперечной арматуры должно быть обеспечено закрепление сжатых стержней от бокового выпучивания их в любом направлении.
Расстояния между хомутами внецентренно сжатых элементов в местах стыкования рабочей арматуры внахлестку без сварки должны быть не более 10d.
Если насыщение элемента требуемой по расчету сжатой продольной арматурой S' выше 1,5%, а также если все сечение элемента сжато и общее насыщение арматурой S и S' выше 3%, расстояние между хомутами должно быть не более 10d и не более 300 мм.
10.6.2 Конструкция вязаных хомутов во внецентренно сжатых элементах должна быть такой, чтобы продольные стержни (по крайней мере через один) располагались в местах перегиба хомутов, а перегибы - на расстоянии не более 400 мм по ширине грани элемента. При ширине грани не более 400 мм и не более четырех продольных стержнях у этой грани допускается охват всех продольных стержней одним хомутом.
При армировании внецентренно сжатых элементов плоскими сварными каркасами два крайних каркаса (расположенные у противоположных граней) должны быть соединены друг с другом для образования пространственного каркаса. Для этого у граней элемента, нормальных к плоскости каркасов, должны устанавливаться поперечные стержни, привариваемые контактной сваркой к угловым продольным стержням каркасов, или шпильки, связывающие эти стержни, на тех же расстояниях, что и поперечные стержни плоских каркасов.
Если крайние плоские каркасы имеют промежуточные продольные стержни, то они не реже чем через один стержень и не реже чем через 400 мм по ширине грани элемента должны связываться шпильками с продольными стержнями, расположенными у противоположной грани. Шпильки допускается не ставить при ширине грани элемента не более 400 мм и не более четырех продольных стержнях у этой грани.
10.6.3 Во внецентренно сжатых элементах с учитываемым в расчете косвенным армированием в виде сварных сеток или ненапрягаемой спиральной или кольцевой арматуры должны быть приняты:
- размеры ячеек сетки - не менее 45 мм, но не более 1/4 меньшей стороны сечения элемента и не более 100 мм;
- диаметр навивки спиралей или диаметр колец - не менее 200 мм;
- шаг сеток - не менее 60 мм, но не более 1/3 меньшей стороны сечения элемента и не более 150 мм;
- шаг навивки спиралей или шаг колец - не менее 40 мм, но не более 1/5 диаметра сечения элемента и не более 100 мм.
Сетки и спирали (кольца) должны охватывать всю рабочую продольную арматуру.
При усилении концевых участков внецентренно сжатых элементов должны устанавливаться сварные сетки косвенного армирования у торца - не менее четырех сеток на длине (считая от торца элемента) не менее 20d, если продольная арматура выполняется из гладких стержней, и не менее 10d - из стержней периодического профиля.
10.6.4 Диаметр хомутов в вязаных каркасах внецентренно сжатых линейных элементов должен приниматься не менее 0,25d и не менее 5 мм, где d - наибольший диаметр продольных стержней.
Диаметр хомутов в вязаных каркасах изгибаемых элементов должен приниматься, мм, не менее:
5 - при высоте сечения элемента, равной или менее 800 мм;
8 - то же, свыше 800 мм.
10.6.5 В балочных конструкциях высотой свыше 150 мм и в многопустотных плитах (или аналогичных часторебристых конструкциях) высотой более 300 мм должна устанавливаться поперечная арматура.
В сплошных плитах независимо от высоты, в многопустотных плитах (или аналогичных часторебристых конструкциях) высотой менее 300 мм и в балочных конструкциях высотой менее 150 мм допускается поперечную арматуру не устанавливать. При этом должно быть обеспечено условие расчета согласно 7.2.18.
10.6.6 Поперечная арматура в балочных и плитных конструкциях, указанных в 10.6.5, устанавливается:
на приопорных участках, равных при равномерно распределенной нагрузке 1/4 пролета, а при сосредоточенных нагрузках - расстоянию от опоры до ближайшего груза, но не менее 1/4 пролета, с шагом не более:
- h/2 и не более 150 мм - при высоте сечения элемента h, равной или менее 450 мм;
- h/3 и не более 500 мм - то же, свыше 450 мм;
- 3/4h и не более 500 мм - на остальной части пролета при высоте сечения элемента более 300 мм.
10.6.7 Поперечная арматура, предусмотренная для восприятия поперечных сил, должна быть с надежной анкеровкой по концам.
10.6.8 Поперечная арматура в плитах в зоне продавливания устанавливается с шагом не более 1/3h и не более 200 мм, при этом ширина зоны постановки поперечной арматуры должна быть не менее 1,5h (где h - толщина плиты).
Анкеровка указанной арматуры должна соответствовать 10.6.7.
10.6.9 Поперечное армирование коротких консолей колонн выполняется горизонтальными или наклонными под углом 45° хомутами. Шаг хомутов должен быть не более h/4 и не более 150 мм (где h - высота консоли).
10.6.10 В элементах, работающих на изгиб с кручением, вязаные хомуты должны быть замкнутыми с надежной анкеровкой на концах, а при сварных каркасах все поперечные стержни обоих направлений должны быть приварены к угловым продольным стержням, образуя замкнутый контур. При этом должна быть обеспечена равнопрочность соединений и хомутов.
10.7 Сварные соединения арматуры и закладных деталей
10.7.1 Арматура из горячекатаной стали гладкого и периодического профиля и обыкновенной арматурной проволоки, а также закладные детали должны изготовляться с применением для соединения стержней между собой и с плоскими элементами проката контактной сварки - точечной и стыковой. Допускается применение дуговой сварки - автоматической и полуавтоматической, а также ручной согласно 10.7.5.
10.7.2 Типы сварных соединений и способы сварки арматуры и закладных деталей следует назначать с учетом условий эксплуатации конструкции, свариваемости стали, технико-экономических показателей соединений и технологических возможностей предприятия-изготовителя в соответствии с нормативными документами на сварную арматуру и закладные детали железобетонных конструкций.
10.7.3 В заводских условиях при изготовлении сварных арматурных сеток, каркасов и соединений на длине отдельных стержней следует применять преимущественно контактную точечную и стыковую сварку, а при изготовлении закладных деталей - автоматическую сварку под флюсом для тавровых и контактную рельефную сварку дня нахлесточных соединений.
10.7.4 При монтаже арматурных изделий и сборных железобетонных конструкций в первую очередь должны применяться полуавтоматические способы сварки, обеспечивающие возможность контроля качества соединений.
10.7.5 При отсутствии необходимого сварочного оборудования в заводских условиях и при монтаже допускается выполнять крестообразные, стыковые, нахлесточные и тавровые соединения арматуры и закладных деталей, применяя приведенные в нормативных документах на сварную арматуру и закладные детали способы дуговой и ручной сварки. Не допускается применять дуговую сварку прихватками в крестообразных соединениях стержней рабочей арматуры класса А400 марки 35ГС.
Применяя ручную дуговую сварку при выполнении сварных соединений, рассчитываемых по прочности, в сетках и каркасах, следует устанавливать дополнительные конструктивные элементы в местах соединения стержней продольной и поперечной арматуры (прокладки, косынки, крючки и т.д.).
10.8 Стыки ненапрягаемой арматуры внахлестку (без сварки)
10.8.1 Стыки ненапрягаемой рабочей арматуры внахлестку применяются при стыковании сварных и вязаных каркасов и сеток, при этом диаметр рабочей арматуры должен быть не более 36 мм.
Стыки стержней рабочей арматуры внахлестку не рекомендуется располагать в растянутой зоне изгибаемых и внецентренно растянутых элементов в местах полного использования арматуры. Такие стыки не допускаются в линейных элементах, сечение которых полностью растянуто (например, в затяжках арок), и во всех случаях применения стержневой арматуры класса А600 и выше.
10.8.2 Длина перепуска (нахлестки) l стыков растянутой или сжатой рабочей арматуры, сварных сеток и каркасов в рабочем направлении должна быть не менее значения lan, определяемого по формуле (10.1) и таблице 10.1.
10.8.3 Стыки сварных сеток и каркасов, а также растянутых стержней вязаных каркасов и сеток внахлестку без сварки должны располагаться вразбежку. При этом площадь сечения рабочих стержней, стыкуемых в одном месте или на расстоянии менее длины перепуска l, должна составлять не более 50% общей площади сечения растянутой арматуры - при стержнях периодического профиля и не более 25% - при гладких стержнях.
Стыкование отдельных стержней, сварных сеток и каркасов без разбежки допускается при конструктивном армировании (без расчета) и на тех участках, где арматура используется не более чем на 50%.
10.8.4 Стыки сварных сеток в направлении рабочей арматуры из гладкой горячекатаной стали класса А240 должны выполняться таким образом, чтобы в каждой из стыкуемых в растянутой зоне сеток на длине нахлестки располагалось не менее двух поперечных стержней, приваренных ко всем продольным стержням сеток (рисунок 10.1). Такие же типы стыков применяются для стыкования внахлестку сварных каркасов с односторонним расположением рабочих стержней из арматуры всех видов.
Стыки сварных сеток в направлении рабочей арматуры классов А300 и А400 выполняются без поперечных стержней в пределах стыка в одной или обеих стыкуемых сетках (рисунок 10.2).

а - при поперечных стержнях, расположенных в одной плоскости; б, в - то же, в разных плоскостях
Рисунок 10.1 - Стыки сварных сеток внахлестку (без сварки) в направлении рабочей арматуры, выполненной из гладких стержней

а - без поперечных стержней в пределах стыка в одной из стыкуемых сеток; б - то же, в обеих стыкуемых сетках
Рисунок 10.2 - Стыки сварных сеток внахлестку (без сварки) в направлении рабочей арматуры, выполненной из стержней периодического профиля
10.8.5 Стыки сварных сеток в нерабочем направлении выполняются внахлестку с перепуском (считая между крайними рабочими стержнями сетки):
- на 50 мм (рисунок 10.3 а, б) - при диаметре распределительной (поперечной) арматуры до 4 мм включ.;
- на 100 мм (рисунок 10.3 а, б) - то же, свыше 4 мм.
При диаметре рабочей арматуры 16 мм и более сварные сетки в нерабочем направлении допускается укладывать впритык друг к другу, перекрывая стык специальными стыковыми сетками, укладываемыми с перепуском в каждую сторону не менее 15d распределительной арматуры и не менее 100 мм (рисунок 10.3, в).

а - стык внахлестку с расположением рабочих стержней в одной плоскости; б - то же, с расположением рабочих стержней в разных плоскостях; в - стык впритык с наложением дополнительной стыковой сетки
Рисунок 10.3 - Стыки сварных сеток в направлении распределительной арматуры
Сварные сетки в нерабочем направлении допускается укладывать впритык без нахлестки и без дополнительных стыковых сеток при:
- укладке сварных полосовых сеток в двух взаимно перпендикулярных направлениях;
- наличии в местах стыков дополнительного конструктивного армирования в направлении распределительной арматуры.
10.9 Стыки элементов сборных конструкций
10.9.1 При стыковании железобетонных элементов сборных конструкций усилия от одного элемента к другому передаются через стыкуемую рабочую арматуру, стальные закладные детали, заполняемые бетоном швы, бетонные шпонки или (для сжатых элементов) непосредственно через бетонные поверхности стыкуемых элементов.
Стыкование предварительно напряженных элементов и конструкций, к которым предъявляются требования водонепроницаемости, должно осуществляться бетоном на напрягающем цементе.
10.9.2 Жесткие стыки сборных конструкций должны замоноличиваться заполнением швов, между элементами, бетоном. Если при изготовлении элементов обеспечивается плотная подгонка поверхностей друг к другу (например, при использовании торца одного из стыкуемых элементов в качестве опалубки для торца другого), допускается выполнение стыков насухо при передаче через стык только сжимающего усилия.
10.9.3 Стыки элементов, воспринимающие растягивающие усилия, должны выполняться:
- сваркой стальных закладных деталей;
- сваркой выпусков арматуры;
- пропуском через каналы или пазы стыкуемых элементов стержней арматурных канатов или болтов с последующим натяжением их и заполнением швов и каналов цементным раствором или мелкозернистым бетоном;
- склеиванием элементов конструкционными полимеррастворами с применением соединительных деталей из стержневой арматуры.
При проектировании стыков элементов сборных конструкций должны предусматриваться такие соединения закладных деталей, при которых не происходило бы разгибания их частей и выколов бетона.
10.9.4 Закладные детали должны быть заанкерены в бетоне с помощью анкерных стержней или приварены к рабочей арматуре элементов.
Закладные детали с анкерами должны состоять из отдельных пластин (уголков или фасонной стали) с приваренными к ним втавр или внахлестку анкерными стержнями преимущественно из арматуры классов А300, А400. Длина анкерных стержней закладных деталей при действии на них растягивающих сил должна быть не менее значения lan, определяемого согласно 10.4.2.
Длина анкерных стержней может быть уменьшена при условии приварки на концах стержней анкерных пластин или устройства высаженных горячим способом анкерных головок диаметром не менее 2d - для арматуры классов А240 и А300 и не менее 3d - для арматуры класса А400. В этих случаях длина анкерного стержня определяется расчетом на выкалывание и смятие бетона и принимается не менее 10d (где d - диаметр анкера, мм).
Если анкеры, испытывающие растяжение, располагаются нормально к оси элемента и вдоль них могут образовываться трещины от основных усилий, действующих на элемент, концы анкеров должны быть усилены приваренными пластинами или высаженными головками.
Штампованные закладные детали должны состоять из полосовых анкеров с усилением (например, в виде сферических выступов) и участков, выполняющих функцию пластин (аналогично сварным деталям). Штампованные закладные детали следует проектировать из полосовой стали толщиной 4 - 8 мм таким образом, чтобы отходы при раскрое полосы были минимальными. Деталь необходимо рассчитывать по прочности полосовых анкеров и пластин. Прочность анкеровки детали проверяется при расчете бетона на раскалывание, выкалывание и смятие.
Толщина пластин закладных деталей определяется согласно 7.2.31 и в соответствии с требованиями сварки. В зависимости от технологии сварки отношение толщины пластины к диаметру анкерного стержня принимается в соответствии с требованиями нормативных документов.
10.9.5 На концевых частях стыкуемых внецентренно сжатых элементов (например, на концах сборных колонн) должна устанавливаться косвенная арматура согласно 10.6.3.
10.10 Отдельные конструктивные требования
10.10.1 Осадочные швы должны предусматриваться в случаях возведения здания (сооружения) на неоднородных грунтах основания (просадочных и др.), в местах резкого изменения нагрузок и т.п.
Если в указанных случаях осадочные швы не предусматриваются, фундаменты должны обладать достаточной прочностью и жесткостью, предотвращающей повреждение вышележащих конструкций, или быть специальной конструкцией, служащей для достижения этой же цели.
Осадочные швы, а также температурно-усадочные швы в сплошных бетонных и железобетонных конструкциях следует выполнять сквозными, разрезая конструкцию до подошвы фундамента. Температурно-усадочные швы в железобетонных каркасах выполняются посредством применения двойных колонн с доведением шва до верха фундамента.
Расстояния между температурно-усадочными швами в бетонных фундаментах и стенках подвалов допускается принимать в соответствии с расстояниями между швами, принятыми для вышележащих конструкций.
10.10.2 В бетонных конструкциях должно предусматриваться конструктивное армирование:
- в местах резкого изменения размеров сечения элементов;
- в местах изменения высоты стен (на участке не менее 1 м);
- в бетонных стенах под и над проемами каждого этажа;
- в конструкциях, подвергающихся воздействию динамической нагрузки;
- у менее напряженной грани внецентренно сжатых элементов.
Требования настоящего пункта не распространяются на элементы сборных конструкций, проверяемые на стадиях транспортирования и монтажа, в этом случае необходимое армирование определяется расчетом по прочности.
Если расчетом установлено, что прочность элемента исчерпывается одновременно с образованием трещин в бетоне растянутой зоны, то следует учитывать требования 5.8 для слабоармированных элементов (без учета работы растянутого бетона). Если, согласно расчету с учетом сопротивления растянутой зоны бетона, арматура не требуется и опытом доказана возможность транспортирования и монтажа таких элементов без арматуры, конструктивная арматура не предусматривается.
10.10.3 Соответствие расположения арматуры принятому в проекте должно обеспечиваться специальными мероприятиями (установкой пластмассовых фиксаторов, шайб из мелкозернистого бетона и т.п.).
10.10.4 Отверстия значительных размеров в железобетонных плитах, панелях и т.п. должны окаймляться дополнительной арматурой сечением не менее сечения рабочей арматуры (того же направления), которая требуется по расчету плиты как сплошной.
10.10.5 При проектировании элементов сборных перекрытий следует предусматривать устройство между ними швов, заполняемых бетоном. Ширина швов назначается из условия обеспечения качественного их заполнения и должна составлять не менее 20 мм для элементов высотой сечения до 250 мм и не менее 30 мм - для элементов бóльшей высоты.
10.10.6 В элементах сборных конструкций должны предусматриваться приспособления для захвата их при подъеме: инвентарные монтажные вывинчивающиеся петли, строповочные отверстия со стальными трубками, стационарные монтажные петли из арматурных стержней и т.п. Петли для подъема должны выполняться из горячекатаной стали.
10.11 Дополнительные требования по конструированию предварительно напряженных железобетонных элементов
10.11.1 В предварительно напряженных элементах необходимо обеспечивать надежное сцепление арматуры с бетоном путем применения стали периодического профиля, заполнение каналов, пазов и выемок цементным раствором или мелкозернистым бетоном.
10.11.2 Схемы и способы возведения статически неопределимых предварительно напряженных конструкций рекомендуется выбирать так, чтобы при создании предварительного напряжения исключалась возможность возникновения в конструкции дополнительных усилий, ухудшающих их работу. Допускается устройство временных швов или шарниров, замоноличиваемых после натяжения арматуры.
10.11.3 В сборно-монолитных железобетонных конструкциях должно обеспечиваться сцепление предварительно напряженных элементов с бетоном, уложенным на месте применения конструкции, а также анкеровка их концевых участков. Совместная работа элементов в поперечном направлении должна обеспечиваться соответствующими мероприятиями (установкой поперечной арматуры или предварительным напряжением элементов в поперечном направлении).
10.11.4 Часть продольной стержневой арматуры элемента допускается применять без предварительного напряжения, если при этом выполняются требования расчета по трещиностойкости и деформациям.
10.11.5 Местное усиление участков предварительно напряженных элементов под анкерами напрягаемой арматуры и в местах опирания натяжных устройств рекомендуется выполнять установкой закладных деталей или дополнительной поперечной арматуры, а также увеличением размеров сечения элементов на этих участках.
10.11.6 У торцов элементов необходимо предусматривать дополнительную напрягаемую или ненапрягаемую поперечную арматуру, если напрягаемая продольная арматура располагается сосредоточенно у верхней и нижней граней.
Напряжение поперечной арматуры следует выполнять до натяжения продольной арматуры усилием не менее 15% усилия натяжения всей продольной арматуры растянутой зоны опорного сечения.
Ненапрягаемая поперечная арматура должна быть надежно заанкерена по концам приваркой к закладным деталям.
10.11.7 Для проволочной арматуры, расположенной в виде пучка, должны предусматриваться зазоры между отдельными проволоками или группами проволок (установкой спиралей внутри пучка, коротышей в анкерах и т.п.) размерами, достаточными для прохождения между проволоками пучка цементного раствора или мелкозернистого бетона при заполнении каналов.
10.11.8 У концов предварительно напряженных элементов должна быть установлена дополнительная поперечная или косвенная арматура (сварные сетки, охватывающие все продольные стержни арматуры, хомуты и т.п. с шагом 5 - 10 см) на длине участка не менее 0,6lp, а в элементах из бетона классов B7,5 - B12,5 - с шагом 5 см на длине участка не менее lp (9.1.10) и не менее 20 см для элементов с арматурой, без анкеров. Установка анкеров у концов арматуры обязательна для арматуры, натягиваемой на бетон, и для арматуры, натягиваемой на упоры, при недостаточном ее сцеплении с бетоном (гладкой проволоки, многопрядных канатов), при этом анкерные устройства должны обеспечивать надежную заделку арматуры в бетоне на всех стадиях ее работы.
При использовании в качестве напрягаемой рабочей арматуры высокопрочной арматурной проволоки периодического профиля, арматурных канатов однократной свивки установка анкеров у концов напрягаемых стержней не требуется.
10.12 Конструирование основных несущих железобетонных конструкций приведено в СП 63.13330.2018 (подраздел 10.4).
Приложение А
Основные буквенные обозначения
Усилия от внешних нагрузок и воздействий в поперечном сечении элемента
M - изгибающий момент;
Mr - изгибающий момент с учетом момента усилия предварительного обжатия относительно центра тяжести приведенного сечения;
N - продольная сила;
Q - поперечная сила;
T - крутящий момент.
Характеристики материалов
Rb,n - нормативное сопротивление бетона осевому сжатию;
Rb, Rb,ser - расчетные сопротивления бетона осевому сжатию для предельных состояний соответственно первой и второй групп;
Rbt,n - нормативное сопротивление бетона осевому растяжению;
Rbt, Rbt,ser - расчетные сопротивления бетона осевому растяжению для предельных состояний соответственно первой и второй групп;
Rb,loc - расчетное сопротивление бетона смятию;
Rbp - передаточная прочность бетона;
Rbond - расчетное сопротивление сцепления арматуры с бетоном;
Rs, Rs,ser - расчетные сопротивления арматуры растяжению для предельных состояний соответственно первой и второй групп;
Rsw - расчетное сопротивление поперечной арматуры растяжению;
Rsc - расчетное сопротивление арматуры сжатию для предельных состояний первой группы;
Eb - начальный модуль упругости бетона при сжатии и растяжении;
Eb,red - приведенный модуль деформации сжатого бетона;
Es - модуль упругости арматуры;
Es,red - приведенный модуль деформации арматуры, расположенной в растянутой зоне элемента с трещинами;
εbo, εbto - предельные относительные деформации бетона соответственно при равномерном осевом сжатии и осевом растяжении;
εs0 - относительные деформации арматуры при напряжении, равном Rs;
εb,sh - относительные деформации усадки бетона;
φb,cr - коэффициент ползучести бетона;
α - отношение соответствующих модулей упругости арматуры Es и бетона Eb;
γbi - коэффициент условий работы бетона;
νb,P - коэффициент поперечной деформации бетона (коэффициент Пуассона).
Характеристики положения продольной арматуры в поперечном сечении элемента
S - обозначение растянутой продольной арматуры;
S' - обозначение сжатой продольной арматуры.
Геометрические характеристики
b - ширина прямоугольного сечения или ширина ребра таврового и двутаврового сечений;
bf, b'f - ширина полки таврового и двутаврового сечений соответственно в растянутой и сжатой зонах;
h - высота прямоугольного, таврового и двутаврового сечений;
hf, h'f - высота полки таврового и двутаврового сечений соответственно в растянутой и сжатой зонах;
a, a' расстояние от равнодействующей усилий в арматуре S и S' соответственно до ближайшей грани сечения;
h0, h'0 - рабочая высота сечения, равная соответственно h-a и h-a';
x - высота сжатой зоны бетона;
ξ - относительная высота сжатой зоны бетона, равная x/h0;
sw - расстояние между хомутами, измеренное по длине элемента;
e0 - эксцентриситет продольной силы N относительно центра тяжести приведенного сечения, определяемый согласно 7.1.7 и 8.1.7;
e, e' - расстояния от точки приложения продольной силы N до равнодействующей усилий в арматуре соответственно S и S';
e0p - эксцентриситет усилия предварительного обжатия относительно центра тяжести приведенного сечения;
yn - расстояние от нейтральной оси до точки приложения усилия предварительного обжатия с учетом изгибающего момента от внешней нагрузки;
ep - расстояние от точки приложения усилия предварительного обжатия Np с учетом изгибающего момента от внешней нагрузки до центра тяжести растянутой или наименее сжатой арматуры;
l - пролет элемента;
lan - длина зоны анкеровки;
lp - длина зоны передачи предварительного напряжения в арматуре на бетон;
l0 - расчетная длина элемента, подвергающегося действию сжимающей продольной силы;
i - радиус инерции поперечного сечения элемента относительно центра тяжести сечения;
ds, dsw - номинальный диаметр стержней соответственно продольной и поперечной арматуры;
As, A's - площади сечения арматуры соответственно S и S';
Asw - площадь сечения хомутов, расположенных в одной нормальной к продольной оси элемента плоскости, пересекающей наклонное сечение;
μs - коэффициент армирования, определяемый как отношение площади сечения арматуры S к площади поперечного сечения элемента bh0 без учета свесов сжатых и растянутых полок;
A - площадь всего бетона в поперечном сечении;
Ab - площадь сечения бетона сжатой зоны;
Abt - площадь сечения бетона растянутой зоны;
Ared - площадь приведенного сечения элемента;
Aloc - площадь смятия бетона;
I - момент инерции сечения всего бетона относительно центра тяжести сечения элемента;
Ired - момент инерции приведенного сечения элемента относительно его центра тяжести;
W - момент сопротивления сечения элемента для крайнего растянутого волокна;
r - расстояние от центра тяжести приведенного сечения до ядровой точки, наиболее удаленной от растянутой зоны, трещинообразование которой проверяется.
Характеристики предварительно напряженного элемента
P, Np - усилие предварительного обжатия с учетом потерь предварительного напряжения в арматуре, соответствующих рассматриваемой стадии работы элемента;
Ncrc - усилие, воспринимаемое сечением, нормальным к продольной оси элемента, при образовании трещин;
σs, σ's - напряжения в арматуре соответственно S и S', вызванные усадкой и ползучестью бетона;
σsp - предварительное напряжение в напрягаемой арматуре с учетом потерь предварительного напряжения в арматуре, соответствующих рассматриваемой стадии работы элемента;
Δσsp - потери предварительного напряжения в арматуре;
σbp - сжимающие напряжения в бетоне в стадии предварительного обжатия с учетом потерь предварительного напряжения в арматуре;
φl - коэффициент, учитывающий влияние длительного действия нагрузки на прогиб элемента в предельном состоянии.
Приложение Б
Коэффициенты условий работы бетона
Таблица Б.1
|
Факторы, обуславливающие введение коэффициента условий работы бетона |
Коэффициент условий работы бетона | |
|
условное обозначение |
числовое значение | |
|
1 Длительное действие нагрузки: | ||
|
а) при учете постоянных, длительных и кратковременных нагрузок, кроме нагрузок непродолжительного действия, суммарная длительность действия которых за период эксплуатации мала (например, крановые нагрузки; нагрузки от транспортных средств; ветровые нагрузки; нагрузки, возникающие при изготовлении, транспортировании и возведении и т.п.), а также при учете особых нагрузок, вызванных деформациями просадочных, набухающих, вечномерзлых и подобных грунтов для бетона естественного твердения и подвергнутых тепловой обработке: |
γb1 |
1,00 |
|
- в условиях эксплуатации конструкций, благоприятных для нарастания прочности бетона (например, под водой, во влажном грунте или при влажности воздуха окружающей среды свыше 75%) |
0,90 | |
|
- в остальных случаях - для бетона поризованной структуры независимо от условий эксплуатации; |
0,85 | |
|
б) при учете в рассматриваемом сочетании кратковременных нагрузок (непродолжительного действия) или особых нагрузок, не указанных в перечислении а), для бетона всех видов |
1,10 | |
|
2 Бетонирование в вертикальном положении (высота слоя бетонирования свыше 1,5 м) для бетона: |
γb2 | |
|
- плотной структуры |
0,85 | |
|
- поризованной структуры |
0,80 | |
|
3 Бетонирование монолитных бетонных столбов и железобетонных колонн с наибольшим размером сечения менее 30 см |
γb3 |
0,85 |
|
4 Эксплуатация не защищенных от солнечной радиации конструкций согласно СП 131.13330 |
γb4 |
0,85 |
|
5 Стадия предварительного обжатия конструкций: |
γb5 | |
|
а) с проволочной арматурой |
1,25 | |
|
б) со стержневой арматурой |
1,35 | |
|
6 Бетонные конструкции |
γb6 |
0,90 |
|
7 Бетон для замоноличивания стыков сборных элементов при толщине шва менее 1/5 наименьшего размера сечения элемента и менее 10 см |
γb7 |
1,15 |
|
Примечания 1 Коэффициенты условий работы бетона по пунктам 1, 4 и 6 должны учитываться при определении расчетных значений сопротивлений Rb и Rbt, по пункту 4 - при определении Rbt,ser, а по остальным позициям - только при определении Rb. 2 При расчете конструкций в стадии предварительного обжатия коэффициент γb1 не учитывается. 3 Коэффициенты условий работы бетона вводятся независимо друг от друга, но при этом их произведение должно быть не менее 0,45. | ||
Приложение В
Расчет по образованию трещин изгибаемых трехслойных элементов со средним слоем из пенополистиролбетона
Расчет по образованию трещин изгибаемых трехслойных элементов со средним слоем из пенополистиролбетона выполняют на основании следующих предпосылок:
- наибольшее относительное удлинение крайнего растянутого волокна конструкционного бетона наружного несущего слоя принимают равным 2Rbt,ser/Eb;
- распределение деформаций по высоте поперечного сечения принимают линейным - согласно гипотезе плоских сечений; напряжения в крайнем растянутом волокне бетона среднего теплоизоляционного слоя соответствуют деформации, определенной по данной гипотезе.
Напряжение сжатия по верхней грани элемента определяют по формуле
, (В.1)
где x - высота сжатой зоны бетона, определенная из условия равновесия внутренних сил в поперечном сечении элемента.
Напряжение сжатия по нижней грани верхнего несущего слоя из конструкционного бетона определяют по формуле
. (В.2)
Напряжение сжатия по верхней грани среднего теплоизоляционного слоя из пенополистиролбетона определяют по формуле
, (В.3)
где E'b - модуль упругости теплоизоляционного среднего слоя из пенополистиролбетона.
Растягивающее напряжение по нижней грани среднего теплоизоляционного слоя из пенополистиролбетона определяют по формуле
. (В.4)
Напряжение в растянутой рабочей арматуре определяют по формуле
, (В.5)
где a - расстояние от нижней грани элемента до центра тяжести арматуры.
Растягивающие напряжения по верхней и нижней грани нижнего несущего слоя из конструкционного бетона определяют по формуле
σкб3,4-3,4 = Rbt,ser. (В.6)
Таким образом, сжимающее усилие в верхнем слое из конструкционного бетона будет определяться по формуле
. (В.7)
Сжимающее усилие в среднем теплоизоляционном слое из пенополистиролбетона в пределах участка сжатой зоны высотой, равной x - h'f, определяют по формуле
. (В.8)
Растягивающее усилие в среднем теплоизоляционном слое из пенополистиролбетона в пределах высоты, равной h - x - hf, определяют по формуле
. (В.9)
Растягивающее усилие в нижнем несущем слое из конструкционного бетона определяют по формуле
. (В.10)
Растягивающее усилие в рабочей арматуре определяют по формуле
, (В.11)
где α = Es/Eb.
Значение высоты сжатой зоны x определяют из уравнения равновесия внутренних усилий в поперечном сечении элемента, которое имеет следующий вид:
(В.12)
Координаты равнодействующих усилий в сжатой зоне определяют по формуле
. (В.13)
Координаты равнодействующих усилий в растянутой зоне определяют по формуле
. (В.14)
Изгибающий момент Mpl образования нормальных трещин в элементе определяют по формуле
. (В.15)
Усилия в арматуре Nусs, обусловленные усадкой бетона εyc, определяют по формуле
Nycs= εycAs. (В.16)
Значение усадки εyc допускается определять по величине потерь предварительного напряжения в соответствии с 9.1.5 и пунктом 8 таблицы 9.1.
Изгибающий момент Mps от усилия в растянутой арматуре Nусs, вызванного усадкой бетона, определяют по формуле
Mps = -Nусs(h - yс - a). (В.17)
Приложение Г
Расчет по образованию трещин элементов прямоугольного сечения с распределенным по контуру армированием при косом изгибе
Г.1 Расчет по образованию трещин при косом изгибе (при различных углах наклона силовой плоскости к вертикали от 0° до 90°) элементов прямоугольного сечения с произвольным расположением по сечению арматурных стержней выполняют с учетом следующих основных предпосылок:
- эпюру напряжений в растянутой зоне бетона принимают прямоугольной;
- эпюру напряжений в сжатой зоне бетона принимают треугольной;
- распределение напряжений (усилий) в распределенных по контуру сечения арматурных стержнях принимают линейным - согласно гипотезе плоских сечений;
- угол наклона нейтральной линии γ соответствует условию, при котором плоскости действия моментов внешних и внутренних сил параллельны друг другу.
Расчетные формулы получены для трех случаев положения нейтральной линии с учетом нормальных (продольных) растягивающих усилий, вызываемых усадкой легкого бетона.
В общем случае зависимости для определения моментов внутренних сил относительно точки приложения равнодействующих усилий в сжатой зоне бетона, воспринимаемых нормальным к продольной оси элемента сечением при образовании трещин в направлении осей X и Y, имеют следующий вид:
, (Г.1)
, (Г.2)
где Xb и Yb - координаты точки приложения равнодействующих усилий в сжатой зоне бетона относительно координатных осей Y и X;
Xbt и Ybt - координаты точки приложения равнодействующих растягивающих усилий в бетоне относительно координатных осей Y и X;
XP и YP - координаты точки приложения усилия от усадки бетона относительно координатных осей Y и X;
Xsi и Ysi - координаты i-го арматурного стержня;
Asi - площадь i-го арматурного стержня.
При нормальном продольном усилии N, соответствующем равнодействующей от растягивающего усилия P, действующего на косоизгибаемый элемент от усадки бетона, зависимости для определения моментов внутренних сил будут иметь вид:
, (Г.3)
, (Г.4)
где P - равнодействующая усилий в арматурных стержнях от усадки легкого бетона, равная
.
Координаты XP и YP равны:
,
,
где εyc - усадочные деформации легкого бетона, определяемые по величине потерь предварительного напряжения в соответствии с 9.1.5 и пунктом 8 таблицы 9.1;
Asi - площадь i-го арматурного стержня.
Напряжения σsi в крайнем, наиболее растянутом арматурном стержне N 1 площадью поперечного сечения As1 (рисунок Г.1, а), расположенном с координатами Xs1 и Ys1, с учетом совместности деформаций с окружающим бетоном равны σs1 = 2αRbt,ser, где α - коэффициент приведения, равный отношению модулей упругости арматуры и бетона
.


а - номера арматурных стержней N 1, N 2, N 3, N 4, указанные в тексте, соответствуют площадям поперечного сечения As1, As2, As3, As4; б - стержни не показаны
Рисунок Г.1 - Напряженно-деформированное состояние в поперечном сечении косоизгибаемого элемента с треугольной формой сжатой зоны (случай А)
Напряжения σsi в остальных арматурных стержнях, распределенных по контуру поперечного сечения, определяют по линейному закону. В частности, для арматурного стержня N 2 площадью поперечного сечения As2, расположенного в одной плоскости с арматурным стержнем N 1 с координатами Xs1 и Ys2, напряжения σs2 для треугольной формы сжатой зоны (рисунок Г.1, а) определяют по следующим зависимостям:
.
В арматурном стержне N 3 площадью поперечного сечения As3, расположенном в одной плоскости с арматурным стержнем N 1 (рисунок Г.1, а) с координатами Xs3 и Ys1, напряжения σs3 определяют по следующим зависимостям:
.
Г.2 Для частного случая А (с треугольной формой сжатой зоны) (рисунок Г.1, б) усилия в сжатой Nb и растянутой Nbt зонах бетона будут определяться по формулам
, (Г.5)
. (Г.6)
Высоту сжатой зоны бетона x определяют из уравнения равновесия всех сил на продольную ось элемента, которое после преобразований имеет следующий вид:
(Г.7)
Координаты точек приложения равнодействующих усилий в сжатой и растянутой зонах бетона определяют по формулам:
;
,
,
.
Г.3 Для частного случая Б (сжатой зоны в форме "короткой" трапеции *) (рисунок Г.2) усилия в сжатой Nb и растянутой Nbt зонах бетона определяют по формулам:
, (Г.8)
. (Г.9)
--------------------------------
* "Короткая" трапеция - трапеция, высота которой соответствует ширине поперечного прямоугольного сечения элемента (см. рисунок Г.2).

Рисунок Г.2 - Напряженно-деформированное состояние в поперечном сечении элемента со сжатой зоной в форме "короткой" трапеции (случай Б)
Координаты точек приложения равнодействующих усилий в сжатой и растянутой зонах бетона определяют по следующим зависимостям:
,
,
,
.
Г.4 Для частного случая В (сжатой зоны в форме "удлиненной" трапеции *) (рисунок Г.3) усилия в сжатой Nb и растянутой Nbt зонах бетона определяют по формулам
, (Г.10)
. (Г.11)
--------------------------------
* "Удлиненная" трапеция - трапеция, высота которой расположена вдоль боковой грани поперечного сечения элемента (см. рисунок Г.3).

Рисунок Г.3 - Напряженно-деформированное состояние в поперечном сечении элемента со сжатой зоной в форме "удлиненной" трапеции (случай В)
Координаты точек приложения равнодействующих усилий в сжатой и растянутой зонах бетона определяют по следующим зависимостям:
,
,
,
.
Высоту сжатой зоны бетона x для случая Б определяют по формуле
(Г.12)
Высоту сжатой зоны бетона x для случая В определяют по формуле
(Г.13)
Приложение Д
Расчет по жесткости (деформациям) при косом изгибе элементов прямоугольного сечения с распределенным по контуру армированием в стадии работы их с трещинами
Д.1 Расчет по жесткости (деформациям) при косом изгибе элементов прямоугольного сечения с распределенным по контуру армированием в стадии работы их с трещинами выполняют с учетом следующих основных предпосылок:
- форму эпюры напряжений в бетоне сжатой зоны принимают прямоугольной;
- фактическую (треугольную или трапециевидную) сжатую зону заменяют эквивалентной, прямоугольной той же высоты из условия равенства упругопластических моментов сопротивления по сжатой зоне (рисунок Д.1);
- коэффициент ν, учитывающий принятую в расчете прямоугольную форму эпюры напряжений в сжатой зоне и упругопластические деформации сжатого бетона, определяют в зависимости от коэффициента ω * при фактической форме сжатой зоны (треугольной или трапециевидной);
- коэффициент ψs, учитывающий работу растянутого бетона между трещинами и неравномерное распределение деформаций растянутой арматуры в сечении с трещиной и между трещинами, определяют по формулам для плоского изгиба с учетом моментов при образовании трещин, определенных из расчета на косой изгиб согласно приложению Г;
- коэффициент ψb, учитывающий неравномерное распределение деформаций крайнего сжатого волокна бетона по длине участка трещинами, принимают таким же, как и при плоском изгибе;
- угол наклона нейтральной оси γ определяют из расчета по образованию трещин согласно приложению Г и принимают постоянным для всех уровней загружения в стадии работы с трещинами.
--------------------------------
* Коэффициент ω (или коэффициент полноты эпюры напряжений) определяется отношением фактической площади эпюры напряжений к площади эпюры, принятой в расчете (в данном случае - прямоугольной).

Рисунок Д.1 - Напряженно-деформированное состояние элементов при косом и плоском изгибе
Д.2 Кривизну в направлении, перпендикулярном нейтральной линии, определяют по формуле
, (Д.1)
где Mγ - проекция внешнего изгибающего момента на ось, перпендикулярную нейтральной линии;
h0 - рабочая высота сечения (проекция расстояния от наиболее сжатого ребра бетона до точки приложения равнодействующих усилий в растянутой арматуре на ось, перпендикулярную нейтральной линии);
Z1 - плечо внутренней пары сил, проекция расстояния от точки приложения равнодействующих усилий в растянутой арматуре до точки приложения равнодействующих усилий в сжатой зоне бетона;
ψs, ψb - коэффициенты, учитывающие соответственно работу растянутого бетона и неравномерность распределения деформаций крайнего сжатого волокна бетона по длине участка трещинами;
ν - коэффициент, характеризующий упругопластическое состояние бетона сжатой зоны и принятую форму эпюры сжимающих напряжений;
Ab - площадь сжатой зоны высотой x;
As - площадь всей дискретно расположенной растянутой арматуры;
Eb - модуль упругости легкого бетона;
Es - модуль упругости арматуры.
Коэффициент ψs в формуле (Д.1) для элементов из легкого бетона определяют по формуле
, (Д.2)
где Mcrc - момент при образовании трещин, определяемый по формуле
Mcrc = Mcrc,x + Mcrc,y,
в которой моменты Mcrc,x и Mcrc,y определяют по формулам (Г.3) и (Г.4) приложения Г.
Коэффициент ψs, определяемый по формуле (Д.2), следует увеличивать для изгибаемых элементов из легкого бетона на литоидной пемзе со стеклопластиковой арматурой на 10%.
Относительную высоту сжатой зоны определяют по формуле
. (Д.3)
Здесь δ - коэффициент, определяемый по формуле
,
где b' = b3 - приведенная ширина заменяющего прямоугольника, определяется из равенства упругопластических моментов сопротивления по сжатой зоне высотой x при фактической и заменяющей ее прямоугольной (шириной b' = b3) форме (рисунок Д.2).

β - угол наклона силовой плоскости; γ - угол наклона нейтральной линии; b3 - ширина заменяющего прямоугольника
Рисунок Д.2 - Различные случаи положения нейтральной оси при косом изгибе
Приведенную ширину сжатой зоны бетона b' = b3 при ее треугольной форме определяют по формуле
, (Д.4)
а при трапециевидной форме
. (Д.5)
Д.3 Относительную высоту сжатой зоны ξ = x/h0 определяют по формулам, соответствующим различным формам сжатой зоны.
При треугольной форме сжатой зоны относительную высоту ξ определяют из решения уравнения
k1ξ3 + k2ξ2 + k3ξ + k4 = 0, (Д.6)
где коэффициенты k1, k2, k3, k4 определяют по следующим зависимостям:
, (Д.7)
, (Д.8)
, (Д.9)
k4 = -10Asαsinγ·cosγ. (Д.10)
При трапециевидной форме сжатой зоны относительную высоту ξ определяют из решения уравнения
k1ξ2 + k2ξ + k3 = 0, (Д.11)
где коэффициенты k1, k2, k3 определяют по следующим зависимостям:
, (Д.12)
, (Д.13)
k3 = b3sin2γ/6h0 – b2sinγ/2 – 10Asαcosγ. (Д.14)
В приведенных зависимостях (Д.7) - (Д.14), определяющих коэффициенты k1, k2, k3, k4, γ - угол наклона нейтральной оси к горизонтали (рисунки Г.1, Г.2, Г.3) или угол между боковой стороной и линией, перпендикулярной нейтральной оси (рисунок Д.2).
Д.4 Значение коэффициента ν зависит от формы сжатой зоны и определяется в зависимости от коэффициента ω * по следующим формулам:
- для прямоугольной формы сжатой зоны
ν = v̅ω = 0,9·0,5 = 0,45;
- для треугольной
ν = v̅ω = 0,9·0,33 = 0,3;
- для трапециевидной:
а) типа "короткой" трапеции (рисунок Г.2)
;
б) типа "удлиненной" трапеции (рисунок Г.3)
.
--------------------------------
* См. сноску в Д.1.
Кривизну железобетонных элементов при косом изгибе с многорядным расположением арматуры по сечению определяют из системы уравнений
, (Д.15)
где
; (Д.16)
; (Д.17)
. (Д.18)
В формулах (Д.16) - (Д.18):
ν̅ = 2ν
i - порядковый номер стержня продольной растянутой арматуры;
j - то же, сжатой арматуры;
ξ1 - относительная высота сжатой зоны сечения, равная
, определяемая без учета сжатой арматуры из уравнений (Д.6) и (Д.11). При этом значение угла наклона нейтральной линии γ определяют из расчета по образованию трещин согласно приложению Г;
zsi, zsj - расстояния от центра тяжести i-й и j-й арматуры до оси Y;
zb - расстояния от центра тяжести сжатой зоны сечения до оси Y.
Принимают, что ось Y располагается в пределах рабочей высоты сечения на расстоянии 1,3x от наиболее сжатой грани бетона. Тогда значения zsi будут с положительным, а zsj и zb - с отрицательным знаком.
При определении ξ1 рабочую высоту сечения h0 принимают равной h01 (рисунок Д.1), а суммарную площадь поперечного сечения продольной растянутой арматуры (для определения коэффициента армирования μ) определяют по формуле
. (Д.19)
При этом коэффициент ψs следует определять по формуле
. (Д.20)
Так как при определении относительной высоты сжатой зоны коэффициент армирования, определяемый в зависимости от высоты сжатой зоны, заранее неизвестен, то значение ξ1 вычисляют итерационным подбором, который можно выполнить с помощью вычислительный программы.

;

,
,
,
,
,
,
при 
при 
,

