ГОСТ Р 71643-2024 РЕЗОНАТОРЫ ПЬЕЗОЭЛЕКТРИЧЕСКИЕ. МЕТОДЫ ИЗМЕРЕНИЯ РАССЕИВАЕМОЙ МОЩНОСТИ
Утв. и введен в действие Приказом Федерального агентства по техническому регулированию и метрологии от 1 октября 2024 г. N 1336-ст
Национальный стандарт РФ ГОСТ Р 71643-2024
"РЕЗОНАТОРЫ ПЬЕЗОЭЛЕКТРИЧЕСКИЕ. МЕТОДЫ ИЗМЕРЕНИЯ РАССЕИВАЕМОЙ МОЩНОСТИ"
Piezoelectric resonators. Methods for measuring power dissipation
ОКС 31.140
Дата введения 1 марта 2025 года
Введен впервые
Предисловие
1 РАЗРАБОТАН Акционерным обществом "Российский научно-исследовательский институт "Электронстандарт" (АО "РНИИ "Электронстандарт")
2 ВНЕСЕН Техническим комитетом по стандартизации ТК 303 "Электронная компонентная база, материалы и оборудование"
3 УТВЕРЖДЕН И ВВЕДЕН В ДЕЙСТВИЕ Приказом Федерального агентства по техническому регулированию и метрологии от 1 октября 2024 г. N 1336-ст
4 ВВЕДЕН ВПЕРВЫЕ
Правила применения настоящего стандарта установлены в статье 26 Федерального закона от 29 июня 2015 г. N 162-ФЗ "О стандартизации в Российской Федерации". Информация об изменениях к настоящему стандарту публикуется в ежегодном (по состоянию на 1 января текущего года) информационном указателе "Национальные стандарты", а официальный текст изменений и поправок - в ежемесячном информационном указателе "Национальные стандарты". В случае пересмотра (замены) или отмены настоящего стандарта соответствующее уведомление будет опубликовано в ближайшем выпуске ежемесячного информационного указателя "Национальные стандарты". Соответствующая информация, уведомление и тексты размещаются также в информационной системе общего пользования - на официальном сайте Федерального агентства по техническому регулированию и метрологии в сети Интернет (www.rst.gov.ru)
1 Область применения
Настоящий стандарт распространяется на двухполюсные пьезоэлектрические резонаторы (далее - резонаторы) в диапазоне частот до 300 МГц и устанавливает методы измерения мощности, рассеиваемой на резонаторе.
Интервал измеряемой мощности рассеивания 100 нВт - 100 мВт.
Стандарт следует применять для выбора параметров при разработке технических заданий (ТЗ) на научно-исследовательские и опытно-конструкторские работы, программ испытаний (ПИ), опытных образцов, стандартов вида "Методы измерений", "Номенклатура показателей" системы показателей качества и технического уровня и составления карт рабочих режимов резонаторов.
Настоящий стандарт предназначен для применения предприятиями, организациями и другими субъектами научной и хозяйственной деятельности независимо от форм собственности и подчинения, а также федеральными органами исполнительной власти, участвующими в разработке, производстве, эксплуатации резонаторов, в соответствии с действующим законодательством.
2 Нормативные ссылки
В настоящем стандарте использована нормативная ссылка на следующий стандарт:
ГОСТ 18669 Резонаторы пьезоэлектрические. Термины и определения
Примечание - При пользовании настоящим стандартом целесообразно проверить действие ссылочных стандартов в информационной системе общего пользования - на официальном сайте Федерального агентства по техническому регулированию и метрологии в сети Интернет или по ежегодному информационному указателю "Национальные стандарты", который опубликован по состоянию на 1 января текущего года, и по выпускам ежемесячного информационного указателя "Национальные стандарты" за текущий год. Если заменен ссылочный стандарт, на который дана недатированная ссылка, то рекомендуется использовать действующую версию этого стандарта с учетом всех внесенных в данную версию изменений. Если заменен ссылочный стандарт, на который дана датированная ссылка, то рекомендуется использовать версию этого стандарта с указанным выше годом утверждения (принятия). Если после утверждения настоящего стандарта в ссылочный стандарт, на который дана датированная ссылка, внесено изменение, затрагивающее положение, на которое дана ссылка, то это положение рекомендуется применять без учета данного изменения. Если ссылочный стандарт отменен без замены, то положение, в котором дана ссылка на него, рекомендуется применять в части, не затрагивающей эту ссылку.
3 Термины и определения
В настоящем стандарте применены термины по ГОСТ 18669, а также следующие термины с соответствующими определениями:
3.1 частотоопределяющий элемент: Элемент, состоящий из резонатора и нагрузки, сумма реактивных сопротивлений которого на рабочей частоте равны нулю.
3.2 нагрузка резонатора: Распределенный элемент, сумма реактивного сопротивления которого и реактивного сопротивления резонатора на рабочей частоте равна нулю.
3.3 импеданс нагрузки резонатора: Эквивалентное полное сопротивление нагрузки.
3.4 импеданс резонатора: Эквивалентное полное сопротивление резонатора.
3.5 модуль импеданса резонатора: Модуль полного сопротивления резонатора.
3.6 резистанс резонатора: Эквивалентное активное сопротивление резонатора.
3.7 реактанс резонатора: Эквивалентное реактивное сопротивление резонатора.
4 Принцип, условия и режим измерения
4.1 Принцип измерения мощности, рассеиваемой на резонаторе, основан на зависимости мощности от напряжения на резонаторе и тока, протекающего через резонатор, определяющихся эквивалентными параметрами резонатора и элементами схемы применения (измерения, контроля) резонатора (далее - схема применения).
4.2 Измерения мощности, рассеиваемой на резонаторе, проводятся косвенными методами; основанными на измерении напряжения на участках схемы применения. В зависимости от возможности измерения напряжения на участках схемы применения методы измерения подразделяют:
- на метод 1, основанный на измерении напряжения на резонаторе. Применяется для резонаторов, работающих вблизи последовательного резонанса;
- метод 2, основанный на измерениях напряжения на частотоопределяющем элементе, если его можно выделить в схеме.
Применяется при больших, чем в методе 1, расстройках от частоты последовательного резонанса;
- метод 3, основанный на измерении напряжения на элементе, включенном последовательно с резонатором.
Применяется для резонаторов, работающих при любой расстройке;
- метод 4, основанный на измерении напряжения и фазы на резонаторе и элементе, включенном последовательно с ним.
Применяется для резонаторов, работающих вблизи последовательного резонанса, в том числе для резонаторов с потерями в параллельной скорости.
4.3 Исходными данными для расчета мощности, рассеиваемой на резонаторе, являются эквивалентные параметры резонатора и импедансы элементов схемы применения, которые должны быть предварительно измерены или указаны в ТУ на резонаторы конкретных типов или в технической документации на схему применения резонатора в соответствии с приложением А.
4.4 Измерение мощности, рассеиваемой на резонаторе, проводят в рабочих условиях и режимах, определяемых по схеме применения.
5 Аппаратура
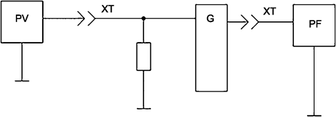
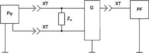
5.1 Измерения следует проводить на установке, структурная схема которой приведена на рисунке 1. Если один из полюсов участка схемы заземлен, то измерение напряжения проводится вольтметром (см. рисунок 1а), если ни один из полюсов не заземлен, то измерение проводится измерителем разности фаз (см. рисунок 1б).

а

б
G - схема применения резонатора; Zc - импеданс измеряемого участка схемы; PV - вольтметр; XT - разъемное соединение; Pφ - измеритель разности фаз; PF - частотомер
Рисунок 1
5.2 Вольтметр должен обеспечивать измерение напряжения в диапазоне частот до 300 МГц с погрешностью в пределах ± 10% во всем интервале измеряемых напряжений, модуль импеданса вольтметра должен быть не менее чем в 10 раз больше модуля импеданса измеряемого участка схемы
, (1)
где |Zc| - модуль измеряемого участка схемы;
Rb - входное сопротивление вольтметра;
Cb - входная емкость вольтметра;
ω - 2πfN.
5.3 Измеритель разности фаз должен обеспечивать измерение фазы в диапазоне частот до 300 МГц с погрешностью в пределах ± 4%. Модуль импеданса каждого канала фазометра должен быть не менее чем в 10 раз больше модуля импеданса схемы между точными подключениями фазометра и землей.
5.4 Частотомер должен обеспечивать измерение частоты в диапазоне до 300 МГц с погрешностью в пределах ± 1·106.
5.5 Схема применения может иметь разъемное соединение для подключения вольтметра или измерителя разности фаз.
5.6 Перечень аппаратуры, применяемой для измерения мощности, рассеиваемой на резонаторе, приведен в приложении Б.
6 Подготовка и проведение измерений
6.1 Подготавливают аппаратуру к работе, руководствуясь эксплуатационной документацией на нее.
6.2 Выбор участка схемы, на котором измеряется напряжение, может проводиться экспериментально. Для расчетного определения участка схемы выполняют следующие действия.
Проводят измерение рабочей частоты fW.
Рассчитывают модуль импеданса |Zc| вольтметра или измерителя разности фаз по формуле
. (2)
Рассчитывают обобщенную расстройку x по формуле
, (3)
где Q - добротность резонатора;
fS - частота последовательного резонатора.
Примечания
1 x = 0 соответствует последовательному резонатору.
2 x = M соответствует параллельному резонатору.
Рассчитывают по коэффициенту качества резонатора M по формуле
, (4)
где C0 - параллельная емкость;
R1 - динамическое сопротивление;
- емкостной коэффициент;
C1 - динамическая емкость.
Рассчитывают модуль импеданса резонатора по формуле
(5)
или резонатора с скомпенсированной параллельной емкостью
. (6)
При выполнении неравенства |ZL| ≥ 10|Zτ| проводят измерение напряжения на резонаторе (метод 1). При измерении напряжения на резонаторе необходимо контролировать частоту, допуская изменение рабочей частоты ΔfW при подключении пробника не более 5% от расстройки fW - fS.
Если в схеме есть элемент, включенных последовательно с резонатором, то возможно применение метода 4, не требующего предварительного измерения эквивалентных параметров резонатора, но использующего измеритель разности фаз.
Если напряжение на резонаторе измерять невозможно, но в схеме можно выделить частотоопределяющий момент, рассчитывают эквивалентное активное сопротивление резонатора RSL по формуле
, (7)
где X0 - реактанс параллельной емкости;
XL - реактанс нагрузки,
.
Для резонатора со скомпенсированной параллельной емкостью RSL = R1.
Если неравенство
выполняется, проводят измерение напряжения на частотоопределяющем элементе (метод 2).
При невозможности измерить напряжение на частотоопределяющем элементе или при его отсутствии выбирают реактивный элемент, стоящий последовательно с резонатором и если модуль его импеданса удовлетворяет неравенству |Zв| ≥ 10|Z| проводят измерение напряжения на нем (метод 3).
При невозможности изменить напряжение на реактивном элементе или при его отсутствии, приводят измерение напряжения на резисторе, включенным в схему последовательно с резонатором.
В схемах применения с изменяемой частотой генератора измерение напряжения проводят на частоте, при которой наблюдается максимальное значение измеряемого напряжения.
Измерения проводят, руководствуясь эксплуатационной документацией на аппаратуру.
Примеры на применение методов измерения мощности, рассеиваемой на резонаторах, работающих в различных схемах применения, приведены на рисунках В.1 - В.4
7 Обработка результатов измерений
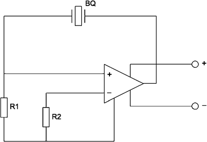
7.1 Метод 1
Расчет рассеиваемой мощности по результатам измерения напряжения Iτ на резонаторе (рисунок 2).

BQ - резонатор; G - схема применения резонатора; Ur - напряжение на резонаторе
Рисунок 2
7.1.1 По результатам измерения напряжения на резонаторе рассеиваемую мощность рассчитывают по формуле
. (8)
7.1.2 При работе резонатора с реактансом нагрузки XL в генераторе последовательного резонанса при
мощность, поддерживаемую на резонаторе, рассчитывают по формуле
. (9)
7.2 Метод 2
По результатам измерения напряжения Uf на частотоопределяющем элементе (рисунок 3) при
мощность, рассеиваемую на резонаторе, рассчитывают по формуле
. (10)

BQ - резонатор; ZL - нагрузка резонатора; G – схема применения резонатора; Uf – напряжение на частотоопределяющем элементе
Рисунок 3
7.3 Метод 3
Расчет рассеиваемой мощности по результатам измерения напряжения на элементе, включаемом последовательно с резонатором (рисунок 4)

BQ - резонатор; Z - элемент, включенный последовательно с резонатором; G - схема применения резонатора; Us - напряжение, измеренное на элементе, включенном последовательно к резонатору
Рисунок 4
7.3.1 По результатам измерения напряжения в элементе схемы применения, включенном последовательно с резонатором, мощность, рассеиваемую на резонаторе, рассчитывают по формуле
, (11)
а мощность, рассеиваемую на резонаторе со скомпенсированной параллельной емкостью по формуле
, (12)
где Z - импеданс элемента схемы, вычисляемый по формуле
Z = R + ix. (13)
7.3.2 При работе резонатора с реактансом нагрузки XL в генераторе последовательного резонанса при
мощность, рассеиваемую на резонаторе, рассчитывают по формуле
. (14)
7.3.3 По результатам измерения напряжения на нагрузке резонатора при
мощность, рассеиваемую на резонаторе, рассчитывают по формуле
, (15)
где ZL - импеданс нагрузки, вычисляемый по формуле
ZL = RL + iXL. (16)
7.4 Метод 4
По результатам измерения напряжении и фазы на резонаторе и элементе, включенном последовательно с ним (рисунок 5) мощность, рассеиваемую на резонаторе, рассчитывают по формуле
, (17)
где |Z|, ψ - модуль и фаза импеданса Z = |Z|ei + r;
φ3 - разность фаз между напряжениями U3 и U2 (из фазы U3 вычитается фаза U2);
φ1 - разность фаз между напряжениями U2 и U1 (из фазы U2 вычитается фаза U1).

BQ - резонатор; Z - элемент, включенный последовательно с резонатором; U1, U2, U3 - напряжения, измеренные в точках схемы; G - схема применения резонатора
Рисунок 5
8 Показатели точности измерений
8.1 Показатели точности измерений рассеиваемой мощности должны соответствовать установленным в стандартах или ТУ на резонаторы конкретных типов.
8.2 Границы интервала, в котором с установленной вероятностью 0,95 находится погрешность измерения рассеиваемой мощности δP, определяемой по формулам (8) - (12), (14), (15), (17), рассчитывают по формулам (18) - (25) соответственно
, (18)
(19)
где δX0 = -δC0;
δXL = -δCL при емкостной нагрузке;
δXL = -δLL при индуктивной нагрузке;
, (20)
(21)
где
;
, (22)
, (23)
, (24)
(25)
где P - мощность, рассчитываемая по формуле (17).
8.3 В формулах (18) - (25) δ - относительная, Δ - абсолютная погрешности, указанные в эксплуатационной документации на средства измерений.
8.4 Примеры обработки результатов измерений и расчета погрешностей приведены в приложении Г.
Приложение А
(справочное)
Исходные данные для расчета рассеивания мощности
Исходные данные для расчета рассеивания мощности:
fW - рабочая частота, измеряется в схеме применения резонатора;
fN - номинальная частота, указывается в ТУ на резонаторы;
R1 - динамическое сопротивление;
C1 - динамическая емкость;
Q - добротность;
fS - частота последовательного резонанса.
Примечание - R1, C1, Q, fS измеряются в технологической аппаратуре;
C0 - параллельная емкость;
Z - импеданс элемента, включенного последовательно с резонатором C0, Z.
Примечание - C0, Z измеряются измерителями параметром цепей или указываются в технической документации на схему применения резонатора.
Исходными данными являются также величины, вычисляемые по формулам:
w = 2πfN;
(обобщенная расстройка);
(коэффициент качества);
(емкостной коэффициент);
(реактанс параллельной емкости);
(реактанс резонатора вблизи последовательного резонанса при известной нагрузке).
Величина XL определяется по измеренным fW и fS, после чего рассчитывается относительная расстройка
. Если положительно, то емкостная нагрузка
, а если
отрицательна, то нагрузка XL = wLL. Реактанс нагрузки
определяется по формуле
. (А.1)
Величина XL должна удовлетворять неравенству
.
Если модуль реактанса нагрузки выходит за указанный предел, то его величина определяется экспериментально из условия совпадения fW с частотой последовательного резонанса резонатора с нагрузкой.
Для резонатора с скомпенсированной параллельной емкостью XL вычисляют по формуле
. (А.2)
Приложение Б
(рекомендуемое)
Перечень аппаратуры, рекомендуемой при измерениях мощности, рассеиваемой на резонаторе
Таблица Б.1
|
Наименование прибора |
Тип прибора |
Основные технические характеристики | ||
|
Диапазон частот |
Диапазон параметров |
Погрешность | ||
|
Вольтметр |
В3-36 |
10 кГц - 1 ГГц |
3 мВ - 300 В |
4% - 25% |
|
В3-38А |
20 Гц - 6 МГц |
0,1 мГ - 300 В |
2,5% - 6% | |
|
В3-48А |
10 Гц - 50 МГц |
0,3 мВ - 300 В |
2,5% - 10% | |
|
В3-55 |
20 Гц - 1 МГц |
0,1 мВ - 300 В |
2,5% - 4% | |
|
В3-56 |
10 Гц - 15 МГц |
0,1 мВ - 30 В |
2,5% - 15% | |
|
В3-57 |
5 Гц - 5 МГц |
10 кВ - 300 В |
1% - 4% | |
|
В6-8 |
20 Гц - 200 кГц |
1 мкВ - 10 В |
6% - 15% | |
|
В6-10 |
100 кГц - 30 МГц |
1 мкВ - 1 В |
10% - 15% | |
|
В7-26 |
20 Гц - 1 ГГц |
200 мВ - 1 кВ |
4% - 25% | |
|
В7-27 |
20 Гц - 6 МГц |
300 мкВ - 500 В |
1% - 5% | |
|
В7-36 |
20 Гц - 1 ГГц |
30 мВ - 1 кВ |
2,5% - 6% | |
|
В7-38 |
40 Гц - 100 кГц |
10 мкВ - 1 кВ |
1% | |
|
Измеритель разности фаз |
ФК2-12 |
1 МГц - 1 ГГц |
0° ± 180° |
± 2,5° |
|
Ф2-16 |
20 Гц - 2 МГц |
0° ± 360° |
± 0,2° | |
|
ФК2-29 |
100 МГц - 1 ГГц |
0° ± 180° |
± 0,5° | |
|
Ф2-34 |
1 Гц - 5 МГц |
0° ± 180° |
± 0,6° | |
|
Измеритель параметров резонаторов |
ИПРД-1 |
1 кГц - 10 кГц |
Указан в технической документации |
± (3 - 5)% |
|
ИПРД-2 |
10 кГц - 1 МГц |
± (3 - 5)% | ||
|
ИПРД-3 |
1 МГц - 10 МГц |
± 5% | ||
|
ИПР-45 |
10 МГц - 150 МГц |
± (5 - 10)% | ||
|
ИПР-55 |
150 МГц - 300 МГц |
± 0% | ||
|
Частотомер |
Ч3-54 |
0 - 300 МГц |
Указан в технической документации |
± 1,5·10-7 |
|
Измеритель параметров добротности |
Е4-10 |
1 МГц - 100 МГц |
Указан в технической документации |
± 6% |
|
Е4-7 |
50 кГц - 36 МГц |
± 6% | ||
|
Е4-11 |
30 МГц - 300 МГц |
± 6% | ||
|
Е7-6 |
1 кГц |
± 0,1% | ||
|
Технологические генераторы |
ТГК-1 |
5 кГц - 50 кГц |
Указан в технической документации |
± 1·10-6 |
|
ТГК-2 |
50 кГц - 1000 кГц |
± 2·10-6 | ||
|
ТГК-3 |
1 МГц - 30 МГц |
± 2·10-6 | ||
|
ТГК-4 |
30 МГц - 100 МГц |
± 2·10-6 | ||
|
ТК-300 |
100 МГц - 300 МГц |
± 5·10-6 | ||
Приложение В
(рекомендуемое)
Основные схемы применения резонаторов в пьезоэлектрических генераторах и рекомендации по измерению мощности, рассеиваемой на резонаторах

Рисунок В.1 - Генератор по схеме Бетлера до 100 МГц (резонатор в пассивном четырехполюснике)
Для измерения рассеиваемой мощности рекомендуемый метод 2, основанный на измерении напряжения на резонаторе и перестраиваемой емкости. При работе вблизи последовательного резонанса может быть использован метод 1.

Рисунок В.2 - Низкочастотный генератор до 1 МГц
При работе резонатора вблизи последовательного резонатора следует применять методы 1 и 4. При невозможности измерения напряжения на резонаторе следует применять метод 3, основанный на измерении напряжения на резисторе R1.

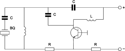
Рисунок В.3 - Генератор по схеме Пирса до 150 КГц (емкостная трехточка)
Емкостную нагрузку резонатора образуют емкость, затвор и сток полевого транзистора, и параллельный контур C2L2, применяемый при работе резонатора на гармониках. Если R3 не менее чем в 10 раз меньше модуля импеданса вольтметра, то можно использовать метод 1. Если емкость затвор - сток или эквивалентная емкость параллельного контура не менее чем в 10 раз больше входной емкости вольтметра, то можно использовать метод 3. При невыполнении указанных условий метод 3 должен быть применен с измерением напряжения на резисторе R2.

Рисунок В.4 - Генератор по схеме Колпитца до 300 МГц (резонатор в цепи обратной связи)
Индуктивность L применяется для интеграции параллельной емкости на высших частотах. При возможности измерять напряжение на резонаторе применяется метод 1. Измерительный резонатор включен в схему для применения метода 3.
Приложение Г
(справочное)
Примеры проведения измерений, обработки результатов измерений и расчета погрешности
Пример 1
Кварцевый резонатор работает в схеме эквивалента генератора заказчика на рабочей частоте fW = 8 901 536 Гц.
Параметры резонатора:
fW = 8 901 536 Гц - измерена в ТГК-3 с погрешностью ± 2·10-6.
|
Q = 0,75·105 R1 = 7,5 Ом |
|
- измерены прибором ИПРД-3 с погрешностью ± 5%. |
C0 = 5,5 пФ - измерена прибором Е7-8.
Измерение мощности проводят по рисунку 1 а, используя аппаратуру:
вольтметр В7-26, Rв = 75 кОм, Cв = 1,5 пФ, погрешность ± 10%,
частотомер Ч3-43, погрешность ± 5·10-7.
Проверяют правильность выбора вольтметра по 5.2, для чего рассчитывают модуль импеданса резонатора по формуле (5)
,
,
,
Ом.
Рассчитывают модуль импеданса вольтметра
кОм.
Вольтметр выбран правильно, так как
.
Применяя метод 1, измеряют напряжение Uτ = 5,6 В, при этом рабочая частота изменилась на 5 Гц, что удовлетворяет требованиям 7.2 ΔfW ≤ 0,05 (fW – fS). Мощность, рассеиваемую на резонаторе, рассчитывают по формуле (8)
мкВт.
Погрешность измерения мощности рассчитывают по формуле (18)
.
Из трех слагаемых в квадратных скобках первого значительно превосходят второе и третье слагаемые
xδQ = 94,4·5·10-2 = 4,7,
2QδfW = 2·0,75·105·5·10-7 = 7,5·10-2,
2QδfS = 2·0,75·105·2·10-6 = 0,3.
Формула (18) приобретает вид

Пример 2
Кварцевый резонатор работает в схеме технологического генератора ТГК-3 на частоте, близкой к частоте последовательного резонанса.
Параметры резонатора:
|
fS = 27 437 652 Гц R1 = 29 Ом |
|
- измерены в ТГК-3 с погрешностью ± 2·10-6 по частоте и ± 20% по сопротивлению. |
Измерение мощности проводят по схеме, представленной на рисунке 1 б, используя аппаратуру:
вольтметр В3-43, Rв = 80 кОм, Cв = 1,5 пФ, погрешность ± 10%,
частотомер Ч3-43, погрешность ± 5·10-7.
Проверяют правильность выбора вольтметра по 5.2, для чего рассчитывают модуль его импеданса
кОм.
Резонатор работает в четырехполюснике. Полюса резонатор соединены с землей через сопротивления Rc1 = 100 Ом, Rc2 = 30 Ом. Вольтметр выбран правильно, так как
;
.
Применяя метод 1, измеряют напряжения на полюсах резонатора U1 = 150 мВ, U2 = 100 мВ, при этом рабочая частота не изменилась.
Рассчитывают напряжение на резонаторе Uτ = 80 мВ и мощность, рассеиваемую на резонаторе по формуле (8), т.е. принимая x = 0.
мкВт.
Погрешность измерения рассчитывают по формуле (18)
.


