ГОСТ 21534-2021 НЕФТЬ. МЕТОДЫ ОПРЕДЕЛЕНИЯ СОДЕРЖАНИЯ ХЛОРИСТЫХ СОЛЕЙ
Введен в действие Приказом Федерального агентства по техническому регулированию и метрологии от 30 ноября 2021 г. N 1663-ст
Petroleum. The determination of chloride salts content
МКС 75.040
Дата введения - 1 января 2023 года
Взамен ГОСТ 21534-76
Предисловие
Цели, основные принципы и общие правила проведения работ по межгосударственной стандартизации установлены ГОСТ 1.0 "Межгосударственная система стандартизации. Основные положения" и ГОСТ 1.2 "Межгосударственная система стандартизации. Стандарты межгосударственные, правила и рекомендации по межгосударственной стандартизации. Правила разработки, принятия, обновления и отмены"
Сведения о стандарте
1 РАЗРАБОТАН Акционерным обществом "Всероссийский научно-исследовательский институт по переработке нефти" (АО "ВНИИ НП")
2 ВНЕСЕН Федеральным агентством по техническому регулированию и метрологии
3 ПРИНЯТ Межгосударственным советом по стандартизации, метрологии и сертификации (протокол от 10 ноября 2021 г. N 145-П)
За принятие проголосовали:
|
Краткое наименование страны по МК (ИСО 3166) 004-97 |
Код страны по МК (ИСО 3166) 004-97 |
Сокращенное наименование национального органа по стандартизации |
|
Армения |
AM |
ЗАО "Национальный орган по стандартизации и метрологии" Республики Армения |
|
Беларусь |
BY |
Госстандарт Республики Беларусь |
|
Казахстан |
KZ |
Госстандарт Республики Казахстан |
|
Киргизия |
KG |
Кыргызстандарт |
|
Россия |
RU |
Росстандарт |
|
Таджикистан |
TJ |
Таджикстандарт |
|
Узбекистан |
UZ |
Узстандарт |
4 Приказом Федерального агентства по техническому регулированию и метрологии от 30 ноября 2021 г. N 1663-ст межгосударственный стандарт ГОСТ 21534-2021 введен в действие в качестве национального стандарта Российской Федерации с 1 января 2023 г.
5 В настоящем стандарте учтены основные нормативные положения стандарта ASTM D6470-99 (2015) "Метод определения содержания солей в нефти (потенциометрический метод)" ["Standard test method for salt in crude oils (potentiometric method)", NEQ]
6 ВЗАМЕН ГОСТ 21534-76
Информация о введении в действие (прекращении действия) настоящего стандарта и изменений к нему на территории указанных выше государств публикуется в указателях национальных стандартов, издаваемых в этих государствах, а также в сети Интернет на сайтах соответствующих национальных органов по стандартизации.
В случае пересмотра, изменения или отмены настоящего стандарта соответствующая информация будет опубликована на официальном интернет-сайте Межгосударственного совета по стандартизации, метрологии и сертификации в каталоге "Межгосударственные стандарты"
1.1 Настоящий стандарт устанавливает два метода определения содержания хлористых солей в нефти:
метод А - титрованием водного экстракта (при массовой концентрации хлористых солей свыше 1,0 мг/дм3);
метод Б - неводным потенциометрическим титрованием (при массовой концентрации хлористых солей свыше 5,0 мг/дм3).
1.2 Методы А и Б допускается применять для определения содержания хлористых солей в газовом стабильном и нестабильном конденсате, а также в нефтепродуктах с массовой концентрацией хлористых солей свыше 1,0 мг/дм3.
1.3 В приложении А приведен альтернативный метод определения содержания хлористых солей в нефти потенциометрическим титрованием водного экстракта.
1.4 При разногласиях в оценке качества нефти содержание хлористых солей определяют по методу А.
В настоящем стандарте использованы нормативные ссылки на следующие межгосударственные стандарты:
ГОСТ 177 Водорода перекись. Технические условия
ГОСТ 400 Термометры стеклянные для испытаний нефтепродуктов. Технические условия
ГОСТ 1027 Реактивы. Свинец (II) уксуснокислый 3-водный. Технические условия
ГОСТ 1277 Реактивы. Серебро азотнокислое. Технические условия
ГОСТ 1770 (ИСО 1042-83, ИСО 4788-80) Посуда мерная лабораторная стеклянная. Цилиндры, мензурки, колбы, пробирки. Общие технические условия
ГОСТ 2517 Нефть и нефтепродукты. Методы отбора проб
ГОСТ 2603 Реактивы. Ацетон. Технические условия
ГОСТ 3118 Реактивы. Кислота соляная. Технические условия
ГОСТ 3647 Материалы шлифовальные. Классификация. Зернистость и зерновой состав. Методы контроля
ГОСТ 3777 Реактивы. Барий азотнокислый. Технические условия
ГОСТ 3900 Нефть и нефтепродукты. Методы определения плотности
ГОСТ 4204 Реактивы. Кислота серная. Технические условия
ГОСТ 4217 Реактивы. Калий азотнокислый. Технические условия
ГОСТ 4233 Реактивы. Натрий хлористый. Технические условия
ГОСТ 4328 Реактивы. Натрия гидроокись. Технические условия
ГОСТ 4461 Реактивы. Кислота азотная. Технические условия
ГОСТ 4517 Реактивы. Методы приготовления вспомогательных реактивов и растворов, применяемых при анализе
ГОСТ 4520 Реактивы. Ртуть (II) азотнокислая 1-водная. Технические условия
ГОСТ 5789 Реактивы. Толуол. Технические условия
ГОСТ 5962 Спирт этиловый ректификованный из пищевого сырья. Технические условия
ГОСТ 6016 Реактивы. Спирт изобутиловый. Технические условия
ГОСТ 6563 Изделия технические из благородных металлов и сплавов. Технические условия
ГОСТ 6709 <1> Вода дистиллированная. Технические условия
--------------------------------
<1> В Российской Федерации действует ГОСТ Р 58144-2018.
ГОСТ 8505 Нефрас-С 50/170. Технические условия
ГОСТ 9147 Посуда и оборудование лабораторные фарфоровые. Технические условия
ГОСТ 9410 Ксилол нефтяной. Технические условия
ГОСТ 9805 Спирт изопропиловый. Технические условия
ГОСТ 10929 Реактивы. Водорода пероксид. Технические условия
ГОСТ 12026 Бумага фильтровальная лабораторная. Технические условия
ГОСТ 12524 Бумага. Метод определения содержания свободного хлора
ГОСТ 14261 Кислота соляная особой чистоты. Технические условия
ГОСТ 14710 Толуол нефтяной. Технические условия
ГОСТ 16280 Агар пищевой. Технические условия
ГОСТ 18300 Спирт этиловый ректификованный технический. Технические условия <2>
--------------------------------
<2> В Российской Федерации действует ГОСТ Р 55878-2013 "Спирт этиловый технический гидролизный ректификованный. Технические условия".
ГОСТ 24104 Весы лабораторные. Общие технические требования <3>
--------------------------------
<3> В Российской Федерации действует ГОСТ Р 53228-2008 "Весы неавтоматического действия. Часть 1. Метрологические и технические требования. Испытания".
ГОСТ 25336 Посуда и оборудование лабораторные стеклянные. Типы, основные параметры и размеры
ГОСТ 25794.3 Реактивы. Методы приготовления титрованных растворов для титрования осаждением, неводного титрования и других методов
ГОСТ 27025 Реактивы. Общие указания по проведению испытаний
ГОСТ 29169 (ИСО 648-77) Посуда лабораторная стеклянная. Пипетки с одной отметкой
ГОСТ 29227 (ИСО 835-1-81) Посуда лабораторная стеклянная. Пипетки градуированные. Часть 1. Общие требования
ГОСТ 29251 (ИСО 385-1-84) Посуда лабораторная стеклянная. Бюретки. Часть 1. Общие требования
ГОСТ 31873 Нефть и нефтепродукты. Методы ручного отбора проб
ГОСТ OIML R 76-1 Государственная система обеспечения единства измерений. Весы неавтоматического действия. Часть 1. Метрологические и технические требования. Испытания
Примечание - При пользовании настоящим стандартом целесообразно проверить действие ссылочных стандартов и классификаторов на официальном интернет-сайте Межгосударственного совета по стандартизации, метрологии и сертификации (www.easc.by) или по указателям национальных стандартов, издаваемых в государствах, указанных в предисловии, или на официальных сайтах соответствующих национальных органов по стандартизации. Если на документ дана недатированная ссылка, то следует использовать документ, действующий на текущий момент, с учетом всех внесенных в него изменений. Если заменен ссылочный документ, на который дана датированная ссылка, то следует использовать указанную версию этого документа. Если после принятия настоящего стандарта в ссылочный документ, на который дана датированная ссылка, внесено изменение, затрагивающее положение, на которое дана ссылка, то это положение применяется без учета данного изменения. Если ссылочный документ отменен без замены, то положение, в котором дана ссылка на него, применяется в части, не затрагивающей эту ссылку.
3.1 Сущность метода
Сущность метода заключается в извлечении хлористых солей из нефти водой и в их индикаторном или потенциометрическом титровании в водной вытяжке.
3.2 Аппаратура
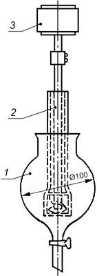
3.2.1 Воронка делительная круглая, стеклянная, вместимостью 500 см3 с винтовой или лопастной металлической мешалкой (рисунки 1 - 3) или экстрактор для извлечения хлористых солей из нефти водой в сборе с электродвигателем, круглой делительной воронкой и с винтовой или лопастной мешалкой.

1 - круглая делительная воронка; 2 - мешалка; 3 - электродвигатель
Рисунок 1 - Круглая делительная воронка с мешалкой и электродвигателем в сборе

Рисунок 2 - Винтовая мешалка

Рисунок 3 - Лопастная мешалка
3.2.2 Электродвигатель, обеспечивающий частоту вращения мешалки не менее 600 об/мин.
3.2.3 Цилиндры по ГОСТ 1770, исполнения 1 или 3, вместимостью 10; 25; 50; 100 и 250 см3, 1-го или 2-го класса точности.
3.2.4 Колбы по ГОСТ 1770 исполнения 1, 2 или 2а, вместимостью 100; 250; 500 и 1000 см3, 1-го или 2-го класса точности.
3.2.5 Пипетки градуированные любого типа по ГОСТ 29227, 1-го или 2-го класса точности, вместимостью 1; 2; 5; 10 и 25 см3 или пипетки с одной меткой любого исполнения по ГОСТ 29169, 1-го или 2-го класса точности, вместимостью 1; 2; 5; 10; 25; 50 и 100 см3.
3.2.6 Бюретки по ГОСТ 29251 типа I или типа II, исполнений 1; 2; 4 или 5, 1-го или 2-го класса точности, вместимостью 5 см3 с наименьшей ценой деления 0,02 см3 и вместимостью 10 см3 с наименьшей ценой деления 0,02 см3 или 0,05 см3.
3.2.7 Колбы конические по ГОСТ 25336, исполнения 1 или 2, вместимостью 250 и 500 см3.
3.2.8 Воронки лабораторные по ГОСТ 25336 типа В из химически стойкого стекла, диаметром 75 или 100 мм, высотой 110, 140 или 150 мм.
3.2.9 Стаканы по ГОСТ 25336 типа В, исполнения 1, вместимостью 150, 250 см3.
3.2.10 Стаканы для титрования стеклянные, диаметром от 50 до 55 мм и высотой от 60 до 65 мм с крышкой из органического стекла или эбонита, имеющей отверстия для электродов, бюретки и мешалки.
3.2.11 Мешалка стеклянная, приводимая в движение электродвигателем с частотой вращения не менее 600 об/мин, или мешалка электромагнитная.
3.2.12 pH-метр, милливольтметр лабораторный или другой потенциометр с ценой деления шкалы не более 5 мВ или титратор автоматический в комплекте с лопастной мешалкой, или магнитной мешалкой и бюреткой вместимостью 10 см3 или менее, с наименьшим дозируемым объемом титранта, равным 0,005 см3, с комбинированным серебряным электродом для аргентометрического титрования.
3.2.13 Электроды
Электрод индикаторный серебряный с диаметром проволоки от 0,5 до 1,5 мм и электрод сравнительный стеклянный или электрод комбинированный для титрования в водной среде.
3.2.14 Термометры ртутные стеклянные лабораторные типа ТЛ-4 с ценой деления 0,1 °C или термометры стеклянные для испытаний нефтепродуктов по ГОСТ 400 типа ТИН5 с ценой деления 0,1 °C.
Примечание - Допускается наряду с ртутными термометрами использовать электронные термометры, аналогичные по своим метрологическим и техническим характеристикам ртутным термометрам.
3.2.15 Весы аналитические специального класса точности с наибольшим пределом взвешивания 220 г по ГОСТ OIML R 76-1, обеспечивающие получение результатов взвешивания до 0,0001 г, или весы лабораторные по ГОСТ 24104 с аналогичными характеристиками.
3.2.16 Печь муфельная с регулируемой температурой нагревания.
3.2.17 Тигель платиновый N 100-7 по ГОСТ 6563.
3.2.18 Эксикатор по ГОСТ 25336 со стандартным осушителем (безводным хлоридом кальция) или аналогичный.
3.2.19 Ступка фарфоровая 1 и пестик 1 по ГОСТ 9147.
3.2.20 Баня водяная.
3.2.21 Плитка нагревательная лабораторная с закрытой спиралью или платформа нагревательная любого типа.
3.2.22 Секундомер любого типа или часы песочные на 5 мин.
3.2.23 Груша резиновая.
Примечание - Допускается применять аналогичные посуду, аппаратуру, оборудование с характеристиками, не уступающими указанным, и обеспечивающие получение результатов измерений с показателями прецизионности не ниже предусмотренных настоящим стандартом.
3.3 Реактивы и материалы
3.3.1 Ртуть (II) азотнокислая 1-водная по ГОСТ 4520, х.ч. или ч.д.а.
3.3.2 Серебро азотнокислое по ГОСТ 1277, х.ч. или ч.д.а.
3.3.3 1,5-Дифенилкарбазид.
3.3.4 Кислота азотная по ГОСТ 4461, х.ч. или ч.д.а., плотностью при температуре 20 °C не менее 1,39 (или 1,4) г/см3 и растворы c (HNO3) = 5 моль/дм3 и c (HNO3) = 0,2 моль/дм3.
3.3.5 Кислота серная по ГОСТ 4204, х.ч. или ч.д.а., плотностью от 1,83 до 1,84 г/см3 и раствор c (H2SO4) = 6 моль/дм3.
3.3.6 Кислота соляная концентрированная по ГОСТ 14261, ос.ч. или по ГОСТ 3118, х.ч. или ч.д.а., плотностью от 1,15 до 1,19 г/см3.
3.3.7 Натрий хлористый по ГОСТ 4233, х.ч. или ч.д.а.
3.3.8 Натрия гидроокись по ГОСТ 4328, х.ч. или ч.д.а., 5%-ный раствор.
3.3.9 Спирт этиловый ректификованный из пищевого сырья по ГОСТ 5962 или спирт этиловый ректификованный технический по ГОСТ 18300, высший сорт.
3.3.10 Толуол по ГОСТ 5789 или ГОСТ 14710.
3.3.11 Ксилол нефтяной по ГОСТ 9410.
3.3.12 Ацетон по ГОСТ 2603, ч.д.а.
3.3.13 Свинец уксуснокислый по ГОСТ 1027, х.ч. или ч.д.а., 1%-ный раствор.
3.3.14 Водорода пероксид по ГОСТ 10929, х.ч. или ч.д.а. или раствор водный перекиси водорода медицинский или технический марки А по ГОСТ 177, с массовой долей основного вещества от 30% до 40% или перекись водорода марок, соответствующих квалификации ос.ч.
3.3.15 Нефрас-С 50/170 по ГОСТ 8505 или нефрас С2-80/120, С3-80/120 по документам, устанавливающим требования к нефрасу, или бензин прямогонный с температурой начала кипения не ниже 80 °C.
3.3.16 Вода дистиллированная по ГОСТ 6709.
3.3.17 Бумага фильтровальная, пропитанная раствором уксуснокислого свинца, приготовленная по ГОСТ 4517 или такая же товарная фильтровальная бумага.
3.3.18 Бумага фильтровальная по ГОСТ 12026, проверенная на отсутствие ионов хлора по ГОСТ 12524, или фильтры обеззоленные "красная лента".
3.3.19 Бумага лакмусовая или бумага универсальная индикаторная.
3.3.20 Шкурка шлифовальная с зернистостью абразивного порошка 8-Н или мельче по ГОСТ 3647. Основная фракция шлифпорошка М10 - М19, которая проходит через сито с номинальным размером стороны ячейки в свету 80 мкм.
3.3.21 Деэмульгаторы, способные разрушать эмульсию нефти с водой, 2%-ные растворы в воде или в толуоле.
Примечание - Допускается применять материалы и реактивы, в том числе стандарт-титры используемых растворов, с характеристиками, не уступающими указанным, и обеспечивающими получение результатов измерений с показателями прецизионности не ниже предусмотренных настоящим стандартом.
3.4 Часть 1. Определение содержания хлористых солей индикаторным титрованием водного экстракта
3.4.1 Подготовка к анализу
3.4.1.1 Приготовление 0,01 моль/дм3 (0,01 н.) раствора хлористого натрия
Взвешивают от 0,57 до 0,59 г хлористого натрия, предварительно прокаленного в платиновом тигле в муфельной печи при температуре 600 °C в течение 1 ч и охлажденного в эксикаторе. Затем растворяют в дистиллированной воде в мерной колбе вместимостью 1000 см3 и доводят раствор до метки дистиллированной водой.
Допускается готовить 0,01 моль/дм3 раствор хлористого натрия из раствора стандарт-титра концентрации 0,1 моль/дм3, для чего 100 см3 приготовленного 0,1 моль/дм3 раствора хлористого натрия количественно переносят пипеткой в мерную колбу вместимостью 1000 см3 и доводят до метки дистиллированной водой.
3.4.1.2 Приготовление 1%-ного спиртового раствора дифенилкарбазида
Растворяют до полного растворения (1,00 ± 0,01) г дифенилкарбазида в 100 см3 этилового ректификованного спирта при нагревании на водяной бане. Готовят раствор дифенилкарбазида не менее чем за 5 сут до применения и хранят в склянке из темного стекла не более 2 мес.
3.4.1.3 Приготовление 0,005 моль/дм3 (0,01 н.) раствора азотнокислой ртути
Диспергируют (1,67 ± 0,01) г тонко растертой азотнокислой ртути в небольшом количестве дистиллированной воды (примерно 5 см3), добавляют постепенно концентрированную азотную кислоту до тех пор, пока не исчезнет муть, после чего доводят объем раствора в мерной колбе вместимостью 1000 см3 дистиллированной водой до метки. Раствор годен к применению через 2 сут. Хранят приготовленный раствор азотнокислой ртути в склянке из темного стекла.
3.4.1.4 Установка титра 0,005 моль/дм3 (0,01 н.) раствора азотнокислой ртути
Для установки титра определяют объемы раствора азотнокислой ртути, израсходованные на титрование раствора с хлористым натрием и контрольного (холостого) раствора без добавления хлористого натрия. Добавляют в коническую колбу вместимостью 250 см3 пипеткой 10 см3 раствора хлористого натрия, 150 см3 дистиллированной воды, 2 см3 0,2 моль/дм3 раствора азотной кислоты, 10 капель раствора дифенилкарбазида и титруют приготовленным раствором азотнокислой ртути до появления слабого розового окрашивания, не исчезающего в течение 1 мин.
Вычисляют титр раствора азотнокислой ртути T, миллиграмм хлористого натрия на 1 см3 раствора, по формуле
, (1)
где m - масса хлористого натрия в объеме раствора, взятая для титрования, мг;
V - объем 0,005 моль/дм3 раствора азотнокислой ртути, израсходованного при индикаторном титровании, см3;
V1 - объем 0,005 моль/дм3 раствора азотнокислой ртути, израсходованного при индикаторном титровании контрольного опыта, см3.
За титр раствора азотнокислой ртути принимают среднее арифметическое значение трех определений, расхождения между которыми не превышают 0,008 мг/см3. Проверяют титр не реже одного раза в 2 нед.
3.4.1.5 Приготовление 2%-ного раствора деэмульгатора в воде или в толуоле
Растворяют (2,00 ± 0,01) г деэмульгатора в 100 см3 дистиллированной воды (для водорастворимых деэмульгаторов), при необходимости нагревают раствор на водяной бане или растворяют в 100 см3 толуола (для маслорастворимых деэмульгаторов). Готовят раствор деэмульгатора за 1 сут до использования и хранят не более 3 мес.
3.4.2 Проведение анализа
3.4.2.1 Отбирают пробу нефти по ГОСТ 2517 или ГОСТ 31873 или в соответствии с требованиями национальных стандартов и правилами отбора проб испытуемого продукта. Тщательно перемешивают пробу анализируемой нефти в течение 10 мин встряхиванием (механически или вручную) в склянке, заполненной не более чем на 2/3 вместимости. Непосредственно после встряхивания отбирают пробу нефти для анализа, используя цилиндр или пипетку достаточной вместимости, в соответствии с таблицей 1.
|
Массовая концентрация хлористых солей, мг/дм3 |
Объем нефти, см3 |
Масса нефти, г |
|
До 50 включ. |
100 |
100,0 ± 0,1 |
|
Св. 50 до 100 включ. |
50 |
50,00 ± 0,05 |
|
" 100 " 200 " |
25 |
25,00 ± 0,02 |
|
" 200 |
10 |
10,00 ± 0,01 |
При анализе эмульгированной или высокосмолистой вязкой нефти (с содержанием смол более 15% и кинематической вязкостью при температуре 20 °C более 50 мм2/с) отбирают пробу по массе. Для пересчета массы пробы в объем определяют ее плотность по ГОСТ 3900 при температуре проведения испытаний или используют значение плотности, измеренное поточным плотномером, установленным в месте отбора пробы, в пересчете к условиям проведения испытаний.
3.4.2.2 Переносят количественно пробу анализируемой нефти в круглую делительную воронку с предварительно заполненным дистиллированной водой коленом. Смывают остаток нефти с внутренних стенок пипетки или цилиндра растворителем (толуолом, ксилолом или нефрасом) в объеме, указанном в таблице 2. Если после промывки растворителем на пипетке или цилиндре заметны капли эмульсии, кристаллики солей, непрозрачные участки, их дополнительно промывают небольшим количеством горячей дистиллированной воды. При этом должен быть учтен объем воды, взятый на промывку и заполнение колена делительной воронки (суммарный объем дистиллированной воды для приготовления одной водной вытяжки должен составлять 150 см3).
Примечание - В соответствии с ГОСТ 27025 понятие "горячий" применимо к температуре выше 75 °C, поэтому при проведении испытаний по данному методу используют горячую дистиллированную воду с температурой выше 75 °C.
|
Объем нефти, см3 |
Объем растворителя, см3 |
|
От 10 до 25 включ. |
20 |
|
Св. 25 " 50 " |
40 |
|
" 50 " 100 " |
От 80 до 100 |
Перемешивают содержимое воронки от 1 до 2 мин мешалкой. Добавляют к пробе анализируемой нефти 100 см3 горячей дистиллированной воды и экстрагируют хлористые соли, перемешивая содержимое воронки в течение 10 мин.
Допускается при экстрагировании хлористых солей одновременно применять две делительные воронки и экстракторы.
Если при экстрагировании хлористых солей образуется эмульсия нефти с водой, то для ее разрушения добавляют от 5 до 7 капель 2%-ного раствора деэмульгатора и перемешивают содержимое воронки, покачивая воронку или включив мешалку на низких оборотах на непродолжительное время.
После экстракции фильтруют водный слой через стеклянную конусообразную воронку с бумажным фильтром в коническую колбу вместимостью 250 см3 или 500 см3.
Промывают содержимое делительной воронки от 35 до 40 см3 горячей дистиллированной воды, которую сливают через стеклянную конусообразную воронку с бумажным фильтром в ту же коническую колбу. Промывают фильтр от 10 до 15 см3 горячей дистиллированной воды. Общий расход воды на промывку составляет 50 см3.
Для подтверждения полноты извлечения хлористых солей из пробы испытуемой нефти готовят последовательно несколько водных вытяжек, при этом экстракцию каждой из них проводят не менее 5 мин. Полученную вторую и последующие водные вытяжки готовят, как указано выше, и анализируют по 3.4.2.3 - 3.4.2.5. При фильтровании водного слоя для каждой вытяжки используют новый бумажный фильтр.
Экстрагирование хлористых солей считают завершенным, если на титрование водной вытяжки расходуется раствора азотнокислой ртути столько же, сколько на контрольное испытание, которое проводят одновременно.
3.4.2.3 Испытание на присутствие сероводорода
Вносят в пары водной вытяжки фильтровальную бумагу, смоченную раствором уксуснокислого свинца, которая темнеет при наличии сероводорода. При наличии сероводорода кипятят водную вытяжку от 5 до 10 мин до тех пор, пока влажная свинцовая бумага, помещенная в пары, не будет оставаться бесцветной.
Если простое кипячение не обеспечивает удаление сероводорода и других растворенных в водной вытяжке сернистых соединений, то используют концентрированную перекись водорода. Для этого добавляют к вытяжке 1 см3 концентрированной перекиси водорода и затем кипятят 2 мин. Если указанного объема перекиси водорода недостаточно для полного окисления сернистых соединений, что проявляется в помутнении и появлении посторонней окраски раствора, мешающей проведению титрования по 3.4.2.5, повторяют анализ по 3.4.2.1 с другой порцией нефти, добавив к водной вытяжке перед кипячением 2 см3 концентрированной перекиси водорода.
Допускается добавлять к водной вытяжке хлористых солей 1 см3 6 моль/дм3 серной кислоты и кипятить не менее 30 мин (до тех пор, пока влажная свинцовая бумага, помещенная в пары, не перестанет давать реакцию на сероводород).
Доводят водную вытяжку до нейтральной реакции среды 5%-ным раствором гидроокиси натрия или 5 моль/дм3 раствором азотной кислоты по универсальной индикаторной бумаге.
3.4.2.4 Охлаждают водную вытяжку до комнатной температуры и проводят подготовку к индикаторному титрованию в соответствии с таблицей 3.
|
Массовая концентрация хлористых солей, мг/дм3 |
Подготовка водной вытяжки к титрованию |
|
До 500 включ. |
Для титрования используют всю вытяжку |
|
Св. 500 до 2000 включ. |
Переносят водную вытяжку количественно в мерную колбу вместимостью 500 см3 и доводят дистиллированной водой объем раствора до метки, после этого перемешивают содержимое колбы, затем отбирают из мерной колбы пипеткой 100 см3 раствора в коническую колбу вместимостью 250 см3 |
|
Св. 2000 до 5000 включ. |
Переносят водную вытяжку в мерную колбу вместимостью 500 см3 и доводят дистиллированной водой объем раствора до метки. После этого перемешивают содержимое. Отбирают из мерной колбы пипеткой 50 см3 раствора в коническую колбу и добавляют 50 см3 дистиллированной воды |
|
Св. 5000 |
Водную вытяжку переносят количественно в мерную колбу вместимостью 1000 см3 и доводят объем раствора до метки, как указано выше. Отбирают из мерной колбы пипеткой 10 см3 раствора в коническую колбу и добавляют 90 см3 дистиллированной воды |
3.4.2.5 Добавляют в колбу с подготовленной к титрованию водной вытяжкой 2 см3 0,2 моль/дм3 раствора азотной кислоты и 10 капель дифенилкарбазида и титруют 0,005 моль/дм3 раствором азотнокислой ртути до появления слабого розового окрашивания, не исчезающего в течение 1 мин.
Сравнивают окраску анализируемого раствора с дистиллированной водой.
При проведении контрольного испытания добавляют в коническую колбу 150 см3 дистиллированной воды, 2 см3 0,2 моль/дм3 раствора азотной кислоты, 10 капель раствора дифенилкарбазида и титруют 0,005 моль/дм3 раствором азотнокислой ртути до появления слабого розового окрашивания, не исчезающего в течение 1 мин. Если при подготовке водной вытяжки при проведении контрольного испытания используют перекись водорода, кроме указанных растворов, то в коническую колбу помещают такой же объем перекиси водорода, который добавляли при подготовке водной вытяжки.
3.5 Часть 2. Определение содержания хлористых солей потенциометрическим титрованием водного экстракта
3.5.1 Подготовка к анализу
3.5.1.1 Приготовление 0,01 моль/дм3 раствора азотнокислого серебра
Переносят в мерную колбу вместимостью 1000 см3 (1,70 ± 0,01) г азотнокислого серебра и доводят до метки дистиллированной водой.
Допускается для приготовления 0,01 моль/дм3 раствора азотнокислого серебра использовать стандарт-титр, из которого готовят 0,1 моль/дм3 (0,1 н.) раствора азотнокислого серебра. Затем 100 см3 раствора отбирают пипеткой в мерную колбу вместимостью 1000 см3 и доводят объем раствора до метки дистиллированной водой. Хранят растворы азотнокислого серебра в склянках из темного стекла в защищенном от света месте.
3.5.1.2 Установка титра 0,01 моль/дм3 раствора азотнокислого серебра
Устанавливают титр 0,01 моль/дм3 раствора азотнокислого серебра по 0,01 моль/дм3 раствору хлористого натрия, приготовленного по 3.4.1.1. Включают pH-метр в электросеть за 30 мин до начала титрования.
Для установки титра определяют объемы раствора азотнокислого серебра, расходующиеся при титровании контрольной (холостой) пробы и пробы с добавкой раствора хлористого натрия.
Наливают в стакан для титрования пипеткой 10 см3 раствора хлористого натрия, разбавляют от 6,5 до 7,0 см3 ацетона и дистиллированной водой до 20 см3 и добавляют 0,5 см3 (примерно 10 капель) 6 моль/дм3 серной кислоты или 5 моль/дм3 азотной кислоты.
Устанавливают стакан для титрования на подставку титровального стенда, опускают электроды в раствор на глубину не менее 10 мм и включают мешалку. Записывают начальное значение потенциала. Титруют раствор из бюретки, добавляя по 1 см3 раствора азотнокислого серебра, записывая после каждой добавки новый установившийся потенциал. Когда разность в изменении потенциала от одной добавки будет превышать 10 мВ, уменьшают количество азотнокислого серебра, а в области скачка потенциала добавляют по 0,04 см3. По достижении скачка потенциала (который должен быть не менее 20 мВ), соответствующего точке эквивалентности, продолжают добавлять раствор азотнокислого серебра до явного четкого уменьшения скачка. Определяют эквивалентную точку по записи потенциометрического титрования. Эта точка лежит в пределах двух или трех последовательных добавлений раствора азотнокислого серебра, при которых происходит скачок потенциала.
При определении титра 0,01 моль/дм3 раствора азотнокислого серебра потенциометрическим титрованием с применением автоматического титратора необходимо следовать инструкциям к прибору и электроду, а также учитывать следующие положения:
- устанавливать медленную или среднюю скорость титрования;
- для титрования контрольной (холостой) пробы минимальный объем дозирования раствора азотнокислого серебра должен быть не более 0,005 см3, при определении титра и анализе водных вытяжек - не более 0,01 см3;
- рекомендуется режим динамического титрования;
- для стабилизации показаний электрода требуется предварительное перемешивание пробы не менее 1 мин;
- в бюретке и линиях подачи титранта не должно быть пузырьков воздуха, мембрана комбинированного электрода должна находиться под слоем анализируемого раствора, а уровень электролита в электроде быть выше уровня анализируемого раствора.
При применении автоматического титратора для полного погружения электродов при титровании используют большие объемы растворов для основного и контрольного испытаний.
Раствор для титрования с добавкой хлористого натрия состоит из 25 см3 дистиллированной воды, 5 см3 0,01 моль/дм3 раствора хлористого натрия, 100 см3 ацетона. Подкисляют пробу 10 каплями (от 0,2 до 0,3 см3) 5 моль/дм3 азотной кислоты и титруют.
При контрольном испытании помещают в стакан для титрования 30 см3 дистиллированной воды, 100 см3 ацетона, добавляют 10 капель 5 моль/дм3 азотной кислоты и титруют. Проводят контрольное испытание дважды, вычисляют объем титранта V1, израсходованный на контрольное испытание, с точностью до второго десятичного знака как среднее арифметическое значение двух определений.
Вычисляют титр раствора азотнокислого серебра T, миллиграмм хлористого натрия на 1 см3 раствора, по формуле
, (2)
где m - масса хлористого натрия в объеме раствора, взятая для титрования, мг;
V - объем 0,01 моль/дм3 раствора азотнокислого серебра, израсходованного при потенциометрическом титровании, см3;
V1 - объем 0,01 моль/дм3 раствора азотнокислого серебра, израсходованного при потенциометрическом титровании контрольного опыта, см3.
За титр раствора азотнокислого серебра принимают среднее арифметическое значение трех определений, расхождения между которыми не должны превышать 0,008 г/см3. Проверку титра проводят не реже одного раза в 2 нед.
3.5.1.3 Подготовка электродов
Периодически обновляют серебряный электрод, удаляя налет с серебряной проволоки шлифовальной шкуркой и погружая ее на несколько секунд в концентрированную соляную кислоту, после чего электрод тщательно промывают дистиллированной водой.
Стеклянный электрод сравнения. Не бывший в употреблении стеклянный электрод выдерживают в течение 24 ч в дистиллированной воде при комнатной температуре.
В промежутках между измерениями серебряный и стеклянный электроды хранят в дистиллированной воде.
3.5.2 Проведение анализа
3.5.2.1 Отбирают и готовят пробу анализируемой нефти по 3.4.2.1, экстрагируют хлористые соли по 3.4.2.2 и проводят испытание на присутствие сероводорода по 3.4.2.3.
3.5.2.2 При потенциометрическом титровании упаривают водную вытяжку хлористых солей до объема примерно 15 см3 в стакане вместимостью 150 см3, затем количественно переносят ее в стакан для титрования. Охлаждают водную вытяжку до комнатной температуры, добавляют 7 см3 ацетона, подкисляют 6 моль/дм3 раствора серной кислоты до кислой реакции среды (pH <7) и титруют раствором азотнокислого серебра аналогично процедуре титрования по 3.5.1.2.
При анализе нефтей с содержанием солей до 50 мг/дм3 в течение всего анализа объем добавляемого титранта составляет от 0,03 до 0,05 см3.
Проводят контрольное испытание, как указано выше, применяя дистиллированную воду вместо водной вытяжки.
Для проведения потенциометрического титрования с применением автоматического титратора, каждую водную вытяжку, подготовленную по 3.4.2.1 - 3.4.2.3, упаривают до объема 30 см3 в стакане для титрования вместимостью 250 см3. Охлаждают водную вытяжку до комнатной температуры, добавляют 100 см3 ацетона, подкисляют 10 каплями 5 моль/дм3 раствора азотной кислоты и титруют 0,01 моль/дм3 азотнокислого серебра в соответствии с инструкцией к титратору. В контрольном испытании вместо водной вытяжки используют дистиллированную воду, упаривая ее с объема 150 до объема 30 см3.
3.6 Обработка результатов
3.6.1 Вычисляют массовую концентрацию хлористых солей X1, миллиграмм хлористого натрия на 1 дм3 нефти, по формуле
, (3)
где V1 - объем 0,005 моль/дм3 раствора азотнокислой ртути при индикаторном титровании или 0,01 моль/дм3 раствора азотнокислого серебра при потенциометрическом титровании, израсходованный на титрование водной вытяжки, см3;
V2 - объем 0,005 моль/дм3 раствора азотнокислой ртути при индикаторном титровании или 0,01 моль/дм3 раствора азотнокислого серебра при потенциометрическом титровании, израсходованный на титрование раствора в контрольном опыте (без пробы нефти), см3;
T - титр 0,005 моль/дм3 раствора азотнокислой ртути при индикаторном титровании или 0,01 моль/дм3 раствора азотнокислого серебра при потенциометрическом титровании, в миллиграммах хлористого натрия на 1 см3 раствора;
1000 - коэффициент для пересчета массовой концентрации хлористых солей в 1 дм3 нефти;
A - коэффициент, выражающий отношение объема, до которого разбавлена водная вытяжка анализируемой нефти, к объему раствора, взятому из мерной колбы для титрования (при титровании всей водной вытяжки коэффициент A = 1);
V3 - объем нефти, взятой для анализа, см3.
3.6.2 Вычисляют массовую долю хлористых солей в нефти X2, проценты хлористого натрия, по формуле
, (4)
где X1 - массовая концентрация хлористых солей в нефти, миллиграмм хлористого натрия на 1 дм3 нефти;
B и C - коэффициенты пересчета кубических дециметров в кубические сантиметры (1000) и граммов в миллиграммы (1000);
ρ - плотность анализируемой нефти при температуре 20 °C по ГОСТ 3900.
Суммируют результаты вычислений, полученные для каждой вытяжки.
3.6.3 За результат испытания принимают среднее арифметическое значение результатов двух параллельных определений. Результат определения массовой концентрации хлористых солей в миллиграммах хлористого натрия на 1 дм3 записывают с точностью до одного десятичного знака. Результат определения массовой доли хлористых солей в процентах хлористого натрия записывают с точностью до четырех десятичных знаков. В протоколе испытания указывают, что результат получен в соответствии с методом А (часть 1 или часть 2).
3.7 Прецизионность метода
3.7.1 Повторяемость (сходимость) r
Расхождение между результатами параллельных испытаний, полученными одним и тем же оператором на одной и той же аппаратуре при постоянных рабочих условиях на идентичном испытуемом материале при нормальном и правильном выполнении метода испытаний, может превышать значения, приведенные в таблице 4, только в одном случае из 20.
|
Массовая концентрация хлористых солей, мг/дм3 |
Повторяемость (сходимость) r, мг/дм3 |
|
До 10 включ. |
1,5 |
|
Св. 10 до 50 включ. |
3,0 |
|
" 50 " 200 " |
6,0 |
|
" 200 " 1000 " |
25,0 |
|
" 1000 |
4% от среднего значения |
3.7.2 Воспроизводимость R
Расхождение между двумя единичными и независимыми результатами испытаний, полученными разными операторами, работающими в разных лабораториях, на идентичном испытуемом материале при нормальном и правильном выполнении метода испытаний, может превышать значения, приведенные в таблице 5, только в одном случае из 20.
|
Массовая концентрация хлористых солей, мг/дм3 |
Воспроизводимость R, мг/дм3 |
|
До 10 включ. |
4,2 |
|
Св. 10 до 50 включ. |
8,5 |
|
" 50 " 200 " |
18,0 |
|
" 200 " 1000 " |
79,3 |
|
" 1000 |
- |
4.1 Сущность метода
Сущность метода заключается в растворении пробы нефти в органическом растворителе и определении содержания хлористых солей потенциометрическим титрованием.
4.2 Аппаратура
При проведении анализа применяют посуду, аппаратуру и оборудование, указанные в 3.2, а также приведенные в 4.2.1 - 4.2.4.
4.2.1 Электроды - электрод сравнения хлорсеребряный любого типа или электрод комбинированный для титрования в неводной среде.
4.2.2 Мост солевой к хлорсеребряному электроду.
4.2.3 Дефлегматор по ГОСТ 25336.
4.2.4 Холодильник типа ХПТ или ХШ по ГОСТ 25336.
Примечание - Допускается применять аналогичные посуду, аппаратуру, оборудование с характеристиками, не уступающими указанным, и обеспечивающие получение результатов измерений с показателями прецизионности не ниже предусмотренных настоящим стандартом.
4.3 Реактивы и материалы
При проведении анализа применяют реактивы и материалы, указанные в 3.3, а также приведенные в 4.3.1 - 4.3.7.
4.3.1 Калий азотнокислый по ГОСТ 4217, х.ч. или ч.д.а., раствор c (KNO3) = 1 моль/дм3.
4.3.2 Натрий хлористый по ГОСТ 4233, х.ч. или ч.д.а., 10%-ный раствор.
4.3.3 Агар по ГОСТ 16280.
4.3.4 Спирт изопропиловый по ГОСТ 9805, ч.д.а.
4.3.5 Спирт изобутиловый по ГОСТ 6016, ч.д.а.
4.3.6 Серебро азотнокислое по ГОСТ 1277, х.ч. или ч.д.а.
4.3.7 Растворитель органический, который готовят по 4.4.3.
Примечание - Допускается применять материалы и реактивы, в том числе стандарт-титры используемых растворов, с характеристиками, не уступающими указанным, и обеспечивающими получение результатов измерений с показателями прецизионности не ниже предусмотренных настоящим стандартом.
4.4 Подготовка к анализу
4.4.1 Подготовку электродов проводят по 3.5.1.3.
При применении в качестве электрода сравнения хлорсеребряного электрода его соединяют с анализируемым раствором через солевой мост, который готовят следующим образом: нарезают мелкими кусочками от 0,7 до 0,8 г агара и заливают дистиллированной водой, выдерживают 3 ч. Затем сливают воду и добавляют 1 моль/дм3 раствор азотнокислого калия в таком количестве, чтобы получился примерно 4%-ный раствор агара в азотнокислом калии. Кипятят раствор до образования однородной массы, охлаждают до температуры от 60 °C до 70 °C, заливают полученным раствором два колена сифона солевого моста, одновременно охлаждая места впайки стеклянных фильтров холодной водой или смесью льда с водой. После охлаждения раствор агара образует гель. Широкое колено моста, в которое вставляют хлорсеребряный электрод, заливают насыщенным раствором азотнокислого калия. Солевой мост следует перезаряжать 1 раз в мес.
При проведении последовательных определений и в промежутках между титрованиями хранят серебряный электрод в дистиллированной воде, а солевой мост с хлорсеребряным электродом - в насыщенном растворе азотнокислого калия.
4.4.2 Проверяют чистоту изопропилового спирта с титрованием 50 см3 изопропилового спирта 0,01 моль/дм3 раствором азотнокислого серебра, добавляя по 0,02 см3 титранта в один прием. Такое титрование проводят для каждой новой партии спирта. Если на титрование используют 0,04 см3 и более титранта, очищают изопропиловый спирт. Для этого к 1 дм3 изопропилового спирта в склянке из бесцветного стекла добавляют 0,2 г азотнокислого серебра, тщательно перемешивают и оставляют на свету в течение 24 ч. Затем добавляют в изопропиловый спирт от 5 до 10 см3 10%-ного раствора хлористого натрия, после чего раствор перемешивают, отстаивают до осветления, фильтруют и перегоняют в колбе с дефлегматором, отбирая фракцию с пределами кипения от 80,0 °C до 82,5 °C.
4.4.3 Для приготовления 1 дм3 органического растворителя добавляют к 300 см3 изопропилового спирта 6 см3 концентрированной азотной кислоты и после перемешивания приливают 700 см3 толуола.
Примечание - Допускается при анализе нефти с массовой концентрацией хлористых солей менее 100 мг/дм3 применять наряду с изопропиловым спиртом изобутиловый спирт в тех же соотношениях.
4.4.4 Приготовление и установка титра 0,01 моль/дм3 раствора азотнокислого серебра в изопропиловом спирте
4.4.4.1 Готовят 1,0 моль/дм3 водный раствор азотнокислого серебра и разбавляют его изопропиловым спиртом до 0,01 моль/дм3. Хранят растворы азотнокислого серебра в темной склянке или обертывают склянку черной бумагой.
Устанавливают титр 0,01 моль/дм3 раствора азотнокислого серебра по хлористому натрию. Для приготовления раствора от 0,25 до 0,28 г хлористого натрия, предварительно прокаленного в платиновом тигле в муфельной печи при температуре 600 °C в течение 1 ч и охлажденного в эксикаторе, растворяют в дистиллированной воде в мерной колбе вместимостью 100 см3 и доводят до метки дистиллированной водой. Отбирают из мерной колбы пипеткой 1 см3 раствора и переносят его в стакан для титрования, добавляют 10 см3 изопропилового спирта, частью его омывая пипетку. Добавляют при перемешивании 50 см3 органического растворителя, приготовленного по 4.4.3.
4.4.4.2 Обертывают стакан с раствором соли черной бумагой, устанавливают на титровальный стенд, погружают в раствор электроды на глубину не менее 10 мм и включают мешалку. Добавляют раствор азотнокислого серебра сначала порциями от 1 до 0,5 см3, затем порциями от 0,1 до 0,05 см3 и в области скачка потенциала - по 0,02 см3. Таким же образом титруют смесь 10 см3 изопропилового спирта и 50 см3 органического растворителя, добавляя в один прием по 0,02 см3 титранта. Титрование ведут до скачка потенциала.
4.4.4.3 По окончании титрования промывают электроды нефрасом или смесью нефраса и толуола.
Вычисляют титр 0,01 моль/дм3 раствора азотнокислого серебра T, миллиграмм хлористого натрия на 1 см3 раствора, по формуле (2).
4.5 Проведение анализа
4.5.1 Отбирают пробу нефти по ГОСТ 2517, или ГОСТ 31873, или в соответствии с требованиями национальных стандартов и правилами отбора проб испытуемого продукта. Готовят пробу анализируемой нефти по 3.4.2.1, после чего быстро наливают нефть в стакан и пипеткой берут пробу нефти для анализа в соответствии с таблицей 6.
|
Массовая концентрация хлористых солей, мг/дм3 |
Объем нефти, см3 |
Масса нефти, г |
|
До 10 включ. |
20 - 40 |
(20,000 - 40,000) ± 0,005 |
|
Св. 10 до 50 включ. |
10 - 20 |
(10,000 - 20,000) ± 0,005 |
|
" 50 " 100 " |
5 - 10 |
(5,000 - 10,000) ± 0,005 |
|
" 100 " 200 " |
5 - 10 |
(5,000 - 10,000) ± 0,005 |
|
" 200 " 500 " |
2 - 5 |
(2,000 - 5,000) ± 0,002 |
|
" 500 " 1000 " |
2 |
2,000 ± 0,002 |
|
" 1000 |
1 |
1,000 ± 0,002 |
Для анализа малосернистой (массовая доля серы до 0,5%) и обессоленной (массовая концентрация хлористых солей до 200 мг/дм3) нефти отбирают 10 см3 нефти.
При анализе эмульгированной или не обладающей текучестью при стандартных условиях нефти отбирают пробу по массе. Для пересчета массы пробы в объем определяют ее плотность по ГОСТ 3900 при температуре проведения испытаний или используют значение плотности, измеренное поточным плотномером, установленным в месте отбора пробы, в пересчете к условиям проведения испытаний.
Определяют содержание хлористых солей титрованием по скачку потенциала.
4.5.2 Титрование
4.5.2.1 Переносят пробу нефти в стакан для титрования, добавляют 50 см3 органического растворителя, омывая его частью пипетку. Устанавливают стакан на титровальный стенд и отмечают начальное значение потенциала.
При наличии сероводорода в нефти наблюдают более высокое значение начального потенциала (примерно от 200 до 300 мВ выше, чем для нефти, не содержащей сероводород).
4.5.2.2 При отсутствии сероводорода титрование проводят по 4.4.4.2. Объем добавляемого титранта должен быть таким, чтобы изменение потенциала было не более 10 мВ. При изменении потенциала более 10 мВ объем добавляемого титранта уменьшается и в области скачка потенциала составляет от 0,03 до 0,05 см3. При анализе нефти с содержанием солей до 50 мг/дм3 в течение всего испытания объем добавляемого титранта составляет от 0,03 до 0,05 см3. После введения каждой порции титранта в зоне скачка потенциала необходимо подождать, пока потенциал установится, т.е. изменение его будет составлять не более 5 мВ/мин. Если при титровании 5 см3 сернистой нефти скачок потенциала составляет менее 17 мВ при добавлении 0,05 см3 раствора азотнокислого серебра, то для увеличения скачка объем пробы нефти уменьшают до 2 см3. Если и при этом скачок потенциала составляет менее 17 мВ, то содержание хлористых солей в нефти по данному методу не определяют. Допускается уменьшать количество нефти до 2 см3 для нефти с массовой концентрацией солей более 50 мг/дм3. Пример записи титрования приведен в приложении Б.
4.5.2.3 При наличии сероводорода титрование вначале ведут очень медленно, приливая каждую каплю титранта лишь после того, как значение потенциала будет оставаться постоянным в течение от 2 до 3 мин. После достижения скачка потенциала, соответствующего эквивалентной точке титрования сероводорода, наблюдается резкое уменьшение изменения потенциала, и далее титрование ведут по 4.4.4.2.
4.5.3 Допускается проводить титрование до определенного значения потенциала, если анализируют нефть одного и того же месторождения или смесь нефти неизменяющегося состава.
Определяют значение потенциала по кривой или записи потенциометрического титрования, соответствующее максимальному приращению потенциала, которое является конечной точкой титрования для данной массы навески нефти.
4.5.4 Для контрольного испытания проводят титрование 50 см3 органического растворителя (без нефти) 0,01 моль/дм3 раствором азотнокислого серебра, добавляя в один прием по 0,02 см3 титранта. Титрование ведут до скачка потенциала. Контрольное испытание проводят после приготовления каждой новой партии органического растворителя. После окончания работы раствор азотнокислого серебра сливают из бюретки.
4.6 Обработка результатов
4.6.1 Вычисляют массовую концентрацию хлористых солей X1, миллиграмм хлористого натрия на 1 дм3 нефти, не содержащей сероводорода, по формуле
, (5)
где V1 - объем 0,01 моль/дм3 раствора азотнокислого серебра, израсходованный на титрование хлористых солей, см3;
V2 - объем 0,01 моль/дм3 раствора азотнокислого серебра, израсходованный на титрование контрольного опыта, см3;
T - титр 0,01 моль/дм3 раствора азотнокислого серебра в миллиграммах хлористого натрия на 1 см3 раствора;
1000 - коэффициент для пересчета массовой концентрации хлористых солей в 1 дм3 нефти;
V3 - объем нефти, взятой для титрования, см3.
4.6.2 Вычисляют массовую долю хлористых солей A1, процент хлористого натрия в нефти, не содержащей сероводорода, по формуле
, (6)
где X1 - массовая концентрация хлористых солей в миллиграммах хлористого натрия на 1 дм3 нефти, не содержащей сероводорода;
B и C - коэффициенты пересчета кубических дециметров в кубические сантиметры (1000) и граммов в миллиграммы (1000);
ρ - плотность анализируемой нефти при температуре 20 °C по ГОСТ 3900.
4.6.3 Вычисляют массовую концентрацию хлористых солей X2, миллиграмм хлористого натрия на 1 дм3 нефти, содержащей сероводород, по формуле
, (7)
где V5 - объем 0,01 моль/дм3 раствора азотнокислого серебра, израсходованный на титрование сероводорода и хлористых солей, см3;
V4 - объем 0,01 моль/дм3 раствора азотнокислого серебра, израсходованный на титрование сероводорода, см3;
V2, T, 1000, V3 - по 4.6.1.
4.6.4 Вычисляют массовую долю хлористых солей A2, процент хлористого натрия в нефти, содержащей сероводород, по формуле
, (8)
где X2 - массовая концентрация хлористых солей в миллиграммах хлористого натрия на 1 дм3 нефти, содержащей сероводород;
B и C - коэффициенты пересчета кубических дециметров в кубические сантиметры (1000) и граммов в миллиграммы (1000);
ρ - плотность анализируемой нефти при температуре 20 °C по ГОСТ 3900.
4.6.5 За результат испытания принимают среднее арифметическое значение результатов двух параллельных определений. Результат определения массовой концентрации хлористых солей в миллиграммах хлористого натрия на 1 дм3 записывают с точностью до одного десятичного знака. Результат определения массовой доли хлористых солей в процентах хлористого натрия записывают с точностью до четырех десятичных знаков. В протоколе испытания указывают, что результат получен в соответствии с методом Б.
4.7 Прецизионность метода
4.7.1 Повторяемость (сходимость) r
Расхождение между двумя результатами параллельных испытаний, полученными одним и тем же оператором на одной и той же аппаратуре при постоянных рабочих условиях на идентичном испытуемом материале при нормальном и правильном выполнении метода испытаний, может превышать значения, приведенные в таблице 7, только в одном случае из 20.
|
Массовая концентрация хлористых солей, мг/дм3 |
Повторяемость (сходимость) r, мг/дм3 |
|
До 10 включ. |
1,5 |
|
Св. 10 до 50 включ. |
3,0 |
|
" 50 " 100 " |
7,0 |
|
" 100 " 200 " |
12,0 |
|
" 200 " 500 " |
27,0 |
|
" 500 " 1000 " |
50,0 |
|
" 1000 " 2000 " |
100,0 |
|
" 2000 |
6% значения меньшего результата |
4.7.2 Воспроизводимость R
Расхождение между двумя единичными и независимыми результатами испытаний, полученными разными операторами, работающими в разных лабораториях, на идентичном испытуемом материале при нормальном и правильном выполнении метода испытаний, может превышать значения, приведенные в таблице 8, только в одном случае из 20.
|
Массовая концентрация хлористых солей, мг/дм3 |
Воспроизводимость R, мг/дм3 |
|
До 10 включ. |
5,0 |
|
Св. 10 до 50 включ. |
10,0 |
|
" 50 " 100 " |
24,5 |
|
" 100 " 200 " |
45,6 |
|
" 200 " 500 " |
102,6 |
|
" 500 " 1000 " |
- |
|
" 1000 " 2000 " |
- |
|
" 2000 |
- |
Приложение А
(рекомендуемое)
А.1 Область применения
А.1.1 В настоящем приложении установлен метод определения массовой доли хлористых солей в нефти в процентах хлористого натрия (NaCl) в диапазоне от 0,0005% масс. до 0,15% масс.
А.1.2 Предел обнаружения составляет 0,0002% масс. для солей, выраженных в процентах хлористого натрия (NaCl).
А.1.3 Метод испытания применим для нефти, остаточных нефтяных топлив и мазутов, а также для отработанного турбинного масла и судового дизельного топлива для проверки на загрязнение морской водой. Совместно можно определять экстрагируемые водой соли, содержащиеся в присадках.
Метод не применяют для испытания газового стабильного и нестабильного конденсата.
А.2 Сущность метода
После гомогенизации нефти перемешиванием растворяют аликвоту образца в ксилоле при температуре 65 °C и экстрагируют добавлением определенных объемов спирта, ацетона и воды в экстракционном аппарате с электрическим нагревом. Анализируют часть водного экстракта на общее содержание галогенидов потенциометрическим титрованием.
А.3 Назначение и использование
Определение экстрагируемых водой неорганических галогенидов в нефти имеет важное значение для оценки необходимости обессоливания нефти. Повышенное содержание хлористых солей в нефти часто приводит к увеличению скорости коррозии на установках по переработке нефти.
А.4 Аппаратура
А.4.1 Экстракционный аппарат
Экстракционный аппарат из боросиликатного стекла, соответствующий размерам, указанным на рисунке А.1, состоит из компонентов, приведенных в А.4.1.1 - А.4.1.6.

1 - колба вместимостью 500 см3; 2 - при необходимости холодильник и воронку можно устанавливать в колбу со шлифом В19 (или аналогичным); 3 - холодильник; 4 - риска 50 см3; 5 - кран (внутренний диаметр 3 мм); 6 - кран (внутренний диаметр 3 мм); 7 - 30 - 32 выступов (диаметр 1 мм и высота 1 - 2 мм) на каждой стороне; предназначены только для установки нагревательной спирали; 8 - установочные выступы для нагревательной спирали
Примечания
1 Используют холодильник Хопкинса.
2 При применении готового электронагревателя аппарат может быть изготовлен без выступов для наматывания спирали.
Рисунок А.1 - Экстракционный аппарат
А.4.1.1 Колба перегонная вместимостью 500 см3.
А.4.1.2 Холодильник Хопкинса обратный, с патрубком для отвода паров, соединенным резиновой трубкой с тягой или вытяжкой.
А.4.1.3 Воронка вместимостью 70 см3 с риской 50 см3.
А.4.1.4 Трубка нагревательная с внутренней полой трубкой для повышения конвекции жидкости.
А.4.1.5 Спираль нагревательная из электрорезистивной проволоки соответствующего типоразмера, 250 Вт.
А.4.1.6 Реостат с соответствующим сопротивлением и мощностью для регулировки нагревателя.
А.4.2 Экран защитный из бесцветного безосколочного стекла, устанавливаемый перед экстракционным аппаратом (А.4.1).
А.4.3 Трубка пробоотборная стеклянная длиной 600 мм, внутренним диаметром 5 мм, с шариком, вместимостью 100 см3, конец трубки для отбора пробы должен иметь внутренний диаметр от 2 до 3 мм. В качестве пробоотборной трубки можно использовать подобную пипетку с обрезанным кончиком.
А.4.4 Оборудование для потенциометрического титрования с точностью измерения ± 2 мВ или более высокой точностью, включая серебряный индикаторный электрод, стеклянный электрод сравнения и бюретку вместимостью 10 см3, предпочтительно поршневого типа. Если используют автоматический титратор, бюретка должна обеспечивать дозирование заданных порций титранта (А.8.3.3.2).
А.4.5 Мешалка магнитная с якорьком с покрытием из политетрафторэтилена (ПТФЭ)
А.4.6 Гомогенизатор
Для гомогенизации проб объемом до 500 см3 обычно используют мешалку с разнонаправленным вращением лопастей с частотой вращения примерно 3000 об/мин. Можно использовать другие типы мешалок при условии, что их характеристики соответствуют следующим требованиям.
А.4.6.1 Перед использованием необходимо оценить эффективность гомогенизации нефти мешалкой. Для оценки эффективности мешалки убеждаются в том, что предполагаемое содержание воды можно получить методом титрования по Карлу Фишера после добавления установленного количества воды к номинально обезвоженной нефти и гомогенизации смеси. Эта процедура проверки эффективности гомогенизации основана на использовании контейнера для лабораторной пробы вместимостью 500 см3. Аналогичную процедуру применяют для проб разного объема, которые могут быть получены в лаборатории.
А.4.6.2 Взвешивают контейнер для лабораторной пробы вместимостью 500 см3 с точностью до 0,01 г. Заполняют контейнер примерно на 80% обезвоженной нефтью (менее 0,1% масс. воды). Вставляют вал мешалки в контейнер таким образом, чтобы головка мешалки располагалась на расстоянии примерно 5 мм от дна контейнера. Гомогенизируют содержимое контейнера при 80% мощности в течение 2 мин, отбирают аликвоту пробы для анализа получившейся эмульсии и проводят два последовательных определения содержания воды (см. [1] и [2]). Получают среднее арифметическое значение двух последовательных результатов и записывают это значение как содержание воды, изначально присутствующей в пробе.
А.4.6.3 Взвешивают контейнер с нефтью с точностью до 0,01 г. Измеряют температуру нефти с точностью до 1 °C. Погружают мешалку в нефть, как указано в А.4.6.2. Добавляют пипеткой 15 см3 воды к содержимому контейнера. Гомогенизируют нефть и воду при 80% мощности в течение 2 мин. Измеряют температуру эмульсии непосредственно после гомогенизации. Повышение температуры в процессе гомогенизации не должно превышать 10 °C. В противном случае это может привести к потерям летучих компонентов и нестабильности дисперсной системы. Определяют содержание воды в нефти немедленно после перемешивания. Отбирают пробу нефти немного ниже уровня жидкости.
А.4.6.4 Без дополнительного перемешивания нефти определяют содержание воды (единичное определение) в нефти через 15 и 30 мин после начального перемешивания в соответствии с А.4.6.3.
А.4.6.5 Содержание воды (добавленной плюс изначально присутствующей в пробе) в этих трех порциях (непосредственно после гомогенизации, а также через 15 и 30 мин после гомогенизации) не должно отличаться более чем на 0,10% от среднего арифметического значения по абсолютной величине и более чем на 0,10% от рассчитанного содержания воды (т.е. добавленной плюс изначально присутствующей в пробе). Если различия превышают 0,10%, необходимо повторно выполнить гомогенизацию новых порций нефти и воды в чистом контейнере с изменением мощности, времени перемешивания или высоты вала мешалки или их комбинаций до тех пор, пока выбранные условия не приведут к получению смеси, которая будет обеспечивать требуемое соответствие. Эти условия (мощность, время перемешивания и глубина погружения вала мешалки) затем используют для всех последующих процессов перемешивания.
А.4.6.6 Условия перемешивания необходимо оценивать для всех ранее не анализировавшихся типов нефти и периодически проверять для уже анализировавшихся типов нефти с содержанием воды от 4% масс. до 5% масс.
А.4.6.7 Такая процедура не обеспечивает требуемую эффективность для нефти с предельно низкой или очень высокой вязкостью при комнатной температуре. Такие образцы требуют специальной обработки для получения стабильных водонефтяных эмульсий.
Примечание - Некоторые типы нефти не могут сохранять стабильную водонефтяную эмульсию в течение указанных 15 и 30 мин. В определенных случаях нефть можно охладить ниже комнатной температуры для повышения стабильности эмульсии. Альтернативно требуется проведение дополнительных испытаний для определения периода времени, в течение которого эмульсия будет оставаться стабильной для заданной комбинации условий перемешивания. Испытуемый образец следует отбирать в течение установленного периода стабильности.
А.4.7 Термостат во взрывобезопасном исполнении, обеспечивающий поддержание температуры (65 ± 5) °C.
А.4.8 Бумага фильтровальная лабораторная типа Whatman N 41 или аналогичная.
А.4.9 Секундомер.
А.5 Реактивы и материалы
А.5.1 Чистота реактивов
Для испытаний следует использовать реактивы квалификации химически чистые (х.ч.) или чистые для анализа (ч.д.а.). Если не указано иное, то подразумевается, что все реактивы должны соответствовать требованиям, изложенным в спецификациях Комиссии по аналитическим реактивам <1>. Допускается использовать реактивы других классов чистоты, если заранее установлено, что реактив имеет достаточно высокую чистоту и его использование не снизит точность определения.
--------------------------------
<1> Спецификации на реактивы химических веществ Американского химического общества, Washington, DC. Необходимые данные в отношении испытания реактивов, которые не включены в спецификации Американского химического общества, можно получить в ежегодном сборнике стандартов по лабораторным химическим веществам, BDH Ltd., Poole, Dorset, U.K. и в фармакопее Соединенных Штатов, U.S. Pharmacopeial Convention, Inc. (USPC), Rockville, MD.
А.5.2 Чистота воды
При любых ссылках на воду подразумевается, что используют воду для лабораторного анализа соответствующей чистоты <2> (см. также [3]).
--------------------------------
<2> В Российской Федерации допускается использовать воду для лабораторного анализа по ГОСТ Р 52501-2005 (ИСО 3696:1987) "Вода для лабораторного анализа".
А.5.3 Ацетон (2-пропанон) (см. [4]).
Предупреждение - Легковоспламеняющийся. Пары образуют воспламеняющуюся смесь.
А.5.4 Спирт, 95%-ный этанол или пропан-2-ол (изопропиловый спирт) (см. [5]).
Предупреждение - Легковоспламеняющийся.
А.5.5 Нитрат бария (барий азотнокислый) квалификации ч.д.а. <3>, кристаллический.
--------------------------------
<3> В Российской Федерации допускается использовать реактивы квалификации ч.д.а. (чистый для анализа).
Предупреждение - Соединения бария и их растворы представляют опасность для здоровья при ненадлежащем обращении. Следует принимать необходимые меры предосторожности для предотвращения непосредственного контакта с этими соединениями.
А.5.6 Кислота соляная, 0,1 моль/дм3 водный раствор. Отмеряют 9 см3 концентрированной соляной кислоты квалификации ч.д.а. (плотность 1,19 г/см3), осторожно при перемешивании приливают в мерную колбу вместимостью 1000 см3 с небольшим количеством дистиллированной воды и доводят дистиллированной водой уровень раствора до метки колбы.
Предупреждение - Коррозионно-активное вещество. Вызывает ожоги кожи.
А.5.7 Кислота азотная, 5 моль/дм3 водный раствор. Отмеряют 325 см3 концентрированной азотной кислоты квалификации ч.д.а. (плотность 1,42 г/см3), осторожно при перемешивании приливают в мерную колбу вместимостью 1000 см3 с небольшим количеством дистиллированной воды и доводят дистиллированной водой уровень раствора до метки колбы.
Предупреждение - Коррозионно-активное вещество. Вызывает ожоги кожи.
А.5.8 Стандартный раствор азотнокислого серебра, c (AgNO3) = 0,1 моль/дм3 водный раствор. Готовят, устанавливают титр и сохраняют (см. [6]) для 0,1 н. водного раствора, используя показания концентраций в моль/дм3 вместо нормальности. Повторную установку титра выполняют регулярно, но в любом случае перед приготовлением 0,01 моль/дм3 стандартного раствора (А.5.9).
Примечание - Допускается использовать имеющиеся в продаже готовые концентрированные растворы для приготовления стандартных растворов для титрования.
Предупреждение - Соединения серебра и их растворы представляют опасность для здоровья при ненадлежащем обращении. Следует принимать необходимые меры предосторожности для предотвращения непосредственного контакта с этими соединениями.
А.5.9 Раствор азотнокислого серебра стандартный c (AgNO3) = 0,01 моль/дм3, водный раствор. Готовят непосредственно перед использованием путем точного разбавления одного объема 0,1 моль/дм3 раствора азотнокислого серебра с установленным титром до десятикратного объема водой.
Предупреждение - по А.5.8.
А.5.10 Раствор хлористого натрия, 0,01 моль/дм3 водный раствор, полученный путем растворения (59 ± 1) мг хлористого натрия в 1 дм3 воды.
А.5.11 Ксилол (см. [7]).
Предупреждение - Ксилол представляет опасность для здоровья при ненадлежащем использовании. Следует избегать вдыхания паров. Все работы с ксилолом должны быть выполнены в вытяжном шкафу.
А.5.12 Бумага индикаторная с ацетатом свинца (свинцовая).
А.5.13 Шкурка шлифовальная со степенью зернистости 800 или мельче для полировки серебряного электрода.
А.6 Отбор и подготовка проб
А.6.1 Отбор проб предусматривает выполнение всех процедур, требуемых для получения представительной пробы содержимого любого трубопровода, резервуара или другой системы и помещения пробы в контейнер для лабораторных проб. Контейнер для лабораторных проб должен иметь соответствующие размеры и объем для выполнения перемешивания в соответствии с А.6.4.
Предупреждение - Результаты межлабораторных исследований показали, что для получения достоверных результатов необходимо строго соблюдать установленные правила отбора и перемешивания проб.
А.6.2 Лабораторная проба
Проба нефти, представленная в лабораторию для выполнения анализа по настоящему методу. Используют только представительные пробы (см. [8], [9]) или в соответствии с требованиями национальных стандартов и правилами отбора проб испытуемого продукта.
А.6.3 Образец для анализа
Аликвота лабораторной пробы для анализа по настоящему методу. Отобранную аликвоту необходимо полностью использовать для анализа. Перед отбором образца тщательно перемешивают лабораторную пробу в соответствии с А.6.4.
А.6.4 Для обеспечения полной гомогенности лабораторную пробу гомогенизируют (в течение 15 мин) непосредственно перед отбором образца для анализа. Перед перемешиванием измеряют температуру пробы в градусах Цельсия и перемешивают пробу при комнатной температуре (от 15 °C до 25 °C) в контейнере для лабораторной пробы. Пробы нефти с высоким содержанием парафинов (более 6%) в твердом состоянии при комнатной температуре нагревают до температуры на 3 °C выше их температуры застывания для облегчения отбора образца для анализа. Тип устройства перемешивания выбирают в зависимости от объема нефти в контейнере для лабораторной пробы. Перед использованием устройства перемешивания необходимо убедиться в том, что его технические характеристики соответствуют требованиям к процедуре гомогенизации (А.4.6.1 - А.4.6.7). Характеристики устройства перемешивания оценивают повторно при любых изменениях типа нефти, объема нефти, формы контейнера для лабораторной пробы или условий перемешивания (например, скорость и время перемешивания).
А.6.5 Для небольших контейнеров для лабораторных проб и объемов проб от 50 до 500 см3 требуется безаэрационная высокоскоростная (3000 об/мин) мешалка с высоким усилием сдвига. Используют параметры времени перемешивания, скорости перемешивания и высоты от дна контейнера, которые должны соответствовать требованиям А.6.4. Для больших контейнеров и объемов проб соответствующие условия перемешивания должны быть определены с учетом требований, установленных в А.4.6.1 - А.4.6.7 (см. [9]). После каждого перемешивания пробы мешалку очищают и сушат.
А.6.6 Непосредственно после гомогенизации измеряют температуру пробы. Расхождение значений температуры между этим показанием и начальным показанием перед перемешиванием (см. А.6.4) не должно превышать 10 °C. В противном случае это может привести к потерям летучих компонентов или к потере стабильности дисперсной системы.
А.6.7 Для надлежащего отбора образца нефти с быстро осаждающимися примесями образец для испытания отбирают максимально быстро после гомогенизации, опуская наконечник пробоотборной стеклянной трубки (А.4.3) практически до дна контейнера. До и после отбора образца пробоотборную трубку очищают и сушат.
А.7 Подготовка аппаратуры
А.7.1 Подготовка экстракционного аппарата
Для снижения риска перегрева и возникающих в связи с этим опасностей на дно экстракционного аппарата подают слабый поток воздуха. Для этого используют тонкую стальную или пластиковую капиллярную трубку, которую вводят через отверстие в верхнем кране таким образом, чтобы нижний конец располагался около дна нагревательной трубки, а верхний конец трубки проходил через резиновую пробку в верхней части воронки. Перед экстракционным аппаратом устанавливают защитный экран. В непосредственной близости от экстракционного аппарата не следует располагать электрические устройства.
А.7.2 Подготовка оборудования для потенциометрического титрования
А.7.2.1 Стеклянный электрод
Перед каждым титрованием (или серией титрований) промывают электрод водой и выдерживают его в течение не менее 10 мин в растворе 0,1 моль/дм3 соляной кислоты (А.5.6). Затем повторно промывают водой. После титрований электрод хранят, полностью погрузив его в воду для лабораторного анализа.
А.7.2.2 Серебряный электрод
Перед каждой серией титрований серебряный электрод полируют шлифовальной шкуркой (А.5.13) до получения чистой полированной металлической поверхности.
А.8 Проведение испытания
А.8.1 Экстракция
А.8.1.1 Взвешивают 40 г образца с точностью до 0,1 г в химическом стакане вместимостью 250 см3 и нагревают в водяной бане или сушильном шкафу до температуры (65 ± 5) °C. Нагревают (40 ± 1) см3 ксилола до такой же температуры и понемногу добавляют к образцу при постоянном перемешивании до полного растворения. Образец переносят в экстракционный аппарат. После этого промывают химический стакан двумя отдельными порциями по (15 ± 1) см3 нагретого ксилола, которые также количественно переносят в экстракционный аппарат.
А.8.1.2 Пока раствор горячий, дополнительно промывают химический стакан, добавляя (25 ± 1) см3 этилового или изопропилового спирта и (15 ± 1) см3 ацетона, и количественно переносят их в экстракционный аппарат. Включают питание нагревательного элемента экстракционного аппарата и выводят его на полную мощность до начала кипения. Затем реостатом регулируют мощность нагрева для поддержки достаточно интенсивного кипения, не допуская при этом взрывного кипения в колбе или заброса жидкости в холодильник. Кипение с возвратом жидкости из холодильника поддерживают в течение 2 мин после начала кипения жидкости (А.7.1). Затем отключают электропитание нагревателя. После прекращения кипения добавляют (125 ± 1) см3 воды, повторно доводят жидкость до кипения и кипятят с холодильником в течение 15 мин.
А.8.1.3 Выключают электропитание нагревателя и выдерживают раствор в течение от 5 до 10 мин для полного разделения двух фаз. Водную фазу сливают, отфильтровывая через фильтровальную бумагу, в коническую колбу соответствующей вместимости, закрывают колбу пробкой и сохраняют содержимое для определения общего содержания галогенидов в соответствии с А.8.2 и А.8.3.
А.8.2 Удаление серосодержащих соединений
Переносят пипеткой в химический стакан 50 см3 водного экстракта (А.8.1.3) и добавляют 5 см3 5 моль/дм3 раствора азотной кислоты (А.5.7). Закрывают химический стакан часовым стеклом и доводят содержимое до кипения. Периодически проверяют пары на наличие сероводорода с помощью индикаторной бумаги с ацетатом свинца. Перед использованием готовой индикаторной свинцовой бумаги необходимо смочить ее дистиллированной водой. После получения отрицательного результата продолжают кипячение в течение 5 мин. После остывания содержимое химического стакана количественно переносят в стакан для титрования вместимостью 250 см3, промывая химический стакан водой.
Предупреждение - Сероводород представляет опасность для здоровья при ненадлежащем обращении. Следует избегать вдыхания паров. Работы должны быть выполнены в вытяжном шкафу.
А.8.3 Определение солей
А.8.3.1 Переносят пипеткой (А.5.10, примечание 1) 10 см3 0,01 моль/дм3 раствора хлористого натрия в стакан для титрования (А.8.2). Доводят объем раствора образца в стакане до 150 см3 ацетоном (см. примечание 2). Добавляют 0,5 г кристаллического нитрата бария. Перемешивают до растворения нитрата бария.
Примечания
1 Для получения конечной точки титрования даже для небольших количеств хлористых солей добавляют фиксированное количество хлористого натрия в холостой раствор и раствор образца.
2 Ацетон добавляют для снижения растворимости осадка солей серебра.
А.8.3.2 Заполняют бюретку 0,01 моль/дм3 раствором азотнокислого серебра, устанавливают стакан для титрования на магнитную мешалку и погружают электроды в раствор образца. Погружают кончик бюретки приблизительно на 25 мм ниже уровня поверхности жидкости и регулируют скорость магнитной мешалки для обеспечения интенсивного перемешивания без разбрызгивания.
А.8.3.3 Процедура титрования
А.8.3.3.1 При ручном титровании снимают начальное показание бюретки и показание pH или милливольтметра. Титруют стандартным раствором азотнокислого серебра, дозируя титрант небольшими порциями. После каждого добавления титранта выдерживают некоторое время до установления постоянного потенциала и снимают показания бюретки и pH или милливольтметра (см. примечание). При небольших изменениях потенциала после добавления каждой порции раствора азотнокислого серебра увеличивают объемы дозировки до 0,5 см3. При скорости изменения потенциала более 5 мВ на 0,1 см3 дозируют раствор азотнокислого серебра порциями по 0,1 см3. Строят график зависимости показаний pH или милливольтметра от израсходованного объема стандартного раствора азотнокислого серебра.
Примечание - При осаждении галогенидов серебра на серебряном электроде следует осторожно постучать по электроду для удаления отложений и обязательно убедиться в достижении равновесия до снятия показания pH или милливольтметра.
А.8.3.3.2 При использовании автоматического титратора титруют стандартным раствором азотнокислого серебра, дозируя заданные порции.
Примечание - Титрование необходимо проводить с регулируемой скоростью подачи титранта в соответствии с А.8.3.3, чтобы обеспечить полное осаждение между добавлением порций титранта.
А.8.3.3.3 После каждого титрования промывают электроды водой (А.7.2).
А.8.4 Анализ кривой титрования
А.8.4.1 Конечную точку титрования определяют как наибольшее положительное значение на участке максимальной крутизны в районе перегиба кривой титрования.
А.8.4.2 Точное положение конечной точки титрования в области перегиба кривой зависит от концентрации солей, используемых электродов, свойств среды титрования и концентрации применяемого раствора азотнокислого серебра. Для установления значения потенциала ячейки в конечной точке титрования в области перегиба готовят типичный раствор, содержащий от 0,001 до 1 моля хлористых солей, с концентрацией, близкой к исследуемым образцам, титруют этот раствор в соответствии с А.8.3 и определяют конечную точку титрования.
А.8.5 Холостое определение
Готовят холостой раствор, добавляя пипеткой 10,0 см3 0,001 моль/дм3 раствора хлористого натрия (А.5.10) в стакан для титрования. Добавляют 50 см3 воды, 5 см3 5 моль/дм3 раствора азотной кислоты (А.5.7) и 0,5 г кристаллического нитрата бария (А.5.5). Доводят объем раствора образца в стакане до 150 см3 ацетоном. Перемешивают до растворения нитрата бария. Титруют раствор в соответствии с А.8.3.3.
А.9 Обработка результатов
А.9.1 Вычисляют количество хлоридов в водном растворе A, мкмоль, по формуле
A = (V - Vb)·C·103, (А.1)
где V - объем стандартного раствора азотнокислого серебра, израсходованный до конечной точки титрования, см3;
Vb - объем стандартного раствора азотнокислого серебра, израсходованный на холостое определение, см3;
C - концентрация стандартного раствора азотнокислого серебра, моль/дм3.
А.9.2 Вычисляют массовую долю хлористых солей в образце X в процентах хлористого натрия по формуле
, (А.2)
где A - количество солей в аликвоте водного экстракта (А.9.1), мкмоль;
m - масса образца, г;
P - пропорция экстракта, используемая в анализе; P = 50/158 для этанола и 50/152 для изопропилового спирта (см. примечание).
Примечание - Если содержание воды в образце (например, см. [10]) менее 5% масс., то можно предположить, что объем экстракта при однократной экстракции составляет 158 см3 при использовании этанола или 152 см3 при применении изопропилового спирта. Следовательно, P должно быть 50/158 или 50/152. Если содержание воды в исходном образце превышает 5% масс., то соответствующее количество воды должно добавляться при вычислении P.
А.10 Запись результатов
Записывают результат, вычисленный по А.9.2, как массовую долю хлористых солей в процентах хлористого натрия (NaCl) <1>, округляя до двух значащих цифр.
--------------------------------
<1> Пересчет массовой доли хлористых солей X1, в процентах хлористого натрия в массовую концентрацию хлористых солей в миллиграммах хлористого натрия на 1 дм3 нефти вычисляют по формуле
,
где X - массовая доля хлористых солей в процентах хлористого натрия;
B и C - коэффициенты пересчета кубических дециметров в кубические сантиметры (1000) и граммов в миллиграммы (1000);
ρ - плотность анализируемой нефти по ГОСТ 3900 или другой аттестованной методике определения плотности.
В протоколе испытания указывают, что результат получен по настоящему методу.
А.11 Прецизионность и смещение (отклонение) <2>
--------------------------------
<2> Соответствующие данные задокументированы в Центральном офисе ASTM International, их можно получить по запросу Научно-исследовательского отчета RR:D02-1458.
А.11.1 Прецизионность
Прецизионность настоящего метода испытаний, определенная статистической проверкой результатов межлабораторных сравнительных испытаний, приведена в А.11.1.1, А.11.1.2.
А.11.1.1 Повторяемость (сходимость) r
Расхождение между результатами последовательных испытаний, полученными одним и тем же оператором на одной и той же аппаратуре при постоянных рабочих условиях на идентичном испытуемом материале при надлежащем и правильном выполнении методики анализа, может превышать следующее значение только в одном случае из 20:
r = 0,0243X0,612, (А.3)
где X - массовая доля хлористых солей в процентах хлористого натрия (NaCl).
А.11.1.2 Воспроизводимость R
Расхождение между двумя единичными и независимыми результатами испытаний, полученными разными операторами в разных лабораториях на идентичном испытуемом материале при надлежащем и правильном выполнении методике анализа, может превышать следующее значение только в одном случае из 20:
R = 0,0477X0,612, (А.4)
где X - массовая доля хлористых солей в процентах хлористого натрия (NaCl).
Примечание - Показатели прецизионности в программе межлабораторных сравнительных испытаний получены для трех различных типов нефти в диапазоне плотности от 825 до 950 кг/м3 с добавлением различных количеств морской воды (искусственной) и пластовой воды, в которых массовая концентрация хлористых солей в процентах хлористого натрия (NaCl) варьировалось от 0,0005% масс до 0,15% масс. При статистической оценке не установлено зависимости показателей прецизионности от плотности нефти или типа воды, за исключением воспроизводимости. Установлено, что дисперсия воспроизводимости обратно пропорциональна плотности нефти и изменяется от 0,49 для тяжелой нефти до 1,35 для легкой нефти. Вышеприведенная воспроизводимость представляет общую дисперсию 0,99.
А.11.2 Смещение (отклонение)
Методика не имеет смещения (отклонения), т.к. содержание хлористых солей определяют только по условиям настоящего метода испытаний, а также отсутствуют аттестованные стандартные образцы. Поскольку образцы в межлабораторных сравнительных испытаниях представляли собой обессоленную нефть с добавлением установленных количеств солей (морская вода и пластовая вода), то смещение (отклонение) можно определить в качестве процента извлечения добавленных хлористых солей. В диапазоне от 0,0005% масс. до 0,0400% масс. добавленных хлористых солей процент извлечения был постоянным и в среднем составлял 97%. В диапазоне от 0,0400% масс. до 0,1500% масс. процент извлечения являлся функцией концентрации и постепенно уменьшался с 97% при уровне 0,04% масс. до 88% при уровне 0,15% масс.
Приложение Б
(рекомендуемое)
|
Объем 0,01 моль/дм3 раствора азотнокислого серебра, израсходованный на титрование, см3 |
Потенциал, мВ |
Разность потенциалов, мВ |
|
0 |
44 |
- |
|
0,04 |
54 |
10 |
|
0,08 |
64 |
10 |
|
0,12 |
76 |
12 |
|
0,16 |
88 |
12 |
|
0,20 |
100 |
12 |
|
0,24 |
118 |
18 |
|
0,28 |
150 |
32 |
|
0,32 |
156 |
6 |
|
0,36 |
160 |
4 |
Эквивалентная точка, соответствующая максимальному скачку потенциала, находится при 150 мВ.
Библиография
|
[1] |
АСТМ Д4377 (ASTM D4377) |
Определение содержания воды в нефти методом потенциометрического титрования по Карлу Фишеру (Test method for water in crude oils by potentiometric Karl Fischer titration) |
|
[2] |
АСТМ Д4928 (ASTM D4928) |
Определение содержания воды в нефти методом кулонометрического титрования по Карлу Фишеру (Test method for water in crude oils by coulometric Karl Fischer titration) |
|
[3] |
АСТМ Д1193 (ASTM D1193) |
Вода для лабораторного анализа. Технические условия (Specification for reagent water) |
|
[4] |
АСТМ Д329 (ASTM D329) |
Ацетон. Технические условия (Specification for acetone) |
|
[5] |
АСТМ Д770 (ASTM D770) |
Изопропиловый спирт. Технические условия (Specification for isopropyl alcohol) |
|
[6] |
АСТМ Е200 (ASTM E200) |
Руководство по приготовлению, стандартизации и хранению стандартных растворов и растворов реактивов для химического анализа (Practice for preparation, standardization, and storage of standard and reagent solutions for chemical analysis) |
|
[7] |
АСТМ Д843 (ASTM D843) |
Ксилол для нитрования. Технические условия (Specification for nitration grade xylene) |
|
[8] |
АСТМ Д4057 (ASTM D4057) |
Руководство по ручному отбору проб нефти и нефтепродуктов (Practice for manual sampling of petroleum and petroleum products) |
|
[9] |
АСТМ Д4177 (ASTM D4177) |
Руководство по автоматическому отбору проб нефти и нефтепродуктов (Practice for automatic sampling of petroleum and petroleum products) |
|
[10] |
АСТМ Д4006 (ASTM D4006) |
Определение содержания воды в нефти перегонкой (Test method for water in crude oil by distillation) |


