ГОСТ 25772-2021 ОГРАЖДЕНИЯ МЕТАЛЛИЧЕСКИЕ ЛЕСТНИЦ, БАЛКОНОВ, КРЫШ, ЛЕСТНИЧНЫХ МАРШЕЙ И ПЛОЩАДОК. ОБЩИЕ ТЕХНИЧЕСКИЕ УСЛОВИЯ
Введен в действие приказом Федерального агентства по техническому регулированию и метрологии от 28 июля 2021 г. N 661-ст
Metal stair railings, balconies, roofs, stairs flights and landings. General technical conditions
МКС 91.080.10
Дата введения - 1 сентября 2021 года
Взамен ГОСТ 25772-83
Предисловие
Цели, основные принципы и общие правила проведения работ по межгосударственной стандартизации установлены ГОСТ 1.0 "Межгосударственная система стандартизации. Основные положения" и ГОСТ 1.2 "Межгосударственная система стандартизации. Стандарты межгосударственные, правила и рекомендации по межгосударственной стандартизации. Правила разработки, принятия, обновления и отмены"
Сведения о стандарте
1 РАЗРАБОТАН Частным учреждением - Центр по сертификации оконной и дверной техники (ЦС ОДТ), Объединением производителей, поставщиков и потребителей алюминия (Алюминиевая Ассоциация)
2 ВНЕСЕН Техническим комитетом по стандартизации ТК 465 "Строительство"
3 ПРИНЯТ Межгосударственным советом по стандартизации, метрологии и сертификации (протокол от 26 февраля 2021 г. N 137-П)
За принятие проголосовали:
|
Краткое наименование страны по МК (ИСО 3166) 004-97 |
Код страны по МК (ИСО 3166) 004-97 |
Сокращенное наименование национального органа по стандартизации |
|
Армения |
AM |
ЗАО "Национальный орган по стандартизации и метрологии" Республики Армения |
|
Киргизия |
KG |
Кыргызстандарт |
|
Россия |
RU |
Росстандарт |
|
Таджикистан |
TJ |
Таджикстандарт |
4 Приказом Федерального агентства по техническому регулированию и метрологии от 28 июля 2021 г. N 661-ст межгосударственный стандарт ГОСТ 25772-2021 введен в действие в качестве национального стандарта Российской Федерации с 1 сентября 2021 г.
5 ВЗАМЕН ГОСТ 25772-83
Информация о введении в действие (прекращении действия) настоящего стандарта и изменений к нему на территории указанных выше государств публикуется в указателях национальных стандартов, издаваемых в этих государствах, а также в сети Интернет на сайтах соответствующих национальных органов по стандартизации.
В случае пересмотра, изменения или отмены настоящего стандарта соответствующая информация будет опубликована на официальном интернет-сайте Межгосударственного совета по стандартизации, метрологии и сертификации в каталоге "Межгосударственные стандарты"
Настоящий стандарт распространяется на стальные и алюминиевые ограждения лестниц, лестничных маршей, площадок, балконов и крыш (далее - изделия) для зданий жилых, общественных, в том числе общеобразовательных и дошкольных организаций.
Настоящий стандарт не распространяется на ограждения стальных и алюминиевых лестниц и площадок для производственных зданий.
В настоящем стандарте использованы нормативные ссылки на следующие межгосударственные стандарты:
ГОСТ 2.102 Единая система конструкторской документации. Виды и комплектность конструкторских документов
ГОСТ 2.321 Единая система конструкторской документации. Обозначения буквенные
ГОСТ 3.1001 Единая система технологической документации. Общие положения
ГОСТ 9.032 Единая система защиты от коррозии и старения. Покрытия лакокрасочные. Группы, технические требования и обозначения
ГОСТ 9.301 Единая система защиты от коррозии и старения. Покрытия металлические и неметаллические неорганические. Общие требования
ГОСТ 9.302 (ИСО 1463-82, ИСО 2064-80, ИСО 2106-82, ИСО 2128-76, ИСО 2177-85, ИСО 2178-82, ИСО 2360-82, ИСО 2361-82, ИСО 2819-80, ИСО 3497-76, ИСО 3543-76, ИСО 3613-80, ИСО 3882-86, ИСО 3892-80, ИСО 4516-80, ИСО 4518-80, ИСО 4522-1-85, ИСО 4522-2-85, ИСО 4524-1-85, ИСО 4524-3-85, ИСО 4524-5-85, ИСО 8401-86). Единая система защиты от коррозии и старения. Покрытия металлические и неметаллические неорганические. Методы контроля
ГОСТ 9.308 Единая система защиты от коррозии и старения. Покрытия металлические и неметаллические неорганические. Методы ускоренных коррозионных испытаний
ГОСТ 9.410 Единая система защиты от коррозии и старения. Покрытия порошковые полимерные. Типовые технологические процессы
ГОСТ 15.309 Система разработки и постановки продукции на производство. Испытания и приемка выпускаемой продукции. Основные положения
ГОСТ 1759.0 Болты, винты, шпильки и гайки. Технические условия
ГОСТ 1759.5 Гайки. Механические свойства и методы испытаний
ГОСТ 2991 Ящики дощатые неразборные для грузов массой до 500 кг. Общие технические условия
ГОСТ 5915 Гайки шестигранные класса точности B. Конструкции и размеры
ГОСТ 7502 Рулетки измерительные металлические. Технические условия
ГОСТ 7798 Болты с шестигранной головкой класса точности B. Конструкция и размеры
ГОСТ 8617 Профили прессованные из алюминия и алюминиевых сплавов. Технические условия
ГОСТ 9142 Ящики из гофрированного картона. Общие технические условия
ГОСТ 9416 <*> Уровни строительные. Технические условия
--------------------------------
<*> В Российской Федерации действует ГОСТ Р 58514-2019.
ГОСТ 10354 Пленка полиэтиленовая. Технические условия
ГОСТ 11371 Шайбы. Технические условия
ГОСТ 13837 Динамометры общего назначения. Технические условия
ГОСТ 14192 Маркировка грузов
ГОСТ 14806 Дуговая сварка алюминия и алюминиевых сплавов в инертных газах. Соединения сварные. Основные типы, конструктивные элементы и размеры
ГОСТ 15140 Материалы лакокрасочные. Методы определения адгезии
ГОСТ 18123 Шайбы. Общие технические условия
ГОСТ 22233 Профили прессованные из алюминиевых сплавов для ограждающих конструкций. Технические условия
ГОСТ 23118 Конструкции стальные строительные. Общие технические условия
ГОСТ 23166 Конструкции оконные и балконные светопрозрачные ограждающие. Общие технические условия
ГОСТ 24033-2018 Окна, двери, ворота. Методы механических испытаний
ГОСТ 24297 Верификация закупленной продукции. Организация проведения и методы контроля
ГОСТ 26433.0 Система обеспечения точности геометрических параметров в строительстве. Правила выполнения измерений. Общие положения
ГОСТ 26433.1 Система обеспечения точности геометрических параметров в строительстве. Правила выполнения измерений. Элементы заводского изготовления
ГОСТ 26663 Пакеты транспортные. Формирование с применением средств пакетирования. Общие технические требования
ГОСТ 30698 Стекло закаленное. Технические условия
ГОСТ 30826 Стекло многослойное. Технические условия
ГОСТ 31149 (ISO 2409:2013) Материалы лакокрасочные. Определение адгезии методом решетчатого надреза
Примечание - При пользовании настоящим стандартом целесообразно проверить действие ссылочных стандартов и классификаторов на официальном интернет-сайте Межгосударственного совета по стандартизации, метрологии и сертификации (www.easc.by) или по указателям национальных стандартов, издаваемым в государствах, указанных в предисловии, или на официальных сайтах соответствующих национальных органов по стандартизации. Если на документ дана недатированная ссылка, то следует использовать документ, действующий на текущий момент, с учетом всех внесенных в него изменений. Если заменен ссылочный документ, на который дана датированная ссылка, то следует использовать указанную версию этого документа. Если после принятия настоящего стандарта в ссылочный документ, на который дана датированная ссылка, внесено изменение, затрагивающее положение, на которое дана ссылка, то это положение применяется без учета данного изменения. Если ссылочный документ отменен без замены, то положение, в котором дана ссылка на него, применяется в части, не затрагивающей эту ссылку.
В настоящем стандарте применены термины по ГОСТ 23166, а также следующие термины с соответствующими определениями:
3.1 ограждение: Барьер, предназначенный задерживать, останавливать или направлять людей и обеспечивать защиту от случайных падений с одного уровня на другой.
3.2 перильное ограждение: Элемент, обеспечивающий поддержку для людей, которым могут быть оборудованы лестницы, площадки, мостики и проходы.
3.3 лестничное ограждение: Ограждения, ограничивающие лестницу.
3.4 горизонтальный (наклонный) промежуточный элемент ограждения: Горизонтальный (наклонный) элемент лестничного ограждения, расположенный параллельно поручням и дополнительно защищающий человека при проходе.
4.1 Металлические ограждения различают по следующим признакам:
- функциональному назначению;
- вариантам заполнения каркаса;
- материалам элементов изделий.
4.2 По функциональному назначению ограждения подразделяют на типы, приведенные в таблице 1.
|
Функциональное назначение |
Обозначение типа |
|
1 Для лестничных маршей, лестниц: | |
|
- внутренних |
ОГМв |
|
- наружных |
ОГМн |
|
- общеобразовательных и дошкольных организаций |
ОГМд |
|
2 Для лестничных площадок: | |
|
- внутренних |
ОГПв |
|
- наружных |
ОГПн |
|
- общеобразовательных и дошкольных организаций |
ОГПд |
|
3 Для балконов: | |
|
- зданий высотой не более 30 м |
ОГБп |
|
- зданий высотой свыше 30 м |
ОГБв |
|
- общеобразовательных и дошкольных организаций |
ОГБд |
|
- незадымляемых лестничных клеток |
ОГБл |
|
4 Для крыш: | |
|
- без парапета |
ОГКо |
|
- с парапетом |
ОГКп |
4.3 По заполнению каркаса ограждения подразделяют:
- на решетчатые (Р);
- экранные (с навеской экранов из листовых, плитных или светопрозрачных материалов) (Э);
- комбинированные (с решетчатыми и экранными участками) (К).
4.4 По материалам изготовления изделия подразделяют:
- на стальные (Ст);
- из алюминиевых сплавов (Ал).
4.5 Структура условного обозначения ограждения приведена в таблице 2.
Таблица 2
|
Порядок изложения элементов условного обозначения |
1 |
2 |
3 |
4 |
5 |
6 |
7 |
|
Элемент условного обозначения |
Тип ограждения |
Исполнение ограждения (правое П, левое Л) |
Материал ограждения |
Угол наклона ограждения |
Заполнение каркаса |
Размеры, дм |
Обозначение нормативного документа (НД) |
Пример условного обозначения левого ограждения внутреннего лестничного марша ОГМв, изготовленного из алюминиевого сплава АД35Т1 по ГОСТ 8617, под углом 45°, с решетчатым заполнением и размерами h = 10 дм и H = 24 дм:
ОГМв АД35Т1 (номер или шифр)
ГОСТ 8617 45 Р 1000 x 2400 ГОСТ 25772-2021
Пример условного обозначения ограждения лестничной площадки наружной лестницы длиной L = 2400 мм и высотой H = 1200 мм, с экранным заполнением, изготовленного из холодногнутого профиля (X):
ОГПн МПХ Э - 24.12 ГОСТ 25772-2021
5.1.1 Основные параметры и размеры ограждений лестничных маршей, площадок, балконов и крыш, а также размеры между конструктивными элементами ограждений приведены в таблице 3.
Таблица 3
В миллиметрах
|
Тип ограждения |
H |
h |
a, не более |
b |
|
ОГМв |
900 |
800 |
150 |
300 |
|
ОГМн |
1200 |
1100 |
150 |
300 |
|
ОГМд |
1200 |
1180 |
100 |
- |
|
ОГПв |
900 |
800 |
150 |
300 |
|
ОГПн |
1200 |
1100 |
150 |
300 |
|
ОГПд |
1200 |
1180 |
100 |
- |
|
ОГБп |
1000 |
900 |
110 |
300 |
|
ОГБв |
1100 |
1000 |
110 |
300 |
|
ОГБд |
1200 |
1180 |
100 |
- |
|
ОГБл |
1200 |
1100 |
110 |
300 |
|
ОГКо |
600 |
- |
300 |
- |
|
ОГКп |
600 |
- |
300 |
- |
Примечание - Буквенные обозначения размеров (H, h, a и b) ограждений установлены в ГОСТ 2.321.
5.1.2 Предельные отклонения размеров от номинальных, отклонение формы от проектной для ограждений приведены в таблице 4.
Таблица 4
В миллиметрах
|
Наименование показателя |
Предельное отклонение |
|
Длина L: | |
|
до 1500 включ. |
± 2 |
|
св. 1500 до 3900 включ. |
± 3 |
|
" 3900 " 7200 " |
± 4 |
|
Высота H |
± 2 |
|
Размеры 300 и менее (a; b) |
± 1 |
|
Перпендикулярность ограждения (кроме лестниц) |
4 |
|
Заданный угол сопряжения элементов ограждения (для лестниц) |
3° |
|
Прямолинейность в плоскости и из плоскости ограждения при длине L: | |
|
до 1500 включ. |
1 |
|
св. 1500 до 3900 включ. |
3 |
|
" 3900 " 7200 " |
5 |
Примечания
1 Предельные отклонения от прямолинейности относятся как к ограждению в целом, так и к отдельным его элементам.
2 Буквенные обозначения размеров (H, h, a и b) ограждений установлены в ГОСТ 2.321.
5.1.3 Ограждения лестниц, лестничных маршей и крыш для общественных зданий следует изготовлять в соответствии с требованиями нормативных документов <*>, действующих на территории государства - участника Соглашения, принявшего настоящий стандарт.
--------------------------------
<*> В Российской Федерации - в соответствии с требованиями СП 118.13330.2012 "СНиП 31-06-2009 Общественные здания и сооружения".
5.1.4 Ограждения лестниц, лестничных маршей, балконов и крыш для жилых зданий следует изготовлять в соответствии с требованиями нормативных документов <**>, действующих на территории государства - участника Соглашения, принявшего настоящий стандарт.
--------------------------------
<**> В Российской Федерации действует СП 54.13330.2016 "СНиП 31-01-2003 Здания жилые многоквартирные".
5.1.5 Ограждения лестниц, лестничных маршей, балконов и крыш для зданий общеобразовательных и дошкольных организаций следует изготовлять в соответствии с требованиями нормативных документов <***>, действующих на территории государства - участника Соглашения, принявшего настоящий стандарт.
--------------------------------
<***> В Российской Федерации действует СП 251.1325800.2016 "Здания общеобразовательных организаций. Правила проектирования", СП 252.1325800.2016 "Здания дошкольных образовательных организаций. Правила проектирования".
5.1.6 Для балконов жилых зданий, за исключением балконов незадымляемых лестничных клеток, рекомендуется применять экранные ограждения.
5.1.7 Ограждения крыш для установки на парапет должны иметь высоту за вычетом высоты парапета.
5.1.8 Ограждения крыш не должны пересекать выход на крышу с площадок пожарных лестниц.
5.1.9 Варианты ограждений лестниц, балконов и крыш приведены в приложении А.
5.2.1 Металлические ограждения следует изготовлять в соответствии с требованиями настоящего стандарта, стандартов на конкретные виды изделий по конструкторской и технологической документации, оформленной по ГОСТ 2.102, ГОСТ 3.1001 и утвержденной руководителем предприятия-изготовителя.
5.2.2 Несущая способность изделий должна обеспечивать восприятие эксплуатационных нагрузок. Расчет прочностных характеристик ограждений следует выполнять исходя из нормативных значений горизонтальных нагрузок на поручни ограждений в соответствии с требованиями нормативных документов <*4>, действующих на территории государства - участника Соглашения, принявшего настоящий стандарт.
--------------------------------
<*4> В Российской Федерации действует СП 20.13330.2016 "СНиП 2.01.07-85* "Нагрузки и воздействия".
Сопротивление изделий динамическим нагрузкам (удару мягким неупругим телом) следует устанавливать по 7.2.
5.2.3 Каркасы стальных ограждений следует изготовлять сварными, алюминиевых ограждений - сварными или сборными. Выбор типа соединений следует устанавливать в конструкторской документации изготовителя.
5.2.3.1 Сварные соединения стальных ограждений должны соответствовать требованиям ГОСТ 23118, алюминиевых ограждений - требованиям ГОСТ 14806 либо иных нормативных документов, устанавливающих требования к сварным соединениям.
Сварку следует выполнять в соответствии с ГОСТ 23118, нормативными документами <*>, действующими на территории государства - участника Соглашения, принявшего настоящий стандарт.
--------------------------------
<*> В Российской Федерации действует СП 128.13330.2016 "СНиП 2.03.06-85 "Алюминиевые конструкции".
Временное сопротивление разрыву металла сварного шва должно быть не ниже требований, предъявляемых к основному металлу.
5.2.3.2 Для болтовых соединений алюминиевых ограждений следует применять стальные болты нормальной точности по ГОСТ 7798 и ГОСТ 1759.0, гайки по ГОСТ 5915 и ГОСТ 1759.5, шайбы по ГОСТ 11371 и ГОСТ 18123 с защитным металлическим покрытием по ГОСТ 9.301 во избежание контактной коррозии.
В случае применения болтов из нержавеющей стали дополнительные мероприятия по защите алюминиевых ограждений от контактной коррозии не требуются.
5.2.4 При сборке или сварке элементов конструкции можно применять дополнительные элементы жесткости - металлические уголки, кронштейны и пр. в соответствии с конструкторской документацией производителя.
5.2.5 Конструкцию ограждения следует надежно крепить к несущему основанию с помощью крепежных изделий (анкеров, стальных пластин, кронштейнов и пр.).
Выбирать крепежные изделия следует на основании прочностных расчетов и/или результатов испытания их несущей способности.
5.2.6 Стальные ограждения должны быть защищены от коррозии способами, установленными в нормативных документах <**>, действующих на территории государства - участника Соглашения, в зависимости от степени агрессивности среды.
--------------------------------
<**> В Российской Федерации действует СП 28.13330.2017 "СНиП 2.03.11-85 "Защита строительных конструкций от коррозии".
Коррозионная стойкость элементов ограждений из алюминиевых профилей при испытании в нейтральном соляном тумане должна быть не менее 1000 ч согласно ГОСТ 22233.
Способ защиты изделий от коррозии следует устанавливать в проектной документации.
5.2.7 Экранное светопрозрачное заполнение ограждения следует изготовлять из многослойного стекла по ГОСТ 30826 (безопасного в эксплуатации, ударостойкого) либо закаленного стекла по ГОСТ 30698.
Толщину и класс защиты применяемого стекла устанавливают в рабочей документации в зависимости от эксплуатационных и других расчетных нагрузок.
Варианты светопрозрачного экранного ограждения приведены в приложении Б.
5.2.8 Элементы заполнения должны быть надежно закреплены в каркасе ограждения. Конструктивное решение узлов крепления стеклянных экранов не должно вызывать пережатия и точечных напряжений в стекле. Закаленные стекла должны иметь шлифованные кромки (для снятия концентраторов напряжения).
При проектировании ограждений необходимо предусматривать возможность замены экранов и иных элементов, подверженных ускоренному износу или ремонту.
5.2.9 В конструкции решетчатых и комбинированных ограждений следует применять горизонтальный или наклонный промежуточный элемент. Расстояние в свету между поручнем и горизонтальным (наклонным) промежуточным элементом ограждения, а также между горизонтальным (наклонным) промежуточным элементом ограждения и боковым каркасным элементом лестницы не должно быть более 500 мм (см. рисунок 1).

Рисунок 1 - Пример перильного ограждения лестницы с наклонным промежуточным ограждающим элементом
5.2.10 Если в конструкции перил вместо промежуточного горизонтального (наклонного) элемента используют вертикальные стойки, горизонтальное расстояние в свету между этими стойками должно быть не более 180 мм.
5.2.11 Для обеспечения коррозионной стойкости стальные изделия должны иметь защитное металлическое покрытие по ГОСТ 9.301, лакокрасочное покрытие по ГОСТ 9.032 или порошковое полимерное покрытие по ГОСТ 9.410, алюминиевые изделия - анодно-окисное покрытие по ГОСТ 9.301, полимерное порошковое по ГОСТ 9.410.
Класс покрытия устанавливают в технической документации предприятия-изготовителя. Покрытия должны быть стойкими к воздействию климатических факторов.
5.2.12 Адгезия лакокрасочного покрытия должна быть не более 2 баллов по ГОСТ 15140 и соответствовать 1 баллу по ГОСТ 31149.
5.2.13 Требования к толщине покрытия устанавливают в технических документах изготовителя на изделия конкретных типов.
5.2.14 Качество сварных соединений должно соответствовать требованиям ГОСТ 23118.
5.2.15 Внешний вид изделий (цвет, текстура) должен соответствовать образцам-эталонам, утвержденным руководителем предприятия-изготовителя, согласно ГОСТ 15.309.
На поверхности ограждений не должно быть механических повреждений, заусенцев, искривлений, окалины или ржавчины.
5.3.1 Материалы для изготовления стальных ограждений следует выбирать в соответствии с ГОСТ 23118.
5.3.2 Для изготовления алюминиевых ограждений следует выбирать алюминиевые профили, изготовленные из сплавов марок АД35, АД31 состояния Т1 по ГОСТ 8617.
Форму, размеры профилей, площади сечений и иные параметры алюминиевых профилей следует выбирать по сортаменту ГОСТ 8617.
5.4.1 Изделия должны иметь полную заводскую готовность и комплектацию.
5.4.2 В комплект поставки должны входить: основные элементы ограждений, экраны для комбинированных ограждений, соединительные и крепежные изделия, спецификация деталей, узлов и элементов комплекта, паспорт, инструкция по эксплуатации изделий. Поставку сборно-разборных изделий сопровождают инструкцией по их сборке.
Дополнительная комплектация должна быть указана в заказе (договоре) и быть согласована с заказчиком (потребителем).
5.4.3 По требованию заказчика (потребителя) изготовитель представляет типовую инструкцию по монтажу изделий, если условия монтажа не установлены в договоре (заказе).
Каждую упаковку изделий маркируют этикеткой (ярлыком) с указанием наименования (товарного знака) предприятия-изготовителя, условного обозначения изделия, количества изделий в упаковке, массы упаковки, даты изготовления и/или номера партии (заказа), знака (штампа), подтверждающего приемку изделий техническим контролем. Маркировка должна быть устойчивой к атмосферным воздействиям.
По согласованию между торговыми партнерами и транспортными организациями на упаковку может быть нанесена дополнительная маркировка с использованием машиночитаемых данных (символов линейного штрихового кода, двумерных символов, а также радиочастотных меток).
Транспортную маркировку следует выполнять в соответствии с требованиями ГОСТ 14192.
6.1 Для проверки соответствия изделий требованиям настоящего стандарта проводят входной, операционный и приемочный контроль.
6.2 Входной контроль материалов и комплектующих изделий проводят по ГОСТ 24297. Методы входного контроля устанавливают исходя из требований нормативных документов поставщика к закупленной продукции.
6.3 Операционный контроль качества продукции проводят в процессе ее изготовления в соответствии с технологической документацией предприятия-изготовителя. Точки контроля, контролируемые параметры и периодичность контроля устанавливают в технологическом регламенте контроля качества. Точность и стабильность параметров технологических операций оценивают в соответствии с требованиями технологической документации предприятия-изготовителя.
6.3.1 Операционный контроль качества сварных соединений проводят в соответствии с требованиями ГОСТ 23118.
6.4 Приемочный контроль изготовленной продукции осуществляет служба контроля качества предприятия-изготовителя в соответствии с требованиями ГОСТ 15.309.
При приемочном контроле осуществляют приемку готовых изделий по качеству на основании данных входного, операционного, приемо-сдаточного контроля и периодических испытаний.
6.5 Приемо-сдаточные и периодические испытания продукции проводят в объеме, с периодичностью и по номенклатуре показателей, установленных в таблице 5.
|
Наименование показателя |
Требование |
Метод испытания |
Категория испытаний |
Периодичность испытаний | |
|
Приемо-сдаточные |
Периодические | ||||
|
Сопротивление изделий горизонтальной статической нагрузке, Н, не менее |
5.2.2 |
7.1 |
- |
+ |
Один раз в пять лет |
|
Стойкость решетчатых ограждений к удару мягким телом массой 30 кг, Дж, не менее |
5.2.2 |
7.2 |
- |
+ | |
|
Класс защиты светопрозрачных экранных ограждений |
5.2.7 |
7.3 |
- |
+ | |
|
Коррозионная стойкость |
5.2.6 |
7.4 |
- |
+ | |
|
Адгезия покрытия |
5.2.12 |
7.5 |
+ |
+ |
См. примечания |
|
Толщина покрытия |
5.2.13 |
7.6 |
+ |
+ | |
|
Внешний вид изделия |
5.2.15 |
7.7 |
+ |
- |
Каждая партия изделий |
|
Качество (класс) покрытия |
5.2.11 |
7.9 |
+ |
- | |
|
Качество сварных соединений |
5.2.14 |
7.10 |
+ |
- | |
|
Геометрические параметры изделия, влияющие на собираемость |
5.1.1 5.1.2 |
7.8 |
+ |
- |
Каждая партия изделий |
|
Комплектность, маркировка, упаковка |
5.4 5.5 9.1 |
7.11 |
+ |
- | |
|
Примечания 1 Толщину и адгезию покрытия контролируют при приемо-сдаточных испытаниях с периодичностью, установленной в технологической документации предприятия-изготовителя, и при периодических испытаниях с периодичностью один раз в пять лет. 2 При приемо-сдаточных испытаниях качества сварных соединений проверяемые контрольные участки должны быть очищены от нанесенной антикоррозионной защиты. | |||||
6.6 При приемке изделий партией считают количество изделий, отгружаемое по конкретному договору (заказу), но не более 200 шт. (если иное не согласовано с потребителем), оформленное одним документом о качестве (паспортом).
6.7 При проведении приемо-сдаточных испытаний партия изделий подвергается выборочному контролю. Объем выборки, подлежащей приемо-сдаточному контролю, должен составлять 5% каждой партии, но не менее 5 шт.
6.8 Если при проверке отобранных изделий окажется как минимум одно изделие, не соответствующее требованиям настоящего стандарта, следует отобрать удвоенное количество изделий от той же партии и провести их повторную проверку.
Если при повторной проверке окажется хотя бы одно изделие, не удовлетворяющее требованиям настоящего стандарта по какому-либо из показателей, эту партию бракуют и отправляют на доработку.
6.9 Периодические испытания изделий проводят на образцах полной заводской готовности, принятых службой контроля качества предприятия-изготовителя. Выбор репрезентативных образцов для испытаний осуществляют согласно ГОСТ 24033. Образцы для испытаний отбирают в соответствии с требованиями ГОСТ 24033. Количество образцов для испытаний определяет испытательная лаборатория исходя из условия обеспечения возможности проведения испытаний в полном объеме.
6.10 Периодические испытания изделий проводят в центрах (лабораториях), допущенных к проведению таких испытаний в порядке, установленном действующим законодательством.
6.11 Каждая партия принятых службой качества изделий должна сопровождаться паспортом, в котором указывают:
- наименование и адрес предприятия-изготовителя или его товарный знак;
- условное обозначение изделия;
- номер партии (заказа);
- количество изделий в партии (шт., м2);
- спецификацию комплектующих изделий;
- дату отгрузки.
Паспорт должен иметь знак (штамп), подтверждающий приемку партии изделий службой качества предприятия-изготовителя. В паспорте рекомендуется указывать основные технические характеристики изделий и гарантийные обязательства.
При реализации изделий через предприятия розничной торговли паспортом сопровождают каждое изделие.
При экспортных операциях содержание сопроводительного документа о качестве устанавливают в договоре на поставку изделий.
6.12 По договоренности сторон приемка изделий потребителем может проводиться у изготовителя, на складе потребителя, у официального дилера, в ином оговоренном в договоре месте или непосредственно на строительном объекте.
6.13 Приемка изделий потребителем не освобождает изготовителя от ответственности при обнаружении скрытых дефектов, приведших к нарушению эксплуатационных характеристик изделий в течение гарантийного срока службы.
6.14 При поставке изделий на объект изготовитель предоставляет подтверждение их соответствия проектным требованиям согласно требованиям нормативных документов <*>, действующих на территории государства - участника Соглашения, принявшего настоящий стандарт.
--------------------------------
<*> В Российской Федерации действует ГОСТ Р 56926-2016 "Конструкции оконные и балконные различного функционального назначения для жилых зданий. Общие технические условия" (раздел 7).
7.1 Испытание прочности ограждения при действии статической (горизонтальной) нагрузки
7.1.1 Требования к образцу
Испытательный образец должен быть полностью собран и установлен в испытательном стенде в соответствии с требованиями к монтажу. Установка образца должна соответствовать условиям эксплуатации изделия.
7.1.2 Требования к испытательному оборудованию
Испытательный стенд должен состоять из прочной стальной рамы для крепления испытуемого образца, вмонтированного во вспомогательную раму. Все соединительные элементы рамы (угловые соединения) должны выдерживать испытательные нагрузки, установленные в 5.2.2.
Устройство для создания и измерения статических нагрузок представляет собой гидравлический цилиндр (гидравлический домкрат), обеспечивающий испытательную нагрузку, на выдвижной шток которого закреплен прибор (динамометр сжатия), измеряющий испытательную нагрузку и передающий через специальные устройства-адаптеры нагрузку на испытуемый образец.
Средства измерений, применяемые для испытаний:
- секундомер;
- рулетка по ГОСТ 7502;
- динамометр по ГОСТ 13837.
Схема приложения статической нагрузки к образцу при испытании прочности ограждения приведена на рисунке 2.

Рисунок 2 - Схема приложения статической нагрузки при испытании прочности ограждений
7.1.3 Порядок проведения испытаний:
- испытуемый образец устанавливают в раме испытательного стенда и закрепляют неподвижно в установленных точках крепления;
- горизонтальную нагрузку на образец увеличивают до контрольного значения по 5.2.2 в течение 2 мин;
- контрольное значение нагрузки удерживают в течение 5 мин, затем уменьшают ее до нуля.
После снятия нагрузки проверяют форму испытанного образца по размеру диагоналей (рулеткой). Результаты испытаний образца считают положительными, если после испытания в нем не возникло изменения формы и признаков разрушения.
7.2 Испытание стойкости решетчатых ограждений к динамической нагрузке (удар мягким неупругим телом массой 30 кг)
Испытание стойкости решетчатых ограждений к динамической нагрузке (удар мягким неупругим телом) выполняют по методике пункта 8.3.3 ГОСТ 24033-2018.
Сущность метода заключается в создании эксплуатационной динамической нагрузки, действующей в сторону возможного падения человека. Схема приложения ударной испытательной нагрузки на примере балконного ограждения приведена на рисунке 3.

1 - середина длины ограждения; 2 - соединение "стойка опорная - перила ограждения"; 3, 4, 5 – центр экрана заполнения ограждения
Рисунок 3 - Схема приложения ударной испытательной нагрузки к решетчатому балконному ограждению
Энергию удара мягким телом W, Дж, следует рассчитывать по формуле
W = mgh·(1 - cos a) или
W = mgh при значении угла a = 90°,
где m - масса груза, кг;
g - ускорение свободного падения, м/с2;
h - длина подвеса груза, мм;
a - угол отклонения груза, град.
Положительный результат испытаний - отсутствие признаков нарушения целостности образца.
7.3 Класс защиты светопрозрачного экранного заполнения определяют испытаниями по методикам ГОСТ 30826, ГОСТ 30698.
7.4 Коррозионную стойкость стальных изделий проверяют методами, установленными в ГОСТ 9.308.
Коррозионную стойкость алюминиевых изделий проверяют по ГОСТ 22233. При испытаниях изделий, состоящих из алюминиевых профилей в сочетании со стальными оцинкованными элементами (крепления, соединения и пр.) стойкость к коррозии проверяют на фрагменте изделия вместе с элементами из оцинкованной стали.
7.5 Прочность сцепления лакокрасочных покрытий с отделываемой поверхностью (адгезию) определяют методом решетчатых надрезов по ГОСТ 15140, ГОСТ 31149.
7.6 Толщину металлических и лакокрасочных покрытий на металлических поверхностях изделий измеряют на отдельных элементах с помощью приборов-толщиномеров с областью измерения, установленной в ГОСТ 9.302.
7.7 Внешний вид изделий, комплектность, сборку каркаса и элементов заполнения, применяемые крепежные изделия и другие детали проверяют визуально на соответствие требованиям настоящего стандарта, конструкторской документации и образцам-эталонам.
7.8 Геометрические размеры изделий определяют измерением с использованием методов, установленных в ГОСТ 26433.0, ГОСТ 26433.1.
Приборы (оборудование) для проведения измерений должны быть поверены в установленном порядке.
7.9 Качество и класс покрытия определяют визуально и измерением в соответствии с ГОСТ 9.032, ГОСТ 9.410, ГОСТ 9.301.
7.10 Качество сварных соединений проверяют визуально на соответствие 5.2.14.
7.11 Комплектность, маркировку и упаковку проверяют визуально.
8.1 Упаковка изделий должна обеспечивать их сохранность при хранении, погрузочно-разгрузочных работах и транспортировании.
Упаковку изделий выполняют в соответствии с требованиями ГОСТ 26663 в пакеты, изготовленные по чертежам предприятия-изготовителя и исключающие взаимное смещение и повреждение изделий.
Допускается упаковка изделий в деревянные ящики по ГОСТ 2991, коробки из гофрированного картона по ГОСТ 9142 или полиэтиленовую пленку по ГОСТ 10354.
При поставке комплектующих деталей (соединительных, крепежных и пр.) по договоренности с заказчиком (потребителем) отдельно от изделий детали должны быть упакованы в картонные коробки или полиэтиленовую пленку (пакеты).
8.2 Требования к хранению и транспортированию изделий и комплектующих деталей, а также правила транспортирования устанавливают в НД на конкретные виды изделий с учетом требований ГОСТ 23118.
8.3 Изделия транспортируют всеми видами транспорта в соответствии с правилами перевозки грузов, действующими на конкретном виде транспорта.
8.4 Изделия хранят в заводской упаковке в крытых проветриваемых помещениях в условиях, исключающих их повреждение и загрязнение.
Между изделиями рекомендуется устанавливать разделительные прокладки из эластичных материалов либо деревянные.
9.1 Требования к монтажу изделий устанавливают в рабочей документации на конкретные варианты узлов крепления к несущему основанию.
9.2 Конструкция узлов крепления изделий к несущему основанию должна быть разработана с учетом действующих эксплуатационных нагрузок, материала несущей основы и подтверждена соответствующими расчетами.
Крепление изделий к несущему основанию следует проводить монтажными крепежными деталями, рассчитанными на восприятие этих нагрузок. Расположение элементов крепления и способ их закрепления в несущем основании должны быть указаны в рабочей документации.
9.3 В конструкции узлов крепления следует применять изолирующие прокладки, препятствующие возникновению контактной электрохимической коррозии.
9.4 Конструкцией ограждений должно быть предусмотрено исключение любого риска получения травмы, вызванного острыми краями, захватом одежды и пр.
9.5 Монтаж изделий должен быть осуществлен профильными строительными организациями либо предприятиями - изготовителями ограждающих конструкций. Окончание монтажных работ должно быть подтверждено актом сдачи-приемки, оформленным в установленном порядке.
9.6 По требованию заказчика (потребителя) изготовитель изделий (либо монтажная организация) должны предоставлять типовую инструкцию по монтажу ограждений, содержащую следующее: чертежи (схемы) типовых монтажных узлов крепления, перечень применяемых при монтаже изделий материалов, последовательность технологических операций по монтажу ограждений.
9.7 Правила эксплуатации изделий устанавливают в проектной документации и инструкции по эксплуатации, входящей в комплект поставки изделий.
Правила эксплуатации должны содержать требования к поддержанию исправного технического состояния и внешнего вида изделий, периодичность и порядок технического осмотра смонтированных изделий.
10.1 Изготовитель гарантирует соответствие изделий требованиям настоящего стандарта при условии соблюдения потребителем правил хранения, монтажа и эксплуатации, а также области применения изделий.
10.2 Гарантийный срок эксплуатации рекомендуется устанавливать с учетом условий и интенсивности эксплуатации, но не менее 24 мес со дня установки на объекте.
10.3 При необходимости потребитель может заключать договоры с эксплуатирующей организацией либо с изготовителем на проведение обслуживания изделий.
Приложение А
(справочное)

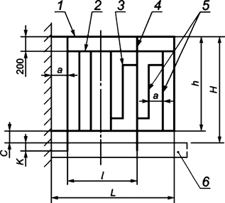
1, 2 - наклонный промежуточный ограждающий элемент; 3 - вертикальный ограждающий элемент; 4 - стойка; 5 - поручень; 6 - ступени
Рисунок А.1 - Решетчатые ограждения лестничных маршей

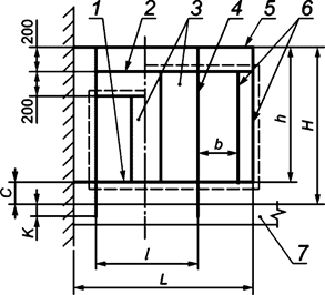
1, 4 - наклонный промежуточный ограждающий элемент; 2 - экран (показан пунктирной линией); 3 - стойка; 5 - поручень; 6 - ступени
Рисунок А.2 - Экранные и комбинированные ограждения лестничных маршей

1 - поручень; 2, 3 - горизонтальный промежуточный ограждающий элемент; 4 - стойка; 5 – вертикальный ограждающий элемент; 6 - плита лестничной площадки
Рисунок А.3 - Решетчатые ограждения лестничных площадок

1, 2 - горизонтальный промежуточный ограждающий элемент; 3 - экран (показан пунктирной линией); 4 - стойка; 5 - поручень; 6 - вертикальный ограждающий элемент; 7 - плита лестничной площадки
Рисунок А.4 - Экранные и комбинированные ограждения лестничных площадок

1, 2 - горизонтальный промежуточный ограждающий элемент; 3 - поручень; 4 - стойка; 5 - вертикальный ограждающий элемент; 6 - балконная плита
Рисунок А.5 - Решетчатые ограждения балконов

1, 2 - горизонтальный промежуточный ограждающий элемент; 3 - стойка; 4 - поручень; 5 - экран (показан пунктирной линией); 6 - вертикальный ограждающий элемент; 7 - балконная плита
Рисунок А.6 - Экранные и комбинированные ограждения балконов

1 - стойка; 2 - горизонтальный ограждающий элемент; 3 - уровень кровли
Рисунок А.7 - Ограждения крыш без парапета

1 - стойка; 2 - горизонтальный ограждающий элемент; 3 - уровень кровли
Рисунок А.8 - Ограждения крыш с парапетом
Примечания
1 Значения шага стоек l и общей длины ограждения L принимают по рабочим чертежам.
2 Значение длины стойки k для ее заделки или приварки к плите или лестничному маршу принимают по рабочим чертежам.
3 Буквенные обозначения изделий установлены в соответствии с ГОСТ 2.321.
4 Архитектурные решения ограждений являются условными.
Приложение Б
(справочное)

L - расстояние между опорными стойками
Рисунок Б.1 - Вариант светопрозрачного экранного ограждения с нижним креплением к несущей основе

Примечание - Приложение ударной нагрузки к экрану при испытаниях по центру образца.
Рисунок Б.2 - Вариант светопрозрачного экранного ограждения с боковым креплением к несущей основе


