Введен в действие приказом Федерального агентства по техническому регулированию и метрологии от 26 ноября 2020 г. N 1186-ст
Межгосударственный стандарт ГОСТ 20276.5-2020
"ГРУНТЫ. МЕТОД ВРАЩАТЕЛЬНОГО СРЕЗА"
Soils. Method of rotational cut
МКС 93.020
Дата введения - 1 января 2021 г.
Взамен ГОСТ 20276-2012 в части
метода вращательного среза
Предисловие
Цели, основные принципы и общие правила проведения работ по межгосударственной стандартизации установлены ГОСТ 1.0 "Межгосударственная система стандартизации. Основные положения" и ГОСТ 1.2 "Межгосударственная система стандартизации. Стандарты межгосударственные, правила и рекомендации по межгосударственной стандартизации. Правила разработки, принятия, обновления и отмены"
Сведения о стандарте
1 Разработан Научно-исследовательским, проектно-изыскательским и конструкторско-технологическим институтом оснований и подземных сооружений им. Н.М. Герсеванова (НИИОСП им. Н.М. Герсеванова) - Акционерным обществом "Научно-исследовательский центр "Строительство" (АО "НИЦ "Строительство")
2 Внесен Техническим комитетом по стандартизации ТК 465 "Строительство"
3 Принят Межгосударственным советом по стандартизации, метрологии и сертификации (протокол от 27 июля 2020 г. N 57)
За принятие проголосовали:
|
Краткое наименование страны по МК (ИСО 3166) 004-97
|
Код страны по МК (ИСО 3166) 004-97
|
Сокращенное наименование национального органа по стандартизации
|
|
Армения
|
AM
|
ЗАО "Национальный орган по стандартизации и метрологии" Республики Армения
|
|
Беларусь
|
BU
|
Госстандарт Республики Беларусь
|
|
Казахстан
|
KZ
|
Госстандарт Республики Казахстан
|
|
Киргизия
|
KG
|
Кыргызстандарт
|
|
Россия
|
RU
|
Росстандарт
|
|
Таджикистан
|
TJ
|
Таджикстандарт
|
|
Узбекистан
|
UZ
|
Узстандарт
|
4 Приказом Федерального агентства по техническому регулированию и метрологии от 26 ноября 2020 г. N 1186-ст межгосударственный стандарт ГОСТ 20276.5-2020 введен в действие в качестве национального стандарта Российской Федерации с 1 января 2021 г.
5 Взамен ГОСТ 20276-2012 в части метода вращательного среза
1 Область применения
Настоящий стандарт устанавливает требования к испытаниям методом вращательного среза дисперсных связных глинистых грунтов с показателем текучести I L > 0,5, в том числе с крупнообломочными включениями размерами 2-10 мм в количестве не более 15 % по массе, при их исследовании для строительства.
2 Нормативные ссылки
В настоящем стандарте использованы нормативные ссылки на следующие межгосударственные стандарты:
ГОСТ 5180 Грунты. Методы лабораторного определения физических характеристик
ГОСТ 12536 Грунты. Методы лабораторного определения гранулометрического (зернового) и микроагрегатного состава
ГОСТ 25100 Грунты. Классификация
ГОСТ 30672 Грунты. Полевые испытания. Общие положения
Примечание - При пользовании настоящим стандартом целесообразно проверить действие ссылочных стандартов и классификаторов в сети Интернет на официальном сайте Межгосударственного совета по стандартизации, метрологии и сертификации (www.easc.by) или в указателях национальных стандартов, издаваемых в государствах, указанных в предисловии, или на официальных сайтах соответствующих национальных органов по стандартизации. Если на документ дана недатированная ссылка, то следует использовать документ, действующий на текущий момент, с учетом всех внесенных в него изменений. Если заменен ссылочный документ, на который дана датированная ссылка, то следует использовать указанную версию этого документа. Если после принятия настоящего стандарта в ссылочный документ, на который дана датированная ссылка, внесено изменение, затрагивающее положение, на которое дана ссылка, то это положение применяется без учета данного изменения. Если ссылочный документ отменен без замены, то положение, в котором дана ссылка на него, применяется в части, не затрагивающей эту ссылку.
3 Термины и определения
В настоящем стандарте применены термины по ГОСТ 25100, ГОСТ 30672, а также следующие термины с соответствующими определениями:
3.1 крыльчатка: Рабочий наконечник с лопастями.
3.2 показатель чувствительности грунта S t, д. е.: Отношение сопротивления недренированному сдвигу глинистых грунтов ненарушенного c u и нарушенного сложения c ur.
4 Общие положения
4.1 Испытания грунта вращательным срезом проводят для определения сопротивления недренированному сдвигу грунтов и показателя чувствительности глинистых, органоминеральных и органических грунтов.
4.2 Общие требования к полевым испытаниям грунтов, оборудованию и приборам, подготовке площадок и выработок для испытаний приведены в ГОСТ 30672.
4.3 Испытания грунтов методом вращательного среза осуществляются с помощью рабочего наконечника - крыльчатки, состоящей из четырех пластин, расположенных под углом 90° друг к другу. Конструкция крыльчатки представлена в приложении А.
4.4 Испытания методом вращательного среза проводят путем вдавливания рабочего наконечника в грунт на заданную глубину и последующего приложения горизонтальной касательной нагрузки со срезом грунта по цилиндрической поверхности, образуемой вращением крыльчатки.
4.5 Испытания методом вращательного среза проводят в массиве грунта в условиях природного залегания путем погружения крыльчатки на отметку испытания с поверхности земли и со дна горных выработок (расчисток, котлованов, шурфов, штреков, забоев буровых скважин и т.д.).
4.6 При проходке опытной скважины запрещается применение ударно-канатного, вибрационного и шнекового бурения, начиная с отметки на 1 м выше участка, на котором будет проводиться испытание. На этом участке скважину следует проходить вращательным способом с помощью колонковой трубы, обуривающего грунтоноса или буровой ложки, частота вращения которых не должна превышать 60 мин -1, осевая нагрузка на буровой наконечник - не более 0,5 кН.
4.7 При бурении скважин для испытания грунта ниже уровня подземных вод не допускается понижение уровня подземных вод в скважине.
4.8 Промежуток времени между окончанием бурения опытной скважины и началом испытания грунта выше уровня подземных вод не должен превышать 2 ч, ниже уровня подземных вод - 0,5 ч.
4.9 Проходку горных выработок в мерзлых грунтах проводят до требуемой по условиям испытаний глубины максимального сезонного оттаивания, а в условиях несливающейся многолетнемерзлой толщи - до верхней границы этой толщи.
4.10 Условия применения метода приведены в таблице 4.1.
Таблица 4.1 - Условия применения метода вращательного среза
|
Грунты
|
Гидрогеологические условия
|
Условия применения метода
|
|
Место проведения испытания
|
Глубина испытания, м
|
Минимальный диаметр скважины, мм
|
Минимальный диаметр обсадных труб, мм
|
Минимальная площадь среза грунта, см 2
|
|
Суглинки с I L > 0,50; органоминеральные и органические грунты
|
Выше и ниже уровня подземных вод
|
В массиве ниже забоя буровой скважины
|
0,5-20
|
89-146
|
89-146
|
200-600
|
|
Суглинки с I L > 1; органоминеральные и органические грунты
|
Выше и ниже уровня подземных вод
|
В массиве с поверхности
|
0,3-20
|
-
|
-
|
200-600
|
4.11 Минимальная толщина однородного слоя испытуемого грунта должна быть не менее 1,5 высоты рабочего наконечника при испытании грунта на срез в скважинах и массиве.
4.12 На отметке испытания грунта в скважинах и других выработках должны быть отобраны образцы и в лабораторных условиях определены следующие физические характеристики: гранулометрический состав по ГОСТ 12536, влажность и плотность грунта, плотность частиц грунта, влажность на границах раскатывания и текучести по ГОСТ 5180, а также должны быть вычислены плотность сухого грунта, коэффициент пористости, коэффициент водонасыщения, число пластичности и показатель текучести.
4.13 В процессе полевых испытаний методом вращательного среза ведут журналы по форме, приведенной в приложении Б.
5 Проведение испытания
5.1 Оборудование и приборы
5.1.1 В состав установки для испытания грунта методом вращательного среза должны входить:
- крыльчатка;
- штанги;
- устройства для создания и измерения крутящего момента;
- устройство для вдавливания крыльчатки в грунт.
Для испытания грунта в массиве установку дополняют устройством для отключения крыльчатки от штанг, позволяющим измерять трение штанг о грунт при неподвижной крыльчатке.
5.1.2 Конструкция установки должна обеспечивать:
- вдавливание крыльчатки в грунт ниже забоя опытной скважины или массив и фиксацию ее на заданной глубине;
- передачу крутящего момента на крыльчатку;
- градуировку устройства для измерения крутящего момента;
- фиксирование штанг на заданной глубине, исключающее самопроизвольное вертикальное и горизонтальное перемещения штанг и крыльчатки.
5.1.3 Установки должны иметь технический паспорт, инструкцию по эксплуатации и градуировочную таблицу предприятия - изготовителя измерительного устройства.
5.1.4 Поверки измерительного устройства необходимо проводить при получении его с предприятия и перед выездом на полевые работы, но не реже одного раза в 3 мес, а также после выявления и устранения неисправностей измерительного устройства или замены его деталей. Результаты поверок следует оформлять актами.
5.1.5 Периодически необходимо проверять прямолинейность штанг путем их сборки в звенья длиной 3 м на ровной поверхности. Отклонение звеньев штанг от прямой линии не должно превышать 3 мм в любой плоскости по всей длине проверяемого звена. Сопряжения звеньев штанг также должны обеспечивать прямолинейность.
5.1.6 В зависимости от вида и состояния грунта используют следующие типы крыльчатки (см. приложение В):
- тип I - при испытаниях глинистых грунтов с 0,5 < I L ≤ 0,75, органоминеральных грунтов, в том числе с крупнообломочными включениями размерами до 10 мм, в количестве менее 15 % по массе;
- тип II - при испытаниях глинистых грунтов с 0,75 < I L ≤ 1, органоминеральных, в том числе с крупнообломочными включениями размером до 10 мм, в количестве менее 15 % по массе;
- тип III - при испытаниях глинистых грунтов с I L > 1, органоминеральных и органических грунтов (без крупнообломочных включений).
5.1.7 Устройство для измерения крутящего момента должно быть проградуировано. По результатам градуировки составляют график (таблицу) зависимости крутящего момента М, кН·см, от показаний измерительного устройства N, см, и вычисляют постоянную характеристику измерительного устройства n, кН, по формуле
.
(5.1)
5.2 Подготовка к испытанию
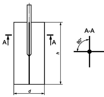
5.2.1 При испытании грунта в скважине проходку опытной скважины осуществляют с учетом указаний 4.6. Забой опытной скважины должен быть расположен на 0,4-0,5 м выше отметки испытания грунта.
5.2.2 Собранную колонну штанг с крыльчаткой общей длиной на 0,8-1,2 м больше глубины отметки испытания грунта вертикально опускают в скважину и плавно вдавливают в грунт, заглубляя крыльчатку до отметки испытания.
5.2.3 При испытании грунта в массиве крыльчатку вдавливают в грунт, применяя, при необходимости, рычаги, домкраты или специальные устройства, постепенно наращивая колонну штанг.
5.2.4 После погружения верх колонны штанг соединяют с головкой устройства для создания и измерения крутящего момента и записывают начальные показания приборов.
5.2.5 Необходимое расстояние по горизонтали между точками исследования должно составлять не менее 2 м, если глубина испытаний крыльчаткой больше 5 м, и не менее 1 м, если глубина испытаний менее 5 м.
5.3 Проведение испытания
5.3.1 С помощью устройства для создания крутящего момента вращают колонну штанг с крыльчаткой с угловой скоростью 0,2-0,3 град/с. По мере вращения записывают показания приборов для измерения крутящего момента до достижения максимального показания N max, соответствующего максимальному значению крутящего момента М max.
5.3.2 Далее продолжают вращение с угловой скоростью 2-3 град/с до условной стабилизации значений крутящего момента, достигаемой за два-три полных оборота штанги, и записывают установившееся значение N уст, соответствующее установившемуся значению крутящего момента М с.
5.3.3 При испытании грунта в скважинах допускается не учитывать трение штанг крыльчатки по грунту и принимать крутящий момент на преодоление этого трения М 0 равным нулю.
5.3.4 При испытании грунта в массиве для определения М 0 отсоединяют крыльчатку от колонны штанг и определяют показания измерительного прибора в соответствии с 5.4.2.
5.3.5 Испытания в массиве допускается проводить до глубины, где отношение
.
(5.2)
При меньших значениях этого отношения испытание следует проводить в скважине.
5.4 Обработка результатов
5.4.1 Данные испытаний оформляют в соответствии с приложением Б. По данным испытаний вычисляют крутящие моменты М max, М с и М 0 по формулам:
Mmax = n·Nmax,
(5.3)
Mc = n·Nуст,
(5.4)
M0 = n·N0,
(5.5)
где n - постоянная измерительного устройства, кН, определяемая по результатам градуировки;
N max, N уст - максимальное и установившееся показания измерительного устройства, см;
N 0 - показание измерительного устройства, характеризующее трение штанг о грунт при отключенной крыльчатке, см.
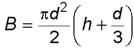
5.4.2 За сопротивление грунта срезу τmax, МПа, принимают значение, определяемое по формуле
,
(5.6)
где В - постоянная крыльчатки, см 3. Она равна статическому моменту цилиндрической поверхности среза относительно оси вращения. Постоянную крыльчатки принимают в зависимости от типа крыльчатки и вычисляют по формуле
,
(5.7)
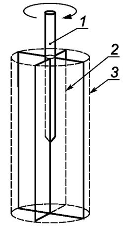
где d - диаметр крыльчатки, см;
h - высота крыльчатки, см.
5.4.3 За установившееся сопротивление грунта вращательному срезу τmin, МПа, принимают значение, определяемое по формуле
.
(5.8)
5.4.4 По результатам испытания методом вращательного среза определяют сопротивление недренированному сдвигу грунта ненарушенного сложения c u, принимая c u = τmax, и сопротивление недренированному сдвигу грунта нарушенного сложения, принимая c u = τmin.
5.4.5 Показатель чувствительности S t определяется в соответствии с ГОСТ 25100 по формулам:

(5.9)
или
.
(5.10)
Приложение А
(справочное)
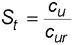
Конструкция крыльчатки. Схема испытания грунта методом вращательного среза
|

|

|
|
1 - штанга; 2 - лопасть; 3 - цилиндрическая поверхность среза
|
d - диаметр крыльчатки; h - высота крыльчатки; t - толщина лопасти
|
|
Рисунок А.1 - Вращение крыльчатки
|
Рисунок А.2 - Крыльчатка
|

Рисунок А.3 - Схема испытания методом вращательного среза в скважине (а) и в массиве грунта (б)
Приложение Б
(рекомендуемое)
Форма первой и второй страниц журнала
Б.1 Форма первой страницы журнала
Организация ________________________________________________________
ЖУРНАЛ ИСПЫТАНИЙ ГРУНТА МЕТОДОМ ВРАЩАТЕЛЬНОГО СРЕЗА
Объект (пункт) _____________________________________________________
Сооружение _________________________________________________________
Дата испытания: начало ______________ 20__ г.
окончание ___________ 20__ г.
Выработка N __________ Схема расположения скважины (точки) испытания
Номер испытания _____________________________
Абсолютная отметка
устья выработки ___________________________ м
Тип крыльчатки ______________________________
Глубина скважины __________________________ м
Глубина испытания _________________________ м
Б.2 Форма второй страницы журнала
|
Отметка испытания на глубине, м
|
Показания измерительного устройства, см
|
Крутящие моменты, кН·см
|
Удельное сопротивление срезу, МПа
|
Показатель чувствительности грунта
|
|
N max
|
N уст
|
N 0
|
M max
|
M уст
|
M 0
|
τmax
|
τуст
|
S t
|
|
|
|
|
|
|
|
|
|
|
|
Приложение В
(рекомендуемое)
Основные параметры установки для испытания грунта вращательным срезом
Таблица В.1 - Состав установки и ее характеристики в зависимости от типа крыльчатки
|
Состав крыльчатки и ее характеристики
|
Тип крыльчатки
|
|
I
|
II
|
III
|
|
Крыльчатка размерами, мм:
|
|
|
|
|
- высота
|
120
|
150
|
200
|
|
- ширина
|
60
|
75
|
100
|
|
- толщина лопасти
|
2
|
2,5
|
3
|
|
Постоянная крыльчатки S, см 3
|
791
|
1545
|
3663
|
|
Штанга, мм:
|
|
|
|
|
- наружный диаметр
|
|
22-33,5
|
|
|
- длина
|
|
500-3000
|
|
|
Максимальный крутящий момент устройства, кН·см, не менее
|
18
|
|
Погрешность измерения крутящего момента, кН·м
|
0,36
|
0,18
|
0,18
|