Утв. и введен в действие постановлением Государственного комитета СССР по стандартам от 22 мая 1980 г. N 2306
Государственный стандарт Союза ССР ГОСТ 24199-80
"КРОНШТЕЙНЫ РЕГУЛИРУЕМЫЕ. КОНСТРУКЦИЯ"
С изменениями:
(29 ноября 1990 г.)
Regulated brackets. Design and basic dimensions
ОКП 48 3475
Группа Г18
Дата введения 1 июля 1981 г.
Взамен ГОСТ 15931-74
Информационные данные
1. Разработан и внесен Министерством монтажных и специальных строительных работ СССР
Исполнители
М.Г. Скакунов, д-р техн. наук; Н.Н. Куликов; Р.И. Шарунова
2. Утвержден и введен в действие Постановлением Государственного комитета СССР по стандартам от 22.05.80 N 2306
3. Взамен ГОСТ 15931-74
4. Срок проверки - I квартал 1990 г.; периодичность проверки - 5 лет.
5. Ссылочные нормативно-технические документы
|
Обозначение НТД, на который дана ссылка
|
Номер пункта
|
|
ГОСТ 5915-70
|
2
|
|
ГОСТ 7798-70
|
2
|
|
ГОСТ 24192-80
|
2
|
|
ГОСТ 2685-75
|
6
|
|
ГОСТ 24201-80
|
7
|
6. Переиздание (май 1988 г.) с Изменением N 1, утвержденным в январе 1988 г. (ИУС 4-88).
Снято ограничение срока действия Постановлением Госстандарта СССР от 28.01.88 N 156
1. Настоящий стандарт распространяется на регулируемые кронштейны, применяемые для крепления стеклянных трубопроводов.
Требования настоящего стандарта являются обязательными.
2. Конструкция и основные размеры регулируемых кронштейнов должны соответствовать указанным на черт. 1 и в табл. 1.

1 - стержень: 2 - ползунок; 3 - скоба; 4 - хомут; 5 - хомут с хвостовиком; 6 - прокладка по ГОСТ 24192-80; 7 - болт M6х30.36.016 по ГОСТ 7798-70; 8 - гайка M6.4.0.16 по ГОСТ 3915-70; 9 - шайба 6.30.01 по ГОСТ 11371-78; 10 - болт M8х16.36.016 по ГОСТ 7798-70; 11 - болт M6х25.36.016 по ГОСТ 7798-70
Черт. 1
Таблица 1
Размеры в мм
|
Для труб
|
Условный проход D у
|
Наружный диаметр трубы
|
Исполнение 1
|
Исполнение 2
|
|
A min
|
A max
|
Масса, кг, не более
|
A min
|
A max
|
Масса, кг, не более
|
|
L = 350
|
L = 500
|
Δ = 350
|
Δ = 500
|
|
С буртами
|
15
|
-
|
48
|
92
|
-
|
1,04
|
44
|
96
|
-
|
1,08
|
|
25
|
-
|
55
|
98
|
-
|
1,06
|
51
|
102
|
-
|
1,10
|
|
32
|
-
|
58
|
103
|
-
|
1,09
|
54
|
107
|
-
|
1,13
|
|
40
|
-
|
64
|
108
|
-
|
1,11
|
60
|
112
|
-
|
1,15
|
|
50
|
-
|
70
|
113
|
-
|
1,14
|
66
|
117
|
-
|
1,18
|
|
С гладкими концами
|
40
|
45
|
62
|
119
|
0,91
|
1,18
|
59
|
122
|
0,95
|
1,22
|
|
50
|
67
|
75
|
131
|
0,96
|
1,23
|
72
|
134
|
1,00
|
1,27
|
|
80
|
93
|
89
|
146
|
1,26
|
1,53
|
86
|
149
|
1,34
|
1,61
|
|
100
|
122
|
104
|
161
|
1,34
|
1,61
|
101
|
164
|
1,48
|
1,75
|
Пример условного обозначения кронштейна исполнения 1 для трубы с буртами D у = 15 мм:
Кронштейн 15 - 1 ГОСТ 24199-80
То же, исполнения 2:
Кронштейн 15 - 2 ГОСТ 24199-80
То же, исполнения 1, для трубы с гладкими концами D у = 40 мм, длиной L = 350 мм:
Кронштейн 40 - 350 - 1 ГОСТ 24199-80
То же, исполнения 2:
Кронштейн 40 - 350 - 2 ГОСТ 24199-80
3. Конструкция и основные размеры стержня должны соответствовать указанным на черт. 2 и в табл. 2.
Таблица 2
|

|
l, мм
|
Масса, кг, не более
|
|
350
|
0,63
|
|
500
|
0,89
|
Черт. 2
Пример условного обозначения стержня длиной l = 350 мм из стали марки Ст3кп:
Стержень 350 ГОСТ 24199-80
То же, из стали марки Ст3сп:
Стержень 350 - С ГОСТ 24199-80
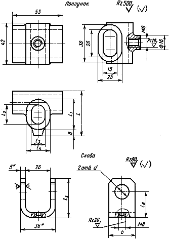
4. Конструкция и основные размеры ползунка и скобы должны соответствовать указанным на черт. 3 и в табл. 3.

──────────────────────────────
* Размер для справок.
──────────────────────────────
Черт. 3
Таблица 3
Размеры в мм
|
Для труб
|
Условный проход D у
|
Наружный диаметр трубы
|
L
|
L 1
|
L 2
|
L 3
|
L 4
|
L 5
|
L 6
|
d
|
b
|
Масса, кг, не более
|
|
ползунка
|
скобы
|
|
С буртами
|
15
|
-
|
45
|
28
|
18
|
15
|
25
|
40
|
26
|
16
|
30
|
0,07
|
0,11
|
|
25
|
-
|
|
32
|
-
|
|
40
|
-
|
|
50
|
-
|
|
С гладкими концами
|
40
|
45
|
|
50
|
67
|
|
80
|
93
|
58
|
41
|
31
|
28
|
38
|
5
|
35
|
30
|
45
|
0,10
|
0,18
|
|
100
|
122
|
Пример условного обозначения ползунка для трубы с буртами D у = 15 мм:
Ползунок 15 ГОСТ 24199-80
То же, скобы D у = 15 мм:
Скоба 15 ГОСТ 24199-80
То же, для трубы с гладкими концами D у = 40 мм и D н = 45 мм:
Ползунок 40 - 45 ГОСТ 24199-80
Те же, скобы D у = 40 мм и D н = 45 мм:
Скоба 40 - 45 ГОСТ 24199-80
5. Конструкция и основные размеры хомута и хомута с хвостовиком должны соответствовать указанным на черт. 4 и в табл. 4.

──────────────────────────────
* Размеры для справок.
──────────────────────────────
Черт. 4
Таблица 4
Размеры в мм
|
Для труб
|
Условный диаметр трубы D у
|
Наружный диаметр трубы D н
|
D
|
h
|
L
|
А
|
H
|
d
|
Масса, кг не более
|
|
хомута
|
хомута с хвостовиком
|
|
С буртами
|
15
|
-
|
28
|
5
|
80
|
60
|
116
|
12
|
0,020
|
0,050
|
|
25
|
-
|
40
|
90
|
70
|
122
|
0,025
|
0,055
|
|
32
|
-
|
47
|
6
|
100
|
80
|
126,5
|
0,035
|
0,065
|
|
40
|
-
|
57
|
110
|
90
|
131,5
|
0,040
|
0,070
|
|
50
|
-
|
67
|
7
|
120
|
100
|
137,5
|
0,050
|
0,080
|
|
С гладкими концами
|
40
|
45
|
53
|
110
|
85
|
140,0
|
0,060
|
0,100
|
|
50
|
67
|
75
|
8
|
135
|
110
|
152,0
|
0,080
|
0,110
|
|
80
|
93
|
100
|
10
|
175
|
150
|
167,0
|
25
|
0,150
|
0,290
|
|
100
|
122
|
130
|
205
|
180
|
182,0
|
0,180
|
0,320
|
Пример условного обозначения хомута для труб с буртами D у = 15 мм:
Хомут 15 ГОСТ 24199-80
То же, хомута с хвостовиком:
Хомут с хвостовиком 15 ГОСТ 24199-80
То же, для труб с гладкими концами D у = 40 и D н = 45 мм
Хомут 40 - 45 ГОСТ 24199-80
То же, хомута с хвостовикам:
Хомут с хвостовиком 40 - 45 ГОСТ 24199-80
6. Детали кронштейнов должны быть изготовлены:
стержень и скоба - из стали марки Ст3кп или Ст3сп по ГОСТ 380-88;
ползунок, хомут с хвостовиком и хомут - из алюминиевого сплава марки АК7 по ГОСТ 2685-75.
7. Технические требования - по ГОСТ 24201-80.
8. Коды ОКП приведены в приложении.
Приложение
Справочное
(с изменениями от 29 ноября 1991 г.)
|
Условное обозначение кронштейна
|
Код ОКП и контрольное число
|
|
15-1
|
48 3475 4024 09
|
|
15-2
|
48 3475 4025 08
|
|
25-1
|
48 3475 4026 07
|
|
25-2
|
48 3475 4027 06
|
|
32-1
|
48 3475 4028 05
|
|
32-2
|
48 3475 4029 04
|
|
40-1
|
48 3475 4031 04
|
|
40-2
|
48 3475 4032 09
|
|
50-1
|
48 3475 4033 08
|
|
50-2
|
48 3475 4034 07
|
|
45-350-1
|
48 3475 4001 05
|
|
45-350-2
|
48 3475 4002 04
|
|
45-500-1
|
48 3475 4003 03
|
|
45-500-2
|
48 3475 4004 02
|
|
67-350-1
|
48 3475 4005 01
|
|
67-350-2
|
48 3475 4006 00
|
|
67-500-1
|
48 3475 4007 02
|
|
67-500-2
|
48 3475 4008 09
|
|
93-350-1
|
48 3475 4009 08
|
|
93-350-2
|
48 3475 4011 03
|
|
93-500-1
|
48 3475 4012 02
|
|
93-500-2
|
48 3475 4013 01
|
|
122-350-1
|
48 3475 4014 00
|
|
122-350-2
|
48 3475 4015 10
|
|
122-500-1
|
48 3475 4016 09
|
|
122-500-2
|
48 3475 4017 08
|
|
169-350-1
|
48 3475 4018 07
|
|
169-350-2
|
48 3475 4019 06
|
|
169-500-1
|
48 3475 4021 01
|
|
169-500-2
|
48 3475 4022 00
|
(Введено дополнительно, Изм. N 1).