ГОСТ 26374-2018 ГАЗ ГОРЮЧИЙ ПРИРОДНЫЙ. ОПРЕДЕЛЕНИЕ ОБЩЕЙ СЕРЫ
Combustible natural gas. Determination of total sulphur
МКС 75.060
Предисловие
Цели, основные принципы и основной порядок проведения работ по межгосударственной стандартизации установлены в ГОСТ 1.0-2015 "Межгосударственная система стандартизации. Основные положения" и ГОСТ 1.2-2015 "Межгосударственная система стандартизации. Стандарты межгосударственные, правила и рекомендации по межгосударственной стандартизации. Правила разработки, принятия, обновления и отмены"
Сведения о стандарте
1 Разработан Федеральным государственным бюджетным образовательным учреждением высшего образования "Российский государственный университет нефти и газа (национальный исследовательский университет) имени И.М. Губкина"
2 Внесен Межгосударственным техническим комитетом по стандартизации МТК 52 "Природный и сжиженные газы"
3 Принят Межгосударственным советом по стандартизации, метрологии и сертификации (протокол от 30 августа 2018 г. N 111-П)
За принятие проголосовали:
|
Краткое наименование страны по МК (ИСО 3166) 004-97 |
Код страны по МК (ИСО 3166) 004-97 |
Сокращенное наименование национального органа по стандартизации |
|
Армения |
AM |
Минэкономики Республики Армения |
|
Беларусь |
BY |
Госстандарт Республики Беларусь |
|
Киргизия |
KG |
Кыргызстандарт |
|
Россия |
RU |
Росстандарт |
|
Узбекистан |
UZ |
Узстандарт |
|
Украина |
UA |
Минэкономразвития Украины |
4 Приказом Федерального агентства по техническому регулированию и метрологии от 27 сентября 2018 г. N 658-ст межгосударственный стандарт ГОСТ 26374-2018 введен в действие в качестве национального стандарта Российской Федерации с 1 июля 2019 г.
5 Взамен ГОСТ 26374-84
1.1 Настоящий стандарт распространяется на газ горючий природный.
1.2 Настоящий стандарт устанавливает следующие методы определения массовой концентрации общей серы:
- метод окислительной микрокулонометрии - при массовой концентрации общей серы в исследуемом газе от 1 до 200 мг/м3;
- метод сжигания и титрования хлоридом бария - при массовой концентрации общей серы в исследуемом газе от 25 до 1000 мг/м3.
1.3 Настоящий стандарт применяют в химико-аналитических (испытательных) лабораториях организаций, осуществляющих добычу, подготовку, транспортирование, хранение, переработку и поставку газа горючего природного потребителям.
В настоящем стандарте использованы нормативные ссылки на следующие межгосударственные стандарты:
ГОСТ 8.578-2014 Государственная система обеспечения единства измерений. Государственная поверочная схема для средств измерений содержания компонентов в газовых средах
ГОСТ 12.0.004-2015 Система стандартов безопасности труда. Организация обучения безопасности труда. Общие положения
ГОСТ 12.1.004-91 Система стандартов безопасности труда. Пожарная безопасность. Общие требования
ГОСТ 12.1.005-88 Система стандартов безопасности труда. Общие санитарно-гигиенические требования к воздуху рабочей зоны
ГОСТ 12.1.007-76 Система стандартов безопасности труда. Вредные вещества. Классификация и общие требования безопасности
ГОСТ 12.1.019-79* Система стандартов безопасности труда. Электробезопасность. Общие требования и номенклатура видов защиты
──────────────────────────────
* В Российской Федерации действует ГОСТ Р 12.1.019-2009 "Система стандартов безопасности труда. Электробезопасность. Общие требования и номенклатура видов защиты".
ГОСТ 12.1.044-89 (ИСО 4589-84) Система стандартов безопасности труда. Пожаровзрывоопасность веществ и материалов. Номенклатура показателей и методы их определения
ГОСТ 12.4.009-83 Система стандартов безопасности труда. Пожарная техника для защиты объектов. Основные виды. Размещение и обслуживание
ГОСТ 12.4.021-75 Система стандартов безопасности труда. Системы вентиляционные. Общие требования
ГОСТ 17.1.3.05-82 Охрана природы. Гидросфера. Общие требования к охране поверхностных и подземных вод от загрязнения нефтью и нефтепродуктами
ГОСТ 17.1.3.13-86 Охрана природы. Гидросфера. Общие требования к охране поверхностных вод от загрязнения
ГОСТ 17.2.3.02-2014 Правила установления допустимых выбросов загрязняющих веществ промышленными предприятиями
ГОСТ 17.4.2.01-81 Охрана природы. Почвы. Номенклатура показателей санитарного состояния
ГОСТ 61-75 Реактивы. Кислота уксусная. Технические условия
ГОСТ OIML R 76-1-2011 Государственная система обеспечения единства измерений. Весы неавтоматического действия. Часть 1. Метрологические и технические требования. Испытания
ГОСТ 83-79 Реактивы. Натрий углекислый. Технические условия
ГОСТ OIML R 111-1-2009 Государственная система обеспечения единства измерений. Гири классов Е1, Е2, F1, F2, М1, М1-2, М2, М2-3 и М3. Часть 1. Метрологические и технические требования
ГОСТ 1770-74 (ИСО 1042-83, ИСО 4788-80) Посуда мерная лабораторная стеклянная. Цилиндры, мензурки, колбы, пробирки. Общие технические условия
ГОСТ 3118-77 Реактивы. Кислота соляная. Технические условия
ГОСТ 4108-72 Барий хлорид 2-водный. Технические условия
ГОСТ 4145-74 Калий сернокислый. Технические условия
ГОСТ 4204-77 Реактивы. Кислота серная. Технические условия
ГОСТ 4232-74 Реактивы. Калий йодистый. Технические условия
ГОСТ 4328-77 Реактивы. Натрия гидроокись. Технические условия
ГОСТ 5632-2014 Легированные нержавеющие стали и сплавы коррозионно-стойкие, жаростойкие и жаропрочные. Марки
ГОСТ 5962-2013 Спирт этиловый ректификованный из пищевого сырья. Технические условия
ГОСТ 6709-72 Вода дистиллированная. Технические условия
ГОСТ 9293-74 (ИСО 2435-73) Азот газообразный и жидкий. Технические условия
ГОСТ 10007-80 Фторопласт-4. Технические условия
ГОСТ 10929-76 Реактивы. Водорода пероксид. Технические условия
ГОСТ 13045-81 Ротаметры. Общие технические условия
ГОСТ 17299-78 Спирт этиловый технический. Технические условия
ГОСТ 18300-87* Спирт этиловый ректификованный технический. Технические условия
──────────────────────────────
* В Российской Федерации действует ГОСТ Р 55878-2013 "Спирт этиловый технический гидролизный ректификованный. Технические условия".
ГОСТ 19034-82 Трубки из поливинилхлоридного пластиката. Технические условия
ГОСТ 25336-82 Посуда и оборудование лабораторные стеклянные. Типы, основные параметры и размеры
ГОСТ 29169-91 (ИСО 648-77) Посуда лабораторная стеклянная. Пипетки с одной отметкой
ГОСТ 29227-91 (ИСО 835-1-81) Посуда лабораторная стеклянная. Пипетки градуированные. Часть 1. Общие требования
ГОСТ 29251-91 (ИСО 385-1-84) Посуда лабораторная стеклянная. Бюретки. Часть 1. Общие требования
ГОСТ 31369-2008 (ИСО 6976:1995) Газ природный. Вычисление теплоты сгорания, плотности, относительной плотности и числа Воббе на основе компонентного состава
ГОСТ 31370-2008 (ИСО 10715:1997) Газ природный. Руководство по отбору проб
ГОСТ 30852.0-2002 (МЭК 60079-0:1998) Электрооборудование взрывозащищенное. Часть 0. Общие требования
ГОСТ 30852.5-2002 (МЭК 60079-4:1975) Электрооборудование взрывозащищенное. Часть 4. Метод определения температуры самовоспламенения
ГОСТ 30852.11-2002 (МЭК 60079-12:1978) Электрооборудование взрывозащищенное. Часть 12. Классификация смесей газов и паров с воздухом по безопасным экспериментальным максимальным зазорам и минимальным воспламеняющим токам
ГОСТ 30852.19-2002 (МЭК 60079-20:1996) Электрооборудование взрывозащищенное. Часть 20. Данные по горючим газам и парам, относящиеся к эксплуатации электрооборудования
Примечание - При пользовании настоящим стандартом целесообразно проверить действие ссылочных стандартов в информационной системе общего пользования - на официальном сайте Федерального агентства по техническому регулированию и метрологии в сети Интернет или по ежегодному информационному указателю "Национальные стандарты", который опубликован по состоянию на 1 января текущего года, и по выпускам ежемесячного информационного указателя "Национальные стандарты" за текущий год. Если ссылочный стандарт заменен (изменен), то при пользовании настоящим стандартом следует руководствоваться заменяющим (измененным) стандартом. Если ссылочный стандарт отменен без замены, то положение, в котором дана ссылка на него, применяется в части, не затрагивающей эту ссылку.
3.1 Термины и определения
В настоящем стандарте применены термины по ГОСТ 31370, [1], а также следующие термины с соответствующими определениями:
3.1.1 пробоотборная система (для природного газа): Совокупность приспособлений, используемых для передачи представительной пробы природного газа из точки отбора пробы в средство измерений или пробоотборник.
Примечание - В состав пробоотборной системы входят пробоотборное устройство и пробоотборная линия.
3.1.2 пробоотборное устройство (для природного газа): Приспособление, используемое для передачи представительной пробы природного газа из точки отбора пробы в пробоотборную линию.
Примечание - В состав пробоотборного устройства входят, как правило, пробоотборный зонд, запорный вентиль или шаровой кран, а также при необходимости могут использоваться отдельные элементы системы пробоподготовки.
3.1.3 система пробоподготовки (природного газа): Совокупность приспособлений, используемых для придания пробе природного газа качеств, необходимых для корректного измерения его компонентного состава и физико-химических свойств.
Примечание - В состав системы пробоподготовки входят, как правило, системы очистки от нежелательных примесей, редуцирования, подогрева пробы газа и т.п.
3.1.4 массовая концентрация (компонента) (природного газа): Масса компонента в единице объема природного газа при стандартных условиях измерений.
3.1.5 общая сера (в природном газе): Сера, содержащаяся во всех сернистых соединениях, присутствующих в природном газе.
Примечание - Природный газ, как правило, содержит следующие сернистые соединения: сероводород, карбонилсульфид, а также такие органические соединения серы, как меркаптаны, сульфиды, дисульфиды, тетрагидротиофен, тиофен и его алкилзамещенные гомологи, полициклические производные тиофена и т.п.
3.1.6 окислительно-микрокулонометрический метод (анализ природного газа): Метод определения содержания общей серы в природном газе, основанный на измерении величины тока генерации йода, вступающего в реакцию окисления с диоксидом серы, до которого были предварительно окислены все серосодержащие компоненты газа.
3.2 Сокращения
3.2.1 В настоящем стандарте применены следующие сокращения:
ГГП - газ горючий природный;
СО - стандартный образец;
осч - особо чистый;
ПДК - предельно-допустимая концентрация;
РЭ - руководство по эксплуатации;
СИ - средство измерений;
чда - чистый для анализа.
4.1 Газ горючий природный является газообразным малотоксичным пожаровзрывоопасным продуктом. По токсикологической характеристике ГГП относят к веществам 4-го класса опасности по ГОСТ 12.1.007.
4.2 При работе с ГГП содержание вредных веществ в воздухе рабочей зоны не должно превышать ПДК, установленных в ГОСТ 12.1.005.
4.2.1 Для алифатических предельных углеводородов С1-С10 максимальная разовая ПДК в воздухе рабочей зоны (в пересчете на углерод) в соответствии с ГОСТ 12.1.005 составляет 300 мг/м3.
4.2.2 Для сероводорода максимальная разовая ПДК в воздухе рабочей зоны составляет 10 мг/м3, максимальная разовая ПДК сероводорода в смеси с алифатическими предельными углеводородами С1-С5 в воздухе рабочей зоны составляет 3 мг/м3.
4.2.3 Для метилмеркаптана и этилмеркаптана максимальные разовые ПДК в воздухе рабочей зоны составляют 0, 8 мг/м3 и 1 мг/м3 соответственно.
4.3 Концентрацию вредных веществ в воздухе рабочей зоны при работе с ГГП определяют газоанализаторами, отвечающими требованиям ГОСТ 12.1.005.
4.4 ГГП образует с воздухом взрывоопасные смеси. Концентрационные пределы воспламенения ГГП в смеси с воздухом в пересчете на метан: нижний - 4, 4 % об., верхний - 17, 0 % об. по ГОСТ 30852.19. Категория взрывоопасности и группа взрывоопасных смесей для смеси ГГП с воздухом - IIА и Т1 по ГОСТ 30852.11 и ГОСТ 30852.5 соответственно. Для ГГП конкретного состава показатели пожаровзрывоопасности определяют по ГОСТ 12.1.044.
4.5 При отборе проб и проведении лабораторных испытаний ГГП соблюдают правила электробезопасности по ГОСТ 12.1.019.
4.6 Работающие с ГГП должны быть обучены правилам безопасности труда в соответствии с ГОСТ 12.0.004.
4.7 Все здания, помещения, лаборатории, в которых проводят операции с ГГП, должны быть обеспечены вентиляцией, отвечающей требованиям ГОСТ 12.4.021, соответствовать требованиям пожарной безопасности по ГОСТ 12.1.004 и быть оборудованы средствами пожаротушения по ГОСТ 12.4.009.
4.8 Используемые приборы искусственного освещения и электрооборудование должны соответствовать требованиям взрывобезопасности по ГОСТ 30852.0.
4.9 В настоящем стандарте не предусмотрено рассмотрение всех вопросов безопасности, связанных с его применением. Пользователь настоящего стандарта несет ответственность за установление соответствующих правил по технике безопасности и охране здоровья персонала, а также определяет целесообразность применения законодательных ограничений перед его использованием.
5.1 Правила установления допустимых выбросов ГГП в атмосферу - по ГОСТ 17.2.3.02.
5.2 Общие требования к охране поверхностных и подземных вод установлены в ГОСТ 17.1.3.05, ГОСТ 17.1.3.13.
5.3 Охрану почвы от загрязнения токсичными веществами осуществляют в соответствии с ГОСТ 17.4.2.01.
6.1 Операции по отбору проб ГГП проводят лица, имеющие квалификацию не ниже оператора третьего квалификационного разряда в соответствии с нормативными документами государств, проголосовавших за принятие настоящего стандарта*, и прошедшие обучение методам отбора проб ГГП, изложенным в ГОСТ 31370.
6.2 Все остальные операции, предусмотренные настоящим стандартом и нормативными документами государств, проголосовавших за принятие настоящего стандарта**, проводят лица, имеющие квалификацию не ниже лаборанта химического анализа четвертого квалификационного разряда, изучившие руководства по эксплуатации используемых СИ и требования настоящего стандарта.
──────────────────────────────
* В Российской Федерации - в соответствии с Единым тарифно-квалификационным справочником работ и профессий рабочих. Выпуск 6. Разделы: "Бурение скважин"; "Добыча нефти и газа" (утвержден постановлением Минтруда РФ от 16 ноября 2000 г. N 81).
** В Российской Федерации - в соответствии с Единым тарифно-квалификационным справочником работ и профессий рабочих. Выпуск 1. Раздел: "Профессии рабочих, общие для всех отраслей народного хозяйства" (утвержден постановлением Госкомтруда СССР и Секретариата ВЦСПС от 31 января 1985 г. N 31/3-30).
6.3 Лица, указанные в 6.1-6.2, должны пройти обучение методам, изложенным в настоящем стандарте, инструктаж по охране труда и промышленной безопасности, а также иметь соответствующие допуски к работам в соответствии с опасными производственными факторами, которые могут возникать при выполнении данных работ.
7.1 Следует соблюдать требования, установленные в эксплуатационной документации на используемое СИ.
7.2 Значения температуры, давления и относительной влажности окружающего воздуха при проведении измерений должны находиться в диапазонах, в которых обеспечиваются заявленные в эксплуатационной документации и требуемые настоящим стандартом метрологические и технические характеристики применяемых СИ.
7.3 Механические воздействия, внешние электрические и магнитные поля, влияющие на работу используемых СИ, не должны превышать допустимых пределов, указанных в эксплуатационной документации на конкретное СИ. Периодичность и состав контроля за соблюдением пределов устанавливаются пользователем стандарта самостоятельно исходя из условий в месте проведения определений.
7.4 СИ, результаты измерений которых используются при определении массовой концентрации общей серы, должны быть поверены (калиброваны) в установленном порядке. СИ, применяемые для контроля условий выполнения измерений, и дополнительные СИ также должны быть поверены (калиброваны) в установленном порядке.
Примечание - Основные и вспомогательные СИ, результаты измерений которых не используют в сфере распространения государственного регулирования обеспечения единства измерений, допускается калибровать.
7.5 Диапазоны измерений применяемых СИ должны перекрывать диапазоны возможных значений измеряемых величин.
7.6 Средства измерений должны быть укомплектованы соответствующей эксплуатационной документацией, необходимой для их правильной и безопасной эксплуатации.
8.1 Оборудуют точку отбора проб по ГОСТ 31370.
8.2 Отбор проб ГГП осуществляют в соответствии с ГОСТ 31370 через штуцер пробоотборного устройства, снабженный запорным вентилем, посредством пробоотборной линии в пробоотборник.
8.3 Пробоотборник, пробоотборные линии и иные элементы пробоотборной системы, контактирующие с исследуемым газом, должны быть изготовлены из нержавеющей стали марок 12Х18Н10Т, 08Х18Н12Т по ГОСТ 5632 или других материалов, аналогичных им по свойствам, химически инертных к серосодержащим компонентам природного газа и не сорбирующих их.
8.4 Пробоотборник должен обладать вместимостью, с учетом допускаемого рабочего давления пробы исследуемого газа, необходимой для продувки газовых коммуникаций аппаратуры и проведения измерений.
8.5 Анализ пробы исследуемого газа проводят не позднее, чем через 24 ч с момента его отбора, при использовании пробоотборника из нержавеющей стали без сульфинертного покрытия. При использовании пробоотборников со специальным сульфинертным покрытием допускается проводить анализ пробы не позднее, чем через 72 ч с момента отбора пробы исследуемого газа.
8.6 Пробоотборная линия должна быть по возможности короткой. Концы пробоотборной линии должны иметь уплотнения и плотно прилегать к соединительным деталям или элементам пробоотборной системы, обеспечивая герметичность пробоотборной системы.
8.7 Линия и пробоотборник должны быть рассчитаны на давление, превышающее давление отбираемого газа в точке отбора проб, при этом объем пробоотборной системы должен быть минимально возможным.
8.8 Уплотнения между элементами пробоотборной системы, контактирующие с исследуемым газом, должны быть изготовлены из нержавеющей стали марок, указанных в 8.3, или из фторопласта по ГОСТ 10007, или из других материалов, аналогичных им по свойствам, химически инертных к серосодержащим компонентам природного газа и не сорбирующих их.
8.9 Перед отбором проб штуцер пробоотборного устройства продувают газом от 5 с до 10 с при полном открытии запорного вентиля. После продувки к штуцеру последовательно присоединяют линию и пробоотборник. Перед присоединением пробоотборника пробоотборную линию следует продуть исследуемым газом в течение 3-5 мин с расходом от 2 до 3 дм3/мин. Расход ГГП необходимо контролировать СИ расхода.
Пример - В качестве СИ расхода может использоваться ротаметр по ГОСТ 13045.
8.10 Температура ГГП в пробоотборной линии и пробоотборнике должна быть не ниже его температуры в точке отбора пробы. Если температура пробоотборника и пробоотборной линии (принимаемая за температуру окружающей среды) ниже температуры ГГП в точке отбора, их подогревают электронагревательными элементами, удовлетворяющими требованиям ГОСТ 31370.
9.1.1 Пробу ГГП вводят в кварцевую трубку электрической печи, в которой поддерживают температуру от 900 °С до 1200 °С и через которую протекает поток газа, содержащий от 50 % до 80 % об. кислорода и от 20 % до 50 % об. инертного газа (аргона или гелия). При сгорании в печи серосодержащие соединения, присутствующие в пробе ГГП, превращаются в диоксид серы (SO2), который затем попадает в титровальную ячейку, где реагирует с ионом трииодида (I3-), присутствующим в электролите. Израсходованный при этом трииодид кулонометрически восстанавливается, и суммарный ток, требуемый для его восстановления, является мерой содержания общей серы, присутствующей в пробе.
9.1.2 По мере поступления диоксида серы в титровальную ячейку в ней происходит следующая реакция:
I3‾+SO2+2H2O→SO42‾+3I‾+4H+.
(1)
Израсходованный в приведенной выше реакции ион трииодида генерируется кулонометрически в соответствии со следующей реакцией:
3I‾→I3‾+2e‾.
(2)
Количество сгенерированных ионов трииодида эквивалентно количеству диоксида серы в титруемом образце, поступающего в титровальную ячейку.
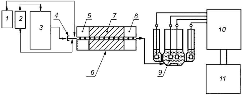
При определении массовой концентрации общей серы в ГГП используют следующие СИ, вспомогательное оборудование, материалы и реактивы:
- кулонометрический анализатор для определения содержания общей серы (см. рисунок 1), включающий:
а) кварцевую трубку для сжигания, которая должна иметь два боковых отвода для ввода кислорода и газа-носителя (гелия или аргона);
б) электрическую печь с регулирующим устройством, обеспечивающую температуру от 900 °С до 1200 °С, достаточную для термического разложения всего образца и полного окисления всей серы до диоксида серы;
в) регуляторы (контроллеры) потока, обеспечивающие поддержание постоянной подачи кислорода и газа-носителя в кварцевую трубку с заданным расходом;
г) осушитель для удаления водяных паров из газов, выходящих из кварцевой трубки, перед их поступлением в титровальную ячейку;
Пример - В качестве осушителя может использоваться оксид фосфора (V).
д) титровальную ячейку, которая состоит из пары электродов: измерительного электрода и электрода сравнения; пары генераторных электродов: анодного и катодного электродов; входного отверстия для газообразного образца из трубки для термического разложения; выходного отверстия для выхода из титровальной ячейки отработавших газов;
Примечания
1 В качестве электрода сравнения могут быть применены электроды двух видов: хлорсеребряный Ag/AgCl либо изготовленный из платиновой проволоки, помещенный в заполненную наполовину ячейку с насыщенным трииодидом калия.
2 Измерительный электрод, а также анодный и катодный электроды генератора изготавливают из платины.
3 Ячейка для титрования должна быть такой, чтобы перемешивание можно было выполнить магнитной мешалкой. Можно использовать другие измерительный электрод и электрод сравнения, если их характеристики отвечают требованиям настоящего метода испытания.

1 - кислород; 2 - аргон (гелий); 3 - блок ввода пробы; 4 - мембрана для ввода образцов; 5 - вход; 6 - электрическая печь; 7 - зона термического разложения; 8 - выход; 9 - титровальная ячейка; 10 - микрокулонометр; 11 - компьютер
Рисунок 1 - Принципиальная схема типичного кулонометрического анализатора для определения общей серы
е) газоплотные шприцы с клапаном для удерживания образца от 0, 25 до 10, 00 см3 (в зависимости от концентрации общей серы) для ручного ввода газовых проб в анализатор;
Примечание - При градуировке анализатора с использованием градуировочных растворов применяют жидкостные шприцы объемом 10 и 50 мкл.
ж) автоматический блок ввода проб, обеспечивающий равномерную подачу пробы с заданной скоростью в кварцевую трубку для сжигания;
и) магнитную мешалку;
к) микрокулонометр;
л) блок управления анализатором в комплекте с программным обеспечением для управления анализатором, сбора и обработки результатов анализа;
м) двухступенчатые баллонные редукторы с инертной металлической мембраной, обеспечивающие постоянную подачу кислорода и инертного газа;
- СО сероводорода в метане с массовой концентрацией общей серы 200 мг/м3 (0, 200 мкг/см3), соответствующий требованиям к стандартному образцу 1-го разряда по ГОСТ 8.578-2014; допускается применять СО сероводорода в метане с меньшей массовой концентрацией общей серы, однако определяемая концентрация общей серы в исследуемой пробе не должна превышать концентрацию общей серы в СО;
Примечание - В качестве градуировочной смеси вместо СО сероводорода в метане допускается использовать раствор бутилдисульфида в гексане с массовой концентрацией серы 20 мкг/см3, приготовленный объемным методом в соответствии с приложением А.
- СИ давления, обеспечивающие измерение атмосферного давления с пределом допускаемой основной погрешности не более 0, 2 кПа;
- СИ температуры, обеспечивающие измерение температуры окружающего воздуха и температуры газа в газовом счетчике с пределом допускаемой погрешности не более 0, 2 °С;
- весы лабораторные по ГОСТ OIML R 76-1 с допускаемой погрешностью взвешивания не более 0, 002 г в интервале до 200 г;
- гири по ГОСТ OIML R 111-1;
- фильтр для удаления механических примесей с размерами пор от 1 до 10 мкм;
- колбы мерные по ГОСТ 1770 вместимостью 100 и 250 см3, исполнения 1 или 2;
- пипетки по ГОСТ 29227 и ГОСТ 29169 вместимостью 10 и 20 см3;
- склянка из темного стекла с притертой пробкой вместимостью 250 см3;
- вода дистиллированная по ГОСТ 6709;
- кислота уксусная по ГОСТ 61;
- азид натрия (хч) с содержанием основного вещества не менее 99 % масс.;
- калий йодистый по ГОСТ 4232;
- аргон высокого класса чистоты с содержанием основного вещества не менее 99, 998 % (по объему);
- гелий газообразный с содержанием основного вещества не менее 99, 995 % (по объему);
- кислород с содержанием основного вещества не менее 99, 990 % (по объему);
Примечания
1 Допускается использовать другие СИ, оборудование и материалы, не уступающие по своим характеристикам СИ, оборудованию и материалам, перечисленным выше.
2 При измерениях используют реактивы квалификацией не ниже чда.
9.3.1 Приготовление растворов электролита
9.3.1.1 В мерной колбе вместимостью 250 см3 растворяют 2, 5 г йодистого калия и 2, 5 г азида натрия примерно в 150 см3 дистиллированной воды, добавляют 12, 5 см3 уксусной кислоты и доводят до метки дистиллированной водой.
9.3.1.2 Концентрированный раствор электролита хранят в склянках из темного стекла с притертой пробкой. Срок хранения концентрированного раствора электролита - 3 мес.
9.3.1.3 Для приготовления рабочего раствора электролита в мерную колбу на 100 см3 вносят 10 см3 приготовленного раствора электролита и доводят до метки дистиллированной водой.
9.3.2 Подготовка анализатора к работе
9.3.2.1 Осуществляют монтаж электрических и газовых линий и подготовку анализатора к измерениям.
9.3.2.2 Все линии подачи градуировочного и анализируемого газов должны быть изготовлены из инертных по отношению к компонентам этих газов материалов. В качестве таких линий используют капиллярные трубки из нержавеющей стали.
9.3.2.3 С целью предохранения поверхностей от повреждений на линии подачи газовой пробы должен устанавливаться фильтр для удаления механических примесей с размерами пор от 1 до 10 мкм. Материал фильтра должен соответствовать требованиям 8.3.
9.3.2.4 Собирают ячейку для титрования и добавляют электролит в ячейку.
9.3.2.5 Присоединяют ячейку для титрования к аппарату.
9.3.2.6 Регулируют потоки газов и устанавливают температуру печи и инструментальные (технические) параметры.
Пример - Расход кислорода 160 см3/мин и расход инертного газа 40 см3/мин.
9.3.2.7 Перед проведением градуировки печь анализатора включают и прогревают не менее 1 ч.
9.3.3 Градуировка анализатора
9.3.3.1 Для градуировки автоматически или при помощи газоплотного шприца вводят не менее трех различных объемов СО сероводорода в метане по 9.2.
Допустимо построение градуировочной зависимости в более узком диапазоне по сравнению с общим диапазоном метода, указанным в 1.2, если массовая концентрация общей серы в пробах ГГП не выходит за границы данного (более узкого) диапазона. Градуировку анализатора проводят, измеряя значение сигнала диоксида серы в потоке газа-носителя.
9.3.3.2 Массовую концентрацию серы в СО
, мг/м3, определяют по формуле
,
(3)
где
- массовая концентрация сероводорода в СО, мг/м3;
32, 07 - молярная масса серы, г/моль;
34, 08 - молярная масса сероводорода, г/моль.
9.3.3.3 Если в паспорте на СО содержание сероводорода указано в единицах молярной доли, то массовую концентрацию сероводорода в СО Этот документ скачен с сайта https://www.mooml.com/, мг/м3, при стандартных условиях измерений вычисляют умножением значения молярной доли сероводорода в СО (млн-1) на 1, 42.
9.3.3.4 Баллон с СО присоединяют к устройству ввода газообразных проб, при этом соединительные линии должны быть по возможности короткими (максимальная протяженность подводящих линий не должна превышать 50 см).
9.3.3.5 Открывают запорный вентиль баллона с СО, устанавливают давление, указанное в РЭ автоматического блока ввода проб, и продувают СО подводящие газовые линии объемом, равным не менее 20-кратного объема подводящих газовых линий устройства ввода проб, с расходом около 100 см3/мин. При использовании газоплотного шприца перед вводом пробы предварительно промывают шприц СО не менее 5 раз.
9.3.3.6 При помощи программного обеспечения анализатора корректируют на стандартные условия измерений объем вводимой в анализатор пробы СО Vст, см3, или рассчитывают его вручную по формуле
,
(4)
где Рб - атмосферное давление в помещении при проведении измерений, кПа;
V - введенный в анализатор объем СО, см3;
t - температура воздуха в помещении при проведении измерений, °С.
9.3.3.7 Градуировку анализатора проводят не реже 1 раза в месяц. Для этого автоматически или вручную корректируют на стандартные условия измерений объем СО Vст и последовательно инжектируют пробы СО в анализатор. Проводят три последовательных ввода каждой пробы с известной концентрацией серы и получают три значения сигнала детектора. С помощью программы градуировки анализатора вычисляют среднеарифметическое трех полученных значений и строят линейную градуировочную зависимость сигнала детектора, выраженную в единицах счета от массы серы, мкг, в анализируемом СО. Массу серы в СО
, мкг, рассчитывают по формуле
,
(5)
где 1000 - общий коэффициент пересчета мг в мкг и см3 в м3.
9.3.3.8 При использовании для градуировки раствора бутилдисульфида в гексане вводят микрошрицем 10, 25 и 50 мкл градуировочной смеси. Шприц перед вводом пробы предварительно промывают раствором не менее 5 раз.
Массу серы, mS, мкг, во введенном растворе вычисляют по формуле
,
(6)
где
- массовая концентрация серы в растворе бутилдисульфида, мкг/см3;
Vp - объем вводимого раствора бутилдисульфида, см3.
Градуировку анализатора по растворам бутилдисульфида проводят аналогично градуировке по СО (см. 9.3.3.7).
9.3.3.9 После построения градуировочной зависимости проводят проверку ее приемлемости. Проверку приемлемости градуировочной зависимости проводят по относительному отклонению среднеарифметического трех значений сигнала детектора от точки на градуировочной зависимости, соответствующей известному значению концентрации серы, которое не должно превышать 10 %. При большем значении отклонения выясняют и устраняют причины разброса средних значений от построенной градуировочной зависимости и проводят процедуру градуировки по 9.3.3.1-9.3.3.9 заново.
9.4.1 Пробоотборник с пробой испытуемого ГГП присоединяют к устройству ввода газообразных проб. При этом соединительные линии должны соответствовать требованиям 9.3.2.2.
9.4.2 Открывают запорный вентиль пробоотборника с пробой, устанавливают регулятор давления устройства ввода газовых проб на заданное значение и продувают испытуемым газом подводящие газовые линии устройства ввода проб в соответствии с 9.3.3.5.
9.4.3 При помощи программного обеспечения анализатора корректируют на стандартные условия измерений объем вводимой в анализатор пробы газа Vст, см3, или рассчитывают его по формуле (4).
9.4.4 Проводят измерение в соответствии с РЭ анализатора. По градуировочной зависимости определяют массу серы в пробе газа.
9.4.5 Массовую концентрацию общей серы CS, мг/м3, определяют по формуле
,
(7)
где m - масса общей серы, определенная по градуировочной зависимости, мкг;
Vст - объем пробы газа при стандартных условиях, рассчитанный по (4), см3;
1000 - общий коэффициент пересчета мкг в мг и см3 в м3.
Пробу ГГП известного объема сжигают при помощи горелки, входящей в состав лампового узла (см. рисунок 2), в атмосфере воздуха, не содержащего соединений серы. Образовавшийся диоксид серы поглощают раствором карбоната натрия с образованием сульфита натрия. Содержание сульфита натрия в абсорбированном растворе определяют титрованием стандартным раствором хлорида бария с использованием тетрагидроксихинона в качестве индикатора.
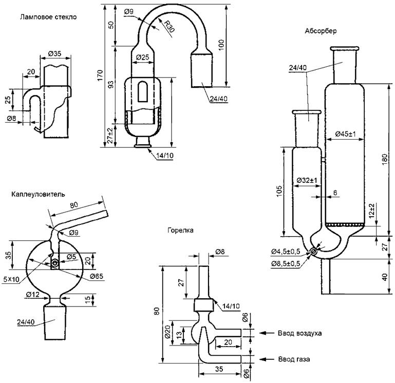
10.2.1 Горелка, выполненная из химически стойкого стекла, основные параметры и размеры которой должны соответствовать размерам, приведенным на рисунке Б.1 (приложение Б). Она состоит из трубки горелки, в которую впускается проба газа через боковой отвод и отверстие в нижней части. Вокруг наконечника отверстия трубки для газа находится сферическое утолщение трубки горелки, в которую подается очищенный первичный воздух для горения. Трубка горелки снабжена стандартным переходным стеклянным патрубком для соединения с ламповым стеклом. Верхняя часть трубки горелки должна быть отполирована. Горелку после соединения ее с ламповым стеклом следует удерживать в заданном положении резиновыми лентами или металлической пружиной, растянутой между стеклянными крючками горелки и ламповым стеклом.
10.2.2 Ламповое стекло, выполненное из химически стойкого стекла, с размерами, соответствующими размерам, показанным на рисунке Б.1 (приложение Б), снабженное стандартным переходным стеклянным патрубком для соединения с горелкой и абсорбером.
10.2.3 Абсорбер, выполненный из химически стойкого стекла, с размерами, соответствующими размерам, приведенным на рисунке Б.1 (приложение Б), снабженный стандартным переходным стеклянным патрубком для соединения с ламповым стеклом и каплеуловителем. Пористый стеклянный диск со средним диаметром пор от 150 до 200 мкм должен быть запечатан в большей из двух колб абсорбера. При помещении в абсорбер 50 см3 воды и прохождении через него воздуха с объемным расходом 3 дм3/мин в прямом направлении перепад давления между двумя сторонами абсорбера должен составлять от 15 до 23 см водяного столба (по дифманометру в виде градуированной U-образной трубки), при этом воздух должен диспергироваться равномерно.
1 - горелка; 2 - ламповое стекло; 3 - каплеуловитель; 4 - абсорбер; 5 - опорный стержень; 6 - пористый стеклянный диск
Рисунок 2 - Схема лампового узла
10.2.4 Каплеуловитель, выполненный из химически стойкого стекла, с размерами, соответствующими размерам, приведенным на рисунке Б.1 (приложение Б), снабженный стандартным переходным стеклянным патрубком для соединения с абсорбером.
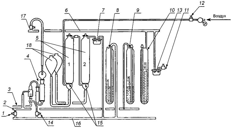
10.2.5 Распределительная система (рисунок 3). Вакуумную линию через кран (11, см. рисунок 3) соединяют с вакуумным насосом, обеспечивающим стабильный поток воздуха со скоростью 3 дм3/мин через абсорбер, а также постоянное давление приблизительно на 3, 92 кПа (40 см вод. ст.) ниже атмосферного. Давление воздуха в линии, идущей к ламповому стеклу (4, см. рисунок 3), следует поддерживать на уровне от 0, 098 до 0, 196 кПа (от 1 до 2 см вод. ст.), а в линии (16, см. рисунок 3), идущей к горелке, - на уровне 1, 96 кПа (20 см вод. ст.).
1 - контрольный вентиль лампового стекла; 2 - распределительная линия к горелке; 3 - ввод пробы газа; 4 - ламповый узел; 5 - воздухоочистители; 6 - вакуумная линия; 7 - ловушка; 8 - регулятор давления; 9 - манометр; 10 - регулятор вакуума; 11 - кран линии вакуумного насоса; 12 - вентиль для регулировки подачи воздуха; 13 - ловушка; 14 - контрольный вентиль горелки; 15 - стеклянная пористая пластина; 16 - распределительная линия к горелке, 17 - кран между вакуумной линией и каплеуловителем (см. рисунок 2); 18 - уравнительные шаровидные воронки
Рисунок 3 - Схема распределительной системы для сжигания пробы газа в воздушной среде
10.2.6 Следующие СИ, материалы и реактивы:
- суховоздушный газовый счетчик с пределом допускаемой относительной погрешности, не превышающей 1 %, и перепадом давлений, не превышающим 1, 96 кПа (20 см вод. ст);
Пример - Суховоздушный счетчик Shinagawa DC-1 коррозионно-стойкий
- вентиль тонкой регулировки, выполненный из нержавеющей стали и рассчитанный на давление ГГП в пробоотборнике;
- весы лабораторные по ГОСТ OIML R 76-1 с допускаемой погрешностью взвешивания не более 0, 002 г в интервале взвешивания до 200 г;
- гири по ГОСТ OIML R 111-1;
- СИ температуры, обеспечивающие измерение температуры газа в газовом счетчике с пределом допускаемой погрешности не более 0, 2 °С;
- СИ давления, обеспечивающие измерение атмосферного давления с пределом допускаемой основной погрешности не более 0, 2 кПа;
- насос вакуумный;
- шкаф сушильный общелабораторного назначения, обеспечивающий температуру 105 °С;
- посуда и оборудование лабораторные стеклянные по ГОСТ 25336:
а) колбы конические ТС или ТХС вместимостью 100 и 250 см3;
б) капельница вместимостью 50 см3 исполнения 1 или 2;
в) эксикатор исполнения 2 с диаметром корпуса 140 мм или 190 мм;
г) стаканчики для взвешивания (бюксы) СВ-19/9, СВ-24/10, СН-45/13;
- бюретка по ГОСТ 29251 вместимостью 10 см3, с ценой деления 0, 02 см3;
- пипетки градуированные по ГОСТ 29227 вместимостью 1, 5; 10; 25 см3;
- пипетки с одной отметкой по ГОСТ 29169 вместимостью 1, 5; 10; 20; 25; 50 см3;
- посуда мерная лабораторная стеклянная по ГОСТ 1770:
а) цилиндры вместимостью 10; 25; 50; 100; 250; 500; 1000 см3 исполнения 1 или 3;
б) колбы вместимостью 200; 500; 1000 см3 исполнения 1 или 2;
- склянка из светлого стекла с притертой пробкой вместимостью 500 см3;
- склянка из темного стекла с притертой пробкой вместимостью 1000 см3;
- вода дистиллированная по ГОСТ 6709;
- барий хлорид 2-водный по ГОСТ 4108;
- СО состава раствора сульфат-ионов государственный стандартный образец 7480-98;
- калий сернокислый (сульфат калия) по ГОСТ 4145, (хч);
- кислота соляная плотностью ρ = 1, 19 г/см3 по ГОСТ 3118;
- кислота серная плотностью ρ = 1, 84 г/см3 по ГОСТ 4204;
- натрия гидроокись (гидроксид натрия) по ГОСТ 4328;
- ортаниловый К, тринатриевая соль, металлоиндикатор;
- натрий углекислый (карбонат натрия) по ГОСТ 83;
- кислота соляная стандарт-титр (фиксанал) с (HCl) = 0, 1 моль/дм3;
- серебро азотнокислое (нитрат серебра) стандарт-титр (фиксанал) с (AgNO3) = 0, 1 моль/дм3;
- метиловый оранжевый, индикатор;
- тетрагидроксихинон, металлоиндикатор;
- универсальная индикаторная бумага (рН 1-10);
- водорода пероксид (хч) по ГОСТ 10929;
- спирт этиловый ректификованный из пищевого сырья по ГОСТ 5962, спирт этиловый ректификованный технический по ГОСТ 18300 или свежеперегнанный спирт этиловый технический по ГОСТ 17299;
- воздух сжатый;
- азот газообразный по ГОСТ 9293;
- гибкие трубки, инертные к серосодержащим компонентам ГГП.
Примечание - В качестве гибкой трубки, инертной к серосодержащим компонентам ГГП, допускается использовать медицинскую поливинилхлоридную трубку по ГОСТ 19034;
- груша резиновая.
Примечания
1 Допускается использовать другие СИ, оборудование и материалы, не уступающие по своим характеристикам СИ, оборудованию и материалам, перечисленным выше.
2 При измерениях используют реактивы квалификацией не ниже чда.
10.3.1 Приготовление растворов
10.3.1.1 Водный раствор хлорида бария молярной концентрацией 0, 031 моль/дм3
Растворяют 7, 634 г 2-водного хлористого бария в 850 см3 дистиллированной воды в мерной колбе вместимостью 1000 см3. Доводят до метки дистиллированной водой и перемешивают. Раствор хранят в склянке из темного стекла с притертой пробкой не более 6 мес. Точную молярную концентрацию раствора хлорида бария устанавливают по 10.3.2 титрованием раствора сульфатов, приготовленного по 10.3.1.5.
10.3.1.2 Водный раствор соляной кислоты концентрацией 1 моль/дм3
В 920 см3 дистиллированной воды растворяют 84 см3 соляной кислоты ρ = 1, 19 г/см3. Раствор устойчив.
10.3.1.3 Водный раствор соляной кислоты концентрацией 0, 1 моль/дм3
К 10 см3 водного раствора соляной кислоты концентрацией 1 моль/дм3 приливают 90 см3 дистиллированной воды и перемешивают. Раствор устойчив.
Примечание - Допускается готовить раствор соляной кислоты концентрацией 0, 1 моль/дм3 из стандарт-титра. Раствор устойчив.
10.3.1.4 Водный раствор соляной кислоты концентрацией 2, 3 г/дм3 для титрования поглотительного раствора углекислого натрия
В 1 дм3 дистиллированной воды растворяют 5 см3 соляной кислоты ρ = 1, 19 г/см3. Раствор устойчив.
При титровании 1 см3 раствора соляной кислоты эквивалентен 1 см3 раствора углекислого натрия.
10.3.1.5 Водный раствор сульфатов с массовой концентрацией сульфат-ионов 250 мг/дм3 готовят из СО с массовой концентрацией сульфат-ионов 10, 0 мг/см3.
Вскрывают ампулу и отбирают 5, 0 см3 СО пипеткой с одной отметкой и переносят в мерную колбу вместимостью 200 см3. Добавляют от 0, 15 до 0, 20 см3 раствора соляной кислоты концентрацией 0, 1 моль/дм3, доводят объем в колбе до метки дистиллированной водой и перемешивают. Величина рН полученного раствора по универсальной индикаторной бумаге должна быть около 4. Массовая концентрация сульфат-ионов в полученном растворе составляет 250 мг/дм3.
Приготовленный водный раствор сульфатов хранят в плотно закрытой бутыли не более 6 мес.
Примечание - При отсутствии СО водный раствор сульфатов готовят в соответствии с приложением В.
10.3.1.6 Водный раствор гидроокиси натрия концентрацией 100 г/дм3
Растворяют 100 г гидроокиси натрия в дистиллированной воде в мерной колбе на 1000 см3, доводят объем раствора до метки и перемешивают. Раствор устойчив.
10.3.1.7 Водный раствор индикатора ортанилового К
В 50 см3 дистиллированной воды растворяют 25 мг ортанилового К. Приготовленный раствор хранят в склянке из темного стекла не более 2 мес.
10.3.1.8 Водный раствор карбоната натрия концентрацией 3, 306 г/дм3
Растворяют 3, 306 г карбоната натрия в дистиллированной воде в мерной колбе на 1000 см3, доводят объем раствора до метки и перемешивают. Раствор устойчив.
10.3.1.9 Водный раствор индикатора метилового оранжевого
Растворяют 0, 1 г метилового оранжевого в 100 см3 дистиллированной воды. Приготовленный раствор хранят в склянке из темного стекла не более 3 мес.
10.3.1.10 Кислота серная в разбавлении 1:16
В коническую колбу на 1000 см3 наливают 480 см3 дистиллированной воды. Наливают в мерный цилиндр 30 см3 концентрированной серной кислоты ρ = 1, 84 г/см3 и осторожно, порциями, при перемешивании добавляют в колбу с дистиллированной водой. Раствор устойчив.
10.3.1.11 Водный раствор нитрата серебра концентрацией 0, 1 моль/дм3
Готовят из стандарт-титра (фиксанала). Для приготовления раствора необходимо использовать кипяченую дистиллированную воду, охлажденную до комнатной температуры при барботировании азотом для удаления следов кислорода. Приготовленный раствор хранят в склянке из темного стекла с притертой крышкой не более 3 мес.
10.3.2 Определение молярной концентрации водного раствора хлорида бария
В коническую колбу вместимостью 100 см3 вносят градуированной пипеткой 20, 0 см3 раствора сульфатов по 10.3.1.5, добавляют 10 см3 этилового спирта и 0, 3 см3 раствора индикатора ортанилового К и титруют раствором хлорида бария при постоянном перемешивании до перехода окраски из фиолетовой в голубую. Раствор устойчив в течение 6 мес.
Титрование проводят медленно и продолжают до тех пор, пока фиолетовая окраска не будет возвращаться в течение 3 мин. Повторяют титрование и при отсутствии расхождения в объемах растворов хлорида бария, израсходованных на титрование, более 0, 05 см3 за результат титрования принимают среднее арифметическое двух результатов титрования. В противном случае титрование повторяют до получения результатов, отличающихся не более чем на 0, 05 см3. Молярную концентрацию раствора хлорида бария рассчитывают по формуле
,
(8)
где М - молярная концентрация раствора хлорида бария, моль/дм3;
С - массовая концентрация сульфат-ионов в растворе сульфатов, мг/дм3;
V - объем раствора сульфатов, см3;
96, 06 - молярная масса моля сульфат-ионов, г/моль;
1000 - коэффициент для пересчета единиц г в мг;
V1 - объем раствора хлорида бария, израсходованного на титрование, см3.
10.3.3 Подготовка аппаратуры к работе
10.3.3.1 Собирают аппарат (см. рисунки 2 и 3) и заливают в абсорбер (4, см. рисунок 2) (30 ± 2) см3 дистиллированной воды. Когда аппаратура собрана в первый раз, поворачивают кран (17, см. рисунок 3) между вакуумной линией и каплеуловителем таким образом, чтобы расход воздуха через абсорбер при открытом в атмосферу ламповом узле (4, см. рисунок 3) составлял примерно от 2, 7 до 3, 3 дм3/мин. Давление в вакуумной системе следует поддерживать на уровне 3, 92 кПа (40 см вод. ст.) ниже атмосферного. После установки указанных значений расхода и давления разбирают установку и удаляют воду из абсорбера.
Необходимые уровни жидкости в регуляторах давления 8, 9 и вакуума 10 представлены на рисунке 3. В период подготовки аппарата следует поддерживать слабый поток воздуха через эти регуляторы.
10.3.3.2 Заливают примерно от 340 до 360 см3 раствора гидроксида натрия в воздухоочиститель 1 (5, см. рисунок 3) и раствор перекиси водорода в серной кислоте (300 см3 дистиллированной воды, 30 см3 серной кислоты в разбавлении 1:16 и 30 см3 перекиси водорода) в воздухоочиститель 2 (5, см. рисунок 3). Для ежедневно применяемого аппарата следует заменять эти растворы дважды в неделю или если их объемы составят менее 2/3 от первоначальных.
Примечание - Воздухоочистители снабжены стеклянными пористыми пластинами (15, см. рисунок 3) для увеличения площади контакта очищаемого воздуха с растворами, залитыми в очистители, и соответственно эффективности очистки воздуха.
10.3.3.3 При закрытых регулирующих вентилях на горелке (1, 14, см. рисунок 3), полностью открытом вентиле на регуляторе вакуума (11, см. рисунок 3) и при давлении в вакуумной системе, отрегулированном приблизительно на 3, 92 кПа (40 см вод. ст.) ниже атмосферного, включают подачу воздуха.
10.3.3.4 Регулируют контрольный вентиль лампового узла (1, см. рисунок 3) таким образом, чтобы при требуемой скорости потока через абсорберы в регуляторе давления проходил слабый поток воздуха, а давление в линии лампового узла достигло 0, 098-0, 196 кПа (1-2 см вод. ст.). При этом может потребоваться незначительная подстройка регулятора вакуума и контрольного вентиля на вакуумной линии.
Примечание - Необходимую скорость потока обеспечивают регулированием давления в вакуумной системе. Для этого поднимают или опускают трубку, соединяющую регулятор вакуума с атмосферой, внутри соединительной резиновой пробки.
10.3.3.5 При помощи трубки из нержавеющей стали, рассчитанной на давление газа в пробоотборнике, присоединяют пробоотборник к вентилю тонкой регулировки. При помощи гибкой трубки присоединяют вентиль тонкой регулировки к газовому счетчику. К выходу счетчика присоединяют гибкую трубку.
10.3.3.6 Соединяют счетчик с помощью трехходового крана с нижней входной трубкой горелки (линия 3, см. рисунок 2). Трехходовой кран устанавливают в таком положении, чтобы вход газа в горелку был перекрыт. Присоединяют линию подачи очищенного воздуха к горелке гибкими трубками (см. рисунок 2).
10.3.3.7 Собранную таким образом линию подачи пробы ГГП в распределительную систему продувают испытуемым ГГП в количестве от 10 до 15 ее объемов с расходом от 8 до 12 дм3/ч, установленным при помощи вентиля тонкой регулировки. После продувки перекрывают выход газа из пробоотборника и при помощи трехходового крана открывают вход в горелку.
10.3.3.8 Перед каждым измерением промывают каплеуловитель, абсорбер и ламповое стекло дистиллированной водой. Заливают в большую колбу абсорбера 10 см3 раствора карбоната натрия и 20 см3 дистиллированной воды. Крепят каплеуловитель и ламповое стекло и соединяют их соответственно с вакуумной линией и линией очищенного воздуха, используя гибкие трубки. Закрывают вентили 1 и 14 (см. рисунок 3) до начала проведения измерений.
Примечание - Данного количества водного раствора карбоната натрия достаточно для полного поглощения диоксида серы из 0, 03 м3 пробы ГГП, содержащего не более 350 мг/м3 общей серы. Если концентрация общей серы в пробе ГГП составляет от 350 до 700 мг/м3, то в абсорбер заливают 20 см3 водного раствора карбоната натрия и 10 см3 дистиллированной воды. Если концентрация общей серы в пробе ГГП составляет от 700 до 1000 мг/м3, то в абсорбер заливают 30 см3 водного раствора карбоната натрия.
10.4.1 Продувают исследуемым газом горелку и другие элементы лампового узла с расходом, указанным в 10.3.3.5. Открывают вентили 1 и 14 (см. рисунок 3) и отсоединяют горелку от лампового стекла.
10.4.2 Зажигают пламя горелки при помощи предварительно подожженной полоски бумаги. Регулируют поток воздуха так, чтобы пламя горело с мягким голубым свечением без желтого язычка.
10.4.3 Вставляют горелку в ламповое стекло, закрепив ее резиновыми лентами либо пружинами. Проверяют стабильность пламени, в случае необходимости регулируют его снова. Фиксируют начальные показания газового счетчика.
10.4.4 Сжигают 0, 03 м3 исследуемого газа и перекрывают поток газа. После того как пламя погасло, продолжают пропускать через абсорбер воздух до тех пор, пока ламповый узел не охладится до комнатной температуры. Удаляют горелку из лампового стекла, заменив ее соответствующей пробкой. Перекрывают контрольный вентиль (14, см. рисунок 3).
10.4.5 По показаниям СИ фиксируют температуру ГГП в газовом счетчике и атмосферное давление.
10.4.6 Корректируют на стандартные условия измерений объем сгоревшего ГГП Vст, м3, по формуле
,
(9)
где Рб - атмосферное давление в помещении при проведении измерений, кПа;
V - объем сгоревшего ГГП, м3;
t - температура в газовом счетчике, °С.
10.4.7 Аккуратно отсоединяют каплеуловитель и ламповое стекло от абсорбера, не меняя его вертикального положения. Промывают ламповое стекло и каплеуловитель небольшим количеством дистиллированной воды, сливая ее в абсорбер.
10.4.8 Добавляют в полученный раствор три капли индикатора метилового оранжевого. Нейтрализуют избыточное количество углекислого натрия в абсорбере водным раствором соляной кислоты концентрацией 2, 3 г/дм3 до перехода окраски метилового оранжевого в желтовато-коричневый цвет, перемешивая раствор после каждого добавления кислоты путем создания при помощи резиновой груши попеременно разрежения и избыточного давления на выходе из абсорбера.
10.4.9 Для получения слабощелочной среды по каплям добавляют раствор углекислого натрия до изменения цвета окраски метилового оранжевого с желтовато-коричневого до желтого. Затем добавляют 50 см3 этилового спирта.
10.4.10 Добавляют 0, 5 г индикатора тетрагидроксихинона. Тщательно перемешивают и титруют водным раствором хлорида бария. После прибавления 1 или 2 капель раствора хлорида бария добавляют 1 см3 0, 1 моль/дм3 водного раствора нитрата серебра и продолжают титрование до изменения цвета раствора от желтого к розовому, который сохраняется при тщательном перемешивании в течение 1 мин. Отмечают и записывают объем раствора хлорида бария, израсходованного на титрование.
10.4.11 Проводят холостое титрование по 10.4.10 с использованием дистиллированной воды вместо раствора абсорбента, в которую последовательно добавляют три капли индикатора метилового оранжевого, по каплям водный раствор углекислого натрия до появления желтой окраски и 50 см3 этилового спирта.
10.4.12 Массовую концентрацию общей серы CS, мг/м3, вычисляют из результатов титрования хлоридом бария по формуле
,
(10)
где 32, 07 - масса моль-эквивалента серы, соответствующая 1 дм3 титрованного водного раствора хлорида бария молярной концентрации точно 1 моль/дм3, г/моль;
VA - объем водного раствора хлорида бария, израсходованного на титрование абсорбента, см3;
VB - объем водного раствора хлорида бария, израсходованного на холостое титрование, см3;
Vст - объем сгоревшего ГГП при стандартных условиях измерений, м3;
М - молярная концентрация водного раствора хлорида бария, моль/дм3.
11.1 Значения границ относительной погрешности результатов измерений массовой концентрации общей серы методом окислительной микрокулонометрии и ее составляющие приведены в таблице 1.
|
Массовая концентрация общей серы CS, мг/м3 |
Границы относительной погрешности ± δ, %, при Р = 0, 95 |
Среднеквадратическое отклонение повторяемости σr, % |
|
От 1 до 10 включ. |
31, 67 - 1, 67 · CS |
7, 6 - 0, 4 · CS |
|
Св. 10 до 20 включ. |
16, 5 - 0, 15 · CS |
3, 97 - 0, 036 · CS |
|
Св. 20 до 50 включ. |
15, 17 - 0, 083 · CS |
3, 61 - 0, 018 · CS |
|
Св. 50 до 100 включ. |
12 - 0, 02 · CS |
2, 92 - 0, 0042 · CS |
|
Св. 100 до 200 включ. |
13 - 0, 03 · CS |
3, 25 - 0, 0075 · CS |
11.2 Значения границ относительной погрешности результатов измерений массовой концентрации общей серы методом сжигания и титрования хлоридом бария и ее составляющие приведены в таблице 2.
|
Массовая концентрация общей серы CS, мг/м3 |
Границы относительной погрешности ± δ, %, при Р = 0, 95 |
Среднеквадратическое отклонение повторяемости σr, % |
|
От 25 до 50 включ. |
25 - 0, 2 · CS |
4, 3 - 0, 032 · CS |
|
Св. 50 до 100 включ. |
18 - 0, 06 · CS |
3, 4 - 0, 014 · CS |
|
Св. 100 до 200 включ. |
16 - 0, 04 · CS |
2, 4 - 0, 004 · CS |
|
Св. 200 до 1000 включ. |
9 - 0, 005 · CS |
1, 75 - 0, 00075 · CS |
12.1 За результат измерений массовой концентрации общей серы методами, установленными в настоящем стандарте, принимают среднеарифметическое значение результатов двух последовательных измерений, полученных в условиях повторяемости,
, мг/м3, если выполняется условие приемлемости, выражаемое соотношением
,
(11)
где
,
- результаты двух последовательных измерений массовой концентрации общей серы, полученных в условиях повторяемости, мг/м3;
- среднее арифметическое результатов двух последовательных измерений массовой концентрации общей серы, полученных в условиях повторяемости, мг/м3;
r - значение предела повторяемости, %, которое вычисляют по формуле
r=2, 77·σr,
(12)
где 2, 77 - коэффициент критического диапазона для результатов двух измерений;
σr - среднеквадратическое отклонение повторяемости результатов измерений массовой концентрации общей серы, вычисленное при
, % (см. таблицы 1 или 2 в зависимости от метода измерений).
12.2 Если условие, выражаемое соотношением (11), не выполняется, проводят еще одно измерение соответствующим методом в условиях повторяемости и для дальнейшей обработки используют результаты трех измерений массовой концентрации общей серы, полученные в условиях повторяемости.
12.3 За результат измерений массовой концентрации общей серы методами, установленными в настоящем стандарте, принимают среднеарифметическое значение результатов трех последовательных измерений, полученных в условиях повторяемости,
, мг/м3, если выполняется условие приемлемости, выражаемое соотношением
,
(13)
где
,
- максимальное и минимальное значения из полученных трех результатов измерений массовой концентрации общей серы, мг/м3;
- значение критического диапазона для уровня вероятности Р = 0, 95, %, которое вычисляют по формуле
,
(14)
где 3, 3 - коэффициент критического диапазона для результатов трех измерений;
σr - среднеквадратическое отклонение повторяемости результатов измерений массовой концентрации общей серы, вычисленное при
, % (см. таблицы 1 или 2 в зависимости от метода измерений), %.
12.4 При выполнении условий, установленных в 12.1 или 12.3, результат измерений массовой концентрации общей серы представляют в виде
, мг/м3, при Р=0, 95,
(15)
где CS - среднее арифметическое результатов двух или трех последовательных измерений массовой концентрации общей серы, полученных в условиях повторяемости, мг/м3;
δ(CS) - границы относительной погрешности измерений массовой концентрации общей серы, рассчитанные при CS, % (см. таблицы 1 или 2 в зависимости от метода измерений).
12.5 В случае невыполнения условия, выражаемого соотношением (13), результат измерений массовой концентрации общей серы представляют в виде
, мг/м3, при Р=0, 95,
(16)
где
- второй наименьший из трех результатов измерений массовой концентрации общей серы, полученных в условиях повторяемости, мг/м3;
δ(
)- границы относительной погрешности измерений массовой концентрации общей серы, рассчитанные при
, % (см. таблицы 1 или 2 в зависимости от метода измерений).
12.6 Результат измерений массовой концентрации общей серы округляют до первого знака после запятой.
12.7 Если измеренное значение массовой концентрации общей серы CS, мг/м3, выходит за нижний предел полного диапазона измерений соответствующего метода, результат измерения представляют в виде следующей записи:
CS<Cmin,
(17)
где Cmin - нижний предел полного диапазона измерений для соответствующего метода измерений массовой концентрации общей серы, мг/м3.
12.8 Если измеренное значение массовой концентрации общей серы CS, мг/м3, выходит за верхний предел полного диапазона измерений соответствующего метода, результат измерения представляют в виде следующей записи:
CS<Cmax,
(18)
где Cmax - верхний предел полного диапазона измерений для соответствующего метода измерений массовой концентрации общей серы, мг/м3.
13.1 Контроль точности результатов измерений методами, указанными в настоящем стандарте, осуществляют, используя контроль повторяемости и контроль правильности.
13.2 Контроль повторяемости проводят в соответствии с [2], используя контрольные карты Шухарта. Периодичность контроля повторяемости регламентируют в Руководстве по качеству лаборатории.
Примечание - В Российской Федерации контроль повторяемости с использованием контрольных карт Шухарта проводят по ГОСТ Р ИСО 5725-6 и ГОСТ Р ИСО 7870-2.
13.3 Контроль правильности проводят при внедрении в лаборатории методов, установленных в настоящем стандарте, и аккредитации лаборатории.
13.4 Контроль правильности проводят с использованием СО состава газовых смесей на основе сероводорода в метане, с метрологическими характеристиками, обеспечивающими запас по точности не менее двух по отношению к значениям границ относительной погрешности измерений массовой концентрации общей серы (см. таблицы 1 или 2 в зависимости от метода измерений).
13.5 Контроль правильности проводят с использованием СО с массовой концентрацией серы, находящейся в пределах одного из диапазонов, приведенных в таблицах 1 или 2.
13.6 Анализ СО проводят в соответствии с методами, изложенными в настоящем стандарте, и определяют расхождение между измеренным значением массовой концентрации общей серы и содержанием серы в СО, рассчитанным по уравнению (3).
13.7 В зависимости от используемого метода полученное расхождение не должно превышать значений границ относительной погрешности результатов измерений массовой концентрации общей серы, указанных в таблицах 1 или 2. В противном случае выясняют причины, приводящие к неудовлетворительным результатам, и принимают меры по их устранению.
Приложение А
(обязательное)
А.1 Для приготовления исходного раствора бутилдисульфида в гексане массовой концентрацией серы 2000 мкг/см3 отмеряют пипеткой 1, 5 см3 бутилдисульфида (с содержанием основного вещества не менее 97 %, плотностью не менее 0, 938 г/см3) и вносят в мерную колбу на 250 см3, предварительно содержащую примерно 50 см3 гексана квалификации не ниже чда. После полного растворения бутилдисульфида доводят объем раствора гексаном до метки. Раствор устойчив в течение 1 мес при хранении в плотно закрытой склянке из темного стекла в холодильнике, обеспечивающем температуру в диапазоне от 2 °С до 6 °С.
Массовую концентрацию серы в растворе бутилдисульфида,
определяют по формуле
,
(А.1)
где VБДС - объем бутилдисульфида, см3;
ρБДС - плотность бутилдисульфида, г/см3;
Vp-pa - объем раствора бутилдисульфида в гексане, см3;
106 - коэффициент пересчета г в мкг;
0, 3595 - массовая доля элементарной серы в бутилдисульфиде.
А.2 Для приготовления градуировочного раствора бутилдисульфида в гексане с массовой концентрацией серы 20 мкг/см3 отмеряют пипеткой 1, 0 см3 исходного раствора и вносят в мерную колбу на 100 см3. Доводят гексаном объем раствора до метки. Раствор устойчив в течение 1 недели при хранении в плотно закрытой склянке из темного стекла в холодильнике.
А.3 Операции, приведенные в А.1 и А.2, проводят в вытяжном шкафу.
Приложение Б
(обязательное)
Детали лампового узла и их основные размеры приведены на рисунке Б.1.
Рисунок Б.1 - Детали лампового узла и их основные размеры
Приложение В
(обязательное)
В.1 Для приготовления водного раствора сульфатов взвешивают в бюксе 0, 227 г сульфата калия, предварительно высушенного до постоянной массы в сушильном шкафу при 105 °С в течение 1 ч и охлажденного в эксикаторе до комнатной температуры.
В.2 Количественно переносят навеску в мерную колбу вместимостью 500 см3, растворяют примерно в 400 см3 дистиллированной воды, добавляют от 0, 7 до 0, 9 см3 водного раствора соляной кислоты концентрацией 0, 1 моль/дм3 и перемешивают.
В.3 Доводят объем раствора в колбе до метки дистиллированной водой и вновь перемешивают. По универсальной индикаторной бумаге рН полученного раствора должен быть около 4. Переносят раствор в склянку из светлого стекла с притертой пробкой вместимостью 500 см3. Раствор хранят при комнатной температуре не более 6 мес.
В.4 Массовая концентрация сульфат-ионов в полученном растворе составляет 250 мг/дм3.
Библиография
|
[1] |
Рекомендации по межгосударственной стандартизации РМГ 29-2013 |
Государственная система обеспечения единства измерений. Метрология. Основные термины и определения |
|
[2] |
Рекомендации по межгосударственной стандартизации РМГ 76-2014 |
Государственная система обеспечения единства измерений. Внутренний контроль качества результатов количественного химического анализа |


