ГОСТ 20448-2018 ГАЗЫ УГЛЕВОДОРОДНЫЕ СЖИЖЕННЫЕ ТОПЛИВНЫЕ ДЛЯ КОММУНАЛЬНО-БЫТОВОГО ПОТРЕБЛЕНИЯ. ТЕХНИЧЕСКИЕ УСЛОВИЯ
Fuel liquefied hydrocarbon gases for domestic use. Specifications
МКС 75.160.30
Предисловие
Цели, основные принципы и основной порядок проведения работ по межгосударственной стандартизации установлены в ГОСТ 1.0-2015 "Межгосударственная система стандартизации. Основные положения" и ГОСТ 1.2-2015 "Межгосударственная система стандартизации. Стандарты межгосударственные, правила и рекомендации по межгосударственной стандартизации. Правила разработки, принятия, обновления и отмены"
Сведения о стандарте
1 Разработан Акционерным обществом "Волжский научно-исследовательский институт углеводородного сырья" (АО "ВНИИУС")
2 Внесен Межгосударственным техническим комитетом по стандартизации МТК 52 "Природный и сжиженные газы"
3 Принят Межгосударственным советом по стандартизации, метрологии и сертификации (протокол от 27 июня 2018 г. N 53)
За принятие проголосовали:
|
Краткое наименование страны по МК (ИСО 3166) 004-97 |
Код страны по МК (ИСО 3166) 004-97 |
Сокращенное наименование национального органа по стандартизации |
|
Азербайджан |
AZ |
Азстандарт |
|
Армения |
AM |
Минэкономики Республики Армения |
|
Беларусь |
BY |
Госстандарт Республики Беларусь |
|
Грузия |
GE |
Грузстандарт |
|
Казахстан |
KZ |
Госстандарт Республики Казахстан |
|
Киргизия |
KG |
Кыргызстандарт |
|
Молдова |
MD |
Институт стандартизации Молдовы |
|
Россия |
RU |
Росстандарт |
|
Таджикистан |
TJ |
Таджикстандарт |
|
Туркменистан |
TM |
Главгосслужба "Туркменстандартлары" |
|
Узбекистан |
UZ |
Узстандарт |
|
Украина |
UA |
Минэкономразвития Украины |
4 Приказом Федерального агентства по техническому регулированию и метрологии от 9 октября 2018 г. N 731-ст межгосударственный стандарт ГОСТ 20448-2018 введен в действие в качестве национального стандарта Российской Федерации с 1 июля 2019 г.
5 Взамен ГОСТ 20448-90
Настоящий стандарт распространяется на углеводородные сжиженные газы (далее - сжиженные газы), предназначенные для использования в качестве топлива для коммунально-бытового потребления и промышленных целей.
В настоящем стандарте использованы нормативные ссылки на следующие межгосударственные стандарты:
ГОСТ 12.1.005-88 Система стандартов безопасности труда. Общие санитарно-гигиенические требования к воздуху рабочей зоны
ГОСТ 12.1.007-76 Система стандартов безопасности труда. Вредные вещества. Классификация и общие требования безопасности
ГОСТ 12.1.018-93 Система стандартов безопасности труда. Пожаровзрывобезопасность статического электричества. Общие требования
ГОСТ 12.1.044-89 (ИСО 4589-84) Система стандартов безопасности труда. Пожаровзрывоопасность веществ и материалов. Номенклатура показателей и методы их определения
ГОСТ 12.4.021-75 Система стандартов безопасности труда. Системы вентиляционные. Общие требования
ГОСТ 12.4.026-2015 Система стандартов безопасности труда. Цвета сигнальные, знаки безопасности и разметка сигнальная. Назначение и правила применения. Общие технические требования и характеристики. Методы испытаний
ГОСТ 17.2.3.02-2014 Правила установления допустимых выбросов загрязняющих веществ промышленными предприятиями
ГОСТ 400-80 Термометры стеклянные для испытаний нефтепродуктов. Технические условия
ГОСТ 1510-84 Нефть и нефтепродукты. Маркировка, упаковка, транспортирование и хранение
ГОСТ 1770-74 (ИСО 1042-83, ИСО 4788-80) Посуда мерная лабораторная стеклянная. Цилиндры, мензурки, колбы, пробирки. Общие технические условия
ГОСТ 2603-79 Реактивы. Ацетон. Технические условия
ГОСТ 4233-77 Натрий хлористый. Технические условия
ГОСТ 5556-81 Вата медицинская гигроскопическая. Технические условия
ГОСТ 6709-72 Вода дистиллированная. Технические условия
ГОСТ 10679-76 Газы углеводородные сжиженные. Метод определения углеводородного состава
ГОСТ 12162-77 Двуокись углерода твердая. Технические условия
ГОСТ 14192-77 Маркировка грузов*
──────────────────────────────
* В Российской Федерации также действует ГОСТ Р 57479-2017 "Грузы опасные. Маркировка".
ГОСТ 14921-2018 Газы углеводородные сжиженные. Методы отбора проб
ГОСТ 16350-80 Климат СССР. Районирование и статистические параметры климатических факторов для технических целей
ГОСТ 17299-78 Спирт этиловый технический. Технические условия
ГОСТ 18300-87 Спирт этиловый ректификованный технический. Технические условия*
ГОСТ 19433-88 Грузы опасные. Классификация и маркировка**
──────────────────────────────
* Утратил силу в Российской Федерации. В Российской Федерации следует пользоваться ГОСТ Р 55878-2013 "Спирт этиловый технический гидролизный ректификованный. Технические условия".
** В Российской Федерации также действует ГОСТ Р 57479-2017 "Грузы опасные. Маркировка".
ГОСТ 22387.5-2014 Газ для коммунально-бытового потребления. Методы определения интенсивности запаха
ГОСТ 22985-2017 Газы углеводородные сжиженные. Метод определения сероводорода, меркаптановой серы и серооксида углерода
ГОСТ 28656-90 Газы углеводородные сжиженные. Расчетный метод определения плотности и давления насыщенных паров
ГОСТ 29169-91 (ИСО 648-77) Посуда лабораторная стеклянная. Пипетки с одной отметкой
ГОСТ 30852.19-2002 (МЭК 60079-20:1996) Электрооборудование взрывозащищенное. Часть 20. Данные по горючим газам и парам, относящиеся к эксплуатации электрооборудования
ГОСТ 32918-2014 Нефть. Метод определения сероводорода, метил- и этилмеркаптанов
ГОСТ 33012-2014 (ISO 7941:1988) Пропан и бутан товарные. Определение углеводородного состава методом газовой хроматографии
ГОСТ ISO 4256-2013 Газы углеводородные сжиженные. Определение манометрического давления паров. Метод СУГ
ГОСТ ISO 4257-2013 Газы углеводородные сжиженные. Метод отбора проб
ГОСТ OIML R 76-1-2011 Государственная система обеспечения единства измерений. Весы неавтоматического действия. Часть 1. Метрологические и технические требования. Испытания***
──────────────────────────────
*** В Российской Федерации также действует ГОСТ Р 53228-2008 "Весы неавтоматического действия. Часть 1. Метрологические и технические требования. Испытания".
Примечание - При пользовании настоящим стандартом целесообразно проверить действие ссылочных стандартов в информационной системе общего пользования - на официальном сайте Федерального агентства по техническому регулированию и метрологии в сети Интернет или по ежегодному информационному указателю "Национальные стандарты", который опубликован по состоянию на 1 января текущего года, и по выпускам ежемесячного информационного указателя "Национальные стандарты" за текущий год. Если ссылочный стандарт заменен (изменен), то при пользовании настоящим стандартом следует руководствоваться заменяющим (измененным) стандартом. Если ссылочный стандарт отменен без замены, то положение, в котором дана ссылка на него, применяется в части, не затрагивающей эту ссылку.
В настоящем стандарте применен следующий термин с соответствующим определением:
3.1 сжиженные углеводородные газы: Смесь углеводородов (пропана, пропилена, бутанов, бутиленов и бутадиенов с присутствием метана, этана, этилена и/или пентанов и пентенов), преобразованная в жидкое состояние.
4.1 В зависимости от содержания основного компонента в сжиженных газах устанавливают марки и коды ОКПД2, приведенные в таблице 1.
|
Марка |
Наименование |
Код ОКПД2* |
|
ПТ |
Пропан технический |
19.20.31.110 |
|
ПБТ |
Пропан-бутан технический |
19.20.31 |
|
БТ |
Бутан технический |
19.20.31.120 |
|
* Действует в Российской Федерации. | ||
Применение марок сжиженного газа в качестве топлива для коммунально-бытового потребления в климатических районах по ГОСТ 16350 приведено в приложении А.
Пример - Газ сжиженный углеводородный топливный для коммунально-бытового потребления, марка пропан технический (ПТ) по ГОСТ 20448.
5.1 Сжиженные газы должны соответствовать требованиям настоящего стандарта и изготовляться по утвержденной технологии.
5.2 По физико-химическим и эксплуатационным показателям сжиженные газы должны соответствовать требованиям и нормам, указанным в таблице 2.
|
Наименование показателя |
Норма для марки |
Метод испытания | ||
|
ПТ |
ПБТ |
БТ | ||
|
1 Содержание компонентов: |
По ГОСТ 10679 или ГОСТ 33012* | |||
|
- сумма метана, этана и этилена, массовая доля, % |
Не нормируется. Определение обязательно | |||
|
- сумма метана, этана и этилена, молярная доля, % | ||||
|
- сумма пропана и пропилена, массовая доля, %, не менее |
75, 0 |
Не нормируется. Определение обязательно | ||
|
- сумма пропана и пропилена, молярная доля, %, не менее |
80, 0 | |||
|
- сумма бутанов и бутиленов, массовая доля, %, не более |
60, 0 |
- | ||
|
- сумма бутанов и бутиленов, массовая доля, %, не менее |
Не нормируется. Определение обязательно |
- |
60, 0 | |
|
- сумма бутанов и бутиленов, молярная доля, %, не более |
54, 0 |
- | ||
|
- сумма бутанов и бутиленов, молярная доля, %, не менее |
- |
54, 0 | ||
|
2 Содержание сероводорода и меркаптановой серы |
По ГОСТ 22985 или ГОСТ 32918 | |||
|
- массовая доля, %, не более |
0, 013 |
0, 013 |
0, 013 | |
|
- молярная доля, %, не более в т.ч. сероводорода |
0, 009 |
0, 009 |
0, 009 | |
|
- массовая доля, %, не более |
0, 003 |
0, 003 |
0, 003 | |
|
- молярная доля, %, не более |
0, 005 |
0, 005 |
0, 005 | |
|
3 Давление насыщенных паров, избыточное, МПа, при температуре: |
По ГОСТ ISO 4256, ГОСТ 28656 | |||
|
- плюс 45 °С, не более |
1, 6 | |||
|
- минус 20 °С, не менее |
0, 16 |
- |
- | |
|
4 Объемная доля жидкого остатка при 20 °С, %, не более |
0, 7 |
1, 6 |
1, 8 |
По 9.2 и приложению Б настоящего стандарта** |
|
5 Содержание свободной воды и щелочи |
Отсутствие |
По 9.2 и приложению Б настоящего стандарта*** | ||
|
6 Интенсивность запаха, баллы, не менее |
3 |
По ГОСТ 22387.5 | ||
|
Примечания 1 Допускается не определять интенсивность запаха при массовой доле меркаптановой серы в сжиженном газе 0, 002 % (20 ppm) и более. При массовой доле меркаптановой серы менее 0, 002 % или интенсивности запаха менее 3 баллов сжиженные газы должны быть одорированы в установленном порядке. 2 При выработке газа марки ПТ из деэтанизированного сырья давление насыщенных паров при температуре минус 20 °С допускается не менее 0, 14 МПа. 3 Давление насыщенных паров сжиженных газов при температуре минус 20 °С определяют только в зимний период. 4 По показателям 1 и 2 содержание в молярных долях определяют по требованию потребителя. | ||||
* В Российской Федерации также действуют ГОСТ Р 56869-2016 "Газы углеводородные сжиженные и смеси пропан-пропиленовые. Определение углеводородов газовой хроматографией" и ГОСТ Р 54484-2011 "Газы углеводородные сжиженные. Методы определения углеводородного состава".
** В Российской Федерации также действует ГОСТ Р 52087-2018 "Газы углеводородные сжиженные топливные. Технические условия".
*** В Российской Федерации также действуют ГОСТ Р 56870-2018 "Газы углеводородные сжиженные. Определение аммиака, воды и щелочи" и ГОСТ Р 52087-2018 "Газы углеводородные сжиженные топливные. Технические условия".
5.3 Маркировка
5.3.1 Маркировка сжиженных газов - по ГОСТ 1510 и ГОСТ 14192, знака опасности - по ГОСТ 19433, класса 2, подклассов 2.1 и 2.3.
5.3.2 Сигнальные цвета и знаки безопасности - по ГОСТ 12.4.026.
5.4 Упаковка
Сжиженные газы упаковывают по ГОСТ 1510 в соответствии с требованиями, установленными для газов углеводородных сжиженных топливных. Тара должна соответствовать требованиям и правилам для оборудования, работающего под избыточным давлением*.
──────────────────────────────
* В Российской Федерации действуют федеральные нормы и правила в области промышленной безопасности "Правила промышленной безопасности опасных производственных объектов, на которых используется оборудование, работающее под избыточным давлением".
6.1 Сжиженные газы пожаро- и взрывоопасны, одорированные сжиженные газы имеют специфический характерный запах, по степени воздействия на организм относятся к веществам класса опасности 4 (малоопасные) по ГОСТ 12.1.007.
6.2 Для сжиженного газа известного состава показатели пожаро-, взрывоопасности определяют по ГОСТ 12.1.044, характеристики пожаро-, взрывоопасности компонентов газа - по ГОСТ 30852.19.
Сжиженные газы образуют с воздухом взрывоопасные смеси.
Концентрационные пределы распространения пламени в воздухе, % об., пропан: нижний - 1, 7; верхний - 10, 9; нормальный бутан: нижний - 1, 4, верхний - 9, 3; изобутан: нижний - 1, 3; верхний - 9, 8.
Температура самовоспламенения в воздухе при давлении 0, 1 МПа (760 мм рт. ст.): пропан - 470 °С; нормальный бутан - 372 °С; дизобутан - 460 °С.
Температура кипения: пропан - минус 42, 06 °С; нормальный бутан - минус 0, 5 °С; изобутан - минус 11, 7 °С.
6.3 Предельно допустимая концентрация (далее - ПДК) сжиженных газов в воздухе рабочей зоны не должна превышать ПДК, установленных в ГОСТ 12.1.005.
ПДК в воздухе рабочей зоны алифатических предельных углеводородов C1-С10 (в пересчете на углерод) - 300 мг/м3, непредельных углеводородов (пропилен, бутилен) - 100 мг/м**.
──────────────────────────────
** В Российской Федерации действуют ГН 2.2.5.1313-03 "Предельно допустимые концентрации (ПДК) вредных веществ в воздухе рабочей зоны".
6.4 Пары сжиженного газа тяжелее воздуха и могут скапливаться в низких непроветриваемых местах, при смешении с воздухом вытесняют кислород, что может привести к удушью.
6.5 Сжиженные газы, попадая на тело человека, могут вызвать обморожение, напоминающее ожог. При возможном контакте необходимо надевать защитную одежду, очки, перчатки или рукавицы.
6.6 Сжиженные газы действуют на организм наркотически. Признаками наркотического действия являются недомогание и головокружение, возможна потеря сознания. Пары сжиженных газов при вдыхании в организме человека не кумулируются.
6.7 При концентрациях, незначительно превышающих ПДК сжиженных газов, применяют промышленные фильтрующие противогазы с фильтрующей коробкой марки А или коробками с маркировкой по защите от вредных веществ АВЕР с соответствующими классами защиты. При высоких концентрациях и работе в закрытых емкостях, сосудах, колодцах и т.д. - шланговые изолирующие противогазы с принудительной подачей воздуха или изолирующие воздушно-дыхательные аппараты.
6.8 Все производственные помещения должны быть оборудованы общеобменной приточно-вытяжной вентиляцией в соответствии с требованиями ГОСТ 12.4.021, обеспечивающей содержание вредных веществ в воздухе рабочей зоны не выше их ПДК. Необходимо соблюдать требования санитарной гигиены по ГОСТ 12.1.005.
6.9 Оборудование, предназначенное для хранения и транспортирования сжиженных газов, должно быть защищено от статического электричества в соответствии с ГОСТ 12.1.018.
6.10 В помещениях производства, хранения и перекачивания сжиженных газов запрещается обращение с открытым огнем. Электрические сети и искусственное освещение должны быть выполнены во взрывозащищенном исполнении. Не допускается использовать инструменты, дающие при ударе искру.
6.11 При возгорании применяют средства пожаротушения: газовые огнетушащие составы на основе инертных газов, порошковые составы, тонкораспыленную воду для охлаждения; при объемном тушении - углекислый газ.
Примечание - Настоящий стандарт не содержит указаний по всем проблемам безопасности, возникающим при его применении. Пользователь настоящего стандарта должен предусмотреть меры по обеспечению безопасности и здоровья, занятых в отборе проб работников, а также определить возможность его применения или соответствующие ограничения. Все действия по отбору проб должны соответствовать требованиям безопасности, действующим на данном предприятии.
7.1 Основными требованиями, обеспечивающими сохранение природной среды, являются максимальная герметизация емкостей, коммуникаций, насосных агрегатов и другого оборудования, строгое соблюдение технологического режима.
7.2 При производстве и применении сжиженных газов должен быть организован производственный контроль за содержанием предельно-допустимых выбросов в атмосферу по ГОСТ 17.2.3.02.
В производственных помещениях и на открытых площадках производства следует проводить периодический контроль (не менее одного раза в сутки) содержания углеводородов в воздухе рабочей зоны переносными или автоматическими приборами (анализаторами, сигнализаторами), допущенными к применению в установленном порядке*.
──────────────────────────────
* В Российской Федерации действуют СанПиН 2.1.6.1032-01 "Гигиенические требования к обеспечению качества атмосферного воздуха населенных мест".
8.1 Сжиженные газы принимают партиями. За партию принимают любое количество сжиженного газа одного целевого назначения и марки, однородное по показателям качества и сопровождаемое паспортом качества, содержащим сведения об изготовителе и фактические значения нормируемых показателей качества, полученные в результате лабораторных испытаний**.
──────────────────────────────
** На территории стран ЕАЭС паспорт качества должен соответствовать требованиям TP ЕАЭС [1].
8.2 Объем выборки - по ГОСТ 14921.
Объем пробы в зависимости от количества определяемых показателей - по таблице 2.
При получении неудовлетворительных результатов испытаний хотя бы по одному из показателей качества проводят повторные испытания вновь отобранной пробы, взятой из удвоенной выборки той же выборки. Результаты повторных испытаний распространяются на всю партию.
8.3 При разногласиях в оценке качества сжиженных газов между потребителем и изготовителем арбитражный анализ газа выполняют в лабораториях, аккредитованных в установленном порядке, или в лаборатории, определенной соглашением сторон.
Арбитражным методом испытания является метод, указанный первым в графе "Методы испытаний" таблицы 2, при отборе проб - ГОСТ 14921.
9.1 Пробы сжиженного газа отбирают по ГОСТ 14921 или ГОСТ ISO 4257*.
──────────────────────────────
* В Российской Федерации также действует ГОСТ Р 55609-2013 "Отбор проб газового конденсата, сжиженного углеводородного газа и широкой фракции легких углеводородов. Общие требования".
9.2 Определение жидкого остатка, свободной воды и щелочи
Сущность метода заключается в испарении пробы сжиженного газа и проведении качественных реакций на присутствие воды и щелочи в жидком остатке. Метод определения изложен в приложении Б.
Транспортирование и хранение сжиженных газов - по ГОСТ 1510**.
──────────────────────────────
** См. также [2].
11.1 Изготовитель гарантирует соответствие сжиженного газа требованиям настоящего стандарта при соблюдении условий транспортирования и хранения.
11.2 Гарантийный срок хранения сжиженного газа - 6 мес с даты изготовления.
Приложение А
(рекомендуемое)
Применение различных марок сжиженного газа для коммунально-бытового потребления в зависимости от климатических факторов приведено в таблице А.1.
|
Система газоснабжения |
Применение марок сжиженных газов в макроклиматических районах по ГОСТ 16350 | |||
|
Умеренного |
Холодного | |||
|
Летний период |
Зимний период |
Летний период |
Зимний период | |
|
Газобаллонная: | ||||
|
- с наружной установкой баллонов |
ПБТ |
ПТ |
ПБТ |
ПТ |
|
- с внутриквартирной установкой баллонов |
ПБТ |
ПБТ |
ПБТ |
ПБТ |
|
- портативные баллоны |
БТ |
БТ |
БТ |
БТ |
|
Групповые установки: | ||||
|
- без испарителей |
ПБТ |
ПТ |
ПТ, ПБТ |
ПТ |
|
- с испарителями |
ПБТ, БТ |
ПТ, ПБТ, БТ |
ПТ, ПБТ |
ПТ, ПБТ |
|
Примечания 1 Для всех климатических районов, за исключением холодного и очень холодного: - летний период - с 1 апреля по 1 октября; - зимний период - с 1 октября по 1 апреля. 2 Для холодных районов: - летний период - с 1 июня по 1 октября; - зимний период - с 1 октября по 1 июня. 3 Для очень холодных районов: - летний период - с 1 июня по 1 сентября; - зимний период - с 1 сентября по 1 июня. | ||||
Приложение Б
(обязательное)
Б.1 Аппаратура, реактивы и материалы
Стеклянный отстойник вместимостью 100 см3, представляющий собой цилиндр с ценой деления не более 0, 1 см3, приведенный на рисунке Б.1.

Рисунок Б.1 - Отстойник для сжиженного газа
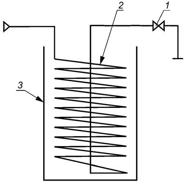
Устройство для охлаждения приведено на рисунке Б.2.

1 - игольчатый вентиль; 2 - змеевик; 3 - сосуд для охлаждающей смеси
Рисунок Б.2 - Устройство для охлаждения сжиженного газа
Охлаждающий змеевик изготовляют из медной трубки наружным диаметром от 6 до 8 мм, длиной 6 м, навитой виток к витку в виде спирали диаметром от 60 до 90 мм.
Сосуд с тепловой изоляцией для охлаждения смеси, с размерами под охлаждающий змеевик (внутренний диаметр - не менее 120 мм, высота - не менее 220 мм).
Термометры типа TH-8 по ГОСТ 400.
Секундомер.
Штатив лабораторный для отстойника.
Термостат или водяная баня для поддержания температуры с погрешностью не более ± 1 °С.
Гайка накидная к штуцеру пробоотборника с уплотнительной прокладкой и металлической или пластиковой трубкой длиной от 20 до 30 см, внутренним диаметром от 1 до 3 мм для соединения пробоотборника с охлаждающим змеевиком.
Проволока медная диаметром от 1, 5 до 2 мм.
Весы лабораторные общего назначения по ГОСТ OIML R 76-1-2011.
Цилиндр 1-100-2 по ГОСТ 1770.
Цилиндр 1-10-1 по ГОСТ 1770 или пипетка 2-2-10 по ГОСТ 29169.
Колба 2-100-2 по ГОСТ 1770.
Индикатор тимоловый синий водорастворимый, ч. д. а.
Индикатор фенолфталеин, ч. д. а., раствор в этиловом спирте массовой долей 1 % (1 г индикатора растворяют в 80 см3 этилового спирта и доводят объем раствора дистиллированной водой до 100 см3).
Вода дистиллированная по ГОСТ 6709.
Спирт этиловый по ГОСТ 17299 или ГОСТ 18300.
Вата гигроскопическая по ГОСТ 5556.
Смесь охлаждающая, состоящая из крупнокристаллической поваренной соли и льда, ацетона и твердой двуокиси углерода, или другие смеси, обеспечивающие требуемую температуру. Примеры приготовления охлаждающих смесей приведены в приложении В.
Примечание - Допускается применять оборудование с аналогичными техническими и метрологическими характеристиками, а также реактивы квалификации не ниже указанных в стандарте.
Б.2 Проведение испытания
Б.2.1 На штуцер пробоотборника с испытуемым сжиженным газом навинчивают накидную гайку с чистой сухой отводной трубкой. Открывая нижний (впускной) вентиль вертикально расположенного пробоотборника, осторожно наливают сжиженный газ через трубку в чистый сухой отстойник. При наливе конец трубки удерживают под поверхностью жидкости и наполняют отстойник до метки 100 см3.
Б.2.2 В пробку из ваты, неплотно вставленную в горло отстойника, незамедлительно устанавливают медную проволоку, доходящую приблизительно до середины мерной части отстойника. Проволока способствует равномерному испарению сжиженного газа, а пробка из ваты не пропускает в отстойник влагу из воздуха.
Б.2.3 После испарения основной массы сжиженного газа при температуре окружающей среды и прекращения заметного испарения жидкости удаляют из отстойника пробку из ваты, помещают его в водяную баню с температурой (20 ± 1) °С и выдерживают в течение 20 мин.
После этого измеряют объем жидкого остатка. При использовании отстойника применяют метод прямых (объемных) измерений.
Б.2.4 Если объемная доля жидкого остатка превышает норму, то проводят повторные испытания новой пробы, взятой из удвоенной выборки той же партии.
При проведении повторных и арбитражных испытаний отстойник заполняют сжиженным газом через охлаждающий змеевик. Змеевик устанавливают в сосуд для охлаждающей смеси, снабженный термометром, охлаждают до температуры на несколько градусов ниже температуры кипения основного компонента пробы сжиженного газа и присоединяют к пробоотборнику или пробоотборной точке.
Б.2.5 Открывая вентили на пробоотборнике или пробоотборной точке и змеевике, промывают змеевик сжиженным газом в течение 1-3 мин. Затем отстойник наполняют пробой сжиженного газа, выходящей из змеевика, до метки 100 см3, не допуская выброса пробы из отстойника. Далее повторяют операцию испарения газа и измеряют количество жидкого остатка по Б.2.2 и Б.2.3.
Б.2.6 Если в продукте имеется свободная вода, то после испарения пробы она остается на дне и стенках отстойника. При затруднениях в визуальной идентификации свободной воды в жидком остатке ее наличие определяют с помощью водорастворимого индикатора. Для этого в отстойник вносят на кончике сухой стеклянной палочки или проволоки несколько кристалликов тимолового синего. В углеводородном жидком остатке тимоловый синий не растворяется, и жидкость не окрашивается.
Окрашивание жидкости указывает на наличие воды. Щелочной раствор тимоловый синий окрашивает в синий цвет. В жидком остатке может содержаться метанол, который дает такое же окрашивание при проверке индикатором, как и свободная вода.
Для дополнительной идентификации свободной воды необходимо охладить жидкий остаток в течение 20 мин до температуры ниже минус 5 °С в соответствующей охлаждающей смеси или морозильной камере. Если при этом в отстойнике образуется лед, то констатируют наличие свободной воды, если жидкость не замерзает, то констатируют отсутствие свободной воды.
Б.2.7 Для определения наличия щелочи в жидком остатке допускается применять в качестве индикатора фенолфталеин. В отстойник добавляют 10 см3 дистиллированной воды и от 2 до 3 капель спиртового раствора фенолфталеина. Окрашивание раствора в розовый или красный цвет указывает на наличие щелочи. Жидкий остаток считается не содержащим щелочи при отсутствии окрашивания.
Б.2.8 За отсутствие в продукте жидкого остатка, свободной воды и щелочи принимают отсутствие жидкости на дне и стенках отстойника после испарения пробы.
Б.3 Обработка результатов
Б.3.1 За результат испытания принимают среднеарифметическое значение двух последовательных определений объемной доли жидкого остатка, %.
Результат измерений округляют до второго десятичного знака.
|
Объемная доля жидкого остатка V, % |
Предел повторяемости r, % |
Предел воспроизводимости R, % |
|
От 0, 50 до 1, 00 включ. |
0, 06V + 0, 05 |
0, 08V + 0, 07 |
|
Св. 1, 00 до 2, 00 включ. |
0, 07V + 0, 04 |
0, 09V + 0, 06 |
Примечание - Если вычисленное значение объемной доли жидкого остатка находится вне пределов диапазона измерений, приведенного в таблице Б.1, то результат измерения представляют в виде: "объемная доля жидкого остатка менее (более), ___ проценты", указывают границу диапазона измерений жидкого остатка.
Б.4 Прецизионность метода
Прецизионность метода определена на основании статистического исследования результатов межлабораторных испытаний.
Б.4.1 Повторяемость (сходимость)
Расхождение между результатами двух последовательных измерений, полученными одним оператором при постоянных условиях на одном и том же оборудовании, может превышать предел повторяемости r, приведенный в таблице Б.1, только в одном случае из двадцати при нормальном и правильном использовании метода измерений.
Б.4.2 Воспроизводимость
Расхождение между двумя независимыми результатами измерений, полученными в двух лабораториях на идентичном испытуемом материале при нормальном и правильном использовании метода измерений, может превышать предел воспроизводимости R, приведенный в таблице Б.1, только в одном случае из двадцати.
Б.4.3 Полученные результаты анализа оформляют по форме, принятой на конкретном предприятии.
Приложение В
(справочное)
В.1 Охлаждающие смеси готовят смешением солей со льдом (снегом). При использовании солевых охлаждающих смесей для достижения необходимой температуры соль необходимо тщательно растереть в порошок, а смесь хорошо перемешать.
В.2 Охлаждающая смесь минус 20 °С
Смешивают 30, 4 г натрия хлористого по ГОСТ 4233 со 100 г предварительно измельченного льда размером частиц не более 3 мм.
В.3 Охлаждающая смесь до минус 45 °С
Смесь готовят следующим образом. В накрытом металлическом химическом стакане охлаждают необходимое количество ацетона по ГОСТ 2603 или спирта (по ГОСТ 17299 или ГОСТ 18300) до температуры минус 12 °С или ниже при помощи смеси льда с солью. Для получения требуемой температуры к охлажденному ацетону или спирту добавляют твердую двуокись углерода по ГОСТ 12162.
Примечание - Допускается использовать другие охлаждающие смеси, позволяющие обеспечивать проведение испытания при заданной температуре.
Библиография
|
[1] |
Технический регламент Евразийского экономического союза TP ЕАЭС 036/2016 |
"Требования к сжиженным углеводородным газам для использования их в качестве топлива" |
|
[2] |
Европейское соглашение о международной дорожной перевозке опасных грузов (ДОПОГ) (ООН, Нью-Йорк и Женева, 2016 г.) | |


