Введен в действие постановлением Госстандарта СССР от 17 марта 1977 г. N 663
Государственный стандарт Союза ССР ГОСТ 22394-77
"ВОРОТКИ ДЛЯ КРУГЛЫХ ПЛАШЕК ДИАМЕТРАМИ 16 и 20 мм. ТИПЫ И ОСНОВНЫЕ РАЗМЕРЫ"
Тар wrenches for round dies diameters 16 and 20 mm. Types and basic dimensions
Срок введения с 1 января 1979 г.
Взамен MH 522-60
1. Настоящий стандарт распространяется на воротки для круглых плашек типа 2 по ГОСТ 9740-71 с наружными диаметрами 16 и 20 мм.
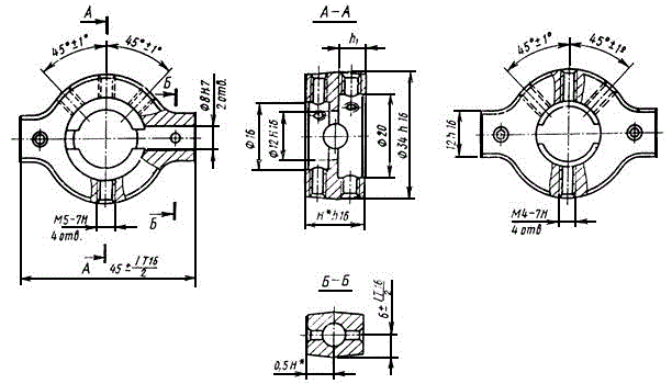
2. Воротки должны изготовляться типов:
1 - одногнездные;
2 - двухгнездные.
3. Основные размеры воротков типа 1 должны соответствовать указанным на черт. 1 и в табл. 1, а типа 2 - на черт. 2 и в табл. 2.
Тип 1
1 - корпус (кол.1); 2 - винт (кол.1); 3 - винт по ГОСТ 1476-75 (кол.3)
Черт.1
Таблица 1
мм
|
Обозначение воротка
|
Применяемость
|
D (пред. откл. Н11)
|
h (пред. откл. Н15)
|
h1 (пред. откл.
±0, 1)
|
h2 (пред. откл. )
|
L (пред. откл. )
|
Размеры плашек по ГОСТ 9740-71
DxH
|
Номинальные диаметры метрической резьбы по ГОСТ 24705-81, нарезаемой плашкой
|
|
6910-0151
| |
16
|
5, 5
|
2, 1
|
2, 1
|
130
|
16x5
|
От 1 до 2, 5
|
|
6910-0152
| |
20
|
6, 0
| | |
200
|
20x5
|
От 3 до 6
|
|
6910-0153
| | |
7, 0
|
3, 1
|
3, 1
| |
20x7
| |
Пример условного обозначения воротка размерами D = 20 мм, h = 7 мм:
Вороток 6910-0153 ГОСТ 22394-77
1 - корпус (кол.1); 2 - ручка (кол.2); 3 - винт (кол.1); 4 - винт (кол.1); 5 - винт по ГОСТ 1476-75 (кол.3); 6 - винт по ГОСТ 1476-75 (кол.3)
Черт.2
Таблица 2
мм
|
Обозначение воротка
|
Применяемость
|
h (пред. откл. Н15)
|
h1 (пред. откл. ±0, 1)
|
h2 (пред. откл. )
|
Размеры плашек по ГОСТ 9740-71 DxH
|
Номинальные диаметры метрической резьбы по ГОСТ 24705-81, нарезаемой плашкой
| |
|
6910-0154
| |
6, 0
|
2, 1
|
2, 1
|
16x5/20x5
|
От 1 до 6
| |
| | | |
|
6910-0155
| |
7, 0
|
3, 1
|
3, 1
|
16x5/20x7
| | |
| | | |
Пример условного обозначения воротка размером h = 6, 0 мм:
Вороток 6910-0154 ГОСТ 22394-77
4. Конструктивные размеры деталей воротков указаны в рекомендуемом приложении.
5. Предельные отклонения размеров - по ГОСТ 25346-82 и ГОСТ 25347-82.
6. Поля допусков резьбы - по ГОСТ 16093-81.
Приложение
Рекомендуемое
Конструктивные размеры воротков и деталей к ним
Корпус к воротку типа 1 (поз. 1)
(черт. 1, табл. 1)

Черт.1
Таблица 1
мм
|
D
|
h
|
D1 (пред. откл. h16)
|
H, не более
|
d (пред. откл. h14)
|
d1 (пред. откл. Н16)
|
d2 (пред. откл. 7Н)
|
l
|
r
|
|
Пред. откл. 
|
|
16
|
5, 5
|
30
|
8
|
6
|
12
|
М4
|
35
|
6
| |
|
20
|
6, 0
|
34
|
9
|
8
|
16
|
М5
|
45
|
8
| |
|
7, 0
|
10
| |
Вороток типа 2
(черт. 2)

Черт.2
Примечание. Способ соединения ручек с корпусом воротка не регламентируется.
Корпус к воротку типа 2 (поз. 1)
(черт. 3)
_______________
* Для h1=6 мм - размер H=15 мм; для h1=7 мм - размер H=16 мм.
Черт.3
Ручка к воротку типа 2 (поз. 2)
(черт. 4)

Черт.4
Винты к вороткам типа 1 (поз. 2) и типа 2 (поз. 3 и 4)*
(черт. 5, табл. 2)

Черт.5
______________________________
* Заготовки винтов - по ГОСТ 1476-75
Таблица 2
мм
|
Тип воротка
|
d
(пред. откл. 8 х g)
|
l
(пред. откл. ±0, 80)
|
l1
(пред. откл. ±0, 2)
|
|
1
|
2
| | | |
|
D
|
D
|
D1
| | | |
|
16
|
-
|
-
|
М4
|
8
|
1, 5
|
|
-
|
16
|
20
|
10
|
|
20
|
-
|
-
|
М5
|
8
|
2, 5
|
|
-
|
16
|
20
|