Введен в действие постановлением Госстандарта СССР от 22 марта 1977 г. N 679
Государственный стандарт Союза ССР ГОСТ 22400-77
"ВОРОТКИ ШЕСТИГНЕЗДНЫЕ ДЛЯ ИНСТРУМЕНТА С КВАДРАТНЫМИ ХВОСТОВИКАМИ. ОСНОВНЫЕ РАЗМЕРЫ"
Тар wrenches with six nests for tools with square shanks. Basic dimensions
Срок введения установлен с 1 января 1979 г.
1. Настоящий стандарт распространяется на воротки для инструмента с хвостовиками по ГОСТ 9523-67 с размерами сторон квадрата от 2, 5 до 18 мм.
2. Воротки должны изготовляться исполнений:
1 - цельные;
2 - сборные.
3. Основные размеры воротков должны соответствовать указанным на чертеже и в таблице.

Примечание. Размерам сторон квадратов а, а2, а3, а4, а5 соответствуют размеры по диагонали е, е2, е3, е4, е5.
мм
|
Обозначение воротков
|
Применяемость
|
Исполнение
|
а (пред. откл. по D11)
|
e, не менее
|
а1 (пред. откл. no D11)
|
е1, не менее
|
а2 (пред. откл. по D11)
|
е2, не менее
|
а3 (пред. откл. по D11)
|
е3, не менее
|
|
6910-0211
| |
1
|
2, 5
|
3, 44
|
4, 5
|
6, 12
|
3, 55
|
4, 87
|
2, 8
|
3, 85
|
|
6910-0212
| |
2
|
5, 0
|
6, 85
|
9, 0
|
11, 98
|
5, 60
|
7, 65
|
6, 3
|
8, 65
|
|
6910-0213
| | |
10, 0
|
13, 38
|
18, 0
|
23, 81
|
11, 20
|
15, 18
|
12, 5
|
17, 18
|
Продолжение
мм
|
Обозначение воротков
|
а4 (пред. откл. пo D11)
|
е4, не менее
|
а5 (пред. откл. по D11)
|
е5, не менее
|
S
|
L
|
d
|
|
Номин.
|
Пред. откл.
|
Пред. откл.

|
|
6910-0211
|
4, 0
|
5, 42
|
3, 15
|
4, 35
|
15
|
-0, 24
|
150
|
-
|
|
6910-0212
|
8, 0
|
10, 78
|
7, 10
|
9, 65
|
28
|
-0, 28
|
240
|
9
|
|
6910-0213
|
16, 0
|
21, 41
|
14, 00
|
19, 21
|
55
|
-0, 34
|
380
|
17
|
Пример условного обозначения воротка исполнения 2 с размером стороны квадрата а = 5, 0 мм:
Вороток 6910-0212 ГОСТ 22400-77
4. По заказу потребителя допускается изготовлять воротки с предельными отклонениями стороны квадрата а по В12.
5. Предельные отклонения размеров - по ГОСТ 25346-82 и ГОСТ 25347-82.
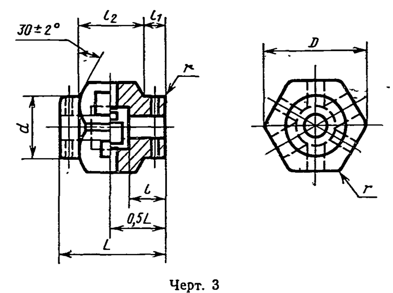
6. Конструктивные размеры деталей воротков указаны в рекомендуемом приложении.
Приложение
Рекомендуемое
Конструктивные размеры деталей воротков
Вороток исполнения 1 (черт. 1)
Воротки исполнения 2 (черт. 2-4, табл. 1-3)
Таблица 1
мм
|
Для воротков размером стороны квадрата а
|
l
(пред. откл. 
|
d
(пред. откл.
по 
|
d1
(пред. откл.
по 
|
|
5
|
30
|
8
|
2
|
|
10
|
50
|
16
|
3
|
1. Корпус (черт. 3, табл. 2)
Таблица 2
мм
|
Для воротков размером стороны квадрата а
|
D,
не менее
|
L
|
l
|
l1
|
l2
|
d
|
r
|
|
5
|
32
|
36
|
10
|
6
|
24
|
20
|
1, 5
|
|
10
|
63
|
60
|
20
|
10
|
40
|
40
|
3, 0
|
2. Ручка (черт. 4, табл. 3)
──────────────────────────────
* Размер для справок.
Таблица 3
мм
|
Для воротков размером стороны квадрата а
|
d
|
l
|
l1
|
l2
|
l3
|
r
|
|
5
|
8
|
105
|
30
|
46
|
97
|
10
|
|
10
|
16
|
165
|
50
|
70
|
155
|
16
|
Неуказанные предельные отклонения размеров - 