ГОСТ 21130-75 ИЗДЕЛИЯ ЭЛЕКТРОТЕХНИЧЕСКИЕ. ЗАЖИМЫ ЗАЗЕМЛЯЮЩИЕ И ЗНАКИ ЗАЗЕМЛЕНИЯ. КОНСТРУКЦИЯ И РАЗМЕРЫ
Electrical items. Earth terminals and earth signs. Design and dimensions
Дата введения 1 июля 1976 г.
Настоящий стандарт распространяется на заземляющие зажимы (далее - зажимы) и знаки заземления, применяемые в электротехнических изделиях и приборах общего назначения, взрывозащищенных и рудничных изделиях для заземления корпусов, оболочек и брони кабелей и подсоединения заземляющих жил.
Стандарт не распространяется на линейные, заземляющие зажимы, зажимы переносных заземляющих устройств, заземляющие зажимы, применяемые в бытовых изделиях, заземляющие зажимы для изделий и приборов, требования к которым регламентируются специальными правилами их изготовления (изделия и приборы радиотехники, судостроения и др.).
Все требования настоящего стандарта являются обязательными.
(Измененная редакция, Изм. N 2, 3, 5).
1.1. Зажимы должны изготавливаться следующих типов:
а) для заземления корпусов изделий и подсоединения заземляющих проводников:
ЗШ - зажим со шпилькой;
ЗБ - зажим с болтом;
ЗВ - зажим с винтом,
ЗВП - зажим с винтом, припаянным к подпорке;
б) для заземления оболочки и брони кабелей:
ЗШ2П - зажим с двумя шпильками и пластинами,
ЗШ2С - зажим с двумя шпильками и скобой,
ЗБХ - зажим с болтом и хомутом,
ЗБ2 - зажим с двумя болтами.
1.2. Конструкция и размеры зажимов типа ЗШ должны соответствовать указанным на черт. 1 и в табл. 1.

Таблица 1
В миллиметрах
|
d |
L |
L1 |
d |
L |
L1 | |
|
М4 |
20 |
14 |
М10 |
45 |
34 | |
|
25 | ||||||
|
М5 |
17 |
50 | ||||
|
30 | ||||||
|
55 | ||||||
|
М6 |
22 |
М12 | ||||
|
42 | ||||||
|
35 |
60 | |||||
|
М8 |
26 | |||||
|
40 |
65 | |||||
|
М10 |
45 |
34 |
M16* |
70 |
50 |
______________________________
* Только для исполнения 1.
Пример условного обозначения зажима со шпилькой из стали, диаметром М4, длиной 20 мм, исполнения I:
Зажим ЗШ-С-4х20-1 ГОСТ 21130-75
То же, из латуни:
Зажим ЗШ-Л-4х20-1 ГОСТ 21130-75
(Измененная редакция, Изм. N 2, 5).
1.2.1. Конструкция и размеры контактных шайб для зажима типа ЗШ должны соответствовать указанным на черт. 2 и в табл. 2. Допускаются конструктивные варианты с сохранением размеров d, D, h и l.

Таблица 2
Размеры в миллиметрах
|
Диаметр шпильки |
а, не менее |
d Н14 |
D |
h |
l |
r |
s |
Масса 1000 шт., кг |
|
4 |
3 |
4, 3 |
10 |
4 |
12 |
0, 5 |
0, 5 |
0, 8 |
|
5 |
4 |
5, 3 |
11 |
14 |
1, 0 |
2, 0 | ||
|
6 |
6, 4 |
1, 1 | ||||||
|
8 |
5 |
8, 4 |
16 |
6 |
18 |
1, 5 |
2, 8 | |
|
10 |
6 |
10, 5 |
20 |
8 |
22 |
1, 0 |
2, 0 |
6, 8 |
|
12 |
8 |
13, 0 |
27 |
10 |
30 |
13, 2 | ||
Пример условного обозначения контактной шайбы для шпильки диаметром 5 мм:
Шайба контактная 5 ГОСТ 21130-75
(Измененная редакция, Изм. N 2, 4, 5).
1.2.2. Материал контактной шайбы - латунь марки Л63 по ГОСТ 15527.
1.2.3. Покрытие контактной шайбы - 09 или М9 по ГОСТ 9.306.
(Измененная редакция, Изм. N 4).
1.3. Конструкция и размеры зажимов типа ЗБ должны соответствовать указанным на черт. 3 и в табл. 3.

Таблица 3
В миллиметрах
|
d |
L |
L1 |
L2 |
L3 |
d |
L |
L1 |
L2 |
L3 |
|
М4 |
12 |
8 |
14 |
16 |
М10 |
20 |
14 |
30 |
40 |
|
М5 |
16 |
11 |
18 |
18 |
25 |
21 | |||
|
М6 |
12 |
12 |
20 |
30 |
30 | ||||
|
16 |
М12 |
25 |
16 |
35 |
45 | ||||
|
М8 |
16 |
10 |
25 |
35 |
35 |
25 | |||
|
20 |
15 |
M16 |
40 |
30 |
45 |
55 | |||
|
25 |
Пример условного обозначения зажима с болтом из стали, диаметром М10, длиной 30 мм, исполнения 1:
Зажим ЗБ-С-10 х 30-1 ГОСТ 21130-75
То же, из латуни, исполнения 2:
Зажим ЗБ-Л-10 х 30-2 ГОСТ 21130-75
(Измененная редакция, Изм. N 3, 4).
1.4. Конструкция и размеры зажимов типа ЗВ должны соответствовать указанным на черт. 4 и в табл. 4.

Таблица 4
В миллиметрах
|
d |
L |
L1 |
d |
L1 | |
|
М4 |
12 |
8 |
М6 |
16 |
13 |
|
М5 |
16 |
11 |
М8 |
20 |
15 |
|
М6 |
12 |
13 |
25 | ||
Пример условного обозначения зажима с винтом из стали, диаметром М5, длиной 16 мм:
Зажим ЗВ-С-5 х 16 ГОСТ 21130-75
То же, из латуни:
Зажим ЗВ-Л-5 х 16 ГОСТ 21130-75
1.5. Конструкция и размеры зажимов типа ЗВП должны соответствовать указанным на черт. 5 и в табл. 5.

Таблица 5
В миллиметрах
|
d |
L |
|
М4 |
18, 5 |
|
М5 |
22, 5 |
|
М6 |
26, 5 |
|
М8 |
31, 5 |
Пример условного обозначения зажима с винтом, припаянным к подпорке, из стали, диаметром резьбы М6, исполнения 1:
Зажим ЗВП-С-6-1 ГОСТ 21130-75
1.3-1.5. (Измененная редакция, Изм. N 2).
1.5.1. Пайка винта к подпорке должна осуществляться проволокой из латуни марки Л63 по ГОСТ 1066.
Допускается замена пайки контактной сваркой.
(Измененная редакция, Изм. N 3).
1.5.2. Покрытие подпорки с винтом - 09 или М9 по ГОСТ 9.306. При выполнении пайки места с нарушенным покрытием следует предохранять эмалью.
1.5.3. Конструкция и размеры подпорки для зажима типа ЗВП должны соответствовать указанным на черт. 6 и в табл. 6.

Таблица 6
Размеры в миллиметрах
|
d H14 |
В |
D |
L |
Масса, кг |
|
4, 2 |
25 |
14 |
30 |
0, 0115 |
|
5, 2 |
30 |
18 |
40 |
0, 0183 |
|
6, 2 |
0, 0182 | |||
|
8, 2 |
0, 0180 | |||
Пример условного обозначения подпорки для винта диаметром М6:
Подпорка 6 ГОСТ 21130-75
(Измененная редакция, Изм. N 2, 4, 5).
1.5.4. Материал подпорки - сталь марки Ст2 по ГОСТ 380.
1.6. Конструкция и размеры зажимов типа ЗШ2П должны соответствовать указанным на черт. 7 и в табл. 7.
Таблица 7
В миллиметрах
|
d |
L |
|
М8 |
40 |
|
45 |

Пример условного обозначения зажима с двумя шпильками и пластинами из латуни, диаметром шпилек М8, длиной 40 мм:
Зажим ЗШ2П-Л-8 х 40 ГОСТ 21130-75
(Измененная редакция, Изм. N 2).
1.6.1. Конструкция и размеры пластины для зажима типа ЗШ2П должны соответствовать указанным на черт. 8.

Условное обозначение пластины:
Пластина ГОСТ 21130-75
(Измененная редакция, Изм. N 2, 4, 5).
1.6.2. Материал пластины - латунь марки Л63 по ГОСТ 15527.
1.6.3. Покрытие пластины - 09 или М9 по ГОСТ 9.306.
1.7. Конструкция и размеры зажимов типа ЗШ2С должны соответствовать указанным на черт. 9 и в табл. 9.

Таблица 9
В миллиметрах
|
Максимальный диаметр заземляемого кабеля d |
d1 |
A |
B |
B1 |
L |
L1 |
L2 |
L3
|
l |
r |
|
14 |
М6 |
30 |
12 |
14 |
25 |
15 |
35 |
15 |
5 |
7, 0 |
|
18 |
35 |
6 |
9, 0 | |||||||
|
25 |
40 |
35 |
25 |
45 |
25 |
7 |
12, 5 | |||
|
30 |
45 |
8 |
15, 0 | |||||||
|
40 |
55 |
40 |
30 |
50 |
30 |
12 |
20, 0 | |||
|
45 |
М8 |
65 |
15 |
17, 5 |
45 |
35 |
60 |
35 |
15 |
22, 5 |
|
53 |
75 |
65 |
18 |
26, 5 | ||||||
|
60 |
80 |
50 |
40 |
75 |
40 |
20 |
30, 0 |
Пример условного обозначения зажима с двумя шпильками со скобой, из стали, для заземляемого кабеля максимальным диаметром 25 мм, исполнения 1:
Зажим ЗШ2С-С-25-1 ГОСТ 21130-75
1.7.1. Конструкция и размеры скоб для зажима типа ЗШ2С должны соответствовать указанным на черт. 10 и в табл. 10.

Таблица 10
Размеры в миллиметрах
|
Максимальный диаметр заземляемого кабеля |
А ±1 |
В
|
d Н14 |
h |
L |
r
|
s |
Масса, кг |
|
14 |
30 |
12 |
7 |
3 |
45 |
7, 0 |
3, 0 |
0, 011 |
|
18 |
35 |
5 |
50 |
9, 0 |
0, 012 | |||
|
25 |
40 |
7 |
55 |
12, 5 |
0, 014 | |||
|
30 |
45 |
8 |
60 |
15, 0 |
0, 015 | |||
|
40 |
55 |
10 |
70 |
20, 0 |
0, 018 | |||
|
45 |
65 |
15 |
9 |
12 |
85 |
22, 5 |
3, 9 |
0, 031 |
|
53 |
75 |
14 |
95 |
26, 5 |
0, 040 | |||
|
60 |
80 |
15 |
100 |
30, 0 |
0, 050 | |||
Пример условного обозначения скобы для заземляемого кабеля максимальным диаметром 40 мм:
Скоба 40 ГОСТ 21130-75
(Измененная редакция, Изм. N 2, 4).
1.7.2. Материал скобы - сталь марки Ст2 по ГОСТ 380.
1.7.3. Покрытие скобы - Кд21.хр по ГОСТ 9.306. Допускается покрытие скобы Ц30.хр при соответствии его условиям эксплуатации.
(Измененная редакция, Изм. N 1).
1.7.4. Конструкция и размеры стоек для зажима типа ЗШ2С должны соответствовать указанным на черт. 11 и в табл. 11.

Таблица 11
Размеры в миллиметрах
|
Максимальный диаметр заземляемого кабеля |
d Н14 |
А ±1 |
В |
b |
b1 |
H |
h |
L |
L1 |
r2 |
r |
s |
Масса, кг |
|
14 |
6, 2 |
30 |
20 |
7 |
6 |
20 |
5 |
50 |
30 |
7, 0 |
6 |
3, 0 |
0, 019 |
|
18 |
35 |
6 |
55 |
35 |
9, 0 |
0, 021 | |||||||
|
25 |
40 |
7 |
60 |
40 |
12, 5 |
0, 035 | |||||||
|
30 |
45 |
8 |
65 |
45 |
15, 0 |
0, 036 | |||||||
|
40 |
55 |
12 |
75 |
55 |
20, 0 |
0, 039 | |||||||
|
45 |
8, 2 |
65 |
25 |
9 |
8 |
25 |
15 |
90 |
65 |
22, 5 |
8 |
3, 9 |
0, 086 |
|
53 |
75 |
30 |
18 |
100 |
70 |
26, 5 |
0, 110 | ||||||
|
60 |
80 |
35 |
20 |
105 |
80 |
30, 0 |
0, 146 | ||||||
Пример условного обозначения стойки для заземляемого кабеля максимальным диаметром 25 мм:
Стойка 25 ГОСТ 21130-75
(Измененная редакция, Изм. N 1, 5).
1.7.5. Материал стойки - сталь марки Ст2 по ГОСТ 380.
1.7.6. Покрытие стойки - Кд21.хр по ГОСТ 9.306. Допускается покрытие стойки Ц30.хр при соответствии его условиям эксплуатации.
1.8. Конструкция и размеры зажимов типа ЗБХ должны соответствовать указанным на черт. 12 и в табл. 12.

Таблица 12
В миллиметрах
|
d |
10 |
12 |
14 |
16 |
18 |
21 |
24 |
27 |
30 |
34 |
37 |
40 |
45 |
50 |
|
Максимальный диаметр заземляемого кабеля |
8 |
10 |
16 |
18 |
21 |
24 |
27 |
30 |
33 |
37 |
41 |
43 |
49 |
55 |
|
Н |
32 |
34 |
38 |
40 |
42 |
45 |
48 |
52 |
55 |
58 |
60 |
65 |
70 |
75 |
Пример условного обозначения зажима с болтом и хомутом из стали, диаметром хомута d = 30 мм:
Зажим ЗБХ-С-30 ГОСТ 21130-75
(Измененная редакция, Изм. N 2, 5).
1.8.1. Конструкция и размеры хомутов для зажима типа ЗБХ должны соответствовать указанным на черт. 13 и в табл. 13.

Таблица 13
Размеры в миллиметрах
|
d
|
b |
Н |
s |
Масса, кг |
|
10 |
4 |
32 |
1 |
0, 014 |
|
12 |
34 |
0, 015 | ||
|
14 |
6 |
38 |
1, 0 |
0, 017 |
|
16 |
40 |
0, 018 | ||
|
18 |
42 |
0, 019 | ||
|
21 |
8 |
45 |
0, 021 | |
|
24 |
48 |
0, 023 | ||
|
27 |
52 |
0, 025 | ||
|
30 |
10 |
55 |
0, 027 | |
|
34 |
58 |
0, 029 | ||
|
37 |
60 |
0, 031 | ||
|
40 |
12 |
65 |
1, 5 |
0, 048 |
|
45 |
70 |
0, 053 | ||
|
50 |
75 |
0, 057 | ||
Пример условного обозначения хомута диаметром d = 30 мм:
Хомут 30 ГОСТ 21130-75
(Измененная редакция, Изм. N 2, 4, 5).
1.8.2. Материал хомута - сталь Ст2 по ГОСТ 380.
1.8.3. Покрытие хомута - Кд21.хр по ГОСТ 9.306. Допускается покрытие хомута Ц30.хр при соответствии его условиям эксплуатации.
1.8.4. На хомуте должно быть нанесено значение его диаметра.
1.9. Конструкция и размеры зажимов типа ЗБ2 должны соответствовать указанным на черт. 14 и в табл. 14.

Таблица 14
В миллиметрах
|
d |
14 |
16 |
18 |
21 |
24 |
27 |
30 |
34 |
37 |
40 |
45 |
50 |
|
Максимальный диаметр заземляемого кабеля |
16 |
17 |
21 |
24 |
27 |
29 |
33 |
37 |
41 |
43 |
49 |
55 |
|
L |
65 |
70 |
75 |
80 |
85 |
90 |
95 |
100 | ||||
Пример условного обозначения зажима с двумя болтами, из стали, диаметром хомута d = 24 мм:
Зажим ЗБ2-С-24 ГОСТ 21130-75
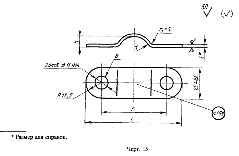
1.9.1. Конструкция и размеры скоб для зажима типа ЗБ2 должны соответствовать указанным на черт. 15 и в табл. 15.

Таблица 15
Размеры в миллиметрах
|
Максимальный диаметр заземляемого кабеля |
А ±1 |
h |
L |
r |
s |
Масса, кг |
|
16 |
40 |
4, 0 |
65 |
7, 0 |
1, 5 |
0, 0160 |
|
17 |
45 |
5, 0 |
70 |
8, 0 |
0, 0177 | |
|
21 |
6, 0 |
9, 0 |
0, 0180 | |||
|
24 |
50 |
6, 5 |
75 |
10, 5 |
0, 0194 | |
|
27 |
8, 0 |
12, 0 |
0, 0197 | |||
|
29 |
55 |
9, 5 |
80 |
13, 5 |
0, 0214 | |
|
33 |
10, 0 |
15, 0 |
0, 0214 | |||
|
37 |
60 |
12, 0 |
85 |
17, 0 |
0, 0232 | |
|
41 |
13, 5 |
18, 5 |
0, 0235 | |||
|
43 |
65 |
14, 0 |
90 |
20, 0 |
2, 0 |
0, 0332 |
|
49 |
70 |
16, 5 |
95 |
22, 5 |
0, 0355 | |
|
55 |
75 |
19, 0 |
100 |
25, 0 |
0, 0380 | |
Пример условного обозначения скобы для заземляемого кабеля максимальным диаметром 29 мм:
Скоба 29 ГОСТ 21130-75
1.9, 1.9.1. (Измененная редакция, Изм. N 2).
1.9.2. Материал скобы - сталь марки Ст2 по ГОСТ 380.
1.9.3. Покрытие скобы - Кд21.хр по ГОСТ 9.306. Допускается покрытие скобы Ц30.хр при соответствии его условиям эксплуатации.
1.9.4. На скобе должно быть нанесено значение максимального диаметра заземляемого кабеля.
2.1. Конструкция и размеры знаков заземления исполнений 1, 2 и 3, выполняемых методом штамповки, должны соответствовать указанным на черт. 16 и в табл. 16.

Таблица 16
Размеры в миллиметрах
|
Исполнение |
b |
D |
d, не более A7 |
D1 |
H |
H1 |
h |
r |
s |
s1 |
Масса, кг | |
|
Номин. |
Пред. откл. | |||||||||||
|
1 |
1, 2 |
16 |
1, 2 |
12 |
8 |
6, 0 |
4, 0 |
0, 6 |
0, 8 |
0, 3 |
-0, 1 |
0, 001 |
|
2 |
- |
- | ||||||||||
|
1 |
1, 4 |
20 |
1, 8 |
15 |
10 |
7, 0 |
5, 0 |
0, 7 |
0, 8 |
0, 3 |
-0, 1 |
0, 002 |
|
2 |
- |
- | ||||||||||
|
3 |
2, 0 |
0, 6 |
-0, 3 |
0, 005 | ||||||||
|
1 |
1, 8 |
25 |
3, 0 |
20 |
14 |
9, 0 |
5, 5 |
0, 9 |
0, 8 |
0, 3 |
-0, 1 |
0, 003 |
|
2 |
- |
- | ||||||||||
|
3 |
2, 0 |
0, 6 |
-0, 3 |
0, 008 | ||||||||
|
1 |
3, 0 |
40 |
3, 0 |
32 |
22 |
15, 0 |
9, 0 |
1, 5 |
0, 8 |
0, 3 |
-0, 1 |
0, 010 |
|
2 |
- |
- | ||||||||||
|
3 |
2, 0 |
0, 6 |
-0, 3 |
0, 025 | ||||||||
|
1 |
7, 0 |
90 |
8, 5 |
75 |
50 |
35 |
19 |
3, 5 |
2, 0 |
0, 6 |
-0, 3 |
0, 098 |
|
2 |
- |
- | ||||||||||
Пример условного обозначения знака заземления исполнения 3, диаметром D = 25 мм:
Знак заземления 25-3 ГОСТ 21130-75
(Измененная редакция, Изм. N 2, 4).
2.1.1. Знаки заземления должны изготовляться из стали по ГОСТ 9045. Допускается применение другого материала, по качеству не уступающего указанному.
2.1.2. Покрытие знаков заземления исполнения 1 - Кд15.хр по ГОСТ 9.306. Допускается покрытие знаков Ц30.хр при соответствии его условиям эксплуатации.
2.11, 2.12. (Измененная редакция, Изм. N 4).
2.1.3. Рельеф знака заземления допускается выполнять вогнутым (вариант, черт. 16).
2.1.4. Допускается выполнять табличку из стали толщиной до 2 мм с наружным контуром в виде равностороннего треугольника с размером стороны, равным D по табл. 16, с нанесением внутри треугольника знака заземления с размерами на ступень ниже, при этом вершина угла 90° знака заземления должна быть расположена против острого угла треугольника.
(Введен дополнительно, Изм. N 2).
2.2. Конструкция и размеры знаков заземления, выполняемых методами литья в металле (в том числе цветном) и прессования в пластмассе, должны соответствовать указанным на черт. 17 и в табл. 17.

Таблица 17
В миллиметрах
|
b |
D* |
H |
H1 |
h |
r |
|
0, 7 |
10 |
5 |
3, 5 |
2, 5 |
0, 35 |
|
1, 2 |
16 |
8 |
6, 0 |
4, 0 |
0, 60 |
|
1, 4 |
20 |
10 |
7, 0 |
5, 0 |
0, 70 |
|
1, 8 |
25 |
14 |
9, 0 |
5, 5 |
0, 90 |
|
3, 0 |
40 |
22 |
15, 0 |
9, 0 |
1, 50 |
|
3, 5 |
45 |
28 |
17, 5 |
8, 5 |
1, 75 |
|
4, 0 |
50 |
30 |
20, 0 |
10, 0 |
2, 00 |
|
7, 0 |
90 |
50 |
35, 0 |
20, 0 |
3, 50 |
______________________________
* Для вновь разрабатываемых и модернизируемых изделий.
(Измененная редакция, Изм. N 2, 3, 4, 5).
2.2.1. Предельные отклонения размеров металлических и пластмассовых деталей устанавливаются соответственно по ГОСТ 26645 и ГОСТ 25349.
(Измененная редакция, Изм. N 5).
2.3. Конструкция и размеры знаков заземления, выполняемых ударным способом, должны соответствовать указанным на черт. 18 и в табл. 18.

Таблица 18
В миллиметрах
|
D, не менее Н14 |
b |
Н |
H1 |
h |
r |
|
14 |
1, 2 |
8 |
6, 0 |
2, 5 |
0, 6 |
|
18 |
1, 4 |
10 |
7, 0 |
5, 0 |
0, 7 |
|
25 |
1, 8 |
14 |
9, 0 |
5, 5 |
0, 9 |
(Измененная редакция, Изм. N 2-5).
2.3.1. Пример условного обозначения знака заземления, выполненного методом литья в металле, прессования в пластмассе, ударным способом и др., высотой Н = 10 мм:
Знак заземления 10 ГОСТ 21130-75
Примечание. Способ изготовления знака заземления указывают в конструкторской документации, утвержденной в установленном порядке.
(Измененная редакция, Изм. N 5).
2.4. Рельеф знака заземления или все поле знака, заключенное в окружности D, следует покрывать эмалью предпочтительно красного цвета. Цвет окраски знака заземления должен отличаться от цвета окраски изделий.
(Измененная редакция, Изм. N 5).
2.5. Допускается пропорционально изменять размеры знаков заземления с учетом места применения и способа изготовления.
(Введен дополнительно, Изм. N 5).
3.1. Зажимы должны удовлетворять требованиям настоящего стандарта, ГОСТ 12.2.007.0 и ГОСТ 10434.
Тип и конструктивное исполнение зажимов и знаков заземления должны выбираться в зависимости от конструкции изделий, в которых они применяются.
Диаметры шпилек, болтов, винтов и значение электрического сопротивления контактного соединения зажимов должны устанавливаться по ГОСТ 12.2.007.0.
При выборе типа, исполнения и диаметров зажимов для взрывозащищенного и рудничного электрооборудования следует руководствоваться приложением 1.
Примечания:
1. По согласованию с потребителем допускаются конструктивные исполнения зажимов, отличные от указанных в разд. 1. Допускается применение других материалов и покрытий при соответствии их условиям эксплуатации.
2. По согласованию с потребителем при обозначении зажимов в изделиях общего назначения, работающих в среде, где запыление или загрязнение знаков заземления (в основном малогабаритные изделия, приборы, внутренние поверхности изделий) маловероятно, допускается выполнение знаков заземления краской, фотохимическим способом, аппликацией (при условии надежного приклеивания) и другими способами с соблюдением размеров, указанных в разд. 2.
3. (Исключено, Изм. N 5).
4. По согласованию с потребителем, если изделие общего назначения работает в условиях, в которых отсутствует агрессивная среда и исключена вероятность запыления или загрязнения знака заземления, а также в других обоснованных случаях (для знаков высотой Н до 10 мм), допускается рельеф знака.
5. При обозначении мест присоединения защитных проводов (например, зануления) следует применять приведенные в разд. 2 знаки с круглым обрамлением вокруг них, выполненным на расстоянии не менее 2 мм от края знака (допускается рельеф) и покрытым той же эмалью, что и рельеф знаков заземления.
(Измененная редакция, Изм. N 1, 2, 3, 5).
3.2. Зажимы и знаки заземления должны быть предназначены для эксплуатации в условиях, нормированных для климатического исполнения В, категорий размещения 1-5 по ГОСТ 15150.
Для зажимов и знаков заземления, предназначенных для применения в районах с тропическим или холодным климатом, выбор материалов и покрытий должен производиться с учетом требований ГОСТ 15963 и ГОСТ 17412.
3.3. Для зажимов применяют стальные или латунные шпильки, болты, винты и гайки с крупным шагом резьбы по ГОСТ 8724.
Поля допусков - по ГОСТ 1759.1.
При применении болтов и винтов следует руководствоваться требованиями ГОСТ 12434*, разд. 2.
(Измененная редакция, Изм. N 4, 5).
3.4. Покрытие стальных и латунных крепежных деталей должно устанавливаться в соответствии с требованием ГОСТ 1759.0 и ГОСТ 9.303 в зависимости от условий эксплуатации изделий, на которых устанавливаются зажимы.
(Измененная редакция, Изм. N 5).
3.5. Масса зажимов приведена в приложении 5.
3.6. Зажимы должны устанавливаться в сварных конструкциях на бобышках (коротких для шпилек, длинных для болтов и винтов) или переходных пластинках, в литых конструкциях - на приливах. Конструкция и размеры бобышек приведены в приложении 2. По согласованию с потребителем допускаются бобышки другой конструкции (например, размером 40×40 мм, с двумя срезанными боковыми гранями и буртиком) и установка зажимов на краю детали корпуса на невыступающей площадке с обязательной ее цековкой на глубину 1-2 мм или с защитным покрытием.
В зажимах допускается передача контактного давления на заземляющий проводник через изоляционные материалы из керамики, если механическая прочность керамических изоляционных материалов достаточна для обеспечения нормальной эксплуатации зажимов, условий транспортирования и хранения изделий, на которых установлены зажимы.
Примечание. Допускается в изделиях на напряжение до 1000 В толщиной корпуса до 3 мм зажимы типов ЗБ и 3В устанавливать при помощи сварки на выступающих площадках или крепить самонарезающими винтами.
Примеры установки зажимов на бобышках и приливах приведены в приложении 3. Для литых корпусов из цветного металла наличие приливов не обязательно, шероховатость контактной поверхности - не ниже Ra 25.
Зажимы после установки должны быть легко доступными и располагаться так, чтобы подсоединение изделия к защитному проводу сохранялось при удалении крышки или любой другой съемной части.
(Измененная редакция, Изм. N 1, 2, 5).
3.7. Контактные поверхности должны быть металлически чистыми, гладкими и покрыты противокоррозионной смазкой.
Рекомендуется оловянирование или кадмирование этих поверхностей, а для алюминиевых сплавов - нанесение хроматно-фторидной пленки.
(Измененная редакция, Изм. N 2, 5).
3.8. Рекомендуется при установке зажимов типа ЗШ в алюминиевых оболочках шпильки фиксировать при помощи штифтов по ГОСТ 3128 или устанавливать на стальных втулках, которые должны быть запрессованы в корпус; в последнем случае допускается применять зажимы типов ЗБ и ЗВ для наружного заземления.
3.9. Зажимы типов ЗШ, ЗБ, ЗВ допускается применять для заземления изделий с металлическими частями в пластмассовых оболочках при условии установки их на металлических бобышках, запрессованных в пластмассу.
3.10. Во взрывозащищенных изделиях отверстия для заземляющих шпилек и болтов не должны выходить во взрывонепроницаемую полость оболочек.
3.11. По согласованию с потребителем допускается установка зажимов типа ЗШ с заменой пружинной шайбы контргайкой.
Если контактные поверхности зажимов типов ЗБ и ЗВ имеют металлическое антикоррозионное покрытие, то допускается применять контактный набор с одной плоской шайбой.
(Измененная редакция, Изм. N 2).
3.12. К зажимам типов ЗШ, ЗБ, ЗВ допускается подсоединять не более двух жил (равноценного сечения).
(Измененная редакция, Изм. N 4).
3.13. Примеры заземления брони и оболочки кабеля приведены в приложении 4.
______________________________
* Стандарт действует только на территории Российской Федерации.
Приложение 1
Выбор зажимов следует производить по табл. 1 и 2 (заземление корпусов) и табл. 3 (заземление кабелей).
Таблица 1
|
Диаметр шпильки зажима, мм |
Тип зажима |
Виды электрооборудования |
Номинальный ток электротехнического изделия, А |
|
3 |
ЗШ исп. 2* |
Аппаратура связи, приборы контроля и измерения |
До 40 |
|
5 |
ЗШ исп. 1, 2* |
Св. 40 до 63 | |
|
ЗШ исп. 1; ЗБ | |||
|
ЗШ исп. 1; ЗБ |
Аппаратура сигнализации, освещения и приборы | ||
|
6 |
ЗШ исп. 1, 2* |
До 100 | |
|
8 |
ЗШ исп. 1, 2* |
Все виды электрооборудования и приборов |
Св. 100 до 250 |
|
ЗШ исп. 1; ЗБ | |||
|
10 |
ЗШ исп. 1, 2* |
Св. 250 до 630 | |
|
ЗШ исп. 1; ЗБ | |||
|
12 |
ЗШ исп. 1, 2* |
Св. 630 до 1000 | |
|
ЗШ исп. 1; ЗБ | |||
|
16 |
ЗШ исп. 1; ЗБ |
Св. 1000 |
Таблица 2
|
Диаметр шпильки зажима, мм |
Тип зажима |
Материал шпильки (болта) в зависимости от места установки заземления |
Способ подсоединения*** | ||
|
внутреннее |
наружное** |
без наконечника |
с наконечником | ||
|
4 |
ЗШ исп. 2* |
Латунь |
- |
Все типы |
Все типы (кроме ЗШ исп. 2) |
|
5 |
ЗШ исп. 1, 2* |
Латунь | |||
|
ЗШ исп. 1; ЗБ |
- |
Латунь и сталь | |||
|
6 |
ЗШ исп. 1; ЗБ |
- |
Латунь и сталь | ||
|
ЗШ исп. 1, 2* |
Латунь |
- | |||
|
8 |
ЗШ исп. 1, 2* |
Латунь |
- | ||
|
ЗШ исп. 1; ЗБ |
- |
Латунь и сталь | |||
|
10 |
ЗШ исп. 1, 2* |
Латунь |
- | ||
|
ЗШ исп. 1; ЗБ |
- |
Латунь и сталь | |||
|
12 |
ЗШ исп. 1, 2 |
Латунь | |||
|
ЗШ исп. 1; ЗБ |
- |
Латунь и сталь | |||
|
16 |
ЗШ исп. 1; ЗБ |
- |
Латунь и сталь | ||
_____________________________
* Только для внутреннего заземления. Для рудничного электрооборудования для внутренних зажимов применяют тип ЗШ, исполнение 2.
** Стальные шпильки следует применять в соответствии с действующими нормативно-техническими документами.
*** 1. Допускается подсоединять к наружным зажимам стальные заземляющие тросы с наконечниками и шины.
2. В универсальной вводной арматуре допускается устанавливать зажим, к которому можно присоединить как заземляющую жилу, так и свинцовую оболочку кабеля (с помощью проволочного перехода).
3. Размеры зажимов, предназначенных для токоотвода, должны быть равны размерам контактных токоведущих зажимов; наружные зажимы на ступень больше внутренних.
4. Знаки заземления, устанавливаемые возле зажимов, должны быть рельефными (в основном выпуклыми). Знаки из алюминия не допускаются.
5. Гайки и шайбы контактных наборов взрывозащищенного и рудничного электрооборудования выполняют из латуни и меди в соответствии с ГОСТ 22782.0, разд. 1.
Табл. 1, 2. (Измененная редакция, Изм. N 4).
Таблица 3
|
Тип |
Расположение заземления металлической оболочки кабеля |
Вид оболочки изделий | ||
|
внутреннее |
наружное |
сварная |
литая | |
|
ЗШ2П |
+ |
- |
+ |
+ |
|
ЗШ2С исп. 1 |
+ |
- |
+ |
+ |
|
ЗШ2С исп. 2 |
+ |
- |
+ |
- |
|
ЗБХ, ЗБ2 |
- |
+ |
- |
- |
(Измененная редакция, Изм. N 2).
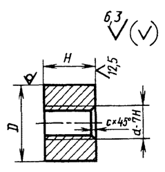
Приложение 2
Рекомендуемое

Размеры в миллиметрах
|
d |
D, не менее |
H |
с |
Масса, кг |
d |
D, не менее |
Н |
с |
Масса, кг |
|
М4 |
9 |
6 |
0, 5 |
0, 003 |
М10 |
21 |
14 |
1, 6 |
0, 038 |
|
12 |
0, 006 |
28 |
0, 075 | ||||||
|
М5 |
11 |
8 |
1, 0 |
0, 007 |
М12 |
24 |
15 |
0, 052 | |
|
16 |
0, 015 |
30 |
0, 104 | ||||||
|
М6 |
12 |
10 |
0, 011 |
М16 |
35 |
20 |
0, 150 | ||
|
20 |
0, 022 |
40 |
0, 300 | ||||||
|
М8 |
17 |
12 |
1, 6 |
0, 020 | |||||
|
25 |
0, 040 |
1. Материал - сталь марки Ст2 по ГОСТ 380.
2. Неуказанные предельные отклонения размеров: валов - по h14, остальных - по
.
Приложение 2. (Измененная редакция, Изм. N 2-4).
Приложение 3
Рекомендуемое










Примечание. Предпочтительным расположением знака заземления является расположение, при котором вершина знака направлена к зажиму (см. черт. 2 настоящего приложения).
Приложение 3. (Измененная редакция, Изм. N 2, 4).
______________________________
* Для рудничного электрооборудования с учетом п. 3.10. Размеры бобышки (черт. 2) - по усмотрению предприятия-изготовителя.
Приложение 4
Рекомендуемое


Приложение 5
Справочное
Таблица 1
|
Длина зажимов L, мм |
Диаметр резьбы d, мм |
Зажимы со шпилькой (тип ЗШ) |
Теоретическая масса зажимов из стали, кг | |||
|
Зажимы с болтом (тип ЗБ) |
Зажим с винтом (тип 3В) |
Зажимы с винтом, припаянным к подпорке (тип ЗВП) |
Зажимы с двумя шпильками и пластинами (тип ЗШ2П) | |||
|
12, 0 |
М4 |
- |
0, 003 |
0, 003 |
- |
- |
|
16, 0 |
М5; М6 |
- |
0, 005; 0, 011 |
0, 005; 0, 011 | ||
|
20, 0 |
М4; М6; М8 |
0, 006 |
0, 013; 0, 022 |
0, 013; 0, 022 | ||
|
25, 0 |
М4; М5; М8; М10 |
0, 009; 0, 010 |
0, 024; 0, 036 |
0, 024 | ||
|
26, 5 |
М6 |
- |
- |
- |
0, 025 | |
|
30, 0 |
М5; М6; М10; М12 |
0, 012; 0, 014 |
0, 040; 0, 055 |
- | ||
|
31, 5 |
М8 |
- |
- |
0, 037 | ||
|
35, 0 |
М6; М8; М12 |
0, 017; 0, 032 |
0, 059 |
- | ||
|
40, 0 |
М8; М16 |
0, 034 |
0, 130 |
0, 063 | ||
|
45, 0 |
М8; М10 |
0, 036; 0, 068 |
- |
0, 066 | ||
|
50, 0 |
М10 |
0, 074 |
- | |||
|
55, 0 |
М10; М12 |
0, 080; 0, 105 | ||||
|
60, 0 |
М12 |
0, 110 | ||||
|
65, 0 |
М12 |
0, 115 | ||||
|
70, 0 |
М16 |
0, 140 | ||||
Для определения массы зажимов из латуни массы, указанные в таблице, следует умножить на коэффициент 1, 08.
Таблица 2
|
Максимальный диаметр заземляемого кабеля |
Теоретическая масса зажимов из стали, кг | |||
|
Зажимы с двумя шпильками и скобой (тип ЗШ2C) |
Зажим с болтом и хомутом (тип ЗБХ) |
Зажимы с двумя болтами (тип ЗБ2) | ||
|
Исполнение 1 |
Исполнение 2 | |||
|
14 |
0, 028 |
0, 018 |
- |
- |
|
16 |
- |
- |
0, 067 |
0, 136 |
|
17 |
- |
0, 139 | ||
|
18 |
0, 029 |
0, 019 |
0, 068 |
- |
|
21 |
- |
- |
0, 069 |
0, 140 |
|
24 |
0, 071 |
0, 143 | ||
|
25 |
0, 039 |
0, 021 |
- |
- |
|
27 |
- |
- |
0, 073 |
0, 143 |
|
29 |
0, 147 | |||
|
30 |
0, 040 |
0, 022 |
0, 075 |
- |
|
33 |
- |
- |
0, 077 |
0, 147 |
|
37 |
0, 079 |
0, 150 | ||
|
40 |
0, 049 |
0, 025 |
- |
- |
|
41 |
- |
- |
0, 081 |
0, 151 |
|
43 |
0, 098 |
0, 170 | ||
|
45 |
0, 071 |
0, 038 |
- |
- |
|
49 |
- |
- |
0, 105 |
0, 175 |
|
53 |
0, 087 |
0, 052 |
- |
- |
|
55 |
- |
- |
0, 110 |
0, 180 |
|
60 |
0, 102 |
0, 064 |
- |
- |


