Утв. Постановлением Госстандарта СССР от 22 марта 1977 г. N 679
Государственный стандарт Союза ССР ГОСТ 22402-77* (СТ СЭВ 599-77)
"КЛЮЧИ ТРЕЩОТОЧНЫЕ. ТИПЫ И ОСНОВНЫЕ РАЗМЕРЫ"
Ratchet wrenches. Types and basic dimensions
Дата введения 1 января 1979 г.
Взамен MH 521-60
Настоящий стандарт распространяется на гаечные торцовые немеханизированные ключи к сменным головкам с присоединительными квадратами по ГОСТ 24372-80, изготовляемые для нужд народного хозяйства и для экспорта.
Стандарт соответствует СТ СЭВ 599-77 в части трещоточных рукояток и вставок к ним.
(Измененная редакция, Изм. N 2).
1а. (Исключен, Изм. N 2).
1б. Ключи должны изготовляться типов:
А - трещоточный;
Б - трещоточный с переключателем.
Ключ типа А должен изготовляться в двух исполнениях:
1 - с углом поворота рукоятки 15°;
2 - с углом поворота рукоятки 25°.
(Введен дополнительно, Изм. N 1).
1. Основные размеры ключей типа А должны соответствовать указанным на черт. 1 и в табл. 1, типа Б - на черт. 2 и в табл. 2.

Таблица 1
мм
|
Обозначение ключа
|
Применяемость
|
Исполнение
|
S_1
|
S_2
|
b
|
h
|
l, не более
|
|
Номин.
|
Пред. откл.
|
Номин.
|
Пред. откл.
|
Не более
|
|
6910-0291
| |
1
|
6, 3
|
+0, 050
-0, 040
|
6, 3
|
+0, 325
+0, 105
|
24
|
9, 0
|
160
|
|
6910-0294
| |
2
|
20
|
10, 0
|
|
6910-0292
| |
1
|
10, 0
|
-0, 475
-0, 565
|
10, 0
|
-0, 200
-0, 420
|
34
|
13, 6
|
200
|
|
6910-0295
| |
2
|
28
|
12, 5
|
|
6910-0293
| |
1
|
12, 5
|
+0, 200
|
12, 5
|
+0, 525
|
45
|
18, 0
|
250
|
|
6910-0296
| |
2
|
+0, 090
|
+0, 255
|
16, 0
|
|
6910-0297
| |
20, 0
|
-0, 950
-1, 080
|
20, 0
|
-0, 565
-0, 895
|
63
|
25, 0
|
630
|
|
6910-0298
| |
25, 0
|
+0, 400
+0, 270
|
25, 0
|
+0, 785
+0, 455
|
71
|
32, 0
|
710
|
Пример условного обозначения ключа типа А исполнения 1 с размером присоединительного квадрата 12, 5 мм:
Ключ 6910-0293 ГОСТ 22402-77

Таблица 2
мм
|
Обозначение ключа
|
Применяемость
|
S_1
|
b
|
h
|
l, не более
|
|
Номин.
|
Пред. откл.
|
Не более
|
|
6910-0299
| |
6, 3
|
+0, 050
-0, 040
|
28
|
25
|
160
|
|
6910-0300
| |
10, 0
|
-0, 475
-0, 565
|
32
|
32
|
200
|
|
6910-0301
| |
12, 5
|
+0, 200
+0, 090
|
45
|
40
|
250
|
|
6910-0302
| |
20, 0
|
-0, 950
-1, 080
|
71
|
56
|
630
|
|
6910-0303
| |
25, 0
|
+0, 400
+0, 270
|
80
|
71
|
710
|
Пример условного обозначения ключа типа Б с размером присоединительного квадрата S_1 = 20 мм:
Ключ 6910-0302 ГОСТ 22402-77
(Измененная редакция, Изм. N 1, 2).
2. Предельные отклонения размеров установлены по ГОСТ 25346-82.
3. (Исключен, Изм. N 2).
4. Размеры наружных и внутренних присоединительных квадратов по ГОСТ 24372-80.
(Введен дополнительно, Изм. N 1).
Приложение
Рекомендуемое
Конструктивные размеры деталей ключей типа А исполнения 1
1. Корпус (черт. 1, табл. 1)
Таблица 1
мм
|
Для ключей с размером стороны квадрата S_1
|
d (пред. откл. по Н15)
|
H
|
h, не более
|
h_1
|
h_2
|
b
|
b_1
|
b_2, не более
|
r
|
r_1
|
r_2
|
r_3
|
r_4
|
r_5
|
r_6
|
r_7
|
l
|
l_1
|
z
|
|
6, 3
|
15
|
6
|
4
|
2
|
0, 9
|
12
|
8
|
14
|
85
|
50
|
10
|
5
|
6
|
1, 3
|
4
|
0, 10
|
15
|
1, 5
|
20
|
|
10, 0
|
22
|
9
|
0
|
3
|
1, 4
|
18
|
12
|
20
|
125
|
75
|
15
|
8
|
8
|
1, 9
|
6
|
0, 15
|
22
|
2, 0
|
20
|
|
12, 5
|
30
|
12
|
8
|
4
|
1, 8
|
24
|
16
|
24
|
170
|
100
|
20
|
10
|
11
|
2, 5
|
8
|
0, 20
|
30
|
3, 0
|
24
|
Неуказанные предельные отклонения, кроме размеров радиусов - по h14, размеров радиусов - +-(IT15)/2, размеров h_1, b, b_1 - по II классу точности ГОСТ 7505-74.
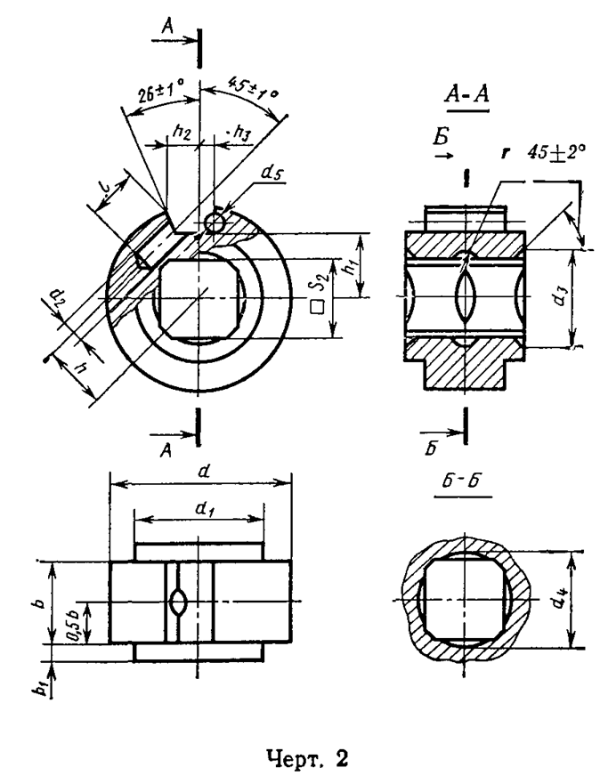
2. Втулка (черт. 2, табл. 2)
Таблица 2
мм
|
S_2
|
d (пред. откл. по h12)
|
d_1 (пред. откл. по S7)
|
d_2
|
d_3
|
d_4
|
d_5 (пред. откл. по H12)
|
b
|
b_1
|
h
|
h_1 (пред. по h12)
|
h_2
|
h_3
|
r
|
l
| |
|
Пред. откл. по H14
| |
|
6, 3
|
15, 0
|
11, 0
|
2
|
8, 0
|
8, 5
|
1, 5
|
6, 6
|
1, 2
|
5, 5
|
5, 35
|
2, 6
|
1, 6
|
2, 0
|
4
| |
|
10, 0
|
22, 5
|
16, 5
|
3
|
12, 5
|
13, 0
|
2, 3
|
10, 0
|
1, 8
|
8, 2
|
8, 30
|
3, 8
|
2, 4
|
2, 5
|
6
| |
|
12, 5
|
30, 0
|
22, 0
|
4
|
15, 5
|
16, 0
|
3, 0
|
13, 0
|
2, 5
|
11, 0
|
10, 65
|
5, 0
|
3, 0
|
3, 0
|
8
| |
| | | | | | | | | | | | | | | | |
Неуказанные предельные отклонения размеров - +-(IT11)/2.
(Измененная редакция, Изм. N 2).
3. Трещотка (черт. 3, табл. 3)
Таблица 3
мм
|
Для ключей с размером стороны квадрата S_1
|
L
|
h
|
b
|
r
|
|
6, 3
|
5
|
4
|
1, 5
|
0, 10
|
|
10, 0
|
8
|
6
|
2, 3
|
0, 15
|
|
12, 5
|
10
|
8
|
3, 0
|
0, 20
|
Предельные отклонения размеров - по h12.
4. Кольцо (черт. 4, табл. 4)
Таблица 4
мм
|
Для ключей с размером стороны квадрата S_1
|
d (пред. откл. по h15)
|
d_1 (пред откл. по Н7)
|
b (пред. откл. по h12)
|
|
6, 3
|
19
|
11, 0
|
1, 0
|
|
10
|
28
|
16, 5
|
1, 5
|
|
12, 5
|
38
|
22, 0
|
2, 0
|
5. Вставка (черт. 5, табл. 5)
Таблица 5
мм
|
Размер стороны присоединительного квадрата S_1
|
l
|
l_1
|
l_2
|
d (шарик по ГОСТ 3722-81)
|
|
Не более
|
|
6, 3
|
18
|
8, 0
|
5, 00
|
Б3 мм Р
|
|
10
|
25
|
12, 5
|
6, 25
|
Б5 мм Р
|
|
12, 5
|
34
|
18, 0
|
8, 00
|
Б6 мм Р
|
|
20
|
48
|
22, 0
|
13, 00
|
Б8 мм Р
|
|
25
|
63
|
32, 0
|
15, 50
|
Б10 мм Р
|
Примечание. Допускается изготовлять вставки с несколькими ступенями и сочетаниями размеров присоединительных квадратов, при условии обеспечения прочности по ГОСТ 25605-83.
(Измененная редакция, Изм. N 1, 2).