электронный сборник нормативных документов по строительству
Обновления
27.04.2026 20:38
электронный сборник нормативных документов по строительству

ГОСТ 25714-83 (27.10.1988) КОНТРОЛЬ НЕРАЗРУШАЮЩИЙ. АКУСТИЧЕСКИЙ ЗВУКОВОЙ МЕТОД ОПРЕДЕЛЕНИЯ ОТКРЫТОЙ ПОРИСТОСТИ, КАЖУЩЕЙСЯ ПЛОТНОСТИ, ПЛОТНОСТИ И ПРЕДЕЛА ПРОЧНОСТИ ПРИ СЖАТИИ ОГНЕУПОРНЫХ ИЗДЕЛИЙ

Утв. Постановлением Госстандарта СССР от 13 апреля 1983 г. N 1757
Государственный стандарт Союза ССР ГОСТ 25714-83
"КОНТРОЛЬ НЕРАЗРУШАЮЩИЙ. АКУСТИЧЕСКИЙ ЗВУКОВОЙ МЕТОД ОПРЕДЕЛЕНИЯ ОТКРЫТОЙ ПОРИСТОСТИ, КАЖУЩЕЙСЯ ПЛОТНОСТИ, ПЛОТНОСТИ И ПРЕДЕЛА ПРОЧНОСТИ ПРИ СЖАТИИ ОГНЕУПОРНЫХ ИЗДЕЛИЙ"

С изменениями:

(27 октября 1988 г.)

Non-destructive control. Acoustic sound method of open porosity, apparent density, density and compression strength testing of refractory articles

Срок действия установлен с 1 июля 1984 г. до 1 июля 1989 г.

Ограничение срока действия снято в 1995 г.

Настоящий стандарт устанавливает акустический звуковой метод определения открытой пористости, кажущейся плотности, плотности и предела прочности при сжатии огнеупорных изделий.

Сущность метода состоит в использовании статистической связи резонансных частот основного тона изгибных или продольных вынужденных механических колебаний огнеупорных изделий с их открытой пористостью, кажущейся плотностью, плотностью и пределом прочности при сжатии определяемых с помощью уравнений регрессии или номограмм, построенных на их основе.

Статистическая связь устанавливается для изделий одной марки, одного типоразмера и одинакового способа изготовления.

Стандарт не распространяется на бетонные, безобжиговые, мелкоштучные, фасонные особосложной конфигурации (кроме сталеразливочных пробок, плит для шиберных затворов), рулонные, листовые, блочные массой свыше 50 кг, пропитанные, оплавленные, кассетированные огнеупорные изделия.

Термины, применяемые в стандарте, и их определения приведены в справочном приложении.

1. Аппаратура

Весы лабораторные общего назначения 4-го класса точности по ГОСТ 24104-80 или весы для статического взвешивания среднего 3-го класса точности по ГОСТ 23676-79. Допускается использовать другие весы, обеспечивающие требуемую точность измерения;

генератор низкочастотный измерительный, генерирующий немодулированные синусоидальные сигналы с нижней границей измеряемых частот не более 0, 2 кГц и верхней границей не менее 20, 0 кГц с выходным напряжением не менее 30 В;

частотомер электронносчетный с нижней границей измеряемых частот не более 0, 01 кГц и верхней границей не менее 100, 0 кГц;

осциллограф электронно-лучевой с минимальным коэффициентом отклонения не более 2 мВ/см, имеющий вход на усилитель горизонтального отклонения или горизонтальные пластины (используется как индикатор);

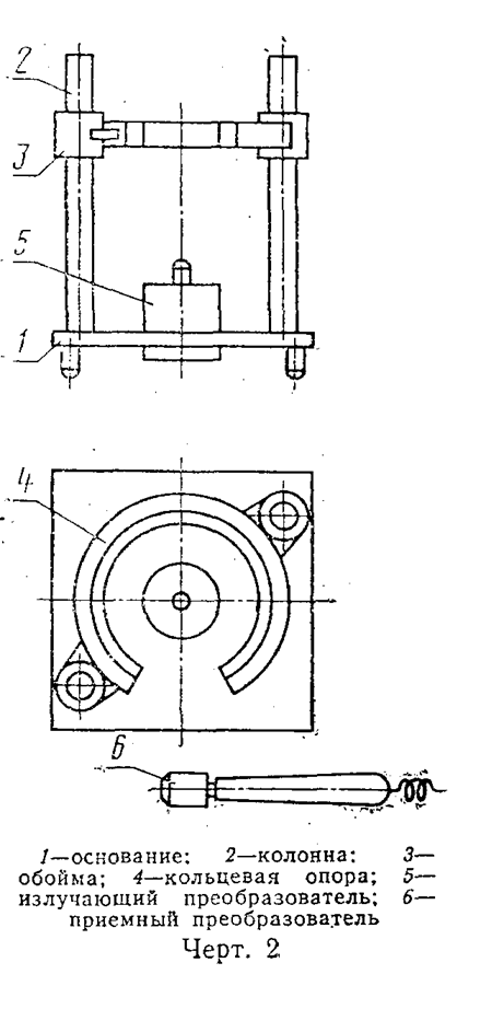
Приемоизлучающая система для изделий нормальных размеров, фасонных простой и сложной конфигурации
image001.gif
Приемоизлучающая система для сталеразливочных пробок
image002.gif

приемоизлучающие системы (черт. 1, 2) с излучающими и приемными преобразователями, способные возбуждать и регистрировать в контролируемых изделиях механические колебания с нижней границей измеряемых частот не более 0, 2 кГц и верхней границей не менее 20, 0 кГц.

Блок-схема соединения радиотехнических приборов для определения резонансной частоты изгибных или продольных колебаний изделия приведена на черт. 3.

Блок-схема соединения радиотехнических приборов для определения резонансной частоты изгибных или продольных колебаний изделия
image003.gif

Линейка металлическая по ГОСТ 427-75 или рулетка по ГОСТ 7502-80 с ценой деления шкалы 1 мм.

Допускается использовать другие аттестованные приборы, предназначенные для определения резонансной частоты изделия методом вынужденных колебаний с параметрами, удовлетворяющими указанным выше требованиям.

2. Отбор проб

2.1. Для расчета уравнений регрессии и построения номограмм в процессе приемочного контроля, проводимого разрушающими методами, отбирается не менее 50 изделий, причем от каждой партии - не более 5 изделий.

2.2. Количество изделий, отбираемых для контроля продукции, предусматривается нормативно-технической документацией на огнеупорные изделия.

3. Подготовка к испытаниям

3.1. Определяют массу и резонансную частоту основного тона изгибных или продольных колебаний каждого изделия, отобранного по п. 2.1. Погрешность при определении массы - не более +-1%, при определении резонансной частоты - не более +-0, 5%.

3.2. Определение резонансной частоты основного тона изгибных колебаний изделий.

3.2.1. Раздвигают или снимают с приемоизлучающей системы преобразователи, предназначенные для возбуждения и регистрации в изделиях продольных колебаний.

3.2.2. Раздвигают опоры приемоизлучающей системы на расстояние, равное половине длины (наибольшего линейного размера) испытуемого изделия. Допускаемое отклонение при установке расстояния между опорами не должно превышать +-10%.

image004.gif

3.2.3. Устанавливают изделие на опоры приемоизлучающей системы.

3.2.4. Подводят переносный приемный преобразователь к верхней плоскости изделия в точке, удаленной от торца на (10+-1) мм.

3.2.5. Перестраивают частоту генератора до появления на экране осциллографа фигуры Лиссажу в виде круга (эллипса), которая свидетельствует о совпадении частоты генератора с частотой собственных колебаний изделия.

3.2.6. Переставляют приемный преобразователь вдоль верхней поверхности изделия по его длине, одновременно наблюдая на экране осциллографа за изменением амплитуды и фазы колебаний. На резонансной частоте основного тона изгибных колебаний амплитуда колебаний максимальна в центре и на концах изделия, а в узловых линиях имеет минимальное значение. При переносе датчика-приемника через узловые линии фаза колебаний должна меняться на 180° (черт. 4).

3.2.7. При отсутствии у найденной резонансной частоты изделия характерных признаков основного тона изгибных колебаний (п. 3.2.6) проводят повторно поиск резонансной частоты (п. 3.2.5) до нахождения основного тона.

3.3. Определение резонансной частоты основного тона продольных колебаний изделий.

3.3.1. Снимают с приемоизлучающей системы излучающий преобразователь, предназначенный для возбуждения в изделиях изгибных колебаний.

3.3.2. Устанавливают изделие на опоры приемоизлучающей системы, предварительно сдвинутые вплотную друг к другу своими основаниями (черт. 5).

image005.gif

3.3.3. Излучающий и приемный преобразователи, находящиеся на кронштейнах, вплотную придвигают к торцам изделия.

3.3.4. Определяют резонансную частоту изделия по п. 3.2.5.

3.3.5. Заменяют стационарный приемный преобразователь переносным приемным преобразователем (см. черт. 1).

3.3.6. Переставляют переносный преобразователь вдоль верхней поверхности изделия по его длине, одновременно наблюдая на экране осциллографа за изменением амплитуды и фазы колебаний. На резонансной частоте основного тона продольных колебаний амплитуда колебаний максимальна на концах изделия и минимальна в средней части. При переносе приемного преобразователя через узловую линию фаза колебаний должна меняться на 180° (черт. 5).

3.3.7. При отсутствии у найденной резонансной частоты изделия характерных признаков основного тона продольных колебаний (п. 3.3.6) проводят повторно поиск резонансной частоты (п. 3.2.5) до нахождения основного тона.

image006.gif

3.4. Определение резонансной частоты основного тона продольных колебаний сталеразливочных пробок

3.4.1. Устанавливают пробку на опоры приемоизлучающей системы.

3.4.2. Подводят приемный преобразователь перпендикулярно к поверхности пробки как показано на черт. 6.

3.4.3. Определяют резонансную частоту по п. 3.2.5.

3.4.4. Переставляют приемный преобразователь по высоте и окружности пробки, одновременно наблюдая на экране осциллографа за изменением амплитуды и фазы колебаний. На резонансной частоте основного тона амплитуда колебаний максимальна у сферической части пробки и у буртика и минимальна в ее средней части. При переносе приемного преобразователя через узловую линию фаза колебаний должна меняться на 180° и оставаться постоянной при перемещении преобразователя по окружности пробки (черт. 6).

3.4.5. При отсутствии у найденной резонансной частоты пробки характерных признаков основного тона продольных колебаний (п. 3.4.4) проводят повторно поиск резонансной частоты (п. 3.2.5) до нахождения основного тона.

3.5. Определяют диапазон изменений массы и резонансной частоты изделий, отобранных по п. 2.1, устанавливая их минимальное и максимальное значения.

3.6. На изделиях с измеренными значениями массы и резонансной частоты определяют открытую пористость и кажущуюся плотность по ГОСТ 2409-80, плотность по ГОСТ 2211-65, предел прочности при сжатии по ГОСТ 4071-80. Определения проводят не менее чем на двух образцах, изготовленных из противоположных концов изделий с измеренной резонансной частотой и массой. За окончательный результат принимают среднее значение двух определений.

3.7. Проводят расчеты линейных уравнений регрессии, построение номограммы и расчеты границ допустимых расхождений между результатами, полученными неразрушающим и разрушающим методами.

3.8. Проводят корректировку используемых регрессионных уравнений и номограмм путем сопоставления результатов разрушающего и неразрушающего методов определения для каждой десятой партии контролируемой продукции.

Правила расчета уравнений регрессии, границ допустимых расхождений, проведения их периодического контроля, корректировки и построения номограмм утверждаются в установленном порядке.

4. Проведение испытаний

4.1. Определяют массу и резонансную частоту (пп. 3.1 - 3.5) изделий, отобранных по п. 2.2.

4.2. По измеренным значениям массы и резонансной частоты с помощью уравнений регрессии или построенных на их основе номограмм определяют открытую пористость, кажущуюся плотность, плотность и предел прочности при сжатии. При значениях массы и частоты контролируемого изделия, выходящих за пределы соответствующих диапазонов их изменений (п. 3.5), определение показателей свойств этого изделия проводят разрушающими методами.

4.3. Результаты испытаний изделий заносят в протокол испытаний, указывая:

обозначение настоящего стандарта;

наименование, марку изделия и номер партии;

результаты испытания каждого изделия;

место и дату испытаний;

подпись исполнителя.

Форма записи результатов испытаний изделий приведена в приложении 2.

Приложение 1
Справочное

Термины, применяемые в стандарте, и их определения

Термин

Определение

Акустический неразрушающий контроль

По ГОСТ 18353-79

Резонансный метод

По ГОСТ 18353-79

Границы допустимых значений

Значения X_1 и Х_2 определяемого параметра X, между которыми лежит заданная доля всех возможных результатов наблюдений значений показателя

Приложение 2
Рекомендуемое

Форма записи результатов испытаний открытой пористости, кажущейся плотности, плотности и предела прочности при сжатии

Дата испытаний

Номер партии

Наименование и марка изделия

Номер образца

Масса М, г

Резонансная частота F, Гц

Открытая пористость П_отк, %

Кажущаяся плотность

ро_каж, Г/см3

Плотность ро, г/см3

Предел прочности при сжатии сигма_сж, Н/мм2

Примечание

по номограмме

по ГОСТ 2409-80

дельта*

по номограмме

по ГОСТ 2409-80

дельта*

по номограмме

по ГОСТ 2211-65

дельта*

по номограмме

по ГОСТ 4071-80

дельта*

фактически

по толерантной зоне

фактически

по толерантной зоне

фактически

по толерантной зоне

фактически

по толерантной зоне

1

2

3

4

5

6

7

8

9

10

11

12

13

14

15

16

17

18

19

20

21

22

23

Примечания:

1. дельта* - разность между значениями показателей, определенными по номограмме и по ГОСТ 2409-80, ГОСТ 2211-65, ГОСТ 4071-80.

2. Графы 8, 9, 10, 12, 13, 14, 16, 17, 18, 20, 21, 22 заполняются для каждой 10-й партии при проверке стандартными разрушающими методами.

Яндекс.Метрика