ГОСТ 25671-83 (04.11.1988) СОЕДИНИТЕЛИ ПЛОСКИЕ ВТЫЧНЫЕ. ТИПЫ, КОНСТРУКЦИЯ И РАЗМЕРЫ
С изменениями:
(4 ноября 1988 г.)
Срок действия установлен с 1 января 1985 г. до 1 января 1990 г.
Ограничение срока действия снято в 1991 г.
1. Настоящий стандарт распространяется на плоские втычные соединители (далее соединители), предназначенные для разъемного контактного соединения проводов, шнуров и кабелей (далее проводов) с медными многопроволочными жилами сечением от 0, 35 до 10 мм2 между собой и присоединения указанных проводов к электротехническим устройствам.
Стандарт полностью соответствует рекомендации СЕЕ 6.
2. Настоящий стандарт устанавливает следующие типы соединителей:
абзац второй исключен;
2 - розетки с левым планарным хвостовиком;
3 - розетки с правым планарным хвостовиком;
4 - вилки;
5 - гибриды соединителя с одной вилкой;
6 - гибриды соединителя с двумя вилками.
3. Исполнения соединителей в зависимости от номинального сечения присоединяемой жилы - по ГОСТ 24566-86.
4. Устанавливается следующая структура условного обозначения соединителей:
Соединитель X - XXX - ХХХХХХХ - XX ХХХХХХХХХ - XX
│ │ │ │ │
│ │ │ │ │Обозначение настоящего стандарта
│ │ │ │ └─────────────────────────────────────────
│ │ │ │
│ │ │ │Вид климатического исполнения по ГОСТ 24566-86
│ │ │ └───────────────────────────────────────────────
│ │ │
│ │ │Вид и толщина покрытия по ГОСТ 24566-86
│ │ └───────────────────────────────────────────────────
│ │
│ │Исполнение по ГОСТ 24566-86*
│ └────────────────────────────────────────────────────────
│
│Тип соединителя
└───────────────────────────────────────────────────────────
_____________________________
* Для соединителей типа 6 указывается номинальная ширина соединителя.
Примечание. По согласованию с потребителем допускается не указывать в условном обозначении вид и толщину покрытия, или вид климатического исполнения.
Примеры условных обозначений соединителей:
Розетка с левым планарным хвостовиком, номинальной ширины 6, 3 мм, предназначенная для присоединения к жиле провода номинального сечения 6, 0 мм2, с оловянным покрытием толщиной 9 мкм, полученным катодным восстановлением, климатического исполнения ТЗ:
Соединитель 2-34-09-T3 ГОСТ 25671-83
Розетка номинальной ширины 2, 8 мм, предназначенная для присоединения к жиле провода номинального сечения 0, 5 мм2, с покрытием, полученным химическим способом, климатического исполнения УЗ:
Соединитель 1-11-Хим. Пас.-УЗ ГОСТ 25671-83
Вилка номинальной ширины 4, 8 мм, предназначенная для присоединения к жиле провода номинального сечения 1, 5 мм2, с оловянным покрытием толщиной 9 мкм, полученным катодным восстановлением, климатического исполнения ТЗ:
Соединитель 4-23-09-T3 ГОСТ 25671-83
Гибрид соединителя с двумя вилками номинальной ширины 4, 8 мм, с оловянным покрытием толщиной 6 мкм, полученным катодным восстановлением, климатического исполнения УЗ:
Соединитель 6-4, 8-06-УЗ ГОСТ 25671-83
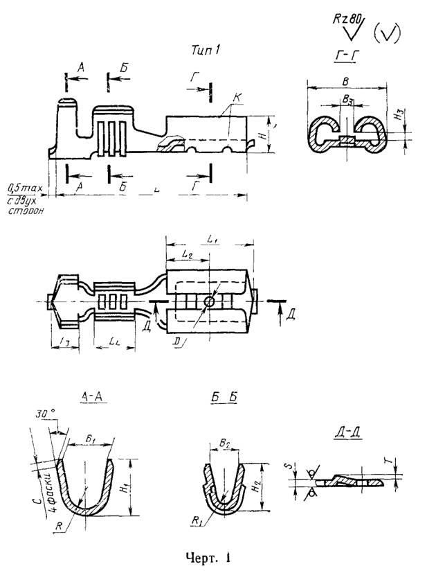
5. Типы, конструкция, основные размеры и масса вилок, розеток и гибридов плоских втычных соединителей должны соответствовать указанным на черт. 1-5 и в табл. 1-5.
Таблица 1
Размеры, мм
|
Типоисполнение |
Код ОКП |
Чертеж |
B |
B1 |
B2 |
B3 |
c |
D |
H |
H1 |
H2 |
H3 | |
|
Номин. |
Пред. откл. | ||||||||||||
|
1-11 |
34 2949 5101 |
1 |
3, 7 |
3, 2 |
1, 6 |
0, 7 |
0, 3 |
1, 20 |
1, 7 |
4, 3 |
2, 8 |
0, 3 |
_0, 1 |
|
1-12 |
34 2949 5102 |
4, 5 |
2, 0 |
5, 8 | |||||||||
|
1-13 |
34 2949 5161 |
3, 2 |
1, 6 |
2, 3 |
4, 3 |
0, 6 | |||||||
|
1-14 |
34 2949 5162 |
4, 5 |
2, 0 |
5, 8 | |||||||||
|
1-21 |
34 2949 5103 |
5, 6 |
3, 2 |
1, 6 |
1, 1 |
0, 5 |
1, 35 |
2, 5 |
4, 4 |
2, 9 |
0, 6 | ||
|
1-22 |
34 2949 5104 |
4, 5 |
2, 0 |
5, 9 | |||||||||
|
1-23 |
34 2949 5105 |
5, 4 |
2, 8 |
7, 4 |
3, 9 | ||||||||
|
1-31 |
34 2949 5106 |
7, 6 |
3, 2 |
1, 6 |
1, 6 |
1, 40 |
3, 1 |
4, 5 |
3, 0 | ||||
|
1-32 |
34 2949 5107 |
4, 5 |
2, 0 |
6, 0 | |||||||||
|
1-33 |
34 2949 5108 |
5, 4 |
2, 8 |
7, 7 |
4, 2 | ||||||||
|
1-34 |
34 2949 5109 |
6, 7 |
4, 4 |
8, 8 |
6, 3 | ||||||||
|
1-41 |
34 2949 5111 |
11, 0 |
5, 4 |
2, 8 |
2, 8 |
1, 6 |
4, 0 |
7, 7 |
4, 2 |
1, 0 | |||
|
1-42 |
34 2949 5112 |
6, 7 |
4, 4 |
8, 8 |
6, 3 | ||||||||
|
1-43 |
34 2949 5113 |
9, 4 |
5, 5 |
11, 3 |
7, 8 | ||||||||
Продолжение табл. 1
Размеры, мм
|
Типоисполнение |
L |
L1 |
L2 |
L3 |
L4 |
R |
R1 |
S |
T |
Расчетная масса 1000 шт., кг |
Применяемость |
|
1-11 |
15, 0 |
6, 4 |
1, 6 |
1, 8 |
3, 2 |
1, 4 |
0, 6 |
0, 25 |
0, 08 |
0, 26 | |
|
1-12 |
2, 0 |
0, 8 | |||||||||
|
1-13 |
1, 4 |
0, 6 | |||||||||
|
1-14 |
2, 0 |
0, 8 | |||||||||
|
1-21 |
3, 2 |
1, 4 |
0, 6 |
0, 40 |
0, 40 | ||||||
|
1-22 |
2, 0 |
0, 8 |
0, 44 | ||||||||
|
1-23 |
2, 4 |
1, 2 |
0, 47 | ||||||||
|
1-31 |
19, 6 |
7, 7 |
4, 5 |
2, 3 |
4, 2 |
1, 4 |
0, 6 |
0, 45 |
0, 20 |
0, 71 | |
|
1-32 |
2, 0 |
0, 8 |
0, 74 | ||||||||
|
1-33 |
2, 4 |
1, 2 |
0, 78 | ||||||||
|
1-34 |
3, 0 |
2, 0 |
0, 80 | ||||||||
|
1-41 |
26, 2 |
12, 0 |
5, 0 |
2, 9 |
4, 7 |
2, 4 |
1, 2 |
0, 50 |
0, 30 |
1, 30 | |
|
1-42 |
3, 0 |
2, 0 |
1, 50 | ||||||||
|
1-43 |
4, 2 |
2, 6 |
1, 10 |
Таблица 2
Размеры, мм
|
Типоисполнение |
Код ОКП |
Чертеж |
B |
B1 |
B2 |
B3 |
D |
H |
H1 |
H2 |
H3 |
H4 | |
|
Номин. |
Пред. откл. | ||||||||||||
|
2-31 |
34 2949 5114 |
2 |
7, 6 |
1, 6 |
3, 2 |
1, 6 |
1, 4 |
3, 1 |
4, 5 |
3, 0 |
0, 6 |
_0, 1 |
15, 0 |
|
3-31 |
34 2949 5122 | ||||||||||||
|
2-32 |
34 2949 5115 |
4, 5 |
2, 0 |
6, 0 | |||||||||
|
3-32 |
34 2949 5123 | ||||||||||||
|
2-33 |
34 2949 5116 |
5, 4 |
2, 8 |
7, 7 |
4, 2 | ||||||||
|
3-33 |
34 2949 5124 | ||||||||||||
|
2-34 |
34 2949 5117 |
6, 7 |
4, 4 |
8, 8 |
6, 4 | ||||||||
|
3-34 |
34 2949 5125 | ||||||||||||
|
2-41 |
34 2949 5118 |
11, 0 |
2, 8 |
5, 4 |
2, 8 |
1, 6 |
4, 0 |
7, 7 |
4, 2 |
1, 0 |
20, 0 | ||
|
3-41 |
34 2949 5126 | ||||||||||||
|
2-42 |
34 2949 5119 |
6, 7 |
4, 4 |
8, 8 |
6, 3 | ||||||||
|
3-42 |
34 2949 5127 | ||||||||||||
|
2-43 |
34 2949 5121 |
9, 4 |
5, 5 |
11, 3 |
7, 8 | ||||||||
|
3-43 |
34 2949 5128 | ||||||||||||
Продолжение табл. 2
Размеры, мм
|
Типоисполнение |
H5 |
H6 |
L1 |
L2 |
L3 |
R |
R1 |
T |
Расчетная масса 1000 шт., кг |
Применяемость |
|
2-31 |
2, 3 |
3, 0 |
15, 1 |
7, 7 |
4, 5 |
1, 4 |
0, 6 |
0, 2 |
0, 80 | |
|
3-31 | ||||||||||
|
2-32 |
2, 0 |
0, 8 |
0, 83 | |||||||
|
3-32 | ||||||||||
|
2-33 |
2, 4 |
1, 2 |
0, 86 | |||||||
|
3-33 | ||||||||||
|
2-34 |
3, 0 |
2, 0 |
0, 90 | |||||||
|
3-34 | ||||||||||
|
2-41 |
3, 0 |
4, 2 |
22, 5 |
12, 0 |
5, 0 |
2, 4 |
1, 2 |
0, 3 |
1, 80 | |
|
3-41 | ||||||||||
|
2-42 |
3, 0 |
2, 0 |
2, 00 | |||||||
|
3-42 | ||||||||||
|
2-42 |
4, 2 |
2, 6 |
2, 20 | |||||||
|
3-43 |
Таблица 3
Размеры, мм
|
Типоисполнение |
Код ОКП |
Чертеж |
B |
B1 |
B2 |
c |
D |
H, не более |
H1 |
H2 | |||
|
Номин. |
Пред. откл. | ||||||||||||
|
Номин. |
Пред. откл. | ||||||||||||
|
4-11 |
34 2949 5129 |
3 |
2, 80 |
±0, 1 |
3, 2 |
1, 6 |
0, 3 |
1, 2 |
+0, 1 |
0, 53 |
4, 3 |
2, 8 | |
|
4-12 |
34 2949 5131 |
4, 5 |
2, 0 |
5, 8 | |||||||||
|
4-13 |
34 2949 5163 |
±0, 1 |
3, 2 |
1, 6 |
0, 83 |
4, 3 |
2, 8 | ||||||
|
4-14 |
34 2949 5164 |
4, 5 |
2, 0 |
5, 8 | |||||||||
|
4-21 |
34 2949 5132 |
4, 75 |
±0, 1 |
3, 2 |
1, 6 |
0, 5 |
1, 4 |
0, 83 |
4, 4 |
2, 9 | |||
|
4-22 |
34 2949 5133 |
4, 5 |
2, 0 |
5, 9 | |||||||||
|
4-23 |
34 2949 5134 |
5, 4 |
2, 8 |
7, 4 |
3, 9 | ||||||||
|
4-31 |
34 2949 5135 |
6, 30 |
±0, 1 |
3, 2 |
1, 6 |
1, 6 |
4, 4 |
2, 9 | |||||
|
4-32 |
34 2949 5136 |
4, 5 |
2, 0 |
5, 9 | |||||||||
|
4-33 |
34 2949 5137 |
5, 4 |
2, 8 |
7, 7 |
4, 2 | ||||||||
|
4-34 |
34 2949 5138 |
6, 7 |
4, 4 |
8, 7 |
6, 2 | ||||||||
|
4-41 |
34 2949 5139 |
9, 50 |
5, 4 |
2, 8 |
1, 9 |
1, 23 |
7, 8 |
4, 3 | |||||
|
4-42 |
34 2949 5141 |
6, 7 |
4, 4 |
8, 9 |
6, 4 | ||||||||
|
4-43 |
34 2949 5142 |
9, 4 |
5, 5 |
11, 4 |
7, 9 | ||||||||
Продолжение табл. 3
Размеры, мм
|
Типоисполнение |
L |
L1 |
L2 |
L3 |
L4 |
L5 |
R |
R1 |
S |
Расчетная масса 1000 шт., кг |
Применяемость |
|
4-11 |
15, 0 |
7, 1 |
1, 6 |
1, 8 |
3, 2 |
0, 6 |
1, 4 |
0, 6 |
0, 25 |
0, 14 | |
|
4-12 |
2, 0 |
0, 8 | |||||||||
|
4-13 |
1, 4 |
0, 6 | |||||||||
|
4-14 |
2, 0 |
0, 8 | |||||||||
|
4-21 |
16, 5 |
6, 4 |
3, 2 |
1, 0 |
1, 4 |
0, 6 |
0, 4 |
0, 30 | |||
|
4-22 |
2, 0 |
0, 8 |
0, 34 | ||||||||
|
4-23 |
2, 4 |
1, 2 |
0, 34 | ||||||||
|
4-31 |
20, 0 |
8, 0 |
4, 0 |
2, 3 |
4, 2 |
1, 4 |
0, 6 |
0, 67 | |||
|
4-32 |
2, 0 |
0, 8 |
0, 68 | ||||||||
|
4-33 |
2, 4 |
1, 2 |
0, 71 | ||||||||
|
4-34 |
3, 0 |
2, 0 |
0, 74 | ||||||||
|
4-41 |
25, 0 |
12, 0 |
5, 25 |
2, 9 |
4, 7 |
1, 2 |
2, 4 |
1, 2 |
0, 6 |
1, 0 | |
|
4-42 |
3, 0 |
2, 0 |
1, 2 | ||||||||
|
4-43 |
4, 2 |
2, 6 |
1, 4 |
Таблица 4
Размеры, мм
|
Типоисполнение |
Код ОКП |
Чертеж |
B |
B1 |
B2 |
B3 |
B4 |
c |
D |
D1 |
H | ||
|
Номин. |
Пред. откл. |
Номин. |
Пред. откл. | ||||||||||
|
5-11 |
34 2949 5143 |
4 |
3, 7 |
3, 2 |
1, 6 |
0, 7 |
2, 8 |
±0, 1 |
0, 3 |
1, 2 |
1, 2 |
+0, 1 |
1, 7 |
|
5-12 |
34 2949 5144 |
4, 5 |
2, 0 | ||||||||||
|
5-13 |
34 2949 5165 |
3, 2 |
1, 6 |
±0, 1 | |||||||||
|
5-14 |
34 2949 5166 |
4, 5 |
2, 0 | ||||||||||
|
5-21 |
34 2949 5145 |
5, 6 |
3, 2 |
1, 6 |
1, 1 |
4, 75 |
±0, 1 |
0, 5 |
1, 35 |
1, 4 |
2, 5 | ||
|
5-22 |
34 2949 5146 |
4, 5 |
2, 0 | ||||||||||
|
5-23 |
34 2949 5147 |
5, 4 |
2, 8 | ||||||||||
|
5-31 |
34 2949 5148 |
7, 6 |
3, 2 |
1, 6 |
1, 6 |
6, 3 |
±0, 1 |
1, 4 |
1, 6 |
3, 1 | |||
|
5-32 |
34 2949 5149 |
4, 5 |
2, 0 | ||||||||||
|
5-33 |
34 2949 5151 |
5, 4 |
2, 8 | ||||||||||
|
5-34 |
34 2949 5152 |
6, 7 |
4, 4 | ||||||||||
|
5-41 |
34 2949 5153 |
11, 0 |
5, 4 |
2, 8 |
2, 8 |
9, 5 |
1, 6 |
1, 9 |
4, 0 | ||||
|
5-42 |
34 2949 5154 |
6, 7 |
4, 4 | ||||||||||
|
5-43 |
34 2949 5155 |
9, 4 |
5, 5 | ||||||||||
Продолжение табл. 4
Размеры, мм
|
Типоисполнение |
H2 |
H3 |
H4 |
H1, не более |
L |
L1 |
L2 |
L3 |
L4 |
L5 | ||||
|
Номин. |
Пред. откл. | |||||||||||||
|
5-11 |
4, 3 |
2, 75 |
0, 3 |
±0, 1 |
0, 53 |
15, 8 |
6, 4 |
1, 6 |
1, 8 |
3, 2 |
0, 6 | |||
|
5-12 |
5, 8 | |||||||||||||
|
5-13 |
4, 3 |
0, 6 | ||||||||||||
|
5-14 |
5, 8 | |||||||||||||
|
5-21 |
4, 4 |
2, 9 |
0, 6 |
0, 83 |
3, 2 |
1, 0 | ||||||||
|
5-22 |
5, 9 | |||||||||||||
|
5-23 |
7, 4 |
3, 9 | ||||||||||||
|
5-31 |
4, 4 |
2, 9 |
20, 0 |
7, 7 |
4, 5 |
2, 3 |
4, 2 | |||||||
|
5-32 |
5, 9 | |||||||||||||
|
5-33 |
7, 7 |
4, 2 | ||||||||||||
|
5-34 |
8, 7 |
6, 2 | ||||||||||||
|
5-41 |
7, 8 |
4, 3 |
1, 0 |
1, 25 |
27, 2 |
12, 0 |
5, 0 |
2, 9 |
4, 7 |
1, 2 | ||||
|
5-42 |
8, 9 |
6, 4 | ||||||||||||
|
5-43 |
11, 4 |
7, 9 | ||||||||||||
Продолжение табл. 4
Размеры, мм
|
Типоисполнение |
L6 |
L7 |
L8, не более |
R |
R1 |
S |
T |
Расчетная масса 1000 шт., кг |
Применяемость |
|
5-11 |
7, 1 |
1, 6 |
1, 0 |
1, 4 |
0, 6 |
0, 25 |
0, 08 |
0, 28 | |
|
5-12 |
2, 0 |
0, 8 |
0, 30 | ||||||
|
5-13 |
1, 4 |
0, 6 |
0, 28 | ||||||
|
5-14 |
2, 0 |
0, 8 |
0, 30 | ||||||
|
5-21 |
6, 4 |
3, 2 |
1, 4 |
0, 6 |
0, 4 |
0, 62 | |||
|
5-22 |
2, 0 |
0, 8 |
0, 65 | ||||||
|
5-23 |
2, 4 |
1, 2 |
0, 68 | ||||||
|
5-31 |
8, 0 |
4, 0 |
1, 4 |
0, 6 |
0, 2 |
0, 82 | |||
|
5-32 |
2, 0 |
0, 8 |
0, 84 | ||||||
|
5-33 |
2, 4 |
1, 2 |
0, 86 | ||||||
|
5-34 |
3, 0 |
2, 0 |
0, 90 | ||||||
|
5-41 |
12, 0 |
5, 25 |
2, 4 |
1, 2 |
0, 6 |
0, 3 |
1, 80 | ||
|
5-42 |
3, 0 |
2, 0 |
2, 10 | ||||||
|
5-43 |
4, 2 |
2, 6 |
2, 40 |
Таблица 5
Размеры, мм
|
Типоисполнение |
Код ОКП |
Чертеж |
B |
B1 |
B2 |
D |
D1 |
H |
H1 |
H2, не более | ||||
|
Номин. |
Пред. откл. |
Номин. |
Пред. откл. | |||||||||||
|
Номин. |
Пред. откл. | |||||||||||||
|
6-2, 8 |
34 2949 5156 |
5 |
3, 7 |
0, 7 |
2, 8 |
±0, 1 |
1, 2 |
1, 2 |
+0, 1 |
1, 7 |
0, 3 |
_0, 1 |
0, 53 | |
|
6-4, 8 |
34 2949 5157 |
5, 6 |
1, 1 |
4, 75 |
1, 35 |
1, 4 |
2, 5 |
0, 6 |
0, 83 | |||||
|
6-6, 3 |
34 2949 5158 |
7, 6 |
1, 6 |
6, 3 |
1, 4 |
1, 6 |
3, 1 | |||||||
|
6-9, 5 |
34 2949 5159 |
11, 0 |
2, 8 |
9, 5 |
1, 6 |
1, 9 |
4, 0 |
1, 0 |
1, 25 | |||||
Продолжение табл. 5
Размеры, мм
|
Типоисполнение |
H3 |
L |
L1 |
L2 |
L3 |
L4 |
L5 |
L6, не более |
S |
T |
Расчетная масса 1000 шт., кг |
Применяемость |
|
6-2, 8 |
5, 0 |
14, 0 |
6, 4 |
1, 6 |
7, 1 |
1, 6 |
0, 6 |
1, 0 |
0, 25 |
0, 08 |
0, 2 | |
|
6-4, 8 |
6, 8 |
14, 4 |
3, 2 |
6, 4 |
3, 2 |
1, 0 |
0, 4 |
0, 68 | ||||
|
6-6, 3 |
8, 8 |
16, 6 |
7, 7 |
4, 5 |
8, 0 |
4, 0 |
0, 2 |
1, 0 | ||||
|
6-9, 5 |
13, 2 |
24, 4 |
12, 0 |
5, 0 |
12, 0 |
5, 25 |
1, 2 |
0, 6 |
0, 3 |
1, 2 |
6. Неуказанные предельные отклонения размеров должны быть: отверстий H12, валов h12, остальных _ IT12\2, угловых размеров _3°.
7. Для соединителей, предназначенных для присоединения к проводу пайкой или сваркой без предварительной опрессовки, размеры H1 и H2 хвостовика устанавливаются в конструкторской документации, при этом допускается не изготовлять канавки и фаски с.
8. Допускается изготовлять соединители без прорезей К.
9. Основные размеры опрессованных соединений хвостовика соединителя с проводом приведены в рекомендуемом приложении.
10. Основные размеры вставок вилочной части соединителей, являющихся выводами электротехнических устройств, по ГОСТ 24566-86.
11. Основные размеры гнезд розеточной части соединителей, являвшихся выводами электротехнических устройств, должны соответствовать указанным ГОСТ 24566-86.
12. Технические требования, область применения и методы испытаний - по ГОСТ 24566-86.
13. Термины и определения - по ГОСТ 21962-76, ГОСТ 24566-86 и ГОСТ 24566-81.
Приложение
(рекомендуемое)
Размеры в мм
|
Номинальная ширина соединителя |
Номинальное сечение присоединяемой жилы, мм2 |
Толщина материала соединителя |
B |
B1 |
H |
H1 |
R |
R1 |
|
2, 8 |
0, 35 |
0, 25 |
1, 80 |
3, 45 |
0, 82 |
2, 26 |
0, 3 |
0, 7 |
|
0, 5 |
1, 81 |
3, 46 |
0, 83 |
2, 35 | ||||
|
0, 75 |
2, 16 |
4, 50 |
0, 84 |
2, 39 |
0, 4 |
1, 0 | ||
|
1, 0 |
2, 17 |
4, 52 |
0, 90 |
2, 47 | ||||
|
4, 8 |
0, 5 |
0, 4 |
2, 11 |
3, 76 |
1, 16 |
2, 65 |
0, 5 |
0, 9 |
|
0, 75 |
2, 46 |
4, 80 |
1, 14 |
2, 69 |
0, 6 |
1, 2 | ||
|
1, 0 |
2, 47 |
4, 82 |
1, 20 |
2, 77 | ||||
|
1, 5 |
3, 69 |
6, 14 |
1, 07 |
3, 24 |
0, 8 |
1, 4 | ||
|
2, 5 |
3, 72 |
6, 24 |
1, 27 |
3, 80 | ||||
|
6, 3 |
0, 5 |
0, 4 |
2, 11 |
3, 76 |
1, 16 |
2, 65 |
0, 5 |
0, 9 |
|
0, 75 |
2, 46 |
4, 80 |
1, 14 |
2, 69 |
0, 6 |
1, 2 | ||
|
1, 0 |
2, 47 |
4, 82 |
1, 20 |
2, 77 | ||||
|
1, 5 |
3, 69 |
6, 14 |
1, 07 |
3, 24 |
0, 8 |
1, 4 | ||
|
2, 5 |
3, 72 |
6, 24 |
1, 27 |
3, 60 | ||||
|
4, 0 |
5, 18 |
7, 32 |
1, 59 |
3, 93 |
1, 1 |
1, 6 | ||
|
6, 0 |
5, 22 |
7, 38 |
1, 80 |
4, 30 | ||||
|
0, 5 |
0, 45 |
2, 21 |
3, 86 |
1, 26 |
2, 75 |
0, 5 |
0, 9 | |
|
0, 75 |
2, 56 |
4, 90 |
1, 24 |
2, 79 |
0, 6 |
1, 2 | ||
|
1, 0 |
2, 57 |
4, 92 |
1, 30 |
2, 87 | ||||
|
1, 5 |
3, 79 |
6, 24 |
1, 17 |
3, 34 |
0, 8 |
1, 4 | ||
|
2, 5 |
3, 82 |
6, 34 |
1, 37 |
3, 90 | ||||
|
4, 0 |
5, 28 |
7, 42 |
1, 65 |
4, 03 |
1, 1 |
1, 6 | ||
|
6, 0 |
5, 32 |
7, 48 |
1, 90 |
4, 40 | ||||
|
0, 5 |
0, 5 |
2, 31 |
3, 96 |
1, 36 |
2, 85 |
0, 6 |
1, 0 | |
|
0, 75 |
2, 66 |
5, 00 |
1, 34 |
2, 89 |
0, 7 |
1, 3 | ||
|
1, 0 |
2, 67 |
5, 02 |
1, 40 |
2, 97 | ||||
|
1, 5 |
3, 89 |
6, 34 |
1, 27 |
3, 44 |
0, 9 |
1, 5 | ||
|
2, 5 |
3, 92 |
6, 44 |
1, 47 |
4, 00 | ||||
|
4, 0 |
5, 38 |
7, 52 |
1, 75 |
4, 13 |
1, 2 |
1, 7 | ||
|
6, 0 |
5, 42 |
7, 58 |
2, 00 |
4, 50 | ||||
|
9, 5 |
2, 5 |
3, 92 |
6, 44 |
1, 47 |
4, 00 |
0, 9 |
1, 5 | |
|
4, 0 |
5, 38 |
7, 52 |
1, 75 |
4, 13 |
1, 2 |
1, 7 | ||
|
6, 0 |
5, 42 |
7.58 |
2, 00 |
4, 50 | ||||
|
10, 0 |
6, 54 |
9, 85 |
2, 47 |
5, 64 |
1, 5 |
2, 3 | ||
|
2, 5 |
0, 6 |
4, 12 |
6, 64 |
1, 67 |
4, 20 |
1, 0 |
1, 6 | |
|
4, 0 |
5, 58 |
7, 72 |
1, 95 |
4, 33 |
1, 3 |
1, 8 | ||
|
6, 0 |
5, 62 |
7, 78 |
2, 20 |
4, 70 | ||||
|
10, 0 |
6, 74 |
10, 05 |
2, 67 |
5, 84 |
1, 6 |
2, 4 |


