Утв. Постановлением Госстандарта СССР от 22 мая 1980 г. N 2306
Государственный стандарт Союза ССР ГОСТ 24190-80
"ПАТРУБКИ. КОНСТРУКЦИЯ"
С изменениями:
(29 ноября 1990 г.)
Branch pipes. Design and basic dimensions
Дата введения 1 июля 1981 г.
Взамен ГОСТ 19696-74,
ГОСТ 15919-74,
ГОСТ 15920-74,
ГОСТ 15921-74,
ГОСТ 15922-74,
ГОСТ 15923-74
1. Настоящий стандарт распространяется на патрубки, применяемые при монтаже стеклянных трубопроводов.
Требования настоящего стандарта являются обязательными.
2. Патрубки должны быть изготовлены двух типов:
1 - для соединения стеклянных трубопроводов;
2 - для соединения стеклянных трубопроводов кровельного отопления к металлическим трубопроводам.
Патрубки типа 1 должны изготовляться 2-х исполнений.
3. Конструкция и основные размеры патрубков типа 1 должны соответствовать указанным на черт. 1 и в табл. 1.

Таблица 1
Размеры в мм
|
Условный проход D_y
|
Наружный диаметр трубы D_н
|
L
|
Масса, кг, не более
|
|
для исполнения
|
|
1
|
2
|
1
|
2
|
|
40
|
45
|
174
|
90
|
0, 46
|
0, 4
|
|
50
|
67
|
195
|
101
|
0, 90
|
0, 7
|
|
80
|
93
|
215
|
102
|
1, 55
|
1, 1
|
|
100
|
122
|
255
|
131
|
2, 75
|
2, 0
|
|
150
|
169
|
-
|
155
|
-
|
4, 9
|
Пример условного обозначения патрубка для трубы наружным диаметром Dн = 45 мм Тип 1 исполнения 1:
Патрубок 1-1-45 ГОСТ 24190-80
То же, исполнения 2:
Патрубок 1-2-45 ГОСТ 24190-80
4. Конструкция и основные размеры переходника должны соответствовать указанным на черт. 2 и в табл. 2.


Таблица 2
Размеры в мм
|
Условный проход
D_у
|
Наружный диаметр трубы
D_н
|
D
|
D_1
|
D_2
|
D_3
|
D_4
|
D_5
|
D_6
|
d
|
B
|
b
|
Масса, кг, не более
|
|
40
|
45
|
М48x2
|
45
|
35
|
50
|
88
|
102
|
68
|
7, 6
|
80
|
9
|
0, 28
|
|
50
|
67
|
М68x3
|
67
|
56
|
70
|
120
|
144
|
95
|
10, 1
|
90
|
10
|
0, 49
|
|
80
|
93
|
М95x3
|
93
|
81
|
96
|
148
|
172
|
116
|
11
|
0, 70
|
|
100
|
122
|
M125x3
|
122
|
107
|
130
|
180
|
204
|
148
|
120
|
1, 65
|
|
150
|
169
|
M170x3
|
169
|
152
|
175
|
250
|
280
|
186
|
12, 1
|
140
|
12
|
3, 50
|
Пример условного обозначения переходника для трубы наружным диаметром Dн = 45 мм:
Переходник 45 ГОСТ 24190-80
5. Конструкция и основные размеры штуцера должны соответствовать указанным на черт. 3 и в табл. 3.

Таблица 3
Размеры в мм
|
Условный проход D_y
|
Наружный диаметр трубы D_н
|
D
|
D_1
|
D_2 = D_3
|
D_4
|
L
|
S
|
a = a_1
|
Масса, кг, не более
|
|
40
|
45
|
45
|
28
|
34
|
36
|
90
|
4
|
10
|
0, 10
|
|
50
|
67
|
64
|
46
|
52
|
54
|
100
|
5
|
14
|
0, 25
|
|
80
|
93
|
90
|
69
|
79
|
82
|
120
|
15
|
0, 63
|
|
100
|
122
|
120
|
94
|
106
|
110
|
130
|
1, 10
|
Пример условного обозначения штуцера для трубы наружным диаметром Dн = 45 мм:
Штуцер 45 ГОСТ 24190-80
6. Конструкция и основные размеры накидной гайки должны соответствовать указанным на черт. 4 и в табл. 4.

Таблица 4
Размеры в мм
|
Условный проход D_y
|
Наружный диаметр трубы D_н
|
D
|
D_1
|
D_2
|
D_3
|
B
|
b
|
Масса, кг, не более
|
|
40
|
45
|
М48x2
|
58
|
68
|
37
|
29
|
23
|
0, 065
|
|
50
|
67
|
М68x3
|
80
|
90
|
55
|
0, 150
|
|
80
|
93
|
М95x3
|
106
|
116
|
83
|
32
|
25
|
0, 220
|
|
100
|
122
|
M125x3
|
137
|
147
|
112
|
0, 300
|
Пример условного обозначения накидной гайки для трубы наружным диаметром Dн = 45 мм:
Гайка 45 ГОСТ 24190-80
7. Конструкция и основные размеры заглушки должны соответствовать указанным на черт. 5 и в табл. 5.

Таблица 5
Размеры в мм
|
Условный проход D_у
|
Наружный диаметр трубы
D_н
|
D
|
D_1
|
D_2
|
B
|
b
|
Масса, кг, не более
|
|
40
|
45
|
М48x2
|
58
|
68
|
29
|
23
|
0, 09
|
|
50
|
67
|
М68x3
|
80
|
90
|
0, 19
|
|
80
|
93
|
М95x3
|
106
|
116
|
32
|
25
|
0, 30
|
|
100
|
122
|
М125x3
|
137
|
147
|
26
|
0, 43
|
|
150
|
169
|
M170x3
|
190
|
200
|
45
|
35
|
1, 35
|
Пример условного обозначения заглушки для трубы наружным диаметром Dн = 45 мм:
Заглушка 45 ГОСТ 24190-80
3-7. (Измененная редакция, Изм. N 1).
8. Конструкция и размеры прокладок должны соответствовать указанным на черт. 6 и в табл. 6.

Таблица 6
Размеры в мм
|
Условный проход D_y
|
Наружный диаметр трубы D_н
|
D
|
d
|
H
|
Масса, кг, не более
|
|
40
|
45
|
44
|
35
|
4
|
0, 006
|
|
50
|
67
|
64
|
53
|
5
|
0, 008
|
|
80
|
93
|
90
|
81
|
0, 016
|
|
100
|
122
|
120
|
108
|
0, 020
|
|
150
|
169
|
167
|
155
|
0, 022
|
Пример условного обозначения прокладки для трубы наружным диаметром Dн = 45 мм:
Прокладка 45 ГОСТ 24190-80
9. Детали патрубка должны быть изготовлены: переходник, штуцер, накидная гайка, заглушка - из алюминиевого сплава марки АК7 по ГОСТ 2685-75, а прокладки - из резины по рабочим чертежам, утвержденным в установленном порядке. Сталь Ст.3 ГОСТ 380-88
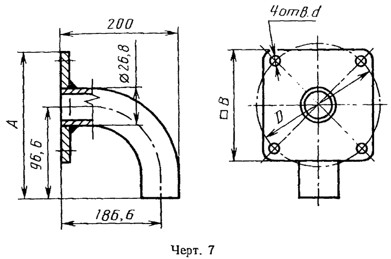
9а. Конструкция и основные размеры патрубков типа 2 должны соответствовать указанным на черт. 7 и в табл. 7.
Тип 2

Таблица 7
Размеры в мм
|
Для труб условным диаметром D_y
|
D
|
А
|
В
|
d
|
Масса, кг, не более
|
|
40
|
88
|
136, 6
|
78
|
8
|
1, 1
|
|
50
|
120
|
156, 6
|
120
|
10
|
2, 3
|
Пример условного обозначения патрубка типа 2 для трубы Dу = 40 мм:
Патрубок 2-40 ГОСТ 24190-80
10. Технические требования - по ГОСТ 24201-80.
11. Коды ОКП приведены в приложении.
Приложение
Справочное
|
Условное обозначение
|
Код ОКП и контрольное число
| |
|
патрубка
|
прокладки
| |
|
1-1-45
1-2-45
1-1-67
1-2-67
1-1-93
1-2-93
1-1-122
1-2-122
1-2-169
2-40
2-50
-
-
-
-
-
|
-
-
-
-
-
-
-
-
-
-
-
45
67
93
122
169
|
48 3473 0001 09
48 3473 0002 08
48 3473 0003 07
48 3473 0004 06
48 3473 0005 05
48 3473 0006 04
48 3473 0007 03
48 3473 0008 02
48 3473 0009 01
48 3475 0047 09
48 3475 0048 08
25 3167 0801 06
25 3167 0802 05
25 3167 0803 04
25 3167 0804 03
25 3167 0805 02
| |
| | | | |