ГОСТ 25628.2-2016 КОЛОННЫ ЖЕЛЕЗОБЕТОННЫЕ БЕСКРАНОВЫЕ ДЛЯ ОДНОЭТАЖНЫХ ЗДАНИЙ ПРЕДПРИЯТИЙ. ТЕХНИЧЕСКИЕ УСЛОВИЯ
Reinforced concrete columns without cranes for single-storey industrial buildings. Specifications
Дата введения - 1 января 2017 г.
Введен впервые
Предисловие
Цели, основные принципы и основной порядок проведения работ по межгосударственной стандартизации установлены ГОСТ 1.0-2015 "Межгосударственная система стандартизации. Основные положения" и ГОСТ 1.2-2015 "Межгосударственная система стандартизации. Стандарты межгосударственные, правила и рекомендации по межгосударственной стандартизации. Правила разработки, принятия, обновления и отмены"
Сведения о стандарте
1 Разработан Центральным научно-исследовательским и проектно-экспериментальным институтом промышленных зданий и сооружений (АО "ЦНИИПромзданий")
2 Внесен Техническим комитетом по стандартизации ТК 465 "Строительство"
3 Принят Межгосударственным советом по стандартизации, метрологии и сертификации (протокол от 29 марта 2016 г. N 86-П)
За принятие проголосовали:
|
Краткое наименование страны по МК (ИСО 3166) 004-97 |
Код страны по МК (ИСО 3166) 004-97 |
Сокращенное наименование национального органа по стандартизации |
|
Армения Киргизия Россия |
AM KG RU |
Минэкономики Республики Армения Кыргызстандарт Росстандарт |
4 Приказом Федерального агентства по техническому регулированию и метрологии от 1 июля 2016 г. N 782-ст межгосударственный стандарт ГОСТ 25628.2-2016 введен в действие в качестве национального стандарта Российской Федерации с 1 января 2017 г.
5 Введен впервые
1.1 Настоящий стандарт распространяется на железобетонные колонны из тяжелого бетона сплошного прямоугольного поперечного сечения, предназначенные для каркасов одноэтажных зданий предприятий без мостовых кранов, а также на колонны продольного и торцевого фахверков сплошного и сквозного (двухветвевые) поперечного сечения, предназначенные для каркасов одноэтажных зданий предприятий всех отраслей промышленности и сельского хозяйства.
1.2 Стандарт устанавливает дополнительные требования к основным размерам и маркировке железобетонных колонн. Основные требования к изготовлению, маркировке, приемке, транспортированию и хранению железобетонных колонн приведены в ГОСТ 25628.1.
В настоящем стандарте использованы нормативные ссылки на следующие межгосударственные стандарты:
ГОСТ 13015-2012 Изделия бетонные и железобетонные для строительства. Общие технические требования. Правила приемки, маркировки, транспортирования и хранения
ГОСТ 23009-2016 Конструкции и изделия бетонные и железобетонные сборные. Условные обозначения (марки)
ГОСТ 25628.1-2016 Колонны железобетонные для одноэтажных зданий предприятий. Технические условия
ГОСТ 26433.0-85 Система обеспечения точности геометрических параметров в строительстве. Правила выполнения измерений. Общие положения
ГОСТ 26433.1-85 Система обеспечения точности геометрических параметров в строительстве. Правила выполнения измерений. Элементы заводского изготовления
Примечание - При пользовании настоящим стандартом целесообразно проверить действие ссылочных стандартов в информационной системе общего пользования - на официальном сайте Федерального агентства по техническому регулированию и метрологии в сети Интернет или по ежегодному информационному указателю "Национальные стандарты", который опубликован по состоянию на 1 января текущего года, и по выпускам ежемесячного информационного указателя "Национальные стандарты" за текущий год. Если ссылочный стандарт заменен (изменен), то при пользовании настоящим стандартом следует руководствоваться заменяющим (измененным) стандартом. Если ссылочный стандарт отменен без замены, то положение, в котором дана ссылка на него, применяется в части, не затрагивающей эту ссылку.
В настоящем стандарте применены термины по ГОСТ 25628.1.
4.1 Колонны следует изготовлять, принимать, транспортировать и хранить в соответствии с требованиями настоящего стандарта и ГОСТ 25628.1.
4.2 Форма и основные размеры наиболее часто применяемых колонн для зданий без мостовых кранов и фахверковых приведены в приложении А.
4.3 Значения фактических отклонений геометрических параметров колонн не должны превышать предельных значений, указанных в таблице 1.
4.4 В колоннах, предназначенных для эксплуатации в условиях воздействия агрессивных газообразных сред, минусовые отклонения толщины защитного слоя бетона до арматуры, приведенные в таблице 1, не допускаются.
4.5 Несущая способность конкретной марки колонны зависит от класса арматуры и бетона и определяется автором проекта здания (сооружения) по действующим в период применения нормативным документам.
4.6 Колонны обозначают марками в соответствии с требованиями ГОСТ 13015 и ГОСТ 23009.
4.7 Обозначения типов колонн должно соответствовать требованиям ГОСТ 25628.1 и настоящего стандарта.
Таблица 1
|
В миллиметрах | ||
|
Отклонение геометрического параметра |
Геометрические параметры |
Предельное отклонение |
|
Отклонение от линейного размера |
Длина колонны и размер от торца колонны до опорной плоскости консоли: | |
|
до 4000 включ. |
±12 | |
|
св. 4000 " 8000 " |
±15 | |
|
" 8000 " 16000 " |
±20 | |
|
" 16000 " |
±25 | |
|
Размер поперечного сечения колонны или ветви двухветвевой колонны: | ||
|
до 250 включ. |
±4 | |
|
св. 250 " 500 " |
±5 | |
|
" 500 " |
±6 | |
|
Общая высота поперечного сечения нижней части двухветвевой колонны: | ||
|
до 1600 включ. |
±8 | |
|
св. 1600 |
±10 | |
|
Размер, определяющий положение: | ||
|
- строповочного отверстия или монтажной петли |
15 | |
|
- закладного изделия на плоскости колонны для элемента закладного изделия длиной: | ||
|
до 100 включ. |
5 | |
|
св. 100 |
10 | |
|
Несовпадение плоскостей колонны и элемента закладного изделия |
3 | |
|
Отклонение от прямолинейности профиля боковых граней на всей длине колонны длиной: |
- | |
|
до 4000 включ. |
8 | |
|
св. 4000 " 8000 " |
10 | |
|
" 8000 " 16000 " |
12 | |
|
" 16000 |
15 | |
|
Отклонение от перпендикулярности торцевой и боковых граней колонны при размере ее поперечного сечения: | ||
|
до 250 включ. |
4 | |
|
св. 250 " 500 " |
5 | |
|
" 500 |
6 | |
|
Отклонение толщины защитного слоя бетона до рабочей арматуры |
+ 10 5 | |
4.7.1 Габаритные размеры колонны приводят в дециметрах (с округлением до целого числа) в первой группе марки колонны, при этом дополнительные размеры колонн, зависящие от размера стропильных конструкций или других технологических факторов, приводят в скобках после основного обозначения.
4.7.2 Для типов колонн КБ, КО, КД классификация типоразмеров приведена в таблице 2, для типов КФ, КФТ, КДФ - в таблице 3.
Таблица 2
|
Типоразмер |
Сечение b х h, мм |
Типоразмер |
Сечение b x h, мм |
Типоразмер |
Сечение b x h, мм |
Типоразмер |
Сечение b x h, мм |
|
1КБ |
300 x 300 |
6КБ |
400 x 700 |
1КО |
400 x 500 |
4КД |
400 x 500 |
|
2КБ |
300 x 400 |
7КБ |
400 x 800 |
2КО |
500 x 500 |
5КД |
400 x 700 |
|
3КБ |
400 x 400 |
8КБ |
500 x 500 |
1КД |
300 x 300 |
6КД |
400 x 800 |
|
4КБ |
400 x 500 |
9КБ |
500 x 600 |
2КД |
300 x 400 |
7КД |
500 x 500 |
|
5КБ |
400 x 600 |
10КБ |
200 x 200 |
3КД |
400 x 400 |
8КД |
200 x 200 |
|
b - ширина поперечного сечения колонны; h - высота поперечного сечения колонны. | |||||||
Таблица 3
|
Типоразмер |
Сечение b x h, мм |
Типоразмер |
Сечение b x h, мм |
|
1КФ |
300 x 300 |
1КФТ |
300 x 400 |
|
2КФ |
300 x 400 |
2КФТ |
400 x 400 |
|
3КФ |
400 x 400 |
3КФТ |
400 x 500 |
|
4КФ |
400 x 500 |
4КФТ |
400 x 600 |
|
5КФ |
500 x 500 |
1КДФ |
500 x 1400 |
|
b - ширина поперечного сечения колонны; h - высота поперечного сечения колонны. | |||
Примеры условного обозначения (марки)
- двухконсольной колонны типа КД для зданий высотой 6, 6 м без мостовых кранов, с размерами поперечного сечения 500 x 500 мм, второй группы по несущей способности колонны:
7КД66-2
Примечание - Допускается принимать обозначение марок колонн в соответствии с рабочими чертежами на эти колонны до их пересмотра в соответствии с [1] - [5].
- фахверковой колонны типа КФТ, для зданий высотой 6 м, со стропильными конструкциями высотой 900 мм, размерами поперечного сечения 300 x 400 мм, первой группы по несущей способности колонны, изготовленной из бетона нормальной проницаемости (Н) и предназначенной для применения в условиях воздействия слабоагрессивной газообразной среды:
1КФ69(9)-1-Н
5.1 Приемку колонн проводят по ГОСТ 13015, ГОСТ 25628.1 и настоящему стандарту.
5.2 Колонны типов КБ, КО, КД, КФ и КФТ длиной до 12000 мм включительно следует принимать на основании результатов выборочного контроля по показателям точности геометрических параметров, толщине защитного слоя бетона до арматуры, категории бетонной поверхности и ширине раскрытия поверхностных технологических трещин.
5.3 Колонны типа КДФ, а также типов КБ, КО, КД, КФ и КФТ длиной более 12000 мм следует принимать на основании результатов сплошного контроля по показателям, приведенным в 5.2.
Размеры, отклонения от прямолинейности и перпендикулярности, ширину раскрытия поверхностных технологических трещин, размеры раковин, наплывов и околов бетона колонн следует проверять методами, установленными ГОСТ 26433.0 и ГОСТ 26433.1.
7.1 Транспортирование и хранение колонн следует осуществлять в горизонтальном положении в соответствии с требованиями настоящего стандарта, ГОСТ 13015 и ГОСТ 25628.1.
7.2 Выбор транспортных средств проводят на стадии разработки проекта производства работ (ППР) с учетом массы и размеров колонн, дальности перевозки, дорожных условий и уточняют расчетом места расположения прокладок.
7.3 Доставка колонн на строительную площадку осуществляется железнодорожным или автомобильным транспортом. При доставке железнодорожным транспортом разгрузку изделий проводят на прирельсовый склад, где осуществляются первичный входной контроль и сортировка колонн по маркам с последующей подачей (по потребности) на приобъектный склад.
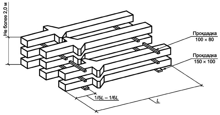
7.4 При перевозке железнодорожными платформами колонны размещают в 3 - 4 ряда по высоте. Горизонтальные прокладки между рядами располагают от торцов на расстоянии 1/4 - 1/5 длины колонны (см. рисунки 1 - 3). Крепление проводят с помощью стоек, скрепленных с нижним и верхним поперечными брусками. Нижний брусок, кроме того, прибивают к полу платформы. Стойки закрепляют двумя парами растяжек из проволоки диаметром 6 мм в шесть нитей.

Рисунок 1 - Схема перевозки колонн длиной до 14, 2 м на платформах

Рисунок 2 - Схема перевозки колонн длиной до 14, 2 м на платформах

Рисунок 3 - Схема перевозки колонн длиной 6, 5 - 9, 5 м в полувагонах
7.5 Автомобильный транспорт используют при перевозках на расстояния до 500 км. Для перевозки колонн используют специализированные автотранспортные средства.
Примечания
1 Наибольшее распространение получили автопоезда, состоящие из седельного тягача и специализированного полуприцепа.
2 По погрузочной высоте (расстояние от плоскости, по которой осуществляется опирание перевозимого груза, до уровня земли) полуприцепы подразделяются на три типа: высокорамные, погрузочная высота которых больше высоты расположения седельно-сцепного устройства и больше диаметра колес полуприцепа; низкорамные, погрузочная высота которых меньше высоты расположения седельно-сцепного устройства и меньше диаметра колес полуприцепа; полунизкорамные, погрузочная высота которых меньше высоты расположения седельно-сцепного устройства, но больше диаметра колес полуприцепа.
Перевозку колонн на большие расстояния рекомендуется проводить в специально смонтированных контейнерах. При их отсутствии крепление колонн проводят с помощью специальных приспособлений (см. 7.4).
7.6 Высота штабеля колонн при хранении не должна превышать ширину штабеля более чем в два раза и быть более 2000 мм, ширина прохода между рядами штабелей должна быть не менее 1 м.
7.7 При хранении колонны следует укладывать на инвентарные подкладки из дерева, располагаемые в зонах сортировки, как показано на рисунке 4.

Рисунок 4 - Схема хранения колонн
7.8 Толщину и ширину прокладки назначают с учетом прочности древесины на смятие и значения зазора между конструкциями.
7.9 Ширину прокладки назначают с учетом прочности древесины на смятие. Толщина прокладки должна обеспечивать наличие зазора от верха монтажной петли не менее 20 мм.
7.10 Подъем колонн следует осуществлять с применением специальных траверс с захватом за строповочные отверстия или монтажные петли.
Приложение А
(рекомендуемое)
Форма и основные размеры колонн приведены:
- сплошного прямоугольного поперечного сечения для одноэтажных производственных зданий [1], [2], [3] - на рисунке А.1 и в таблице А.1 - А.3;
- сплошного прямоугольного поперечного сечения для продольного и торцевого фахверка одноэтажных производственных зданий [4] - на рисунке А.2 и в таблице А.4.
- сквозного (двухветвевые) прямоугольного поперечного сечения для продольного и торцевого фахверка одноэтажных производственных зданий [5] - на рисунке А.3 и в таблице А.5.
|
Высота здания, м |
Типоразмер колонны* |
Основные размеры колонны, мм |
Рисунок | ||
|
l |
b |
h | |||
|
3, 0 |
1КБ30 (1К30) |
3800 |
300 |
300 |
А.1 |
|
1КД30 (2К30) | |||||
|
3, 6 |
1КБ36 (1К36) |
4400 | |||
|
1КД36 (2К36) | |||||
|
4, 2 |
1КБ42 (1К42) |
5000 | |||
|
1КД42 (2К42) | |||||
|
4, 8 |
1КБ48 (1К48) |
5600 | |||
|
2КБ48 (2К48) |
400 | ||||
|
1КО48 (3К48) |
5700 |
400 |
500 | ||
|
1КД48 (4К48) |
5600 |
300 |
300 | ||
|
2КД48 (5К48) |
400 | ||||
|
7КД48 (6К48) |
5700 |
500 |
500 | ||
|
7КД48 (7К48) |
5100 (5000) | ||||
|
5, 4 |
1КБ54 (1К54) |
6200 |
300 |
300 | |
|
1КД54 (2К54) | |||||
|
6, 0 |
2КБ60 (1К60) |
6800 |
400 | ||
|
6, 0 |
3КБ60 (3К60) |
6900 |
400 | ||
|
1КО60 (4К60) |
500 | ||||
|
2КДО (5К60) |
6800 |
300 |
400 | ||
|
3КД60 (6К60) |
6900 |
400 | |||
|
7КД60 (7К60) |
500 |
500 | |||
|
7КД60 (8К60) |
6300 (6200) | ||||
|
6, 6 |
2КБ66 (1К66) |
7400 |
300 |
400 | |
|
3КБ66 (2К66) |
7500 |
400 | |||
|
1КО66 (3К66) |
500 | ||||
|
2КД66 (4К66) |
7400 |
300 |
400 | ||
|
3КД66 (5К66) |
7500 |
400 | |||
|
7КД66 (6К66) |
500 |
500 | |||
|
7КД66 (7К66) |
6900 (6800) | ||||
|
7, 2 |
3КБ72 (1К72) |
8100 |
400 |
400 | |
|
8КБ72 (2К72) |
500 |
500 | |||
|
2КО72 (3К72) | |||||
|
3КД72 (4К72) |
400 |
400 | |||
|
7КД72 (5К72) |
500 |
500 | |||
|
7КД72 (6К72) |
7500 (7400) | ||||
|
7, 8 |
3КБ78 (1К78) |
8700 |
400 |
400 | |
|
8КБ78 (2К78) |
500 |
500 | |||
|
2КО78 (3К78) | |||||
|
3КД78 (4К78) |
400 |
400 | |||
|
7КД78 (5К78) |
500 |
500 | |||
|
7КД78 (6К78) |
8100 (8000) | ||||
|
8, 4 |
3КБ84 (1К84) |
9300 |
400 |
400 | |
|
4КБ84 (2К84) |
500 | ||||
|
8КБ84 (3К84) |
500 | ||||
|
2КО84 (4К84) |
9300 | ||||
|
4КД84 (5К84) |
400 | ||||
|
9КБ84 (6К84) |
500 |
600 | |||
|
7КД84 (7К84) |
8700 (8600) |
500 | |||
|
9КБ84 (8К84) |
600 | ||||
|
7КД84 (9К84) |
9300 |
500 | |||
|
9, 6 |
3КБ96 (1К96) |
10500 |
400 |
400 | |
|
4КБ96 (2К96) |
500 | ||||
|
8КБ96 (3К96) |
500 | ||||
|
9КБ96 (4К96) |
600 | ||||
|
9КБ96 (5К96) | |||||
|
9КБ96 (6К96) | |||||
|
2КО96 (7К96) |
500 | ||||
|
7КД96 (8К96) | |||||
|
9КБ96 (9К96) |
9900 (9800) |
600 | |||
|
* В числителе указан типоразмер колонны по настоящему стандарту, в знаменателе - по [1]. | |||||
|
Высота здания, м |
Типоразмер колонны* |
Основные размеры колонны, мм |
Рисунок | ||
|
l |
b |
h | |||
|
10, 8 |
4КБ108 (1К108) |
11700 |
400 |
500 |
А.1 |
|
6КБ108 (2К108) |
11850 |
700 | |||
|
5КД108 (3К108) |
11250 (11150) | ||||
|
12, 0 |
4КБ120 (1К120) |
12900 |
500 | ||
|
6КБ120 (2К120) |
13050 |
700 | |||
|
5КД120 (3К120) |
12450 (12350) | ||||
|
13, 2 |
5КБ132 (1К132) |
14100 |
600 | ||
|
7КБ132 (2К132) |
14250 |
800 | |||
|
6КД132 (3К132) |
13650 (13550) | ||||
|
14, 4 |
5КБ144 (1К144) |
15300 |
600 | ||
|
7КБ144 (2К144) |
15450 |
800 | |||
|
6КД144 (3К144) |
14850 (14750) | ||||
|
* В числителе указан типоразмер колонны по настоящему стандарту, в знаменателе - по [2]. | |||||
|
Высота здания, м |
Типоразмер колонны* |
Основные размеры колонны, мм |
Рисунок | ||
|
l |
b |
h | |||
|
2, 4 |
10КБ33 (1К33) |
3300 |
200 |
200 |
А.1 |
|
1КБ33 (2К33) |
300 |
300 | |||
|
8КД33 (3К33) |
200 |
200 | |||
|
1КД33 (4К33) |
300 |
300 | |||
|
2, 4; 2, 7 |
10КБ36 (1К36) |
3600 |
200 |
200 | |
|
1КБ36 (2К36) |
300 |
300 | |||
|
8КД36 (3К36) |
200 |
200 | |||
|
1КД36 (4К36) |
300 |
300 | |||
|
2, 4; 2, 7; 3, 0 |
10КБ39 (1К39) |
3900 |
200 |
200 | |
|
1КБ39 (2К39) |
300 |
300 | |||
|
8КД39 (3К39) |
200 |
200 | |||
|
1КД39 (4К39) |
300 |
300 | |||
|
2, 7; 3, 0 |
1КБ42 (1К42) |
4200 | |||
|
1КД42 (2К42) | |||||
|
3, 0; 3, 6 |
1КБ45 (1К45) |
4500 | |||
|
3КБ45 (2К45) |
400 |
400 | |||
|
1КД45 (3К45) |
300 |
300 | |||
|
3, 6 |
3КД45 (4К45) |
4500 |
400 |
400 | |
|
1КБ48 (1К48) |
4800 |
300 |
300 | ||
|
1КД48 (2К48) | |||||
|
1КБ51 (1К51) |
5100 | ||||
|
2, 4; 2, 7; 3, 6 |
1КД51 (2К51) |
5100 | |||
|
2, 4; 2, 7; 3, 0 |
1КД54 (1К54) |
5400 | |||
|
4, 8 |
1КБ57 (1К57) |
5700 | |||
|
3КБ57 (2К57) |
400 |
400 | |||
|
8КБ57 (3К57) |
500 |
500 | |||
|
2, 7; 3, 0; 4, 8 |
1КД57 (4К57) |
5700 |
300 |
300 | |
|
4, 8 |
3КД57 (5К57) |
5700 |
400 |
400 | |
|
1КБ60 (1К60) |
6000 |
300 |
300 | ||
|
3, 0; 4, 8 |
1КД60 (2К60) |
600 | |||
|
4, 8 |
1КБ63 (1К63) |
6300 | |||
|
1КД63 (2К63) | |||||
|
6, 0 |
3КБ69 (1К69) |
6900 |
400 |
400 | |
|
8КБ69 (2К69) |
500 |
500 | |||
|
3КД69 (3К69) |
400 |
400 | |||
|
3КБ81 (1К81) |
8100 | ||||
|
7, 2 |
8КБ81 (2К81) |
500 |
500 | ||
|
3КД81 (3К81) |
400 |
400 | |||
|
* В числителе указан типоразмер колонны по настоящему стандарту, в знаменателе - по [3]. | |||||

Рисунок А.1
|
Высота здания, м |
Типоразмер колонны* |
Основные размеры колонны, мм |
Рисунок | ||||
|
l |
l1 |
b |
h |
h1 | |||
|
3, 0 |
1КФ37 |
3700 |
- |
300 |
300 |
- |
А.2 |
|
1КФ40 |
4000 | ||||||
|
3, 0; 3, 6 |
1КФ43 |
4300 | |||||
|
3, 6 |
1КФ46 |
4600 | |||||
|
3, 6; 4, 2; 4, 8 |
1КФ49 |
4900 | |||||
|
4, 2 |
1КФ52 |
5200 | |||||
|
4, 2; 4, 8 |
1КФ55 |
5500 | |||||
|
4, 8 |
1КФ57 |
5700 | |||||
|
1КФ58 |
5800 | ||||||
|
4, 8; 5, 4; 6, 0 |
1КФ61 |
6100 | |||||
|
5, 4 |
1КФ64 |
6400 | |||||
|
5, 4; 6, 0; 6, 6 |
1КФ67 |
6700 |
- |
- | |||
|
6, 0 |
2КФ69 |
6900 |
400 | ||||
|
6, 6 |
2КФ75 |
7500 | |||||
|
7, 2 |
2КФ73 |
7300 | |||||
|
2КФ81 |
8100 | ||||||
|
7, 8 |
2КФ79 |
7900 | |||||
|
2КФ87 |
8700 | ||||||
|
8, 4 |
1КФ85 |
8500 |
300 | ||||
|
1КФ93 |
9300 | ||||||
|
2КФ85 |
8500 |
400 | |||||
|
3КФ93 |
9300 |
400 | |||||
|
9, 6 |
1КФ97 |
9700 |
300 |
300 | |||
|
1КФ105 |
10500 | ||||||
|
3КФ97 |
9700 |
400 |
400 | ||||
|
4КФ105 |
10500 | ||||||
|
2КФ109 |
10900 |
300 |
400 | ||||
|
2КФ117 |
11700 | ||||||
|
10, 8 |
4КФ109 |
10900 |
400 |
500 | |||
|
4КФ125 |
12500 | ||||||
|
3КФ121 |
12100 |
400 | |||||
|
3КФ129 |
12900 | ||||||
|
12, 0 |
4КФ121 |
12100 |
500 | ||||
|
4КФ137 |
13700 | ||||||
|
13, 2 |
3КФ133 |
13300 |
- |
400 |
- | ||
|
3КФ141 |
14100 | ||||||
|
4КФ133 |
13300 |
500 | |||||
|
5КФ149 |
14900 |
600 | |||||
|
14, 4 |
3КФ145 |
14500 |
400 | ||||
|
3КФ153 |
15300 | ||||||
|
5КФ145 |
14500 |
600 | |||||
|
5КФ161 |
16100 | ||||||
|
6, 0 |
1КФТ69(9) (1КФ69) |
6900 |
900 |
300 |
400 |
300 | |
|
4, 8; 6, 0 |
1КФТ70(22) (1КФ70) |
7000 |
2200 | ||||
|
4, 8; 6, 0; 6, 6 |
1КФТ73(25) (1КФ73) |
7300 |
2500 | ||||
|
6, 6 |
1КФТ85(9) (1КФ85) |
7500 |
900 | ||||
|
4, 8; 6, 6 |
1КФТ76(28) (1КФ76) |
7600 |
2800 | ||||
|
4, 8; 6, 6; 7, 2 |
1КФТ79(31) (1КФ79) |
7900 |
3100 | ||||
|
7, 2 |
1КФТ81(9) (1КФ81) |
8100 |
900 | ||||
|
6, 0; 7, 2 |
1КФТ82(22) (1КФ82) |
8200 |
2200 | ||||
|
6, 0; 7, 2; 7, 8 |
1КФТ85(25) (1КФ85) |
8500 |
2500 | ||||
|
7, 8 |
1КФТ87(9) (1КФ79) |
8700 |
900 | ||||
|
6, 0; 6, 6; 7, 8 |
1КФТ88(28) (1КФ88) |
8800 |
2800 | ||||
|
6, 0; 6, 6; 7, 8; 8, 4 |
1КФТ91(31) (1КФ91) |
9100 |
3100 | ||||
|
6, 6; 7, 2 |
2КФТ94(28) (1КФ94) |
9400 |
2800 |
400 | |||
|
6, 6; 7, 2; 8, 4 |
2КФТ97(31) (1КФ97) |
9700 |
3100 | ||||
|
7, 2; 7, 8 |
2КФТ100(28) (1КФ100) |
10000 |
2800 | ||||
|
7, 2; 7, 8; 9, 6 |
2КФТ103(31) (1КФ103) |
10300 |
3100 | ||||
|
7, 8; 8, 4 |
3КФТ106(28) (1КФ106) |
10600 |
2800 |
500 | |||
|
7, 8; 8, 4; 9, 6 |
3КФТ109(31) (1КФ109) |
10900 |
3100 | ||||
|
2КФТ93(9) (1КФ93) |
9300 |
900 |
400 | ||||
|
8, 4 |
3КФТ112(28) (2КФ112) |
11200 |
2800 |
500 | |||
|
3КФТ115(31) (3КФ115) |
11500 |
3100 | |||||
|
9, 6 |
3КФТ105(9) (1КФ105) |
10500 |
900 | ||||
|
3КФТ118(22) (2КФ118) |
11800 |
2200 | |||||
|
9, 6 |
3КФТ124(28) (3КФ124) |
12400 |
2800 | ||||
|
3КФТ127(31) (3КФ127) |
12700 |
3100 | |||||
|
9, 6; 10, 8 |
3КФТ121(25) (3КФ121) |
12100 |
2500 | ||||
|
1КФТ117(9) (1КФ117) |
11700 |
900 |
300 |
400 | |||
|
3КФТ125(9) (3КФ125) |
12500 |
900 |
400 |
500 | |||
|
10, 8 |
3КФТ130(22) (3КФ130) |
13000 |
2200 | ||||
|
3КФТ136(28) (3КФ136) |
13600 |
2800 | |||||
|
3КФТ139(31) (4КФ139) |
13900 |
3100 | |||||
|
10, 8; 12, 0 |
3КФТ133(25) (1КФ139) |
13300 |
2500 | ||||
|
2КФТ129(9) (1КФ129) |
12900 |
900 |
400 | ||||
|
3КФТ137(9) (2КФ137) |
13700 |
900 |
500 | ||||
|
12, 0 |
4КФТ142(22) (3КФ142) |
14200 |
2200 |
600 | |||
|
4КФТ148(28) (4КФ148) |
14800 |
2800 | |||||
|
4КФТ151(31) (5КФ151) |
15100 |
3100 | |||||
|
12, 0; 13, 2 |
4КФТ145(25) (1КФ145) |
14500 |
2500 | ||||
|
2КФТ149(9) (1КФ141) |
14100 |
900 |
400 | ||||
|
4КФТ149(9) (2КФ149) |
14900 |
900 |
600 | ||||
|
13, 2 |
4КФТ154(22) (3КФ154) |
15400 |
2200 | ||||
|
4КФТ160(28) (4КФ160) |
16000 |
2800 | |||||
|
4КФТ163(31) (5КФ163) |
16300 |
3100 | |||||
|
13, 2: 14, 4 |
4КФТ157(25) (1КФ157) |
15700 |
2500 | ||||
|
2КФТ153(9) (1КФ153) |
15300 |
900 |
400 | ||||
|
4КФТ161(9) (2КФ161) |
16100 |
900 |
600 | ||||
|
14, 4 |
4КФТ166(22) (3КФ166) |
16600 |
2200 | ||||
|
4КФТ169(25) (4КФ169) |
16900 |
2500 | |||||
|
4КФТ172(28) (4КФ172) |
17200 |
2800 | |||||
|
4КФТ175(31) (4КФ175) |
17500 |
3100 | |||||
|
* В числителе указан типоразмер колонны по настоящему стандарту, в знаменателе - по [4] | |||||||

Рисунок А.2
|
Высота здания, м |
Типоразмер колонны по настоящему стандарту [5] |
Основные размеры колонны, мм |
Рисунок | |||||
|
l |
l1 |
b |
h |
h1 |
h2 | |||
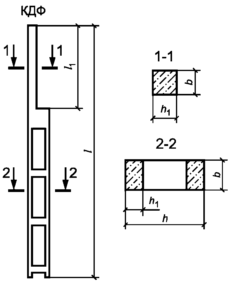
|
15, 6 |
1КДФ156(51) |
16800 |
5100 |
500 |
1400 |
600 |
200 |
А.3 |
|
16, 8 |
1КДФ168(51) |
18000 | ||||||
|
18, 0 |
1КДФ180(51) |
19200 | ||||||

Рисунок А.3
Библиография
|
[1] |
Серия 1.423.1-3/88 |
Колонны железобетонные прямоугольного сечения для одноэтажных производственных зданий высотой до 9, 6 м без мостовых опорных кранов |
|
[2] |
Серия 1.423.1-5/88 |
Колонны железобетонные прямоугольного сечения для одноэтажных производственных зданий высотой 10, 8; 12, 0; 13, 2 и 14, 4 м без мостовых опорных кранов |
|
[3] |
Серия 1.823.1-2 |
Колонны железобетонные для сельскохозяйственных производственных зданий |
|
[4] |
Серия 1.427.1-3 |
Колонны железобетонные прямоугольного сечения для продольного и торцевого фахверка одноэтажных производственных зданий высотой 3, 0 - 14, 4 м |
|
[5] |
Серия 1.427.1-6 |
Колонны железобетонные двухветвевого сечения для продольного и торцевого фахверков одноэтажных производственных зданий высотой 15, 6; 16, 8 и 18, 0 м |


