электронный сборник нормативных документов по строительству
Обновления
24.04.2026 23:27
электронный сборник нормативных документов по строительству

ГОСТ 24741-2016 УЗЕЛ КРЕПЛЕНИЯ КРАНОВЫХ РЕЛЬСОВ К СТАЛЬНЫМ ПОДКРАНОВЫМ БАЛКАМ. ТЕХНИЧЕСКИЕ УСЛОВИЯ

Введен в действие приказом Федерального агентства по техническому регулированию и метрологии от 26 сентября 2016 г. N 1214-ст
Межгосударственный стандарт ГОСТ 24741-2016
"УЗЕЛ КРЕПЛЕНИЯ КРАНОВЫХ РЕЛЬСОВ К СТАЛЬНЫМ ПОДКРАНОВЫМ БАЛКАМ. ТЕХНИЧЕСКИЕ УСЛОВИЯ"

Connection joint of crane rails to steel crane girders. Specifications

Дата введения - 1 марта 2017 г.

Взамен ГОСТ 24741-81

Предисловие

Цели, основные принципы и основной порядок проведения работ по межгосударственной стандартизации установлены ГОСТ 1.0-2015 "Межгосударственная система стандартизации. Основные положения" и ГОСТ 1.2-2015 "Межгосударственная система стандартизации. Стандарты межгосударственные, правила и рекомендации по межгосударственной стандартизации. Правила разработки, принятия, обновления и отмены"

Сведения о стандарте

1 Разработан Закрытым акционерным обществом "Центральный ордена Трудового Красного Знамени научно-исследовательский и проектный институт строительных металлоконструкций им. Н.П. Мельникова" (ЗАО "ЦНИИПСК им. Н.П. Мельникова")

2 Внесен Техническим комитетом по стандартизации ТК 465 "Строительство"

3 Принят Межгосударственным советом по стандартизации, метрологии и сертификации (протокол от 28 июня 2016 г. N 49)

За принятие проголосовали:

Краткое наименование страны по МК (ИСО 3166) 004-97

Код страны по МК (ИСО 3166) 004-97

Сокращенное наименование национального органа по стандартизации

Армения

Беларусь

Казахстан

Киргизия

Россия

AM

BY

KZ

KG

RU

Минэкономики Республики Армения Госстандарт Республики Беларусь Госстандарт Республики Казахстан Кыргызстандарт

Росстандарт

4 Приказом Федерального агентства по техническому регулированию и метрологии от 26 сентября 2016 г. N 1214-ст межгосударственный стандарт ГОСТ 24741-2016 введен в действие в качестве национального стандарта Российской Федерации с 1 марта 2017 г.

5 взамен ГОСТ 24741-81

1 Область применения

Настоящий стандарт распространяется на узел крепления крановых рельсов по ГОСТ 4121 к стальным подкрановым балкам под мостовые электрические краны общего назначения легкого, среднего и тяжелого режимов работы, применяемые в зданиях и на открытых крановых эстакадах с расчетной сейсмичностью до 9 баллов включительно и эксплуатируемые при температуре не выше плюс 100°С и не ниже минус 60°С.

2 Нормативные ссылки

В настоящем стандарте использованы нормативные ссылки на следующие межгосударственные стандарты:

ГОСТ 166-89 (ИСО 3599-76) Штангенциркули. Технические условия

ГОСТ 427-75 Линейки измерительные металлические. Технические условия

ГОСТ 535-2005 Прокат сортовой и фасонный из стали углеродистой обыкновенного качества. Общие технические условия

ГОСТ 1759.4-87 (ИСО 898-1-78)*(1) Болты, винты и шпильки. Механические свойства и методы испытаний

ГОСТ 2991-85 Ящики дощатые неразборные для грузов массой до 500 кг. Общие технические условия

ГОСТ 4121-96 Рельсы крановые. Технические условия

ГОСТ 5915-70 Гайки шестригранные класса точности В. Конструкция и размеры

ГОСТ 7798-70*(2) Болты с шестигранной головкой класса точности В. Конструкция и размеры

ГОСТ 9378-93 (ИСО 2632-1-85, ИСО 2632-2-85) Образцы шероховатости поверхности (сравнения). Общие технические условия

ГОСТ 9467-75 Электроды покрытые металлические для ручной дуговой сварки конструкционных и теплоустойчивых сталей. Типы

ГОСТ 11371-78 Шайбы. Технические условия

ГОСТ 14192-96 Маркировка грузов

ГОСТ 18123-82*(3) Шайбы. Общие технические условия

ГОСТ 23118-2012 Конструкции стальные строительные. Общие технические условия

ГОСТ 24379.1-2012 Болты фундаментные. Конструкция и размеры.

ГОСТ 25347-82 Основные нормы взаимозаменяемости. Единая система допусков и посадок. Поля допусков и рекомендуемые посадки

ГОСТ 27017-86 Изделия крепежные. Термины и определения

ГОСТ 27772-88 Прокат для строительных стальных конструкций. Общие технические условия

Примечание - При пользовании настоящим стандартом целесообразно проверить действие ссылочных стандартов в информационной системе общего пользования - на официальном сайте Федерального агентства по техническому регулированию и метрологии в сети Интернет или ежегодному информационному указателю "Национальные стандарты", который опубликован по состоянию на 1 января текущего года, и по выпускам ежемесячного информационного указателя "Национальные стандарты" за текущий год. Если ссылочный стандарт заменен (изменен), то при пользовании настоящим стандартом следует руководствоваться заменяющим (измененным) стандартом. Если ссылочный стандарт отменен без замены, то положение, в котором дана ссылка на него, применяется в части, не затрагивающей эту ссылку.

3 Термины и определения

В настоящем стандарте применены термины и определения по ГОСТ 27017, ГОСТ 24379.1.

4 Конструкция и размеры

4.1 Конструкция узла крепления должна соответствовать указанной на рисунке 1.

4.2 Марка узла крепления в зависимости от типа кранового рельса и расчетной температуры наружного воздуха района строительства (далее - расчетная температура), расстояние от оси подкрановой балки до оси узла крепления (А), а также обозначения деталей должны соответствовать указанным в таблице 1.

image001.jpg

Рисунок 1

Таблица 1

Марка

узла

крепления

Тип

кранового

рельса

Расстояние

от оси подкрановой балки до оси

узла

крепления А,

мм

Деталь

Расчетная

температура

t, °С

Планка упорная

Планка прижимная

Болт

Гайка

Шайба

70

КР70

95

У1

П1

М24 × l.56

М24.5

24.02 ГОСТ 11371 ГОСТ 18123

t ≥-45 и выше

80

КР80

100

П2

ГОСТ 7798

ГОСТ 5915

100

КР100

110

У2

П1

М24 ×l.56 ГОСТ 7798

М24.5 ГОСТ 5915

24.02 ГОСТ 11371 ГОСТ 18123

t ≥-45 и выше

120

КР120

120

У3

70ХЛ

КР70

95

У1ХЛ

П1ХЛ

М24 ×l.88 ГОСТ 7798

М24.8 ГОСТ 5915

-45>t≥-55;

t≤-55

80ХЛ

КР80

100

П2ХЛ

100ХЛ

КР100

110

У2ХЛ

П1ХЛ

120ХЛ

КР120

120

У3ХЛ

Примечание - Длину болта l следует принимать:

(80 + б) мм - для крепления рельсов типов КР70, КР80, КР100;

(85 + б) мм " " " типа КР120,

где 80 и 85 - сумма толщин планок с учетом возможного наклонного положения прижимной планки, шайбы, гаек и выступающей части болта; б - толщина верхнего пояса подкрановой балки, мм, при этом следует учитывать размеры длин, указанные в стандартах на болты.

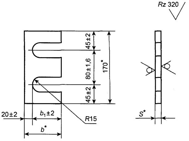
4.3 Конструкция и размеры упорных планок должны соответствовать указанным на рисунке 2 и в таблице 2.

image002.jpg

Рисунок 2

Таблица 2

Размеры в миллиметрах

Обозначение планки

b

b1

S

Масса, кг

У1; У1ХЛ

85

65

8

0, 9

У2; У2ХЛ

10

1, 1

У3; У3ХЛ

12

1, 4

Пример условного обозначения упорной планки У1 для расчетной температуры

минус 45°С и выше:

Планка У1 ГОСТ 24741-2016

То же, для расчетной температуры ниже минус 45 до минус 55°С:

Планка У1 ХЛ ГОСТ 24741-2016

4.4 Конструкция и размеры прижимных планок должны соответствовать указанным на рисунке 3 и в таблице 3.

image003.jpg

Рисунок 3

Таблица 3

Размеры в миллиметрах

Обозначение планки

b

b1

b2

Масса, кг

П1; П1ХЛ

П2; П2ХЛ

125

115

55

50

70

65

2, 4

2, 2

Пример условного обозначения прижимной планки П1 исполнения 1 для

расчетной температуры минус 45°С и выше:

Планка П1 ГОСТ 24741-2016

То же, исполнения 2 для расчетной температуры ниже минус 45°С до

минус 55°С:

Планка П2 ХЛ ГОСТ 24741-2016

Пример условного обозначения узла крепления марки 70 с прижимной

планкой исполнения 1 для расчетной температуры минус 45°С и выше:

Крепление 70 ГОСТ 24741-2016

То же, исполнения 2 для расчетной температуры ниже минус 45°С

до минус 55°С:

Крепление 70ХЛ-2 ГОСТ 24741-2016

5 Технические требования

5.1 Упорные и прижимные планки следует изготовлять в соответствии с требованиями настоящего стандарта и ГОСТ 23118 по рабочим деталировочным чертежам (КМД)*(4), утвержденным в установленном порядке.

5.2 Прижимные и упорные планки следует изготовлять из углеродистой стали следующих марок, указанных в таблице 4.

Таблица 4

Марки стали по

Условия применения стали при расчетной температуре t, °С

ГОСТ 27772

ГОСТ 535

t ≥-45

-45>t ≥-55

t≤-55

С235

Ст3кп2

+

-

-

С245

Ст3Гпс5,

Ст3пс5

+

+

-

С255

Ст3сп5

+

+

+

Примечание - Знак "+" означает, что данную сталь следует применять; знак "-" - данную сталь не следует применять.

5.3 Болты, предназначенные для эксплуатации при расчетной температуре минус 45°С и выше, должны быть испытаны на разрыв по ГОСТ 1759.4, при расчетной температуре ниже минус 45°С до минус 55°С и минус 55°С и ниже дополнительно испытаны на разрыв на косой шайбе и ударную вязкость по ГОСТ 1759.4.

5.4 Предельные отклонения линейных размеров от номинальных, а также шероховатость поверхностей планок должны соответствовать указанным на рисунках 2 и 3.

5.5 Предельные отклонения диаметров отверстий прижимных планок от номинальных - по ГОСТ 25347.

5.6 Комплектность

Детали узлов крепления крановых рельсов должны поставляться предприятием-изготовителем комплектно.

В состав комплекта должны входить:

- детали в соответствии с таблицей 5;

- техническая документация в соответствии с требованиями ГОСТ 23118.

Примечание - Допускается по согласованию между предприятием-изготовителем и потребителем поставлять упорные и прижимные планки отдельно от болтов, гаек и шайб.

Таблица 5

Марка узла крепления

Упорная планка

Прижимная планка

Болт

Гайка

Шайба

Обозначение

Число

Обозначение

Число

Число

70

У1

1

П1

1

2

4

2

80

П2

100

У2

П1

120

У3

70ХЛ

У1ХЛ

П1ХЛ

80ХЛ

П2ХЛ

100ХЛ

У2ХЛ

П1ХЛ

120ХЛ

У3ХЛ

5.7 Упаковка

Упорные и прижимные планки должны быть упакованы раздельно в деревянные ящики по ГОСТ 2991 или в тару, изготовленную предприятием-изготовителем по документации, утвержденной в установленном порядке.

5.8 Маркировка

Правила маркировки тары с планками должны соответствовать установленным ГОСТ 14192. Маркировка должна содержать следующие маркировочные знаки:

- наименование или товарный знак предприятия-изготовителя;

- условное обозначение марки узла крепления;

- условное обозначение планки (без обозначения стандарта);

- номер партии;

- количество деталей;

- штамп ОТК;

- масса брутто.

6 Правила приемки

6.1 Упорные и прижимные планки должны быть приняты техническим контролем предприятия-изготовителя

6.2 Приемку планок проводят партиями. В состав партии должны входить планки одинакового обозначения, изготовленные по одной технологии. Размер партии планок устанавливается по соглашению между потребителем и предприятием-изготовителем и не должен превышать 1000 шт.

6.3 Для выборочной проверки линейных размеров и шероховатости поверхностей планок от каждой партии отбирают 5% планок, но не менее 5 шт. Если при проверке отобранных планок окажется хотя бы одно изделие, не удовлетворяющее требованиям настоящего стандарта по одному из показателей, проводят повторную проверку по этому показателю на удвоенном количестве образцов, отобранных от той же партии. В случае неудовлетворительных результатов повторной проверки партия планок бракуется.

6.4 Потребитель имеет право проводить контроль качества планок, соблюдая при этом правила приемки и применяя методы контроля, установленные настоящим стандартом.

7 Методы контроля

7.1 Контроль линейных размеров планок следует проводить металлической измерительной линейкой по ГОСТ 427 и штангенциркулем по ГОСТ 166.

7.2 Шероховатость поверхностей планок следует проверять методом сравнения их с образцами шероховатости по ГОСТ 9378.

8 Транспортирование и хранение

8.1 Транспортирование планок допускается любым видом транспорта при условии защиты их от загрязнения и механического повреждения.

8.2 При хранении тара с планками должна быть защищена от загрязнения и попадания атмосферных осадков.

9 Указания по монтажу

9.1 Монтаж деталей узла крепления крановых рельсов следует проводить в соответствии с монтажными схемами подкрановых путей, утвержденными в установленном порядке, и требованиями ГОСТ 23118.

Таблица 6

Расчетная температура t, °C

Тип электрода по ГОСТ 9467

t≥-45

Э42, Э42А, Э46

--45>t ≥-55

Э46, Э46А

t<-55

Э42А, Э46А

9.2 Монтажную сварку планок следует проводить после рихтовки рельсов. Толщина сварного шва - 6 мм.

9.3 Тип электродов должен соответствовать указанному в таблице 6.

9.4 Детали узлов крепления после окончания монтажных работ должны быть очищены, зашпатлеваны, огрунтованы и окрашены, при этом материал лакокрасочного покрытия должен соответствовать материалу покрытия подкрановых балок.

_____________________________

*(1) В Российской Федерации действует ГОСТ Р ИСО 898-1-2011 "Механические свойства крепежных изделий из углеродистых и легированных сталей. Часть 1. Болты, винты и шпильки установленных классов прочности с крупным и мелким шагом резьбы".

*(2) В Российской Федерации действует ГОСТ Р ИСО 4014-2013 "Болты с шестигранной головкой. Классы точности А и В".

*(3) В Российской Федерации действует также ГОСТ Р ИСО 4759-3-2009 "Изделия крепежные. Допуски. Часть 3. Плоские круглые шайбы для болтов, винтов и гаек. Классы точности A и C".

*(4) Конструкции металлические деталировочные.

Яндекс.Метрика