Введен в действие приказом Федерального агентства по техническому регулированию и метрологии от 22 ноября 2013 г. N 2038-ст
Межгосударственный стандарт ГОСТ 24701-2013
"ТОРФ. МЕТОДЫ ОПРЕДЕЛЕНИЯ ПЛОТНОСТИ"
Peat. Methods for the determination of density
Дата введения - 1 января 2015 г.
Взамен ГОСТ 24701-81
Предисловие
Цели, основные принципы и основной порядок проведения работ по межгосударственной стандартизации установлены ГОСТ 1.0-92 "Межгосударственная система стандартизации. Основные положения" и ГОСТ 1.2-2009 "Межгосударственная система стандартизации. Стандарты межгосударственные, правила и рекомендации по межгосударственной стандартизации. Порядок разработки, принятия, применения, обновления и отмены"
Сведения о стандарте
1 Разработан Техническим комитетом по стандартизации ТК 374 "Торф и торфяная продукция", Открытым акционерным обществом "Всероссийский научно-исследовательский институт торфяной промышленности" (ОАО "ВНИИТП")
2 Внесен Федеральным агентством по техническому регулированию и метрологии
3 Принят Межгосударственным советом по стандартизации, метрологии и сертификации (протокол от 14 ноября 2013 г. N 44-2013, приложение N 24 доп)
За принятие проголосовали:
|
Краткое наименование страны по МК (ИСО 3166) 004-97
|
Код страны по МК (ИСО3166) 004-97
|
Сокращенное наименование национального органа по стандартизации
|
|
Беларусь
Киргизия
Россия
Узбекистан
|
BY
KG
RU
UZ
|
Госстандарт Республики Беларусь
Кыргызстандарт
Росстандарт
Узстандарт
|
4 Приказом Федерального агентства по техническому регулированию и метрологии от 22 ноября 2013 г. N 2038-ст межгосударственный стандарт ГОСТ 24701-2013 введен в действие в качестве национального стандарта Российской Федерации с 1 января 2015 г.
5 Взамен ГОСТ 24701-81
1 Область применения
Настоящий стандарт распространяется на фрезерный торф и рассыпную торфяную продукцию и устанавливает метод определения плотности торфа в процессе его добычи и торфяной продукции в процессе ее производства.
Стандарт не распространяется на фрезерный торф в штабелях.
2 Нормативные ссылки
В настоящем стандарте использованы нормативные ссылки на следующие межгосударственные стандарты:
ГОСТ 9.032-74 Единая система защиты от коррозии и старения. Покрытия лакокрасочные. Группы, технические требования и обозначения
ГОСТ 12.1.004-91 Система стандартов безопасности труда. Пожарная безопасность. Общие требования
ГОСТ 12.1.005-88 Система стандартов безопасности труда. Общие санитарно-гигиенические требования к воздуху рабочей зоны
ГОСТ 12.1.008-76 Система стандартов безопасности труда. Биологическая безопасность
ГОСТ 12.3.009-76 Система стандартов безопасности труда. Работы погрузочно-разгрузочные. Общие требования безопасности
ГОСТ 3916.2-96 Фанера общего назначения с наружными слоями из шпона хвойных пород. Технические условия
ГОСТ 5336-80 Сетки стальные плетеные одинарные. Технические условия
ГОСТ 5396-77* Торф. Методы отбора проб
ГОСТ 6727-80 Проволока из низкоуглеродистой стали холоднотянутая для армирования железобетонных конструкций. Технические условия
ГОСТ 9825-73 Материалы лакокрасочные. Термины, определения и обозначения
ГОСТ 11305-2013 Торф и продукты его переработки. Методы определения влаги
ГОСТ 18143-72 Проволока из высоколегированной коррозионностойкой и жаростойкой стали. Технические условия
ГОСТ 21123-85 Торф. Термины и определения
Примечание - При пользовании настоящим стандартом целесообразно проверить действие ссылочных стандартов по указателю "Национальные стандарты", составленному по состоянию на 1 января текущего года, и по соответствующим информационным указателям, опубликованным в текущем году. Если ссылочный стандарт заменен (изменен), то при пользовании настоящим стандартом, следует руководствоваться заменяющим (измененным) стандартом. Если ссылочный стандарт отменен без замены, то положение, в котором дана ссылка на него, применяется в части, не затрагивающей эту ссылку.
3 Термины и определения
В настоящем стандарте применяются термины и определения, установленные в ГОСТ 21123.
4 Метод определения плотности при добыче торфа
4.1 Отбор проб
Отбор торфа для проведения испытания производится в шести сечениях навала (при уборке бункерными машинами) или валка (при уборке перевалочными машинами или методом раздельной уборки), равномерно расположенных по длине. В каждом сечении совковой лопатой или совком набирают ящик торфа из точек, равномерно распределенных по высоте.
4.2 Оборудование и материалы
Для проведения испытания применяют:
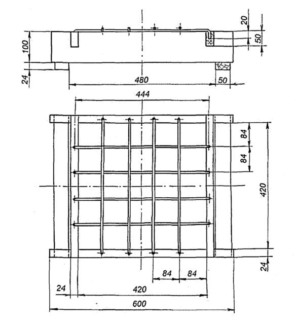
ящик мерный вместимостью 0,04 м3, собранный на гвоздях из фанеры любой марки толщиной 3 или 4 мм по ГОСТ 3916.2 и деревянных планок (рисунок 1) и покрытый в два слоя любой краской или эмалью 1-й группы по назначению по ГОСТ 9825 (класс покрытия VI по ГОСТ 9.032);
рамку деревянную, покрытую сеткой 80 - 80 - 4,0 по ГОСТ 5336.
Допускается изготовлять сетку из стальной проволоки диаметром 4 мм по ГОСТ 6727, или [1], или ГОСТ 18143 (рисунок 2);
"Рисунок 1 - Ящик мерный"
"Рисунок 2 - Рамка с сеткой"
весы с наибольшим пределом взвешивания 50 кг и погрешностью взвешивания ±0,05 кг;
лопату совковую или совок, обеспечивающую отбор торфа массой не менее 1 кг.
4.3 Проведение испытания
4.3.1 Порожний мерный ящик устанавливают на платформу весов и определяют его массу.
4.3.2. На верхнюю кромку снятого с весов ящика устанавливают рамку так, чтобы высокие борта рамки являлись продолжением стенок ящика, перпендикулярных ручкам. Затем совковой лопатой ящик наполняют торфом, при этом торф с лопаты ссыпают непосредственно на сетку. Посторонние включения, оставшиеся на сетке, удаляют.
4.3.3 Перемещением рамки вдоль ручек ящика торф, располагающийся выше верхней кромки, разравнивают, а излишек его снимают. Если после разравнивания ящик заполнен не полностью, операцию повторяют.
4.3.4 Рамку снимают, а ящик с торфом устанавливают на платформу весов и определяют его массу с торфом. Из трех точек, расположенных в верхнем, среднем и нижнем слоях по центру ящика, отбирают порции торфа объемом не менее 200 см3 каждая для определения массовой доли рабочей влаги по ГОСТ 11305. Подготовку пробы проводят по ГОСТ 5396. Затем ящик опоражнивают и тщательно очищают от остатков торфа.
4.3.5 Испытание повторяют шесть раз. После чего снова взвешивают порожний ящик.
4.3.6 Все взвешивания производят с точностью до ±0,05 кг.
4.4 Обработка результатов
4.4.1 Плотность торфа при его фактической массовой доле влаги (Pw) в кг/м3 вычисляют по формуле:

,
где: m суммарная масса взвешенных ящиков с торфом, кг;
n - количество взвешиваний ящиков с торфом или мерок с торфом;
m1 - масса порожнего ящика или мерки, кг;
V - вместимость ящика или мерки, м3.
4.4.2 Результаты испытаний вычисляют до первого десятичного знака и окончательный результат округляют до целого числа.
4.4.3 Погрешность определения плотности торфа при доверительной вероятности Р = 0,9 составляет 6%.
При необходимости получения меньшей погрешности определения количество взвешиваний увеличивают в соответствии с таблицей 1.
Таблица 1 - Определение количества взвешиваний
|
Погрешность определения, %
|
5,0
|
4,0
|
3,0
|
|
Количество испытаний
|
9
|
15
|
25
|
5 Метод определения плотности при переработке торфа
5.1. Отбор проб
Отбор проб для проведения испытания производят по нормативно-технической документации на испытываемый вид торфяной продукции.
5.2 Оборудование и материалы
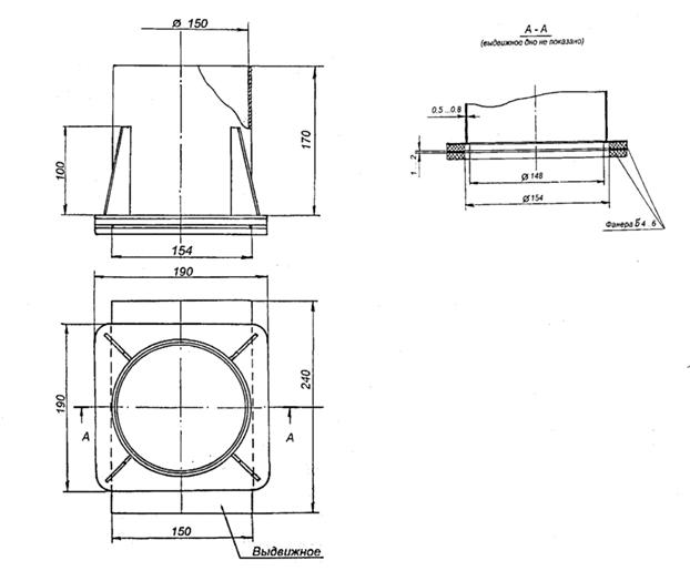
Для проведения испытания применяют: мерку цилиндрическую вместимостью 0,003 м3 (рисунок 3) и наполнитель с выдвижным дном (рисунок 4);
весы с наибольшим пределом взвешивания 10 кг и погрешностью взвешивания ±0,01 кг;
совок металлический или пластмассовый, обеспечивающий отбор торфа (торфяной продукции), объемом не менее 0,001 м3.
"Рисунок 3 - Мерка"
"Рисунок 4 - Наполнитель"
5.3 Проведение испытания
5.3.1 На верхнюю кромку мерки устанавливают наполнитель с задвинутым дном и совком наполняют его торфом (торфяной продукцией) так, чтобы избыток его располагался над верхней кромкой наполнителя, после чего выдвигают дно и торф (торфяная продукция) свободно падает в мерку.
5.3.2 Наполнитель снимают с мерки, перемещая его вертикально вверх, а избыток торфа (торфяной продукции) над краями мерки удаляют кромкой выдвижного дна так, чтобы торф (торфяная продукция) заполнил мерку только до краев.
5.3.3 Мерку с торфом (торфяной продукцией) взвешивают и определяют ее массу.
5.3.4 Испытания повторяют три раза.
5.3.5 Содержимое каждой мерки используют для составления лабораторной пробы и определения массовой доли влаги по ГОСТ 11305.
5.3.6 Взвешивание производят с точностью до ±0,01 кг.
5.4 Обработка результатов
Обработку результатов производят в соответствии с п. 4.4
6 Требования безопасности
6.1 Торф и продукты его переработки не является токсичными продуктами. По степени воздействия на организм человека торфяная пыль относится к нетоксичным веществам 4-го класса опасности фиброгенного действия по ГОСТ 12.1.005. При работе с торфом следует соблюдать требования безопасности по ГОСТ 12.1.008.
6.2 Общие санитарно-гигиенические требования к воздуху рабочей зоны при добыче торфа и при производстве продуктов его переработки должны соответствовать требованиям ГОСТ 12.1.005 и [2].
6.3 Общие требования пожарной безопасности - по ГОСТ 12.1.004.
6.4 Общие требования безопасности при погрузочно-разгрузочных работах, транспортировании и хранении - по ГОСТ 12.3.009.
6.5 Требования охраны окружающей среды
6.5.1 Отходы при обработке проб могут быть использованы в качестве бытового топлива и для других целей.
_____________________________
* На территории Российской Федерации действует ГОСТ Р 54332-2011 "Торф. Методы отбора проб"
Библиография
|
[1]
|
ТУ 14-4-1563-89
|
Проволока углеродистая для изготовления сеток, оцинкованная
|
|
[2]
|
ГН 2.2.5.1313-03
|
Предельно допустимые концентрации (ПДК) вредных веществ в воздухе рабочей зоны
|