ГОСТ 24379.1-2012 БОЛТЫ ФУНДАМЕНТНЫЕ. КОНСТРУКЦИЯ И РАЗМЕРЫ
Foundation bolts. Structure and dimensions
Дата введения - 1 июля 2013 г.
Взамен ГОСТ 24379.1-80
Настоящий стандарт распространяется на фундаментные болты (далее - болты) диаметром резьбы от 12 до 140 мм по ГОСТ 24379.0, предназначенные для крепления и фиксации строительных конструкций или оборудования.
Настоящий стандарт соответствует ГОСТ 25347 и ГОСТ 25348 в части, касающейся предельных отклонений размеров, и ГОСТ 8724 и ГОСТ 24705 в части, касающейся основных размеров, диаметров и шагов метрической резьбы.
В настоящем стандарте использованы нормативные ссылки на следующие межгосударственные стандарты:
ГОСТ 2590-2006 Прокат сортовой стальной горячекатаный круглый. Сортамент
ГОСТ 2789-73 Шероховатость поверхности. Параметры и характеристики
ГОСТ 3212-92 Комплекты мобильные. Уклоны формовочные, стержневые знаки, допуски размеров
ГОСТ 5264-80 Ручная дуговая сварка. Соединения сварные. Основные типы, конструктивные элементы и размеры
ГОСТ 5915-70 Гайки шестигранные класса точности В. Конструкция и размеры
ГОСТ 6636-69 Основные нормы взаимозаменяемости. Нормальные линейные размеры
ГОСТ 8724-2002 (ИСО 261-98) Основные нормы взаимозаменяемости. Резьба метрическая. Диаметры и шаги
ГОСТ 10549-80 Выход резьбы. Сбеги, недорезы, проточки и фаски
ГОСТ 10605-94 (ИСО 4032-86) Гайки шестигранные с диаметром резьбы свыше 48 мм класса точности В. Технические условия
ГОСТ 10704-91 Трубы стальные электросварные прямошовные. Сортамент
ГОСТ 11371-78 Шайбы. Технические условия
ГОСТ 16093-2004 Основные нормы взаимозаменяемости. Резьба метрическая. Допуски. Посадки с зазором
ГОСТ 24379.0-80 Болты фундаментные. Общие технические условия
ГОСТ 24705-2004 Основные нормы взаимозаменяемости. Резьба метрическая. Основные размеры
ГОСТ 25347-82 Основные нормы взаимозаменяемости. Единая система допусков и посадок. Поля допусков и рекомендуемые посадки
ГОСТ 25348-82 Основные нормы взаимозаменяемости. Единая система допусков и посадок. Ряды допусков, основных отклонений и поля допусков для размеров свыше 3150 мм
ГОСТ 26645-85* Отливки из металлов и сплавов. Допуски размеров, массы и припуски на механическую обработку
Примечание - При пользовании настоящим стандартом целесообразно проверить действие ссылочных стандартов на территории государства по соответствующему указателю стандартов, составленному по состоянию на 1 января текущего года, и по соответствующим ежемесячно издаваемым информационным указателям, опубликованным в текущем году. Если ссылочный стандарт заменен (изменен), то при пользовании настоящим стандартом следует руководствоваться заменяющим (измененным) стандартом. Если ссылочный стандарт отменен без замены, то положение, в котором дана ссылка на него, применяется в части не затрагивающей эту ссылку.
В настоящем стандарте применены следующие термины с соответствующими определениями:
3.1 шпилька: Стержень фундаментного болта.
3.2 анкерная арматура: Конструктивный элемент, удерживающий шпильку в фундаменте.
3.3 анкерная плита: Деталь анкерной арматуры.
3.4 втулка: Деталь цилиндрической формы с отверстием, входящая в состав сварной анкерной плиты.
3.5 опорная плита: Основание колонны в виде пластины, непосредственно соприкасающейся с фундаментом.
3.6 цанга разжимная: Конструктивная деталь, позволяющая увеличивать сцепление шпильки с фундаментом при затяжке гайки фундаментного болта.
3.7 муфта: Соединительная деталь с внутренней резьбой, предназначенная для стыковки частей шпилек фундаментного болта.
3.8 труба: Деталь анкерной арматуры съемных фундаментных болтов.
3.9 шайба: Крепежное изделие с отверстием, устанавливаемое под гайку.
3.10 гайка: Крепежное изделие с внутренней резьбой.
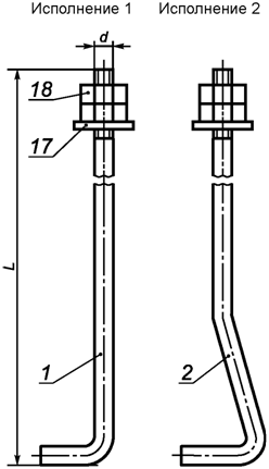
4.1 Типы, конструкция и основные размеры болтов должны соответствовать указанным в таблице 1 и на рисунке 1.
Таблица 1
|
Тип болта |
Исполнение |
Наименование болта |
Номинальный диаметр резьбы, мм |
|
1 |
1 |
Болты фундаментные изогнутые |
12-48 |
|
2 | |||
|
2 |
1 |
Болты фундаментные с анкерной плитой |
16-48 |
|
2 |
56-140 | ||
|
3 |
56-140 | ||
|
3 |
1 |
Болты фундаментные составные |
24-48 |
|
2 |
56-140 | ||
|
4 |
1 |
Болты фундаментные съемные |
24-64 |
|
2 |
56-125 | ||
|
3 |
56-125 | ||
|
5 |
- |
Болты фундаментные прямые |
12-48 |
|
6 |
1 |
Болты фундаментные с коническим концом |
12-48 |
|
2 | |||
|
3 |
Тип 1
Болты фундаментные изогнутые

Тип 2
Болты фундаментные с анкерной плитой

Рисунок 1. Типы и конструкция фундаментных болтов, лист 1
Тип 3
Болты фундаментные составные

Тип 4
Болты фундаментные съемные

Тип 5
Болт фундаментный прямой

Тип 6
Болты фундаментные с коническим концом

1 - 10 - шпильки; 11, 12 - анкерная плита; 13 - муфта; 14 - анкерная арматура; 15 - разжимная цанга; 16 - коническая втулка; 17 - шайба; 18 – гайка по ГОСТ 5915; 19 - гайка по ГОСТ 10605
Рисунок 1, лист 2
4.2 Длину болтов L и диаметр резьбы d назначают в зависимости от длины шпилек и диаметра их резьбы.
Примеры условных обозначений:
Болт типа 1, исполнение 1, диаметром резьбы d = 20 мм, длиной L = 800 мм, со шпилькой из стали марки ВСт3пс категории 2:
Болт 1.1.М20х800. ВСт3пс2 ГОСТ 24379.1-2012
Болт типа 4, исполнения 2, диаметром резьбы d = 100 мм, с мелким шагом резьбы 6 мм, длиной L = 1900 мм, со шпилькой из стали марки 09Г2С категории 6:
Болт 4.2.М100х6х1900 09Г2С-6 ГОСТ 24379.1-2012
4.3 Общие технические условия - по ГОСТ 24379.0.
4.4 Теоретическая масса болтов в сборе типов 1, 2, 5 и 6 приведена в приложении А.
Теоретическую массу болтов типов 3 и 4 указывают в рабочих чертежах.
4.5 Примеры установки болтов в фундаменты приведены в приложении Г.
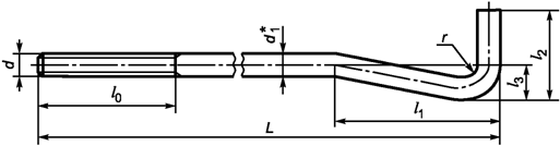
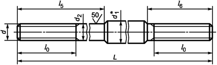
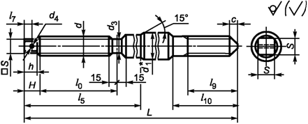
5.1 Конструкция и размеры шпилек должны соответствовать указанным на рисунке 2 и в таблице 2.
Поз. 1 (d = 12 - 48 мм)

Поз. 2 (d = 12 - 48 мм)

Поз. 3 (d = 16 - 48 мм)

Рисунок 2. Конструкция и размеры шпилек, лист 1
Поз. 4 (d = 56 - 140 мм)

Поз. 5 (d = 24 - 64 мм)

Поз. 6 (d = 56 - 125 мм)

Поз. 7 (d = 12 - 48 мм)

Поз. 8 (d = 12 - 48 мм)

Поз. 9 (d = 12 - 48 мм)

Рисунок 2, лист 2
Поз. 10 (d = 12 - 48 мм)

--------------------------------
<*> Размер для справок.
Рисунок 2, лист 3
Таблица 2
Размеры в миллиметрах
|
Номинальный диаметр резьбы d |
Шаг резьбы |
d1* |
d2 |
d3 |
d4 |
d5 |
d6 |
l0 |
l |
l1 |
l2 |
l3 |
l4 |
l5 |
l6 | |
|
крупный |
мелкий |
Предельное отклонение | ||||||||||||||
|
по h16 |
по Н15 |
по h16 |
по +IT17 |
по |
по +IT17 |
по | ||||||||||
|
12 |
1,75 |
- |
12 |
- |
- |
- |
17 |
20 |
80 |
40 |
100 |
50 |
25 |
24 |
- |
- |
|
16 |
2 |
16 |
22 |
26 |
90 |
50 |
130 |
60 |
30 |
32 | ||||||
|
20 |
2,5 |
20 |
28 |
32 |
100 |
60 |
160 |
80 |
40 |
40 | ||||||
|
24 |
3 |
24 |
5 |
34 |
39 |
110 |
75 |
200 |
100 |
50 |
48 | |||||
|
30 |
3,5 |
30 |
42 |
48 |
120 |
90 |
250 |
120 |
60 |
60 | ||||||
|
36 |
4 |
36 |
8 |
50 |
58 |
130 |
110 |
300 |
140 |
70 |
73 | |||||
|
42 |
4,5 |
42 |
58 |
68 |
140 |
125 |
350 |
170 |
85 |
85 | ||||||
|
48 |
5 |
48 |
68 |
77 |
150 |
150 |
400 |
200 |
100 |
98 | ||||||
|
56 |
5,5 |
60 |
56 |
47,8 |
12 |
- |
- |
160 |
- |
- |
- |
- |
- |
400 |
180 | |
|
64 |
6 |
70 |
64 |
55 |
16 |
170 |
500 |
190 | ||||||||
|
72 |
- |
6 |
75 |
72 |
63 |
20 |
180 |
200 | ||||||||
|
80 |
85 |
80 |
71 |
190 |
600 |
220 | ||||||||||
|
90 |
95 |
90 |
81 |
25 |
210 |
800 |
230 | |||||||||
|
100 |
105 |
100 |
91 |
230 |
1000 |
250 | ||||||||||
|
110 |
120 |
110 |
101 |
240 |
260 | |||||||||||
|
125 |
130 |
125 |
116 |
30 |
250 |
270 | ||||||||||
|
140 |
145 |
140 |
- |
- |
270 |
280 | ||||||||||
Окончание таблицы 2
Размеры в миллиметрах
|
Номинальный диаметр резьбы d |
Шаг резьбы |
l7 |
l8 |
l9 |
l10 |
l11 |
l12 |
S |
Н |
h |
с |
c1 |
R |
r | |
|
крупный |
мелкий |
Предельное отклонение | |||||||||||||
|
по |
по h15 |
по | |||||||||||||
|
12 |
1,75 |
- |
- |
- |
- |
- |
30 |
20 |
- |
- |
- |
- |
6 |
12 |
8 |
|
16 |
2 |
36 |
28 |
9 |
16 |
10 | |||||||||
|
20 |
2,5 |
48 |
34 |
9 |
20 | ||||||||||
|
24 |
3 |
7 |
65 |
60 |
41 |
17 |
16 |
9 |
11 |
24 |
20 | ||||
|
30 |
3,5 |
75 |
73 |
50 |
19 |
12 |
14 |
30 | |||||||
|
36 |
4 |
10 |
90 |
85 |
63 |
24 |
20 |
17 |
36 |
30 | |||||
|
42 |
4,5 |
100 |
95 |
71 |
27 |
15 |
20 |
42 | |||||||
|
48 |
5 |
12 |
115 |
120 |
82 |
32 |
25 |
18 |
22 |
48 |
40 | ||||
|
56 |
5,5 |
16 |
130 |
120 |
180 |
- |
- |
41 |
30 |
25 |
20 |
- |
- |
- | |
|
64 |
6 |
20 |
150 |
135 |
200 |
46 |
40 |
35 |
25 | ||||||
|
72 |
- |
6 |
- |
155 |
240 |
50 |
30 | ||||||||
|
80 |
55 | ||||||||||||||
|
90 |
25 |
180 |
280 |
65 |
50 |
45 |
35 | ||||||||
|
100 |
200 |
300 |
75 |
40 | |||||||||||
|
110 |
220 |
340 |
85 | ||||||||||||
|
125 |
30 |
240 |
370 |
95 |
60 |
55 |
45 | ||||||||
|
140 |
- |
- |
- |
- |
- |
- |
- | ||||||||
Примеры условных обозначений:
Шпилька поз. 1, диаметром резьбы d = 20 мм, длиной L = 800 мм, из стали марки ВСт3пс категории 2:
Шпилька 1.М20х800 ВСт3пс2 ГОСТ 24379.1-2012
Шпилька поз. 4, диаметром резьбы d = 100 мм, с мелким шагом резьбы 6 мм, длиной L = 3150 мм, из стали марки 09Г2С категории 6:
Шпилька 4.М100х6х3150.09Г2С-6 ГОСТ 24379.1-2012
5.2 Предельные отклонения размеров - по ГОСТ 25347 и ГОСТ 25348.
5.3 Резьба - по ГОСТ 24705, поле допуска 8g - по ГОСТ 16093.
5.4 Размеры сбегов резьбы и фасок - по ГОСТ 10549.
5.5 Длина шпилек L (кроме поз. 5 и 6) и их теоретическая масса приведены в приложении Б.
Для шпилек (поз. 5 и 6) длину и теоретическую массу указывают в рабочих чертежах.
5.6 Допускается изготовление шпилек другой длины по соглашению между потребителем и предприятием-изготовителем.
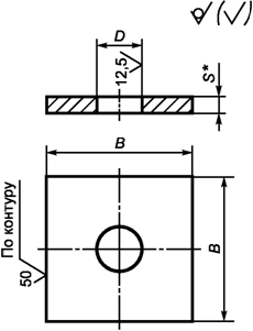
6.1 Конструкция и размеры анкерных плит (поз. 11) должны соответствовать указанным на рисунке 3 и в таблице 3, плит (поз. 12) - на рисунке 4 и в таблице 4.

--------------------------------
<*> Размер для справок.
Рисунок 3. Анкерная плита (поз. 11 на рисунке 1)
Таблица 3
Размеры в миллиметрах
|
Номинальный диаметр резьбы шпильки d |
D
|
В
|
S* |
Теоретическая масса плиты, кг |
|
16 |
22 |
65 |
14 |
0,42 |
|
20 |
26 |
80 |
16 |
0,74 |
|
24 |
32 |
100 |
18 |
1,30 |
|
30 |
38 |
120 |
20 |
2,08 |
|
36 |
45 |
150 |
20 |
3,28 |
|
42 |
50 |
170 |
25 |
5,29 |
|
48 |
60 |
190 |
28 |
7,31 |
|
56 |
66 |
220 |
32 |
11,21 |
|
64 |
74 |
260 |
36 |
17,80 |
|
72 |
82 |
300 |
40 |
26,41 |
|
80 |
90 |
320 |
45 |
33,70 |
|
90 |
100 |
360 |
50 |
47,50 |

Рисунок 4. Анкерная плита (поз. 12 на рисунке 1)
Таблица 4
Размеры в миллиметрах
|
Номинальный диаметр резьбы шпильки d |
D |
D1 |
D2 |
H4 |
Теоретическая масса плиты, кг |
|
100 |
135 |
625 |
220 |
130 |
94,27 |
|
110 |
145 |
650 |
230 |
135 |
100,32 |
|
125 |
165 |
675 |
240 |
135 |
106,70 |
|
140 |
185 |
700 |
290 |
145 |
125,50 |
Примеры условных обозначений:
Анкерная плита (поз. 11) размером В = 150 мм:
Плита 150 ГОСТ 24379.1-2012
Анкерная плита (поз. 12) наружным диаметром D1 = 625 мм:
Плита 625 ГОСТ 24379.1-2012
6.2 Предельные отклонения размеров - по ГОСТ 25347.
6.3 Отливку выполнять по 3-му классу точности ГОСТ 26645.
6.4 Формовочные уклоны - по ГОСТ 3212.
6.5 Литейные радиусы - 5 мм.
6.6 Параметры шероховатости поверхностей литых анкерных плит должны быть не более Ra = 50 мкм по ГОСТ 2789.
7.1 Конструкция и размеры муфты должны соответствовать указанным на рисунке 5 и в таблице 5.

--------------------------------
<*> Размер для справок.
Рисунок 5. Муфта (поз. 13 на рисунке 1)
Таблица 5
Размеры в миллиметрах
|
Номинальный диаметр резьбы d |
D* |
Н
|
с |
Теоретическая масса муфты, кг |
|
24 |
50 |
120 |
2 |
1,42 |
|
30 |
60 |
140 |
3 |
2,35 |
|
36 |
70 |
170 |
4 |
3,78 |
|
42 |
80 |
190 |
5 |
5,43 |
|
48 |
90 |
220 |
6 |
7,36 |
|
56 |
100 |
250 |
8 |
10,58 |
|
64 |
110 |
280 |
8 |
13,82 |
Пример условного обозначения:
Муфта для шпильки d = 24 мм из стали марки ВСт3пс категории 2:
Муфта М24.ВСт3пс2 ГОСТ 24379.1-2012
7.2 Муфты должны изготовляться из круглой стали по ГОСТ 2590, обычной точности прокатки.
7.3 Предельные отклонения размеров - по ГОСТ 25347.
7.4 Резьба - по ГОСТ 24705 с крупным шагом, поле допуска 7Н - по ГОСТ 16093.
7.5 Размеры фасок резьбы - по ГОСТ 10549.
8.1 Конструкция анкерной арматуры должна соответствовать указанной на рисунке 6.
Исполнение 1
d = 24 - 48 мм

Исполнение 2
d = 56 - 125 мм

Исполнение 3
d = 56 - 100 мм

1 - труба (см. рисунок 7); 2 - составная анкерная плита (см. рисунок 8); 3 - литая анкерная плита (см. рисунок 9); 4 - сварная анкерная плита (см. рисунок 10); 5 – заглушка (см. рисунок 13)
Рисунок 6. Анкерная арматура (поз. 14 на рисунке 1)
8.2 Длина L1 анкерной арматуры назначается по длине трубы, диаметр резьбы отверстия d - по диаметру резьбы шпильки.
8.3 Конструкция и размеры трубы (поз. 1) должны соответствовать указанным на рисунке 7 и в таблице 6.
Трубы должны приниматься по ГОСТ 10704.
8.4 Конструкция и размеры составной анкерной плиты (поз. 2) должны соответствовать указанным на рисунке 8 и в таблице 7.

Рисунок 7. Труба (поз. 7 на рисунке 6)
Таблица 6
В миллиметрах
|
Диаметр резьбы шпильки |
24 |
30 |
36 |
42 |
48 |
56 |
64 |
72 |
80 |
90 |
100 |
110 |
125 |
|
Диаметр и толщина стенки трубы D х s |
60х3,5 |
89х4 |
102x4 |
114х4,5 |
127х4,5 |
140x4,5 |
152х5 |
168х5 |
180x5 |
203x6 | |||

--------------------------------
<*> Размеры для справок.
1 - гайка по ГОСТ 5915
Рисунок 8. Анкерная составная плита (поз. 2 на рисунке 6)
Таблица 7
Размеры в миллиметрах
|
Номинальный диаметр резьбы d* |
D
|
Н* |
S* |
B
|
Теоретическая масса плиты, кг |
|
24 |
32 |
37 |
18 |
140 |
2,61 |
|
30 |
38 |
44 |
20 |
160 |
3,28 |
|
36 |
45 |
49 |
20 |
180 |
4,96 |
|
42 |
50 |
59 |
25 |
200 |
7,65 |
|
46 |
60 |
63 |
25 |
240 |
10,98 |
|
* См. рисунок 8. | |||||
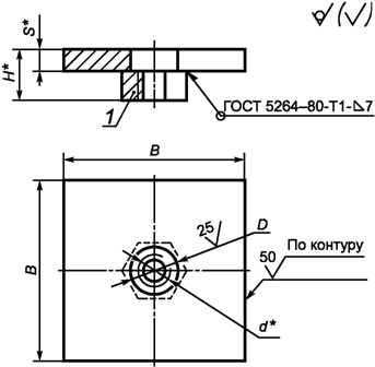
8.5 Конструкция и размеры литой анкерной плиты (поз. 3) должны соответствовать указанным на рисунке 9 и в таблице 8.

Рисунок 9. Анкерная литая плита (поз. 3 на рисунке 6)
Таблица 8
Размеры в миллиметрах
|
Номинальный диаметр резьбы d |
Шаг резьбы |
d1 |
d2 |
d3 |
d4 |
d5 |
В |
l |
Н |
h |
h1 |
h2 |
h3 |
R |
Теоретическая масса плиты, кг | |
|
крупный |
мелкий | |||||||||||||||
|
56 |
5,5 |
- |
80 |
100 |
115 |
80 |
106 |
300 |
105 |
150 |
40 |
30 |
40 |
20 |
20 |
26 |
|
64 |
6 |
85 |
105 |
125 |
90 |
120 |
350 |
120 |
170 |
50 |
40 |
45 |
38 | |||
|
72 |
- |
6 |
100 |
125 |
150 |
100 |
133 |
400 |
130 |
200 |
50 |
50 |
25 |
57 | ||
|
80 |
145 |
56 | ||||||||||||||
|
90 |
120 |
150 |
180 |
120 |
158 |
450 |
150 |
230 |
60 |
30 |
25 |
89 | ||||
|
100 |
130 |
170 |
190 |
150 |
174 |
500 |
160 |
240 |
60 |
70 |
40 |
117 | ||||
|
110 |
145 |
185 |
210 |
165 |
185 |
550 |
180 |
270 |
75 |
35 |
45 |
158 | ||||
|
125 |
150 |
190 |
230 |
180 |
210 |
600 |
190 |
290 |
80 |
50 |
195 | |||||
8.6 Конструкция и размеры сварной анкерной плиты (поз. 4) должны соответствовать указанным на рисунке 10 и в таблице 9.
Сверление отверстия в анкерной плите проводится после приварки втулки и ребер.

--------------------------------
<*> Размеры для справок.
1 - ребро (см. рисунок 11); 2 - втулка (см. рисунок 12)
Рисунок 10
Таблица 9
Размеры в миллиметрах
|
Номинальный диаметр резьбы d |
Шаг резьбы |
В |
d1 |
d2 |
Н* |
S* |
Теоретическая масса плиты, кг | |
|
крупный |
мелкий |
предельное отклонение | ||||||
|
по |
по Н16 | |||||||
|
56 |
5,5 |
- |
280 |
106 |
76 |
110 |
20 |
16,61 |
|
64 |
6 |
300 |
120 |
84 |
120 |
19,71 | ||
|
72 |
- |
6 |
340 |
133 |
92 |
135 |
25 |
31,24 |
|
80 |
400 |
145 |
100 |
145 |
43,01 | |||
|
90 |
420 |
158 |
110 |
170 |
30 |
59,19 | ||
|
100 |
450 |
174 |
120 |
180 |
71,21 | |||
8.6.1 Конструкция и размеры ребра должны соответствовать указанным на рисунке 11 и в таблице 10.

--------------------------------
<*> Размер для справок.
Рисунок 11. Ребро (поз. 7 на рисунке 10)
Таблица 10
Размеры в миллиметрах
|
Номинальный диаметр резьбы отверстия в анкерной плите d |
h
|
Толщина S* |
|
56 |
80 |
10 |
|
64 |
90 | |
|
72 |
100 | |
|
80 |
110 |
16 |
|
90 |
130 | |
|
100 |
140 |
8.6.2 Конструкция и размеры втулки должны соответствовать указанным на рисунке 12 и в таблице 11.

--------------------------------
<*> Размер для справок.
Рисунок 12. Втулка (поз. 2 на рисунке 10)
Таблица 11
Размеры в миллиметрах
|
Номинальный диаметр резьбы d |
56 |
64 |
72 |
80 |
90 |
100 |
|
Диаметр заготовки D* |
100 |
110 |
130 |
140 |
160 |
180 |
|
Высота втулки h, предельное отклонение по +IT17 |
90 |
100 |
110 |
120 |
140 |
150 |
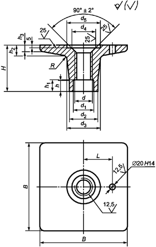
8.7 Конструкция и размеры заглушки (поз. 5) должны соответствовать указанным на рисунке 13. Размеры указаны в таблице 12 для трубы, а в таблице 13 - для анкерной плиты.

Рисунок 13. Заглушка (поз. 5 на рисунке 6)
Таблица 12
Размеры в миллиметрах
|
Труба D x S |
60x3,5 |
89x4 |
102х4 |
114x4,5 |
127x4,5 |
140x4,5 |
152х5 |
168x5 |
180x5 |
203х6 |
|
D
|
56 |
85 |
98 |
110 |
122 |
135 |
147 |
163 |
175 |
198 |
|
Теоретическая масса, кг |
0,06 |
0,13 |
0,18 |
0,22 |
0,28 |
0,34 |
0,40 |
0,49 |
0,57 |
0,72 |
Таблица 13
Размеры в миллиметрах
|
Номинальный диаметр резьбы под анкерную плиту d |
56 |
64 |
72 |
80 |
90 |
100 |
110 |
125 |
|
D
|
90 |
95 |
115 |
13,0 |
150 |
160 |
170 | |
|
Теоретическая масса, кг |
0,15 |
0,17 |
0,24 |
0,31 |
0,42 |
0,47 |
0,53 | |
Примеры условных обозначений:
Арматура анкерная, исполнения 1, под шпильку d = 24 мм, длиной L1 = 400 мм:
Арматура анкерная 1.М24х400 ГОСТ 24379.1-2012
То же, исполнения 2, под шпильку d = 64 мм, длиной L1 = 2000 мм:
Арматура анкерная 2.М64x2000 ГОСТ 24379.1-2012
То же, исполнения 3, под шпильку d = 100 мм с мелким шагом резьбы 6 мм, длиной L1 = 3150 мм:
Арматура анкерная 3.М100x6x3150 ГОСТ 24379.1-2012
8.8 Предельные отклонения размеров - по ГОСТ 25347 и ГОСТ 25348.
8.9 Резьба - по ГОСТ 24705, поле допуска 7Н - по ГОСТ 16093.
8.10 Предельные отклонения размеров литой плиты по 3-му классу точности ГОСТ 26645.
8.11 Размеры фасок резьбы - по ГОСТ 10549.
8.12 Неуказанные литейные радиусы - 5 мм.
8.13 Теоретическая масса анкерной арматуры и труб приведена в приложении В.
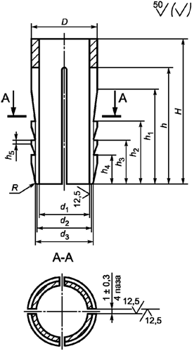
9.1 Конструкция и размеры разжимной цанги должны соответствовать указанным на рисунке 14 и в таблице 14.

Рисунок 14. Разжимная цанга (поз. 15 на рисунке 1)
Таблица 14
Размеры в миллиметрах
|
Номинальный диаметр резьбы шпильки d |
D
|
d1 Предельное отклонение по h16 |
d2 |
d3 |
Н |
h |
h1 |
h2 |
h3 |
h4 |
h5
|
R, не более |
Теоретическая масса цанги, кг |
|
Пред. откл. по h16 |
Предельное отклонение по | ||||||||||||
|
12 |
17 |
12,5 |
15 |
16,5 |
36 |
30 |
24 |
16 |
11 |
7 |
0,5 |
0,8 |
0,03 |
|
16 |
24 |
17,0 |
20 |
23,2 |
45 |
36 |
30 |
21 |
14 |
10 |
0,8 |
1,0 |
0,08 |
|
20 |
30 |
21,0 |
25 |
29,0 |
60 |
48 |
40 |
26 |
18 |
12 |
1,0 |
1,2 |
0,17 |
|
24 |
34 |
25,0 |
30 |
32,5 |
75 |
60 |
54 |
31 |
22 |
15 |
1,5 |
1,5 |
0,25 |
|
30 |
42 |
32,0 |
37 |
32,5 |
90 |
72 |
60 |
34 |
27 |
18 |
1,5 |
1,5 |
0,41 |
|
36 |
50 |
38,0 |
42 |
48,0 |
105 |
84 |
70 |
47 |
33 |
22 |
2,0 |
1,5 |
0,68 |
|
42 |
58 |
44,0 |
52 |
55,5 |
120 |
96 |
80 |
55 |
39 |
25 |
2,5 |
2,0 |
1,06 |
|
48 |
68 |
50,0 |
60 |
65,0 |
150 |
120 |
100 |
63 |
43 |
29 |
3,0 |
2,0 |
1,96 |
9.2 Предельные отклонения размеров - по ГОСТ 25347.
Пример условного обозначения:
Разжимная цанга для шпильки d = 24 мм:
Цанга М24 ГОСТ 24379.1-2012
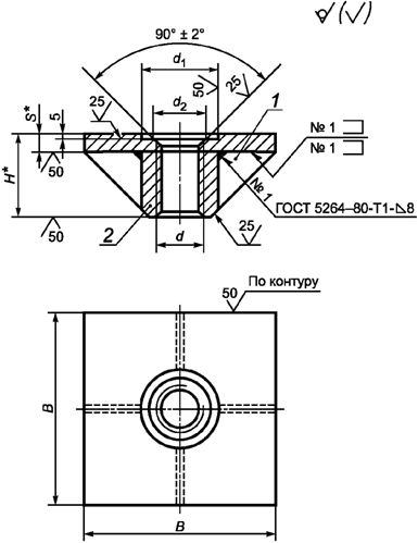
10.1 Конструкция и размеры конической втулки должны соответствовать указанным на рисунке 15 и в таблице 15.

Рисунок 15. Коническая втулка (поз. 16 на рисунке 1)
Таблица 15
Размеры в миллиметрах
|
Номинальный диаметр резьбы шпильки d |
D
|
Н |
h |
Теоретическая масса втулки, кг |
|
Предельное отклонение по | ||||
|
12 |
22 |
24 |
20 |
0,03 |
|
16 |
29 |
32 |
28 |
0,06 |
|
20 |
35 |
40 |
34 |
0,11 |
|
24 |
42 |
48 |
41 |
0,20 |
|
30 |
52 |
60 |
51 |
0,36 |
|
36 |
62 |
72 |
61 |
0,67 |
|
49 |
72 |
84 |
71 |
0,94 |
|
48 |
82 |
96 |
82 |
1,41 |
Пример условного обозначения:
Втулка под шпильку d = 24 мм:
Втулка М24 ГОСТ 24379.1-2012
10.2 Предельные отклонения размеров - по ГОСТ 25347.
10.3 Резьба - по ГОСТ 24705, поле допуска 7Н - по ГОСТ 16093.
10.4 Размеры фасок резьбы - по ГОСТ 10549.
11.1 Шайбы при нормальных отверстиях в приливах оборудования следует применять по ГОСТ 11371, при увеличенных отверстиях в приливах оборудования - по настоящему стандарту.
11.2 Конструкция и размеры шайб должны соответствовать указанным на рисунке 16 и в таблице 16.

Рисунок 16. Шайба (поз. 17 на рисунке 1)
Таблица 16
Размеры в миллиметрах
|
Номинальный диаметр резьбы шпильки d |
d0
|
D
|
S |
Предельное радиальное биение |
Теоретическая масса шайбы, кг |
|
12 |
13 |
36 |
3 |
0,5 |
0,021 |
|
16 |
17 |
42 |
4 |
0,6 |
0,050 |
|
20 |
21 |
45 |
8 |
0,076 | |
|
24 |
25 |
55 |
0,120 | ||
|
30 |
32 |
80 |
10 |
0,7 |
0,330 |
|
36 |
38 |
90 |
0,410 | ||
|
42 |
44 |
95 |
14 |
0,610 | |
|
48 |
50 |
105 |
0,740 | ||
|
56 |
60 |
115 |
16 |
0,8 |
0,950 |
|
64 |
68 |
130 |
1,210 | ||
|
72 |
76 |
140 |
18 |
1,530 | |
|
80 |
85 |
160 |
20 |
0,9 |
2,270 |
|
90 |
95 |
180 |
2,880 | ||
|
100 |
105 |
190 |
22 |
3,400 | |
|
110 |
115 |
200 |
3,630 | ||
|
125 |
130 |
240 |
25 |
1,0 |
6,300 |
|
140 |
145 |
270 |
7,990 |
Пример условного обозначения:
Шайба для шпильки диаметром резьбы d = 12 мм:
Шайба М12 ГОСТ 24379.1-2012
______________________________
* На территории Российской Федерации действует ГОСТ Р 53464-2009.
Приложение А
(справочное)
Таблица А.1
Размеры в миллиметрах
|
Длина* болта L |
Теоретическая масса болта типа 1, кг, при номинальном диаметре резьбы d | |||||||
|
12 |
16 |
20 |
24 |
30 |
36 |
42 |
48 | |
|
300 |
0,35 |
0,66 |
- |
- |
- |
- |
- |
- |
|
400 |
0,44 |
0,82 |
1,32 |
- |
- |
- |
- |
- |
|
500 |
0,52 |
0,97 |
1,57 |
2,35 |
- |
- |
- |
- |
|
600 |
0,61 |
1,13 |
1,81 |
2,71 |
4,55 |
- |
- |
- |
|
710 |
0,71 |
1,31 |
2,09 |
3,10 |
5,16 |
7,59 |
- |
- |
|
800 |
0,79 |
1,45 |
2,31 |
3,42 |
5,66 |
8,31 |
11,81 |
- |
|
900 |
0,88 |
1,60 |
2,55 |
3,77 |
6,22 |
9,10 |
12,89 |
17,41 |
|
1000 |
0,97 |
1,77 |
2,80 |
4,13 |
6,77 |
9,91 |
13,98 |
18,83 |
|
1120 |
- |
1,95 |
3,10 |
4,56 |
7,43 |
10,85 |
15,29 |
20,53 |
|
1250 |
- |
2,15 |
3,43 |
5,03 |
8,15 |
11,88 |
16,71 |
22,38 |
|
1320 |
- |
- |
3,60 |
5,28 |
8,53 |
12,43 |
17,47 |
23,37 |
|
1400 |
- |
- |
3,79 |
5,55 |
8,99 |
13,10 |
18,33 |
24,51 |
|
1500 |
- |
- |
- |
5,90 |
9,54 |
13,90 |
19,42 |
25,93 |
|
1600 |
- |
- |
- |
6,26 |
10,10 |
14,70 |
20,50 |
27,35 |
|
1700 |
- |
- |
- |
6,61 |
10,65 |
15,50 |
21,59 |
28,77 |
|
1800 |
- |
- |
- |
- |
11,21 |
16,29 |
22,68 |
30,19 |
|
1900 |
- |
- |
- |
- |
11,76 |
17,09 |
23,76 |
31,61 |
|
2000 |
- |
- |
- |
- |
12,32 |
17,89 |
24,85 |
33,03 |
|
2120 |
- |
- |
- |
- |
- |
18,85 |
26,16 |
34,73 |
|
2240 |
- |
- |
- |
- |
- |
19,81 |
27,47 |
36,44 |
|
2300 |
- |
- |
- |
- |
- |
20,29 |
28,11 |
37,29 |
|
2360 |
- |
- |
- |
- |
- |
- |
28,76 |
38,07 |
|
2500 |
- |
- |
- |
- |
- |
- |
30,29 |
40,13 |
|
2650 |
- |
- |
- |
- |
- |
- |
- |
42,26 |
|
2800 |
- |
- |
- |
- |
- |
- |
- |
44,39 |
Таблица А.2
Размеры в миллиметрах
|
Длина* болта L |
Теоретическая масса болта типа 2, кг, исполнение | |||||||||||||||
|
1 |
2 |
3 | ||||||||||||||
|
Номинальный диаметр резьбы | ||||||||||||||||
|
16 |
20 |
24 |
30 |
36 |
42 |
48 |
56 |
64 |
72 |
80 |
90 |
100 |
110 |
125 |
140 | |
|
200 |
0,92 |
1,56 |
- |
- |
- |
- |
- |
- |
- |
- |
- |
- |
- |
- |
- |
- |
|
250 |
0,99 |
1,69 |
2,74 |
4,70 |
- |
- |
- |
- |
- |
- |
- |
- |
- |
- |
- |
- |
|
300 |
1,07 |
1,81 |
2,91 |
4,98 |
7,60 |
- |
- |
- |
- |
- |
- |
- |
- |
- |
- |
- |
|
350 |
1,15 |
1,93 |
3,09 |
5,25 |
7,99 |
12,21 |
- |
- |
- |
- |
- |
- |
- |
- |
- |
- |
|
400 |
1,23 |
2,06 |
3,27 |
5,53 |
8,39 |
12,75 |
17,56 |
- |
- |
- |
- |
- |
- |
- |
- |
- |
|
450 |
1,31 |
2,18 |
3,35 |
5,81 |
8,79 |
13,29 |
18,27 |
- |
- |
- |
- |
- |
- |
- |
- |
- |
|
500 |
1,39 |
2,30 |
3,62 |
6,08 |
9,19 |
13,84 |
18,98 |
- |
- |
- |
- |
- |
- |
- |
- |
- |
|
600 |
1,55 |
2,55 |
3,98 |
6,64 |
9,99 |
14,92 |
20,39 |
- |
- |
- |
- |
- |
- |
- |
- |
- |
|
710 |
1,72 |
2,82 |
4,37 |
7,25 |
10,87 |
16,12 |
21,95 |
- |
- |
- |
- |
- |
- |
- |
- |
- |
|
800 |
1,86 |
3,04 |
4,69 |
7,75 |
11,59 |
17,10 |
23,23 |
33,99 |
- |
- |
- |
- |
- |
- |
- |
- |
|
900 |
2,02 |
3,29 |
5,04 |
8,30 |
12,39 |
18,18 |
24,66 |
35,26 |
- |
- |
- |
- |
- |
- |
- |
- |
|
1000 |
2,18 |
3,53 |
5,40 |
8,86 |
13,18 |
19,27 |
26,07 |
38,43 |
53,60 |
71,35 |
- |
- |
- |
- |
- |
- |
|
1120 |
2,37 |
3,84 |
5,83 |
9,53 |
14,14 |
20,57 |
27,79 |
40,14 |
56,52 |
74,66 |
- |
- |
- |
- |
- |
- |
|
1250 |
2,57 |
4,15 |
6,29 |
10,25 |
15,19 |
21,99 |
29,63 |
43,98 |
59,20 |
79,16 |
98,8 |
- |
- |
- |
- |
- |
|
1320 |
- |
4,32 |
6,54 |
10,64 |
15,75 |
22,75 |
30,63 |
44,58 |
62,56 |
80,92 |
101,9 |
- |
- |
- |
- |
- |
|
1400 |
- |
4,52 |
6,82 |
11,07 |
16,38 |
23,62 |
31,75 |
47,30 |
65,63 |
85,22 |
107,7 |
141,9 |
- |
- |
- |
- |
|
1500 |
- |
4,77 |
7,10 |
11,63 |
17,18 |
24,71 |
33,17 |
48,57 |
67,58 |
87,16 |
109,4 |
144,6 |
- |
- |
- |
- |
|
1600 |
- |
- |
7,53 |
12,18 |
17,98 |
25,79 |
34,59 |
51,74 |
71,71 |
92,1 |
116,7 |
153,0 |
219,1 |
252,6 |
- |
- |
|
1700 |
- |
- |
7,88 |
12,74 |
18,77 |
26,88 |
36,17 |
53,96 |
75,48 |
95,6 |
121,1 |
158,6 |
225,8 |
261,5 |
- |
- |
|
1800 |
- |
- |
- |
13,29 |
19,57 |
27,97 |
37,42 |
56,18 |
77,75 |
99,0 |
125,6 |
164,1 |
232,6 |
270,3 |
329,3 |
408,3 |
|
1900 |
- |
- |
- |
13,85 |
20,57 |
29,05 |
38,84 |
58,40 |
81,52 |
102,5 |
130,0 |
169,6 |
239,4 |
280,3 |
339,8 |
421,3 |
|
2000 |
- |
- |
- |
- |
21,17 |
30,14 |
40,26 |
60,61 |
83,79 |
106,0 |
134,5 |
175,3 |
246,2 |
288,1 |
350,1 |
434,2 |
|
2120 |
- |
- |
- |
- |
22,13 |
31,44 |
41,98 |
63,11 |
87,25 |
109,6 |
139,3 |
181,3 |
254,3 |
298,7 |
362,6 |
449,7 |
|
2240 |
- |
- |
- |
- |
23,09 |
32,75 |
43,68 |
65,69 |
91,7 |
114,3 |
145,2 |
188,6 |
262,5 |
310,3 |
375,3 |
465,3 |
|
2500 |
- |
- |
- |
- |
- |
35,57 |
47,37 |
71,71 |
98,9 |
123,3 |
156,7 |
203,1 |
280,2 |
332,5 |
402,2 |
499,0 |
|
2800 |
- |
- |
- |
- |
- |
- |
51,63 |
78,36 |
108,0 |
133,7 |
170,1 |
219,8 |
300,6 |
359,1 |
433,4 |
537,8 |
|
3150 |
- |
- |
- |
- |
- |
- |
- |
86,02 |
118,5 |
145,9 |
185,7 |
242,0 |
324,4 |
391,1 |
470,1 |
583,2 |
|
3350 |
- |
- |
- |
- |
- |
- |
- |
- |
- |
159,2 |
203,5 |
261,4 |
351,6 |
426,6 |
511,9 |
636,0 |
|
4000 |
- |
- |
- |
- |
- |
- |
- |
- |
- |
- |
- |
286,5 |
382,1 |
465,6 |
558,4 |
693,3 |
|
4500 |
- |
- |
- |
- |
- |
- |
- |
- |
- |
- |
- |
- |
416,1 |
509,9 |
610,5 |
758,1 |
|
5000 |
- |
- |
- |
- |
- |
- |
- |
- |
- |
- |
- |
- |
- |
- |
662,5 |
822,9 |
Таблица А.3
Размеры в миллиметрах
|
Длина* болта L |
Теоретическая масса болта типа 5, кг, при номинальном диаметре резьбы d | |||||||
|
12 |
16 |
20 |
24 |
30 |
36 |
42 |
48 | |
|
150 |
0,18 |
0,36 |
0,57 |
- |
- |
- |
- |
- |
|
200 |
0,23 |
0,44 |
0,69 |
1,04 |
- |
- |
- |
- |
|
250 |
0,27 |
0,51 |
0,82 |
1,22 |
2,17 |
- |
- |
- |
|
300 |
0,32 |
0,59 |
0,94 |
1,39 |
2,44 |
3,56 |
- |
- |
|
350 |
0,36 |
0,67 |
1,06 |
1,57 |
2,72 |
3,96 |
5,66 |
- |
|
400 |
0,40 |
0,75 |
1,19 |
1,75 |
3,00 |
4,35 |
6,21 |
8,33 |
|
450 |
0,45 |
0,83 |
1,31 |
1,93 |
3,28 |
4,75 |
6,75 |
9,04 |
|
500 |
- |
0,91 |
1,43 |
2,10 |
3,55 |
5,15 |
7,30 |
9,75 |
|
600 |
- |
1,07 |
1,68 |
2,46 |
4,11 |
5,95 |
8,38 |
11,17 |
|
710 |
- |
- |
1,95 |
2,85 |
4,72 |
6,83 |
9,54 |
12,73 |
|
800 |
- |
- |
2,17 |
3,17 |
5,22 |
7,55 |
10,56 |
13,98 |
|
900 |
- |
- |
- |
3,52 |
5,77 |
8,35 |
11,64 |
15,43 |
|
1000 |
- |
- |
- |
- |
6,33 |
9,15 |
12,73 |
16,85 |
|
1120 |
- |
- |
- |
- |
6,99 |
10,11 |
14,04 |
18,55 |
|
1250 |
- |
- |
- |
- |
- |
11,14 |
15,45 |
20,40 |
|
1320 |
- |
- |
- |
- |
- |
- |
16,21 |
21,39 |
|
1400 |
- |
- |
- |
- |
- |
- |
- |
22,53 |
Таблица А.4
Размеры в миллиметрах
|
Длина* болта L |
Теоретическая масса болта типа 6, кг, исполнение | |||||||||||
|
1 |
2 |
3 |
1 |
2 |
3 |
1 |
2 |
3 |
1 |
2 |
3 | |
|
Номинальный диаметр резьбы d | ||||||||||||
|
12 |
16 |
20 |
24 | |||||||||
|
150 |
0,23 |
0,21 |
0,20 |
0,47 |
0,42 |
0,39 |
- |
- |
- |
- |
- |
- |
|
200 |
0,27 |
0,26 |
0,24 |
0,55 |
0,50 |
0,47 |
0,92 |
0,80 |
0,75 |
- |
- |
- |
|
250 |
0,32 |
0,30 |
0,29 |
0,63 |
0,57 |
0,55 |
1,04 |
0,93 |
0,87 |
1,57 |
1,42 |
1,32 |
|
300 |
0,36 |
0,35 |
0,33 |
0,71 |
0,65 |
0,63 |
1,17 |
1,05 |
1,00 |
1,75 |
1,59 |
1,50 |
|
350 |
0,40 |
0,39 |
0,37 |
0,78 |
0,73 |
0,70 |
1,29 |
1,17 |
1,12 |
1,93 |
1,77 |
1,68 |
|
400 |
0,45 |
0,43 |
0,42 |
0,86 |
0,81 |
0,73 |
1,41 |
1,30 |
1,24 |
2,11 |
1,97 |
1,86 |
|
450 |
0,49 |
0,48 |
0,46 |
0,94 |
0,89 |
0,86 |
1,54 |
1,42 |
1,37 |
2,28 |
2,13 |
2,03 |
|
500 |
0,54 |
0,52 |
0,51 |
1,02 |
0,97 |
0,94 |
1,66 |
1,54 |
1,49 |
2,46 |
2,30 |
2,21 |
|
600 |
0,63 |
0,61 |
0,60 |
1,18 |
1,13 |
1,10 |
1,91 |
1,79 |
1,74 |
2,82 |
2,63 |
2,57 |
|
710 |
- |
- |
- |
1,35 |
1,30 |
1,27 |
2,18 |
2,06 |
2,01 |
3,21 |
3,05 |
2,95 |
|
800 |
- |
- |
- |
- |
- |
- |
2,40 |
2,28 |
2,23 |
3,53 |
3,37 |
3,28 |
|
900 |
- |
- |
- |
- |
- |
- |
- |
- |
- |
3,88 |
3,72 |
3,63 |
Окончание таблицы А.4
Размеры в миллиметрах
|
Длина* болта L |
Теоретическая масса болта типа 6, кг, исполнение | |||||||||||
|
1 |
2 |
3 |
1 |
2 |
3 |
1 |
2 |
3 |
1 |
2 |
3 | |
|
Номинальный диаметр резьбы d | ||||||||||||
|
30 |
36 |
42 |
48 | |||||||||
|
250 |
2,77 |
2,53 |
2,36 |
- |
- |
- |
- |
- |
- |
- |
- |
- |
|
300 |
3,05 |
2,81 |
2,64 |
4,58 |
4,23 |
3,90 |
- |
- |
- |
- |
- |
- |
|
350 |
3,33 |
3,03 |
2,92 |
4,98 |
4,62 |
4,30 |
7,27 |
6,61 |
6,21 |
- |
- |
- |
|
400 |
3,60 |
3,36 |
3,19 |
5,97 |
5,02 |
4,69 |
7,82 |
7,15 |
6,76 |
11,14 |
9,74 |
9,18 |
|
450 |
3,83 |
3,64 |
3,47 |
5,77 |
5,42 |
5,09 |
8,36 |
7,69 |
7,30 |
11,35 |
10,45 |
9,89 |
|
500 |
4,16 |
3,91 |
3,75 |
6,17 |
5,82 |
5,49 |
8,90 |
8,24 |
7,84 |
12,51 |
11,16 |
10,55 |
|
600 |
4,71 |
4,47 |
4,30 |
6,96 |
6,62 |
6,28 |
9,99 |
9,32 |
8,93 |
13,98 |
12,53 |
12,02 |
|
710 |
5,33 |
5,08 |
4,92 |
7,85 |
7,50 |
7,17 |
11,19 |
10,52 |
10,13 |
15,54 |
14,14 |
13,58 |
|
800 |
5,82 |
5,58 |
5,41 |
8,56 |
8,22 |
7,88 |
12,17 |
11,50 |
11,11 |
16,82 |
15,42 |
14,86 |
|
900 |
6,38 |
6,13 |
5,97 |
9,36 |
9,02 |
8,68 |
13,25 |
12,58 |
12,19 |
18,24 |
16,85 |
16,28 |
|
1000 |
6,93 |
6,69 |
6,52 |
10,16 |
9,81 |
9,48 |
14,34 |
13,67 |
13,28 |
19,65 |
18,26 |
17,70 |
|
1120 |
7,59 |
7,36 |
7,18 |
11,12 |
10,77 |
10,44 |
15,64 |
14,97 |
14,58 |
21,36 |
19,98 |
19,40 |
|
1250 |
- |
- |
- |
12,16 |
11,82 |
11,48 |
17,06 |
16,39 |
16,00 |
23,21 |
21,82 |
21,25 |
|
1320 |
- |
- |
- |
- |
- |
- |
17,82 |
17,15 |
16,76 |
24,20 |
22,82 |
22,24 |
|
1400 |
- |
- |
- |
- |
- |
- |
- |
- |
- |
25,34 |
23,94 |
23,38 |
Примечание к таблицам А.1, А.2, А.3, А.4 - *Длина принята в соответствии с ГОСТ 6636.
Приложение Б
(справочное)
Таблица Б.1
Размеры в миллиметрах
|
Длина* шпильки L |
Теоретическая масса шпильки (поз. 1 и 2), кг, при номинальном диаметре резьбы d | |||||||
|
12 |
16 |
20 |
24 |
30 |
36 |
42 |
48 | |
|
300 |
0,30 |
0,54 |
- |
- |
- |
- |
- |
- |
|
400 |
0,39 |
0,70 |
1,12 |
- |
- |
- |
- |
- |
|
500 |
0,47 |
0,85 |
1,37 |
2,02 |
- |
- |
- |
- |
|
600 |
0,56 |
1,01 |
1,61 |
2,38 |
3,77 |
- |
- |
- |
|
710 |
0,66 |
1,19 |
1,89 |
2,77 |
4,38 |
6,43 |
- |
- |
|
800 |
0,74 |
1,33 |
2,11 |
3,09 |
4,88 |
7,15 |
9,95 |
- |
|
900 |
0,83 |
1,48 |
2,35 |
3,44 |
5,44 |
7,95 |
11,03 |
14,76 |
|
1000 |
0,92 |
1,65 |
2,60 |
3,80 |
5,99 |
8,74 |
12,12 |
16,18 |
|
1120 |
- |
1,8 |
2,90 |
4,23 |
6,65 |
9,69 |
13,43 |
17,63 |
|
1250 |
- |
2,05 |
3,23 |
4,70 |
7,37 |
10,72 |
14,35 |
19,73 |
|
1320 |
- |
- |
3,40 |
4,95 |
7,75 |
11,27 |
15,61 |
20,72 |
|
1400 |
- |
- |
3,59 |
5,22 |
8,21 |
11,94 |
16,47 |
21,36 |
|
1500 |
- |
- |
- |
5,57 |
8,76 |
12,74 |
17,56 |
23,28 |
|
1600 |
- |
- |
- |
5,93 |
9,32 |
13,54 |
18,64 |
24,70 |
|
1700 |
- |
- |
- |
6,28 |
9,87 |
14,34 |
19,73 |
26,12 |
|
1800 |
- |
- |
- |
- |
10,43 |
15,13 |
20,82 |
27,54 |
|
1900 |
- |
- |
- |
- |
10,96 |
15,93 |
21,90 |
28,96 |
|
2000 |
- |
- |
- |
- |
11,54 |
16,73 |
22,99 |
30,38 |
|
2120 |
- |
- |
- |
- |
- |
17,69 |
24,30 |
32,08 |
|
2240 |
- |
- |
- |
- |
- |
18,64 |
25,61 |
33,79 |
|
2300 |
- |
- |
- |
- |
- |
19,13 |
26,25 |
34,64 |
|
2360 |
- |
- |
- |
- |
- |
- |
26,90 |
35,45 |
|
2500 |
- |
- |
- |
- |
- |
- |
28,43 |
37,48 |
|
2650 |
- |
- |
- |
- |
- |
- |
- |
38,61 |
|
2800 |
- |
- |
- |
- |
- |
- |
- |
41,71 |
Таблица Б.2
Размеры в миллиметрах
|
Длина* шпильки L |
Теоретическая масса шпильки (поз. 3, 4, 7 и 9), кг, при номинальном диаметре резьбы | ||||||||||||||||
|
12 |
16 |
20 |
24 |
30 |
36 |
42 |
48 |
56 |
64 |
72 |
80 |
90 |
100 |
110 |
125 |
140 | |
|
150 |
0,13 |
0,24 |
- |
- |
- |
- |
- |
- |
- |
- |
- |
- |
- |
- |
- |
- |
- |
|
200 |
0,18 |
0,32 |
0,49 |
- |
- |
- |
- |
- |
- |
- |
- |
- |
- |
- |
- |
- |
- |
|
250 |
0,22 |
0,39 |
0,62 |
0,89 |
1,39 |
- |
- |
- |
- |
- |
- |
- |
- |
- |
- |
- |
- |
|
300 |
0,27 |
0,47 |
0,74 |
1,06 |
1,67 |
2,40 |
- |
- |
- |
- |
- |
- |
- |
- |
- |
- |
- |
|
350 |
0,31 |
0,55 |
0,86 |
1,24 |
1,94 |
2,79 |
3,81 |
- |
- |
- |
- |
- |
- |
- |
- |
- |
- |
|
400 |
0,35 |
0,63 |
0,99 |
1,42 |
2,22 |
3,19 |
4,35 |
5,68 |
- |
- |
- |
- |
- |
- |
- |
- |
- |
|
450 |
0,40 |
0,71 |
1,11 |
1,60 |
2,50 |
3,59 |
4,89 |
6,39 |
- |
- |
- |
- |
- |
- |
- |
- |
- |
|
500 |
0,44 |
0,79 |
1,23 |
1,77 |
2,77 |
3,99 |
5,44 |
7,10 |
- |
- |
- |
- |
- |
- |
- |
- |
- |
|
600 |
0,53 |
0,95 |
1,48 |
2,13 |
3,33 |
4,79 |
6,52 |
8,52 |
- |
- |
- |
- |
- |
- |
- |
- |
- |
|
710 |
- |
1,12 |
1,75 |
2,52 |
3,94 |
5,67 |
7,72 |
10,08 |
- |
- |
- |
- |
- |
- |
- |
- |
- |
|
800 |
- |
1,26 |
1,97 |
2,84 |
4,44 |
6,39 |
8,70 |
11,36 |
16,03 |
- |
- |
- |
- |
- |
- |
- |
- |
|
900 |
- |
1,42 |
2,22 |
3,19 |
4,99 |
7,19 |
9,78 |
12,79 |
18,25 |
- |
- |
- |
- |
- |
- |
- |
- |
|
1000 |
- |
1,58 |
2,46 |
3,55 |
5,55 |
7,98 |
10,87 |
14,20 |
20,47 |
26,63 |
33,33 |
- |
- |
- |
- |
- |
- |
|
1120 |
- |
1,77 |
2,76 |
3,98 |
6,22 |
8,94 |
12,17 |
15,92 |
23,13 |
30,67 |
37,49 |
- |
- |
- |
- |
- |
- |
|
1250 |
- |
1,97 |
3,08 |
4,44 |
6,94 |
9,99 |
13,59 |
17,76 |
26,02 |
33,35 |
41,99 |
51,23 |
- |
- |
- |
- |
- |
|
1320 |
- |
- |
3,25 |
4,69 |
7,33 |
10,55 |
14,35 |
18,76 |
27,57 |
36,71 |
43,75 |
54,35 |
- |
- |
- |
- |
- |
|
1400 |
- |
- |
3,45 |
4,97 |
7,76 |
11,18 |
15,22 |
19,88 |
29,34 |
38,71 |
46,52 |
57,91 |
71,5 |
- |
- |
- |
- |
|
1500 |
- |
- |
3,70 |
5,32 |
8,32 |
11,98 |
16,31 |
21,30 |
31,56 |
41,73 |
49,99 |
62,36 |
77,1 |
- |
- |
- |
- |
|
1600 |
- |
- |
- |
5,68 |
8,87 |
12,78 |
17,39 |
22,72 |
33,78 |
44,74 |
53,45 |
66,81 |
82,7 |
100,7 |
123,8 |
- |
- |
|
1700 |
- |
- |
- |
6,03 |
9,43 |
13,57 |
18,48 |
24,13 |
36,00 |
47,76 |
56,91 |
71,26 |
88,3 |
107,5 |
132,7 |
- |
- |
|
1800 |
- |
- |
- |
- |
9,98 |
14,37 |
19,57 |
25,55 |
38,22 |
50,78 |
60,38 |
75,72 |
93,8 |
114,3 |
141,6 |
177,3 |
221,8 |
|
1900 |
- |
- |
- |
- |
10,54 |
15,17 |
20,65 |
26,97 |
40,44 |
53,80 |
63,84 |
80,17 |
99,3 |
121,1 |
150,5 |
187,8 |
234,8 |
|
2000 |
- |
- |
- |
- |
- |
15,97 |
21,74 |
28,39 |
42,65 |
56,82 |
67,31 |
84,62 |
104,9 |
127,9 |
159,3 |
198,2 |
247,7 |
|
2120 |
- |
- |
- |
- |
- |
16,93 |
23,04 |
30,10 |
45,31 |
60,44 |
71,47 |
89,96 |
111,6 |
136,0 |
169,9 |
210,7 |
263,2 |
|
2240 |
- |
- |
- |
- |
- |
17,89 |
24,35 |
31,80 |
47,98 |
64,07 |
75,63 |
95,30 |
118,3 |
144,2 |
180,5 |
223,3 |
278,8 |
|
2500 |
- |
- |
- |
- |
- |
- |
27,17 |
35,49 |
53,75 |
71,92 |
84,64 |
106,90 |
132,8 |
161,9 |
203,7 |
250,2 |
312,5 |
|
2800 |
- |
- |
- |
- |
- |
- |
- |
39,75 |
60,40 |
80,98 |
95,04 |
120,20 |
149,5 |
182,3 |
230,3 |
281,5 |
351,4 |
|
3150 |
- |
- |
-. |
- |
- |
- |
- |
- |
68,22 |
91,70 |
107,20 |
135,80 |
171,7 |
206,1 |
261,3 |
318,1 |
396,7 |
|
3550 |
- |
- |
- |
- |
- |
- |
- |
- |
- |
- |
121,15 |
153,60 |
191,1 |
233,3 |
296,7 |
359,9 |
448,5 |
|
4000 |
- |
- |
- |
- |
- |
- |
- |
- |
- |
- |
- |
- |
216,2 |
263,8 |
336,8 |
406,4 |
506,9 |
|
4500 |
- |
- |
- |
- |
- |
- |
- |
- |
- |
- |
- |
- |
- |
297,8 |
381,2 |
458,5 |
571,6 |
|
5000 |
- |
- |
- |
- |
- |
- |
- |
- |
- |
- |
- |
- |
- |
- |
- |
510,6 |
636,4 |
Таблица Б.3
Размеры в миллиметрах
|
Длина* шпильки L |
Теоретическая масса шпильки (поз. 8 и 10), кг, при номинальном диаметре резьбы d | |||||||
|
12 |
16 |
20 |
24 |
30 |
36 |
42 |
48 | |
|
150 |
0,15 |
0,27 |
- |
- |
- |
- |
- |
- |
|
200 |
0,19 |
0,35 |
0,55 |
- |
- |
- |
- |
- |
|
250 |
0,24 |
0,43 |
0,67 |
0,99 |
1,58 |
- |
- |
- |
|
300 |
0,28 |
0,51 |
0,80 |
1,17 |
1,86 |
2,74 |
- |
- |
|
350 |
0,32 |
0,58 |
0,92 |
1,35 |
2,14 |
3,14 |
4,35 |
- |
|
400 |
0,37 |
0,66 |
1,04 |
1,53 |
2,41 |
3,53 |
4,90 |
6,53 |
|
450 |
0,41 |
0,74 |
1,17 |
1,70 |
2,69 |
3,93 |
5,44 |
7,24 |
|
500 |
0,46 |
0,82 |
1,29 |
1,88 |
2,97 |
4,33 |
5,98 |
7,90 |
|
600 |
0,55 |
0,98 |
1,54 |
2,24 |
3,53 |
5,12 |
7,07 |
9,37 |
|
710 |
- |
1,15 |
1,81 |
2,63 |
4,14 |
6,01 |
8,26 |
10,93 |
|
800 |
- |
- |
2,03 |
2,95 |
4,63 |
6,72 |
9,25 |
12,21 |
|
900 |
- |
- |
- |
3,30 |
5,19 |
7,52 |
10,33 |
13,63 |
|
1000 |
- |
- |
- |
- |
5,74 |
8,32 |
11,42 |
15,05 |
|
1120 |
- |
- |
- |
- |
6,40 |
9,28 |
12,72 |
16,75 |
|
1250 |
- |
- |
- |
- |
- |
10,32 |
14,14 |
18,60 |
|
1320 |
- |
- |
- |
- |
- |
- |
14,90 |
19,59 |
|
1400 |
- |
- |
- |
- |
- |
- |
- |
20,73 |
Примечание к таблицам Б.1, Б.2, Б.3 - *Длина принята в соответствии с ГОСТ 6636.
Приложение В
(справочное)
Таблица В.1
Размеры в миллиметрах
|
Длина* анкерной арматуры L1 |
Теоретическая масса анкерной арматуры, кг, исполнение | ||||||||||||||||||||
|
1 |
2 |
3 |
2 |
3 |
2 |
3 |
2 |
3 |
2 |
3 |
2 |
3 |
2 | ||||||||
|
Номинальный диаметр резьбы | |||||||||||||||||||||
|
24 |
30 |
36 |
42 |
48 |
56 |
64 |
72 |
80 |
90 |
100 |
110 |
125 | |||||||||
|
400 |
4,76 |
- |
- |
- |
- |
- |
- |
- |
- |
- |
- |
- |
- |
- |
- |
- |
- |
- |
- | ||
|
500 |
5,24 |
6,02 |
- |
- |
- |
- |
- |
- |
- |
- |
- |
- |
- |
- |
- |
- |
- |
- |
- | ||
|
600 |
5,73 |
6,51 |
10,57 |
- |
- |
- |
- |
- |
- |
- |
- |
- |
- |
- |
- |
- |
- |
- |
- | ||
|
710 |
6,27 |
7,05 |
11,48 |
14,41 |
- |
- |
- |
- |
- |
- |
- |
- |
- |
- |
- |
- |
- |
- |
- | ||
|
800 |
6,70 |
7,48 |
12,25 |
15,18 |
19,94 |
- |
- |
- |
- |
- |
- |
- |
- |
- |
- |
- |
- |
- |
- | ||
|
900 |
7,19 |
7,97 |
13,09 |
16,02 |
20,90 |
- |
- |
- |
- |
- |
- |
- |
- |
- |
- |
- |
- |
- |
- | ||
|
1000 |
7,68 |
8,46 |
13,92 |
16,85 |
21,87 |
- |
- |
- |
- |
- |
- |
- |
- |
- |
- |
- |
- |
- |
- | ||
|
1120 |
8,17 |
9,05 |
14,93 |
17,85 |
23,03 |
- |
- |
- |
- |
- |
- |
- |
- |
- |
- |
- |
- |
- |
- | ||
|
1250 |
8,90 |
9,68 |
16,02 |
18,94 |
24,29 |
- |
- |
- |
- |
- |
- |
- |
- |
- |
- |
- |
- |
- |
- | ||
|
1320 |
9,25 |
10,03 |
16,63 |
19,53 |
24,95 |
- |
- |
- |
- |
- |
- |
- |
- |
- |
- |
- |
- |
- |
- | ||
|
1400 |
- |
10,42 |
17,30 |
20,20 |
25,73 |
- |
- |
- |
- |
- |
- |
- |
- |
- |
- |
- |
- |
- |
- | ||
|
1500 |
- |
- |
18,14 |
21,04 |
26,70 |
- |
- |
- |
- |
- |
- |
- |
- |
- |
- |
- |
- |
- |
- | ||
|
1600 |
- |
- |
- |
21,88 |
27,66 |
- |
- |
- |
- |
- |
- |
- |
- |
- |
- |
- |
- |
- |
- | ||
|
1700 |
- |
- |
- |
- |
28,63 |
- |
- |
- |
- |
- |
- |
- |
- |
- |
- |
- |
- |
- |
- | ||
|
1800 |
- |
- |
- |
- |
- |
43,85 |
34,14 |
- |
- |
- |
- |
- |
- |
- |
- |
- |
- |
- |
- | ||
|
2000 |
- |
- |
- |
- |
- |
45,78 |
36,07 |
62,82 |
44,13 |
- |
- |
- |
- |
- |
- |
- |
- |
- |
- | ||
|
2240 |
- |
- |
- |
- |
- |
48,10 |
38,39 |
65,72 |
47,05 |
87,01 |
61,8 |
- |
- |
- |
- |
- |
- |
- |
- | ||
|
2500 |
- |
- |
- |
- |
- |
50,62 |
40,91 |
68,90 |
50,21 |
90,66 |
65,33 |
94,37 |
80,73 |
- |
- |
- |
- |
- |
- | ||
|
2800 |
- |
- |
- |
- |
- |
- |
- |
72,54 |
53,85 |
94,32 |
69,41 |
99,88 |
85,24 |
140,7 |
110,0 |
- |
- |
- |
- | ||
|
3150 |
- |
- |
- |
- |
- |
- |
- |
- |
- |
98,90 |
74,17 |
104,15 |
90,51 |
147,0 |
116,4 |
181,5 |
134,6 |
- |
- | ||
|
3550 |
- |
- |
- |
- |
- |
- |
- |
- |
- |
- |
- |
110,16 |
96,52 |
154,3 |
123,6 |
189,5 |
142,6 |
236,0 |
- | ||
|
4000 |
- |
- |
- |
- |
- |
- |
- |
- |
- |
- |
- |
- |
- |
162,4 |
131,8 |
198,6 |
151,7 |
245,7 |
313,20 | ||
|
4500 |
- |
- |
- |
- |
- |
- |
- |
- |
- |
- |
- |
- |
- |
- |
- |
208,6 |
161,7 |
256,4 |
337,7 | ||
Таблица В.2
Размеры в миллиметрах
|
Длина* трубы L1 |
Теоретическая масса трубы, кг, при номинальном наружном диаметре D и толщине стенки S (D х S) | |||||||||
|
60х3,5 |
89x4 |
102х4 |
114x4,5 |
127x4,5 |
140x4,5 |
152х5 |
168x5 |
180x5 |
203x6 | |
|
400 |
1,95 |
- |
- |
- |
- |
- |
- |
- |
- |
- |
|
500 |
2,44 |
- |
- |
- |
- |
- |
- |
- |
- |
- |
|
600 |
2,93 |
5,03 |
- |
- |
- |
- |
- |
- |
- |
- |
|
710 |
3,47 |
5,95 |
- |
- |
- |
- |
- |
- |
- |
- |
|
800 |
3,90 |
6,71 |
7,74 |
- |
- |
- |
- |
- |
- |
- |
|
900 |
4,39 |
7,55 |
8,70 |
- |
- |
- |
- |
- |
- |
- |
|
1000 |
4,88 |
8,38 |
9,67 |
- |
- |
- |
- |
- |
- |
- |
|
1120 |
5,47 |
9,38 |
10,83 |
- |
- |
- |
- |
- |
- |
- |
|
1250 |
6,10 |
10,47 |
12,09 |
- |
- |
- |
- |
- |
- |
- |
|
1320 |
6,44 |
11,07 |
12,76 |
- |
- |
- |
- |
- |
- |
- |
|
1400 |
6,83 |
11,73 |
13,54 |
- |
- |
- |
- |
- |
- |
- |
|
1500 |
- |
12,58 |
14,50 |
- |
- |
- |
- |
- |
- |
- |
|
1600 |
- |
13,41 |
15,48 |
- |
- |
- |
- |
- |
- |
- |
|
1700 |
- |
- |
16,43 |
- |
- |
- |
- |
- |
- |
- |
|
1800 |
- |
- |
17,41 |
- |
- |
- |
- |
- |
- |
- |
|
2000 |
- |
- |
19,34 |
24,30 |
- |
- |
- |
- |
- |
- |
|
2240 |
- |
- |
21,66 |
27,22 |
30,44 |
- |
- |
- |
- |
- |
|
2500 |
- |
- |
24,18 |
30,38 |
33,97 |
37,60 |
- |
- |
- |
- |
|
2800 |
- |
- |
- |
30,02 |
38,05 |
42,11 |
50,76 |
- |
- |
- |
|
3150 |
- |
- |
- |
- |
42,81 |
47,38 |
57,11 |
63,32 |
- |
- |
|
3550 |
- |
- |
- |
- |
- |
53,39 |
64,36 |
71,35 |
76,64 |
- |
|
4000 |
- |
- |
- |
- |
- |
- |
72,52 |
80,40 |
86,36 |
116,56 |
|
4500 |
- |
- |
- |
- |
- |
- |
- |
90,45 |
97,15 |
131,13 |
Примечание к таблицам В.1, В.2 - *Длина принята в соответствии с ГОСТ 6636.
Приложение Г
(рекомендуемое)
Г.1 Изогнутые болты исполнение 1 устанавливают до бетонирования фундаментов (см. рисунок Г.1, пример 1).
Г.2 Изогнутые болты исполнение 2 устанавливают в колодцах готовых фундаментов с последующим заполнением колодцев бетоном (см. рисунок Г.1, пример 2).
Г.3 Болты с анкерной плитой исполнений 1-3 устанавливают до бетонирования фундаментов (см. рисунок Г.1, примеры 3, 4 и 5).
Г.4 При установке составных болтов исполнений 1 и 2 нижнюю шпильку совместно с муфтой и анкерной плитой устанавливают до бетонирования фундамента. Верхнюю шпильку ввертывают в муфту и прихватывают сваркой после установки оборудования (см. рисунок Г.1, пример 6), которое монтируют методом поворота или надвижки.
Г.5 При установке съемных болтов исполнений 1-3 анкерную арматуру устанавливают до бетонирования фундаментов, а шпильки - после устройства фундамента (см. рисунок Г.1, примеры 7-9).
Г.6 Болты прямые и с коническим концом исполнения 1-3 устанавливают в просверленные скважины готовых фундаментов.
Болты прямые закрепляют с помощью эпоксидного или силоксанового клеев (см. рисунок Г.1, пример 10) или виброзачеканкой цементно-песчаной смесью (см. рисунок Г.1, пример 11).
Болты с коническим концом закрепляют с помощью разжимной цанги (см. пример 12) или цементным раствором при вибропогружении в него шпильки болта (см. рисунок Г.1, пример 13).
Г.7 Глубину заделки болтов в бетон (размер Н), состав и марки бетона фундаментов, цементно-песчаной смеси, цементного раствора и клея назначают в соответствии с действующими нормативными документами, утвержденными в установленном порядке.
Пример 1

Пример 2

Пример 3

Пример 4

Пример 5

Пример 6

Пример 7

Рисунок Г.1. Примеры установки болтов в фундамент, лист 1
Пример 8

Пример 9

Пример 10

Пример 11

Пример 12

Пример 13

1 - фундамент; 2 - подливка; 3 – оборудование или строительная конструкция; 4 - колодец; 5 – бетон на мелком заполнителе; 6 - скважина; 7 - клеевой состав; 8 - цементно-песчаная смесь; 9 - цементный раствор
Рисунок Г.1, лист 2


