ГОСТ 21779-82 (СТ СЭВ 2681-80) СИСТЕМА ОБЕСПЕЧЕНИЯ ТОЧНОСТИ ГЕОМЕТРИЧЕСКИХ ПАРАМЕТРОВ В СТРОИТЕЛЬСТВЕ. ТЕХНОЛОГИЧЕСКИЕ ДОПУСКИ
System of ensuring of geometrical parameters accuracy in construction. Manufacturing and assembling toleranses
Срок введения установлен с 1 января 1983 г.
Взамен ГОСТ 21779-76
Настоящий стандарт распространяется на проектирование и строительство зданий и сооружений, а также проектирование и изготовление элементов для них (конструкций, изделий, деталей) и устанавливает основные принципы регламентации, номенклатуру и значения технологических допусков геометрических параметров.
Стандарт не устанавливает допуски шероховатости поверхностей.
В соответствии с требованиями настоящего стандарта во вновь разрабатываемых и пересматриваемых стандартах и другой нормативно-технической документации, а также в рабочей и технологической документации устанавливают точность:
изготовления элементов из различных материалов;
выполнения разбивочных работ при строительстве зданий и сооружений и монтаже технологического оборудования;
выполнения строительных и монтажных работ.
При необходимости применения посадок строительных элементов с отрицательными и пулевыми зазорами следует руководствоваться стандартами CT СЭВ 145-75, CT СЭВ 144-75 и ГОСТ 6449-76.
Стандарт соответствует CT СЭВ 2681-80 в части, указанной в справочном приложении 1.
Пояснения терминов, применяемых в настоящем стандарте, приведены в справочном приложении 2.
1.1. Значения технологических допусков изготовления элементов зданий и сооружений и выполнения разбивочных, строительных и монтажных работ принимают согласно ГОСТ 21778-81 и ГОСТ 21780-76 в пределах установленных настоящим стандартом классов точности выполняемых процессов и операций и в зависимости от используемых средств технологического обеспечения и контроля точности.
На основе принятых значений технологических допусков устанавливают симметричные или несимметричные предельные отклонения, сумма абсолютных значений которых должна быть равна допуску.
1.2. Соответствие принимаемых технологических допусков и предельных отклонений геометрических параметров используемым средствам технологического обеспечения и контроля точности устанавливают на основе статистического анализа точности технологических процессов и операций согласно ГОСТ 23615-79.
1.3. Технологические допуски и предельные отклонения различных геометрических параметров здания, сооружения или их отдельного элемента должны, как правило, назначаться разных классов точности в зависимости от функциональных, конструктивных, технологических и экономических требований.
Если указанные требования не предъявляют, точность соответствующих параметров допускается не регламентировать.
1.4. При назначении технологических допусков и предельных отклонений геометрических параметров необходимо указывать методы и условия измерения этих параметров.
1.5. Границы интервалов номинальных размеров, для которых установлены технологические допуски, приняты в настоящем стандарте на основе рядов предпочтительных чисел, установленных ГОСТ 6636-69. При этом значения технологических допусков ∆x в миллиметрах вычислены по формуле
∆x=i·K,
где i - единица допуска, определяемая в зависимости от значения нормируемого геометрического параметра по формулам рекомендуемого приложения 3, мм;
K - коэффициент точности, устанавливающий число единиц допуска для данного класса точности.
2.1. Точность изготовления элементов характеризуют допусками и предельными отклонениями их линейных размеров (черт. 1), а также формы и взаимного положения поверхностей.
Допуск и отклонение от линейных размеров элементов
Черт. 1
Примечание. Обозначения допусков и отклонений - по ГОСТ 21778-81.
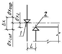
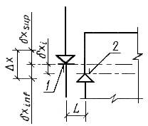
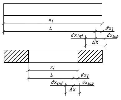
Допуск прямолинейности и отклонение от прямолинейности

а - допуск и отклонение от прямолинейности при измерениях на заданной длине; б - то же, при измерениях на всей длине; 1 - условная (прилегающая) прямая; 2 - прямые, ограничивающие поле допуска; 3 - реальный профиль; 4 - условная (проходящая через крайние точки) прямая
Черт. 2
Примечание. При измерениях на заданной длине δxinf=0 и δxsup=∆x; при измерениях на всей длине δxinf=δxsup=0, 5∆x.
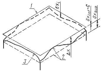
Допуски и предельные отклонения формы и взаимного положения поверхностей устанавливают, если требуется ограничить искажения формы элементов, невыявляемые при контроле точности линейных размеров. При этом точность формы поверхностей призматических прямоугольных элементов характеризуют допусками прямолинейности и предельными отклонениями от прямолинейности (черт. 2) и допусками плоскостности и предельными отклонениями от плоскостности (черт. 3), а точность взаимного положения поверхностей этих элементов - допусками перпендикулярности и предельными отклонениями от перпендикулярности (черт. 4).
Допуск плоскостности и отклонение от плоскостности
а
б
а - допуск плоскостности и отклонение от плоскостности при измерениях от прилегающей плоскости; б - то же, при измерениях от условной плоскости, проходящей через три крайние точки реальной поверхности; 1 - условная (прилегающая) плоскость; 2 - плоскости, ограничивающие поле допуска; 3 - реальная поверхность; 4 - условная (проходящая через три крайние точки) плоскость
Черт. 3
Примечание. При измерениях от прилегающей плоскости δxinf=0 и δxsup=∆x; при измерениях от условной плоскости δxinf=δxsup=0, 5∆x.
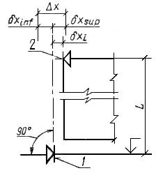
Допуски перпендикулярности и отклонения от перпендикулярности
а
а - допуск и отклонения при измерениях на заданной длине; б - то же, при измерениях на всей длине; 1 - условная (прилегающая) плоскость; 2 - реальная поверхность; 3 – условная (проходящая через крайние точки) плоскость
Черт. 4
Таблица 1
мм
|
Интервал номинального размера L |
Значение допуска для класса точности | |||||||||||
|
1 |
2 |
3 |
4 |
5 |
6 |
7 |
8 |
9 | ||||
|
Св. |
20 60 120 250 500 1000 1600 2500 4000 8000 16000 25000 40000 |
До до |
20 60 120 250 500 1000 1600 2500 4000 8000 16000 25000 40000 60000 |
0, 24 0, 30 0, 40 0, 50 0, 60 0, 80 1, 00 1, 20 1, 60 2, 00 2, 40 3, 00 4, 00 5, 00 |
0, 4 0, 5 0, 6 0, 8 1, 0 1, 2 1, 6 2, 0 2, 4 3, 0 4, 0 5, 0 6, 0 8, 0 |
0, 6 0, 8 1, 0 1, 2 1, 6 2, 0 2, 4 3, 0 4, 0 5, 0 6, 0 8, 0 10, 0 12, 0 |
1, 0 1, 2 1, 6 2, 0 2, 4 3, 0 4, 0 5, 0 6, 0 8, 0 10, 0 12, 0 16, 0 20, 0 |
1, 6 2, 0 2, 4 3, 0 4, 0 5, 0 6, 0 8, 0 10, 0 12, 0 16, 0 20, 0 24, 0 30, 0 |
2, 4 3, 0 4, 0 5, 0 6, 0 8, 0 10, 0 12, 0 16, 0 20, 0 24, 0 30, 0 40, 0 50, 0 |
4 5 6 8 10 12 16 20 24 30 40 50 60 80 |
6 8 10 12 16 20 24 30 40 50 60 80 100 120 |
10 12 16 20 24 30 40 50 60 80 100 120 160 200 |
|
Значения K |
0, 10 |
0, 16 |
0, 25 |
0, 40 |
0, 60 |
1, 0 |
1, 6 |
2, 5 |
4, 0 | |||
Таблица 2
мм
|
Интервал номинального размера L |
Значение допуска для класса точности | ||||||||
|
1 |
2 |
3 |
4 |
5 |
6 | ||||
|
Св. |
1000 1600 2500 4000 8000 16000 25000 40000 |
До до |
1000 1600 2500 4000 8000 16000 25000 40000 60000 |
2, 0 2, 4 3, 0 4, 0 5, 0 6, 0 8, 0 10, 0 12, 0 |
3 4 5 6 8 10 12 16 20 |
5 6 8 10 12 16 20 24 30 |
8 10 12 16 20 24 30 40 50 |
12 16 20 24 30 40 50 60 80 |
20 24 30 40 50 60 80 100 120 |
|
Значения K |
0, 25 |
0, 4 |
0, 6 |
1, 0 |
1, 6 |
2, 5 | |||
Таблица 3
мм
|
Интервал номинального размера L |
Значение допуска для класса точности | |||||||||||
|
1 |
2 |
3 |
4 |
5 |
6 |
7 |
8 |
9 | ||||
|
Св. |
250 500 1000 1600 2500 |
До до |
250 500 1000 1600 2500 4000 |
0, 5 0, 6 0, 8 1, 0 1, 2 1, 6 |
0, 8 1, 0 1, 2 1, 6 2, 0 2, 4 |
1, 2 1, 6 2, 0 2, 4 3, 0 4, 0 |
2, 0 2, 4 3, 0 4, 0 5, 0 6, 0 |
3 4 5 6 8 10 |
5 6 8 10 12 16 |
8 10 12 16 20 24 |
12 16 20 24 30 40 |
20 24 30 40 50 60 |
|
Значения K |
0, 16 |
0, 25 |
0, 4 |
0, 6 |
1, 0 |
1, 6 |
2, 5 |
4, 0 |
6, 0 | |||
Таблица 4
мм
|
Интервал номинального размера L |
Значение допуска для класса точности | ||||||||
|
1 |
2 |
3 |
4 |
5 |
6 | ||||
|
Св. |
4000 8000 16000 25000 40000 |
До до |
4000 8000 16000 25000 40000 60000 |
4 5 6 8 10 12 |
6 8 10 12 16 20 |
10 12 16 20 24 30 |
16 20 24 30 40 50 |
24 30 40 50 60 80 |
40 50 60 80 100 120 |
|
Значения K |
0, 25 |
0, 4 |
0, 6 |
1, 0 |
1, 6 |
2, 5 | |||
2.2. Допуски линейных размеров элементов регламентируют точность их изготовления по длине, ширине, высоте, толщине или диаметру, точность размеров и положения выступов, выемок, отверстий, проемов, крепежных и соединительных деталей, а также точность положения наносимых на элементы ориентиров. Эти допуски принимают по табл. 1 в зависимости от номинального размера L, точность которого нормируют.
2.3. Допуски прямолинейности принимают по табл. 2 для рассматриваемых сечений элемента на всю длину элемента или на заданной длине в зависимости от номинального значения этого размера. Значения заданной длины выбирают из ряда: 400, 600, 1000, 1600 и 2500 мм.
2.4. Допуски плоскостности принимают по табл. 2 для всей рассматриваемой поверхности элемента в зависимости от большего номинального размера L поверхности элемента.
2.5. Допуски перпендикулярности рассматриваемых поверхностей элемента принимают по табл. 3 в зависимости от меньшего номинального размера L поверхностей, перпендикулярность которых регламентируют, или заданной длины в сечении элемента. Значения заданной длины выбирают из ряда: 400, 500, 600, 800 и 1000 мм.
Для крупноразмерных элементов перпендикулярность их поверхностей допускается регламентировать допусками равенства диагоналей, значения которых принимают по табл. 4 в зависимости от большего номинального размера L поверхности, для которой назначают разность диагоналей.
2.6. Допусками прямолинейности, плоскостности и перпендикулярности поверхностей следует также регламентировать точность формы и взаимного положения отдельных поверхностей простых непризматических элементов.
Точность размеров, формы и взаимного положения поверхностей элементов, имеющих сложное очертание, регламентируют допусками линейных размеров, определяющих положение характерных точек этих элементов в принятой системе координат.
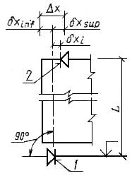
3.1. Точность разбивочных работ характеризуют допусками и предельными отклонениями разбивки точек и осей в плане (черт. 5) и передачи точек и осей по вертикали (черт. 6), допусками створности и предельными отклонениями от створности точек (черт. 7), допусками и предельными отклонениями разбивки высотных отметок (черт. 8) и передачи высотных отметок (черт. 9), а также допусками перпендикулярности и предельными отклонениями от перпендикулярности осей (черт. 10).
3.2. Допуски разбивки точек и осей в плане принимают по табл. 5 в зависимости от номинального расстояния L, точность которого нормируют.
Допуск и отклонение разбивки точек и осей в плане
1 - ориентир, принимаемый за начало отсчета; 2 - ориентир, устанавливаемый в результате разбивки
Черт. 5
Допуск и отклонение передачи точек и осей по вертикали
1 - ориентир, принимаемый за начало отсчета; 2 - ориентир, устанавливаемый в результате передачи
Черт. 6
Допуск створности и отклонение от створности точек
1 - ориентир, принимаемый за начало отсчета; 2 - ориентир, устанавливаемый в результате разбивки
Черт. 7
Допуск и отклонение разбивки высотных отметок
1 - ориентир, принимаемый за начало отсчета; 2 - ориентир, устанавливаемый в результате разбивки
Черт. 8
Допуск и отклонение передачи высотных отметок
1 - ориентир, принимаемый за начало отсчета; 2 - ориентир, устанавливаемый в результате передачи
Черт. 9
Допуск перпендикулярности и отклонение от перпендикулярности осей
1 - ориентиры, определяющие положение оси а; 2 - ориентир, принимаемый за начало отсчета при разбивке оси б; 3 - ориентир, устанавливаемый при разбивке оси б
Черт. 10
Таблица 5
мм
|
Интервал номинального размера L |
Значение допуска для класса точности | ||||||||
|
1 |
2 |
3 |
4 |
5 |
6 | ||||
|
Св. |
2500 4000 8000 16000 25000 40000 60000 100000 |
До до |
2500 4000 8000 16000 25000 40000 60000 100000 160000 |
0, 6 1, 0 1, 6 2, 4 4, 0 6, 0 10, 0 16, 0 24, 0 |
1, 0 1, 6 2, 4 4, 0 6, 0 10, 0 16, 0 24, 0 40, 0 |
1, 6 2, 4 4, 0 6, 0 10, 0 16, 0 24, 0 40, 0 60, 0 |
2, 4 4, 0 6, 0 10, 0 16, 0 24, 0 40, 0 60, 0 100, 0 |
4 6 10 16 24 40 60 100 160 |
6 10 16 24 40 60 100 160 - |
|
Значения K |
0, 25 |
0, 4 |
0, 6 |
1, 0 |
1, 6 |
2, 5 | |||
Таблица 6
мм
|
Интервал номинального размера |
Значение допуска для класса точности | ||||||||||||
|
Н |
L |
1 |
2 |
3 |
4 |
5 |
6 | ||||||
|
Св. " " " " " " " |
2500 4000 8000 16000 25000 40000 60000 100000 |
До до " " " " " " " |
2500 4000 8000 1600 25000 40000 60000 100000 160000 |
Св. " " " " " " " |
4000 8000 16000 25000 40000 60000 100000 |
До до " " " " " " " |
4000 8000 16000 25000 40000 60000 100000 160000 |
- - 0, 6 1, 0 1, 6 2, 4 4, 0 6, 0 10, 0 |
- 0, 6 1, 0 1, 6 2, 4 4, 0 6, 0 10, 0 16, 0 |
0, 6 1, 0 1, 6 2, 4 4, 0 6, 0 10, 0 16, 0 24, 0 |
1, 0 1, 6 2, 4 4, 0 6, 0 10, 0 16, 0 24, 0 40, 0 |
1, 6 2, 4 4, 0 6, 0 10, 0 16, 0 24, 0 40, 0 60, 0 |
2, 4 4, 0 6, 0 10, 0 16, 0 24, 0 40, 0 60, 0 - |
|
Значения K |
0, 25 |
0, 4 |
0, 6 |
1, 0 |
1, 6 |
2, 5 | |||||||
Таблица 7
мм
|
Интервал номинального размера |
Значение допуска для класса точности | ||||||||||||
|
H |
L |
1 |
2 |
3 |
4 |
5 |
6 | ||||||
|
Св. " " " " " " " |
2500 4000 8000 16000 25000 40000 60000 100000 |
До до " " " " " " " |
2500 4000 8000 16000 25000 40000 60000 100000 160000 |
Св. " " " " " |
8000 16000 25000 40000 60000 100000 - - |
До до " " " " " |
8000 16000 25000 40000 60000 100000 160000 - - |
- 0, 6 1, 0 1, 6 2, 4 4, 0 6, 0 10, 0 16, 0 |
0, 6 1, 0 1, 6 2, 4 4, 0 6, 0 10, 0 16, 0 24, 0 |
1, 0 1, 6 2, 4 4, 0 6, 0 10, 0 16, 0 24, 0 40, 0 |
1, 6 2, 4 4, 0 6, 0 10, 0 16, 0 24, 0 40, 0 60, 0 |
2, 4 4, 0 6, 0 10, 0 16, 0 24, 0 40, 0 60, 0 100, 0 |
4 6 10 16 24 40 60 100 160 |
|
Значения K |
0, 25 |
0, 4 |
0, 6 |
1, 0 |
1, 6 |
2, 5 | |||||||
3.3. Допуски передачи точек и осей по вертикали принимают по табл. 6 в зависимости от номинального расстояния Н между горизонтами.
3.4. Допуски створности точек принимают по табл. 6 в зависимости от номинальной длины L разбиваемой оси.
3.5. Допуски разбивки высотных отметок принимают по табл. 7 в зависимости от номинального расстояния Н между горизонтами.
3.6. Допуски передачи высотных отметок принимают по табл. 7 в зависимости от номинального расстояния L до рассматриваемой высотной отметки.
3.7. Допуски перпендикулярности осей принимают по табл. 7 в зависимости от номинального расстояния L до рассматриваемой точки. При номинальном значении угла между осями, не равном 90°, допуски угла также принимают по табл. 7 в зависимости от номинального расстояния L до рассматриваемой точки.
3.8. Допуски разбивочных работ по табл. 5-7 даны с учетом точности нанесения и закрепления соответствующих точек и осей.
4.1. Точность геометрических параметров зданий, сооружений и их элементов, возводимых из мелкоразмерных, монолитных и сыпучих материалов, и точность выполнения земляных работ устанавливают в соответствии с разд. 2.
4.2. Точность установки элементов сборных зданий и сооружений характеризуют допусками совмещения и отклонениями от совмещения ориентиров (точек, линий, поверхностей) (черт. 11) и допусками симметричности и отклонениями от симметричности установки элементов (черт. 12).
4.3. Допуски совмещения ориентиров принимают по табл. 8 в зависимости от номинального расстояния L между ними.
4.4. Допуски симметричности установки элементов принимают по табл. 9 в зависимости от номинального значения геометрического параметра L.
4.5. Допуски строительных и монтажных работ в табл. 8 и 9 характеризуют точность установки элементов после проектного закрепления. Точность установки элементов при временном закреплении в зависимости от способа закрепления следует принимать на 1-2 класса выше.
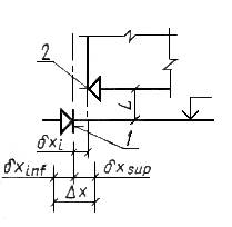
Допуск совмещения и отклонение от совмещения ориентиров
![]() | ![]() |
![]() | ![]() |
![]() | ![]() |
1 - ориентир, принимаемый за начало отсчета; 2 - ориентир устанавливаемого элемента
Черт. 11
Допуск симметричности и отклонение от симметричности установки элементов
![]() | ![]() |
1 - установленный элемент;
2 - устанавливаемый элемент
Черт. 12
Таблица 8
мм
|
Интервал номинального размера L |
Значение допуска для класса точности | |||||
|
1 |
2 |
3 |
4 |
5 |
6 | |
|
До 120 |
1, 6 |
2, 4 |
4 |
6 |
10 |
16 |
|
Св. 120 до 250 |
2, 0 |
3, 0 |
5 |
8 |
12 |
20 |
|
“ 250 “ 500 |
2, 4 |
4, 0 |
6 |
10 |
16 |
24 |
|
“ 500 “ 1000 |
3, 0 |
5, 0 |
8 |
12 |
20 |
30 |
|
“ 1000 “ 1600 |
4, 0 |
6, 0 |
10 |
16 |
24 |
40 |
|
“ 1600 “ 2500 |
5, 0 |
8, 0 |
12 |
20 |
30 |
50 |
|
“ 2500 “ 4000 |
6, 0 |
10, 0 |
16 |
24 |
40 |
60 |
|
“ 4000 “ 8000 |
8, 0 |
12, 0 |
20 |
30 |
50 |
80 |
|
“ 8000 “ 16000 |
10, 0 |
16, 0 |
24 |
40 |
60 |
100 |
|
“ 16000 “ 25000 |
12, 0 |
20, 0 |
30 |
50 |
80 |
120 |
|
“ 25000 “ 40000 |
16, 0 |
24, 0 |
40 |
60 |
100 |
160 |
|
“ 40000 “ 60000 |
20, 0 |
30, 0 |
50 |
80 |
120 |
200 |
|
Значения К |
0, 25 |
0, 4 |
0, 6 |
1, 0 |
1, 6 |
2, 5 |
Таблица 9
мм
|
Интервал номинального размера L |
Значение допуска для класса точности | |||||
|
1 |
2 |
3 |
4 |
5 |
6 | |
|
До 2500 |
2, 0 |
3 |
5 |
8 |
12 |
20 |
|
Св. 2500 до 4000 |
2, 4 |
4 |
6 |
10 |
16 |
24 |
|
“ 4000 “ 8000 |
3, 0 |
5 |
8 |
12 |
20 |
30 |
|
“ 8000 “ 16000 |
4, 0 |
6 |
10 |
16 |
24 |
40 |
|
“ 16000 “ 25000 |
5, 0 |
8 |
12 |
20 |
30 |
50 |
|
“ 25000 “ 40000 |
6, 0 |
10 |
16 |
24 |
40 |
60 |
|
“ 40000 “ 60000 |
8, 0 |
12 |
20 |
30 |
50 |
80 |
|
Значения К |
0, 25 |
0, 4 |
0, 6 |
1, 0 |
1, 6 |
2, 5 |
Приложение 1
Справочное
Первый абзац вводной части ГОСТ 21779-82 включает требования вводной части СТ СЭВ 2681-80.
П. 1.1 ГОСТ 21779-82 включает требования п. 1.1 СТ СЭВ 2681-80.
П. 1.2 ГОСТ 21779-82 включает требования п. 1.5 СТ СЭВ 2681-80.
П. 1.3 ГОСТ 21779-82 включает требования пп. 1.7 и 1.9 СТ СЭВ 2681-80
П. 1.4 ГОСТ 21779-82 включает требования п. 1.8 СТ СЭВ 2681-80.
П. 2.1 ГОСТ 21779-82 включает требования пп. 2.1 и 2.3 СТ СЭВ 2681-80.
Черт. 2 ГОСТ 21779-82 включает черт. 1 СТ СЭВ 2681-80.
Черт. 4 ГОСТ 21779-82 включает черт. 3 СТ СЭВ 2681-80.
П. 2.2 ГОСТ 21779-82 включает требования п. 2.2 СТ СЭВ 2681-80.
Табл. 1 ГОСТ 21779-82 включает табл. 1 информационного приложения 1 СТ СЭВ 2681-80.
П. 2.3 ГОСТ 21779-82 включает требования п. 2.4 СТ СЭВ 2681-80.
Табл. 2 ГОСТ 21779-82 включает табл. 1 информационного приложения 1 СТ СЭВ 2681-80.
П. 2.4 ГОСТ 21779-82 включает требования пп. 2.5 и 2.7 СТ СЭВ 2681-80.
П. 2.5 ГОСТ 21779-82 включает требования п. 2.6 СТ СЭВ 2681-80.
Табл. 3 ГОСТ 21779-82 включает табл. 1 информационного приложения 1 СТ СЭВ 2681-80.
П. 2.6 ГОСТ 21779-82 включает требованиям п. 2.8 СТ СЭВ 2681-80.
Табл. 4 ГОСТ 21779-82 включает табл. 1 информационного приложения 1 СТ СЭВ 2681-80.
П. 3.1 ГОСТ 21779-82 включает требования п. 3.1 СТ СЭВ 2681-80.
Черт. 5 ГОСТ 21779-82 включает черт. 4 СТ СЭВ 2681-80.
Черт. 6 ГОСТ 21779-82 включает черт. 5 СТ СЭВ 2681-80.
Черт. 8 ГОСТ 21779-82 включает черт. 6 СТ СЭВ 2681-80.
Табл. 5 ГОСТ 21779-82 включает табл. 2 информационного приложениия 1 СТ СЭВ 2681-80.
Табл. 6 ГОСТ 21779-82 включает табл. 2 информационного приложения 1 СТ СЭВ 2681-80.
Табл. 7 ГОСТ 21779-82 включает табл. 2 информационного приложения 1 СТ СЭВ 2681-80.
П. 3.8 ГОСТ 21779-82 включает требования п. 3.3 СТ СЭВ 2681-80.
П. 4.1 ГОСТ 21779-82 включает требования п. 1.1 СТ СЭВ 2661-80.
П. 4.2 ГОСТ 21779-82 включает требования п. 4.2 СТ СЭВ 2681-80.
Черт. 11 ГОСТ 21779-82 включает черт. 7 СТ СЭВ 2681-80.
Черт. 12 ГОСТ 21779-82 включает черт. 8 СТ СЭВ 2681-80.
Табл. 8 ГОСТ 21779-82 включает табл. 1 информационного приложения 1 СТ СЭВ 2681-80.
Табл. 9 ГОСТ 21779-82 включает табл. 1 информационного приложения 1 СТ СЭВ 2681-80.
Справочное приложение 2 ГОСТ 21779-82 включает информационное приложение 2 СТ СЭВ 2681-80.
Приложение 2
Справочное
Технологический допуск - по ГОСТ 21778-81.
Технологическое предельное отклонение - предельное отклонение геометрического параметра, устанавливающее точность выполнения соответствующего технологического процесса или операции.
Класс точности - по ГОСТ 21779-81.
Условная прямая (плоскость) - прямая (плоскость), принимаемая за начало отсчета отклонений и проходящая через заданные точки реального профиля (поверхности) или прилегающая к реальному профилю (поверхности).
Прилегающая прямая (плоскость) - по СТ СЭВ 301-76.
Приложение 3
Рекомендуемое
|
Характеристика технологического процесса или операции |
Вид допуска геометрического параметра |
Формула для вычисления, мм |
Значение α |
|
Изготовление |
Допуск линейного размера | где L, мм |
1, 0 |
|
Допуск прямолинейности |
1, 0 | ||
|
Допуск плоскостности |
1, 0 | ||
|
Допуск перпендикулярности |
0, 6 | ||
|
Допуск равенства диагоналей |
1, 0 | ||
|
Разбивка |
Допуск разбивки точек и осей в плане |
i=aiL, где L, м |
1, 0 |
|
Допуск передачи точек и осей по вертикали |
0, 4 | ||
|
Допуск створности точек |
0, 25 | ||
|
Допуск разбивки высотных отметок |
0, 6 | ||
|
Допуск передачи высотных отметок |
0, 25 | ||
|
Допуск перпендикулярности осей |
0, 4 | ||
|
Установка (монтаж) |
Допуск совмещения ориентиров | где L, мм |
1, 6 |
|
Допуск симметричности установки |
0, 6 |










