электронный сборник нормативных документов по строительству
Обновления
17.04.2026 22:49
электронный сборник нормативных документов по строительству

ГОСТ 21096-75 ПАНЕЛИ ОКОННЫЕ СТАЛЬНЫЕ ИЗ ГОРЯЧЕКАТАНЫХ И ГНУТЫХ ПРОФИЛЕЙ ДЛЯ ПРОИЗВОДСТВЕННЫХ ЗДАНИЙ

Введен в действие постановлением Госстроя СССР от 12 июня 1975 г. N 100
Государственный стандарт СССР ГОСТ 21096-75
"ПАНЕЛИ ОКОННЫЕ СТАЛЬНЫЕ ИЗ ГОРЯЧЕКАТАНЫХ И ГНУТЫХ ПРОФИЛЕЙ ДЛЯ ПРОИЗВОДСТВЕННЫХ ЗДАНИЙ"

Window steel panels of hot-rolled and roll-formed sections for industrial buildings

Дата введения 1 января 1976 г.

Настоящий стандарт распространяется на оконные стальные панели из горячекатаных и гнутых профилей с открывающимися и глухими створками, предназначенные для заполнения оконных проемов производственных зданий. Заполнение может производиться по высоте и ширине одной или несколькими панелями, при этом высота проема должна быть кратной 600 мм, но не более 18 м, а ширина - кратной 6000 мм.

Расчетная ветровая нагрузка - не более 882 Па (90 кгс/м2) при высоте панели 1800 мм и 1275 Па (130 кгс/м2) при высоте 1200 мм.

1. Типы и основные размеры

1.1. Типы и основные размеры панелей должны соответствовать указанным на черт. 1-4.

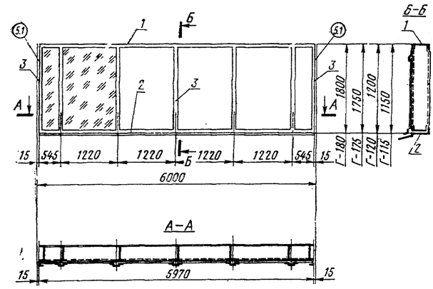
Панель глухая с одинарным остеклением

Тип Г

image001.gif

1 - верхний ригель рамы; 2 - нижний ригель рамы; 3 - стойки рамы

Черт. 1

Пример условного обозначения панели глухой с одинарным остеклением высотой 1200 мм:

Панель Г-120 ГОСТ 21096-75

Панель глухая с двойным остеклением

Тип ДГ

image002.gif

1 - верхний ригель рамы; 2 - нижний ригель рамы; 3 - стойки рамы; 4 - створки

Черт. 2

Пример условного обозначения панели глухой с двойным остеклением высотой 1200 мм:

Панель ДГ-120 ГОСТ 21096-75

Панель открывающаяся с одинарным остеклением

Тип О

image003.gif

1 - верхний ригель рамы; 2 - нижний ригель рамы; 3 - стойки рамы; 4 - створки

Черт. 3

Пример условного обозначения панели открывающейся с одинарным остеклением высотой 1200 мм:

Панель О-120 ГОСТ 21096-75

Панель открывающаяся с двойным остеклением

Тип ДО

image004.gif

1 - верхний ригель рамы; 2 - нижний ригель рамы; 3 - стойки рамы; 4 - створки

Черт. 4

Пример условного обозначения панели открывающейся с двойным остеклением высотой 1200 мм:

Панель ДО-120 ГОСТ 21096-75

Створка панели открывающаяся шириной 1150 мм

Тип С

image005.gif

Черт. 5

Пример условного обозначения створки открывающейся шириной 1150 мм и высотой 1124 мм:

Створка С-112 ГОСТ 21096-75

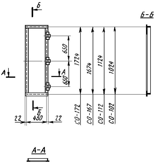
Створка панели открывающаяся

Тип СО

image006.jpg

Черт. 6

Пример условного обозначения створки открывающейся шириной 450 мм и высотой 1124 мм:

Створка С-112 ГОСТ 21096-75

Створка панели глухая

Тип СГ

image007.gif

Черт. 7

Пример условного обозначения створки глухой высотой 1074 мм:

Створка СГ-107 ГОСТ 21096-75

1.2. Панели подразделяются на основные - высотой 1200 и 1800 мм и доборные - высотой 1150 и 1750 мм.

1.3. В оконные проемы высотой 1200 и 1800 мм должны устанавливаться доборные панели, имеющие высоты соответственно 1150 и 1750 мм.

1.4. При установке панелей в оконные проемы по высоте в несколько рядов верхний ряд должен состоять из доборных панелей; в нижних рядах устанавливаются панели высотой 1200 или 1800 мм.

Примеры установки панелей в проемы указаны в приложении.

1.5. Типы и основные размеры открывающихся и глухих створок панелей должны соответствовать указанным на черт. 5-7.

2. Технические требования

2.1. Панели должны изготовляться в соответствии с требованиями настоящего стандарта по рабочим чертежам типовых конструкций, утвержденным в установленном порядке.

2.2. Материалы для изготовления элементов панелей должны соответствовать указанным в таблице.

Наименования элементов

Сортамент

Марки металла

Верхний ригель рамы

Швеллер 120х50х3 по ГОСТ 8278-83

Сталь марки ВСт3кп, 4 категории, IV группы отделки по ГОСТ 16523-89

Нижний ригель рамы

Профиль № 9 по ГОСТ 7511-73

То же

Стойки рамы

Швеллер 120х50х3 по ГОСТ 8278-83

"

Створки

Профиль № 5 по ГОСТ 7511-73

Сталь марки ВСт3кп2 по ГОСТ 380-88

Крепежные детали

Болты по ГОСТ 7798-70

То же

Гайки по ГОСТ 5915-70

"

Шайбы по ГОСТ 11371-78

"

2.3. Для остекления панелей должно применяться оконное листовое стекло толщиной 4 мм по ГОСТ 111-78.

2.4. Для уплотнения примыкания кромок стекла к металлическим деталям панелей следует применять прокладку из резины, соответствующей ТУ 38.005.204-71.

2.5. Конструкции приборов открывания должны обеспечивать возможность очистки остекления, а также смазки трущихся деталей, регулировки и производства ремонта в процессе эксплуатации без демонтажа панели.

2.6. Открывание створок панели должно осуществляться из помещения (по условиям, обеспечивающим охрану помещений), при этом створка под действием наружных воздействий и ветровых нагрузок не должна открываться.

2.7. Панели должны монтироваться на болтах. Электросварка при монтаже панелей не допускается.

2.8. Предельные отклонения размеров панелей в мм следующие:

 по длине панели                                                      +-5

 по высоте панели                                                     +-2

 между осями стоек рамы                                               +-2

 по ширине и высоте створок                                           +-1

2.9. Допуск перпендикулярности стоек панели и элементов створок не должен быть более 1 мм на 1 м высоты.

2.10. Допуск прямолинейности элементов не должен быть более 1 мм на длине 1 м и 2 мм на всей длине.

2.11. Допуск плоскостности панелей и ее составных частей не должен быть более 3 мм на всей длине и не более 1 мм на длине 1 м.

2.12. Защиту от коррозии стальных элементов панелей и их приборов открывания следует выполнять в соответствии с главой СНиП II-28-73.

Указанная защита должна выполняться на заводе-изготовителе.

Примечание. Допускалось выполнять на заводах-изготовителях до 01.01.79 только огрунтовку стальных элементов панелей и их приборов с последующим нанесением грунтовки и слоев лакокрасочного покрытия на месте монтажа.

3. Комплектность

3.1. Панели должны поставляться заводом-изготовителем комплектно по спецификации заказчика.

3.2. В состав поставляемого комплекта должны входить: панели в собранном виде со створками, детали крепления панелей, метизы, резиновый профиль для уплотнения остекления, а также приборы открывания.

Примечание. Допускалось поставлять до 01.01.79 панели без приборов открывания.

3.3. Стекло для панелей в состав поставляемого комплекта не входит.

4. Правила приемки и методы контроля

4.1. Приемка и поставка панелей производятся партиями. В состав партии должны входить панели одного типа, изготовленные заводом по одной и той же технологии из материалов одного качества, в количестве не более 200 шт.

4.2. Потребитель имеет право производить контрольную выборочную проверку соответствия панелей требованиям настоящего стандарта, соблюдая и применяя при этом указанные ниже порядок отбора образцов и методы их контроля.

4.3. Для контрольной проверки линейных размеров (пп. 1.1, 2.8), формы (пп. 2.9, 2.10, 2.11) и защитного покрытия панелей (п. 2.12) от каждой партии отбираются 10% панелей, но не менее 5 шт.

4.4. Размеры панелей следует проверять металлическими рулетками 2-го класса точности по ГОСТ 7502-80.

4.5. Определение твердости лакокрасочных покрытий - по ГОСТ 5233-67, а прочности пленки при ударе - по ГОСТ 4765-73.

4.6. При неудовлетворительных результатах проверки панелей проводят повторную проверку, для чего отбирают удвоенное количество панелей от той же партии. Если при повторной проверке образцы не будут удовлетворять требованиям настоящего стандарта, то производят поштучную приемку панелей.

5. Маркировка, упаковка, транспортирование и хранение

5.1. На стойках каждой панели с наружной стороны должно быть нанесено несмываемой краской условное обозначение панели.

5.2. Завод-изготовитель должен сопровождать каждую поставляемую партию панелей паспортом, в котором необходимо указывать:

а) наименование и адрес завода-изготовителя;

б) наименование и условное обозначение панелей;

в) количество и массу панелей;

г) дату изготовления;

д) обозначение серии рабочих чертежей и настоящего стандарта.

5.3. Упаковка панелей должна производиться пачками из 5 панелей одного типа.

5.4. Подъем, погрузка и выгрузка пачек должны производиться краном с применением специальных траверс и захватных приспособлений.

Каждая пачка должна быть скреплена проволокой в четырех углах.

5.5. Детали крепления, метизы и резиновый профиль должны быть упакованы в деревянные ящики по ГОСТ 18617-83.

Масса ящика (брутто) не должна превышать 50 кг.

5.6. Перевозка панелей допускается любым видом транспорта при условии защиты их от механических повреждений.

5.7. Панели должны храниться на подкладках на открытой площадке, расположенной на незатапливаемой территории.

Комплектующие детали, указанные в п. 5.5, должны храниться в упакованном виде под навесом.

6. Гарантии изготовителя

6.1. Панели должны быть приняты техническим контролем завода-изготовителя.

Завод-изготовитель обязан гарантировать соответствие всех выпускаемых панелей требованиям настоящего стандарта.

6.2. Гарантийным сроком службы элементов и деталей панелей, включая приборы открывания ручного и механического действия, являются 25 лет с начала эксплуатации здания.

Гарантийным сроком службы резиновых профилей являются 10 лет.

Приложение

Рекомендуемое

ПРИМЕРЫ УСТАНОВКИ ПАНЕЛЕЙ В ПРОЕМЫ

А. Панели глухие

image008.gif

Б. Панели открывающиеся

image009.gif

Яндекс.Метрика