электронный сборник нормативных документов по строительству
Обновления
17.04.2026 22:49
электронный сборник нормативных документов по строительству

ГОСТ 21562-76 ПАНЕЛИ МЕТАЛЛИЧЕСКИЕ С УТЕПЛИТЕЛЕМ ИЗ ПЕНОПЛАСТА. ОБЩИЕ ТЕХНИЧЕСКИЕ УСЛОВИЯ

Введен в действие постановлением Госстроя СССР от 31 декабря 1975 г. N 234
Государственный стандарт СССР ГОСТ 21562-76
"ПАНЕЛИ МЕТАЛЛИЧЕСКИЕ С УТЕПЛИТЕЛЕМ ИЗ ПЕНОПЛАСТА. ОБЩИЕ ТЕХНИЧЕСКИЕ УСЛОВИЯ"

Metal-faced building panels with plastic foam thermal insulastion. General technical specifications

Дата введения 1 января 1977 г.

Настоящий стандарт распространяется на металлические панели с утеплителем из пенопласта для наружных стен и покрытий, эксплуатируемые в неагрессивных и слабоагрессивных средах при температуре наружной поверхности панели от минус 65 до плюс 75°С, температуре внутренней поверхности панели до плюс 30°С, относительной влажности внутреннего воздуха в помещениях не более 60%.

1. Классификация

1.1. Металлические панели с утеплителем из пенопласта классифицируют по:

конструктивному решению;

пределу огнестойкости;

назначению;

расположению в ограждающих конструкциях;

материалу металлических профилированных листов и утеплителя;

виду покрытия металлических листов;

способу изготовления.

1.2. По конструктивному решению панели подразделяют на:

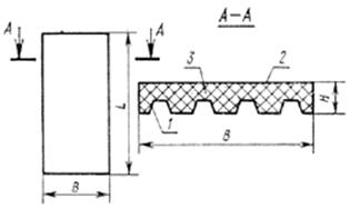
панели двухслойные (ПД) - состоящие из одного металлического профилированного листа, утеплителя и гидроизоляционного или защитно-декоративного покрытия (черт.1);

панели трехслойные (ПТ) - состоящие из двух металлических профилированных листов и утеплителя (черт.2).

Панель типа ПД

image001.jpg

1 - металлический профилированный лист; 2 - утеплитель; 3 - гидроизоляционный или защитно-декоративный слой.

Черт. 1

Панель типа ПТ

image002.jpg

1 - металлические профилированные листы; 2 - утеплитель

Черт. 2

1.3. По пределу огнестойкости панели подразделяют на панели с пределом огнестойкости 0, 75; 0, 5; 0, 25 и менее 0, 25 ч.

1.4. По назначению панели подразделяют на панели наружных стен и панели покрытий.

1.5. По расположению в ограждающих конструкциях панели подразделяют на рядовые, угловые, доборные (рядовые).

1.6. По материалу металлических профилированных листов панели подразделяют на:

панели с профилированными листами из стали (С);

панели с профилированными листами из алюминиевых сплавов (А).

1.7. По материалу утеплителя панели подразделяют на:

панели с утеплителем, получаемым вспениванием заливочных композиций, в том числе наполненных;

панели с утеплителем, получаемым вспениванием твердых полуфабрикатов.

1.8. По виду защиты металлических листов от коррозии панели подразделяют на:

панели из алюминиевых листов без покрытия;

панели из стального листа с металлическим покрытием;

панели из стального листа с металлическим и лакокрасочным покрытием.

1.9. По способу изготовления различают:

панели, изготовляемые на технологических линиях непрерывного действия;

панели, изготовляемые на стендовых установках.

2. Типы, основные параметры и размеры

2.1. Основные размеры рядовых панелей должны соответствовать указанным в табл.1.

Таблица 1

Номинальные размеры панелей, мм

Длина L

Ширина В

Толщина Н

От 2400

1000; 1500

50; 60; 80; 100; 120

До 12000

Кратно 600

2.2. Размеры угловых и доборных (рядовых) панелей следует принимать по рабочим чертежам, утвержденным в установленном порядке.

2.3. Панели в зависимости от их типа и размеров подразделяют на марки.

В обозначение марок включают буквы, обозначающие тип панелей и материал профилированных листов, и три значения номинальных размеров:

первое - длина (L) в см;

второе - ширина (В) в см;

третье - толщина (H) в см.

Пример маркировки панели трехслойной из стального профилированного листа, длиной 360 см, шириной 100 см и толщиной 8 см:

ПТС - 360 х 100 х 8 - ГОСТ 21562-76

3. Технические требования

3.1 Панели должны изготовляться в соответствии с требованиями настоящего стандарта по рабочим чертежам, рецептурам и технологическим регламентам, утвержденным в установленном порядке.

3.2. Разрушающая нагрузка панелей при поперечном изгибе не должна быть менее указанной в рабочих чертежах.

3.3. Отклонения размеров панелей от указанных в рабочих чертежах не должны быть более приведенных в табл.2.

Таблица 2

Длина панелей

Допускаемые отклонения от проектных размеров

по длине

по ширине

по толщине

До 7200

±4

±1, 5

±1

Св. 7200

±8

±2

±1

3.4. Физико-технические свойства и механические показатели утеплителя должны соответствовать указанным в табл.3.

Таблица 3

Наименования показателей

Типы панелей

ПД

ПТ

Объемная масса, кг/м3, не более

120

80

Коэффициенты теплопроводности,
Вт/(м·К) [ккал/(м·ч·°С)], не более

0, 058 (0, 05)

0, 046 (0, 04)

Усадка линейная технологическая,
%, не более

1, 0

0, 1

Кислотное число, мг КОН/г, не более

30

30

Влагопоглощение за 24 ч при относительной влажности воздуха 96 %, об. %, не более

1, 0

0, 2

Водопоглощение за 24 ч при насыщении водой, об. %, не более

10

3

Прочность, Па·105 (кгс/см2), не менее:

при растяжении

1, 5

3

при сжатии

1, 5

-

при сдвиге

-

2

Модуль упругости, Па·105 (кгс/см2), не более

400

250

Модуль сдвига, Па·105 (кгс/ см2), не более

-

100

Прочность сцепления металлических листов с утеплителем, Па·105 (кгс/см2), не менее:

при равномерном отрыве

1, 5

3

при сдвиге

-

2

3.5. Объемная масса утеплителя не должна отличаться по площади панели более чем на ± 10% от указанной в рабочих чертежах.

3.6. Металлические листы для панелей должны изготовляться из тонколистовой оцинкованной стали по ГОСТ 14918-69 или алюминиевых сплавов по ГОСТ 12592-67. Химический состав листов должен соответствовать требованиям ГОСТ 1050-74 для стали и ГОСТ 4784-74 для алюминиевых сплавов. Механические свойстве листов должны соответствовать требованиям ГОСТ 16588-70 или ГОСТ 14918-69 для стали и ГОСТ 12592-67 для алюминиевых сплавов.

3.7. Отклонения размеров металлических листов от номинальных по толщине не должны быть более установленных ГОСТ 3680-57 для стали и ГОСТ 12592-67 для алюминиевых сплавов.

3.8. Стальные профилированные листы в панелях, эксплуатируемых в слабо агрессивных средах, следует защищать от коррозии в соответствии с требованиями главы СНиП II-B.28-73.

3.9. Элементы крепления и закладные детали панелей должны быть защищены от коррозии покрытиями, равноценными по коррозионной стойкости металлическим листам (с учетом покрытий).

3.10. Панели должны быть обрезаны под прямым углом. Допускаемая косина реза не должна быть более ±2 мм. Ребровая кривизна панели должна быть в пределах поля допуска на ширину.

3.11. Неплоскостность панелей не должна быть более 1 мм.

3.12. В панелях не допускаются:

повреждения (вмятины, вырывы) утеплителя по боковым и торцевым граням глубиной более 5 мм и площадью более 10 см2;.

смещения кромок металлических листов относительно друг другу более 3 мм;

повреждения защитного покрытия металлических листов;

расслаивания утеплителя;

смятия боковых кромок металлических листов;

выступающие заусенцы на кромках металлических листов.

4. Правила приемки

4.1. Панели должны быть приняты техническим контролем предприятия-изготовителя.

4.2. Поставка панелей должна производиться партиями. К одной партии относят панели одного типоразмера, изготовленные из утеплителя одной партии по одному и тому же технологическому режиму, но не более 2000 панелей.

4.3. Панели должны поставляться потребителям комплектно, вместе с элементами крепления и элементами заделки стыков, по спецификации заказчика.

4.4. Все панели в партии подвергают внешнему осмотру для проверки соответствия их требованиям п.3.11.

4.5. Геометрические размеры панелей проверяют на трех панелях из 200.

4.6. Предел огнестойкости панелей устанавливают испытанием двух панелей одной партии два раза в год.

4.7. Прочность панелей проверяют на трех панелях из партии.

4.8. Физико-технические свойства и механические показатели пенопластов, указанные в табл.3, определяют на трех образцах, взятых из партии панели.

Примечание. Допускается определять указанные выше свойства и показатели на образцах, изготовленных из материала той же марки, что и панели, по одному и тому же технологическому режиму.

Формование таких образцов должно проводиться на непрерывных технологических линиях или стендовых установках одновременно с формованием панели.

4.9. Если при испытаниях панелей физико-технические свойства и механические показатели, указанные в табл.3, 4, а также прочность панелей окажутся не соответствующими установленным, то следует проводить вторичный отбор и испытания удвоенного количества панелей той же партии.

4.10. Если хотя бы одна панель из вторично испытанных не будет соответствовать установленным показателям, то вся партия признается не соответствующей настоящему стандарту.

4.11. Партия панелей считается принятой, если при проверке установлено соответствие всех параметров панелей требованиям настоящего стандарта.

4.12. Потребитель имеет право проводить контрольную выборочную проверку соответствия панелей требованиям стандарта, применяя при этом методы испытания и контроля, приведенные в настоящем стандарте.

5. Методы испытаний

5.1. Геометрические размеры панелей проверяют универсальным измерительным инструментом. Внешний вид панелей контролируют по эталонам.

5.2. Предел огнестойкости панелей определяют испытанием образцов в соответствии с основными требованиями к производству испытаний строительных конструкций на огнестойкость по СНиП II-А.5-70.

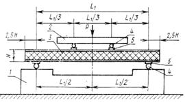
5.3. Испытания панелей на прочность проводят по следующей методике.

5.3.1. Испытания панелей на прочность проводят на образцах длиной L, равной от 15 Н до 35Н, где Н - номинальная толщина панели. Ширина и толщина панели должны соответствовать указанным в табл.1.

5.3.2. Испытаниям подвергают только те панели, которые удовлетворяют всем другим требованиям стандарта.

5.3.3. Для испытания панелей применяются следующие приборы и оборудование:

установка для испытания панелей (черт.3);

нагрузочное устройство (пресс или рычажная установка);

грузы штучные массой 10 - 20 кг.

5.3.4. Испытания проводят в помещениях с температурой воздуха 8 ± 2°С и относительной влажностью 50 - 60%.

5.3.5. Испытания образцов на поперечный изгиб проводят сосредоточенной нагрузкой по схеме, приведенной на черт.3.

Схема испытания образца на поперечный изгиб

image003.jpg

1 - база; 2 - траверса; 3 - образец; 4 - цилиндрические металлические опоры диаметром 40-50 мм; 5 - деревянные прокладки сечением 100 ´ 25 мм.

Черт. 3

Примечание. Допускается испытывать образцы равномерно распределенной нагрузкой.

5.3.6. Подготовку образцов к испытаниям проводят в следующей последовательности:

а) устанавливают образцы перпендикулярно опорам базы;

б) устанавливают траверсы перпендикулярно опорам траверсы;

в) устанавливают деревянные прокладки сечением 100 х 25 мм между опорами базы и образцом, между опорами траверсы и образцом.

5.3.7. При испытаниях образцов нагрузку увеличивают постепенно, ступенями величиной не более 0, 2 от разрушающей нагрузки, указанной в рабочих чертежах.

5.3.8. Время испытания образца не должно быть более 20 мин.

5.3.9. Результаты испытаний следует записывать в журнал испытаний по форме, указанной в приложении.

5.3.10. При проведении испытаний образцов на прочность необходимо осуществлять меры, обеспечивающие безопасность персонала и сохранность оборудования.

5.4. Объемную массу пенопласта определяют по ГОСТ 409-68.

5.5. Коэффициент теплопроводности пенопласта определяют по ГОСТ 7076-66.

5.6. Механические показатели и линейную усадку пенопластов определяют по методикам, утвержденным в установленном порядке.

5.7. Кислотное число пенопластов определяют по ГОСТ 20916-75.

6. Упаковка, маркировка, транспортирование и хранение

6.1. Панели должны быть уложены в пакеты массой не более 5 т, высотой не более 1, 5 м, с прокладками из бумаги. Торцевые поверхности панелей с утеплителями, имеющими водопоглощение более 3 об.%, должны быть защищены водостойкими полимерными покрытиями.

6.2. Пакеты панелей должны быть скреплены стальной лентой по ГОСТ 7566-69 и изолированы от воздействия влаги оберточным материалом (пленкой, пергамином).

6.3. Пакеты панелей должны быть упакованы в деревянные ящики; материал упаковки должен соответствовать ГОСТ 8486-66.

6.4. Упаковка элементов крепления и метизов должна соответствовать ГОСТ 2991-69; масса нетто единицы упаковки должна быть не более 200 кг.

6.5. На каждую панель с обеих торцов наклеивается этикетка с обозначением марки и штампа ОТК.

6.6. Каждый пакет панелей и комплектующих деталей к ним снабжается биркой, в которой следует указывать:

а) наименование или товарный знак предприятия-изготовителя;

б) марку панелей;

в) количество панелей в пакете;

г) массу пакета;

д) штамп ОТК.

6.7. Предприятие-изготовитель должно сопровождать партию панелей паспортом, в котором указывается:

а) наименование и адрес предприятия;

б) дата изготовления и номер паспорта;

в) количество панелей в партии;

г) марка панелей;

д) предел огнестойкости;

е) вид покрытия металлических листов от коррозии;

ж) материал утеплителя и его объемная масса;

з) обозначение настоящего стандарта.

6.8. Транспортирование панелей в заводской упаковке может осуществляться любым видом транспорта, обеспечивающим сохранность изделий и упаковки.

6.9. Панели в пакетах и комплектующие детали следует хранить в заводской упаковке в складах закрытого или полузакрытого типа с соблюдением установленных мер противопожарной безопасности.

7. Гарантии поставщика

7.1. Предприятие-изготовитель должно гарантировать соответствие панелей и комплектующих деталей требованиям настоящего стандарта при соблюдении потребителем условий эксплуатации, транспортировки и хранения, установленных стандартом.

7.2. Гарантийный срок службы панелей и комплектующих элементов - 20 лет с момента отгрузки с предприятия-изготовителя.

Приложение
Справочное

Форма журнала испытаний панелей на прочность

Тип панели, марка панели, дата изготовления, номер партии, дата испытания

Размеры панели, (длина, ширина, толщина), см

Пролет L1, см

Разрешающая нагрузка, H
(кгс)

Характер разрушения

Фамилия и должность ответственного лица

Яндекс.Метрика