ГОСТ 21924.0-84 (28.12.1987) ПЛИТЫ ЖЕЛЕЗОБЕТОННЫЕ ДЛЯ ПОКРЫТИЙ ГОРОДСКИХ ДОРОГ. ТЕХНИЧЕСКИЕ УСЛОВИЯ
С изменениями:
(28 декабря 1987 г.)
Reinforced concrete slabs for pavements of city roads. Specifications
Дата введения 1 января 1985 г.
Взамен ГОСТ 21924-76
Настоящий стандарт распространяется на железобетонные предварительно напряженные плиты и плиты с ненапрягаемой арматурой, изготовляемые из тяжелого бетона и предназначенные для устройства сборных покрытий постоянных и временных городских дорог под автомобильную нагрузку Н-30 и Н-10.
Плиты применяют для дорог в районах с расчетной температурой наружного воздуха (средней наиболее холодной пятидневки района строительства по СНиП 2.01.01-82) до минус 40°С включ.
При применении плит в климатическом подрайоне IVA должны учитываться дополнительные требования СНиП 2.03.01-84 к конструкциям, предназначенным для эксплуатации в этом районе.
Допускается применение данных плит для дорог в районах с расчетной температурой наружного воздуха ниже минус 40°С при соблюдении требований, предъявляемых СНиП 2.03.01-84 к конструкциям, предназначенным для эксплуатации в этих условиях.
Стандарт не распространяется на железобетонные плиты для внутренних автомобильных дорог промышленных предприятий, для внутрихозяйственных автомобильных дорог по СНиП 2.05.07-85, а также на плиты многоразового использования для временных дорог на строительных площадках.
1.1. Плиты подразделяют на типы в зависимости:
от назначения:
1 - для постоянных дорог,
2 - для временных дорог;
от конфигурации:
П - прямоугольная,
ПБ - прямоугольная с одним совмещенным бортом;
ПББ - прямоугольная с двумя совмещенными бортами;
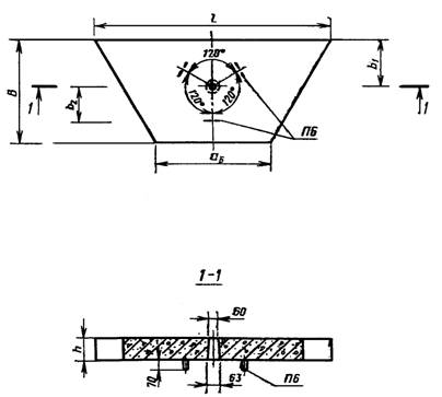
ПТ - трапецеидальная;
ПШ - шестиугольная;
ПШД - шестиугольная осевая диагональная;
ПШП - шестиугольная осевая поперечная;
ДПШ - диагональная половина шестиугольной плиты;
ППШ - поперечная половина шестиугольной плиты.
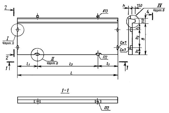
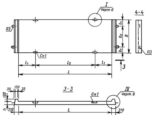
1.2. Форма и основные размеры плит должны соответствовать указанным на черт. 1-6 и в табл. 1-2.
Плиты для временных дорог изготовляют без монтажных скоб СкI. В этих плитах ниши для монтажных скоб допускается не устраивать.
По согласованию с потребителем допускается изготовление плит типа П и ПТ с пазами для беспетлевого монтажа в соответствии с черт.7 или с отверстиями для цангового захвата вместо монтажных петель и устройства ниш для них. При этом в предварительно напряженных плитах для постоянных дорог взамен монтажных петель необходима установка скоб СкI в соответствии с черт.6 (узел 1). Число отверстий для цанговых захватов и их расположение определяют исходя из технологии изготовления плит и их монтажа.
Рабочая поверхность плит (верхняя поверхность дорожного покрытия) должна иметь рифление согласно черт.8, а плит, изготовляемых этой поверхностью "вверх", должна быть шероховатой (п.2.9.2)
Примечания:
1. Допускается изготовление плит с фаской размером не более 10 мм на лицевой поверхности плиты.
2. Допускается изготовление плит с технологическими скосами в местах установки монтажных петель и скоб не более 5 мм, а также с технологическими нишами под скобами СкI глубиной 20 мм.
3. Инвентарные плиты для временных дорог допускается изготовлять с технологическими скосами не более 8 мм.
4. Допускается изготовление на действующем оборудовании плит общим видом, отличным от указанного на черт.1 - 8 при сохранении габаритных размеров плиты и при соблюдении всех остальных требований, установленных настоящим стандартом.
5. Для беспетлевых плит (черт. 7) допускаются изменения формы плит, связанные с технологией их изготовления (наличие и размеры фасок, радиусов закруглений и т.д.).
6. Для плит с ненапрягаемой арматурой допускается вертикальное расположение монтажных петель.
7. Допускается смещение монтажных петель в пределах ниш от середины плиты вдоль ее грани до положения зеркально заменяемым привязкам петель (размеры a и b) по черт. 6.
Тип П
Черт. 1
Тип ПБ
Тип ПББ
Черт. 2
Тип ПТ
Черт. 3
Тип ПШ
Тип ПШП
Тип ПШД
Черт. 4
Тип ДПШ
Тип ППШ
Черт. 5


Черт. 7
Деталь рифления на рабочей поверхности плит
Черт. 8
Таблица 1.
|
Типоразмер плиты |
Размеры плит, мм |
Масса плиты (справочная), т | ||||||||
|
L |
В В/С |
Толщина плиты h (h1) |
l1 |
l2 l2/l3 |
b1 |
b2 (b3) |
a6 | |||
|
предварительно напряженной |
с ненапрягаемой арматурой | |||||||||
|
1П60.38 |
6000 |
3750 |
140 |
- |
1200 |
3600 |
475 |
1400 |
- |
7, 85 |
|
1П60.35 |
3500 |
450 |
1300 |
7, 33 | ||||||
|
2П60.35 |
- |
- | ||||||||
|
1П60.30 |
3000 |
400 |
1100 |
6, 28 | ||||||
|
2П60.30 |
- |
- | ||||||||
|
1П60.19 |
1870 |
360 |
1150 |
3, 90 | ||||||
|
1П60.18 |
1750 |
300 |
1150 |
3, 65 | ||||||
|
2П60.18 |
- | |||||||||
|
1П35.28 |
3500 |
2750 |
- |
170 |
750 |
2000 |
- |
- |
- |
4, 08 |
|
2П35.28 | ||||||||||
|
1П30.18 |
3000 |
1750 |
500 |
2000 |
2, 20 | |||||
|
2П30.18 | ||||||||||
|
1П18.18 |
1750 |
160 |
450 |
850 |
1, 20 | |||||
|
2П18.18 | ||||||||||
|
1П18.15 |
1500 |
1, 03 | ||||||||
|
2П18.15 | ||||||||||
|
1ПБ60.18 |
6000 |
1750 |
140 |
- |
1200 |
3600 |
240 |
1270 |
- |
4, 48 |
|
1ПББ55.20 |
5500 |
2000 |
935 |
3630 |
360 |
1280 |
4, 40 | |||
|
1ПББ35.20 |
3500 |
- |
160 |
595 |
2310 |
3, 38 | ||||
|
1ПТ55 |
5500 |
2000/1500 |
140 |
- |
1045 |
3300/1155 |
- |
- |
3, 35 | |
|
2ПТ55 | ||||||||||
|
1ПТ35 |
3500 |
- |
170 |
665 |
2100/735 |
2, 58 | ||||
|
2ПТ35 | ||||||||||
|
1ПШ13 |
2480 |
2150 |
- |
180 |
555 |
- |
370 |
- |
1240 |
1, 80 |
|
1ПШД13 |
180 (196) |
1, 90 | ||||||||
|
1ПШП13 |
180 (199) |
1, 93 | ||||||||
|
1ПШ12 |
2320 |
2010 |
- |
180 |
520 |
- |
350 |
- |
1160 |
1, 58 |
|
1ПШД12 |
180 (195) |
1, 65 | ||||||||
|
1ПШП12 |
180 (197) |
1, 68 | ||||||||
|
1ДПШ13 |
2480 |
1070 |
- |
180 |
- |
- |
484 |
345 |
1240 |
0, 90 |
|
1ДПШ12 |
2320 |
1000 |
452 |
325 |
1160 |
0, 78 | ||||
|
1ППШ13 |
2150 |
1235 |
484 |
615 (345) |
1240 |
0, 90 | ||||
|
1ППШ12 |
2010 |
1155 |
452 |
575 (325) |
1160 |
0, 78 | ||||
Примечание. Масса плит приведена для бетона средней плотностью 2500 кг/м3.
Таблица 2.
мм
|
Типоразмер плиты |
Номер узла по черт. 6 |
h |
h/2 |
a |
b |
c |
R |
|
1П60.38 | |||||||
|
1П60.35 | |||||||
|
2П60.35 |
200 |
80 |
80 |
80 | |||
|
1П60.30 | |||||||
|
2П60.30 |
I и II |
140 |
70 | ||||
|
1П60.19 | |||||||
|
1П60.18 |
180 |
75 | |||||
|
2П60.18 | |||||||
|
1П35.28 |
70 |
75 | |||||
|
2П35.28 |
170 |
85 |
155 |
80 | |||
|
1П30.18 | |||||||
|
2П30.18 |
III | ||||||
|
1П18.18 | |||||||
|
2П18.18 |
160 |
80 |
125 |
60 |
70 | ||
|
1П18.15 |
75 | ||||||
|
2П18.15 | |||||||
|
1ПБ60.18 |
I, II и IV |
140 |
70 |
180 |
70 |
75 | |
|
1ПББ55.20 |
I и IV |
- |
- |
- |
- | ||
|
1ПББ35.20 |
160 |
80 |
1.3. Плиты рассчитаны на проезд автомобилей массой 30 и 10 т. При этом коэффициент динамичности принят равным 1, 2, а модуль деформации основания при расчете плит:
для постоянных дорог - 60 МПа (500 кгс/см2);
для временных дорог - 25 МПа (250 кгс/см2).
1.4. Конструкция плит приведена:
предварительно напряженных плит - в ГОСТ 21924.1-84;
плит с ненапрягаемой арматурой - в ГОСТ 21924.2-84.
1.5. Плиты изготовляют с монтажными петлями и отверстиями для цангового захвата (черт. 1-6) или пазами для беспетлевого монтажа (черт. 7).
Петли не должны выступать за рабочую поверхность грани плиты.
Для подъема и монтажа беспетлевых плит следует применять специальные захватные устройства или цанговые захваты, конструкцию которых принимает изготовитель по согласованию с потребителем и Госгортехнадзором СССР.
1.6. Плиты обозначают марками в соответствии с ГОСТ 23009-78.
Марка плиты состоит из буквенно-цифровых групп, разделенных дефисом.
Первая группа содержит обозначение типа плиты (п. 1.1) и ее номинальные размеры в дециметрах (с округлением значений до целого числа):
для прямоугольных плит - длину и ширину;
для трапецеидальных плит - длину;
для шестиугольных плит - диагональ.
Во второй группе приводят значение нагрузки, на которую рассчитана плита (п.1.3).
Для предварительно напряженных плит во второй группе марки приводят также класс напрягаемой арматурной стали.
Марку плит, изготовляемых с пазами для беспетлевого монтажа или с отверстиями для цангового захвата (вместо монтажных петель), дополняют буквой Б.
Пример условного обозначения (марки):
плиты для постоянных дорог (тип 1), прямоугольной, длиной 6000 и шириной 1750 мм, рассчитанной под автомобиль массой 30 т, с напрягаемой арматурой из арматурной стали класса A-V:
1П60.18-30AV
То же, трапецеидальной, длиной 5500 мм, рассчитанной под автомобиль массой 30 т, с напрягаемой арматурой из арматурной стали класса A-IV:
1ПТ55-30AIV
То же, шестиугольной со стороной 1160 мм, рассчитанной под автомобиль массой 30 т, с ненапрягаемой арматурой:
1ПШ12-30
То же, плиты для временных дорог (тип 2), прямоугольной, длиной 3000 и шириной 1750 мм, рассчитанной под автомобиль массой 10 т, с ненапрягаемой арматурой:
2П30.18-10
2.1. Плиты следует изготовлять в соответствии с требованиями настоящего стандарта и технологической документации, утвержденной в установленном порядке, по чертежам, приведенным в ГОСТ 21924.1-84 и ГОСТ 21924.2-84.
2.2. Плиты подлежат изготовлению в формах, обеспечивающих соблюдение установленных настоящим стандартом требований к качеству и точности изготовления плит.
2.3. Плиты должны иметь заводскую готовность, соответствующую требованиям настоящего стандарта.
2.4. Плиты по прочности и трещиностойкости должны выдерживать контрольные нагрузки, указанные в ГОСТ 21924.1-84 и ГОСТ 21924.2-84.
2.5. Плиты должны удовлетворять требованиям ГОСТ 13015.0-83:
по показателям фактической прочности бетона (в проектном возрасте, отпускной и передаточной);
к качеству материалов, применяемых для приготовления бетона;
к качеству арматурных и закладных изделий и их положению в плите;
по маркам арматурной стали;
по маркам стали для закладных изделий и монтажных петель;
по отклонению толщины защитного слоя бетона до арматуры.
2.6. Требования к бетону.
2.6.1. Плиты следует изготовлять из тяжелого бетона средней плотности более 2200 до 2500 кг/м3 включительно классов по прочности на сжатие и марок по прочности на растяжение при изгибе, указанных в ГОСТ 21924.1-84 и ГОСТ 21924.2-84.
Бетон должен удовлетворять требованиям ГОСТ 26633-85.
2.6.2. Исключен.
2.6.3. Значение нормируемой отпускной прочности бетона следует принимать равным 70% класса бетона по прочности на сжатие и марки бетона по прочности на растяжение при изгибе. При поставке плит в холодный период года (по ГОСТ 13015.0-83) значение нормируемой отпускной прочности бетона может быть повышено, но не более 90% класса по прочности на сжатие и марки по прочности на растяжение при изгибе, а для плит, предназначенных для временных дорог, - до 100%.
Значение нормируемой отпускной прочности бетона должно соответствовать указанной в заказе на изготовление плит согласно проектной документации конкретного сооружения.
2.6.4. Нормируемая передаточная прочность бетона предварительно напряженных плит составляет 70% класса бетона по прочности на сжатие.
Передача усилий обжатия на бетон (отпуск натяжения арматуры) должна производиться после достижения бетоном требуемой передаточной прочности.
2.6.5. Марки бетона по морозостойкости и водонепроницаемости принимаются для плит, предназначенных для постоянных дорог в районах со среднемесячной расчетной температурой наиболее холодного месяца (согласно СНиП 2.01.01-82), соответственно:
до минус 5°С включ. - F100 и W2;
ниже минус 5 до минус 15°С включ. - F150 и W4;
ниже минус 15°С - F200 и W4.
Марки бетона по морозостойкости и водонепроницаемости для плит, предназначенных для временных дорог в районах со среднемесячной расчетной температурой наиболее холодного месяца:
до минус 5 °С включ. - F75 и W2;
ниже минус 5°С до минус 15°С включ.- F100 и W2;
ниже минус 15°С - F150 и W2.
Марки бетона по морозостойкости и водонепроницаемости указывают в заказе на изготовление плит в соответствии с установленными проектной документацией конкретного сооружения.
2.6.6. Бетон плит должен иметь водопоглощение не более 5% по массе.
2.6.7. Температура изотермической выдержки при тепловлажностной обработке плит не должна превышать 70°С.
2.6.8. Для приготовления бетона следует применять портландцемент по ГОСТ 10178-85 с дополнительными требованиями для бетона дорожных покрытий.
Допускается применение портландцемента по ТУ 21-20-51-83.
Заполнители - по ГОСТ 10268-80 (крупность зерен крупного заполнителя не более 20 мм).
2.6.9. Пластифицирующие и воздухововлекающие (газообразующие) добавки, применяемые для приготовления бетона, должны удовлетворять требованиям нормативно-технической документации, утвержденной в установленном порядке.
2.7. Требования к арматуре и арматурным изделиям.
2.7.1. В качестве напрягаемой арматуры предварительно напряженных плит следует применять стержневую термомеханически упрочненную арматурную сталь классов Ат-V, Ат-IV и АТ-IVС и горячекатаную классов - А-V и Ат-IV.
Несвариваемая арматурная сталь классов Ат-V и Ат-IV должна применяться в виде целых стержней мерной длины без сварных стыков.
2.7.2. В качестве ненапрягаемой арматуры должна применяться арматурная проволока класса Вр-I и стержневая арматурная сталь классов Ат-IIIС, А-III и А-I.
2.7.3. Исключен.
2.7.4. Арматурная сталь должна удовлетворять требованиям:
стержневая арматурная сталь классов A-V, A-IV, А-III и А-I - ГОСТ 5781-82;
термомеханически и термически упрочненная арматурная сталь классов Ат-V, Ат-IV, Ат-IVC и Ат-IIIC - по ГОСТ 10884-81;
арматурная проволока класса Вр-I - ГОСТ 6727-80.
2.7.5. Форма и размеры арматурных изделий для плит должны соответствовать приведенным в ГОСТ 21924.3-84.
2.7.6. Арматурные изделия должны удовлетворять требованиям ГОСТ 10922-75.
2.7.7. Значения напряжений в напрягаемой арматуре, контролируемых по окончании натяжения ее на упоры, и предельные отклонения этих напряжений - по ГОСТ 21924.1-84.
2.8. Требования к точности изготовления плит.
2.8.1. Значения фактических отклонений геометрических параметров не должны превышать предельных, указанных в табл.3.
Таблица 3
|
Вид отклонения геометрического параметра |
Геометрический параметр и его номинальное значение |
Пред. откл., мм, для плит | |
|
постоянных дорог |
временных дорог | ||
|
Отклонение от линейного размера |
Длина и ширина плиты: | ||
|
- до 2, 5 м включ. |
±6 |
±10 | |
|
- св. 2, 5 до 4, 0 м включ. |
±8 |
±12 | |
|
- св. 4, 0 м |
±10 |
±15 | |
|
Толщина плиты |
±4 |
±6 | |
|
Размеры выемок (монтажно-стыковые элементы) |
±3 |
±5 | |
|
Размер, определяющий положение закладных изделий: | |||
|
- в плоскости плиты |
10 |
10 | |
|
- из плоскости плиты |
3 |
3 | |
|
Отклонение от прямолинейности |
Прямолинейность профиля верхней поверхности плиты в любом сечении на всей длине или ширине: | ||
|
- до 2, 5 м включ. |
4 |
6 | |
|
- св. 2, 5 до 4, 0 м включ. |
5 |
8 | |
|
- св. 4, 0 м |
6 |
10 | |
|
Отклонение от плоскостности |
Плоскостность лицевой поверхности плиты (при измерении от условной плоскости, проходящей через три крайние точки) при длине плиты: | ||
|
- до 2, 5 м включ. |
4 |
6 | |
|
- св. 2, 5 до 4, 0 м включ. |
5 |
8 | |
|
- св. 4, 0 м |
6 |
10 | |
|
Отклонение от перпендикулярности |
Перпендикулярность смежных торцевых граней плит на участке длиной: | ||
|
- 400 мм |
2 |
3 | |
|
- 1000 мм |
2, 5 |
4 | |
|
Отклонение от равенства диагоналей |
Разность длин диагоналей лицевых поверхностей плит при их наибольшем размере (длине и ширине): | ||
|
- до 4, 0 м включ. |
8 |
8 | |
|
- св. 4, 0 м |
10 |
10 | |
2.8.2. Исключен с 1 апреля 1988 г.
2.9. Требования к качеству поверхностей и внешнему виду плит.
2.9.1. Рифление поверхности плиты образуют путем применения в качестве днища поддона формы листовой рифлений стали по ГОСТ 8568-77 с ромбическим рифлением. Глубина рифа - не менее 1, 0 мм.
Рифленая поверхность плиты долями иметь четкий рисунок рифления без околов граней канавок.
Шероховатость рабочей поверхности плит, изготовляемых этой поверхностью "вверх", получают за счет обработки поверхности (после уплотнения бетонной смеси) капроновыми щетками или брезентовой лентой.
2.9.2. Размеры раковин и местных наплывов на рабочей поверхности плиты не должны превышать:
по диаметру или наибольшему размеру раковин........ 15 мм
по глубине раковин и высоте местных наплывов....... 10 мм.
Размеры раковин на нерабочей поверхности и боковых гранях плиты не должны превышать по диаметру или наибольшему размеру 20 мм.
Околы бетона ребра (при их суммарной длине на 1 м ребра до 100 мм) не должны превышать 10 мм по глубине, измеряемой по рабочей поверхности плиты, и 20 мм - по нерабочий поверхности плиты.
2.9.3. Трещины на поверхностях плит не допускаются, за исключением поверхностных усадочных и технологических шириной не более 0, 1 мм и длиной не более 50 мм в количестве не более пяти на 1, 5 м2 поверхности плиты.
3.1. Приемку плит следует производить партиями в соответствии с требованиями ГОСТ 13015.1-81 и настоящего стандарта.
Испытание плит по прочности и трещиностойности нагружением производят перед началом их массового изготовления, при внесении в них конструктивных изменений или изменении технологии изготовления плит.
3.2. Приемку плит по показателям прочности бетона (классу по прочности на сжатие, отпускной и передаточной прочности), расположения арматуры и натяжения напрягаемой арматуры), соответствия арматурных изделий, прочности сварных соединений, толщины защитного слоя бетона до арматуры, точности геометрических параметров, качества поверхностей следует проводить по результатам приемо-сдаточных испытаний и контроля.
Приемку шестиугольных плит по показателям прочности бетона на растяжение при изгибе производят по результатам приемо-сдаточных испытаний, а прямоугольных и трапецеидальных плит - по результатам периодических испытаний не реже одного раза в месяц.
3.3. Приемочный контроль прочности бетона следует производить по ГОСТ 18105-86.
3.4. Приемку плит по морозостойкости, водонепроницаемости и водопоглощению бетона следует проводить по результатам периодических испытаний.
3.5. В случаях, если при проверке будет установлено, что отпускная прочность бетона плит не удовлетворяет требованиям, приведенным в п.2.6, поставка плит потребителю не должна производиться до достижения бетоном плит прочности, соответствующей классу бетона по прочности на сжатие.
3.6. При приемке плит по показателям точности геометрических параметров, толщины защитного слоя бетона до арматуры и качества поверхностей, контролируемым путем измерений, следует применять выборочный одноступенчатый контроль.
4.1. Испытание плит по прочности и трещиностойкости.
4.1.1. Испытание плит по прочности и трещиностойкости следует проводить нагружением по ГОСТ 8829-85 с учетом требований настоящего стандарта.
4.1.2. Испытание плит нагружением проводят после достижения бетоном плит прочности, соответствующей классу бетона по прочности на сжатие и марке по прочности на растяжение при изгибе.
Допускается использовать для испытаний плиты, имеющие раковины, местные наплывы и околы бетона, размеры которых превышают допускаемые настоящим стандартом (п.2.9.1) не более чем в два раза, и другие дефекты, не влияющие на прочность плит.
4.1.3. Испытания плит по прочности и трещиностойкости следует проводить по схеме, приведенной на черт.9, и данным табл.4
4.1.4. Значения контрольной нагрузки при испытании плит по прочности и трещиностойкости принимают по ГОСТ 21924.1-84 и ГОСТ 21924.2-84.
4.1.5. Ширину раскрытия трещин замеряют в местах ее наибольшего раскрытия при помощи отсчетного микроскопа типа МПБ-2 с ценой деления 0, 05 мм и набора щупов по ГОСТ 882-75.
4.2. Прочность бетона на сжатие и растяжение при изгибе следует определять по ГОСТ 10180-78 на серии образцов, изготовленных из бетонной смеси рабочего состава и хранившихся в условиях по ГОСТ 18105-86.
Допускается определять фактическую прочность бетона плит ультразвуковым методом по ГОСТ 17624-86 или приборами механического действия по ГОСТ 22690.0-77 - ГОСТ 22690.4-77, а также другими методами, предусмотренными стандартами на методы испытаний бетона.
4.3. Морозостойкость бетона следует определять из серии образцов, изготовленных из бетонной смеси рабочего состава, по ГОСТ 10060-86. При этом бетонные образцы перед испытанием должны быть насыщены 5%-ным раствором хлористого натрия и в таком же растворе должны оттаивать после каждого цикла замораживания.
Схема испытания плит
Черт. 9
Таблица 4
мм
|
Типоразмер плиты |
l |
a |
k |
|
П60.38, П60.35 | |||
|
П60.30, П60.19 |
6000 |
900 |
1200 |
|
П60.18, ПБ60.18 | |||
|
ПББ55.20 |
5920 |
890 |
1180 |
|
ПТ55 |
5500 |
825 |
1100 |
|
П35.28 |
3500 | ||
|
П30.18 |
3000 |
700 | |
|
П18.18, П18.15 |
1800 |
400 | |
|
ПББ35.20 |
3920 |
930 |
100 |
|
ПТ35 |
3500 |
825 | |
|
ПШ13, ПШД13, ПШП13 |
2480 |
570 | |
|
ПШ12, ПШД12, ПШП12 |
2320 |
530 |
4.4. Водонепроницаемость бетона следует определять по ГОСТ 12730.0-78 и ГОСТ 12730.5-84 на серии образцов, изготовленных из бетонной смеси рабочего состава.
4.5. Исключен с 1 апреля 1988 г.
4.6. Исключен с 1 апреля 1988 г.
4.7. Объем вовлеченного воздуха в бетонной смеси следует определять по ГОСТ 10181.0-81 и ГОСТ 10181.3-81.
Постановлением Госстроя РФ от 14 декабря 2000 г. N 127 действие указанных выше ГОСТов отменено на территории Российской Федерации с 1 июля 2001 г.
См. ГОСТ 10181-2000, утвержденный вышеупомянутым постановлением
4.8. Контроль и испытание сварных арматурных изделий следует проводить по ГОСТ 10922-75.
4.9. Измерение напряжений в напрягаемой арматуре, контролируемых по окончании натяжения, следует проводить по ГОСТ 22362-77.
4.10. Методы контроля и испытаний исходных сырьевых материалов, применяемых для изготовления плит, должны соответствовать установленным государственными стандартами или техническими условиями на эти материалы.
4.11. Размеры, отклонения от прямолинейности, неплоскостность, толщину защитного слоя, положение монтажно-стыковых элементов, качество бетонных поверхностей и внешний вид плит следует проверять методами, установленными ГОСТ 13015-75.
5.1. Маркировка плит - по ГОСТ 13015.2-81.
Маркировочные надписи и знаки следует наносить на боковой или торцевой гранях каждой плиты.
5.2. Требование к документу о качестве плит, поставляемых потребителю, - по ГОСТ 13015.3-81.
Кроме основных фактических показателей качества, в документе дополнительно должны быть приведены:
марки бетона по морозостойкости;
марка бетона по водонепроницаемости;
водопоглащение бетона.
5.3. Хранение и транспортирование плит должно производиться в рабочем (горизонтальном) положении.
5.4. Плиты следует хранить на складах грузоотправителей и грузополучателей в штабелях рассортированными по маркам и партиям.
Высота штабеля должна быть не более 2, 0 м.
5.5. Нижний ряд плит в штабеле следует укладывать по плотному, тщательно выравненному основанию на подкладки, расположенные у мест подъема плит.
Толщина подкладок должна быть при грунтовом основании не менее 100 мм, а при жестком основании - не менее 50 мм.
5.6. Плиты при хранении в штабеле, а также при транспортировании необходимо укладывать на поперечные прокладки толщиной не менее 25 мм, расположенные строго по вертикали одна над другой у мест подъема плит.
При этом следует обеспечивать возможность захвата каждой плиты краном и свободный подъем ее для погрузки на транспортные средства и монтажа.
5.7. Погрузка, транспортирование и разгрузка плит должны производиться с соблюдением мер, исключающих возможность повреждения плит.
Не допускается:
разгрузка плит сбрасыванием;
захват плит за подъемные технологические петли при погрузке, разгрузке и монтаже.
5.8. Высота штабеля плит при транспортировании устанавливается в зависимости от грузоподъемности транспортных средств и допускаемых габаритов.
5.9. Плиты следует транспортировать автомобильным или железнодорожным транспортом в рабочем положении (лицевой поверхностью вверх) с надежным закреплением, предохраняющим плиты от смещения.
Плиты при транспортировании не должны подвергаться ударам и толчкам.
5.10. Погрузку, крепление и транспортирование плит на открытом железнодорожном подвижном составе (полувагоны и платформы) следует осуществлять в соответствии с требованиями Правил перевозок грузов и Технических условий погрузки и крепления грузов, утвержденных Министерством путей сообщения.
5.11. При погрузке, транспортировании, разгрузке и хранении плит следует соблюдать требования СНиП III-4-80.
|
Начальник отдела технических норм
|
В.И. Байко |
|
Главный специалист |
В.М. Скубко |


