электронный сборник нормативных документов по строительству
Обновления
24.04.2026 23:27
электронный сборник нормативных документов по строительству

ГОСТ 24587-81 ЛОТКИ-ВОДОВЫПУСКИ ЖЕЛЕЗОБЕТОННЫЕ ОРОСИТЕЛЬНЫХ СИСТЕМ. ТЕХНИЧЕСКИЕ УСЛОВИЯ

Утв. Постановлением Госстроя СССР от 18 ноября 1980 г. N 179
Государственный стандарт СССР ГОСТ 24587-81
"ЛОТКИ-ВОДОВЫПУСКИ ЖЕЛЕЗОБЕТОННЫЕ ОРОСИТЕЛЬНЫХ СИСТЕМ. ТЕХНИЧЕСКИЕ УСЛОВИЯ"

Reinforced concrete flumes-water outlets of irrigation systems. Specification

Дата введения 1 января 1982 г.

Настоящий стандарт распространяется на железобетонные раструбные лотки-водовыпуски параболического сечения (ЛРВ), предназначенные для забора воды из распределительных каналов оросительных систем с уклонами меньше критических, сооружаемых во всех климатических районах страны с сейсмичностью до 8 баллов включительно.

1. Основные параметры и размеры

1.1. Форма, основные параметры и размеры лотков-водовыпусков должны соответствовать принятым в ГОСТ 21509-76 для железобетонных ненапряженных раструбных лотков типа ЛР.

Лотки-водовыпуски должны отличаться от лотков типа ЛР наличием закладных деталей, предназначенных для крепления вентильного затвора с условным проходом 325 мм и рабочим давлением до 0, 1 МПа.

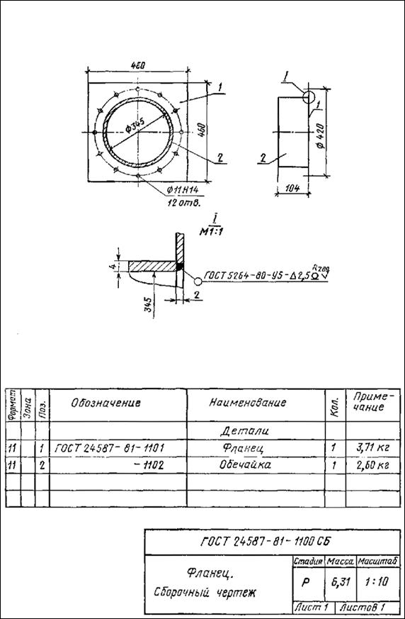
1.2. Расположение закладных деталей для крепления вентильного затвора должно соответствовать указанному на чертеже.

Форма и размеры закладных деталей (фланца и стенок) должны соответствовать обязательному приложению.

1.3. Марки лотков обозначаются буквами ЛРВ (лоток раструбный с водовыпуском) и цифрами, которые обозначают высоту сечения лотка в дециметрах.

Пример условного обозначения железобетонного лотка с водовыпуском высотой сечения 800 мм:

ЛРВ-8 ГОСТ 24587-81

2. Технические требования

2.1. Лотки-водовыпуски должны изготавливаться в соответствии с требованиями ГОСТ 21509-76 и настоящего стандарта.

2.2. Технические требования к бетону, материалам для приготовления бетона и арматуре для армирования лотков-водовыпусков должны соответствовать требованиям ГОСТ 21509-76.

2.3. Для установки закладных деталей в арматурной сетке вырезается отверстие в соответствии с чертежом.

Закладные детали (фланцы и привариваемые к ним стенки) должны устанавливаться на арматурном каркасе лотка и закрепляться в проектном положении путем сварки анкеров с арматурной сеткой.

2.4. Сварные арматурные изделия должны удовлетворять требованиям ГОСТ 10922-75.

2.5. Опорные поверхности закладных деталей должны иметь гладкие наружные и внутренние поверхности. Не допускаются подтеки, возвышения наплавленного металла, вмятины, заусеницы.

image001.jpg

мм

Обозначение

Марка закладной детали

H

a

b

c

ГОСТ 24587-81-1100СБ

ГОСТ 24587-81-1200СБ

МН-1

400

268

346

406

-02

МН-2

600

40

430

506

-03

МН-3

800

110

447

506

-04

МН-4

1000

217

444

506

Примечание. Фланец (поз 1) приварить к закладному фланцу (поз. 2) после бетонирования лотка- водовыпуска.

2.6. Закладные детали должны изготавливаться из листовой стали ВСтЗсп по ГОСТ 380-71 и ГОСТ 19903-74 или ГОСТ 19904-74, анкера - из арматурной стали класса А-1 по ГОСТ 5781-75.

2.7. Отклонения по толщине листов, из которых изготавливаются изделия закладных деталей, должны соответствовать предусмотренным ГОСТ 19903-74 или ГОСТ 19904-74.

2.8. Сварку производить электродами Э42.

Механические свойства сварных соединений и наплавленного металла при нормальной температуре должны соответствовать предусмотренным в ГОСТ 9467-75.

2.9. Отклонения стальных закладных деталей не должны превышать указанных в чертежах обязательного приложения.

2.10. Открытые поверхности стальных закладных деталей лотков должны иметь лакокрасочное покрытие, которое следует наносить на очищенные от наплывов бетона поверхности.

Техническая характеристика лакокрасочных покрытий должна назначаться в соответствии с требованиями главы СНиП II-28-73.

3. Правила приемки

3.1. Приемка лотков-водовыпусков должна производиться в соответствии с требованиями ГОСТ 21509-76.

4. Методы испытаний

4.1. Испытание лотков-водовыпусков должно производиться по ГОСТ 21509-76.

4.2. Перед испытанием на водонепроницаемость лотков-водовыпусков отверстие в закладной части закрывается съемной заглушкой.

4.3. Испытание сварных соединений арматурных изделий и закладных деталей и оценку их качества следует производить по ГОСТ 10922-75.

5. Маркировка, транспортирование и хранение

5.1. Маркировка, транспортирование и хранение лотков-водовыпусков должны производиться в соответствии с ГОСТ 21509-76.

5.2. Закладные детали должны иметь маркировку масляной краской на наружных поверхностях фланцев. Маркировочная надпись должна указывать на принадлежность фланцев к соответствующему лотку, например, для лотка ЛРВ-4 фланец маркируется - 4.

6. Указания по эксплуатации

6.1. Укладка лотка-водовыпуска на стоечные опоры разрешается при достижении бетоном омоноличивания стойки прочности не ниже 50% от проектной, пуск воды по лоткам - при 100% прочности бетона.

6.2. Для обеспечения водонепроницаемости стыков лотков-водовыпусков с примыкающими лотками рекомендуются применять жгуты круглого сечения из резины или пароизола. Для обеспечения герметичности стыков жгуты из резины или пароизола должны быть обжаты соответственно на 30 и 50%.

Жгуты из резины должны соответствовать ГОСТ 6467-79, а из пароизола - ГОСТ 19177-73.

7. Гарантии изготовителя

7.1. Завод-изготовитель гарантирует соответствие поставляемых им изделий требованиям настоящего стандарта при соблюдении потребителем правил транспортирования и хранения, установленных настоящим стандартом.

7.2. Некачественные лотки-водовыпуски завод-изготовитель обязан заменить в сроки, согласованные с потребителем.

Приложение

Обязательное

Рабочие чертежи закладных деталей
image002.jpg
image003.jpg
image004.jpg
image005.jpg
image006.jpg
image007.jpg
image008.jpg
image009.jpg
image010.jpg

Яндекс.Метрика